安全兜网施工技术交底
- 格式:doc
- 大小:106.50 KB
- 文档页数:3
交底内容:一、编制依据1、《聊城恒大名都17#楼施工图纸》2、《聊城恒大名都17#楼施工组织设计》3、《混凝土结构施工图》11G101-1 11G101-2 11G101-34、《混凝土结构工程施工质量验收规范》 GB50204-2002二、施工准备1、技术准备:1)熟悉图纸,核对半成品钢筋的级别、直径、尺寸和数量是否与料牌相符,如有错漏应纠正增补。
2)按图纸设计要求检查已加工好的钢筋规格、形状、数量是否正确。
3)做好抄平放线工作,弹好水平标高线,柱、墙外皮尺寸线。
4)根据设计图纸及工艺标准要求,向班组进行技术交底。
2、材料准备:1)钢筋:应有出厂合格证、按规定作力学性能复试。
当加工过程中发生脆断等特殊情况,还需作化学成分检验。
钢筋应无老锈及油污。
2)成型钢筋:必须符合施工图的规格、尺寸、形状、数量。
3)铁丝:可采用20~22号铁丝(火烧丝)或镀锌铁丝(铅丝)。
铁丝切断长度要满足使用要求。
4)垫块:用水泥砂浆制成,20mm~50mm见方,厚度同保护层,垫块内预埋20~22号火烧丝。
或用塑料卡、拉筋、支撑筋。
3、机具准备:钢筋钩子、撬杠、小扳子、绑扎架、钢丝刷子、手推车、粉笔、钢卷尺、专用水平及垂直运输工具等。
三、作业条件:1)准备好铁丝、水泥垫块以及常用绑扎工具和机具。
2)钢筋定位划出钢筋安装位置线,如钢筋品种较多时,应在已安装好的模板上标明各种型号构件的钢筋规格形状和数量。
3)绑扎形式复杂的结构部件时,应事先考虑支模和绑扎的先后次序,宜制定安装方案。
4)绑扎部位的位置上所有杂物应在安装前清理好。
5)钢筋进场后应检查是否有出厂证明、复试报告,并按施工平面图中指定的位置,按规格、使用部位、编号分别加垫木堆放。
6)钢筋绑扎前,应检查有无锈蚀,除锈之后再运至绑扎部位。
7)根据弹好的外皮尺寸线,检查下层预留搭接钢筋的位置、数量、长度,如不符合要求时,应进行处理。
绑扎前先整理调直下层伸出的搭接筋,并将锈蚀、水泥砂浆等污垢清除干净。
建筑工程施工现场安全管理资料分部(分项) 工程与特种作业安全技术交底说明一、施工单位应根据建设工程项目的特点,依据建设工程安全生产的法律、法规和标准,建立安全技术交底文件的编制、审查和批准制度。
二、安全技术交底文件应有针对性,由专业技术人员编写,技术负责人审查,施工单位负责人批准;编写、审查、批准人员应当在安全技术交底文件上签字.三、工程项目施工前,必须进行安全技术交底,被交底人员应当在文件上签字,并在施工中接受安全管理人员的监督检查。
安全技术交底资料应包括:1、人工挖孔桩工程安全技术交底2、土方工程施工安全技术交底3、混凝土工程施工安全技术交底4、钢筋工程施工安全技术交底5、模板安装安全技术交底6、模板拆除安全技术交底7、砌筑工程施工安全技术交底8、外装饰抹灰工程安全技术交底9、室内抹灰工程安全技术交底10、卷材屋面防水工程安全技术交底11、钢木门窗安装工程安全技术交底12、油漆工程安全技术交底13、构件吊装工程安全技术交底14、电焊作业安全技术交底15、气焊作业安全技术交底16、钢管外脚手架搭设安全技术交底17、脚手架拆除安全技术交底18、吊篮安装安全技术交底19、吊篮使用安全技术交底20、吊篮拆除安全技术交底21、物料提升机安装安全技术交底22、物料提升机使用安全技术交底23、物料提升机拆卸安全技术交底24、混凝土搅拌机使用安全技术交底25、外用电梯安装安全技术交底26、外用电梯使用安全技术交底27、外用电梯拆卸安全技术交底28、塔式起重机安装安全技术交底29、塔式起重机使用安全技术交底30、塔式起重机拆卸安全技术交底31、其它安全技术交底(备用表)人工挖孔桩工程安全技术交底本表一式两份,班组自存一份,归档一份。
土方工程施工安全技术交底本表一式两份,班组自存一份,归档一份.混凝土工程施工安全技术交底本表一式两份,班组自存一份,归档一份。
钢筋工程施工安全技术交底本表一式两份,班组自存一份,归档一份模板安装安全技术交底本表一式两份,班组自存一份,归档一份。
技术、安全交底记录施工单位:2010 年7月19日编号技术、安全交底记录施工单位:鸿丰建设集团有限公司2010 年6月4日编号:物料吊运过程中,严禁碰撞或扯动外水平架。
6.在水平防护架拆除过程中,对所有拆下的脚手管和有坠落可能的物品,一律先行拆除或加以固定,高处作业所用的物品,均应堆放平稳,不妨碍通行和装卸,工具随手放入工具袋,拆卸下的物件及余料均及时集装、清理运走,不得任意乱置或向下丢弃,传递物件禁止抛掷。
7.雨天进行高空作业时,必须采取可靠的防滑措施,遇有六级以上强风等恶劣气候,不得进行露天攀登与悬空作业。
技术负责人:交底人:接交人: 表C2-2技术、安全交底记录施工单位:鸿丰建设集团有限公司2010 年6月4日编号:交底内容:挑网的拆除1.挑网拆除前应由区项目部负责人召集有关人员对工程进行全面检查与签证,确认建筑物已施工完毕,确已不需要挑网时,方可拆除。
2.拆除挑网,应设置警戒区,并有专人负责警戒。
3.拆除挑网前,应将架上的材料、杂物等清除干净,按自上而下,先装者后拆,后装者先拆的顺序进行。
4.拆下的挑网杆件与零配件应分类堆放,用塔吊进行运载,严禁高空抛掷。
安全防护措施1.搭拆水平防护架必须由经按现行国家标准《特种作业人员安全技术考核管理规程(GB5036》培训并考核合格的持证架子工承担;并经常进行体格检查,凡患有高血压、心脏病等不适于高空作业者,不得上架操作。
2.搭拆水平防护架时,工人必须戴好安全帽,佩好安全带,工具及零配件应放入工具袋内,穿防滑鞋工作,袖口、裤口要扎紧。
3.吊运钢管材料等须用专用的保险吊钩,钢管严禁单点起吊,要堆放平稳,并严格控制挑网上的施工荷载。
4.在搭拆挑网时,如果杆件等尚未绑扎牢固,或已拆幵绑扎,均不得中途停止5.遇有恶劣气候(如风力在六级以上)影响施工安全时,不得进行高空搭拆工作和高空作业。
6.严禁在挑网上拉缆风绳和设置起重把杆或搭挂三角小平台。
7.严禁在挑网堆放物料如模板、木料及施工多余的材料等,以确保水平防护架的安全。
安全网施工安全技术交底安全网的质量必须符合GB5725-35规定,即外形尺寸为1.8×6m和4×6m 两种,每张网的重量应少于15kg / 张大于8kg / 张,安全网分立网、平网两种。
立网的目数应在2000目(10cm×10cm)以上。
一、立网安装平面垂直于水平面(相对来说),主要是用来防止人和物坠落的安全网称为立网。
1、根据GB5725-85规定,立网边绳、系绳断裂强力不低于300kgf,网绳的断裂强力为150-200kgf,网目的边长不大于10cm。
2、挂设立网必须拉直、拉紧。
3、网平面与支撑作业人员的面的边缘处最大的间隙不得超过15cm。
二、平网安装平面不垂直于水平面,主要是用来接住坠落的人和物的安全网称为平网。
1、平网要能承受重100kg底面积为2800cm2的模拟人形砂包冲击后,网绳、边绳、系绳都不断裂(允许筋绳断裂),冲击高度10m最大延伸率不超过1.5m。
旧网重新使用前,按GB5725-86规定,应全面进行检查,并签发允许使用证明方准使用。
2、网的外观检查:(1)网目边长不得大于10cm,边绳、系绳、筋绳的直径不少于网绳的2倍,且应大于7mm。
(2)筋绳必须纵横向设置,相邻两筋绳间距在30至100cm之间,网上的所有绳结成节点必须牢固,筋绳应伸出边绳1.2m,以方便网与网或网与模杆之间的拼接绑扎。
(或另外加系绳绑扎)。
(3)旧网应无破损或其他影响使用质量的毛病。
3、网的选择:(1)根据使用目的,选择网的类型,根据负载高度选择网的宽度、立网不能代替平网使用,而平网可代替立网使用。
(2)当网宽为3m时,张挂完伸出宽度约2.5m,当网宽4m时张挂后伸出宽度约3m。
4、网的安装:(1)安装前必须对网及支杆、横杆、锚固点进行检查,确认无误后方可开始安装。
(2)安全网的内外侧应各绑一根大横杆,内侧在横杆绑在事先予埋好的钢筋环上或在墙(楼板)的内侧再绑一根大横杆与外侧安全网的里大横杆绑在一起,大横杆离墙(或楼板)间隙≤15cm。
一、交底工程名称:[工程名称]二、交底部门:[部门名称]三、交底人:[交底人姓名]四、施工期限:[开始日期]至[结束日期]五、接受交底班组或员工签名:[签名]六、安全网技术交底内容:1. 安全网的基本要求(1)安全网应选用符合国家标准的合格产品,确保其在使用过程中具有足够的强度和韧性。
(2)安全网在安装、使用过程中,不得损坏、撕裂、扭曲、磨损等,如有损坏,应立即更换。
(3)安全网应定期进行检测,确保其安全性能。
2. 安全网安装要求(1)安装前,应对施工现场进行安全检查,确保安装区域无安全隐患。
(2)安全网应固定在稳固的支架上,支架应具备足够的承载能力。
(3)安全网应水平安装,与地面保持垂直,防止因倾斜导致人员坠落。
(4)安全网应设置在施工区域的四周,覆盖范围应满足安全要求。
(5)安全网边缘应留有足够的余地,防止人员穿越时发生坠落。
3. 安全网使用要求(1)作业人员在使用安全网时,应穿戴好个人防护用品,如安全帽、安全带等。
(2)作业人员应严格遵守操作规程,不得随意攀爬、翻越安全网。
(3)在安全网下进行作业时,应确保安全网完好无损,防止因安全网损坏导致坠落事故。
(4)安全网应定期进行检查,发现异常情况应及时更换或修复。
4. 安全网拆除要求(1)安全网拆除前,应确保施工区域无人员作业,避免发生意外事故。
(2)拆除安全网时,应按照安装顺序进行,防止因拆除不当导致安全事故。
(3)拆除后的安全网应进行清洗、晾干,以便下次使用。
5. 安全网维护与保养(1)安全网应定期进行清洁,保持其表面清洁,防止因污垢、油脂等物质附着影响使用效果。
(2)安全网应定期进行检查,发现损坏、老化等现象应及时更换。
(3)安全网应存放于干燥、通风的环境中,避免因潮湿、阳光直射等导致损坏。
七、注意事项1. 施工单位应加强对安全网的检查、维护和保养,确保其安全性能。
2. 作业人员应提高安全意识,严格遵守操作规程,确保自身和他人的安全。
3. 安全网应定期进行检测,确保其符合国家标准,防止因安全网问题导致安全事故。
肉容:一、材料准备:准备材料根据施工总进度计划安排,材料应及时进场并按照相应规的规定和施工组织设计的要求对,钢管、扣件、脚手板、密目网等进行检查验收,不合格产品不得使用。
钢管:选用48.3mm、壁厚3.6mm。
长度为1m、2m、4m、6m等。
钢管涂刷防锈漆。
扣件:扣件不能有裂纹、气孔、砂眼等缺陷。
扣件与钢管的贴和面要接触良好,扣件夹紧钢管时,开口处的最小距离要小于5mm,扣件的活动部位应使其转动灵活,旋转扣件的两旋转面间隙小于1mm 。
3m*6m大眼网应严密有效,满足安全要求。
8#钢丝绳。
1、水平安全网的钢管主要为6米杆,规格Φ48.3mm×3.6mm,其质量符合现行国家标准GB/T3091-2001规定。
2、安全网采用平网(阻燃型大眼网)、密目式安全网,必须符合GB16909-2009国家标准,并进行抽样质量检测。
经检验合格的构配件应按品种、规格分类,堆放整齐、平稳,堆放场地不得有积水。
二、技术准备1、认真熟悉图纸及现场实际情况,认真学习关于安全技术操作规程,对班组进行技术交底。
2、所有架子工必须具备《特种作业操作证》、《安全资格上岗证》。
三、施工准备1、主体结构施工至四层以上。
2、楼层临边防护按要求搭设到位。
3、清除搭设场地楼层的杂物。
4、钢管、安全网等所需搭设材料准备齐全,并堆放整齐。
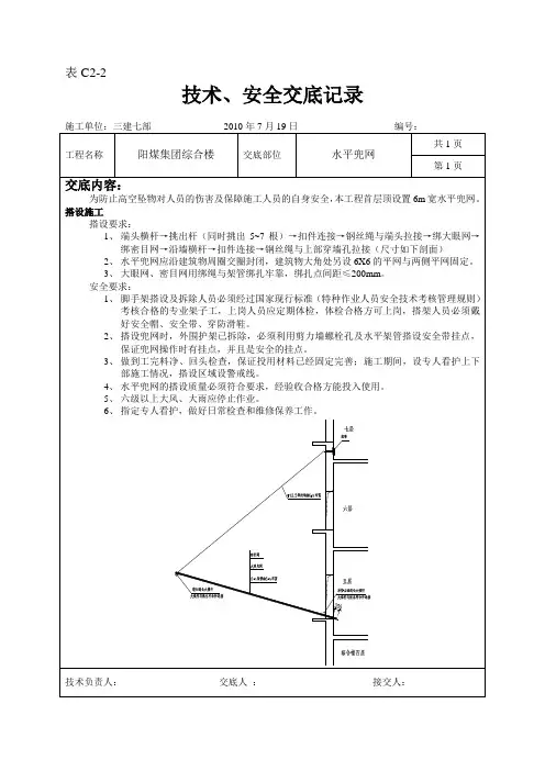
四、水平防护网架搭设外挑水平网架设计本建筑主体结构首层至十五层层高均为 2.85m,第一道外挑安全平网确定在一层顶板位置沿建筑边沿搭设双6m长的水平挑网架,外挑架上满铺长为6m 双层防护安全网,面层为安全密目网,底层为水平安全兜网。
第二道在六层及六层以上每四层沿建筑边沿搭设宽度为3m长的水平挑网架,外挑架上满铺长为3m的安全网,面层为密目网,底层为水平兜网,双层防护。
搭设方法及要求1、首层搭设一道双层安全平网,网宽6m。
网下严禁堆放其他物体。
安全平网沿外墙满布。
2、其他结构层每隔四层搭设一道安全防护网网宽3m。
工程名称 聊城恒大名都二期A17#住宅楼施工单位 中铁建设集团有限公司交底部位17#楼基础及主体工序名称基础、主体钢筋绑扎交底提要:严格按照交底施工,满足安全、质量需要。
项目(专业)技术负责人交底人接受交底人注:本记录一式两份,一份交底单位存,一份接受交底单位存。
交底内容: 一、编制依据1、《聊城恒大名都17#楼施工图纸》2、《聊城恒大名都17#楼施工组织设计》3、《混凝土结构施工图》11G101-1 11G101-2 11G101-34、《混凝土结构工程施工质量验收规范》 GB50204-2002二、施工准备1、 技术准备: 1)熟悉图纸,核对半成品钢筋的级别、直径、尺寸和数量是否与料牌相符,如有错漏应纠正增补。
2)按图纸设计要求检查已加工好的钢筋规格、形状、数量是否正确。
3)做好抄平放线工作,弹好水平标高线,柱、墙外皮尺寸线。
4)根据设计图纸及工艺标准要求,向班组进行技术交底。
2、 材料准备:1)钢筋:应有出厂合格证、按规定作力学性能复试。
当加工过程中发生脆断等特殊情况,还需作化学成分检验。
钢筋应无老锈及油污。
2)成型钢筋:必须符合施工图的规格、尺寸、形状、数量。
3)铁丝:可采用20~22号铁丝(火烧丝)或镀锌铁丝(铅丝)。
铁丝切断长度要满足使用要求。
4)垫块:用水泥砂浆制成,20mm~50mm 见方,厚度同保护层,垫块内预埋20~22号火烧丝。
或用塑料卡、拉筋、支撑筋。
3、机具准备:钢筋钩子、撬杠、小扳子、绑扎架、钢丝刷子、手推车、粉笔、钢卷尺、专用水平及垂直运输工具等。
三、作业条件:1)准备好铁丝、水泥垫块以及常用绑扎工具和机具。
2)钢筋定位 划出钢筋安装位置线,如钢筋品种较多时,应在已安装好的模板上标明各种型号构件的钢筋规格形状和数量。
3)绑扎形式复杂的结构部件时,应事先考虑支模和绑扎的先后次序,宜制定安装方案。
4)绑扎部位的位置上所有杂物应在安装前清理好。
5)钢筋进场后应检查是否有出厂证明、复试报告,并按施工平面图中指定的位置,按规格、使用部位、编号分别加垫木堆放。
围网工程技术交底记录一、工程概况本次围网工程位于XX地区,工程规模共计XX米,主要任务是公共场所的围栏搭建高强度、耐候性好的围网。
工程施工时间为XX天。
二、施工方案1.围网选择根据工程需求和客户要求,我们选择了镀锌铁丝网作为围网材料。
镀锌铁丝网具有耐候性好、使用寿命长、抗腐蚀性强的特点,适合用于户外围栏工程。
2.围网搭建流程(1)测量:首先根据工程图纸和现场实际情况,进行围网的测量工作。
确认围网的尺寸、高度和场地的地形等重要参数。
(2)确定围网桩位:根据测量结果和工程要求,确定围网桩位,并进行标注。
确保围网桩位的准确性和垂直度。
(3)开挖基坑:在围网桩位处进行基坑的开挖工作,保证基坑的深度和宽度符合设计要求。
(4)桩基施工:根据基坑的实际情况,选择适合的桩基施工方法,如钢筋混凝土桩基、木桩等。
确保围网的稳固性和安全性。
(5)围网搭建:将铁丝网按照要求进行切割和连接,然后搭建在围网桩基上。
确保围网的平整度和紧固度。
(6)验收与完工:在围网搭建完成后,进行验收工作。
对围网的高度、平直度和固定性进行检查,确保围网符合设计要求。
确认完工并记录施工日期。
三、施工安全措施1.施工人员必须佩戴安全帽、口罩和手套等个人防护用品,并根据工地实际情况选择适合的防护鞋。
2.确保施工现场通风良好,排除有毒有害气体及粉尘。
3.对施工现场进行封闭管理,设置明显的安全标志,避免非工作人员进入施工区域。
4.施工过程中使用的机械设备必须经过安全检查,并由持证人员操作。
5.在桩基施工中,请注意操作安全,避免伤害和事故发生。
6.施工过程中,注意现场卫生,定期清理施工现场,保持整洁。
四、施工质量控制1.在围网搭建过程中,严格按照设计图纸和规范要求进行施工。
确保围网的尺寸、高度和平直度符合要求。
2.使用合格的材料,确保围网的强度、耐候性和抗腐蚀性。
3.施工现场进行日常巡视,及时发现施工质量问题,及时进行整改,确保施工质量符合要求。
4.完成围网搭建后,进行验收工作,确保围网符合设计要求。
水平兜网防护技术交底工程名称15#住宅楼等14项(海淀区田村山(西郊砂石厂西地块)保障性住房(配建商品房及公建)项目)交底日期2016-10-6 施工单位北京朝林建设集团有限公司分项工程名称结构交底提要水平兜网防护施工技术交底审核人交底人接受交底人肉容:一、材料准备:准备材料根据施工总进度计划安排,材料应及时进场并按照相应规范的规定和施工组织设计的要求对,钢管、扣件、脚手板、密目网等进行检查验收,不合格产品不得使用。
钢管:选用48.3mm 、壁厚 3.6mm 。
长度为1m 、2m 、4m 、6m 等。
钢管涂刷防锈漆。
扣件:扣件不能有裂纹、气孔、砂眼等缺陷。
扣件与钢管的贴和面要接触良好,扣件夹紧钢管时,开口处的最小距离要小于5mm ,扣件的活动部位应使其转动灵活,旋转扣件的两旋转面间隙小于1mm 。
3m*6m 大眼网应严密有效,满足安全要求。
8#钢丝绳。
1、水平安全网的钢管主要为6米杆,规格Φ48.3mm ×3.6mm ,其质量符合现行国家标准GB/T3091-2001规定。
2、安全网采用平网(阻燃型大眼网)、密目式安全网,必须符合GB16909-2009国家标准,并进行抽样质量检测。
经检验合格的构配件应按品种、规格分类,堆放整齐、平稳,堆放场地不得有积水。
二、技术准备1、认真熟悉图纸及现场实际情况,认真学习关于安全技术操作规程,对班组进行技术交底。
2、所有架子工必须具备《特种作业操作证》、《安全资格上岗证》。
三、施工准备1、主体结构施工至四层以上。
工程名称15#住宅楼等14项(海淀区田村山(西郊砂石厂西地块)保障性住房(配建商品房及公建)项目)交底日期2016-10-6 施工单位北京朝林建设集团有限公司分项工程名称结构交底提要水平兜网防护施工技术交底审核人交底人接受交底人2、楼层临边防护按要求搭设到位。
3、清除搭设场地楼层的杂物。
4、钢管、安全网等所需搭设材料准备齐全,并堆放整齐。
四、水平防护网架搭设外挑水平网架设计本建筑主体结构首层至十五层层高均为 2.85m ,第一道外挑安全平网确定在一层顶板位置沿建筑边沿搭设双6m 长的水平挑网架,外挑架上满铺长为6m 双层防护安全网,面层为安全密目网,底层为水平安全兜网。
技术交底记录2019年月日
三、防坠网的搭设规定
1、悬挑防坠网的斜拉钢丝绳采用预埋的Φ20光钢筋做吊环,吊环间距同悬挑水平钢管间距为1200 mm,吊环埋在梁主筋内侧,吊环锚入砼梁内,锚固长度不小于35d,每根悬挑水平钢管设置一个吊点(为Φ20吊环)。
2、安全防坠网搭设的基本要求是;横平坚直、整齐清晰、图形一致、平坚通顺、连接牢固,受荷安全、有安全操作空间、不变形、
不摇晃。
3、悬挑防坠网应由内至外向上倾斜10~20°,外高内低。
4、钢丝绳便用绳卡固定,绳卡应与钢丝绳相匹配,绳卡的U形部应卡在钢丝绳的短端侧,扭紧螺栓后,圆弧部分应将钢丝绳压下1/3-2/5直径为止,且在短端留出绳卡及安全弯的余量。
且每个固定点绳卡为四道固定,绳卡间距为110 mm,中间设置安全环。