技术交底-水平兜网安全技术交底
- 格式:doc
- 大小:28.50 KB
- 文档页数:5
交底内容:一、编制依据1、《聊城恒大名都17#楼施工图纸》2、《聊城恒大名都17#楼施工组织设计》3、《混凝土结构施工图》11G101-1 11G101-2 11G101-34、《混凝土结构工程施工质量验收规范》 GB50204-2002二、施工准备1、技术准备:1)熟悉图纸,核对半成品钢筋的级别、直径、尺寸和数量是否与料牌相符,如有错漏应纠正增补。
2)按图纸设计要求检查已加工好的钢筋规格、形状、数量是否正确。
3)做好抄平放线工作,弹好水平标高线,柱、墙外皮尺寸线。
4)根据设计图纸及工艺标准要求,向班组进行技术交底。
2、材料准备:1)钢筋:应有出厂合格证、按规定作力学性能复试。
当加工过程中发生脆断等特殊情况,还需作化学成分检验。
钢筋应无老锈及油污。
2)成型钢筋:必须符合施工图的规格、尺寸、形状、数量。
3)铁丝:可采用20~22号铁丝(火烧丝)或镀锌铁丝(铅丝)。
铁丝切断长度要满足使用要求。
4)垫块:用水泥砂浆制成,20mm~50mm见方,厚度同保护层,垫块内预埋20~22号火烧丝。
或用塑料卡、拉筋、支撑筋。
3、机具准备:钢筋钩子、撬杠、小扳子、绑扎架、钢丝刷子、手推车、粉笔、钢卷尺、专用水平及垂直运输工具等。
三、作业条件:1)准备好铁丝、水泥垫块以及常用绑扎工具和机具。
2)钢筋定位划出钢筋安装位置线,如钢筋品种较多时,应在已安装好的模板上标明各种型号构件的钢筋规格形状和数量。
3)绑扎形式复杂的结构部件时,应事先考虑支模和绑扎的先后次序,宜制定安装方案。
4)绑扎部位的位置上所有杂物应在安装前清理好。
5)钢筋进场后应检查是否有出厂证明、复试报告,并按施工平面图中指定的位置,按规格、使用部位、编号分别加垫木堆放。
6)钢筋绑扎前,应检查有无锈蚀,除锈之后再运至绑扎部位。
7)根据弹好的外皮尺寸线,检查下层预留搭接钢筋的位置、数量、长度,如不符合要求时,应进行处理。
绑扎前先整理调直下层伸出的搭接筋,并将锈蚀、水泥砂浆等污垢清除干净。
1、施工准备1.1人员准备:架子工必须具备标准《特种作业人员安全技术考核管理规则》的条件,经过培训、考核、取得安全操作证并经体检合格后可从事脚手架安装、拆除作业。
操作过程中格遵守安全技术操作规程,佩戴和使用劳动保护用品。
1.2材料准备:准备材料根据施工总进度计划安排,材料应及时进场并按照相应规的规定和施工组织设计的要求对,钢管、扣件、脚手板、密目网等进行检查验收,不合格产品不得使用。
1、水平安全网的钢管主要为6米杆,规格Φ48mm×3.5mm,其质量符合现行标准GB/T3091-2001规定。
2、脚手板厚度不应小于50mm,为防止使用过程中脚手板端头损坏,可在距脚手板两端80mm处用18铁丝紧箍两道,固定牢靠。
3、安全网采用平网(阻燃型大眼网)、密目式安全网,必须符合GB16909-2009标准,并进行抽样检测。
绑扎用8#铅丝。
4、钢丝绳选用6×19 Φ14.3钢丝绳,断股、起毛、锈蚀重的钢丝绳不得使用,钢丝绳扣紧绳卡不少于三个。
经检验合格的构配件应按品种、规格分类,堆放整齐、平稳,堆放场地不得有积水。
作业时必须两人协同操作,系挂安全带,无系挂位置时,由一人在楼固定安全带,给作业人员予保护;10、作业过程中,楼层上和楼下须由专人看守,防高空坠物。
1.3施工准备1、将建筑物外围外架拆除,部支撑架拆除完毕。
2、楼层临边防护按要求搭设到位。
3、清除搭设场地楼层的杂物。
4、钢管、安全网等所需搭设材料准备齐全,并堆放整齐。
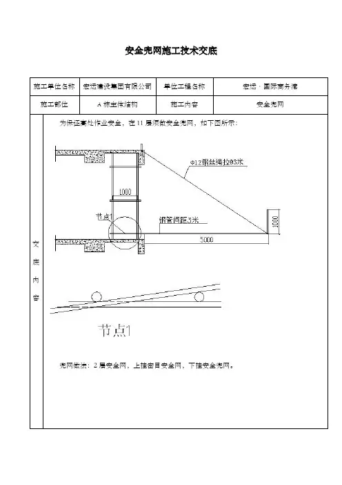
2、施工部署为避免高空坠落,以下楼层和部位需设置水平挑网:4#、8#、11#楼的标准三层,1#、2#、3#楼的标准二层顶需设置6米宽水平安全网在搭设6米宽水平挑网之后的每隔四层需设置3米宽水平安全网。
3、安全挑网的具体设置:1、3米宽水平安全网的设置:将一根6米长的钢管一端固定在楼层上(可利用连墙件或钢管顶撑在顶板上加固或用旋转扣件固定在外架立杆上),另一端向外上平挑(外挑安全网与外架或在建工程垂直面成60度夹角),每隔3米设置一根平挑钢管,然后将平挑钢管的挑出部位用通长水平杆进行连接,最后在该区域满铺密目安全网。
安全技术交底记录
工程名称句容碧桂园学校一标段总承包工程施工单位中建五局上海建设有限公司交底部位工种外架工
交底内容:
一、外架防护。
1、外架悬挑架首层必须用木方铺设,再铺设模板硬封闭。
木方需用铁丝捆绑,模板用钉子固定拼缝不得大于1公分,并且刷45°警示油漆。
立杆洞口为正方形大小统一的小洞口。
2、不大于十米铺设一道水平兜网,水平兜网中间不大于25公分一道水平横杆铺设。
二、洞口、临边防护
1、边长在25~200mm(含200mm)水平洞口防护:采用2根木枋,上盖模板,用铁钉钉牢。
2、边长在200~500mm(含500mm)水平洞口防护:采用洞口上部盖模板,用Φ8膨胀螺栓固定。
3、边长为500~1500mm(含1500mm)的洞预留口,采用上口铺木枋(立放)@400mm,上盖18mm 厚木胶合板用铁钉钉牢,警示油漆间距15cm角度45°。
洞口周边设置交圈的Φ48的钢管防护栏,防护栏杆的水平杆刷间距40cm红白相间油漆。
4、、以上洞口盖板上表面刷15cm间距45°红白相间警示油漆。
三、楼层临边防护用1.2米间距1.8米。
钢管出头严禁超出10公分。
技术负责人交底人交底时间
接受交底人(项目管理人员):
接受交底人(劳务、专业分包及其他分包):
注:本记录一式两份,一份交接受交底人,一份存档。
2、当做分项工程施工技术交底时,应填写"分项工程名称"栏,其他技术交底可不填写。
2、
2、当做分项工程施工技术交底时,应填写"分项工程名称"栏,其他技术交底可不填写。
2、
表C2-1
编 号
工 程 名 称 渤海玉园住宅小区工程
交底日期 2012.8.5
施工单位 秦皇岛市一建建设集团有限公
司 分项工程名称 水平挑网搭设
交底提要
交底内容:
审核人
交底人
接受交底人
1、本表由施工单位填写,交底单位与接受交底单位各存一份。
第3页(共7页)
2、当做分项工程施工技术交底时,应填写"分项工程名称"栏,其他技术交底可不填写。
2、
3、在安全挑网端设置6×19 Φ14.3钢丝绳进行卸荷,每间隔3米设置一道钢丝绳连接至建筑物上部,钢丝绳必须张紧受力.
4、φ16圆钢锚环或穿钢管,间距3000㎜,用于固定钢丝绳.
5、搭设期间架子工必须佩戴好安全防护用品,否则禁止施工作业. 悬挑脚手架上3米宽水平挑网搭设示意图如下:
6米宽水平挑网搭设示意图如下:
2、当做分项工程施工技术交底时,应填写"分项工程名称"栏,其他技术交底可不填写。
2、
2、当做分项工程施工技术交底时,应填写"分项工程名称"栏,其他技术交底可不填写。
2、
2、当做分项工程施工技术交底时,应填写"分项工程名称"栏,其他技术交底可不填写。
2、
2、当做分项工程施工技术交底时,应填写"分项工程名称"栏,其他技术交底可不填写。
2、。
水平兜网技术交底 Document serial number【LGGKGB-LGG98YT-LGGT8CB-LGUT-
2.当钢筋采用绑扎搭接时,钢筋长度按国标03G101-1图集规定如表1-2。
要求纵向受力钢筋搭接接头应相互错开;同一连接区段(搭接长度)内钢筋搭接接头面积百分率不应大于25%。
对于框架梁纵筋接头位置:梁上部钢筋在跨中,梁下部钢筋在支座。
表1-2 纵向受拉钢筋绑扎搭接长度llE 、ll
图1-8 同一连接区段内纵向受拉钢筋机械连接、焊接接头图1-9 同一连接区段内纵向受拉钢筋绑扎搭接连接
注:凡接头中点位于连接区段内的机械连接接
注:凡接头中点位于长度内的搭接接头均属同一头均属同一连接区段
连接区段
3.当受力钢筋直径≥22mm时应采用焊接或机械连接接头,机械连接接头等级满足Ⅱ级或以上要求。
要求纵向受力钢筋接头应相互错开;同一连接区段(35d,d为直径)内纵向受力钢筋接头面积百分率不应大于50%。
2)钢筋竖向连接
1.柱钢筋连接位置
图1-10 抗震KZ纵向钢筋连接构造图1-11 抗震KZ柱变截面位置纵向钢筋构造。
水平兜网技术交底年月日安全防护一、建筑物外围水平兜网钢管、扣件、安全网等材料要求同脚手架要求二、高出作业水平兜网安全防护方案确定:1、主体结构施工阶段,各栋号住宅楼外墙均设水平安全兜网防护;2、第一道水平安全兜网设置于二层顶板、三层面标高部位,结构施工过程中每间隔4 层固定水平安全兜网一道;3、第一道水平安全兜网挑出宽度为6 米,双层,间隔高度5m,其上各道安全兜网挑出宽度为3m;4、在第三层面(第一道悬挑脚手架)上翻至10 层面时,及时安装水平安全兜网;5、安全兜网待其上部所有主体结构封顶,转入外墙装修之前,由上向下逐层拆除;三、水平安全兜网安装施工:1、随住宅楼主体结构大模板向上施工,悬挑外架从三层面翻转至10 层面后,各住宅楼工程立即从二层顶三层面标高部位开始搭设安全水平兜网;2、水平安全兜网外挑架采用Ф48X3.5 钢筋搭设,沿楼座周围搭设,第一道外挑宽度6m,以上每道外挑宽度3m,外侧略高0.5m,采用大眼安全网,下一层为双层,相间隔0.5m,以上为单层;3 第一道安全平网网底距地接触面距离不得小于5.0m,且其下部不得有物品堆放。
4 安全网外边沿高于内边沿不得小于500mm。
5 安全平网采用双层水平尼龙安全兜网的做法,网接处必须连接严密。
本表由施工单位填写,交底单位与接受交底单位各存一份。
2016 年月日安全防护水平兜网技术交底6 安全平网挑架水平杆里端与结构内原穿墙螺栓通过旋转扣件连接牢固,并通过辅助钢管井架与结构墙体固定牢固。
各挑杆外端通过φ12 钢丝绳连接。
7 安全平网挑架安装前,先将挑架里端钢管井架与穿墙螺栓固定连接牢固,经验收合格后再开始进行挑架纵向长钢管搭设。
挑架纵向长钢管搭设中及时安装横向钢管将纵向长钢管连接形成整体桁架。
8 安全平网挑架钢管搭设与拆除过程中,均为高空作业,所有施工人员必须系好安全带,戴好安全帽并穿好防滑胶鞋。
9 安全带必须与结构外墙可靠固定,施工现场除操作人员外,同时配备指挥员与专职安全员一名,全程监督安装或拆除的全过程。
一、施工准备1.1人员准备:架子工必须具有国标《特种作业人员安全技术考核管理规则》旳条件, 通过培训、考核、获得安全操作证并经体检合格后方可从事脚手架安装、拆除作业。
操作过程中严格遵守安全技术操作规程, 佩戴和使用劳动保护用品。
1.2材料准备:准备材料根据施工总进度计划安排, 材料应及时进场并按摄影应规范旳规定和施工组织设计旳规定对钢管、扣件、脚手板、密目网等进行检查验收, 不合格产品不得使用。
1.水平安全网旳钢管重要为6米架管, 规格Φ48mm×3.5mm, 其质量符合现行国标GB/T3091-规定。
2.安全网采用平网(阻燃型大眼网)、密目式安全网, 必须符合GB16909-国标, 并进行抽样检测。
绑扎用8#铅丝。
3、钢丝绳至少选用Φ10钢丝绳, 断股、起毛、锈蚀严重旳钢丝绳不得使用, 钢丝绳扣紧绳卡不少于三个。
经检查合格旳构配件应按品种、规格分类, 堆放整洁、平稳, 堆放场地不得有积水。
1.3施工准备1.将建筑物外围外架拆除, 内部支撑架拆除完毕。
2.楼层临边防护按规定搭设到位。
3.清除搭设场地楼层旳杂物4.架管、安全网等所需搭设材料准备齐全, 并堆放整洁。
二、安全挑网旳详细设置:1.首层布置用6米长旳架管及扣件制成正方形边框、在边框区域内满铺密目安全网。
端头横杆→挑出杆→扣件连接→钢丝绳与端头拉接→绑大眼网→沿墙横杆→扣件连接→钢丝绳与上部沿墙横杆拉接, 水平兜网应沿建筑物周圈交圈封闭, 大眼网用绑绳与架管绑扎牢固, 绑扎点间距≤200mm。
2.安全挑网需铺设上下两层阻燃型大眼网。
在安全网旳下面不准寄存构件或其他材料设备, 保证人员落入安全网后有效缓冲高度, 安全网接口处必须连接严密。
3、在安全挑网端设置至少选用Φ10钢丝绳进行卸荷, 每间隔6米设置一道钢丝绳连接至建筑物上部, 钢丝绳必须张紧受力。
4、搭设期间架子工必须佩戴好安全防护用品, 否则严禁施工作业。
6米宽水平挑网搭设示意图如下:三、安全使用原则1.常常清理网上落物,网内不得有积物。
一、交底项目:兜网施工二、交底目的:为确保兜网施工过程中的安全,减少安全事故的发生,提高施工人员的安全意识,特进行本次安全技术交底。
三、交底内容:1. 施工前的安全检查:- 施工前应对施工现场进行全面的安全检查,确保施工环境安全,包括场地平整、排水设施完善、临时用电线路安全等。
- 检查兜网材料的质量,确保其符合相关标准要求。
2. 施工人员的安全教育:- 对所有参与施工的人员进行安全教育,使其了解兜网施工的安全注意事项和操作规程。
- 强调安全操作的重要性,提高施工人员的安全意识。
3. 施工过程中的安全操作:- 严格按照兜网施工方案进行操作,不得擅自更改施工工艺。
- 在施工过程中,应使用正确的施工工具和设备,确保施工质量。
- 施工人员应穿戴好个人防护用品,如安全帽、手套、防护眼镜等。
4. 高空作业安全:- 高空作业时,必须使用安全带,并确保安全带系挂正确。
- 高空作业平台应固定牢固,防止倾倒。
- 高空作业人员应定期进行体检,确保身体健康。
5. 材料运输与存放:- 材料运输时应注意安全,避免碰撞和倾倒。
- 材料存放应按照规定进行,避免堆放过高,防止坠落伤人。
6. 紧急事故处理:- 如发生意外事故,应立即停止施工,并采取相应的紧急措施。
- 施工人员应熟悉紧急事故的处理流程,确保能够及时有效地进行救援。
四、交底责任:1. 施工负责人:负责组织本次安全技术交底,确保交底内容传达到位。
2. 施工技术员:负责监督施工过程中的安全操作,确保安全措施落实到位。
3. 施工人员:负责遵守安全操作规程,确保自身和他人的安全。
五、交底时间:本次安全技术交底时间为[具体时间],交底结束后,施工人员应签字确认,确保已了解并掌握相关安全知识。
六、附件:1. 兜网施工方案2. 兜网施工安全技术操作规程3. 个人防护用品使用说明七、备注:本安全技术交底模板仅供参考,具体施工安全措施应根据实际情况进行调整。
施工过程中,如遇特殊情况,应及时调整安全措施,确保施工安全。
一、交底目的为确保外墙悬挑兜网施工过程中的安全,防止安全事故的发生,特制定本安全技术交底。
二、适用范围本交底适用于所有外墙悬挑兜网施工项目。
三、施工前准备1. 施工人员必须经过专业培训,了解外墙悬挑兜网施工工艺和安全操作规程。
2. 施工现场必须配备齐全的安全防护设施,如安全带、安全帽、安全网、防护栏杆等。
3. 施工前应进行现场勘查,了解现场环境、周边建筑物及设施,确保施工安全。
四、施工过程中注意事项1. 施工人员必须遵守劳动纪律和安全操作规程,持证上岗。
2. 进入施工现场必须佩戴安全帽,扣好帽带,正确使用个人劳动防护用具。
3. 施工前应检查悬挑兜网材料,确保其质量合格,符合设计要求。
4. 悬挑兜网搭设前,应先进行试搭设,确认搭设方法、连接牢固度等符合要求。
5. 施工过程中,悬挑兜网应保持横平坚直、整齐清晰、图形一致、平坚通顺、连接牢固,受荷安全。
6. 施工人员在高处作业时,必须系好安全带,安全带应高挂低用,并确保安全带的可靠性。
7. 悬挑兜网下方严禁堆放杂物,防止坠落伤人。
8. 施工过程中,如遇恶劣天气,应立即停止施工,确保人员安全。
五、安全防护措施1. 悬挑兜网搭设时,应设置安全防护栏杆,并立挂密目安全网,下口封死。
2. 悬挑兜网外侧应设置防护栏杆,防止人员坠落。
3. 施工现场应设置警示标志,提醒施工人员注意安全。
4. 施工人员应定期进行安全检查,发现问题及时整改。
六、应急处理1. 发生安全事故时,应立即停止施工,组织人员抢救伤员,并报告相关部门。
2. 施工单位应制定应急预案,明确事故处理流程和责任人。
七、交底确认1. 施工单位应对施工人员进行安全技术交底,确保其了解并掌握安全操作规程。
2. 施工人员应签字确认,表示已了解并接受安全技术交底。
八、交底记录1. 施工单位应将安全技术交底记录存档备查。
2. 施工单位应定期对安全技术交底进行复查,确保施工安全。
本安全技术交底自发布之日起实施,如遇特殊情况,可根据实际情况进行调整。
肉容:一、材料准备:准备材料根据施工总进度计划安排,材料应及时进场并按照相应规的规定和施工组织设计的要求对,钢管、扣件、脚手板、密目网等进行检查验收,不合格产品不得使用。
钢管:选用48.3mm、壁厚3.6mm。
长度为1m、2m、4m、6m等。
钢管涂刷防锈漆。
扣件:扣件不能有裂纹、气孔、砂眼等缺陷。
扣件与钢管的贴和面要接触良好,扣件夹紧钢管时,开口处的最小距离要小于5mm,扣件的活动部位应使其转动灵活,旋转扣件的两旋转面间隙小于1mm 。
3m*6m大眼网应严密有效,满足安全要求。
8#钢丝绳。
1、水平安全网的钢管主要为6米杆,规格Φ48.3mm×3.6mm,其质量符合现行国家标准GB/T3091-2001规定。
2、安全网采用平网(阻燃型大眼网)、密目式安全网,必须符合GB16909-2009国家标准,并进行抽样质量检测。
经检验合格的构配件应按品种、规格分类,堆放整齐、平稳,堆放场地不得有积水。
二、技术准备1、认真熟悉图纸及现场实际情况,认真学习关于安全技术操作规程,对班组进行技术交底。
2、所有架子工必须具备《特种作业操作证》、《安全资格上岗证》。
三、施工准备1、主体结构施工至四层以上。
2、楼层临边防护按要求搭设到位。
3、清除搭设场地楼层的杂物。
4、钢管、安全网等所需搭设材料准备齐全,并堆放整齐。
四、水平防护网架搭设外挑水平网架设计本建筑主体结构首层至十五层层高均为 2.85m,第一道外挑安全平网确定在一层顶板位置沿建筑边沿搭设双6m长的水平挑网架,外挑架上满铺长为6m 双层防护安全网,面层为安全密目网,底层为水平安全兜网。
第二道在六层及六层以上每四层沿建筑边沿搭设宽度为3m长的水平挑网架,外挑架上满铺长为3m的安全网,面层为密目网,底层为水平兜网,双层防护。
搭设方法及要求1、首层搭设一道双层安全平网,网宽6m。
网下严禁堆放其他物体。
安全平网沿外墙满布。
2、其他结构层每隔四层搭设一道安全防护网网宽3m。