化工原理课程设计 筛板塔的设计 讲解PPT课件
- 格式:ppt
- 大小:499.00 KB
- 文档页数:14
化工原理课程设计------------苯-甲苯连续精馏筛板塔的设计专业班级:09级化学工程与工艺2班姓名:吴凡平学号: 06109240指导老师:姚刚设计地点:东南大学成贤学院2011年9月目录一序言.................................................................................................................................... - 3 -二板式精馏塔设计任务书...................................................................................................... - 4 -三设计计算.............................................................................................................................. - 5 -设计方案的选定及基础数据的搜集.................................................................................. - 5 -精馏塔的物料衡算.............................................................................................................. - 8 -原料液及塔顶、塔底产品的摩尔分率...................................................................... - 8 -原料液及塔顶、塔底产品的平均摩尔质量.............................................................. - 8 -物料衡算...................................................................................................................... - 8 -塔板数的确定...................................................................................................................... - 8 -理论塔板数的确定...................................................................................................... - 8 -全塔效率的计算........................................................................................................ - 12 -求实际板数................................................................................................................ - 13 -精馏塔的工艺条件及有关物性数据的计算.................................................................... - 13 -操作压力的计算........................................................................................................ - 13 -操作温度的计算........................................................................................................ - 14 -平均摩尔质量的计算................................................................................................ - 15 -平均密度的计算........................................................................................................ - 16 -液体平均表面张力的计算........................................................................................ - 19 -液体平均黏度的计算................................................................................................ - 20 -气液负荷计算............................................................................................................ - 22 -精馏塔的塔体工艺尺寸计算............................................................................................ - 22 -塔径的计算................................................................................................................ - 22 -有效塔高的计算........................................................................................................ - 24 -塔板主要工艺尺寸的计算................................................................................................ - 24 -溢流装置计算............................................................................................................ - 24 -塔板布置.................................................................................................................... - 28 -筛板的流体力学验算........................................................................................................ - 29 -h .............................................................................................................. - 29 -塔板阻力p漏液点........................................................................................................................ - 30 -雾沫夹带.................................................................................................................... - 31 -液面落差.................................................................................................................... - 31 -液泛的校核................................................................................................................ - 31 -塔板负荷性能图................................................................................................................ - 32 -四设计结果一览表................................................................................................................ - 41 -五板式塔得结构与附属设备................................................................................................ - 42 -附件的计算........................................................................................................................ - 42 -配管............................................................................................................................ - 42 -冷凝器........................................................................................................................ - 44 -再沸器........................................................................................................................ - 45 -板式塔结构........................................................................................................................ - 46 -六参考书目............................................................................................................................ - 47 -七设计心得体会.................................................................................................................... - 47 -八附录:苯----甲苯连续精馏过程板式精馏塔示意图....................................................... - 49 -一序言化工原理课程设计是综合运用《化工原理》课程和有关先修课程(《物理化学》,《化工制图》等)所学知识,完成一个单元设备设计为主的一次性实践教学,是理论联系实际的桥梁,在整个教学中起着培养学生能力的重要作用。
化工原理课程设计分离苯_甲苯连续精馏筛板塔--分离苯—甲苯连续精馏筛板塔序言课程设计是“化工原理”的一个总结性教学环节,是培养学生综合运用本门课程及有关先修课程的差不多知识来解决某一设计任务的一次训练,在整个教学打算中它起着培养学生独立工作能力的重要作用。
精馏是分离液体混合物(含可液化的气体混合物)最常用的一种单元操作,精馏过程在能量剂驱动下,使气液两相多次直截了当接触和分离,利用液相混合物中各组分的挥发度的不同,使易挥发组分由液相向气相转移,难挥发组分由气相向液相转移,实现原料混合液中各组分的分离。
按照生产上的不同要求,精馏操作能够是连续的或间歇的,有些专门的物系还可采纳衡沸精馏或萃取精馏等专门方法进行分离。
本设计的题目是苯-甲苯连续精馏筛板塔的设计,即需设计一个精馏塔用来分离易挥发的苯和不易挥发的甲苯,采纳连续操作方式,需设计一板式塔将其分离。
分离苯和甲苯,能够利用二者沸点的不同,采纳塔式设备改变其温度,使其分离并分不进行回收和储存。
目录化工原理课程设计任务书 (6)1、设计题目 (6)2、设计任务 (6)3、设计条件 (6)二、精馏塔的物算 (6)1、原料液及塔顶、塔底产品的摩尔分率 (6)2、原料液及塔顶、塔底产品的平均摩尔质量 (6)3、物料衡算 (7)三、塔板数的确定 (7)1、理论板层数NT 的求取 (7)2、实际板层数的求取 (10)四、精馏塔的工艺条件及有关物性数据的运算 (10)1、操作压力运算 (11)2、操作温度运算 (11)3、平均摩尔质量运算 (12)4、平均密度运算 (13)5、液体平均表面张力运算 (14)6、液体平均粘度运算 (15)五、精馏塔塔体工艺尺寸运算 (17)1、塔径的运算 (17)2、精馏塔有效高度运算 (19)六、塔板要紧工艺尺寸运算 (19)1、溢流装置运算 (19)2、塔板布置 (20)七、筛板的流体力学验算 (23)1、塔板压降 (23)2、液面落差 (24)3、泡沫夹带 (24)4、漏液 (25)5、液泛 (25)八、塔板负荷性能图 (28)1、漏液线 (28)2、液沫夹带线 (29)3、液相负荷下限线 (29)4、液相负荷上限线 (30)5、液泛线 (30)九、设计结果一览表 (37)十、附录 ....................................................................................................................... (3 8) 十一、要紧物性数据 (40)十二、个人心得体会及改进意见 (43)化工原理课程设计任务书1、 设计题目:筛板式精馏塔设计2、 设计任务:试设计分离苯-甲苯混合物的筛板精馏塔。
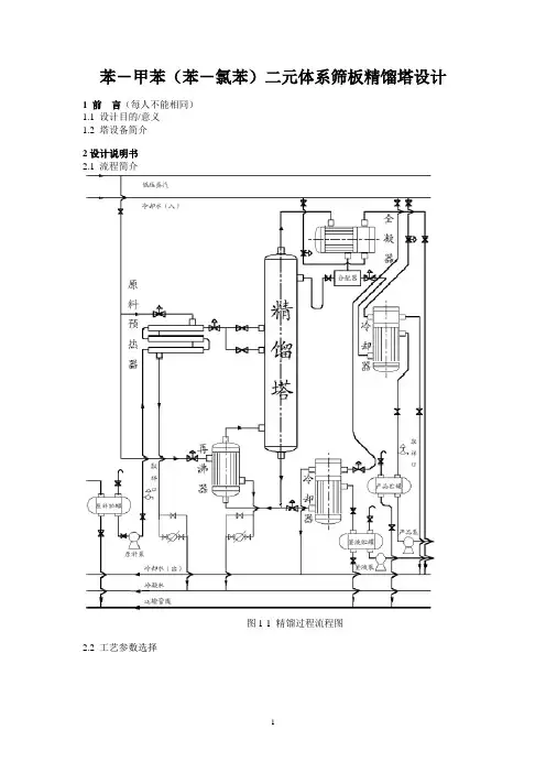
苯-甲苯(苯-氯苯)二元体系筛板精馏塔设计1 前言(每人不能相同)1.1 设计目的/意义1.2 塔设备简介2设计说明书2.1 流程简介图1-1 精馏过程流程图2.2 工艺参数选择3 工艺计算 3.1 物料衡算F=D+WFX F =DX D +WX W DX D /FX F =η得:D= Kmol/hW= Kmol/h X W =3.2 理论塔板数的计算3.2.1 查找各体系的汽液相平衡数据苯-甲苯气液相平衡见《化工原理》P483附表20(2)苯-氯苯汽液相平衡数据见附录 3.2.2 平衡线方程: 理想体系:计算每一点的α,取平均值NN αααα....21=平衡线方程:y=αx/[1+(α-1)x] 非理想体系分段计算平均α 用作图法 3.2.3 q 线方程 ● 泡点进料:q=1 ● 16℃进料: 查物性数据:(查物理化学手册或化工原理附录) 易挥发组分比热c 1= kJ/kgK 难挥发组分比热c 2= kJ/kgK 易挥发组分汽化潜热r 1= kJ/kgK 难挥发组分汽化潜热2= kJ/kgK 进料温度t 1= ℃进料组成对应的泡点温度t 2= ℃(根据进料组成查平衡数据) ∴平均r =z f r 1*分子量M轻组分+(1- z f ) r 2*分子量M 重组分= kJ/mol平均c p = z f c 1*分子量M 轻组分+(1- z f ) c 2*分子量M 重组分= kJ/KmolKq= (参考p310习题11) 计算q 线方程:11---=q x x q qy F 3.2.4 回流比取R=(1.1-1.8)R min 最小回流比R min = 回流比R=3.2.5 操作线方程精馏段操作线方程为: 1111n n D R y x x R R +=+++ 提馏段操作线方程为: W m m x WqF L W x W qF L qF L y -+--++=+''13.2.6 理论板数的计算(逐板计算或作图法)精馏段理论板数= ,第 块为进料板 提馏段=总理论板数N T =3.3 实际塔板数的计算3.3.1全塔效率E T由O’connel关联图查得全塔效率E T,见《化工原理》P347,图8-32平均粘度的计算:各组分在平均塔温下的粘度线性加和得到μav= μ1x F1+ μ2(1-x F1)3.3.2实际板数N E N E=N T/E T4塔的结构计算板式塔主要尺寸的设计计算,包括塔高、塔径的设计计算,板上液流形式的选择、溢流装置的设计,塔板布置、气体通道的设计等工艺计算。
第一章概述精馏是分离过程中的重要单元操作之一,所用设备主要包括精馏塔及再沸器和冷凝器。
1.精馏塔精馏塔是一圆形筒体,塔内装有多层塔板或填料,塔中部适宜位置设有进料板。
两相在塔板上相互接触时,液相被加热,液相中易挥发组分向气相中转移;气相被部分冷凝,气相中难挥发组分向液相中转移,从而使混合物中的组分得到高程度的分离。
简单精馏中,只有一股进料,进料位置将塔分为精馏段和提馏段,而在塔顶和塔底分别引出一股产品。
精馏塔内,气、液两相的温度和压力自上而下逐渐增加,塔顶最低,塔底最高。
本设计为筛板塔,筛板的突出优点是结构简单、造价低、塔板阻力小且效率高。
但易漏液,易堵塞。
然而经长期研究发现其尚能满足生产要求,目前应用较为广泛。
2.再沸器作用:用以将塔底液体部分汽化后送回精馏塔,使塔内气液两相间的接触传质得以进行。
本设计采用立式热虹吸式再沸器,它是一垂直放置的管壳式换热器。
液体在自下而上通过换热器管程时部分汽化,由在壳程内的载热体供热。
立式热虹吸特点:▲循环推动力:釜液和换热器传热管气液混合物的密度差。
▲结构紧凑、占地面积小、传热系数高。
▲壳程不能机械清洗,不适宜高粘度、或脏的传热介质。
▲塔釜提供气液分离空间和缓冲区。
3.冷凝器(设计从略)用以将塔顶蒸气冷凝成液体,部分冷凝液作塔顶产品,其余作回流液返回塔顶,使塔内气液两相间的接触传质得以进行,最常用的冷凝器是管壳式换热器。
第二章方案流程简介1.精馏装置流程精馏就是通过多级蒸馏,使混合气液两相经多次混合接触和分离,并进行质量和热量的传递,使混合物中的组分达到高程度的分离,进而得到高纯度的产品。
流程如下:原料(丙稀和丙烷的混合液体)经进料管由精馏塔中的某一位置(进料板处)流入塔内,开始精馏操作;当釜中的料液建立起适当液位时,再沸器进行加热,使之部分汽化返回塔内。
气相沿塔上升直至塔顶,由塔顶冷凝器将其进行全部或部分冷凝。
将塔顶蒸气凝液部分作为塔顶产品取出,称为馏出物。