荷载-结构模型和地层结构模型计算实例:北京地铁十号线八达岭高速站明挖、暗挖结构设计
- 格式:doc
- 大小:530.00 KB
- 文档页数:18
几种地铁隧道土压力计算方法的对比分析摘要:地铁隧道结构设计一般采用“荷载-结构”模型,而地铁隧道上覆土压力的计算和分布形式是合理化及精细化设计的关键。
本文依托北京地铁3号线某暗挖区间,探讨各类土压力在不同地层中计算结果与埋深的关系,对比分析的计算结果可供同类工程参考。
关键词:地铁隧道;竖向土压力;对比分析1 引言地铁隧道结构设计一般采用“荷载-结构”模型,而地铁隧道上覆土压力的计算和分布形式是合理化及精细化设计的关键。
竖向土压力计算理论及公式,包括普氏理论、太沙基理论、谢家杰公式、比尔鲍曼公式、铁路隧道设计规范公式等。
近年来,国内外学者对竖向土压力的计算做了探讨及深入研究。
宋玉香等[1]根据北京地铁所处地层,结合北京地铁四、五和十号线的暗挖隧道标准断面安全度的试算分析,提出了北京地铁隧道竖向土压力荷载计算方法,即《北京地铁矿山法区间隧道结构设计指南》推荐公式(以下简称“设计指南推荐公式”或“推荐公式”);李文博[2]分析各种土压力的计算结果与埋深的关系,并基于修正后的太沙基公式,提出了无经验参数的竖向土压力计算公式;张丽[3]等基于沈阳地铁下穿浑河的盾构隧道,提出实用的深埋隧道土压力计算方法;国斌[4]等依据工程计算经验,提出软岩浅埋隧道荷载计算的变通做法。
本文依托北京地铁3号线某暗挖区间,就普氏理论、太沙基理论、铁路隧道规范公式、设计指南推荐公式等几种计算竖向土压力的公式,探讨在不同地层中竖向土压力计算结果随埋深的变化关系,其对比分析的结果可供同类工程参考。
2 几种常用竖向土压力计算方法及公式2.5 深浅埋隧道界限的划分1、《城市轨道交通工程设计规范》(DB11/995-2013)11.3.3款条文说明中,建议隧道深、浅埋的限值(即临界覆土厚度)按2D(D为隧道开挖宽度)考虑;2、《铁路隧道设计规范》(TB10003-2016)5.1.6条规定,当H<2.5ha时,按浅埋隧道设计,其中,H为隧道拱顶以上覆盖层厚度,ha为深埋隧道垂直荷载计算高度。
北京地铁10号线二期玉泉营站主体围护结构计算书计算书目录1.计算模式 (1)2.荷载组合及分项系数 (2)3.围护结构断面计算 (2)3.1.西盾构段基坑断面计算(取CJL15钻孔) (2)3.2.东盾构段基坑断面计算(取XYQS22钻孔) (9)3.3.标准段基坑断面计算(取X-YQS21钻孔) (16)3.4.钢支撑计算 (24)3.5.冠梁配筋计算 (28)3.7挡土墙配筋计算 (30)3.8腰梁计算 (31)3.9围护桩配筋计算 (32)4车站抗浮计算 (35)4.1西盾构井处抗浮验算 (35)4.23-7轴结构抗浮计算 (37)4.37-26轴结构抗浮计算 (38)4.4东盾构段结构抗浮计算 (41)1. 计算模式围护结构按平面问题进行分析,取“荷载-结构”模式,采用弹性有限元法进行结构计算。
本设计按“增量法”原理模拟施工开挖、支撑和回筑的全过程进行计算,计入了“先变形、后支撑”对围护结构内力的影响;安装钢支撑时施加预加力按钢支撑设置轴力的40%~60%计;地层与围护结构的共同作用采用水土压力及一系列不能受拉的弹簧进行模拟,如该弹簧的抗力大于被动土压力,则将应力超量向下层土体转移。
计算计算采用同济启明星深基坑分析计算软件FRWS 4.0。
由于车站主体所处地质条件相差不大,因此计算主要选取前泥洼站基坑深度不同处及支护结构不同处的典型断面分别进行计算。
本站抗浮设防水位按照39.0m 计算围护结构的弯矩设计值M 、剪力设计值V 及轴力设计值N 按下列公式计算:k M M ηγ025.1=;kV V 025.1γ=;kN N 025.1γ= (其中0γ取1.1)2.荷载组合及分项系数2.1.1.永久荷载1、结构自重:钢筋混凝土结构重度γ=25kN/m3。
2、地层压力:竖向压力按计算截面以上全部土柱重量计算;施工期间作用在围护结构上的主动区土压力按朗金公式的主动土压力计算。
3、水压力:施工期间最不利水位按基坑底面下1.0m计算。
第13章结构防水施工本标段地层富含地下水,且补给来源充足。
暗挖区间结构底板位于潜水位以下,部分区间顶板结构也位于潜水位以下,地下管线渗漏水威胁较大,结构防水施工至关重要。
13.1 防水设计原则及标准13.1.1 设计原则1、结构防水设计遵循“以防为主、刚柔结合、多道防线、因地制宜、综合治理”的原则;其中区间防水只有在漏水量小于设计要求,疏排水不会引起周围地层下降的前提下,才允许疏排。
2、用钢筋混凝土结构自防水体系,即以结构自防水为主,施工缝、变形缝等接缝防水为重点,辅以柔性全包防水层,防水层兼做隔离层。
13.1.2 结构防水标准:1、明挖车站及过街通道的防水等级为一级,车站和通道结构不允许出现渗水部位,结构表面不得有湿渍。
车站的风道、风井等附属结构防水等级均为二级。
2、区间明、暗挖隧道和辅助线隧道及联络通道的结构防水等级为二级,结构不允许漏水,隧道顶部不允许滴水,侧墙表面允许少量、偶见的湿渍,总湿渍面积不大于总防水面积的6/1000,单个湿渍最大面积不大于0.2m2。
13.2 结构防水体系1、明挖车站主体结构均采用防、堵相结合的防水体系,见图13-1。
2、明挖区间、暗挖区间采用的也是防、堵相结合的防水体系,明挖区间结构防水体系见同明挖车站,暗挖区间防水体系见图13-2。
图13-1明挖车站防水体系图图13-2 暗挖结构防水体系图13.3 明挖结构防水施工 13.3.1 明挖结构防水方法1、全包柔性防水层防水:底板与侧墙之间采用6kg/m 2的膨润土防水毯,车站顶板采用聚氨脂涂膜防水层。
2、结构自防水:车站结构二次衬砌采用防水混凝土,抗渗等级不小于S8。
地下车站顶、底板、侧墙采用高性能补偿收缩防水混凝土。
13.3.2 明挖结构防水典型断面明挖结构防水典型断面,见图13-3。
暗挖结构防水体系结构外侧柔性防水层防水注浆系统接缝防水(变形缝、施工缝)不得渗漏水结构自防水初支喷射早强混凝土 防水混凝土,抗渗等级≥S 8裂缝控制:结构外围防水混凝土裂缝不得大于0.2mm,且不能有贯缝。
1.3 结构统一技术要求1.3.1.地下铁道结构中主要构件的设计使用年限为100年,主要构件是指结构的主体结构(梁、板、墙、柱)及基础结构。
相应结构可靠度理论的设计基准期均采用50年。
1.3.2.地下铁道结构中永久构件的安全等级为一级,相应的结构构件重要性系数γ0取1.1;临时构件的安全等级为三级,相应的结构构件重要性系数γ0取0.9;在人防荷载或地震荷载组合下,相应的结构构件重要性系数γ0取1.0。
1.3.3. 地下铁道结构的地震作用按8度设防,地下结构框架柱的抗震等级暂按三级,梁、板、墙等构件暂按四级。
待“北京地铁十号线场地地震安全评估报告”完成后,依其为设计依据。
1.3.4.地下结构中露天或与无侵蚀性的水或土壤直接接触的迎土面混凝土构件的环境类别为二类,非迎土面及内部混凝土构件的环境类别为一类,两者均视为一般环境条件。
1.3.5. 结构构件在永久荷载和基本荷载组合作用下,应按荷载短期效应组合并考虑长期效应组合的影响进行结构构件裂缝验算。
二类环境混凝土构件的裂缝宽度(迎土面)应不大于0.2mm,一类环境(非迎土面及内部混凝土构件)混凝土构件的裂缝宽度均应不大于0.3mm,混凝土管片内外侧的裂缝宽度应不大于0.2mm。
当计及地震、人防或其他偶然荷载作用时,可不验算结构的裂缝宽度。
1.3.6. 地下铁道结构中主要构件的耐火等级为一级。
1.3.7. 在规定的设防部位,地下结构按5级人防的抗力标准进行验算。
1.3.8.当地下结构处于有侵蚀地段时,应采取抗侵蚀措施,混凝土抗侵蚀系数不得低于0.8。
2.工程概况八达岭高速站结构设计形式为两端明挖、中间暗挖车站,其中两端明挖部分为地下双层三跨岛式车站,车站中部过健德桥部分采用分离暗挖单洞通过,车站主体、风道基坑围护结构均采用钻孔灌注桩,基坑内设置横向钢支撑,出入口明挖部分采用型钢围檩,内设钢支撑,车站主体、风道、出入口的明挖部分采用现浇钢筋混凝土箱形框架结构,东北、西北两出入口跨路部分采用暗挖法施工。
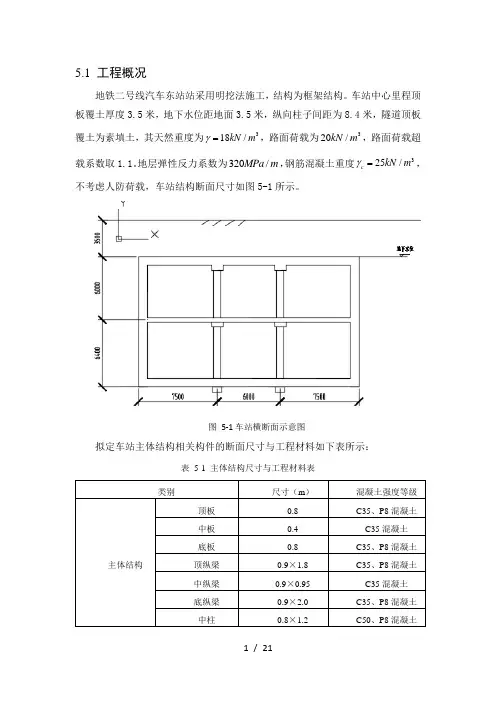
5.1 工程概况地铁二号线汽车东站站采用明挖法施工,结构为框架结构。
车站中心里程顶板覆土厚度3.5米,地下水位距地面3.5米,纵向柱子间距为8.4米,隧道顶板覆土为素填土,其天然重度为318/kN m γ=,路面荷载为320/kN m ,路面荷载超载系数取1.1。
地层弹性反力系数为320/MPa m ,钢筋混凝土重度325/c kN m γ=,不考虑人防荷载,车站结构断面尺寸如图5-1所示。
图 5-1车站横断面示意图拟定车站主体结构相关构件的断面尺寸与工程材料如下表所示:表 5-1 主体结构尺寸与工程材料表 类别尺寸(m )混凝土强度等级 主体结构顶板 0.8 C35、P8混凝土 中板 0.4 C35混凝土 底板0.8 C35、P8混凝土 顶纵梁 0.9×1.8 C35、P8混凝土 中纵梁 0.9×0.95 C35混凝土 底纵梁 0.9×2.0 C35、P8混凝土 中柱0.8×1.2C50、P8混凝土5.2 荷载类型与组合5.2.1 荷载类型结构设计所考虑的计算荷载主要有:偶然荷载,可变荷载和永久荷载,详见表5-2。
表 5-2地下结构荷载分类表5.2.2 荷载组合荷载的分项系数与组合系数按《建筑结构荷载规》取值,取值如表5-3。
表5-3 地铁车站结构计算荷载组合表5.3 主要计算参数因为车站所处位置地层较多,为了使计算简便,将物理力学指标相近的地层通过加权平均合并为一层,经合并后,共有三个地层。
各土层具体信息如下表5-4:表5-4 标准断面处从地面至车站底板土层信息表荷载取值如下:1、设备荷载:一般按8KPa计算,超过8KPa按设备实际重量计算。
2、人群荷载:4kPa。
3、路面荷载:20kPa(超载系数取1.0)。
4、水压力: 按全水头考虑。
5、车辆荷载:由于有利于抗浮,不考虑。
5.4.1 垂直荷载1、顶板垂直荷载顶板垂直荷载由路面活载与垂直土压力组成,方向竖直向下。
北京地铁10号线一期工程地层松散区探查及处理综合技术雷军;谢晋水【摘要】重点介绍北京地铁10号线(一期)工程建设过程中,为确保施工、道路交通、地下管线及周边构筑物安全,对暗挖车站、横通道及矿山法施工区间隧道通过地层进行了松散区探查及处理;并结合黄庄站工程实例进行处理、效果评价分析.【期刊名称】《铁道标准设计》【年(卷),期】2008(000)012【总页数】4页(P22-24,43)【关键词】北京地铁10号线;地层松散区;探地雷达;探查;处理【作者】雷军;谢晋水【作者单位】北京交通大学土木建筑工程学院,北京,100044;北京市轨道交通建设管理有限公司,北京,100037;北京交通大学土木建筑工程学院,北京,100044;中铁十四局集团有限公司,济南,250014【正文语种】中文【中图分类】U2311 概述地铁工程建设是一个庞大、复杂、高风险的系统工程,北京地铁工程建设的安全风险尤其突出。
北京地区地层条件特殊、各年代的地下管线密布、地层内局部存在某些人工及天然洞穴(槽)、各类通道、井等,还存在局部富水或由于自然沉降、开挖后回填不实等造成的松散区,对地铁工程建设及周边环境都是严重的安全隐患。
北京地铁10号线工程结构复杂、工程地质差异大、暗挖工程量大,东线有6座车站及线路全部位于东三环主路正下方,3次下穿已运营的铁路、轨道线路(京包、京秦铁路及地铁13号线等),9次下穿主要桥梁(如健德桥、燕莎桥、国贸桥等),37处近距离穿越周边建筑物(如国管局宿舍楼、南小街8号楼等),邻近下穿小月河、西坝河、亮马河、通惠河等4条河流,主、附属结构频繁下穿各类管线(如燃气、电力、电信、热力、上水、雨污水等)约2 100次,地面交通流量大,且安全风险高,工程施工及管理任务艰巨。
为确保北京地铁10号线安全、优质、快速、有序地按期建成,工前对暗挖车站、横通道及矿山法施工区间隧道上方地层中的松散区及各类管线探明及处理至关重要。
北京地铁车站明挖法施工摘要:本文以北京地铁十号线二期成寿寺站明挖施工为例,筒述明挖地铁车站施工工艺。
同时,本文论述了全钢大模板单侧支模技术,在地铁外墙施工积累了一定的经验,为外墙单侧支模技术在北京市地铁车站施工的推广和发展提供了一些有益的探索。
关键词:北京地铁;明挖法;单侧支模;支撑计算1、工程概况成寿寺站为地下二层双柱三垮箱型框架结构,岛式车站,明挖顺做法施工。
车站位于规划石榴庄路下,长度204.8m,宽度20.9m,站台有效长度113m,站台宽度为12m,总建筑面积11456m2,主体建筑面积为8695m2。
土层分布较为稳定,自上而下依次为人工填土、第四纪全新世冲洪积地层、第四纪晚更新世冲洪积地层。
车站及区间隧道穿越地层主要为粉质粘土、粉细砂、粉质粘土、砂卵层。
潜水含水层为粉细砂④3层。
该层地下水以大气降水入渗补给方式为主,主要以人工开采方式排泄,地下水流向自西向东偏北,具体为:上层滞水(一)、潜水(二)、层间潜水(三)。
2、基坑开挖及支护施工方法基坑围护结构采用φ800@1400mm钻孔灌注桩+桩间网喷混凝土方案,围护桩锚固长度为5m,其中盾构井范围围护桩加密、加深,间距变为1200mm,锚固长度变为7m。
基坑内侧横向设置三道钢管支撑,钢支撑采用t=12,φ630的钢管。
第一道钢支撑设在围护桩顶部的冠梁位置,钢支撑水平间距 6.0m;第二道、第三道钢支撑分别设在现况地面下8m和13m位置,钢支撑水平间距3.0m。
基坑标准段内采用对撑,在端部与角部采用斜撑。
施工程序:施工准备→挖探坑→施做围护桩→施做冠梁→土方开挖→施做桩间土喷锚护壁→架设支撑→土方开挖→施做桩间土喷锚护壁→架设支撑。
2.1灌注桩施工要点⑴每棵灌注桩施工工艺分为钻进成孔和灌注成桩两阶段,各棵流水作业。
⑵人工开挖探孔,探明桩位处有无地下物后,开始成孔作业。
⑶桩位适当外放,控制成孔精度,避免孔壁坍塌,确保桩体不侵限。
⑷加强清孔、水下混凝土施工、钢筋笼加工的工序管理,控制沉渣厚度、混凝土保护层厚度,保证桩体质量。
京张高铁八达岭地下站及隧道工程信息模型一致性表达
周清华;杨璟林;李纯;张轩
【期刊名称】《铁路计算机应用》
【年(卷),期】2022(31)10
【摘要】北京—张家口高速铁路是国内第一条全线、全生命周期内所有专业均应用建筑信息建模技术的智能高速铁路。
文章结合京张高铁重点工程—八达岭地下站和隧道工程BIM应用,基于铁路工程BIM技术标准,重点研究多专业设计数据一致性表达,构建了八达岭地下站和隧道工程的全要素信息模型,并利用中铁工程设计咨询集团有限公司开发的铁路多专业数字化协同设计软件,搭建了一个协同设计平台,使传统上离散的各专业设计数据能够实现集成展示,方便设计方案的对比和优化,有助于提升设计效率和质量,实现铁路工程的智能化建造。
此外,提出将全要素信息模型与能够反映铁路基础设施运营维护阶段真实状况的海量三维点云数据融合起来,为运营维护阶段基础设施一致性检测提供支持。
【总页数】7页(P26-32)
【作者】周清华;杨璟林;李纯;张轩
【作者单位】中铁工程设计咨询集团有限公司
【正文语种】中文
【中图分类】U21;U45
【相关文献】
1.京张高铁八达岭隧道及地下站活塞风效应研究
2.京张高铁八达岭地下车站BIM 设计应用
3.京张高铁八达岭长城地下站设计理念及实现路径
4.京张高铁八达岭长城地下站设计理念及实现路径
5.京张高铁八达岭长城地下站站内气流实测与分析
因版权原因,仅展示原文概要,查看原文内容请购买。
一、编制依据1.1施工图纸1、北京地铁9号线工程怡海花园站(现改名为“科怡路站”)主体结构施工图1.2施工图集1、《混凝土结构施工图平面整体表示方法制图规则和构造详图》(06G101)2、《建筑构造通用图集》(88J1系列)1.3主要规程、规范1、《混凝土结构工程施工质量验收规范》(GB50204-2002)2、《混凝土结构工程施工质量验收规程》(DB01-82-2005)3、《建筑施工扣件式钢管脚手架安全技术规范》(JGJ130-2001)4、《建筑工程冬期施工规程》(JGJ104-97)5、《北京市建筑安装工程分项施工工艺规程》(DBJ/T01-26-2003)1.4主要标准1、《建筑工程施工质量验收统一标准》(GB50300-2001)2、《轨道交通车站工程施工质量验收标准》(QGD-006-2005)3、《混凝土质量控制标准》(GB50164-92)4、《混凝土强度检验评定标准》(GBJ107-87)5、《建筑施工安全检查标准》(JGJ59-99)1.5其它1、北京地铁九号线工程科怡路站施工组织设计2、北京地铁九号线工程科怡路站施工现场平面布置3、《建筑施工手册(第四版)》4、《建筑工程模板施工手册(第二版)》5、绿色施工管理规程及图例二、工程概况2.1工程简介科怡路站位于南四环北侧万寿路南延路下,呈南北向布置,车站为地下两层双柱三跨框架结构,岛式站台。
车站有效站台中心里程为K2+507.614,起止里程为K2+396.414~K2+578.864,车站主体总长182.45m,车站标准段宽度为19.7m,端头盾构井段宽度为23.4m。
车站设东南、东北2个风道以及东南、东北、西南和西北共4个出入口等附属结构,车站主体及附属结构均采用明挖法施工。
2.2主体结构概况车站主体结构的相关情况如下表所示。
详见《图2-1科怡路站主体结构平面图》、《图2-2科怡路站主体结构纵剖面图》、《图2-3科怡路站主体结构横剖面图》。
1. 设计荷载计算1.1 结构尺寸及地层示意图2q=20kN/mh =灰1.2 隧道外围荷载标准值计算(1) 自重 2/75.835.025m kN g h =⨯==δγ(2)竖向土压 若按一般公式:21/95.44688.485.37.80.11.90.185.018q m KN h ni i i =⨯+⨯+⨯+⨯+⨯==∑=γ由于h=1.5+1.0+3.5+43.8=48.8m>D=6.55m ,属深埋隧道。
应按照太沙基公式或普氏公式计算竖向土压:a 太沙基公式:)tan ()tan (0010]1[tan )/(p ϕϕϕγB hB he q e B c B --⋅+--=其中:m R B c 83.6)4/7.75.22tan(/1.3)4/5.22tan(/0000=+=+=ϕ(加权平均值0007.785.5205.42.7645.19.8=⨯+⨯=ϕ) 则:2)9.8tan 83.68.48()9.8tan 83.68.48(11/02.18920]1[9.8tan )83.6/2.128(83.6p m KN e e =⋅+--=-- b 普氏公式:20012/73.2699.8tan 92.7832tan 32p m KN B =⨯⨯==ϕγ2(3) (4) γϕc =2q e(5) 水压力按静水压考虑:a 竖向水压:2w1w w1/478.24=48.8×9.8=H =p m KN γ b 侧向水压:2w1w w1/478.24=48.8×9.8=H =q m KN γ2w2w w2/532.14=5.5)(48.8×9.8=H =q m KN +γ(6) 侧向土壤抗力 衬砌圆环侧向地层(弹性) 压缩量:)R 0.0454k EI 24()]R q (q -)q (q -)p [2(p =4c 4cw2e2w1e1w1e1⋅+⋅+++ηδ 其中:衬砌圆环抗弯刚度取2376.123265120.35×0.1103.45EI m KN ⋅=⨯⨯=衬砌圆环抗弯刚度折减系数取7.0=η;则:m 34410617.057.366600811.2261)925.2200000.04546.232651.70(24925.2)]14.325(154.06-)24.784(139.19-)24.78402.189([2=-⨯==⨯⨯+⨯⨯⨯+++⨯δ2-3r /35.1210617.000002=y k =q m KN =⨯⨯⋅(7) 拱底反力 w c c 1R R 2π -0.2146R +πg +p =P γγe其中:21/02.189p mKN e =2/75.8m kN g = 3/6.728.1645.11.728.10.8645.1m KN =+⨯+⨯=γ,与拱背土压对应 则:2R /91.17410 955.2 2π-6.7955.20.2146+75.8π+189.02=P m KN =⨯⨯⨯⨯⨯。
1计算荷载、计算模型及计算容1.1计算荷载1.结构自重:按结构的实际重量计,钢筋混凝土容重取25kN/m3,装修层容重取22kN/m3;在进行荷载基本组合时作为恒荷载考虑;2.顶板覆土荷载:覆土厚度按实计算,根据路面标高情况分3.8m和3.5m两种厚度,容重取20kN/m3,在进行荷载基本组合时作为恒荷载考虑;3.顶板地面超载20kN/m,盾构吊出段30kN/m;在进行荷载基本组合时作为活荷载考虑并考虑超载引起的附加土压力;4.公共区活载标准值按4kPa计,楼梯活载标准值按4kPa计,设备区恒载按8kPa计;5.侧向水压力具体的计算方法及数值见各个断面的计算简图;在进行荷载基本组合时作为恒荷载考虑;6.侧向土压力作用在地下连续墙上,具体的计算方法及数值见各个断面的计算简图;在进行荷载基本组合时作为恒荷载考虑;7.底板水压力荷载,具体的计算方法及数值见各个断面的计算简图;在进行荷载基本组合时作为恒荷载考虑;由于底板上的其他行人荷载对底板受力有利,同时这些荷载不起主要作用,因此不予考虑。
8.人防荷载及地震荷载:按规要求取。
根据《建筑结构荷载规》(GB 50009-2012)、《建筑抗震设计规》(GB 50011-2010)、《轨道交通工程人民防空设计规》(RFJ02-2009)和《地下铁道设计规》(GB 50157-2003)的规定,按结构在施工阶段和使用阶段可能出现的最不利情况进行荷载组合。
各种荷载组合及分项系数见下表。
注:括号数值为抗浮工况在对主体结构进行承载力验算时,采用基本组合结果进行验算;对结构进行裂缝验算时,采用准永久组合进行验算。
1.2计算模型本计算书采用通用空间有限元分析软件MIDAS进行计算分析。
1.沿车站纵向取一米,按平面框架结构进行计算,荷载作用于框架构件轴线;2.考虑围护结构与主体结构的共同作用,两者之间用只承受压力的连杆相连,当连杆受拉则自动失效;3.按实际情况考虑施工阶段与正常使用阶段两种工况。
大坪站台板计算 一,站台层板计算荷载(10米站台) 永久荷载:(1) 站台层面层装修荷载:0.10x20=2.0KN/m2 可变荷载:(1) 人群荷载:4 KN//m2 (2) 设备区荷载8 KN//m2二,站台设备区楼板26.1 基本资料26.1.1 工程名称:大坪站台层26.1.2 结构构件的重要性系数 γo = 1.1 考虑活荷不利组合 考虑受压纵向钢筋26.1.3 混凝土容重 γc = 26kN/m 箍筋间距 Sv = 100mm26.1.4 可变荷载的分项系数 γQ = 1.4 可变荷载的组合值系数 ψc = 0.7 可变荷载的准永久值系数 ψq = 0.626.1.5 C30 混凝土强度: fc = 14.3N/mm ft = 1.43N/mm ftk = 2.01N/mm Ec = 29791N/mm26.1.6 钢筋强度设计值: fy = 300N/mm fy' = 300N/mm fyv = 210N/mm Es = 200000N/mm26.1.7 纵筋合力点至近边距离 as = 35mm 受拉钢筋最小配筋率 ρmin = 0.21%26.2 几何信息最左端支座:铰支 i ———跨号 Li ———第 i 跨跨度(mm ) b ———截面宽度(mm ) h ———截面高度(mm ) bf'———上翼缘高度(mm ) hf'———上翼缘高度(mm ) bf ———下翼缘高度(mm ) hf ———下翼缘高度(mm )-------------------------------------------------------------------------- i Li 截面 b h bf' hf' bf hf 右节点-------------------------------------------------------------------------- 1 5200 矩形 1000 200 铰支 2 5200 矩形 1000 200 铰支 --------------------------------------------------------------------------26.3 荷载信息i 、j ———跨号、节点号 P 、P1———单位:kN/m 、kN M —————单位:kN ·M X 、X1———单位:mm26.3.1 跨中荷载------------------------------------------------------------------- i 恒、活荷 荷载类型 P 或 M P1 X X1 ------------------------------------------------------------------- 1 活荷 均布荷载 8.00 1 恒荷 均布荷载 2.00 2 恒荷 均布荷载 2.00 2 活荷 均布荷载 8.00 梁自重 ----------------------------------------------------------- 1 恒荷 均布荷载 5.20 2 恒荷 均布荷载 5.20-------------------------------------------------------------------26.4 计算结果26.4.1 梁内力设计值及配筋V ——剪力(kN ),以绕截面顺时针为正; M ——弯矩(kN ·M ),以下侧受拉为正; As ———纵筋面积(mm ); Asv ———箍筋面积(mm )----------------------------------------------------------------------- i I 2 4 6 J ----------------------------------------------------------------------- 1 M - 0.0 0.0 0.0 -14.2 -67.1 As 面 筋 0 281 317 341 1686 As / bho 0.00% 0.17% 0.19% 0.21% 1.02% x / ho 0.000 0.000 0.000 0.030 0.150 裂缝宽度 0.000 0.000 0.000 0.110 0.234 实配面筋 0 281 317 341 1686M + 0.0 38.3 43.0 14.2 0.0 As 底 筋 0 937 1057 341 506 As / bho 0.00% 0.57% 0.64% 0.21% 0.31% x / ho 0.000 0.083 0.094 0.030 0.000 裂缝宽度 0.000 0.234 0.233 0.110 0.000 实配底筋 0 937 1057 341 506V 42.3 16.5 -12.9 -38.7 -64.5 Asv 14 14 14 14 14 构造配筋 As,min = 430 Asv,min = 14 Dmin =φ6 Smax = 200 挠度验算 截面 4 : f = -24.7 f / Li = 1/211....................................................................... 2 M - -67.1 -14.2 0.0 0.0 0.0 As 面 筋 1686 341 317 281 0 As / bho 1.02% 0.21% 0.19% 0.17% 0.00% x / ho 0.150 0.030 0.000 0.000 0.000 裂缝宽度 0.234 0.110 0.000 0.000 0.000 实配面筋 1686 341 317 281 0M + 0.0 14.2 43.0 38.3 0.0 As 底 筋 506 341 1057 937 0 As / bho 0.31% 0.21% 0.64% 0.57% 0.00% x / ho 0.000 0.030 0.094 0.083 0.000 裂缝宽度 0.000 0.110 0.233 0.234 0.000 实配底筋 506 341 1057 937 0V 64.5 38.7 12.9 -16.5 -42.3 Asv 14 14 14 14 14 构造配筋 As,min = 430 Asv,min = 14 Dmin =φ6 Smax = 200 挠度验算 截面 4 : f = -24.7 f / Li = 1/211三,站台非设备区楼板26.1 基本资料26.1.1 工程名称:大坪站台层26.1.2 结构构件的重要性系数 γo = 1.1 考虑活荷不利组合 考虑受压纵向钢筋26.1.3 混凝土容重 γc = 26kN/m 箍筋间距 Sv = 100mm26.1.4 可变荷载的分项系数 γQ = 1.4 可变荷载的组合值系数 ψc = 0.7 可变荷载的准永久值系数 ψq = 0.626.1.5 C30 混凝土强度: fc = 14.3N/mm ft = 1.43N/mm ftk = 2.01N/mm Ec = 29791N/mm26.1.6 钢筋强度设计值: fy = 300N/mm fy' = 300N/mm fyv = 210N/mm Es = 200000N/mm26.1.7 纵筋合力点至近边距离 as = 35mm 受拉钢筋最小配筋率 ρmin = 0.21%26.2 几何信息最左端支座:铰支 i ———跨号 Li ———第 i 跨跨度(mm ) b ———截面宽度(mm ) h ———截面高度(mm ) bf'———上翼缘高度(mm ) hf'———上翼缘高度(mm ) bf ———下翼缘高度(mm ) hf ———下翼缘高度(mm )-------------------------------------------------------------------------- i Li 截面 b h bf' hf' bf hf 右节点 -------------------------------------------------------------------------- 1 5200 矩形 1000 200 铰支 2 5200 矩形 1000 200 铰支 --------------------------------------------------------------------------26.3 荷载信息i 、j ———跨号、节点号 P 、P1———单位:kN/m 、kN M —————单位:kN ·M X 、X1———单位:mm26.3.1 跨中荷载------------------------------------------------------------------- i 恒、活荷 荷载类型 P 或 M P1 X X1 ------------------------------------------------------------------- 1 活荷 均布荷载 4.00 1 恒荷 均布荷载 2.00 2 恒荷 均布荷载 2.00 2 活荷 均布荷载 4.00 梁自重 ----------------------------------------------------------- 1 恒荷 均布荷载 5.20 2 恒荷 均布荷载 5.20-------------------------------------------------------------------26.4 计算结果26.4.1 梁内力设计值及配筋V ——剪力(kN ),以绕截面顺时针为正; M ——弯矩(kN ·M ),以下侧受拉为正; As ———纵筋面积(mm ); Asv ———箍筋面积(mm )----------------------------------------------------------------------- i I 2 4 6 J ----------------------------------------------------------------------- 1 M - 0.0 0.0 0.0 -7.1 -48.1 As 面筋 0 192 210 169 1189 As / bho 0.00% 0.12% 0.13% 0.10% 0.72% x / ho 0.000 0.000 0.000 0.015 0.106 裂缝宽度 0.000 0.000 0.000 0.036 0.257实配面筋 0 192 210 169 1189M + 0.0 26.4 28.8 7.1 0.0 As 底筋 0 641 700 169 357 As / bho 0.00% 0.39% 0.42% 0.10% 0.22% x / ho 0.000 0.057 0.062 0.015 0.000 裂缝宽度 0.000 0.253 0.248 0.036 0.000实配底筋 0 641 700 169 357V 29.6 11.1 -9.3 -27.8 -46.3 Asv 14 14 14 14 14 构造配筋 As,min = 430 Asv,min = 14 Dmin =φ6 Smax = 200挠度验算截面 4 : f = -23.5 f / Li = 1/222.......................................................................2 M - -48.1 -7.1 0.0 0.0 0.0 As 面筋 1189 169 210 192 0 As / bho 0.72% 0.10% 0.13% 0.12% 0.00% x / ho 0.106 0.015 0.000 0.000 0.000 裂缝宽度 0.257 0.036 0.000 0.000 0.000实配面筋 1189 169 210 192 0M + 0.0 7.1 28.8 26.4 0.0 As 底筋 357 169 700 641 0 As / bho 0.22% 0.10% 0.42% 0.39% 0.00% x / ho 0.000 0.015 0.062 0.057 0.000 裂缝宽度 0.000 0.036 0.248 0.253 0.000实配底筋 357 169 700 641 0V 46.3 27.8 9.3 -11.1 -29.6 Asv 14 14 14 14 14 构造配筋 As,min = 430 Asv,min = 14 Dmin =φ6 Smax = 200挠度验算截面 4 : f = -23.5 f / Li = 1/222。
北京地铁浅埋暗挖双连拱隧道设计摘要: 北京地铁十号线安定路站—北土城东站区间穿越安定路, 由于路面下管线密布故采用矿山法施工, 设计为双连拱结构。
文章介绍地铁双连拱结构的设计及施工方法。
关键词:地下铁道矿山法双连拱结构0 前言双连拱隧道在公路、铁路隧道中已有较多的应用, 但在地铁隧道中的应用并不多见, 而且地铁的双连拱隧道设计和施工与以岩石为主的公路、铁路隧道有明显不同。
下面将结合北京地铁设计实例对双连拱隧道的设计进行探讨。
1 工程概况北京地铁十号线安定路站—北土城东站区间在靠近安定路站处, 由于区间穿越安定路, 安定路车流量比较大, 并且路下管线密布, 因此该段区间采用矿山法施工, 设计为双连拱结构。
隧道埋深大约9m,断面尺寸如图 1 所示。
隧道穿越的土层为粉质粘土④层和粉土⑥ 2 层。
根据地勘报告, 结构已进入潜水位, 施工前需人工降水。
根据本区间的水文地质情况, 采用大口井“抽渗结合”的方法降水, 将潜水位降低到结构底板以下约1m处。
2 施工方法双连拱隧道常用的施工方法为中导洞法, 即先施工中导洞, 然后浇筑中隔墙, 在中隔墙形成承载能力后,再进行侧洞开挖, 最后施作侧洞衬砌以形成双连拱结构。
根据本段隧道的情况, 要求先将中导洞贯通, 然后再开挖两侧洞, 这样既可以通过中导洞了解该隧道的土层地质状况, 又能更好保证两侧洞施工安全。
其施工步骤如下:1) 打超前小导管对拱顶土层预支护。
2) 上、下台阶法开挖中导洞, 并施作初期支护。
3) 铺设防水层浇筑中隔墙4) 上、下台阶法分别开挖左右两侧洞, 并施作初期支护5) 分段拆除内部临时支护, 施作防水层, 浇筑二次衬砌, 完成结构施工。
3 初衬支护参数初衬采用C20喷射混凝土, 小导管Φ42@300,L=3500mm, 外倾角5°, 纵向间距为1500mm。
钢格栅由 4 根Φ 25 钢筋焊接而成, 每榀格栅间距500mm, 钢筋网Φ6@200mm×200mm双,侧布置。
1.3 结构统一技术要求1.3.1.地下铁道结构中主要构件的设计使用年限为100年,主要构件是指结构的主体结构(梁、板、墙、柱)及基础结构。
相应结构可靠度理论的设计基准期均采用50年。
1.3.2.地下铁道结构中永久构件的安全等级为一级,相应的结构构件重要性系数γ0取1.1;临时构件的安全等级为三级,相应的结构构件重要性系数γ0取0.9;在人防荷载或地震荷载组合下,相应的结构构件重要性系数γ0取1.0。
1.3.3. 地下铁道结构的地震作用按8度设防,地下结构框架柱的抗震等级暂按三级,梁、板、墙等构件暂按四级。
待“北京地铁十号线场地地震安全评估报告”完成后,依其为设计依据。
1.3.4.地下结构中露天或与无侵蚀性的水或土壤直接接触的迎土面混凝土构件的环境类别为二类,非迎土面及内部混凝土构件的环境类别为一类,两者均视为一般环境条件。
1.3.5. 结构构件在永久荷载和基本荷载组合作用下,应按荷载短期效应组合并考虑长期效应组合的影响进行结构构件裂缝验算。
二类环境混凝土构件的裂缝宽度(迎土面)应不大于0.2mm,一类环境(非迎土面及内部混凝土构件)混凝土构件的裂缝宽度均应不大于0.3mm,混凝土管片内外侧的裂缝宽度应不大于0.2mm。
当计及地震、人防或其他偶然荷载作用时,可不验算结构的裂缝宽度。
1.3.6. 地下铁道结构中主要构件的耐火等级为一级。
1.3.7. 在规定的设防部位,地下结构按5级人防的抗力标准进行验算。
1.3.8.当地下结构处于有侵蚀地段时,应采取抗侵蚀措施,混凝土抗侵蚀系数不得低于0.8。
2.工程概况八达岭高速站结构设计形式为两端明挖、中间暗挖车站,其中两端明挖部分为地下双层三跨岛式车站,车站中部过健德桥部分采用分离暗挖单洞通过,车站主体、风道基坑围护结构均采用钻孔灌注桩,基坑内设置横向钢支撑,出入口明挖部分采用型钢围檩,内设钢支撑,车站主体、风道、出入口的明挖部分采用现浇钢筋混凝土箱形框架结构,东北、西北两出入口跨路部分采用暗挖法施工。
4.施工方法的论证及方案比选6.1结构型式暗挖部分采用分离式单洞马蹄形断面,复合衬砌;车站明挖部分采用双层三跨两柱矩形断面。
暗挖风道及通道采用割圆拱直墙断面,复合衬砌明挖通道及风道采用矩形断面。
6.2车站纵向柱距的选择明挖部分纵向柱距选择主要为8m。
暗挖单洞不设柱。
6.3 围护结构与支撑体系的设计本站明挖段基坑深度17m。
基坑采用φ800,间距1.2m钻孔桩,桩长21m,基坑下部设置3道水平内支撑,水平支撑采用直径600mm、800mm的钢管,基坑纵向每3m设置一道,以I45H型钢作为腰梁,并辅以其他加固措施。
6.4 明挖段初期支护与二次衬砌的连接形式从结构受力的角度来看,初支与二衬做成叠合板,围护桩与二衬做成叠合墙,结构可以做到最经济,但是防水问题却难以解决,若在二者之间铺设防水板,则可达到较好的防水效果,因此,初期支护与二次衬砌的连接采用重合式。
6.5结构尺寸拟定6.5.1.车站双层明挖段主要构件截面尺寸如下:(mm)表2.6.56.5.2.暗挖单层段主体结构主要构件截面尺寸如下:(mm)⑴初期支护暗挖部分方案中采用大管棚超前支护、小导管注浆预加固地层、超前支护。
喷层厚度30cm,主体1榀/0.5米格栅。
⑵二次衬砌和内部结构拱部和边墙厚度40cm,仰拱厚度为变厚度50~100cm。
7 变形缝的设置车站主体东西端明挖段与中部暗挖段结构相接部位各设一道变形缝,主体与东南风道、西南风道相接部位各设一道变形缝,车站主体与四个出入口通道相接部位设变形缝。
9 工程材料9.1边桩及围护桩采用混凝土强度等级为C30,抗渗等级为S8。
9.2二次衬砌顶板、底板、边墙混凝土强度等级为C30,混凝土抗渗等级为S8。
中板、站台板混凝土强度等级为C30。
钢管柱混凝土强度等级为C40。
9.3初期支护:C20早强网喷混凝土9.4钢筋:初期支护格栅:HRB335、HPB235钢筋网:HPB235钢结构构件及预埋铁件:A3钢纵向连接筋:HRB335模筑衬砌钢筋:HRB335、HPB2359.5防水层:土工布+防水板10 明挖结构设计10.1基坑围护结构计算10.1.1围护结构及支撑形式的比选从表中分析并结合本工程特点,本方案围护结构推荐钻孔灌注桩,本站明挖段基坑深度17m。
基坑采用φ800,间距1.2m钻孔桩,桩长21m,基坑下部设置3道水平内支撑,水平支撑采用直径600mm、800mm的钢管,基坑纵向每3m设置一道,以I45H型钢作为腰梁,并辅以其他加固措施。
10.1.2荷载与组合(1) 荷载结构设计的荷载按《地铁设计规范》(GB50157-2003)中有关荷载的规定进行取值,并考虑施工过程中发生的变化。
计算时对结构整体或构件可能出现的最不利荷载进行组合计算。
地下结构的结构设计荷载类型及名称按表2.10.2.1采用。
其中:人群荷载:站台、站厅、楼梯、车站管理人员用房等部位的人群荷载按4kPa的活荷载标准值计,另需计及在300×300mm范围内的20kN的集中荷载;设备荷载:设备区一般可按8kPa进行设计,但对重型设备需依据设备的实际重量、动力影响、安装运输途径等确定其大小与范围,进行结构计算。
结构自重:钢筋混凝土重度γ=25kN/m3。
覆土荷载:覆土重度γ=20kN/m3。
浮力:按抗浮设防水位的水浮力计,设防水位高程为50m。
侧向水土荷载:采用朗肯土压力理论,施工阶段外侧取主动土压力,使用阶段取静止土压力。
可变荷载:地面超载:按汽-超20计算。
挂-120验算。
施工超载:q=20kN/m2。
车辆荷载:轴重141kN。
地震荷载:按8度地震力计算。
人防荷载:按5级抗力地面空气冲击波超压△pm=0.1Mpa(2) 荷载组合工况1)恒载+活载2)恒载+部分活载+地震荷载3)恒载+部分活载+人防荷载荷载组合表表2.10.2.2组合情况荷载1234自重1 1.35 1.2 1.2覆土1 1.35 1.2 1.2侧土压力1 1.35 1.2 1.2侧水压力1 1.35 1.2 1.2浮力1 1.35 1.2 1.2设备荷载1 1.35 1.2 1.2人群荷载1 1.4地面超载1 1.4地震力1人防荷载1备注用于结构构件抗裂检算用于结构构件强度验算用于结构构件强度验算用于结构构件强度验算10.1.3计算模型与计算简图⑴施工阶段计算程序采用同济大学曙光计算程序,计算模式及结果如下:1)八达岭站车站主体基坑计算基坑开挖深度为15.31m,采用800@1200灌注桩围护结构,桩长为20.31m,桩顶标高为0m。
计算时考虑地面超载56kPa,如图2.10.1.3-1。
灌注桩图2.10.1.3-1-1共设3道支撑,见表2.10.1.32)地质条件场地地质条件和计算参数见表1。
地下水位标高为-15.31m。
表2.10.1.3-2()3)工况工况简图如下:工况 10工况 27工况 36.5工况 411.5工况 511工况 615.314)计算安全系数 K=1.42 ,圆心 O( 5.28 , 0 )墙底抗隆起验算Prandtl: K=7.17Terzaghi: K=8.92坑底抗隆起验算 K=2.23抗倾覆验算(水土合算)Kc=2.83包络图 (水土分算, 矩形荷载)40200-20-40246810121416182022深度(m)10005000-500-1000246810121416182022深度(m)4002000-200-400246810121416182022深度(m)(2)使用阶段经计算,迎水面裂缝宽度≤0.2mm,背水面裂缝宽度≤0.3mm,结构构件内力分布合理。
(3)地基承载力验算本车站结构底板位于坚实土层上,经检算在正常使用阶段基底最大应力小于设计地基承载力(经修正后),满足要求。
(4)结构抗浮验算结构抗浮验算计入结构自重和覆土重量,在不考虑结构侧壁与周围土体的摩阻力,明挖标准段抗浮安全系数Kf=1.1>1.05,满足抗浮要求。
11 暗挖结构设计11.2初期支护结构设计11.2.1.初期支护设计参数与辅助施工措施初期支护采用φ108大管棚护顶,φ32小导管注浆加固地层通过健德桥桩,初期支护厚度0.3m,格栅间距1榀/0.5m。
11.2.2.荷载确定及组合(1) 荷载初期支护结构设计的荷载按《地铁设计规范》(GB50157-2003)中有关荷载的规定进行取值,并考虑施工过程中发生的变化。
暗挖段的结构设计荷载类型及名称按表2.10.2.1采用。
地下结构荷载分类表表2.11.2.1其中:结构自重:钢筋混凝土重度γ=25kN/m3。
覆土荷载:覆土重度γ=20kN/m3。
浮力:按抗浮设防水位的水浮力计,设防水位高程为50m。
侧向水土荷载:采用朗肯土压力理论,施工阶段外侧取主动土压力,使用阶段取静止土压力。
可变荷载:地面超载:按汽-超20计算。
挂-120验算。
施工超载:q=20kN/m2。
(2) 荷载组合工况1)恒载+活载荷载组合表表2.11.2.211.2.3.计算模式与计算简图计算程序采用同济大学曙光计算程序,计算内容包括地面沉降、地层应力,支护结构内力等。
计算模式及计算结果见图2.11.2.3-1、2.11.2.3-2、2.11.2.3-2施工阶段计算模型图2.11.2.3-1施工阶段结构、地层应力图2.11.2.3-2施工阶段地面沉降图2.11.2.3-2地面位置(m)降沉面地地面沉降曲线11.3.1.结构尺寸的拟定二次衬砌采用五心圆,拱顶和边墙断面厚度0.4m,仰拱厚度0.5m。
11.3.2.荷载确定及组合(1) 荷载结构设计的荷载按《地铁设计规范》(GB50157-2003)中有关荷载的规定进行取值,并考虑施工过程中发生的变化。
计算时对结构整体或构件可能出现的最不利荷载进行组合计算。
地下结构的结构设计荷载类型及名称按表2.10.2.1采用。
地下结构荷载分类表表2.11.3.1其中:人群荷载:站台、站厅、楼梯、车站管理人员用房等部位的人群荷载按4kPa的活荷载标准值计,另需计及在300×300mm范围内的20kN的集中荷载;设备荷载:设备区一般可按8kPa进行设计,但对重型设备需依据设备的实际重量、动力影响、安装运输途径等确定其大小与范围,进行结构计算。
结构自重:钢筋混凝土重度γ=25kN/m3。
覆土荷载:覆土重度γ=20kN/m3。
浮力:按抗浮设防水位的水浮力计,设防水位高程为50m。
侧向水土荷载:采用朗肯土压力理论,施工阶段外侧取主动土压力,使用阶段取静止土压力。
可变荷载:地面超载:按汽-超20计算。
挂-120验算。
施工超载:q=20kN/m2。
车辆荷载:轴重141kN。
偶然荷载:地震荷载:按8度地震力计算。
人防荷载:按5级抗力地面空气冲击波超压△pm=0.1Mpa(2) 荷载组合工况1)恒载+活载2)恒载+部分活载+地震荷载3)恒载+部分活载+人防荷载荷载组合表表2.10.2.2组合情况荷载自重1234人防荷载1备注用于结构构件抗裂检算用于结构构件强度验算用于结构构件强度验算用于结构构件强度验算11.3.3.计算模式与计算简图计算程序采用SAP84,计算内容包括结构内力、结构变形及裂缝宽度验算等。