织物的经纬缩率和经纬纱特数的测定
- 格式:ppt
- 大小:69.50 KB
- 文档页数:10
织物分析作者:ztt2161时间:2006-11-7 10:09:39 收藏编辑由于织物所采用的组织,色纱排列,纱线的原料及特数,纱线的密度,纱线的捻向和捻度以及纱线的结构和后整理方法等各不相同。
因此形成的织物在外观上也就不一样。
为了生产,创新或仿造产品,就必须掌握织物组织结构和织物的上机技术条件等资料。
为此就要对织物进行周到和细致地分析,以便获得正确地分析结果,为设计,改造或仿造织物提供资料。
为了能获得比较正确地分析结果,在分析前要计划分析的项目和他们的先后顺序。
操作过程中要细致,并且要在满足分析的条件下尽量节省布样用料。
织物分析一般按下列顺序进行。
一、取样分析织物时,资料的准确程度与取样的位置,样品面积大小有关,因而对取样的方法应有一定的规定。
由于织物品种极多,彼此间差别又大,因此,在实际工作中样品的选择还应根据具体情况来定。
(一)取样位置织物下机后,在织物中因经纬纱张力的平衡作用,是幅宽和长度都略有变化。
这种变化就造成织物边部和中部,以及织物两端的密度存在着差异。
另外在染整过程中,织物的两端,边部和中部所产生的变化也各不相同,为了使测得的数据具有准确性和代表性,一般规定:从整匹织物中取样时,样品到布边的距离不小于5cm,离两端的距离在棉织物上不小于;在毛织物上不小于3m;在丝织物上约。
此外,样品不应带有显著的疵点,并力求其处于原有的自然状态,以保证分析结果的准确性。
(二)取样大小取样面积大小,应随织物种类,组织结构而异。
由于织物分析是消耗试验,应根据节约的精神,在保证分析资料正确的前提下,力求减小试样的大小。
简单组织的织物试样可以取得小些,一般为15cm*15cm。
组织循环较大的色织物可以取20cm*20cm。
色循环大的织物(如床单)最少应取一个色纱循环所占的面积。
对于大提花(如被面,地毯)因其经纬纱循环数很大,一般分析部分具有代表性的组织结构即可。
因此,一般取为20cm*20cm,或25cm*25cm。
实验一织物的结构分析实验内容:(1)织物组织认识(2)梭织物密度、针织物密度的测定(3)纱线线密度的测试。
(4)单位面积织物重量的测试。
实验目的:在织物染整加工和研究过程中,常需对纺织品结构和织物组织有所了解,以便正确地制定研究方案和加工工艺。
通过实验使学生认识常用织物的种类;掌握梭织物密度、针织物密度的测试方法;纱线线密度的测试方法;单位面积织物重量的测试方法。
一、织物组织认识对给定的几种织物认识其织物组织;了解其织物风格特点。
平纹织物风格特点:(1)纱线在织物中交织最频繁,组织点最多(2)织物结构简单(3)织物平整挺括、坚牢、耐穿、耐用。
斜纹织物风格特点:(1)在纱线粗细度和织物密度相同时,斜纹织物坚牢度不如平纹织物。
(2)在纱线粗细度和织物密度相同时,斜纹织物较平纹织物手感柔软。
(3)斜纹织物可以织成紧度较大的织物。
(4)织物表面有经(纬)浮线构成的斜向织纹。
缎纹织物风格特点:(1)布面平滑匀整,富有光泽。
(2)质地柔软,有豪华感。
(3)坚牢度不及斜纹、平纹,易勾丝。
经编织物风格特点:(1)经编织物织物卷边性好于纬编织物,基本不卷边。
(2)没有脱散现象。
不易折皱。
(3)受力变形性介于梭织物和纬编织物之间。
纬编织物风格特点:(1)纬编平针组织在织物的两面具有不同的外观。
不易折皱。
(2)横向延伸度近似纵向延伸度的2倍。
(3)边缘具有显著的卷边现象。
(4)具有脱散性。
二、梭织物密度的测定2.1实验仪器及织物织物分析镜(或移动式密度镜);钢尺:5-15cm,分度值为毫米;分析针实验步骤(1)移动式密度镜,内装有5-20倍的低倍放大镜,可借助螺杆在刻度尺的基座上移动,以满足最小测量距离的要求。
放大镜中有标志线,随同放大镜移动时通过放大镜可看见标志线的各种类型装置都可以使用。
(2)将织物摊平,把织物分析镜放在上面,哪一个系统的纱线被计数,密度镜的刻度尺就平行于另一个系统纱线,转动螺杆在规定的测量距离内计数纱线根数。
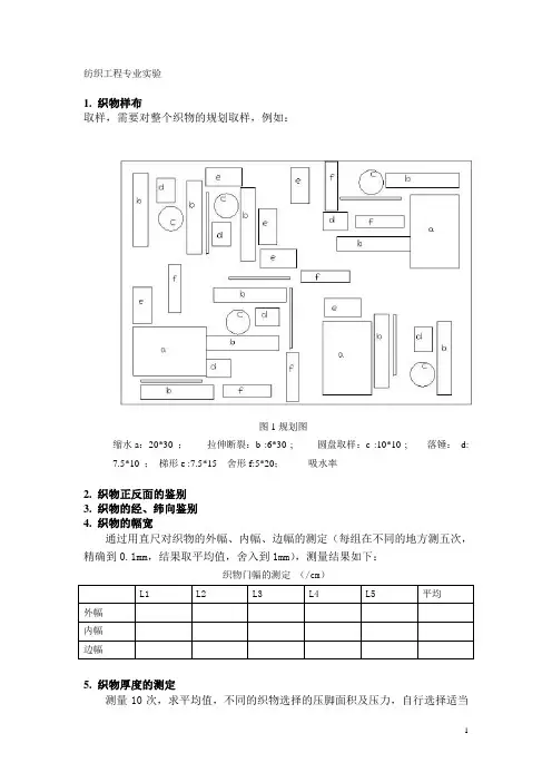
纺织工程专业实验1. 织物样布取样,需要对整个织物的规划取样,例如:图1规划图缩水a:20*30 ;拉伸断裂:b :6*30 ; 圆盘取样:c :10*10 ; 落锤:d:7.5*10 ;梯形e :7.5*15 舍形f:5*20;吸水率2. 织物正反面的鉴别3. 织物的经、纬向鉴别4. 织物的幅宽通过用直尺对织物的外幅、内幅、边幅的测定(每组在不同的地方测五次,精确到0.1mm,结果取平均值,舍入到1mm),测量结果如下:织物门幅的测定(/cm)5. 织物厚度的测定测量10次,求平均值,不同的织物选择的压脚面积及压力,自行选择适当图 计算纱线根数图的压脚面积及压力。
压脚面积: 压力: 时间:6. 织物的经纬密的测定 在数纱线根数时,要以两根纱线之间的中央为起点,若数到终点时,落在纱线上,超过0.5根,而不足1根时,应按0.75根计算,若不足0.5根时,则按0.25根计算,如图所示。
7. 织物组织分析(拆纱分析法、经验分析法) 画组织图颜色(色经、色纬的排列),色织布要知道排花、劈花,一花循环纱线数8. 计算织物的总经纱根数、筘号、综丝密度9. 烘箱法测定织物回潮率织物回潮率是指在规定条件下测得的纺织材料中水的含量,以试样的湿重与干重的差对干重的百分率表示。
设G为纺织材料的湿重,G0为纺织材料的干重,W为纺织材料的回潮率,则:W=(G- G0)∕G0×100%圆盘取样器取样后,测量织物湿重,烘箱温度为105℃,把织物放到烘箱中,当温度达到105℃时,记下时间,此后每隔15分钟读数一次,质量为M1、M2、M3、M4……Mn-1、Mn(n表示自然数1、2、3、4………)当(Mn-1-Mn)∕Mn-1≤0.05%时,方可停止读数。
此时,利用公式:W=(G- G0)∕G×100% 求出回潮率。
表6.每隔15分钟读取织物重量(单位:g)10.鉴别织物经、纬纱原料显微镜法燃烧法溶解法未知试样5%NaOH不溶解溶解(羊毛)浓HNO3溶解(腈纶、锦纶)不溶解冰HAC70%H2SO4溶解(锦纶)不溶解(腈纶)溶解不溶解(涤纶)(棉、麻黏胶)37%HCl不溶解(棉、麻)溶解(黏胶)目测区分11. 织物经纬纱缩率测定计为织物中纱线长度L2,然后拆开出纱线,测量出其自然伸直状态下记号间的长度,计为纱线原长度L1,通过计算缩率a=[(L1-L2)/L1]×100%,测算10次取平均值。
(完整)织物组织与结构练习题及答案编辑整理:尊敬的读者朋友们:这里是精品文档编辑中心,本文档内容是由我和我的同事精心编辑整理后发布的,发布之前我们对文中内容进行仔细校对,但是难免会有疏漏的地方,但是任然希望((完整)织物组织与结构练习题及答案)的内容能够给您的工作和学习带来便利。
同时也真诚的希望收到您的建议和反馈,这将是我们进步的源泉,前进的动力。
本文可编辑可修改,如果觉得对您有帮助请收藏以便随时查阅,最后祝您生活愉快业绩进步,以下为(完整)织物组织与结构练习题及答案的全部内容。
织物组织与结构一、填空题1.织物的上机图是表示织物上机织造工艺条件的图解,它包括组织图、穿筘图、穿综图、提综图(纹板图) 四个部分。
2.在织物上机图中,当纹板图位于组织图右侧时,纹板图的横行表示投入一根纬纱对应的一排纹钉孔,纵行表示表示一片(列)综 .3.穿综的原则是:把沉浮规律相同的经纱一般穿入相同的综片,也可以穿入不同的综片,沉浮规律不相同的经纱必需穿入不同的综片 .4.在上机图中,穿综图的每一横行表示一片综或一列综丝、每一纵行表示与组织图中相对应的一根经纱。
5.山形斜纹组织常采用照图穿法(山形穿法)穿综方法,纵条纹组织常采用间断穿法穿综方法。
6.构成三原组织的条件是组织点飞数是常数、每根经纱或纬纱上只有一个经(纬)组织点,其它均为纬(经)组织点(即Rj=Rw=R)。
7.制织平纹组织织物时,常采用的穿综方法有顺穿法、飞穿法。
隐条隐格织物是采用不同捻向的强捻纱相间排列(对光线的反射不同)的设计方法,从而在织物表面形成隐条隐格效果。
稀密纹织物是在平纹织物中利用穿筘变化,从而改变了部分经纱的密度,可获得稀密纹外观效果.8.写出下列织物的组织:府绸平纹 ,细平布平纹,单面纱卡其3/1↖斜纹,单面线卡其 3/1↗斜纹,棉横贡缎 5/3纬面缎,双面华达呢 2/2↗斜纹 .9.构成一个规则的缎纹组织应满足 Rj=Rw≥5 (6除外)、1<S<R-1 、 R与S互为质数。
取样分析织物时,资料的准确程度与取样的位置,样品面积大小有关,因而对取样的方法应有一定的规定。
由于织物品种极多,彼此间差别又大,因此,在实际工作中样品的选择还应根据具体情况来定。
(一)取样位置织物下机后,在织物中因经纬纱张力的平衡作用,是幅宽和长度都略有变化。
这种变化就造成织物边部和中部,以及织物两端的密度存在着差异。
另外在染整过程中,织物的两端,边部和中部所产生的变化也各不相同,为了使测得的数据具有准确性和代表性,一般规定:从整匹织物中取样时,样品到布边的距离不小于5cm,离两端的距离在棉织物上不小于1.5-3m;在毛织物上不小于3m;在丝织物上约3.5-5m。
此外,样品不应带有显著的疵点,并力求其处于原有的自然状态,以保证分析结果的准确性。
(二)取样大小取样面积大小,应随织物种类,组织结构而异。
由于织物分析是消耗试验,应根据节约的精神,在保证分析资料正确的前提下,力求减小试样的大小。
简单组织的织物试样可以取得小些,一般为15cm*15cm。
组织循环较大的色织物可以取20cm*20cm。
色循环大的织物(如床单)最少应取一个色纱循环所占的面积。
对于大提花(如被面,地毯)因其经纬纱循环数很大,一般分析部分具有代表性的组织结构即可。
因此,一般取为20cm*20cm,或25cm*25cm。
如样品尺寸小时,只要比5cm*5cm稍大即可分析。
确定织物的正反面对布样进行分析工作时,首先应确定织物的正反面。
织物的正反面一般是根据其外观效应加以判断。
下面列举一些常用的判断方法。
1.一般织物正面的花纹、色泽均比反面清晰美观。
2.具有条格外观的织物和配色花纹织物(提花织物)其正面花纹必然是清晰悦目的,若以浮长观察,则下面浮长短而反面一般较长。
3.凸条及凹凸织物,正面紧密而细腻,具有条状或图案凸纹,而反面较粗糙,有较长的浮长线。
4.起毛织物:单面起毛织物,其起毛绒一面为织物正面。
双面起毛绒织物,则以绒毛光洁,整齐的一面为正面。
书山有路勤为径;学海无涯苦作舟
测算经纬纱特数
纱线是用特数来表示其细度的。
纱线特数是1000m的纱线在公定回潮率时的重量克数。
计算公式如下:tex=1000G/L
tex表示经或纬纱特数;G表示在公定回潮率时的重量(g);L表示长度(m)。
纱线特数的测定一般有两种方法。
1.比较测定法:此方法是将纱线放在放大镜下,仔细的与已知特数的纱
线进行比较,然后决定经纬纱的特数。
此方法测定的准确程度与试验人员
的经验有关。
由于做法简单迅速,工厂的试验人员往往乐于采用。
2.称重法:在测定前必须先检验样品的经纱是否上浆,若经纱是上浆的,则应对式样进行退浆处理。
测定时从10cm*10cm织物中,取出10根经纱和10根纬纱,分别称其
重量。
测出织物的实际回潮率,在经纬纱缩率已知的条件下,经纬纱特数
可用下式求出:
tex=G(1-a)(1+W~)/(1+W)
G表示10根经纱或纬纱实际重量;a表示经或纬纱缩率;W表示织物的实际回潮率;W~表示该种纱线的公定回潮率。
以下为各种纱线的公定回潮率(%):棉8.5 ;粘胶13 ;精梳毛纱
16 ;粗梳毛纱15 ;晴纶 2 ;醋脂7 ;绢丝11 ;涤纶0.4 ;锦纶
4.5 ;维纶5 ;丙纶0 ;
面料检查
下面几点是指导性的原则,以便在检查布的过程中得到应用。
1.有下列现象就的返工
专注下一代成长,为了孩子。
色织布工艺设计与计算纺织1003 汤秀 0901100324第一节概述一、织物本次织物品种为:47”T65JC35 45*45 139*94 涤棉府绸即T/CJ13tex*T/CJ13tex,120cm,548*370根/10cm涤棉府绸设计其一等品月产量为28万米,织机转速为750rpm。
3、所设计织物的上机图品种1/1府绸上机图:一上一下平纹组织,正织、反织相同,采用正织。
府绸织物的特点是纱线细,经密大,经纱织缩率大,纬纱织缩率小。
因此,一般不用边纱,边部与中间地组织完全一样:在1/1平纹府绸中,所采用的穿筘法是4根每齿。
2.穿综图:府绸布身和布边采用顺穿法,操作方便,便于记忆,不易穿错。
3.在织造过程中上机特征:府绸采用正织,可以及时发现布面上的疵点,便于修补。
府绸织物可以不采用布边,即布身和布边可采用相同组织。
(因为府绸结构紧密,有一定的强度,能保证布边平整,能使后整理工序顺利进行,所以,府绸织物可以不采用布边。
)二、对原纱质量要求1、织物的纱线特数越小,选择原纱的品质要好,应选择洁白、品质较好,强力较高,纤维较长,整齐度较高,条干均匀,杂疵点较少的原棉。
因为府绸的特数小,所以选择原纱质量要更好。
2、府绸采用精梳纱线。
精梳纱要求条干均匀,结杂质少,对纱线强力要求高。
3、捻向的选择:涤棉府绸经纱采用S捻,纬纱采用Z捻。
4、捻系数的配置,经向偏高,纬向偏低,有利于织物的光泽和纹路的清晰。
5、品种选用喷气织机织造。
三、生产工艺过程:(按品种列出工艺流程图)(1)涤棉府绸经纱准备经纱管纱→络筒→整经→浆纱→穿经→织造→验布→折布→修织洗→复验→分等→打包→入库纬纱准备纬纱管纱→络筒→给湿③论述选定的原则及着重考虑的因素(纱线的给湿定拈上浆率,卷绕形式,纬纱体制,后加工等)。
按品种分别论述。
(1)选定原则先进合理,成熟可靠国家定型机器缩短流程灵活性和适应性(2)织造工艺流程选择应着重考虑的因素a、稳定捻度:涤棉混纺纱要经过热定型。
转帖]常用的织物组织分析方法常用的织物组织分析方法拆纱分析法这种方法对初学者适用。
此法应用于起绒织物、毛巾织物、纱罗织物、多层织物和纱特数低、密度大,组织复杂的织物。
Ia.确定拆纱的系统:在分析织物时,首先应确定拆纱方向,目的是为看清楚经纬纱交织状态。
因而宜将密度较大的纱线系统拆开,利用密度小的纱线系统的间隙,清楚地看出经纬纱交织规律。
b.确定织物的分析表面;究竟分析织物哪一面,一般以看清织物的组织为原则。
如:若是经面或纬面组织的织物,以分析织物的反面比较方便,若是表面刮绒或缩绒织物,则分析时应先用剪刀或火焰除去织物表面的部分绒毛,然后进行组织分析。
c.纱缨的分组:在布样的一边先拆除若干根一个系统的纱线,使织物的另一个系统的纱线露出10mm的纱缨,然后将纱缨中的纱线每若干根分为一组,并将1、3、5……等奇数组的纱缨和2、4、6……等偶数组的纱缨,分别剪成两种不同的长度。
这样,当被拆的纱线置于纱缨中时,就可以清楚的看出它与奇数组纱和偶数组纱的交织情况。
填绘组织所用的意匠纸若每一大格其纵横方向均为八个小格,正好与每组纱缨根数相等,则可把每一大格作为一组,亦分成奇、偶数组与纱缨所分奇偶数组对应,这样,被拆开的纱线在纱缨中的交织规律,就可以非常方便的记录在意匠纸的方格上。
2.局部分析法有的织物表面,局部有花纹,地布的组织很简单,此时只需要分别对花纹和地布的局面进行分析;然后根据花纹的经、纬纱根数和地布的组织循环数,就可求出一个花纹循环的经纬纱数,而不必一一画出每一个经,纬组织点,须注意地组织与起花组织起始点的统一问题。
3.直接观察法有经验的工艺员或织物设计人员,可采用直接观察法,依靠目力或利用照布镜,对织物进行直接的观察,将观察的经纬纱交织规律,逐次填入意匠纸的方格中。
分析时可多填写几根经纬纱的交织状况,以便正确的找出织物的完全组织来。
这种方法简单易行主要是用来分析单层密度不大,纱特数较大的原组织织物和简单的小花纹组织织物。
参考答案二、问答题1.分别说明织物、织物组织、织物结构的含义。
织物广义上讲,由纱线或纤维按照一定的加工方法构成的片状物叫做织物。
机织物是指由相互垂直排列的两个系统的纱线,在织机上按一定规律交织而成的制品。
织物结构指经纬纱在织物中相互配合及交织的情况。
即经纬纱在织物中所处的几何形态。
在织物中经纱和纬纱相互交错或彼此沉浮的规律叫做织物组织。
2.说明组织点、组织循环及组织点飞数的含义。
经纬纱相交处叫做组织点。
织物中经、纬组织点浮沉规律达到重复时,称为一个组织循环,用一个组织循环可以表示整个织物组织。
是表示织物中相应组织点位置关系的一个参数。
组织点飞数是指同一个系统中相邻两根纱线上相应经(纬)组织点的位置关系,即相应经(纬)组织点间相距的组织点数。
飞数用S来表示,分为经向飞数Sj与纬向飞数Sw。
3.什么是上机图?包括哪几部分?各表示的意义是什么?上机图是表示织物上机织造工艺条件的图解。
上机图由组织图、穿筘图、穿综图、纹板图四部分组成。
组织图表示织物中经纬纱的交织规律。
穿综图是表示组织图中每根经纱穿入各页综片的顺序的图解。
穿筘图表示每筘齿穿入的经纱根数。
纹板图(提综图)是控制综框运动规律的图解。
4.穿综的原则是什么?主要的穿综方法有哪些,分别适用于哪些织物?穿综原则:把交织规律相同的经纱一般穿入同一页综片中,而交织规律不同的经纱必须分别穿在不同的综片中。
顺穿法适用于组织循环较小织物经密不大时。
飞穿法适用于组织循环Rj不大,而织物经密Pj较大,在踏盘织机上织造,可以减少综丝密度。
照图穿法适用于组织循环较大,且在一个组织循环中有若干根经纱的交织规律相同。
为了减少综片数,把交织规律相同的经纱穿入同一片综中。
间断穿法适用于两种组织合并成的条格组织织物。
分区穿法适用于在一个组织循环中有两种或两种以上组织的经纱相间排列构成的织物。
5.试述分析织物的步骤。
并说明确定织物经纬向的依据有哪些。
(一)取样(二)确定织物的正反面(三)确定织物的经纬向(四)测定织物的经纬纱密度(五)测定经纬纱缩率(六)测定织物的经纬纱号数(支数)(七)确定织物的成品重量(八)分析织物组织1、如被分析织物的样品有布边,则与布边平行的纱线为经纱,与布边垂直的纱线为纬纱。
书山有路勤为径;学海无涯苦作舟测定经纬纱缩率来源:阿里巴巴经、纬纱缩率是织物结构参数的一项内容。
测定经纬纱缩率的目的是为了计算纱线的特数和织物用纱量等。
由于纱线在形成织物后,经(纬)纱在织物中交错屈曲,因此织造时所用之纱线长度大于所形成织物的长度。
因而我们把其差值与原长之比值称为缩率。
以a(%)表示。
缩率=100%*(伸直长度-试样中长度)/伸直长度经纬纱缩率的大小,是工艺设计的重要依据,他对纱线的用量,织物的物理机械性能和织物的外观均有很大的影响。
影响缩率的因素很多,织物组织,经纬纱原料及特数,经纬纱密度及在织造过程中纱线的张力等的不同,都会引起缩率的变化。
分析织物时,测定缩率的方法,一般在试样边缘沿经(纬)向量取10cm的织物长度。
并记上记号(试样小时,可量取5cm的长度),将边部的纱缨剪短(这样可以减少纱线从织物中拔出来时产生以外伸长),然后轻轻将经(纬)纱从试样中拔出,用手指压住纱线的一端,用另一只手轻轻的将纱线拉直(张力要恰当,不可有伸长现象)。
用尺量出记号之间的经(纬)纱长度这样连续作出十个数后,取其平均值,带入上述公式中,即可求出经或纬纱的缩率值。
这种方法简单易行,但精确程度较差,测定纱线缩率的目的是为了计算纱线特数和织物用纱量等。
在测定中应注意以下几点: 1.在拔出和拉直纱线时,不能使纱线发生退捻或加捻。
对某些捻度较小或强力很差的纱线,应经量避免发生意外伸长。
2.分析刮绒和缩绒织物时,应先用剪刀或火柴除去表面的绒毛,然后再仔细的将纱线从织物中拔出。
3.粘胶纤维在潮湿状态下极易伸长,故在操作时避免手汗沾湿纱线。
专注下一代成长,为了孩子。
纺织常用计算公式分为定长制计算公式和定重制计算公式二种。
1、定长制计算公式:(1)、旦尼尔(D):D=g/L*9000 其中g为丝线的重量(克),L为丝线的长度(米)(2)、特克斯(号数)[tex(H)]: tex=g/L*1000 其中g为纱(或丝)的重量(克),L为纱(或丝)的长度(米)(3)、分特克斯(dtex): dtex=g/L*100 其中g为丝线的重量(克),L为丝线的长度(米)定重制计算公式:(1)、公制支数(N):N=L/G 其中G为纱(或丝)的重量(克),L为纱(或丝)的长度(米)(2)、英制支数(S):S=L/(G*840) 其中G为丝线的重量(磅),L为丝线的长度(码)2、选择换算公式:(1)、公制支数(N)与旦尼尔(D)的换算公式:D=9000/N(2)、英制支数(S)与旦尼尔(D)的换算公式:D=5315/S(3)、分特克斯(dtex)与特克斯(tex)的换算公式:1tex=10dtex(4)、特克斯(tex)与旦尼尔(D)的换算公式:tex=D/9(5)、特克斯(tex)与英制支数(S)的换算公式:tex=K/S K值:纯棉纱K=583.1 纯化纤K=590.5 涤棉纱K=587.6 棉粘纱(75:25)K=584.8 维棉纱(50:50)K=587.0(6)、特克斯(tex)与公制数(N)的换算公式:tex=1000/N(7)、分特克斯(dtex)与旦尼尔(D)的换算公式:dtex=10D/9(8)、分特克斯(dtex)与英制支数(S)的换算公式: dtex=10K/S K值:纯棉纱K=583.1 纯化纤K=590.5 涤棉纱K=587.6 棉粘纱(75:25)K=584.8 维棉纱(50:50)K=587.0(9)、分特克斯(dtex)与公制支数(N)的换算公式:dtex=10000/N(10)、公制厘米(cm)与英制英寸(inch)的换算公式:1inch=2.54cm(11)、公制米(M)与英制码(yd)的换算公式:1码=0.9144米(12)、绸缎平方米克重(g/m2)与姆米(m/m)的换算公式:1m/m=4.3056g/m2(13)、绸缎的实际重量与磅重的换算公式:磅重(lb)=每米绸重(g/m)*0.9144(m/yd)*50(yd)/453.6(g/yd)再补充一点1.单位⑴、定长制:A. 特克斯:1000米长度的纱在公定回潮率时的质量克数称为特数。
纺织面料设计师考工应知考题一、名词解释(5×4=20分) 1、织物组织: 2、组织点飞数: 3、色织物: 4、配色模纹:5、经纬纱织缩率:二、 填空题(20×1=20分)1、纺织品按用途可分为 1 、 2 和 3 三大类。
2、一般单纱的捻向为 4 捻,股线的捻向为 5 捻。
3、三原组织包括平纹、斜纹、 6 三类。
4、已知上机图中_7 、_8 __、_9__三者中的任意两图,可求出第三个图。
5、机织物经纬密度不变,经纬纱越粗,织物的紧度 10 。
6、毛织物根据纺纱系统的不同,可分为 11和 12 两大类。
7、配色模纹的大小等于色纱排列循环与组织循环的__13 _ _。
8、混纺毛织物在选择原料时,应使化学纤维的纤维长度 14 羊毛纤维,化学纤维的纤维细度 15 羊毛纤维。
(填大于或小于或等于) 9、公制筘号是指_16 _长度内的筘齿数,英制筘号是指_17 __长度内的筘齿数。
10、 采用相同的原料纺制纱线,若线密度相同,捻度越大,织物手感越 18 ,捻度越小,织物手感越 19 。
(填硬挺或柔软)11、 组织简单且经密较大的织物宜采用 20 穿法穿综。
三、 判断(10×1=10分)1、所谓变则缎纹是指其经(纬)向飞数是变数。
( ) 2、半线织物中通常单纱为经纱。
( )3、经密与纬密的比值越大,则斜面纹线的倾角越大。
( )4、毛粘混纺纱,要使毛纤维处在纱的外层,则粘胶纤维应比毛纤维细。
( ) 5、增加纤维长度、纱线采用较高的捻系数、采用断裂伸长率大的纤维均可以增加织物耐磨性。
( )6、精纺毛织物生产工艺流程短,粗纺毛织物生产工艺流程长。
( )7、采用交织次数较少的组织可以增加经纱的织造缩率。
( ) 8、双层织物上机织造时,同一组表里层经纱应穿入同一筘齿。
( )9、毛织物通常采用鲜艳的色彩,以突出其高贵感。
( )10、 纹织物设计时用纹样中的色彩代表了织物的色彩。