正泰KG316T Model 说明书(新版)
- 格式:pdf
- 大小:573.86 KB
- 文档页数:4
正泰KG316T定时器使用说明书一、用途及适用范围适用于交流50Hz(或60Hz),额定控制电源电压至220V,额定工作电流3A的自动控制电路中,作为路灯、广告灯箱等设备的定时接通和断开控制之用。
二、设置与使用在使用本产品时请先装入电池,电池盖方向为电池正极。
用户阅读本说明书时,请认清产品面板上的按键,一边阅读,一边操作。
本产品所有设置只有在取消键盘锁定功能后,才能进行。
本说明书以8开8关为例,10、12、16组开关可参考设置。
1.按“取消/恢复”键四次取消键盘锁定功能,“锁”消隐.如图2.按“时钟”键一次,然后分别按“校星期”键、“校时”键和“校分”键调整时钟为当前时间,设置后再按“时钟”键确认,液晶显示屏将显示当前时间。
3.按一下“定时”键,液晶显示屏左下方出“I ON”字样(表示第一次开启时间)再按“校星期”键,“校时”键和“校分”键,输入所需开启时间,如图所示4.再按一下“定时”键,液晶显示屏左下方出“I OFF”字样(表示第一次关闭时间)。
再按“校星期”键、“校时”键和“校分”键,输入所需关闭的时间,如图所示。
5.继续按动“定时”键,显示屏左下方将依次显示(2 ON、2OFF……8 ON、8OFF),参考以上步骤设置其余各组的开关时间。
如果每天只开,关一次,则必须按“取消/恢复”键,将其余各组的时间消除,使液晶显示出“--;--6.按“星期”键,可设定工作模式,如表所示7.定时设置完毕,应按“时钟”键,使液晶显示屏显示当前时间,如果不按“时钟”键,时控开关将在30秒后自动转换到时钟模式。
8.按接线图正确接线,接通电源,面板上红灯亮;开关接通后,绿灯亮,输出端有220V电压输出。
9.按动“自动/手动”键,可直接开、关电路。
要让开关自动动作时,应先按动此键将显示屏下方的箭头调到“关”位置,然后再将显示屏下方的箭头调到“自动”位置,这样时按开关才能按设定的时间工作,实现自动控制。
三、注意事项1.本开关进线只能接交流220V电源,切勿接入其它电源。
正泰时控开关K G316T说明书-CAL-FENGHAI.-(YICAI)-Company One1KG316T微电脑时控开关说明书特点1.理想的节能、延长照明器件的使用寿命。
应在天暗时用定时自动打开,半夜时用定时自动关闭。
这是路灯、灯箱、霓虹灯、生产设备、农业养殖、仓库排风除湿、自动预热、广播电视等最理想的控制产品。
2.内置可充电池、外置电池开关,高精度,工业级芯片,强抗干扰。
特性接线1.图1直接控制方式2.图2控制接触器、线圈电压220VAC/50HZ3.图3控制接触器、线圈电压380VAC/50HZ操作使用 1.使用前把产品左面的电池开关置于"开"位置!显示器上显示(星期一、5点正),按住“时钟键”不放的同时再按“星期键、时键、分键”,调整北京时间。
2.设定开关时间:步骤按键设定项目1按(手动)使显示器的短横线在自动位置2按(设定)进入定时开设定(显示1ON)3按(星期)设定每天相同,每天不同,星期一至星期五相同,或星期六至星期日相同4按(时)(分)设定开的时间5按(设定)进入定时关设定(显示1OFF)6按(时)(分)设定关的时间7重复2-6设定第2-12次开关的时间8按(时钟)结束时间设定*如不需12个开关定时按(时钟)键,返回实际时间*如设定错误或取消设定请按(取消)键,再按一次恢复原来的设定*无设定时显示(--:--)3.检查:按(设定)键检查所设定的时间是否正确。
4.修改:请在该设定处按(取消)键,然后重量新设定该定时开关的时间及星期5.结束检查:按(时钟)结束检查及设定,显示时钟6.手动控制:按(手动)键,即可实现随意的开关参考使用。
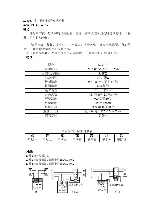
KG316T微电脑时控开关说明书2009-05-15 12:48特点1.理想的节能、延长照明器件的使用寿命。
应在天暗时用定时自动打开,半夜时用定时自动关闭。
这是路灯、灯箱、霓虹灯、生产设备、农业养殖、仓库排风除湿、自动预热、广播电视等最理想的控制产品。
2.内置可充电池、外置电池开关,高精度,工业级芯片,强抗干扰。
特性接线1.图1直接控制方式2.图2控制接触器、线圈电压220VAC/50HZ3.图3控制接触器、线圈电压380VAC/50HZ操作使用1.使用前把产品左面的电池开关置于"开"位置!显示器上显示(星期一、5点正),按住“时钟键”不放的同时再按“星期键、时键、分键”,调整北京时间。
2.设定开关时间:*如不需8个开关定时按(时钟)键,返回实际时间*如设定错误或取消设定请按(取消)键,再按一次恢复原来的设定*无设定时显示(--:--)3.检查:按(设定)键检查所设定的时间是否正确。
4.修改:请在该设定处按(取消)键,然后重量新设定该定时开关的时间及星期5.结束检查:按(时钟)结束检查及设定,显示时钟6.手动控制:按(手动)键,即可实现随意的开关参考使用1.例如控制器每天下午6点自动打开电源,到夜里2点关闭电源,按以下操作2.调好时间后按一下“设定键”显示器上显示如图4,按住“时键”显示器显示如图5。
再按一下“设定键”显示器显示如图6,按住“时键”显示器显示如图7。
以上调整完再按一下“时钟键”显示器恢复显示北京时间。
再按“手动键”可以直接开或关闭电路,然后每天控制器按自动运行。
注意事项1.为防强电流下融点发热,接线时务必拧紧接线柱的螺钉2.控制器进线220VAC/50-60HZ电源,切勿接到380VAC3.控制器红灯亮有电进入,红、绿灯同时亮开关有电输出4.设定的时间,不能交叉设定,应按时间的顺序设定。
正泰K G316T微电脑时控开关使用说明(总5页)--本页仅作为文档封面,使用时请直接删除即可----内页可以根据需求调整合适字体及大小--正泰KG316T微电脑时控开关使用说明书用途及适用范围适用于交流50Hz(或60Hz),额定控制电源电压至220V,额定工作电流3A的自动控制电路中,作为路灯、广告灯箱等设备的定时接通和断开控制之用。
设置与使用在使用本产品时请先装入电池,电池盖方向为电池正极。
用户阅读本说明书时,请认清产品面板上的按键,一边阅读,一边操作。
本产品所有设置只有在取消键盘锁定功能后,才能进行。
本说明书以8开8关为例,10、12、16组开关可参考设置。
1.按“取消/恢复”键四次取消键盘锁定功能,“锁”消隐.如图2.按“时钟”键一次,然后分别按“校星期”键、“校时”键和“校分”键调整时钟为当前时间,设置后再按“时钟”键确认,液晶显示屏将显示当前时间。
3.按一下“定时”键,液晶显示屏左下方出“I ON”字样(表示第一次开启时间)再按“校星期”键,“校时”键和“校分”键,输入所需开启时间,如图所示4.再按一下“定时”键,液晶显示屏左下方出“I OFF”字样(表示第一次关闭时间)。
再按“校星期”键、“校时”键5.继续按动“定时”键,显示屏左下方将依次显示(2 ON、2OFF……8 ON、8OFF),参考以上步骤设置其余各组的开关时间。
如果每天只开,关一次,则必须按“取消/恢复”键,将其余各组的时间消除,使液晶显示出“--;--6.按“星期”键,可设定工作模式,如表所示Array 7.定时设置完毕,应按“时钟”键,使液晶显示屏显示当前时间,如果不按“时钟”键,时控开关将在30秒后自动转换到时钟模式。
8.按接线图正确接线,接通电源,面板上红灯亮;开关接通后,绿灯亮,输出端有220V电压输出。
9.按动“自动/手动”键,可直接开、关电路。
要让开关自动动作时,应先按动此键将显示屏下方的箭头调到“关”位置,然后再将显示屏下方的箭头调到“自动”位置,这样时按开关才能按设定的时间工作,实现自动控制。
KG316T微电脑时控开关说明书一解锁(进入设定界面必须先解锁)按 4下“恢复/取消键”,进行解锁(显示屏左边的字母“a”消失即为解锁状态)二解锁后,可以对以下4点进行逐个设定,设定不分先后顺序1. 设定系统时间:a,设定系统的“时”。
按住“时钟”健不放,同时按下“校时”健,两个键按完后松开,再按“校时”进行24小时的数字切换,设定好准确的北京时间“时|”后,按“时钟”键完成设定。
b,设定系统的“分”。
按住“时钟”健不放,同时按下“校分”健,两个键按完后松开,再按“校分”进行0-59分的数字切换,设定好准确的北京时间“分|”后,按“时钟”键完成设定。
c,设定系统的“星期”。
按住“时钟”健不放,同时按下“校星期”健,两个键按完后松开,再按“校星期”进行星期一到星期天的切换,设定好当天的星期后,按“时钟”键完成设定。
2.设定定时器的开启和关闭时间,系统共有12个时间段可以调整,我们一般使用前面第一段,设定步骤如下:a 按一下“定时”键,出现 1 NO 00 :00 提示,再按“校时”进行24小时的数字切换,设定“时”后,按“校分”进行“分”时设定,设定好自己需要送电的时后,按“时钟”键完成第一段开启的时间设定,进入1 OFF 00 :00 界面备注: 1 NO 00 :00 代表第一段时间开 1 OFF 00 :00 代表第一段时间关b 完成第一段开的时间设定后,出现 1 OFF 00 :00 提示框,再按“校时”进行24小时的数字切换,设定好“时”后,按“校分”进行“分”时调整,设定好自己需要断电的时后,按“时钟”键完成第一段断电的时间设定,只需要一个时间段的时候,以上设定完成后,按“时钟”结束设定,如要继续多时间断,按“定时”间继续设定,依次类推。
3. 星期定时设定有固定的休息日期时,可以选择某个星期的一天或者多天,让设备全天处于断电状态,设定步骤如下:按一下“定时”键,根据显示框上面的提示,按“校星期”进行切换。
正泰KG316T微电脑时控开关使用说明正泰KG316T微电脑时控开关使用说明书用途及适用范围适用于交流50Hz (或60Hz),额定控制电源电压至220V , 额定工作电流3A的自动控制电路中,作为路灯、广告灯箱等设备的定时接通和断开控制之用。
设置与使用在使用本产品时请先装入电池,电池盖方向为电池正极。
用户阅读本说明书时,请认清产品面板上的按键,一边阅读,一边操作。
本产品所有设置只有在取消键盘锁定功能后,才能进行。
本说明书以8开8关为例,10、12、16组开关可参考设置。
1.按“取消/恢复”键四次取消键盘锁定功能,“锁”消隐. 如图|6TH;36252.按“时钟”键一次,然后分别按“校星期”键、“校时” 键和“校分”键调整时钟为当前时间,设置后再按“时钟”键确认,液晶显示屏将显示当前时间。
3.按一下“定时”键,液晶显示屏左下方出“I ON ”字样(表示第一次开启时间)再按“校星期”键,“校时”键和“校分”键,输入所需开启时间,如图所示IO N3TH;364.再按一下“定时”键,液晶显示屏左下方出“I OFF” 字样(表示第一次关闭时间)。
再按“校星期”键、“校时”键和“校分”键,输入所需关闭的时间,如图所示。
”图样,如图所示。
序号 工作模式 实现功能 MO TU WE TH FR SA SU 每日工作间相同MO/TU/WE/TH/FR/SA/SU每日工作时间各不相同MO TU WE TH FR 星期一至五工作时间相同MO TU WE TH FR SA星期一至六工作时间相同SA SU 星期六、日工作时间相同 MO WE FR 星期一、三、五工作时间相同 TU TH SA星期二、四、六工作时间相同MO TU WE 星期一、二、三工作时间相同5. 继续按动“定时”键,显示屏左下方将依次显示 (2 ON 、 2OFF ……8 ON 、8OFF ),参考以上步骤设置其余各组 的开关时间。
如果每天只开,关一次,则必须按“取消/ 使液晶显示出“--;6. 按“星期”键,可设定工作模式,如表所示TH FR SA前时间,如果不按“时钟”键,时控开关将在 30秒后自动转换到时钟模式。
正泰KG316T微电脑时控开关使用说明书用途及适用范围适用于交流50Hz(或60Hz),额定控制电源电压至220V,额定工作电流3A的自动控制电路中,作为路灯、广告灯箱等设备的定时接通和断开控制之用。
设置与使用在使用本产品时请先装入电池,电池盖方向为电池正极。
用户阅读本说明书时,请认清产品面板上的按键,一边阅读,一边操作。
本产品所有设置只有在取消键盘锁定功能后,才能进行。
本说明书以8开8关为例,10、12、16组开关可参考设置。
1.按“取消/恢复”键四次取消键盘锁定功能,“锁”消隐.如图2.按“时钟”键一次,然后分别按“校星期”键、“校时”键和“校分”键调整时钟为当前时间,设置后再按“时钟”键确认,液晶显示屏将显示当前时间。
3.按一下“定时”键,液晶显示屏左下方出“I ON”字样(表示第一次开启时间)再按“校星期”键,“校时”键和“校分”键,输入所需开启时间,如图所示4.再按一下“定时”键,液晶显示屏左下方出“I OFF”字样(表示第一次关闭时间)。
再按“校星期”键、“校时”键和“校分”键,输入所需关闭的时间,如图所示。
5.继续按动“定时”键,显示屏左下方将依次显示(2 ON、2OFF……8 ON、8OFF),参考以上步骤设置其余各组的开关时间。
如果每天只开,关一次,则必须按“取消/恢复”键,将其余各组的时间消除,使液晶显示出“--;--6.按“星期”键,可设定工作模式,如表所示Array 7.定时设置完毕,应按“时钟”键,使液晶显示屏显示当前时间,如果不按“时钟”键,时控开关将在30秒后自动转换到时钟模式。
8.按接线图正确接线,接通电源,面板上红灯亮;开关接通后,绿灯亮,输出端有220V电压输出。
9.按动“自动/手动”键,可直接开、关电路。
要让开关自动动作时,应先按动此键将显示屏下方的箭头调到“关”位置,然后再将显示屏下方的箭头调到“自动”位置,这样时按开关才能按设定的时间工作,实现自动控制。
正泰KG316T微电脑时控开关使用说明书用途及适用范围适用于交流50Hz(或60Hz),额定控制电源电压至220V,额定工作电流3A的自动控制电路中,作为路灯、广告灯箱等设备的定时接通和断开控制之用。
设置与使用在使用本产品时请先装入电池,电池盖方向为电池正极。
用户阅读本说明书时,请认清产品面板上的按键,一边阅读,一边操作。
本产品所有设置只有在取消键盘锁定功能后,才能进行。
本说明书以8开8关为例,10、12、16组开关可参考设置。
1.按“取消/恢复”键四次取消键盘锁定功能,“锁”消隐.如图2.按“时钟”键一次,然后分别按“校星期”键、“校时”键和“校分”键调整时钟为当前时间,设置后再按“时钟”键确认,液晶显示屏将显示当前时间。
3.按一下“定时”键,液晶显示屏左下方出“I ON”字样(表示第一次开启时间)再按“校星期”键,“校时”键和“校分”键,输入所需开启时间,如图所示4.再按一下“定时”键,液晶显示屏左下方出“I OFF”字样(表示第一次关闭时间)。
再按“校星期”键、“校时”键和“校分”键,输入所需关闭的时间,如图所示。
5.继续按动“定时”键,显示屏左下方将依次显示(2 ON、2OFF……8 ON、8OFF),参考以上步骤设置其余各组的开关时间。
如果每天只开,关一次,则必须按“取消/恢复”键,将其余各组的时间消除,使液晶显示出“--;--6.按“星期”键,可设定工作模式,如表所示Array 7.定时设置完毕,应按“时钟”键,使液晶显示屏显示当前时间,如果不按“时钟”键,时控开关将在30秒后自动转换到时钟模式。
8.按接线图正确接线,接通电源,面板上红灯亮;开关接通后,绿灯亮,输出端有220V电压输出。
9.按动“自动/手动”键,可直接开、关电路。
要让开关自动动作时,应先按动此键将显示屏下方的箭头调到“关”位置,然后再将显示屏下方的箭头调到“自动”位置,这样时按开关才能按设定的时间工作,实现自动控制。
正泰KG316T微电脑时控开关使用说明书用途及适用范围适用于交流50Hz(或60Hz),额定控制电源电压至220V,额定工作电流3A的自动控制电路中,作为路灯、广告灯箱等设备的定时接通和断开控制之用。
设置与使用在使用本产品时请先装入电池,电池盖方向为电池正极。
用户阅读本说明书时,请认清产品面板上的按键,一边阅读,一边操作。
本产品所有设置只有在取消键盘锁定功能后,才能进行。
本说明书以8开8关为例,10、12、16组开关可参考设置。
1.按“取消/恢复”键四次取消键盘锁定功能,“锁”消隐.如图2.按“时钟”键一次,然后分别按“校星期”键、“校时”键和“校分”键调整时钟为当前时间,设置后再按“时钟”键确认,液晶显示屏将显示当前时间。
3.按一下“定时”键,液晶显示屏左下方出“I ON”字样(表示第一次开启时间)再按“校星期”键,“校时”键和“校分”键,输入所需开启时间,如图所示4.再按一下“定时”键,液晶显示屏左下方出“I OFF”字样(表示第一次关闭时间)。
再按“校星期”键、“校时”键和“校分”键,输入所需关闭的时间,如图所示。
5.继续按动“定时”键,显示屏左下方将依次显示(2 ON、2OFF……8 ON、8OFF),参考以上步骤设置其余各组的开关时间。
如果每天只开,关一次,则必须按“取消/恢复”键,将其余各组的时间消除,使液晶显示出“--;--6.按“星期”键,可设定工作模式,如表所示Array 7.定时设置完毕,应按“时钟”键,使液晶显示屏显示当前时间,如果不按“时钟”键,时控开关将在30秒后自动转换到时钟模式。
8.按接线图正确接线,接通电源,面板上红灯亮;开关接通后,绿灯亮,输出端有220V电压输出。
9.按动“自动/手动”键,可直接开、关电路。
要让开关自动动作时,应先按动此键将显示屏下方的箭头调到“关”位置,然后再将显示屏下方的箭头调到“自动”位置,这样时按开关才能按设定的时间工作,实现自动控制。
正泰KG316T微电脑时控开关使用说明书用途及适用范围适用于交流50Hz(或60Hz),额定控制电源电压至220V,额定工作电流3A的自动控制电路中,作为路灯、广告灯箱等设备的定时接通和断开控制之用。
设置与使用在使用本产品时请先装入电池,电池盖方向为电池正极。
用户阅读本说明书时,请认清产品面板上的按键,一边阅读,一边操作。
本产品所有设置只有在取消键盘锁定功能后,才能进行。
本说明书以8开8关为例,10、12、16组开关可参考设置。
1.按“取消/恢复”键四次取消键盘锁定功能,“锁”消隐.如图2.按“时钟”键一次,然后分别按“校星期”键、“校时”键和“校分”键调整时钟为当前时间,设置后再按“时钟”键确认,液晶显示屏将显示当前时间。
3.按一下“定时”键,液晶显示屏左下方出“I ON”字样(表示第一次开启时间)再按“校星期”键,“校时”键和“校分”键,输入所需开启时间,如图所示4.再按一下“定时”键,液晶显示屏左下方出“I OFF”字样(表示第一次关闭时间)。
再按“校星期”键、“校时”键和“校分”键,输入所需关闭的时间,如图所示。
5.继续按动“定时”键,显示屏左下方将依次显示(2 ON、2OFF……8 ON、8OFF),参考以上步骤设置其余各组的开关时间。
如果每天只开,关一次,则必须按“取消/恢复”键,将其余各组的时间消除,使液晶显示出“--;--6.按“星期”键,可设定工作模式,如表所示Array 7.定时设置完毕,应按“时钟”键,使液晶显示屏显示当前时间,如果不按“时钟”键,时控开关将在30秒后自动转换到时钟模式。
8.按接线图正确接线,接通电源,面板上红灯亮;开关接通后,绿灯亮,输出端有220V电压输出。
9.按动“自动/手动”键,可直接开、关电路。
要让开关自动动作时,应先按动此键将显示屏下方的箭头调到“关”位置,然后再将显示屏下方的箭头调到“自动”位置,这样时按开关才能按设定的时间工作,实现自动控制。
正泰KG316T微电脑时控开关使用说明书用途及适用范围适用于交流50Hz(或60Hz),额定控制电源电压至220V,额定工作电流3A的自动控制电路中,作为路灯、广告灯箱等设备的定时接通和断开控制之用。
设置与使用在使用本产品时请先装入电池,电池盖方向为电池正极。
用户阅读本说明书时,请认清产品面板上的按键,一边阅读,一边操作。
本产品所有设置只有在取消键盘锁定功能后,才能进行。
本说明书以8开8关为例,10、12、16组开关可参考设置。
1.按“取消/恢复”键四次取消键盘锁定功能,“锁”消隐.如图2.按“时钟”键一次,然后分别按“校星期”键、“校时”键和“校分”键调整时钟为当前时间,设置后再按“时钟”键确认,液晶显示屏将显示当前时间。
3.按一下“定时”键,液晶显示屏左下方出“I ON”字样(表示第一次开启时间)再按“校星期”键,“校时”键和“校分”键,输入所需开启时间,如图所示4.再按一下“定时”键,液晶显示屏左下方出“I OFF”字样(表示第一次关闭时间)。
再按“校星期”键、“校时”键和“校分”键,输入所需关闭的时间,如图所示。
5.继续按动“定时”键,显示屏左下方将依次显示(2 ON、2OFF……8 ON、8OFF),参考以上步骤设置其余各组的开关时间。
如果每天只开,关一次,则必须按“取消/恢复”键,将其余各组的时间消除,使液晶显示出“--;--6.按“星期”键,可设定工作模式,如表所示7.定时设置完毕,应按“时钟”键,使液晶显示屏显示当前时间,如果不按“时钟”键,时控开关将在30秒后自动转换到时钟模式。
8.按接线图正确接线,接通电源,面板上红灯亮;开关接通后,绿灯亮,输出端有220V电压输出。
9.按动“自动/手动”键,可直接开、关电路。
要让开关自动动作时,应先按动此键将显示屏下方的箭头调到“关”位置,然后再将显示屏下方的箭头调到“自动”位置,这样时按开关才能按设定的时间工作,实现自动控制。
注意事项1.本开关进线只能接交流220V电源,切勿接入其它电源。
KG316T微电脑时控开关说明书之南宫帮珍创作特点 1.理想的节能、延长照明器件的使用寿命。
应在天暗时用定时自动打开,三更时用定时自动关闭。
这是路灯、灯箱、霓虹灯、生产设备、农业养殖、仓库排风除湿、自动预热、广播电视等最理想的控制产品。
2.内置可充电池、外置电池开关,高精度,工业级芯片,强抗干扰。
特性型号KG316T电源电压220VAC 50-60HZ ±15%内部电池电压电力消耗控制输出25A 250VAC(阻性负载)显示输出LCD显示走时误差小于1秒/天开关次数日/周循环12次开关环境温度-25℃至60℃环境湿度45至85%RH机械寿命最少3000,000次重量、尺寸约410克,120×74×52mm装置方式装置式中英文周日标记对照表MO TU WE TH FR SA SU 星期一星期二星期三星期四星期五星期六星期日接线 1.图1直接控制方式 2.图2控制接触器、线圈电压220VAC/50HZ 3.图3控制接触器、线圈电压380VAC/50HZ操纵使用 1.使用前把产品左面的电池开关置于"开"位置!显示器上显示(星期一、5点正),按住“时钟键”不放的同时再按“星期键、时键、分键”,调整北京时间。
2.设定开关时间:步调按键设定项目1 按(手动) 使显示器的短横线在自动位置2 按(设定) 进入定时开设定(显示1ON)3 按(星期) 设定每天相同,每天分歧,星期一至星期五相同,或星期六至星期日相同4 按(时)(分) 设定开的时间5 按(设定) 进入定时关设定(显示1OFF)6 按(时)(分) 设定关的时间7 重复2-6 设定第2-12次开关的时间8 按(时钟) 结束时间设定*如不需12个开关定时按(时钟)键,返回实际时间*如设定错误或取消设定请按(取消)键,再按一次恢复原来的设定*无设定时显示(--:--) 3.检查:按(设定)键检查所设定的时间是否正确。
KG316T微电脑时控开关说明书特点1。
理想的节能、延长照明器件的使用寿命。
应在天暗时用定时自动打开,半夜时用定时自动关闭。
这是路灯、灯箱、霓虹灯、生产设备、农业养殖、仓库排风除湿、自动预热、广播电视等最理想的控制产品。
2。
内置可充电池、外置电池开关,高精度,工业级芯片,强抗干扰。
ﻫ特性型号KG316T电源电压220VAC 50-60HZ ±15%内部电池电压 3.6VDC电力消耗约1。
5VA控制输出25A 250VAC(阻性负载)显示输出LCD显示走时误差小于1秒/天开关次数日/周循环12次开关环境温度—25℃至60℃环境湿度45至85%RH机械寿命最少3000,000次重量、尺寸约410克,120×74×52mm安装方式装置式中英文周日标志对照表MO TU WE TH FR SA SU 星期一星期二星期三星期四星期五星期六星期日ﻫ接线1。
图1直接控制方式ﻫ2。
图2控制接触器、线圈电压220VAC/50HZﻫ3。
图3控制接触器、线圈电压380VAC/50HZﻫﻫ操作使用1。
使用前把产品左面的电池开关置于”开”位置!显示器上显示(星期一、5点正),按住“时钟键”不放的同时再按“星期键、时键、分键",调整北京时间.2.设定开关时间:步骤按键设定项目1 按(手动) 使显示器的短横线在自动位置2 按(设定)进入定时开设定(显示1ON)3 按(星期) 设定每天相同,每天不同,星期一至星期五相同,或星期六至星期日相同4 按(时)(分) 设定开的时间5 按(设定) 进入定时关设定(显示1OFF)6按(时)(分) 设定关的时间7 重复2-6 设定第2-12次开关的时间8 按(时钟)结束时间设定*如不需12个开关定时按(时钟)键,返回实际时间*如设定错误或取消设定请按(取消)键,再按一次恢复原来的设定*无设定时显示(—-:-—)ﻫ3。
检查:按(设定)键检查所设定的时间是否正确。
KG316T微电脑时控开关说明书之杨若古兰创作特点 1.理想的节能、耽误照明器件的使用寿命.应在天暗时用定时主动打开,三更时用定时主动关闭.这是路灯、灯箱、霓虹灯、生产设备、农业养殖、仓库排风除湿、主动预热、广播电视等最理想的控制产品. 2.内置可充电池、外置电池开关,高精度,工业级芯片,强抗干扰.特性型号KG316T电源电压220VAC 50-60HZ ±15%内部电池电压电力耗费控制输出25A 250VAC(阻性负载)显示输出LCD显示走时误差小于1秒/天开关次数日/周轮回12次开关环境温度-25℃至60℃环境湿度45至85%RH机械寿命起码3000,000次分量、尺寸约410克,120×74×52mm安装方式安装式中英文周日标记对照表MO TU WE TH FR SA SU 礼拜一礼拜二礼拜三礼拜四礼拜五礼拜六礼拜日接线 1.图1直接控制方式 2.图2控制接触器、线圈电压220VAC/50HZ 3.图3控制接触器、线圈电压380VAC/50HZ操纵使用 1.使用前把产品左面的电池开关置于"开"地位!显示器上显示(礼拜一、5点正),按住“时钟键”不放的同时再按“礼拜键、时键、分键”,调整北京时间. 2.设定开关时间:步调按键设定项目1 按(手动) 使显示器的短横线在主动地位2 按(设定) 进入定时开设定(显示1ON)3 按(礼拜) 设定每天不异,每天分歧,礼拜一至礼拜五不异,或礼拜六至礼拜日不异4 按(时)(分) 设定开的时间5 按(设定) 进入定时关设定(显示1OFF)6 按(时)(分) 设定关的时间7 反复2-6 设定第2-12次开关的时间8 按(时钟) 结束时间设定*如不需12个开关定时按(时钟)键,返回实际时间*如设定错误或取消设定请按(取消)键,再按一次恢复本来的设定*无设定时显示(--:--) 3.检查:按(设定)键检查所设定的时间是否准确. 4.点窜:请在该设定处按(取消)键,然后分量新设定该定时开关的时间及礼拜 5.结束检查:按(时钟)结束检查及设定,显示时钟 6.手动控制:按(手动)键,即可实现随意的开关参考使用 1.例如控制器每天下战书6点主动打开电源,到夜里2点关闭电源,按以下操纵2.调好时间后按一下“设定键”显示器上显示如图4,按住“时键”显示器显示如图5.再按一下“设定键”显示器显示如图6,按住“时键”显示器显示如图7.以上调整完再按一下“时钟键”显示器恢复显示北京时间.再按“手动键”可以直接开或关闭电路,然后每天控制器按主动运行.留意事项1.为防强电流下融点发热,接线时务必拧紧接线柱的螺钉 2.控制器进线220VAC/50-60HZ电源,切勿接到380VAC 3.控制器红灯亮有电进入,红、绿灯同时亮开关有电输出 4.设定的时间,不克不及交叉设定,应按时间的顺序设定。