数显表使用说明书1
- 格式:doc
- 大小:1.35 MB
- 文档页数:8
数显压力表说明书一、产品概述数显压力表是一种采用先进数字技术,能够精确测量压力并以数字形式显示测量结果的仪器。
它具有高精度、高稳定性、易于读取和操作等优点,广泛应用于工业生产、实验室、医疗设备等领域。
二、工作原理数显压力表的核心部件是压力传感器,它能够将压力信号转换为电信号。
这些电信号经过放大、滤波和模数转换等处理后,被微处理器计算和处理,并最终以数字形式显示在液晶屏幕上。
三、主要技术参数1、测量范围:根据不同型号,可覆盖从几个单位到数千个单位的压力范围。
2、精度等级:通常达到 01%、02%、05%等不同的精度级别。
3、显示分辨率:能够清晰显示到小数点后几位。
4、工作温度:在一定的温度范围内能够正常工作,确保测量精度。
5、电源:一般采用电池供电或外接电源。
四、产品特点1、数字显示直观清晰,读数方便准确,避免了指针式压力表的读数误差。
2、高精度测量,能够满足各种对压力测量精度要求较高的场合。
3、具有自动关机功能,节省电量,延长电池使用寿命。
4、具备压力单位切换功能,可在不同压力单位之间自由切换,如帕斯卡(Pa)、千帕(kPa)、兆帕(MPa)、巴(bar)、磅力/平方英寸(psi)等。
5、可记录和存储测量数据,方便后续分析和处理。
五、产品外观及部件说明1、显示屏:用于显示压力测量值、单位、电池电量等信息。
2、按键:用于设置参数、切换单位、查看历史数据等操作。
3、压力接口:用于连接被测压力源。
4、电池仓:用于安装电池。
六、安装与连接1、选择合适的安装位置,确保压力表能够稳定安装,并且便于观察和操作。
2、在连接被测压力源之前,确保压力接口清洁,无杂物和污垢。
3、使用合适的连接管件和密封件,将压力表与压力源紧密连接,防止泄漏。
七、操作指南1、开机:按下电源键,仪表开机,显示屏显示当前压力测量值。
2、单位切换:通过按键操作,选择所需的压力单位。
3、数据存储与查看:在测量过程中,可按下存储键保存当前测量数据,通过特定按键操作可查看历史存储数据。
数显表说明书数显表说明书1. 引言数显表是一种广泛应用于各种工业领域的电子显示仪表。
它能够将电信号转换为数字形式的显示,具有高精度、易读性强、可靠性高等优点。
本文档旨在介绍数显表的工作原理、使用方法以及注意事项,以帮助用户正确使用和维护数显表。
2. 工作原理数显表采用模拟-数字转换技术,通过模拟电路将输入的电信号转换为数字信号,然后通过数字电路进行处理和解码,最终以数字形式在显示屏上显示出来。
其主要组成部分包括输入电路、模数转换器、数字处理器和显示屏。
2.1 输入电路输入电路是连接数显表和外部信号源的接口,它负责将输入的电信号转化为数显表能够识别和处理的电信号。
输入电路通常包括信号输入端、电阻网络和衰减电路等。
2.2 模数转换器模数转换器是数显表的核心部分,它将模拟信号转换为数字信号。
模数转换器通常采用的是逐次逼近法或者积分法。
在转换过程中,模数转换器对输入信号进行采样、量化和编码等操作,最终输出二进制数据。
2.3 数字处理器数字处理器接收模数转换器输出的二进制数据,并根据事先设定的显示格式和校正参数对数据进行处理和解码。
数字处理器还负责控制显示屏的刷新频率和亮度等参数,以确保显示效果的稳定和清晰。
2.4 显示屏显示屏是数显表的输出部分,它通常采用液晶显示屏或LED显示屏。
显示屏能够根据数字处理器提供的数据,在屏幕上显示出对应的数字或者字符。
3. 使用方法3.1 接线在使用数显表之前,首先需要正确接线。
一般来说,数显表有两个接线端子,一个是电源端子,一个是信号输入端子。
电源端子用于接入电源,一般为交流或直流电压;信号输入端子用于接入测量信号,可以是电压、电流、温度等。
3.2 电源和信号设置正确接线后,需要根据实际需求对数显表进行电源和信号设置。
电源设置主要包括选择合适的电源类型(交流或直流)、设置电源电压等;信号设置主要包括选择合适的量程、校正系数和显示格式等。
3.3 显示和操作数显表通常具有多种显示模式,如单次显示、连续显示、峰值保持等。
多功能数显表使用说明书(总6页)--本页仅作为文档封面,使用时请直接删除即可----内页可以根据需求调整合适字体及大小--多功能电力监测仪使用手册版本:杭州正普科技有限公司使用前必读在您使用本产品之前,请务必仔细阅读此使用手册内容,正确按照用户手册指导操作,这会有助于您更好地使用本产品,并有助于解决现场出现的各种问题。
1、监测仪在施加工作电源之前,务必确保工作电源在仪表规定范围之内;2、现场安装使用时,电流输入端子严禁开路,电压输入端子严禁短路;3、通讯端子(RS485)严禁施加高压;4、使用时仪表接线方式务必与内部系统设置方式一致;5、与后台通讯时,仪表通讯参数务必与后台一致;不能带电拔插通信接口;6、本手册中的信息如有变动,恕不另行通知;我公司自始至终本着“质量第一服务第一”的宗旨,将以优质的产品、优良的服务奉献给国内外用户!●使用前请仔细阅读本用户使用手册●请注意妥善保存目录一、概述-------------------------------------------------- 1二、型号定义---------------------------------------------- 1三、尺寸对照表-------------------------------------------- 12四、型号与功能对照表-------------------------------------- 2五、技术指标---------------------------------------------- 3六、外形及安装尺寸---------------------------------------- 4七、接线图------------------------------------------------ 6八、操作说明---------------------------- 7(RS485通讯规约、CT/PT设置、开关量操作、变送输出操作)一、概述多功能电力监测仪具有对电网中电流、电压、频率、有功功率、无功功率、视在功率、电能、功率因数等进行同时测量的功能。
GCS型光栅数显系统(英文米字管提示)使用说明书恒兴星精密仪器有限公司尊敬的用户:欢迎您使用深圳市恒兴星最新开发液晶英文提示的GCS 光栅数显系统,恒兴星光栅系统广泛用于铣床、磨床、镗床、线切割、车床,它的应用有助于提高生产效率、显示直观、操作方便、精度准确、重复性稳定,是模具制造业、机械加工业、精密测量仪器必不可少的装置。
本系统设置多种智能化功能,如SDM300点记忆、等分圆和椭圆、斜面加工、R的加工8 个面选择、分中功能的用法,还配置了计算器,等等功能,使用起来十分方便。
应用恒兴星的光栅数显系统,不须经过培训,按照英文使用说明书每步提示一看就懂。
最适合刚使用操作的新手,对于熟练得操作者更是得心应手。
要想了解有关的细节请详细阅读使用说明书。
安全注意事项:打开产品包装,取出箱内数显表与电子尺相接,然后插上电源检查显示是否正常。
①开箱后检查外观是否完好,若有故障应立即联系本公司销售部,切勿自行拆卸维修。
②本装置使用110V~220V,50Hz~60Hz的交流电源,电源插头是带有接地脚的三芯电源插头。
三芯电源插座地线一定要接地牢靠。
③用户不可以自行打开机壳修理,表内有很高压电源以免造成人员伤害。
④本机壳是采用ABS工程塑料,不具防爆高温的环境中使用。
⑤平时不用时请关闭电源,可延长本产品使用时间。
⑥在雷雨天气时应关闭或拔掉电源线以免高压雷击电网引起表的电源电压突然猛增高而烧毁表内电源,给用户带来不必要的损失。
日常维护:①每天下班时,清洁时请关闭电源。
②用干布或毛刷擦拭数显表或电子尺防护外壳。
③不能用甲苯或乙醇清洗外壳。
④数显表外壳或显示窗的污迹可用洗衣粉和水搅匀用毛巾扭干水擦拭。
承诺:本公司产品如因用户使用操作不当造成电子尺和数显表的损坏,特别是因碰撞造成产品外观或内部损坏,或自行拆下电子尺限位,造成因超行程把尺撞坏,需本公司维修服务的,本公司要收取适当的材料费和维修费。
面板按键说明GCS-900目录功能项目 (7)清零 (8)输入坐标 (8)公/英制显示 (8)ABS/INC坐标 (9)自动分中 (10)RI(寻找师傅零位) (11)半径/直径 (11)计算器 (11)SDM300组记忆 (12)圆周分孔 (18)椭圆分孔 (21)斜线分孔 (25)圆弧加工 (27)平滑圆弧加工 (35)斜面加工 (39)基本参数 (42)高级用户 (43)光栅线位移传感器 (45)光栅线位移动传感器行程和安装尺寸 (48)安装示图 (49)故障分析与处理 (50)GCS-英文提示光栅数显表,英文辅助显示智能表,采用高科技软件电子技术,功能多、易操作、可靠耐用,使机械加工的必备产品。
使用说明
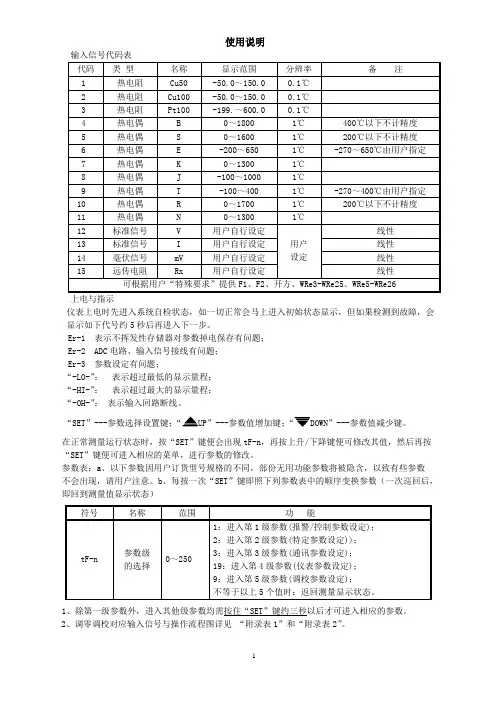
输入信号代码表
上电与指示
仪表上电时先进入系统自检状态,如一切正常会马上进入初始状态显示,但如果检测到故障,会显示如下代号约5秒后再进入下一步。
Er-1 表示不挥发性存储器对参数掉电保存有问题;
Er-2 ADC电路、输入信号接线有问题;
Er-3 参数设定有问题;
“-LO-”:表示超过最低的显示量程;
“-HI-”:表示超过最大的显示量程;
“-OH-”:表示输入回路断线。
“SET”---参数选择设置键;“UP”---参数值增加键;“DOWN”---参数值减少键。
在正常测量运行状态时,按“SET”键便会出现tF-n,再按上升/下降键便可修改其值,然后再按“SET”键便可进入相应的菜单,进行参数的修改。
参数表:a、以下参数因用户订货型号规格的不同,部份无用功能参数将被隐含,以致有些参数不会出现,请用户注意。
b、每按一次“SET”键即照下列参数表中的顺序变换参数(一次巡回后,即回到测量值显示状态)
1、除第一级参数外,进入其他级参数均需按住“SET”键约三秒以后才可进入相应的参数。
2、调零调校对应输入信号与操作流程图详见“附录表1”和“附录表2”。
(5)五级参数:(当Tf-n =9时进入)
d、tJ =3时进入(输入信号手动调校)
附录表1:调零调校对应的输入信号:
附录表2:操作流程图:。
盛年不重来,一日难再晨。
及时宜自勉,岁月不待人。
数显控制仪使用说明1、概述数显仪与各类模拟量输出的传感器、变送器配合,完成温度、压力、液位、成分等物理量的测量、变换、显示和控制误差小于0.5%F.S,并具备调校、数字滤波功能适用于标准电压、电流、热电阻、热电偶等信号类型2点报警输出,上限报警或下限报警方式可选择。
报警灵敏度独立设定变送输出(选项),能将测量、变换后的显示值以标准电流、电压形式输出供其它设备使用3、技术规格电源:85V AC~265V AC,100V DC~380V DC,功耗小于4W工作环境:0C ~50C,湿度低于85%R.H,无结露。
显示范围:-1999~9999,小数点位置可设定输入信号类型:万能输入,可通过设定选择共享知识分享快乐测量控制周期:0.2秒报警输出:2点继电器输出,触点容量220V AC,3A变送输出光电隔离4mA~20mA,0mA~10mA,0mA~20mA直流电流输出,通过设定选择。
负载能力大于600Q1V~5V,0V~5V,0V~10V直流电压输出,需订货时注明输出分辨力:1/1000,误差小于土0.5% F.S★ 变送输出为选项功能,只有订购选择后,仪表才具有此功能。
外供电源用于给变送器供电,输出值与标称值的误差小于土5%,负载能力大于50mA其它规格,需在订货时注明4、安装与接线外形尺寸iISl.iA-S规格80X160尺寸的仪表(mm)外形尺寸接线端子图B-F规格96X 96尺寸的仪表(mm )外形尺寸开孔尺寸接线端子图输出* - + AL M电冒输入住供辅出律岀22OVAC 鞘出尿?V-需出开孔尺寸5、参数一览表第1组参数序号符号名称内容取值范围说明1RH AH第1报警点设定值-1999-99997.2 2RU AL第2报警点设定值-1999-99997.2 3OR oA密码 6.4 4aio i ALol第1报警点报警方式7.2 5aio?ALo2第2报警点报警方式7.2 6H4R 1HYA1第1报警点报警灵敏度0-80007.2 7H4R?HYA2第2报警点报警灵敏度0-80007.2接线端子图A斟岀MS■屛■Sr»■.•-#■sft_B…c-AH毗M.开孔尺寸C-H规格96X48尺寸的仪表(mm)外形尺寸接线端子图开孔尺寸怦出7注:卜“•- ( bout)――输入信号故障时的代用测量值当仪表判断输入信号出故障时,以设置的值作为报警输出和变送输出的输入值。
GCS型光栅数显系统(英文米字管提示)使用说明书恒兴星精密仪器有限公司尊敬的用户:欢迎您使用深圳市恒兴星最新开发液晶英文提示的GCS 光栅数显系统,恒兴星光栅系统广泛用于铣床、磨床、镗床、线切割、车床,它的应用有助于提高生产效率、显示直观、操作方便、精度准确、重复性稳定,是模具制造业、机械加工业、精密测量仪器必不可少的装置。
本系统设置多种智能化功能,如SDM300点记忆、等分圆和椭圆、斜面加工、R的加工8 个面选择、分中功能的用法,还配置了计算器,等等功能,使用起来十分方便。
应用恒兴星的光栅数显系统,不须经过培训,按照英文使用说明书每步提示一看就懂。
最适合刚使用操作的新手,对于熟练得操作者更是得心应手。
要想了解有关的细节请详细阅读使用说明书。
安全注意事项:打开产品包装,取出箱内数显表与电子尺相接,然后插上电源检查显示是否正常。
①开箱后检查外观是否完好,若有故障应立即联系本公司销售部,切勿自行拆卸维修。
②本装置使用110V~220V,50Hz~60Hz的交流电源,电源插头是带有接地脚的三芯电源插头。
三芯电源插座地线一定要接地牢靠。
③用户不可以自行打开机壳修理,表内有很高压电源以免造成人员伤害。
④本机壳是采用ABS工程塑料,不具防爆高温的环境中使用。
⑤平时不用时请关闭电源,可延长本产品使用时间。
⑥在雷雨天气时应关闭或拔掉电源线以免高压雷击电网引起表的电源电压突然猛增高而烧毁表内电源,给用户带来不必要的损失。
日常维护:①每天下班时,清洁时请关闭电源。
②用干布或毛刷擦拭数显表或电子尺防护外壳。
③不能用甲苯或乙醇清洗外壳。
④数显表外壳或显示窗的污迹可用洗衣粉和水搅匀用毛巾扭干水擦拭。
承诺:本公司产品如因用户使用操作不当造成电子尺和数显表的损坏,特别是因碰撞造成产品外观或内部损坏,或自行拆下电子尺限位,造成因超行程把尺撞坏,需本公司维修服务的,本公司要收取适当的材料费和维修费。
面板按键说明GCS-900目录功能项目 (7)清零 (8)输入坐标 (8)公/英制显示 (8)ABS/INC坐标 (9)自动分中 (10)RI(寻找师傅零位) (11)半径/直径 (11)计算器 (11)SDM300组记忆 (12)圆周分孔 (18)椭圆分孔 (21)斜线分孔 (25)圆弧加工 (27)平滑圆弧加工 (35)斜面加工 (39)基本参数 (42)高级用户 (43)光栅线位移传感器 (45)光栅线位移动传感器行程和安装尺寸 (48)安装示图 (49)故障分析与处理 (50)GCS-英文提示光栅数显表,英文辅助显示智能表,采用高科技软件电子技术,功能多、易操作、可靠耐用,使机械加工的必备产品。
数显控制仪使用说明1、概述数显仪与各类模拟量输出的传感器、变送器配合,完成温度、压力、液位、成分等物理量的测量、变换、显示和控制 误差小于0.5%F.S,并具备调校、数字滤波功能适用于标准电压、电流、热电阻、热电偶等信号类型2点报警输出,上限报警或下限报警方式可选择。
报警灵敏度独立设定变送输出(选项),能将测量、变换后的显示值以标准电流、电压形式输出供其它设备使用2、型号规格3、技术规格3、技术规格电源:85V AC~265V AC,100V DC~380V DC,功耗小于4W工作环境:0℃~50℃,湿度低于85%R.H,无结露。
显示范围:-1999~9999,小数点位置可设定输入信号类型:万能输入,可通过设定选择★注:0~10VDC输入,订货时需说明,此时仪表不能万能输入电压0~5VDC-1999~9999电流4~20mA-1999~9999 1~5VDC 0~10mA0~10VDC 0~20mA热电阻Pt100 -200.0~500.0℃热电偶K -100~1300℃Cu100 -50.0~150.0℃S 0~1700℃Cu50 -50.0~150.0℃R 0~1700℃BA1 -200.0~650.0℃ B 500~1800℃BA2 -200.0~500.0℃ E -100~800℃G53 -50.0~150.0℃J -100~1100℃T -100~400℃基本误差:小于0.5%F.S测量控制周期:0.2秒报警输出:2点继电器输出,触点容量220V AC,3A变送输出光电隔离4mA~20mA,0mA~10mA,0mA~20mA直流电流输出,通过设定选择。
负载能力大于600Ω 1V~5V,0V~5V,0V~10V直流电压输出,需订货时注明输出分辨力:1/1000,误差小于±0.5% F.S★变送输出为选项功能,只有订购选择后,仪表才具有此功能。
外供电源用于给变送器供电,输出值与标称值的误差小于±5%,负载能力大于50mA其它规格,需在订货时注明4、安装与接线为确保安全,接线必须在断电后进行。
GCS型光栅数显系统(英文米字管提示)使用说明书恒兴星精密仪器有限公司尊敬的用户:欢迎您使用深圳市恒兴星最新开发液晶英文提示的GCS 光栅数显系统,恒兴星光栅系统广泛用于铣床、磨床、镗床、线切割、车床,它的应用有助于提高生产效率、显示直观、操作方便、精度准确、重复性稳定,是模具制造业、机械加工业、精密测量仪器必不可少的装置。
本系统设置多种智能化功能,如SDM300点记忆、等分圆和椭圆、斜面加工、R的加工8 个面选择、分中功能的用法,还配置了计算器,等等功能,使用起来十分方便。
应用恒兴星的光栅数显系统,不须经过培训,按照英文使用说明书每步提示一看就懂。
最适合刚使用操作的新手,对于熟练得操作者更是得心应手。
要想了解有关的细节请详细阅读使用说明书。
安全注意事项:打开产品包装,取出箱内数显表与电子尺相接,然后插上电源检查显示是否正常。
①开箱后检查外观是否完好,若有故障应立即联系本公司销售部,切勿自行拆卸维修。
②本装置使用110V~220V,50Hz~60Hz的交流电源,电源插头是带有接地脚的三芯电源插头。
三芯电源插座地线一定要接地牢靠。
③用户不可以自行打开机壳修理,表内有很高压电源以免造成人员伤害。
④本机壳是采用ABS工程塑料,不具防爆高温的环境中使用。
⑤平时不用时请关闭电源,可延长本产品使用时间。
⑥在雷雨天气时应关闭或拔掉电源线以免高压雷击电网引起表的电源电压突然猛增高而烧毁表内电源,给用户带来不必要的损失。
日常维护:①每天下班时,清洁时请关闭电源。
②用干布或毛刷擦拭数显表或电子尺防护外壳。
③不能用甲苯或乙醇清洗外壳。
④数显表外壳或显示窗的污迹可用洗衣粉和水搅匀用毛巾扭干水擦拭。
承诺:本公司产品如因用户使用操作不当造成电子尺和数显表的损坏,特别是因碰撞造成产品外观或内部损坏,或自行拆下电子尺限位,造成因超行程把尺撞坏,需本公司维修服务的,本公司要收取适当的材料费和维修费。
面板按键说明GCS-900目录功能项目 (7)清零 (8)输入坐标 (8)公/英制显示 (8)ABS/INC坐标 (9)自动分中 (10)RI(寻找师傅零位) (11)半径/直径 (11)计算器 (11)SDM300组记忆 (12)圆周分孔 (18)椭圆分孔 (21)斜线分孔 (25)圆弧加工 (27)平滑圆弧加工 (35)斜面加工 (39)基本参数 (42)高级用户 (43)光栅线位移传感器 (45)光栅线位移动传感器行程和安装尺寸 (48)安装示图 (49)故障分析与处理 (50)GCS-英文提示光栅数显表,英文辅助显示智能表,采用高科技软件电子技术,功能多、易操作、可靠耐用,使机械加工的必备产品。
数显控制仪使用说明1、概述数显仪与各类模拟量输出的传感器、变送器配合,完成温度、压力、液位、成分等物理量的测量、变换、显示和控制 误差小于0.5%F.S,并具备调校、数字滤波功能适用于标准电压、电流、热电阻、热电偶等信号类型2点报警输出,上限报警或下限报警方式可选择。
报警灵敏度独立设定变送输出(选项),能将测量、变换后的显示值以标准电流、电压形式输出供其它设备使用2、型号规格3、技术规格3、技术规格电源:85V AC~265V AC,100V DC~380V DC,功耗小于4W工作环境:0℃~50℃,湿度低于85%R.H,无结露。
显示范围:-1999~9999,小数点位置可设定输入信号类型:万能输入,可通过设定选择★注:0~10VDC输入,订货时需说明,此时仪表不能万能输入电压0~5VDC-1999~9999电流4~20mA-1999~9999 1~5VDC 0~10mA0~10VDC 0~20mA热电阻Pt100 -200.0~500.0℃热电偶K -100~1300℃Cu100 -50.0~150.0℃S 0~1700℃Cu50 -50.0~150.0℃R 0~1700℃BA1 -200.0~650.0℃ B 500~1800℃BA2 -200.0~500.0℃ E -100~800℃G53 -50.0~150.0℃J -100~1100℃T -100~400℃基本误差:小于0.5%F.S测量控制周期:0.2秒报警输出:2点继电器输出,触点容量220V AC,3A变送输出光电隔离4mA~20mA,0mA~10mA,0mA~20mA直流电流输出,通过设定选择。
负载能力大于600Ω 1V~5V,0V~5V,0V~10V直流电压输出,需订货时注明输出分辨力:1/1000,误差小于±0.5% F.S★变送输出为选项功能,只有订购选择后,仪表才具有此功能。
外供电源用于给变送器供电,输出值与标称值的误差小于±5%,负载能力大于50mA其它规格,需在订货时注明4、安装与接线为确保安全,接线必须在断电后进行。
多功能电力监测仪使用手册版本:杭州正普科技有限公司使用前必读在您使用本产品之前,请务必仔细阅读此使用手册内容,正确按照用户手册指导操作,这会有助于您更好地使用本产品,并有助于解决现场出现的各种问题。
1、监测仪在施加工作电源之前,务必确保工作电源在仪表规定范围之内;2、现场安装使用时,电流输入端子严禁开路,电压输入端子严禁短路;3、通讯端子(RS485)严禁施加高压;4、使用时仪表接线方式务必与内部系统设置方式一致;5、与后台通讯时,仪表通讯参数务必与后台一致;不能带电拔插通信接口;6、本手册中的信息如有变动,恕不另行通知;我公司自始至终本着“质量第一服务第一”的宗旨,将以优质的产品、优良的服务奉献给国内外用户!●使用前请仔细阅读本用户使用手册●请注意妥善保存目录一、概述-------------------------------------------------- 1二、型号定义---------------------------------------------- 1三、尺寸对照表-------------------------------------------- 1四、型号与功能对照表-------------------------------------- 2五、技术指标---------------------------------------------- 3六、外形及安装尺寸---------------------------------------- 4七、接线图------------------------------------------------ 6八、操作说明----------------------------7(RS485通讯规约、CT/PT设置、开关量操作、变送输出操作)一、概述多功能电力监测仪具有对电网中电流、电压、频率、有功功率、无功功率、视在功率、电能、功率因数等进行同时测量的功能。
数显控制仪使用说明1、概述数显仪与各类模拟量输出的传感器、变送器配合,完成温度、压力、液位、成分等物理量的测量、变换、显示和控制 误差小于0.5%F .S ,并具备调校、数字滤波功能 适用于标准电压、电流、热电阻、热电偶等信号类型2点报警输出,上限报警或下限报警方式可选择。
报警灵敏度独立设定3、技术规格电 源:85V AC~265V AC ,100V DC~380V DC ,功耗小于4W 工作环境:0℃~50℃,湿度低于85%R .H ,无结露。
显示范围:-1999~9999,小数点位置可设定输入信号类型:万能输入,可通过设定选择★ 注:0~10VDC 输入,订货时需说明,此时仪表不能万能输入℃T -100~400℃.S基本误差:小于0.5%F测量控制周期:0.2秒报警输出:2点继电器输出,触点容量220V AC,3A变送输出光电隔离4mA~20mA,0mA~10mA,0mA~20mA直流电流输出,通过设定选择。
负载能力大于600Ω 1V~5V,0V~5V,0V~10V直流电压输出,需订货时注明输出分辨力:1/1000,误差小于±0.5% F.S★变送输出为选项功能,只有订购选择后,仪表才具有此功能。
外供电源用于给变送器供电,输出值与标称值的误差小于±5%,负载能力大于50mA其它规格,需在订货时注明4、安装与接线为确保安全,接线必须在断电后进行。
(1)仪表与热电阻的接线(2)仪表与热电偶及电流、电压输入的接线(3)仪表与2线制变送器电流信号的接线(4)仪表与3线制、4线制电压、电流变送器的接线A-H规格160×80尺寸的仪表(mm)外形尺寸开孔尺寸接线端子图A-S规格80×160尺寸的仪表(mm)外形尺寸开孔尺寸接线端子图B-F规格96×96尺寸的仪表(mm)外形尺寸开孔尺寸接线端子图C-H规格96×48尺寸的仪表(mm)外形尺寸开孔尺寸接线端子图14 bA-A 变送输出零点修正设定值-500-500 7.315 bAFi 变送输出满度修正设定值0.500-1.500 7.3注:(bout )——输入信号故障时的代用测量值当仪表判断输入信号出故障时,以设置的值作为报警输出和变送输出的输入值。
GCS型光栅数显系统(英文米字管提示)使用说明书恒兴星精密仪器有限公司尊敬的用户:欢迎您使用市恒兴星最新开发液晶英文提示的GCS 光栅数显系统,恒兴星光栅系统广泛用于铣床、磨床、镗床、线切割、车床,它的应用有助于提高生产效率、显示直观、操作方便、精度准确、重复性稳定,是模具制造业、机械加工业、精密测量仪器必不可少的装置。
本系统设置多种智能化功能,如SDM300点记忆、等分圆和椭圆、斜面加工、R的加工8 个面选择、分中功能的用法,还配置了计算器,等等功能,使用起来十分方便。
应用恒兴星的光栅数显系统,不须经过培训,按照英文使用说明书每步提示一看就懂。
最适合刚使用操作的新手,对于熟练得操作者更是得心应手。
要想了解有关的细节请详细阅读使用说明书。
安全注意事项:打开产品包装,取出箱数显表与电子尺相接,然后插上电源检查显示是否正常。
①开箱后检查外观是否完好,若有故障应立即联系本公司销售部,切勿自行拆卸维修。
②本装置使用110V~220V,50Hz~60Hz的交流电源,电源插头是带有接地脚的三芯电源插头。
三芯电源插座地线一定要接地牢靠。
③用户不可以自行打开机壳修理,表有很高压电源以免造成人员伤害。
④本机壳是采用ABS工程塑料,不具防爆高温的环境中使用。
⑤平时不用时请关闭电源,可延长本产品使用时间。
⑥在雷雨天气时应关闭或拔掉电源线以免高压雷击电网引起表的电源电压突然猛增高而烧毁表电源,给用户带来不必要的损失。
日常维护:①每天下班时,清洁时请关闭电源。
②用干布或毛刷擦拭数显表或电子尺防护外壳。
③不能用甲苯或乙醇清洗外壳。
④数显表外壳或显示窗的污迹可用洗衣粉和水搅匀用毛巾扭干水擦拭。
承诺:本公司产品如因用户使用操作不当造成电子尺和数显表的损坏,特别是因碰撞造成产品外观或部损坏,或自行拆下电子尺限位,造成因超行程把尺撞坏,需本公司维修服务的,本公司要收取适当的材料费和维修费。
面板按键说明GCS-900目录功能项目 (7)清零 (8)输入坐标 (8)公/英制显示 (8)ABS/INC坐标 (9)自动分中 (10)RI(寻找师傅零位) (11)半径/直径 (11)计算器 (11)SDM300组记忆 (12)圆周分孔 (18)椭圆分孔 (21)斜线分孔 (25)圆弧加工 (27)平滑圆弧加工 (35)斜面加工 (39)基本参数 (42)高级用户 (43)光栅线位移传感器 (45)光栅线位移动传感器行程和安装尺寸 (48)安装示图 (49)故障分析与处理 (50)GCS-英文提示光栅数显表,英文辅助显示智能表,采用高科技软件电子技术,功能多、易操作、可靠耐用,使机械加工的必备产品。
数显控制仪使用说明1、概述数显仪与各类模拟量输出的传感器、变送器配合,完成温度、压力、液位、成分等物理量的测量、变换、显示和控制 误差小于0.5%F.S,并具备调校、数字滤波功能适用于标准电压、电流、热电阻、热电偶等信号类型2点报警输出,上限报警或下限报警方式可选择。
报警灵敏度独立设定变送输出(选项),能将测量、变换后的显示值以标准电流、电压形式输出供其它设备使用2、型号规格3、技术规格3、技术规格电源:85V AC~265V AC,100V DC~380V DC,功耗小于4W工作环境:0℃~50℃,湿度低于85%R.H,无结露。
显示范围:-1999~9999,小数点位置可设定输入信号类型:万能输入,可通过设定选择★注:0~10VDC输入,订货时需说明,此时仪表不能万能输入电压0~5VDC-1999~9999电流4~20mA-1999~9999 1~5VDC 0~10mA0~10VDC 0~20mA热电阻Pt100 -200.0~500.0℃热电偶K -100~1300℃Cu100 -50.0~150.0℃S 0~1700℃Cu50 -50.0~150.0℃R 0~1700℃BA1 -200.0~650.0℃ B 500~1800℃BA2 -200.0~500.0℃ E -100~800℃G53 -50.0~150.0℃J -100~1100℃T -100~400℃基本误差:小于0.5%F.S测量控制周期:0.2秒报警输出:2点继电器输出,触点容量220V AC,3A变送输出光电隔离4mA~20mA,0mA~10mA,0mA~20mA直流电流输出,通过设定选择。
负载能力大于600Ω 1V~5V,0V~5V,0V~10V直流电压输出,需订货时注明输出分辨力:1/1000,误差小于±0.5% F.S★变送输出为选项功能,只有订购选择后,仪表才具有此功能。
外供电源用于给变送器供电,输出值与标称值的误差小于±5%,负载能力大于50mA其它规格,需在订货时注明4、安装与接线为确保安全,接线必须在断电后进行。
(1)仪表与热电阻的接线(2)仪表与热电偶及电流、电压输入的接线(3)仪表与2线制变送器电流信号的接线(4)仪表与3线制、4线制电压、电流变送器的接线A-H规格160×80尺寸的仪表(mm)外形尺寸开孔尺寸接线端子图A-S规格80×160尺寸的仪表(mm)外形尺寸开孔尺寸接线端子图B-F规格96×96尺寸的仪表(mm)外形尺寸开孔尺寸接线端子图C-H规格96×48尺寸的仪表(mm)外形尺寸开孔尺寸接线端子图5、参数一览表第1组参数序号符号名称内容取值范围说明1 AH 第1报警点设定值-1999-9999 7.22 AL 第2报警点设定值-1999-9999 7.23 oA 密码 6.44 ALo1 第1报警点报警方式7.25 ALo2 第2报警点报警方式7.26 HYA1 第1报警点报警灵敏度0-8000 7.27 HYA2 第2报警点报警灵敏度0-8000 7.2第2组参数序号符号名称内容取值范围说明1 incH 输入信号选择7.12 in-d 显示小数点位置选择7.13 u-r 测量量程下限-1999-9999 7.14 F-r 测量量程上限-1999-9999 7.15 in-A 零点修正设定值-1999-9999 86 Fi 满度修正设定值0.500-1.500 87 FLtr 数字滤波时间常数设定值1-20 88 LA 冷端修正参数设定值-99-99 89 oA1 报警设定值受密码控制选择 6.210 bout 故障代用值-1999-9999 注11 oP 变送输出信号选择7.312 bA-L 变送输出下限-1999-9999 7.313 bA-H 变送输出上限-1999-9999 7.314 bA-A 变送输出零点修正设定值-500-500 7.315 bAFi 变送输出满度修正设定值0.500-1.500 7.3注:(bout)——输入信号故障时的代用测量值当仪表判断输入信号出故障时,以设置的值作为报警输出和变送输出的输入值。
6、操作6.1 面板及按键说明(以A-H规格的仪表为例)名称说明显示窗①测量值显示窗显示测量值在参数设置状态下,显示参数符号、参数数值②指示灯各报警点的报警状态显示操作键③设置键测量状态下,按住2秒钟以上不松开则进入参数设置状态在设置状态下,显示参数符号时,按一下则切换到同组的下一个参数,按住2秒以上不松开,则进入下一组参数或返回测量状态在设置状态下,显示参数值时,按一下则存入修改好的参数值操作键④左键在测量状态下无效在设置状态下:①调出原有参数值②移动修改位⑤增加键在设置状态下增加参数数值或改变参数内容⑥减小键在设置状态下减小参数数值或改变参数内容★注:仪表上电需5~6秒钟,仪表显示窗先全亮,然后显示从0开始递增直至测量正常。
6.2 参数设置说明仪表的参数被分为2组,每个参数所在的组在第5章《参数一览表》中列出。
★第1组参数之后及第2组以后的参数受密码控制,未设置密码时不能进入★第1组参数之前的参数是否密码控制可以通过设置参数选择。
设置为OFF时,不受密码控制;设置为ON时,若未设置密码,虽然可以进入、修改,但不能存入。
进入设置状态后,若1分钟以上不进行按键操作,仪表将自动退出设置状态。
6.3 报警设定值的设置方法报警设定值在第1组参数。
①按住设置键2秒以上不松开,进入设置状态,仪表显示第1个参数的符号②单次按下键可以顺序选择本组其它参数③按键调出当前参数的原设定值,闪烁位为修正位④通过键移动修改位,键增值、键减值,将参数修改为需要的值⑤按键存入修改好的参数,自动转到下一参数。
若为本组最后1个参数,按键后将转到本组第1个参数。
重复②~ ⑤步,可设置本组的其它参数。
★如果修改后的参数不能存入,是因为参数被设置为ON,使该参数受密码控制,应先设置密码。
6.4 密码设置方法当仪表处于测量状态时,可进行密码设置。
①按住设置键不松开,直到显示②连续按下,切换到③按键进入修改状态,在,,键的配合下将其修改为1111④按键,密码设置完成★密码在仪表上电时或1分钟以上无按键操作时,将自动清零。
6.5 其它参数的设置方法①首先按6.4的方法设置密码②第1组参数中参数之后的参数,在密码设置完成后,按键可选择③其它组的参数,通过按住设置键不松开,顺序进入各参数组,仪表显示该组第1个参数的符号④进入需要设置的参数所在组后,按键顺序循环选择本组需设置的参数⑤按键调出当前参数的原设定值,闪烁位为修改位⑥通过键移动修改位,键增值,键减值,将参数修改为需要的值★以符号形式表示参数值的参数,在修改时,闪烁位应处于末位。
⑦按键存入修改好的参数,并转到下一参数重复④~ ⑦步,可设置本组的其它参数。
退出设置:在显示参数符号时,按住设置键不松开,直到退出参数的设置状态。
7、功能及相应参数说明7.1 测量及显示采样→数字滤波→量纲转换→调校→显示显示受调校的影响(见第8章)以下列出了测量及显示的相关的参数,设置不正确,可能使仪表显示不正常。
(incH)——输入信号选择设定应与仪表型号及实际输入信号一致。
该参数的值以符号形式表示,下表列出了对应关系:序号显示符号输入信号序号显示符号输入信号0 Pt100 10 N1 cu100 11 E2 cu50 12 J3 BA1 13 T4 BA2 14 4mA~20mA5 G53 15 0mA~10mA6 K 16 0mA~20mA7 S 17 1V~5V8 R 18 0V~5V9 B 19 0V~10V(in-d)——测量值显示的小数点位置选择热电阻输入时:只能选择为000.0热电偶输入时:只能选择为0000.其它信号输入时:根据需要选择(u-r)——量程下限(F-r)——量程上限这两个参数规定了输入信号的起点和终点所对应显示值的起点和终点。
对热电阻和热电偶输入,与它无关,可以不设置。
例:4 mA~20mA输入,对应0~1.600MPa,则设置上述4个参数= = 0.000= 0.000 = 1.6007.2报警输出每个报警点有3个参数,分别用于设定报警值,选择报警方式和设定报警灵敏度。
、分别为第1和第2报警点的报警设定值。
~ 分别为2个报警点的报警方式选择。
~ 分别为2个报警点的报警灵敏度设定。
报警方式:报警方式有2种:表示上限报警表示下限报警报警灵敏度:为防止测量值在报警设定值附近波动时造成报警继电器频繁动作,可以根据需要设定一个报警解除的外延区域。
例:上限报警时:7.3 变送输出变送输出有5个参数:(oP)——输出信号选择选择为时:输出为4mA -20mA(或1 V -5V)时:输出为0mA -10mA时:输出为0mA -20mA(或0 V -5V、0 V -10 V)(bA-L)——变送输出下限设定(bA-H)——变送输出上限设定例:热电偶输入的仪表,要求变送输出4mA-20mA,对应500-1200℃,则设置= ,= ,=(bA-A)、 (bAFi) 两参数用于调校变送输出的零点和满度,调校的方法如下:先调整满度,再调整零点①变送输出满度低,增加的值变送输出满度高,减小的值②变送输出零点低,增加的值变送输出零点高,减小的值注:一般先调整变送满度即可满足变送输出精度,如果变送满度调整好后,变送零点还有误差,则再调整变送零点,变送零点调整后,必须再调整次变送满度。
8、调校调校可以减小由于传感器、变送器、引线等引起的零点和满度误差,提高系统的测量精度。
通过零点修正参数和满度修正参数实现。
调校时应先进行零点修正,再进行满度修正。
(in-A)——零点修正值。
出厂设置一般为0显示值= 零点修正前的显示值+(Fi)——满度修正值。
出厂设置一般为1.000(范围:0.500~1.500)显示值= 满度修正前的显示值×对热电偶输入的仪表,通过参数对冷端补偿精度进行调校。
(LA)——冷端修正系数仪表出厂时该参数已设置好,并经过检验,不要轻易变更。
如果冷端补偿有误差,可通过该参数按下式进行修正:补偿前温度+=补偿后温度补偿范围是0℃~60℃。
★注:设置为99时不进行冷端补偿输入信号短接时,仪表应显示输入端子处的实际温度,受仪表自身发热的影响,该温度可能会高于室温。
在实际应用中,补偿导线接到输入端子,仪表自身温度即为测量的冷端温度,因此仪表发热不影响测量精度。
(FLtr)——数字滤波时间常数。
(范围:1~20)用数字滤波方法来克服输入信号的抖动。
用户视信号抖动的频率和大小选择适当的滤波常数,抖动严重时可加大设定数值9、抗干扰措施当仪表发现较大的波动或跳动时,一般是由于干扰太强造成,采取下列措施能减小或消除干扰。