预应力伸长量计算表
- 格式:xls
- 大小:88.00 KB
- 文档页数:3
后张法预应力张拉伸长 量计算与测定分析一、理论伸长量计算 1、理论公式:(1)根据《公路桥涵施工技术规范》(JTJ041—2000),钢绞线理论伸长量计算公式如下:PP P E A LP L =∆ ① ()()μθμθ+-=+-kx e P P kx P 1 ②式中:P P ——预应力筋的平均张拉力(N ),直线筋取张拉端的拉力,曲线筋计算方法见②式;L ——预应力筋的长度;A P ——预应力筋的截面面积(mm 2);E P ——预应力筋的弹性模量(N/mm 2);P ——预应力筋张拉端的张拉力(N );x ——从张拉端至计算截面的孔道长度(m);θ——从张拉端至计算截面的孔道部分切线的夹角之和(rad);k ——孔道每米局部偏差对摩擦的影响系数;μ——预应力筋与孔道壁的摩擦系数。
(2)计算理论伸长值,要先确定预应力筋的工作长度和线型段落的划分。
后张法钢绞线型既有直线又有曲线,由于不同线型区间的平均应力会有很大差异,因此需要分段计算伸长值,然后累加。
于是上式中:i L L L L ∆+∆+∆=∆ 21 PP i p i E A L P L i =∆P p 值不是定值,而是克服了从张拉端至第i —1段的摩阻力后的剩余有效拉力值,所以表示成“Pp i ”更为合适; (3)计算时也可采取应力计算方法,各点应力公式如下:()()()()111--+--⨯=i i kx i i eμθσσ各点平均应力公式为:()()ii kx i pikx e iiμθσσμθ+-=+-1 各点伸长值计算公式为:pip i E x L iσ=∆ 2、根据规范中理论伸长值的公式,举例说明计算方法:某后张预应力连续箱梁,其中4*25米联内既有单端张拉,也有两端张拉。
箱梁中预应力钢束采用高强度低松弛钢绞线(Φ15.24),极限抗拉强度f p =1860Mpa ,锚下控制应力б0=0.75f p =1395Mpa 。
K 取0.0015/m ,µ=0.25。
后张法预应力张拉伸长 量计算与测定分析一、理论伸长量计算 1、理论公式:(1)根据《公路桥涵施工技术规范》(JTJ041—2000),钢绞线理论伸长量计算公式如下:PP P E A L P L =∆ ①()()μθμθ+-=+-kx e P P kx P 1 ②式中:P P ——预应力筋的平均张拉力(N ),直线筋取张拉端的拉力,曲线筋计算方法见②式;L ——预应力筋的长度; A P ——预应力筋的截面面积(mm 2);E P ——预应力筋的弹性模量(N/mm 2);P ——预应力筋张拉端的张拉力(N );x ——从张拉端至计算截面的孔道长度(m);θ——从张拉端至计算截面的孔道部分切线的夹角之和(rad);k ——孔道每米局部偏差对摩擦的影响系数;μ——预应力筋与孔道壁的摩擦系数。
(2)计算理论伸长值,要先确定预应力筋的工作长度和线型段落的划分。
后张法钢绞线型既有直线又有曲线,由于不同线型区间的平均应力会有很大差异,因此需要分段计算伸长值,然后累加。
于是上式中:i L L L L ∆+∆+∆=∆ 21PP i p i E A L P L i =∆P p 值不是定值,而是克服了从张拉端至第i —1段的摩阻力后的剩余有效拉力值,所以表示成“Pp i ”更为合适; (3)计算时也可采取应力计算方法,各点应力公式如下:()()()()111--+--⨯=i i kx i i eμθσσ各点平均应力公式为:()()ii kx i pikx e iiμθσσμθ+-=+-1 各点伸长值计算公式为:pip i E x L iσ=∆ 2、根据规范中理论伸长值的公式,举例说明计算方法:某后张预应力连续箱梁,其中4*25米联内既有单端张拉,也有两端张拉。
箱梁中预应力钢束采用高强度低松弛钢绞线(Φ15.24),极限抗拉强度f p =1860Mpa ,锚下控制应力б0=0.75f p =1395Mpa 。
K 取0.0015/m ,µ=0.25。
预应力张拉计算说明预应力张拉计算及现场操作说明本合同段梁板均为先张梁板,根据台座设置长度,实际钢绞线下料长度为89米。
一、理论伸长量计算由公式ΔL=(Nk*L)/EA计算可得理论伸长量。
公式ΔL=(Nk*L)/E g A g中ΔL:理论伸长量Nk:作用于钢绞线的张拉力(控制应力σk= 1395Mp)L:钢绞线下料长度(89m)E g:钢绞线弹性模量(1.95X105 Mp)A g:钢绞线截面面积(140mm2)由公式计算得ΔL=(1395*140*89)/(195700*140)=0.63441m=634.41mm现场张拉采取五级张拉分别为10%σk,20%σk,40%σk,8 0%σk,100%σk;对应理论伸长量分别为L1,L2,L3,L4,L5,L6。
由公式计算得L1=63.44 mm(10%ΔL)L2=126.88 mm(20%ΔL)L3=253.76mm(40%ΔL)L4=507.52mm(80%ΔL)L5=634.41 mm(100%ΔL)二、现场张拉实测(一)现场张拉操作现场张拉采取六级张拉分别为10%σk,20%σk,40%σk , 8 0%σk,100%σk;对应伸长量分别为A,B,C,D,E。
张拉顺序:1、先张拉左侧锚端,用3#千斤顶张拉N1筋,张拉到10%σk,记录此时伸长量A1,再张拉到20%σk,记录此时伸长量B1;后依次张拉N2-N9,对称张拉,分别记录各自伸长量:A2,B2 (9)B9;锚固好左侧。
2、张拉右侧锚端,用1#、2#千斤顶同时同步张拉,张拉到40%σk,记录此时伸长量C,锚固后继续张拉到80%σk,记录此时伸长量D,继续张拉到100%σk,记录下各自伸长量为E。
C、D、E值均为两千斤顶伸长的平均值。
(二)数据处理N1实际伸长量L n1=E+C或L n1=E+2(B1-A1)N2实际伸长量L n1=E+C或L n1=E+2(B2-A2)N3实际伸长量L n1=E+C或L n1=E+2(B3-A3)N4实际伸长量L n1=E+C或L n1=E+2(B4-A4)N5实际伸长量L n1=E+C或L n1=E+2(B5-A5)N6实际伸长量L n1=E+C或L n1=E+2(B6-A6)N7实际伸长量L n1=E+C或L n1=E+2(B7-A7)N8实际伸长量L n1=E+C或L n1=E+2(B8-A8)N9实际伸长量L n1=E+C或L n1=E+2(B9-A9)三、现场张拉注意要点1、现场张拉伸长值与理论伸长值必须随时比对,不得超过理论伸长值的±6%(即38.06mm);2、张拉时应匀速缓慢张拉,并在每级处持荷5min后读数;3、张拉时注意观察钢绞线断丝数,超过规定值必须替换,从新张拉;4、钢绞线张拉8小时后,才可进行下步钢筋施工。
预应力施工中“双控”的具体做法一、综述预应力筋采用应力控制方法张拉时,应以伸长值进行校核即“双控”。
实际伸长值与理论伸长值的差值应符合设计要求;设计无规定时,实际伸长值与理论伸长值之差应控制在6%以内。
二、工程概况预应力连续箱梁,跨度布置为二边跨各30米,中间二跨为40米即30+40+40+30(m )。
箱梁设计为1箱7室结构,结构横断面宽度为20..3米,梁高边跨为1.9—2.3米,中跨为2.3米。
纵向预应力筋设计采用 φs 15.20预应力钢绞线,钢绞线公称截面面积A =139mm 2,标准强度f pk =1860Mpa ,Ey =1.95×105Mpa ,设计控制张拉应力σcon=0.75 f pk =1395 Mpa ;其中:腹板F1筋为12-φs 15.20预应力钢绞线。
大样图见下图:边跨腹板F1钢束大样梁端面张拉锚固端5050501801059712227115271685R 1=800025R2=6000R25895801021254134515051752528501047812151墩号墩号中跨腹板F1钢束大样R2=6000R25255179113491440150517525285011017墩号10墩号285052551713491101717967525517911501440R 1=6000R 11010三、理论伸长值的计算在预应力施工前,应根据图纸计算出各根预应力筋的理论伸长值。
1、理论伸长值计算公式及参数的采用按《公路桥涵施工技术规范》JGJ041—2000推荐的公式进行计算。
PP P E A LP L =∆ (1)式中:P P ——预应力筋的平均张拉力(N),直线筋取张拉端的拉力,两端张拉的曲线筋按(2)式计算;L ——预应力筋的长度(mm); A P ——预应力筋的截面面积(mm 2); E P ——预应力筋的弹性模量(N /mm 2)。
预应力筋平均张拉力按下式计算:()μθμθ+-=+-kx e P P kx P )(1 (2)式中:P P ——预应力筋平均张拉力(N);P ——预应力筋张拉端的张拉力(N); x ——从张拉端至计算截面的孔道长度(m);θ——从张拉端至计算截面曲线孔道部分切线的夹角之和(rad); k ——孔道每米局部偏差对摩擦的影响系数,本工程采用预埋金属螺旋管道成型,根据下表采用0.0015;μ——预应力筋与孔道壁的摩擦系数,根据下表采用0.25。
25m箱梁预应力张拉和理论伸长量计算一、张拉力计算〔校核图纸〕1、钢绞线参数Øj钢绞线截面积:A=140mm2,标准强度:R b y=1860Mpa,弹性模量E y=1.95×105Mpa2、张拉力计算a、单根钢绞线张拉力P=5 R b y×A=5×1860×106×140×10-6Knb、每束张拉力(中跨梁)N1~N2〔4索〕:P总=1×4=Kn〔标准〕*1.02= KnN3~N4〔3索〕:P总=1×3=Kn〔标准〕= Knc、每束张拉力(边跨梁)N1~N4〔4索〕:P总=1×4=Kn〔标准〕Kn二、设计图纸中钢绞线中有直线和曲线分布,且有故P≠P P(1)中跨箱梁1.1:N1钢绞线经查表:k=0.0015 μ5根据图纸计算角度θ187〔为弧度〕竖弯和平弯N1:理论计算值〔根据设计〕1.2:N2钢绞线经查表:k=0.0015 μ5根据图纸计算角度θ187〔为弧度〕竖弯和平弯N2:理论计算值〔根据设计〕1.3:N3钢绞线经查表:k=0.0015 μ5根据图纸计算角度θ187〔为弧度〕竖弯和平弯1.4:N4钢绞线经查表:k=0.0015 μ5根据图纸计算角度θ〔为弧度〕竖弯和平弯N4:理论计算值〔根据设计〕〔2〕、边跨箱梁1.1:N1钢绞线经查表:k=0.0015 μ5根据图纸计算角度θ187〔为弧度〕竖弯和平弯N1:理论计算值〔根据设计〕1.2:N2钢绞线经查表:k=0.0015 μ5根据图纸计算角度θ187〔为弧度〕竖弯和平弯N2:理论计算值〔根据设计〕1.3:N3钢绞线经查表:k=0.0015 μ5根据图纸计算角度θ187〔为弧度〕竖弯和平弯1.4:N4钢绞线经查表:k=0.0015 μ5根据图纸计算角度θ〔为弧度〕竖弯和平弯N4:理论计算值〔根据设计〕备注:以上终点力P P〔KN〕、ΔL〔mm〕伸长量根据以下公式计算P〔1- e-(kx+μθ)〕〔1〕、P P= kx+μθP P L〔2〕、ΔL= A P E P35m箱梁预应力张拉和理论伸长量计算一、张拉力计算〔校核图纸〕1、钢绞线参数Øj钢绞线截面积:A=140mm2,标准强度:R b y=1860Mpa,弹性模量E y=1.95×105Mpa2、张拉力计算a、单根钢绞线张拉力P=5 R b y×A=5×1860×106×140×10-6Knb、每束张拉力(中跨梁)N1~N5〔4索〕:P总=1×4=Kn〔标准〕*1.02= Knc、每束张拉力(边跨梁)N1、N5〔4索〕:P总=1×4=Kn〔标准〕*1.02= KnN2~N4〔5索〕:P总=1×5=Kn〔标准〕*1.02= Kn二、设计图纸中钢绞线中有直线和曲线分布,且有故P≠P P〔1〕、中跨箱梁1.1:N1钢绞线经查表:k=0.0015 μ5根据图纸计算角度θ100〔为弧度〕竖弯和平弯N1:理论计算值〔根据设计〕1.2:N2钢绞线经查表:k=0.0015 μ5根据图纸计算角度θ100〔为弧度〕竖弯和平弯N2:理论计算值〔根据设计〕1.3:N3钢绞线经查表:k=0.0015 μ5根据图纸计算角度θ100〔为弧度〕竖弯和平弯1.4:N4钢绞线经查表:k=0.0015 μ5根据图纸计算角度θ〔为弧度〕竖弯和平弯N4:理论计算值〔根据设计〕1.5:N5钢绞线经查表:k=0.0015 μ5根据图纸计算角度θ〔为弧度〕竖弯和平弯N5:理论计算值〔根据设计〕〔2〕、边跨箱梁1.1:N1钢绞线经查表:k=0.0015 μ5根据图纸计算角度θ100〔为弧度〕竖弯和平弯N1:理论计算值〔根据设计〕1.2:N2钢绞线经查表:k=0.0015 μ5根据图纸计算角度θ100〔为弧度〕竖弯和平弯1.3:N3钢绞线经查表:k=0.0015 μ5根据图纸计算角度θ100〔为弧度〕竖弯和平弯N3:理论计算值〔根据设计〕1.4:N4钢绞线经查表:k=0.0015 μ5根据图纸计算角度θ〔为弧度〕竖弯和平弯N4:理论计算值〔根据设计〕1.5:N5钢绞线经查表:k=0.0015 μ5根据图纸计算角度θ〔为弧度〕竖弯和平弯N5:理论计算值〔根据设计〕备注:以上终点力P P〔KN〕、ΔL〔mm〕伸长量根据以下公式计算P〔1- e-(kx+μθ)〕〔1〕、P P= kx+μθP P L〔2〕、ΔL= A P E P。
预应力筋张拉力及钢束伸长量计算伸长量计算按下式计算:∆=PpL/ApEp预应力筋平均张拉力按下式计算:Pp=P(1-e-(κχ +μθ))/(κχ +μθ)式中:Pp—预应力筋平均张拉力(N);P—预应力筋张拉端的张拉力(N);x—从张拉端至计算截面的孔道长度(m);θ—从张拉端至计算截面曲线孔道部分切线的夹角之和(rad);k—孔道每米局部偏差对磨擦的影响系数k=0.0015;μ—预应力筋与孔壁的磨擦系数μ=0.15;Ep—预应力筋的弹性模量Ep=1.95×105Mpa;Ap—预应力筋的截面面积Ap=139mm2;L—预应力筋的长度(mm)。
注:当预应力筋为直线时Pp=P。
计算结果如下:中跨、边跨(负弯矩)T1 P=1860×139×5×0.75=969525(N)θ=2.86π/180=0.04991641661(rad)χ=8.3/2-0.65+0.4-2.099=1.801(m)κχ=0.0015×1.801=0.0027015μθ=0.15×0.04991641661=0.007487462492κχ+μθ=0.01018896Pp=969525 ×(1-e-0.01018896)/ 0.01018896=964602.5068(N)∆=(969525×2.099+964602.5068×1.801)×2/(139×5×1.95×105)=5.6cmT2 P=1860×139×4×0.75=775620(N)θ=2.86π/180=0.04991641661 (rad)χ=14.3/2-0.65+0.4-5.099=1.801(m)κχ=0.0015×1.801=0.0027015μθ=0.15×0.04991641661=0.007487462κχ+μθ=0.010188962Pp=775620×(1-e-0.010188962)/ 0.010188962=771682.0047(N)∆=(775620×5.099+771682.0047×1.801)×2/(139×4×1.95×105)=9.9cmT3= T2=9.9cm钢束伸长量一览表单位:cm后背沟中桥箱梁张拉伸长量统计表钢束伸长量一览表单位:cm。
后张法预应力张拉伸长 量计算与测定分析一、理论伸长量计算 1、理论公式:(1)根据《公路桥涵施工技术规范》(JTJ041—2000),钢绞线理论伸长量计算公式如下:PP P E A LP L =∆ ①()()μθμθ+-=+-kx e P P kx P 1 ②式中:P P ——预应力筋的平均张拉力(N ),直线筋取张拉端的拉力,曲线筋计算方法见②式;L ——预应力筋的长度;A P ——预应力筋的截面面积(mm 2);E P ——预应力筋的弹性模量(N/mm 2); P ——预应力筋张拉端的张拉力(N );x ——从张拉端至计算截面的孔道长度(m);θ——从张拉端至计算截面的孔道部分切线的夹角之和(rad);k ——孔道每米局部偏差对摩擦的影响系数;μ——预应力筋与孔道壁的摩擦系数。
(2)计算理论伸长值,要先确定预应力筋的工作长度和线型段落的划分。
后张法钢绞线型既有直线又有曲线,由于不同线型区间的平均应力会有很大差异,因此需要分段计算伸长值,然后累加。
于是上式中:i L L L L ∆+∆+∆=∆ 21PP ip iE A L P L i =∆ P p 值不是定值,而是克服了从张拉端至第i —1段的摩阻力后的剩余有效拉力值,所以表示成“Pp i ”更为合适;(3)计算时也可采取应力计算方法,各点应力公式如下:()()()()111--+--⨯=i i kx i i eμθσσ各点平均应力公式为:()()ii kx i pikx e iiμθσσμθ+-=+-1 各点伸长值计算公式为:pip i E x L iσ=∆ 2、根据规范中理论伸长值的公式,举例说明计算方法:某后张预应力连续箱梁,其中4*25米联内既有单端张拉,也有两端张拉。
箱梁中预应力钢束采用高强度低松弛钢绞线(Φ),极限抗拉强度f p =1860Mpa ,锚下控制应力б0==1395Mpa 。
K 取m ,µ=。
(1)单端张拉预应力筋理论伸长值计算:预应力筋分布图(1)伸长值计算如下表:(2)两端非对称张拉计算:预应力筋分布图(2)伸长值计算如下表:若预应力钢筋为两端对称张拉,则只需计算出一半预应力筋的伸长值,然后乘以2即得总的伸长量。
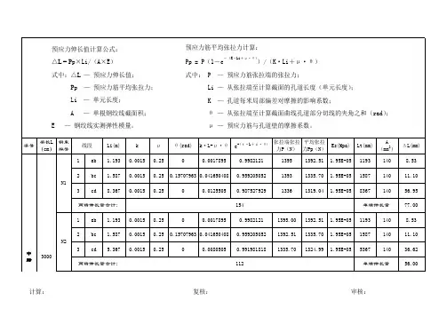
中交一公局海威公司遂平制梁场
32m预应力箱梁钢绞线理论伸长量计算书
一、根据桥梁施工技术规范(JTJ041-2000)附录G 预应力筋平均张拉力的计算公式:
平均张拉力 Pp=p(1-e-(kx+μθ))/(kx+μθ)
二、根据桥梁施工技术规范(JTJ041-2000)12.8.3-1公式:
理论伸长量ΔL=Pp*L/(Ap*Ep)
`
三、根据设计图纸通桥(2008)2322-II-006预应力筋位置图(二),对钢绞线理论伸长值采用分段计算,最后求和的方法,复核图纸设计的伸长量(按图纸设计参数计算),结果与图纸设计一致。
按照此计算方法,我们引入公式Pz=Pe-(kx+μθ),即前一线段的终点力作为下一段的起点力,依次类推,计算平均张拉力Pp.对于既有平弯又有竖弯的孔道,应分别计算;在平弯里线段是斜线或直线的,在竖弯里是圆弧的线段,应按圆弧计算。
千斤顶的工作长度现场量测,取值67cm.这一段的理论伸长量由于在啦叭口外,我们可认为力在传递过程中不变,即k,μ均取为0,张拉力取锚外控制力进行计算。
各束预应力筋分段见下表:
附:
1、预初张拉理论伸长值计算表
2、终张拉理论伸长值计算表。
预应力伸长量计算公式1. 基本公式。
- 预应力筋的理论伸长值ΔL(mm)按下式计算:- Δ L = (PpL)/(ApEp)- 式中:- Pp:预应力筋的平均张拉力(N),直线筋取张拉端的拉力;对于曲线筋,按下式计算:- Pp=frac{P(1 - e^-(kx+μθ))}{kx+μθ}- 其中,P为预应力筋张拉端的张拉力(N),x为从张拉端至计算截面的孔道长度(m),θ为从张拉端至计算截面曲线孔道部分切线的夹角之和(rad),k为孔道每米局部偏差对摩擦的影响系数,μ为预应力筋与孔道壁的摩擦系数,e为自然对数的底,e = 2.71828。
- L:预应力筋的长度(mm)。
- Ap:预应力筋的截面面积(mm^2)。
- Ep:预应力筋的弹性模量(N/mm^2)。
2. 计算步骤示例。
- 假设我们有一预应力筋,张拉端张拉力P = 100000N,从张拉端至计算截面的孔道长度x = 10m,从张拉端至计算截面曲线孔道部分切线的夹角之和θ = 0.5rad,孔道每米局部偏差对摩擦的影响系数k = 0.0015,预应力筋与孔道壁的摩擦系数μ = 0.25,预应力筋的长度L = 10000mm,预应力筋的截面面积Ap = 100mm^2,预应力筋的弹性模量Ep = 200000N/mm^2。
- 首先计算曲线筋的平均张拉力Pp:- Pp=frac{P(1 - e^-(kx+μθ))}{kx+μθ}- 代入数值:kx+μθ=0.0015×10 + 0.25×0.5=0.14- Pp=frac{100000×(1 - e^-0.14)}{0.14}- 先计算e^-0.14≈0.8694- 则Pp=(100000×(1 - 0.8694))/(0.14)=(100000×0.1306)/(0.14)≈93285.71N - 然后计算理论伸长值Δ L:- Δ L=(PpL)/(ApEp)- 代入数值:Δ L=(93285.71×10000)/(100×200000)- Δ L=(932857100)/(20000000)≈46.64mm。