014 楼板厚度检测作业指导书_修正版_修正版
- 格式:doc
- 大小:182.00 KB
- 文档页数:5
现浇混凝土楼板厚度检测操作规程WEIHUA system office room 【WEIHUA 16H-WEIHUA WEIHUA8Q8-现浇混凝土楼板厚度检测1、适用范围楼板厚度检验的构件类型,主要为各种结构类型建筑物的现浇混凝土楼板厚度。
2、依据标准《建筑结构检测技术标准》(GB/T50344-2004)《混凝土结构工程施工质量验收规范》(GB50204-2002)3、抽查部位随机抽取建筑物中有代表性的自然间,抽取时侧重于活荷载较大部位的楼面板以及跨度较大的板。
4、检测数量根据《混凝土结构工程施工质量验收规范》(GB 50204-2002)8.3.2 条,按楼层、结构缝或施工段划分检验批。
同一检验批,对墙、板,应按有代表性的自然间抽查10%,且不少于3间。
对大空间结构,板可按纵横轴线划分检查面,抽查10%,且均不少于3面。
对选定的楼面板,抽取不少于 5 个测区进行检验。
每个单位工程抽测数量不应少于 3 个楼板及 3 个梯板的构件。
5、现场测厚步骤测点布置现场测试前,应了解所检测的楼号,确定单元号,并在要测厚的楼板上布置测点位置,对每个测点依次编号(每楼号顺序编号,或每单元顺序编号)。
仪器连接、开机和设置仪器连接:用信号线连接DJLC-A主机和接收信号探头。
测楼底板时,发射探头加装加长杆2—3根。
注:信号线插头为自锁式插头,插连线时将信号线插头的红点与小探头插头的红点对齐后插入即可。
拔下时用手捏住插头根部的螺纹处直接拔出即可,切勿左右旋转或用力拉线,否则造成探头内部线路损坏,导致仪器无法使用。
开机:按仪器开/关键,仪器打开,屏幕显示,“大地公司”数秒钟后,进入等待测试状态(注意,这时发射探头还没开机)。
设置:开机后,仪器处于等待测试状态,光标位于“查看清除传输”区。
按选项键,楼号:×××位置出现闪烁光标“”,按“↑”、“↓”键增减数字,按“←”、“→”键移动光标,输入要检测的楼号后,按选项键光标“”移动到单元号:××××,用“↑”、“↓”键增减数字,“←”、“→”键移动光标,输入要测试的单元号。
板材检验作业指导书4⑴板材检验准备工作⒋⑴检验设备准备在进行板材检验之前,需要准备以下检验设备:- 精度可靠的热处理设备- 厚度测量设备- 弯曲试验设备- 拉伸试验设备- 颜色测量设备确保这些设备在使用前已经校准并处于良好的工作状态。
⒋⑵检验标准准备为了保证板材检验的准确性和一致性,需要事先准备好相关的检验标准。
这些检验标准可能包括但不限于以下内容:- 行业标准- 国家标准- 企业内部标准- 客户要求在进行板材检验时,需要参照相应的标准进行操作。
⑵板材外观检验⒋⑴表面平整度检验通过使用光源照射及目视检查的方法,检验板材表面是否平整。
检查的方法和标准应参照相关的检验标准进行。
⒋⑵表面缺陷检验使用肉眼或放大镜检查板材表面是否有缺陷,包括但不限于以下类型:- 划痕- 气泡- 污染- 斑点- 凹凸检查结果应按照检验标准进行记录和评定。
⑶板材尺寸检验⒋⑴厚度测量使用合适的测量工具,测量板材的厚度,并比较其与标准值的差异。
需要注意的是,在不同的位置进行多次测量,以获取更准确的数据。
⒋⑵长宽尺寸测量使用合适的测量工具,测量板材的长和宽,并比较其与标准值的差异。
同样地,在不同的位置进行多次测量以确保数据的准确性。
⑷板材力学性能检验⒋⑴弯曲试验通过施加一定的力量使板材发生弯曲,并测量其弯曲程度。
弯曲试验可以评估板材的柔韧性和强度。
测试方法和标准应根据具体的要求进行选择和执行。
⒋⑵拉伸试验通过施加横向力量使板材发生拉伸,并测量其拉伸程度。
拉伸试验可以评估板材的抗拉强度和延展性。
测试方法和标准应根据具体的要求进行选择和执行。
⑸板材颜色检验使用颜色测量设备测量板材的颜色,并与标准色彩进行比较。
测试结果应按照相应的标准进行记录和评定。
附件:- 板材检验记录表- 相关标准文件法律名词及注释:⒈侵权:违反他人的合法权益或使用未经授权的知识产权,如专利、商标等。
⒉合同:双方或多方签订的协议,约定双方之间的权利和义务关系。
⒊保密协议:双方签订的协议,约定保护双方涉及的商业机密和机构信息的义务。
测板厚机作业指导书一、前言板厚机是一种用于加工板材的机械设备,其主要作用是通过对板材进行加工、切割和压平,使板材达到所需的厚度和尺寸要求。
为了确保操作人员的安全和作业效率,制定本作业指导书。
二、操作人员安全1.操作人员应接受相关培训,了解板厚机的工作原理、结构和操作要求。
只有经过培训并持有相关证书的人员才能操作板厚机。
2.操作人员必须戴上防护装备,包括安全帽、防护眼镜、耳塞、手套等。
避免因操作不当而造成的伤害。
3.在操作板厚机之前,操作人员必须检查设备的安全开关、限位开关等安全装置,确保其正常工作。
4.操作人员必须严格遵守作业流程和安全规范,禁止擅自更改或调整设备参数。
5.在操作板厚机时,操作人员必须专心致志,不得分心或与他人进行无关的交流。
三、设备调试准备1.检查设备的供电线路和接地线是否正常,设备的电源插座是否符合安全要求。
确保设备接通电源时电压稳定。
2.检查设备润滑系统的润滑油量是否足够,及时添加或更换润滑油。
3.检查设备刀具和刀尺的磨损情况,如有需要及时更换。
4.检查板材的尺寸要求,确认与设备参数相匹配。
5.检查紧固件是否松动,如有需要及时进行紧固。
6.在正式操作之前,进行设备的空载试运行,确保设备运行平稳、正常。
四、操作流程1.将板材放置在设备的前进轨道上,调整好板材的位置和固定装置,确保板材的稳定性。
2.按照板材的厚度要求,调整设备的切割厚度和速度参数。
3.按下设备的启动按钮,设备开始工作。
4.在设备运行的过程中,操作人员应保持警惕,时刻注意设备的工作状态和板材的位置。
5.当板材的厚度达到要求后,操作人员应按下停止按钮,设备停止工作。
6.定期检查设备的运行状态和润滑系统,及时进行维护和保养。
五、安全事项1.操作人员禁止将手部或其他物体靠近刀具区域,以免造成伤害。
2.操作人员禁止在设备工作过程中离开操作台,以免发生意外。
3.当设备出现异常情况时,操作人员应立即按下急停按钮,切断设备的电源,并报告相关人员。
测厚作业指导书1.范围• 本规范适用于金属材料制成的管道和容器的壁厚测量,其它部件的厚度测量也可参照执行。
本规范主要规定了测厚工作的技术要点和一般程序。
2.编制依据GB/T 11344-89 接触式超声波脉冲回波法测厚3.人员要求3.1测厚人员应经体检满足高空作业之要求。
3.2测厚人员应能正确而熟练地使用仪器。
4.仪器要求• 测厚仪、探头及探头线连接后应接触良好,测厚仪所用电池应有足够的能量并接触良好。
测厚仪应带有标准试块,以随时用来校验精确度。
仪器应计量检定合格,并在有效期内。
5. 工作程序5.1测厚前的准备:• 5.1.1 用100#以上的砂纸把测点处的铁锈除去,再用破布把测点处擦干净,然后涂上耦合剂(机油或甘油)。
• 5.1.2 连接好仪器后开机,设置超声波在被测材料中的传播速度,之后把探头置标准试块上,调节仪器使显示的数值等于试块的标称厚度。
5.2 测厚5.2.1将探头紧压在测点处,仪器上即显示所测厚度值。
• 5.2.2每根管子应在两端和中间选三个测量截面,两端的截面距端部不少于150mm。
每个截面至少测量3点,3点之间的弧长应大致相等。
5.2.3对弯管的测量,测试点应选在背弧处,测试弯管最薄的部位。
• 5.2.4每测一点,都要作好记录,并画出示意图。
5.2.5在测量过程中,要不断地把探头在标准试块上对仪器的精确度进行调节。
• 5.2.6 测量完毕后,应把仪器、探头及探头线擦干净,并取出电池。
6 检验资料6. 1检验资料包括:委托单、检验记录、检验报告。
6. 2测量完毕后,应立即填写报告,报告的填写与签发遵照《金属检验与试验报告签发审核制度》和《金属检验与试验报告标识管理办法》的规定。
6. 3报告一式三份,一份交委托单位,一份交质检部门,一份留档,或按照项目部、业主以及合同的要求。
6. 4检验资料的管理遵照《金属检验与试验档案资料管理制度》的规定执行。
6. 5若发现有质量问题时,•应根据《质量问题处理制度》、《信息反馈制度》等进行处理。
扬州市江都区建筑工程质量检测中心钢筋保护层厚度及现浇混凝土板厚检测作业指导书控制编号分发号:钢筋保护层厚度及现浇混凝土板厚检测作业指导书文件控制状态:□受控□非受控文件持有者姓名:持有者接收日期:年月日前言根据扬州市江都区建筑工程质量检测中心《质量手册》和《程序文件》要求,为保证本公司检测室检验人员在不同时间检验方法、过程的一致性,实现检验结果的重现性、准确性和可信性,依据现行相关标准制定本检验实施细则。
本细则编制遵照《混凝土结构工程施工质量验收规范》 GB 50204—2015,《混凝土中钢筋检测技术规范》JGJ/T 152-2008等标准的规定和本中心的程序文件,仪器操作规程的规定编写。
本室所有检测人员在检验过程中必须严格按照本检验细则执行。
本检测实施细则由负责起草。
本检测实施细则批准人:1、检测项目1.1钢筋保护层厚度1.2现浇混凝土楼板厚度2、检测依据《混凝土结构工程施工质量验收规范》 GB 50204—2015《混凝土中钢筋检测技术规范》JGJ/T 152-20083、测点布置3.1钢筋保护层厚度(1)检测的结构部位,应由质量监督站检测科选定;(2)对非悬挑类,应各抽取构件数的2%且不少于5个构件进行检验;(3)对悬挑梁,应抽取构件构件数量5且不于10个构件检测;当悬挑梁少于10个时,应全数检测验;(4)对对悬挑板,应抽取构件构件数量10且不于20个构件检测;当悬挑板数量少于20个时,应全数检测验;(5)对选定的梁类构件,应对全部纵向受力钢筋的保护层厚度进行检验;对选定的板类构件,应抽取不少于6根纵向受力钢筋的保护层厚度进行检验。
对每根钢筋,应在有代表性的部位测量3点;(6)对悬挑梁、板构件,测受拉钢筋的保护层时应清除混凝土表面的杂物,并用磨石将表面浮浆等不平整处打平。
3.2现浇混凝土楼板厚度(1)检测的结构部位,应由质量监督站检测科选定;(2)梁、柱应抽取构件数量1%,且不少于3个构件;(3)墙、板应按有代表性的自然间抽取1%,且不少于3个构件;(4)层高应按有按有代表性的自然间抽取1%,且不少于3个构件。
试验检测作业指导书合集目录(170套)•第1部分: 主体结构作业指导书•课时1 : 001 回弹法检测混凝土抗压强度作业指导书.docx•课时2 : 002 超声回弹综合法检测混凝土强度作业指导书.doc•课时3 : 003 钻芯法检测混凝土强度作业指导书.doc•课时4 : 004 混凝土结构后锚固现场检测作业指导书.doc•课时5 : 005 混凝土构件性能检验作业指导书.doc•课时6 : 006 建筑结构应力测试作业指导书.doc•课时7 : 007 最大裂缝宽度检测作业指导书.doc•课时8 : 008 超声波检测混凝土缺陷作业指导书.doc•课时9 : 009 建筑可靠性鉴定检测作业指导书.doc•课时10 : 010 桥梁单片梁静载荷试验作业指导书.doc•课时11 : 011 钢筋锈蚀性状检测作业指导书.doc•课时12 : 012 钢筋直径、间距和数量检测作业指导书.doc•课时13 : 013 饰面砖粘结强度检测作业指导书.doc•课时14 : 014 楼板厚度检测作业指导书.doc•课时15 : 015 碳纤维片材与砼的正拉粘结强度检测作业指导书.doc•课时16 : 016 建筑及构件变形测量作业指导书.doc•课时17 : 主体结构作业指导书文件登记表.doc•第2部分: 土工作业指导书•课时18 : 001含水率试验实施细则.doc•课时19 : 002环刀法测土样密度试验实施细则.doc•课时20 : 003蜡封法测土样密度试验实施细则.doc•课时21 : 004灌水法测土样密度试验实施细则.doc•课时22 : 005灌砂法测土样密度试验实施细则.doc•课时23 : 006标准固结试验实施细则.doc•课时24 : 007三轴压缩UU试验.doc•课时25 : 008直接剪切慢剪试验.doc•课时26 : 009直接剪切固结快剪试验.doc•课时27 : 010直接剪切快剪试验.doc•课时28 : 011有荷载膨胀率试验实施细则.doc•课时29 : 012快速固结试验实施细则.doc•课时30 : 013自由膨胀率试验实施细则.doc•课时31 : 014击实试验实施细则.doc•课时32 : 015滚搓法塑限试验实施细则.doc•课时33 : 016岩块单轴抗压强度实施细则.doc•课时34 : 017有机质试验实施细则.doc•课时35 : 018岩石物理试验实施细则.doc•课时36 : 019土样中易溶盐试验实施细则.doc•课时37 : 020水质分析试验实施细则.doc•课时38 : 021圆锥仪法液限试验实施细则.doc•课时39 : 022路基路面回弹弯沉测试实施细则.doc•课时40 : 023岩块点荷载试验实施细则.doc•课时41 : 土工指导书文件登记表.doc•第3部分: 室内环境作业指导书•课时42 : 001室内环境作业指导书D0.doc•课时43 : 室内环境作业指导书文件登记表.doc•第4部分: 设备安装作业指导书•课时44 : 001接地电阻测试作业指导书.doc•课时45 : 002绝缘电阻测试作业指导书.doc•课时46 : 003水压试验作业指导书.doc•课时47 : 004通风与空调检测作业指导书.doc•课时48 : 设备安装作业指导书文件登记表.doc•第5部分: 建筑节能作业指导书•课时49 : 001建筑门窗三性检测作业指导书.doc•课时50 : 002建筑门窗保温性能检测作业指导书.doc•课时51 : 003建筑门窗现场气密性检测作业指导书.doc•课时52 : 004建筑玻璃可见光透射比遮阳系数检测作业指导书.doc •课时53 : 005中空玻璃露点检测作业指导书.doc•课时54 : 006导热系数检测作业指导书.doc•课时55 : 007不燃性检测作业指导书.doc•课时56 : 008可燃性检测作业指导书.doc•课时57 : 009氧指数检测作业指导书.doc•课时58 : 010燃烧热值检测作业指导书.doc•课时59 : 011单体燃烧试验作业指导书.doc•课时60 : 012建筑保温砂浆检验作业指导书.doc•课时61 : 013耐碱网格布检验作业指导书.doc•课时62 : 014锚栓抗拉检验作业指导书.doc•课时63 : 建筑节能作业指导书文件登记表.doc•第6部分: 见证取样作业指导书•课时64 : 001 水泥物理性能检验作业指导书.doc•课时65 : 002 水泥胶砂强度检验作业指导书.doc•课时66 : 003 建设用砂检验作业指导书.doc•课时67 : 004 建设用卵石碎石检验作业指导书.doc•课时68 : 005 普通混凝土力学性能检验作业指导书.doc•课时69 : 006 砂浆力学性能检验作业指导书.doc•课时70 : 007普通混凝土配合比设计作业指导书.doc•课时71 : 008砂浆配合比设计作业指导书.doc•课时72 : 009钢材力学及工艺性能检验作业指导书.doc•课时73 : 010钢筋焊接和机械连接接头检验作业指导书.doc •课时74 : 011墙体材料检验作业指导书.doc•课时75 : 012建筑防水卷材检验作业指导书.doc•课时76 : 013建筑防水涂料检验作业指导书.doc•课时77 : 见证取样作业指导书文件登记表.docx•第7部分: 钢构作业指导书•课时78 : 001建筑钢结构焊缝超声波探伤实施细则D0.doc •课时79 : 002铁路桥梁钢结构焊缝超声波探伤实施细则D0.doc •课时80 : 003公路桥梁钢结构焊缝超声波探伤实施细则D0.doc •课时81 : 004钢结构焊缝射线照相检验实施细则D0.doc•课时82 : 005钢结构焊缝磁粉探伤实施细则D0.doc•课时83 : 006钢结构焊缝着色渗透探伤实施细则D0.doc•课时84 : 007钢材力学性能试验实施细则D0.doc•课时85 : 008扭矩系数检验实施细则D1.doc•课时86 : 008扭矩系数检验实施细则D1.doc•课时87 : 009抗滑移系数检验实施细则D0.doc•课时88 : 010钢结构节点承载力检测实施细则D0.doc•课时89 : 011防腐涂层测厚实施细则D0.doc•课时90 : 012防火涂层测厚实施细则D0.doc•课时91 : 013超声波脉冲回波法测厚实施细则D0.doc•课时92 : 014手工洗片操作细则D0.doc•课时93 : 015射线安全防护和应急处理规定D0.doc•课时94 : 016钢结构电位检测实施细则D0.doc•课时95 : 017钢材化学分析方法作业指导书D0.doc•课时96 : 018金属硬度试验实施细则D0.doc•课时97 : 019宏观酸蚀试验实施细则D0.doc•课时98 : 020螺栓螺钉实物的楔负载检验实施细则D0.doc •课时99 : 021紧固件机械性能保证载荷检验实施细则D0.doc •课时100 : 022表面粗糙度检测(轮廓法)实施细则D0.doc •课时101 : 023涂层附着力检测(划格法)实施细则D0.doc •课时102 : 024整体垂直度检测实施细则D0.doc•课时103 : 025整体平面弯曲检测实施细则D0.doc•课时104 : 026钢网架挠度检测实施细则D0.doc•课时105 : 027焊接工艺评定检验实施细则D0.doc•课时106 : 028金属里氏硬度试验实施细则D0.doc•课时107 : 029无损检测工艺卡编写指南DO.doc•课时108 : 030不挥发物含量D0.doc•课时109 : 031不挥发物中金属锌含量D0.doc•课时110 : 032附着力(拉开法)D0.doc•课时111 : 034耐冲击性D0.doc•课时112 : 035干燥时间D0.doc•课时113 : 036在容器中状态D0.doc•课时114 : 037耐弯曲性D0.doc•课时115 : 038粘接强度D0.doc•课时116 : 钢构作业指导书文件登记表.doc•课时117 : 文件登记表钢构指导书.doc•第8部分: 地基作业指导书•课时118 : 001基桩和地基检测作业实施细则.doc•课时119 : 002单桩竖向抗压静载荷试验实施细则.doc•课时120 : 003地基平板载荷试验实施细则.doc•课时121 : 004基桩高应变动力试桩法测试实施细则.doc•课时122 : 005基桩低应变反射波法测试分析实施细则.doc•课时123 : 006岩基载荷试验实施细则.doc•课时124 : 007基桩声波透射法检测实施细则.doc•课时125 : 008波速测试实施细则.doc•课时126 : 009单桩竖向抗拔静载荷试验实施细则.doc•课时127 : 010土层锚杆抗拔试验实施细则.doc•课时128 : 011岩层锚杆抗拔试验实施细则.doc•课时129 : 012静力触探试验实施细则.doc•课时130 : 013圆锥动力触探试验实施细则.doc•课时131 : 014预应力砼管桩桩身质量及尺寸偏差检测实施细则.doc •课时132 : 015钻芯法检测实施细则.doc•课时133 : 016单桩水平静载荷试验实施细则.doc•课时134 : 017钻孔灌注桩成孔质量(超声波法)试验实施细则.doc •课时135 : 018钻孔灌注桩成孔质量(电阻率法)试验实施细则.doc •课时136 : 019地下连续墙成槽质量(超声波法)试验实施细则.doc •课时137 : 020预应力砼管桩垂直度偏差检测实施细则.doc•课时138 : 021空心桩孔内摄像检测实施细则.doc•课时139 : 022地质雷达作业指导书.doc•课时140 : 022地质雷达作业指导书C0.doc•课时141 : 023面波法作业指导书.doc•课时142 : 地基指导书文件登记表.doc•课时143 : 文件登记表地基指导书.doc•第9部分: 测量作业指导书•课时144 : 001 建筑物沉降观测实施细则.doc•课时145 : 002 水平位移监测实施细则.doc•课时146 : 003 竖向位移监测实施细则.doc•课时147 : 004 深层水平位移监测实施细则.doc•课时148 : 005 倾斜监测实施细则.doc•课时149 : 006 土体分层竖向位移监测实施细则.doc•课时150 : 007 裂缝监测实施细则.doc•课时151 : 008 支护结构内力监测实施细则.doc•课时152 : 009 土压力监测实施细则.doc•课时153 : 010 孔隙水压力监测实施细则.doc•课时154 : 011 地下水位监测实施细则.doc•课时155 : 012 锚杆及土钉内力监测实施细则.doc•课时156 : 测量室作业指导书文件登记表.doc•第10部分: 安全器具及设备检测作业指导书•课时157 : 001钢管脚手架扣件力学性能试验实施细则D0.doc•课时158 : 002安全网试验实施细则D0.doc•课时159 : 003安全带试验实施细则D0.doc•课时160 : 004安全帽试验实施细则D0.doc•课时161 : 005阻燃性能实施细则D0.doc•课时162 : 006碗扣式钢管脚手架扣件力学性能试验实施细则D0.doc •课时163 : 007轮扣式钢管脚手架扣件力学性能试验实施细则D0.doc •课时164 : 文件登记表安全器具.doc•课时165 : 安全器具及设备检测作业指导书清单C0.doc•课时166 : 安全器具作业指导书文件登记表.doc•第11部分: 体系作业指导书•课时167 : 体系作业指导书文件登记表.doc•课时168 : 文件编写指南.doc•第12部分: 水运结构作业指导书•课时169 : 水运结构作业指导书汇编.doc•课时170 : 水运作业指导书文件登记表.doc。
超声法检测楼板厚度检测作业指导书
一、检测依据
1. GB50204-2002《混凝土结构工程施工质量验收规范》
二、检测方法提要
超声波对测法是一种简单、方便而又准确的检测方法。
该方法利用一个发射探头和一个接收探头来进行工作,发射探头置于楼板底面,接收探头置于楼板顶面,让接收探头来回在楼板顶面移动,直到显示屏上显示的数值为最小时停止。
该数值即为所检测到的该点楼板厚度。
该方法的误差在士1mm。
三、检测仪器
KON-LBY非金属厚度测试仪
四、检测环境要求
室内检测,常温。
五、检测步骤
1. 按规范、质监或委托要求确定检测比例,选择有代表性、大跨度的楼板检测。
2. 对选定的楼板每块楼板布置五个测点,楼板中央一个测区,另外四个测区分别置于楼板的四个角上,程对角线分部。
其中4个点的位置距离墙50cm*50cm,另有1个点的位置应该为被测楼板的中心。
3. 依据仪器操作说明对被检楼板进行检测。
发射探头固定在非金属板上下面,发射探头不动,移动接收探头时,在有接收信号的区域内沿任意方向移动接收探头,收到信号值最大、厚度最小点,再沿该店垂直方向且经过该点移动接收探头,找到信号值最大的店,该点厚度值即该板的真实厚度值。
六、检测数据的计算及判定
4. 依据GB50204-2002中3.0.6,采用计数检验时,除有专门要求外,一般项目的合格点率应达到80%及以上,且不能有严重缺陷。
依据GB50204-2002表8.3.2-1现浇结构尺寸允许偏差,截面尺寸允许范围为设计值的(-5~+8mm)。
编制:王晖。
楼板厚度检测实施细则
XXX
作业指导书
文件编号:XXXXXX
第1页共3页
第1版第次修订
实施日期:2017年01月05日
楼板厚度检测实施细则
1.目的
本检测实施细则的目的在于统一现浇混凝土楼板厚度检测的方法,以保证检测精度。
2.适用范围
本细则适用于现浇混凝土楼板厚度检测。
3.编制依据
本细则根据《混凝土结构工程施工质量验收规范》GB-2015编制。
4.仪器设备
4.1 楼板厚度检测仪
注意事项:
避免进水;
避免高温(>50℃);
避免靠近非常强的磁场,如大型电磁铁、大型变压器等;
对讲机与发射探头使用时距离在1m以外;
发射探头电池充满电(充电器红灯变成绿灯)后方可使用。
4.2 仪器检定与校准
非金属板厚度测试仪在使用前,应在试件上进行校准,校准结果应满足仪器精度±2mm要求。
非金属板厚度测试仪检定有效期限为一年。
XXX
作业指导书
文件编号:XXXXXX
第2页共3页
第1版第次修订
实施日期:2017年01月05日
楼板厚度检测实施细则
5.检测程序
5.1 检测前准备
收集资料:填写工程现场检测委托单,确定检测数量及部位,检测数量及部位应需由建设单位、监理单位、施工单位等共同确定。
表面处理:构件表面应平整、干净,不能有污物,现场不能有强磁干扰物品。
5.2 现场厚度测试
长按“on”键,可运行或关闭仪器,按上下左右键选择相应功能,按“OK”选择厚度测试界面;
输入构件编号,上下箭头切换各功能,左右箭头修改参数;按“OK”进入测试界面。
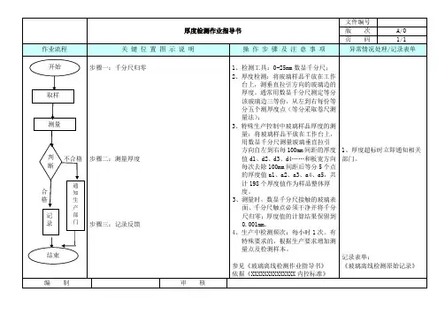
楼板厚度检测作业指导书文件编号:版本号:分发号:编制:批准:生效日期:楼板厚度检测作业指导书1 .目的使测试人员在进行楼板厚度检测时有章可循,并使其操作合乎规范。
2.适用范围适用于楼板厚度检验。
3.检测依据3.1《建筑结构检测技术标准》( GB/T 50344-2004) ;3.2《混凝土结构工程施工质量验收规范》( GB 50204-2015) ;4.主要仪器设备4.1楼板厚度测试仪;4.2电锤、钢直尺、钢卷尺等辅助工具。
5.测试原理采用DJLC-A型楼板测厚仪对楼板厚度进行检测,该仪器在50-260mm£围内的测量误差在± 1mm范围内。
当探头接收到发射探头的电磁信号后,信号处理单元根据电磁波的运动学特征进行分析,自动计算出发射-接收探头的距离,该距离即为测试板的厚度。
6.取样方法根据《混凝土结构工程施工质量验收规范》(GB50204-2015)附录F.0.1的规定,对所检项目应按有代表性的自然间抽查1%,且不少于 3 间。
附录F.0.2 中规定对选定的构件,检验项目及检验方法应符合表 F.0.2 的规定,允许偏差及检验方法应符合本规范表8.3.2 和表9.3.10 的规定,精确至1mm。
附录F.0.3 中规定墙厚、板厚、层高的检验可采用非破损或局部破损的方法,也可采用非破损方法并用局部破损方法进行校准。
当采用非破损方法检验时,所使用的检测仪器应经过计量检验,检测操作应符合国家现行相关标准的规定。
表F.0.2 结构实体位置与尺寸偏差检验项目及检验方法项目检验方法柱截面尺寸选取柱的一边量测柱中部、下部及其他部位,选取3点平均值柱垂直度沿两个方向分别量测,取较大值墙厚墙身中部量测3点,取平均值;测点间距不应小于1m梁高量测一侧边跨中及两个距离支座0.1m处,取3点平均值;量测值可取腹板高度加上此处楼板的实测高度板厚悬挑板取距离支座0.1m处,沿宽度方向取包括中心位置在内的随机3点取平均值;其他楼板,在同一对角线上量测中间及距离两端各0.1m处,取3点平均值层局与板厚测点相同,量测板顶至上层楼板底净高,层高量测值为净高与板厚之和,取3点平均值OO普通楼板厚度测点布置图悬挑楼板厚度测点布置图7.操作步骤①将仪器接收探头与主机用连接线连接好,按下仪器面板上的开关键;②打开发射探头电源开关,将发射探头固定在楼板下面不动;③打开对讲机,告诉接收探头操作者发射探头位置,将接收探头放在楼板上部对应位置;图3.2-1 仪器操作示意④发射探头不动,移动接收探头,在听到报警声后按图 3.2-2所示的方向扫描,在有接 受信号的区域内沿任意方向(AB 向)移动接受探头,找到信号值最大、厚度值最小点 0 , 再沿垂直AB 向经过0的方向(CD 向)移动接受探头,找到信号值最大、厚度值最小点O 点, 该点与收发探头中心点垂直,这时仪器显示的厚度值即为板的实际厚度值。
板材检验作业指导书一、引言板材是建筑和家具行业中常用的建材之一。
为了保证板材的质量和安全性能,对于每批板材的检验工作十分重要。
本文档将为您提供板材检验的作业指导书,包括检验流程、检验项目和检验记录等方面的内容,以帮助您顺利完成板材检验工作。
二、检验流程1. 准备工作:a. 准备好板材检验所需的设备和仪器;b. 根据需要,划分出检验样品,并标明样品编号;c. 查阅相关标准和规范,了解板材的检验要求。
2. 外观检验:a. 检查板材表面是否有明显的破损、划痕或瑕疵;b. 检查板材边缘是否平整、光滑,并无明显的毛刺或开裂;c. 检查板材的表面是否有明显的凹凸或起皮现象。
3. 尺寸检验:a. 使用测量工具,测量板材的长度、宽度和厚度,并记录下来;b. 检查测量值是否满足相关标准和规范的要求。
4. 物理性能检验:a. 对板材进行弯曲试验,检测板材的弯曲性能;b. 对板材进行硬度测试,了解板材的硬度水平;c. 对板材进行冲击试验,了解板材的抗冲击性能;d. 对板材进行拉伸试验,检验板材的强度和韧性。
5. 粘贴性能检验:a. 检查板材与粘合剂的粘接强度;b. 制作粘接试样,进行剪切或拉伸实验,检测粘接性能。
6. 检验记录:a. 记录每个样品的检验结果,包括外观、尺寸和物理性能等方面的信息;b. 检验记录应包括样品编号、检验员、检验日期等必要信息;c. 将检验记录进行整理和归档,以备查阅和追溯。
三、检验项目1. 外观检验:a. 表面破损或缺陷;b. 边缘平整度;c. 表面凹凸和起皮。
2. 尺寸检验:a. 长度;b. 宽度;c. 厚度。
3. 物理性能检验:a. 弯曲性能;b. 硬度;c. 抗冲击性能;d. 强度和韧性。
4. 粘贴性能检验:a. 粘接强度;b. 剪切或拉伸实验。
四、检验记录示例样品编号:PC001检验员:张三检验日期:2022年5月10日外观检验结果:- 表面破损或缺陷:无;- 边缘平整度:优秀;- 表面凹凸和起皮:无。
xxxxxx公司
楼板厚度检测作业指导书文件编号:
版本号:
分发号:
编制:
批准:
生效日期:
楼板厚度检测作业指导书
1.目的
使测试人员在进行楼板厚度检测时有章可循,并使其操作合乎规范。
2.适用范围
适用于楼板厚度检验。
3.检测依据
3.1《建筑结构检测技术标准》(GB/T 50344-2004);
3.2《混凝土结构工程施工质量验收规范》(GB 50204-2015);
4.主要仪器设备
4.1楼板厚度测试仪;
4.2 电锤、钢直尺、钢卷尺等辅助工具。
5.测试原理
采用DJLC-A型楼板测厚仪对楼板厚度进行检测,该仪器在50-260mm范围内的测量误差在±1mm范围内。
当探头接收到发射探头的电磁信号后,信号处理单元根据电磁波的运动学特征进行分析,自动计算出发射-接收探头的距离,该距离即为测试板的厚度。
6.取样方法
根据《混凝土结构工程施工质量验收规范》(GB 50204-2015)附录F.0.1的规定,对所检项目应按有代表性的自然间抽查1%,且不少于3间。
附录F.0.2中规定对选定的构件,检验项目及检验方法应符合表F.0.2的规定,允许偏差及检验方法应符合本规范表8.3.2和表9.3.10的规定,精确至1mm。
附录F.0.3中规定墙厚、板厚、层高的检验可采用非破损或局部破损的方法,也可采用非破损方法并用局部破损方法进行校准。
当采用非破损方法检验时,所使用的检测仪器应经过计量检验,检测操作应符合国家现行相关标准的规定。
表F.0.2 结构实体位置与尺寸偏差检验项目及检验方法
柱截面尺寸选取柱的一边量测柱中部、下部及其他部位,选取3点平均值
柱垂直度沿两个方向分别量测,取较大值
墙厚墙身中部量测3点,取平均值;测点间距不应小于1m
梁高量测一侧边跨中及两个距离支座0.1m处,取3点平均值;量测值可取腹板高度加上此处楼板的实测高度
板厚悬挑板取距离支座0.1m处,沿宽度方向取包括中心位置在内的随机3点取平均值;其他楼板,在同一对角线上量测中间及距离两端各0.1m处,
取3点平均值
层高与板厚测点相同,量测板顶至上层楼板底净高,层高量测值为净高与板厚之和,取3点平均值
7.操作步骤
①将仪器接收探头与主机用连接线连接好,按下仪器面板上的开关键;
②打开发射探头电源开关,将发射探头固定在楼板下面不动;
③打开对讲机,告诉接收探头操作者发射探头位置,将接收探头放在楼板上部对应位置;
图3.2-1 仪器操作示意
④发射探头不动,移动接收探头,在听到报警声后按图3.2-2所示的方向扫描,在有接
受信号的区域内沿任意方向(AB向)移动接受探头,找到信号值最大、厚度值最小点O’,
再沿垂直AB向经过O’的方向(CD向)移动接受探头,找到信号值最大、厚度值最小点O点,该点与收发探头中心点垂直,这时仪器显示的厚度值即为板的实际厚度值。
图3.2-2 扫描方式
8.结果判定
《混凝土结构工程施工质量验收规范》(GB 50204-2015)第8.3.2条中规定截面尺寸(楼板厚度)允许偏差为:+10mm,-5mm。
《混凝土结构工程施工质量验收规范》(GB 50204-2015)附录F.0.4中规定:结构实体位置与尺寸偏差项目应分别进行验收,并应符合下列规定:
1 当检验项目的合格率为80%及以上时,可判为合格;
2 当检验项目的合格率小于80%但不小于70%时,可再抽取相同数量的构件进行检验;当按两次抽样总和计算的合格率为80%及以上时,仍可判为合格。
JF-QRJG-020第页、共页
楼板厚度检测记录表
委托编号:检验编号:
工程名称委托日期
委托单位检测日期
施工单位设备型号
检验依据GB 50204-2015 设备编号
构件名称测试点位设计厚度(mm) 实测厚度值(mm) 测点布置示意图。