6.3.55、混凝土楼板厚度检测记录
- 格式:xls
- 大小:31.50 KB
- 文档页数:8
工程名称余政储出【 2012】21 号地块开发项目二期17#栋、20#-23# 栋、S11#栋、S13#栋、 S17#栋及集中式地下室工程(23#栋)施工单位浙江常升建设有限公司监理单位浙江工程建设监理公司结构□ 砌体承重结构地上18层混凝土□ 自拌形象屋面结顶类型混凝土结构层数地下1层类型泵送进度检测构件及部位设计值实测测点值 (mm)平均值(mm)楼层轴线部位(mm)12345 14-17/B-M120117117114115118121二层27-29/F-L100105105105102110105 1-4/M-R12011911812211611712211-14/B-M120117115118118120114三层1-3/G-M100104102105109103105 50-52/G-M10010510310510710610327-29/F-L100105105105102110105四层24-26/F-L100105103110105104105 1-3/G-M10010610510810311210324-26/F-L100106106110105107105五层7-11/B-K100105105105110102105 30-32/B-K10010410310510210210849-52/M-R120119120118117115125六层24-26/F-L100106105107106110105 7-11/B-K10010510310511010210511-14/B-M120118116123120116115七层50-52/G-M100104103102109106103 1-3/G-M1001041091051011031051-3/G-M100106105108103112103八层24-26/F-L100107106110105107105 49-52/M-R120118120112116115125九层1-3/G-M100105109105101103105 11-14/B-M120117118118115120114十层30-32/B-K100104103105102102108 49-52/M-R120121120116129115125检测意见:□所检测构件尺寸检测结果符合要求。
现浇楼板板厚、裂缝检测记录工程名称六枝特区郎岱镇阳光花园3号楼建设单位六枝特区和盛房地产开发有限公司监理单位贵州三恒工程管理有限公司施工单位贵州景顺建筑工程有限责任公司板厚检测序号检测部位(负一层)设计厚度(mm) 实测厚度(mm) 误差检测结果1 1~3轴交A~D轴楼板120 98 -22 3~4轴交B~C轴楼板120 100 03 6~7轴交C~D轴楼板120 100 04 4~7轴交A~C轴楼板120 101 +15 1~6轴交C~D轴楼板120 103 +36 4~7轴交B~D轴楼板120 102 +27 6~7轴交A~C轴楼板120 100 08 4~6轴交A~C轴楼板120 102 +2裂缝检测序号检测单位及构件名称裂缝位置裂缝长度(mm)裂缝宽度(mm)检测结果/ / / / / / / / / / / / / / /建设单位参加检测人员签字:年月日监理单位参加检测人员签字:年月日施工单位参加检测人员签字:年月日现浇楼板板厚、裂缝检测记录工程名称六枝特区郎岱镇阳光花园3号楼建设单位六枝特区和盛房地产开发有限公司监理单位贵州三恒工程管理有限公司施工单位贵州景顺建筑工程有限责任公司板厚检测序号检测部位(一层)设计厚度(mm) 实测厚度(mm) 误差检测结果1 1~3轴交A~D轴楼板120 103 +32 3~4轴交B~C轴楼板120 98 -23 6~7轴交C~D轴楼板120 102 +24 4~7轴交A~C轴楼板120 104 +45 1~6轴交C~D轴楼板120 102 +26 4~7轴交B~D轴楼板120 101 +17 6~7轴交A~C轴楼板120 99 -18 4~6轴交A~C轴楼板120 100 0裂缝检测序号检测单位及构件名称裂缝位置裂缝长度(mm)裂缝宽度(mm)检测结果/ / / / / / / / / / / / / / /建设单位参加检测人员签字:年月日监理单位参加检测人员签字:年月日施工单位参加检测人员签字:年月日工程名称六枝特区郎岱镇阳光花园3号楼建设单位六枝特区和盛房地产开发有限公司监理单位贵州三恒工程管理有限公司施工单位贵州景顺建筑工程有限责任公司板厚检测序号检测部位(二层)设计厚度(mm) 实测厚度(mm) 误差检测结果1 1~3轴交A~D轴楼板120 100 02 3~4轴交B~C轴楼板120 98 -23 6~7轴交C~D轴楼板120 103 +34 4~7轴交A~C轴楼板120 100 05 1~6轴交C~D轴楼板120 99 -16 4~7轴交B~D轴楼板120 102 +27 6~7轴交A~C轴楼板120 98 -28 4~6轴交A~C轴楼板120 102 +2裂缝检测序号检测单位及构件名称裂缝位置裂缝长度(mm)裂缝宽度(mm)检测结果/ / / / / / / / / / / / / / /建设单位参加检测人员签字:年月日监理单位参加检测人员签字:年月日施工单位参加检测人员签字:年月日工程名称六枝特区郎岱镇阳光花园3号楼建设单位六枝特区和盛房地产开发有限公司监理单位贵州三恒工程管理有限公司施工单位贵州景顺建筑工程有限责任公司板厚检测序号检测部位(三层)设计厚度(mm) 实测厚度(mm) 误差检测结果1 1~3轴交A~D轴楼板120 102 +22 3~4轴交B~C轴楼板120 100 03 6~7轴交C~D轴楼板120 97 -34 4~7轴交A~C轴楼板120 102 +25 1~6轴交C~D轴楼板120 100 06 4~7轴交B~D轴楼板120 103 +37 6~7轴交A~C轴楼板120 98 -28 4~6轴交A~C轴楼板120 104 4裂缝检测序号检测单位及构件名称裂缝位置裂缝长度(mm)裂缝宽度(mm)检测结果/ / / / / / / / / / / / / / /建设单位参加检测人员签字:年月日监理单位参加检测人员签字:年月日施工单位参加检测人员签字:年月日工程名称六枝特区郎岱镇阳光花园3号楼建设单位六枝特区和盛房地产开发有限公司监理单位贵州三恒工程管理有限公司施工单位贵州景顺建筑工程有限责任公司板厚检测序号检测部位(四层)设计厚度(mm) 实测厚度(mm) 误差检测结果1 1~3轴交A~D轴楼板120 102 +22 3~4轴交B~C轴楼板120 100 03 6~7轴交C~D轴楼板120 97 -34 4~7轴交A~C轴楼板120 102 +25 1~6轴交C~D轴楼板120 100 06 4~7轴交B~D轴楼板120 103 +37 6~7轴交A~C轴楼板120 98 -28 4~6轴交A~C轴楼板120 104 4裂缝检测序号检测单位及构件名称裂缝位置裂缝长度(mm)裂缝宽度(mm)检测结果/ / / / / / / / / / / / / / /建设单位参加检测人员签字:年月日监理单位参加检测人员签字:年月日施工单位参加检测人员签字:年月日工程名称六枝特区郎岱镇阳光花园3号楼建设单位六枝特区和盛房地产开发有限公司监理单位贵州三恒工程管理有限公司施工单位贵州景顺建筑工程有限责任公司板厚检测序号检测部位(五层)设计厚度(mm) 实测厚度(mm) 误差检测结果1 1~3轴交A~D轴楼板120 102 +22 3~4轴交B~C轴楼板120 100 03 6~7轴交C~D轴楼板120 97 -34 4~7轴交A~C轴楼板120 102 +25 1~6轴交C~D轴楼板120 100 06 4~7轴交B~D轴楼板120 103 +37 6~7轴交A~C轴楼板120 98 -28 4~6轴交A~C轴楼板120 104 4裂缝检测序号检测单位及构件名称裂缝位置裂缝长度(mm)裂缝宽度(mm)检测结果/ / / / / / / / / / / / / / /建设单位参加检测人员签字:年月日监理单位参加检测人员签字:年月日施工单位参加检测人员签字:年月日工程名称六枝特区郎岱镇阳光花园3号楼建设单位六枝特区和盛房地产开发有限公司监理单位贵州三恒工程管理有限公司施工单位贵州景顺建筑工程有限责任公司板厚检测序号检测部位(六层)设计厚度(mm) 实测厚度(mm) 误差检测结果1 1~3轴交A~D轴楼板120 102 +22 3~4轴交B~C轴楼板120 100 03 6~7轴交C~D轴楼板120 97 -34 4~7轴交A~C轴楼板120 102 +25 1~6轴交C~D轴楼板120 100 06 4~7轴交B~D轴楼板120 103 +37 6~7轴交A~C轴楼板120 98 -28 4~6轴交A~C轴楼板120 104 4裂缝检测序号检测单位及构件名称裂缝位置裂缝长度(mm)裂缝宽度(mm)检测结果/ / / / / / / / / / / / / / /建设单位参加检测人员签字:年月日监理单位参加检测人员签字:年月日施工单位参加检测人员签字:年月日。
第1篇一、实验目的本次实验旨在通过检测混凝土楼板的厚度、强度和耐久性等指标,评估混凝土楼板的质量,为工程设计和施工提供科学依据。
二、实验背景混凝土楼板是现代建筑中常见的结构构件,其质量直接影响建筑物的安全性和使用寿命。
因此,对混凝土楼板进行检测至关重要。
本次实验选取了一栋住宅楼楼板作为检测对象,对其厚度、强度和耐久性进行检测。
三、实验方法与步骤1. 实验材料(1)检测工具:水准仪、回弹仪、钻芯取样器、切割机、量角器等;(2)检测材料:混凝土楼板样品、钻芯取样器钻头、切割机刀具等;(3)实验环境:室内,温度、湿度适宜。
2. 实验步骤(1)楼板厚度检测:使用水准仪分别测量楼板的底标高和顶标高,计算出楼板厚度。
(2)楼板强度检测:采用回弹法检测楼板混凝土强度,选取有代表性的测点,按照《混凝土结构工程施工质量验收规范》(GB 50204-2002)进行检测。
(3)楼板耐久性检测:采用钻芯取样法检测楼板混凝土的碳化深度、氯离子含量和抗冻性能等指标。
(4)数据整理与分析:将检测数据进行整理,运用统计学方法进行分析,评估混凝土楼板的质量。
四、实验结果与分析1. 楼板厚度检测本次实验共检测了10个楼板样品,平均厚度为120mm,符合设计要求。
2. 楼板强度检测回弹法检测结果显示,楼板混凝土强度等级为C30,满足设计要求。
3. 楼板耐久性检测(1)碳化深度:平均碳化深度为3.5mm,小于规范规定的5mm,表明楼板混凝土的耐久性较好。
(2)氯离子含量:平均氯离子含量为0.06%,小于规范规定的0.1%,表明楼板混凝土的抗氯离子侵蚀能力较强。
(3)抗冻性能:经过15次冻融循环,楼板混凝土未出现裂缝、剥落等损伤,表明其抗冻性能良好。
五、结论通过对混凝土楼板的厚度、强度和耐久性进行检测,得出以下结论:1. 楼板厚度符合设计要求;2. 楼板混凝土强度等级满足设计要求;3. 楼板混凝土的耐久性较好,抗氯离子侵蚀能力和抗冻性能良好。
现浇混凝土平板厚度检查记录
施工单位项目负责人:记录人:监理工程师:年月日
现浇混凝土平板厚度检查记录
施工单位项目负责人:记录人:监理工程师:年月日
现浇混凝土平板厚度检查记录
施工单位项目负责人:记录人:监理工程师:年月日
现浇混凝土平板厚度检查记录
施工单位项目负责人:记录人:监理工程师:年月日
现浇混凝土平板厚度检查记录
施工单位项目负责人:记录人:监理工程师:年月日
现浇混凝土平板厚度检查记录
施工单位项目负责人:记录人:监理工程师:年月日
现浇混凝土平板厚度检查记录
施工单位项目负责人:记录人:监理工程师:年月日
现浇混凝土平板厚度检查记录
施工单位项目负责人:记录人:监理工程师:年月日
现浇混凝土平板厚度检查记录
施工单位项目负责人:记录人:监理工程师:年月日
现浇混凝土平板厚度检查记录
施工单位项目负责人:记录人:监理工程师:年月日
现浇混凝土平板厚度检查记录
施工单位项目负责人:记录人:监理工程师:年月日
现浇混凝土平板厚度检查记录
施工单位项目负责人:记录人:监理工程师:年月日
现浇混凝土平板厚度检查记录
施工单位项目负责人:记录人:监理工程师:年月日。
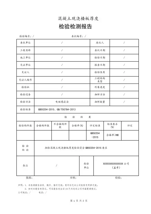
检验检测报告检验编号;/ 委托编号:/批准:审核:检验:声明:1、本检测报告涂改、换页、插页无效;复印后无本公司检验专用章无效;2、如对本报告有异议,可在报告发出后15天内向本公司书面提请复议;公司地址:/ 电话:/检验检测报告检验编号:/ 委托编号:/检验结果序号构件名称构件轴线设计要求(mm)实测值(mm)实测平均值(mm)偏差(mm)H1 H2 H31 三层楼板19-22/B-D 140 134 141 138 138 -2以下空白备注:1、检测时,对于每个待测楼板,选择有代表性的区域(见左侧附图)进行检测。
2、悬挑板:1#~3#点沿宽度方向距离支座100mm,2#点为中心位置;非悬挑板:1#、3#点为同一对角线上距离两端各100mm处,2#点为同一对角线中间点。
3、非悬挑板左图水平方向与图纸数字轴线方向相同。
4、加下划线的偏差值为超过允许偏差的数值。
5、规范允许偏差(mm):+10;-5检验单位XXXXXXXXXXXXXXX公司(盖章)楼板厚度检验原始记录(首页)检验编号:委托编号:审核:检验:楼板厚度检验原始记录(续页)检验编号:委托编号:审核:检验:工程名称检验日期年月日序号构件名称构件轴线设计要求(mm)H1(mm)H2(mm)H3(mm)实测平均值(mm)偏差(mm)实测值实测值实测值备注:1、检测时,对于每个待测楼板,选择有代表性的区域(见左侧附图)进行检测。
2、悬挑板:1#~3#点沿宽度方向距离支座100mm,2#点为中心位置;非悬挑板:1#、3#点为同一对角线上距离两端各100mm处,2#点为同一对角线中间点。
3、非悬挑板左图水平方向与图纸数字轴线方向相同。
4、加下划线的偏差值为超过允许偏差的数值。
5、规范允许偏差(mm):+10;-5。
现浇混凝土楼板厚度检测记录
表
(可以直接使用,可编辑实用优秀文档,欢迎下载)
体温检测出入消毒登记表 2 年月日
检测记录人:******项目
保山隧道出口初期支护喷射混凝土厚度检测表
检测时间:2021年6月26日
施工标段新建铁路大理至瑞丽线保山
至瑞丽段土建3标
监理标段
新建铁路大理至瑞丽线
保山至瑞丽段监理3标
检测里程段PDK152+600
喷射混凝
土完成时
间
01:20
施工单位自检监理复检
部位喷射混凝土厚度(cm)
备注
检测方法及测点位置描述检测方法及测点位置描述设计施工单位自检监理复检
采用初支钻孔破检观测,每循环检查一个断面,拱顶、左右拱腰各1个检查点,左右边墙各2个检查点。
按照施工单位每12米检测
1个断面旁站,采用钻孔尺
量检查
拱顶18 19
左边墙18
右边墙18
右拱腰18 19
左拱腰18 18
自检结论复检结论
施工单位签字:监理单位签字:。