2012电线电缆最新国家标准(新修订)
- 格式:doc
- 大小:30.50 KB
- 文档页数:9
国标技术标准2012-3-12
一、关于图样上的未注公差规定:
1.凡图样上(或合同上)已明确指明未注公差的技术要求或执行标准,则按要求执行(但对于GB/T 1804-m级孔和轴应按GB/T 1804-f级执行,长度还执行m级)。
2.图样上(或合同上)没有指明未注公差的具体要求,则按GB/T1800.3-1998 标准公差值中的IT12级执行。
3.未注公差相关标准
3.1.一般公差未注公差的线性和角度尺寸的公差(GB/T 1804-1992 、GB/T 1804-2000)
3.1.1.线性(长度)尺寸的极限偏差数值:
3.1.3.
3.2.
3.2.1.
3.2.2.
3.2.3.
3.2.
4.圆跳动的公差值:其圆跳动公差值为0.1。
3.3.图样上未注形状和位置公差的规定(GB1184-80)
3.3.3.1.圆度公差值应不大于尺寸公差值。
3.3.3.2.垂直要素、倾斜要素由角度公差和直线度或平面度未注公差值分别控制。
3.3.3.3.跳动和全跳动的公差值不应大于该要素的形状和位置未注公差的综合值。
对于基准轴尺寸公差是Φ8
-0.15
0。
注:本标准自颁布之日起执行,原标准作废。
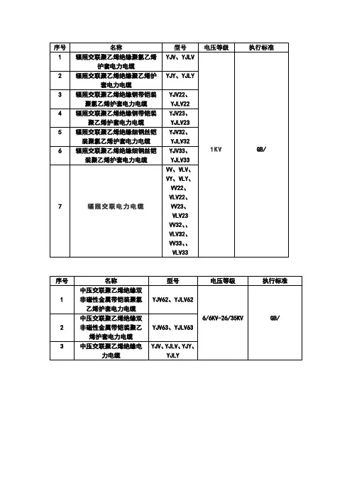
电线电缆国家就最新修订(2012)标准一、辐照交联电力电缆(电压等级:0.6/1KV;执行标准:GB/T12706.1-2002)辐照交联电缆是利用高能射线轰击聚其分子链中的氢原子排出,于是分子链上产生空隙,相邻的分子链结合在一起形成-C-C-交联键,形成了网状的大分子立体结构而构成交联聚乙烯。
通过辐照后的交联聚乙烯热性能可达到105度,辐照交联为物理交联方式,整个交联没有水的介入,其绝缘中的水分子含量不大于100PPM,绝缘纯度高,从而辐照交联的电缆在电性能、机械性能方面有独特的优良特性,电缆寿命可达60年,同时电缆具有重量轻、结构简单、敷设不受落差限制等特点。
YJV、YJLV 辐照交联聚乙烯绝缘聚氯乙烯护套电力电缆YJY、YJLY 辐照交联聚乙烯绝缘聚乙烯护套电力电缆YJV22、YJLV22辐照交联聚乙烯绝缘钢带铠装聚氯乙烯护套电力电缆YJV23、YJLV23辐照交联聚乙烯绝缘钢带铠装聚乙烯护套电力电缆YJV32、YJLV32辐照交联聚乙烯绝缘细钢丝铠装聚氯乙烯护套电力电缆YJV33、YJLV33辐照交联聚乙烯绝缘细钢丝铠装聚乙烯护套电力电缆VV、VLV、VY、VLY、YJV、YJLV、YJY、YJLY适用于室内外敷设。
可经受一定的敷设牵引,但不能承受机械外力作用的场合。
单芯电缆不允许敷设在磁性管道中。
VV22、VLV22、VV23、VLV23、YJV22、YJLV22、YJV23、YJLV23敷设在室内、隧道、电缆沟,能够承受一定的机械外力,不能承受过大的拉力。
VV32、、VLV32、VV33、、VLV33、YJV32、YJLV32、YJV33、YJLV33敷设在室内、隧道、电缆沟,能够承受一定的机械外力。
VV32、、VLV32、VV33、、VLV33、YJV32、YJLV32、YJV33、YJLV33敷设在室内、隧道、电缆沟,能够承受一定的机械外力。
基本结构:导体-交联聚乙烯绝缘-内护套-钢带铠装-聚氯乙烯护套辐照交联聚烯烃(主要材料是聚乙烯)电线电缆主要用于耐热建筑线、汽车线、航空导线、机车线电线和电机电器引接线等。
2012电缆桥架新标准以钢制电缆桥架工程设计规范CECS31∶91为基础,由中国工程建设标准化协会电气工程委员会修订。
电缆桥架宽度 ~允许最小板厚电缆桥架宽度<100~ 1100≤电缆桥架宽度<150~ 1.2150≤电缆桥架宽度<400~ 1.5400≤电缆桥架宽度<800~ 2800<电缆桥架宽度~ 2.5具体内容如下:1 范围本标准规定了钢质电缆桥架的分类、要求、试验方法、检验规则、标志、包装、运输、贮存。
2 规范性引用文件GB/T 93-1987弹簧垫圈GB/T 97.1-2002平垫圈 A级GB/T 912-1989 碳素结构钢和低合金结构钢热轧薄钢板及钢带GB/T 1720-1979 漆膜附着力测定法GB/T 1743-1979 漆膜光泽度测定法GB/T 1764-1979 漆膜厚度测定法GB/T 1804-2000 一般公关未注公差的线性和角度尺寸的公差GB/T 4956-1985 磁性金属机体上非磁性复盖层厚度测量磁性方法GB/T 5117-1995 碳钢焊条GB/T 5780-1989 六角头螺栓C级GB/T 6170-1986 六角螺母A级和B级GB/T 10125-1997 人造气氛腐蚀试验盐雾试验GB/T 11253-1989 碳素结构钢和低合金结构钢冷轧薄钢板及钢带1.3分类1. 3.1 电缆桥架按主体结构型式不同分为槽式、托盘式、合资经营级式和组合式四种类型。
分别用代号C、P、T、ZH表示。
2. 3.2 电缆桥架按表面防护层不同分为热镀锌、电镀锌或锌合金、粉末喷涂或喷漆、镀锌后喷涂或喷漆。
3.3型号4.4基本结构参数电缆桥架的基本结构参数见表1。
表1 单位为毫米3.5 板材厚度电缆桥架允许最小板材厚度见表2。
表2 单位为毫米4.要求4.1 正常使用条件:a) 温度-20℃~+55℃;b)相对湿度<95%;c)海拔高度不超过2000m。
注:特殊使用条件由供需双方约定。
4.2 电缆桥架应按规定程序批准的图样和技术文件制造,并符合本标准的要求。
关于电线电缆产品强制性认证执行新版标准JB/T8734.1~5有关要求的公告相关客户:JB/T 8734.1~5-2012(以下简称“新版标准”)已于2012年5月24日发布,2012年11月1日实施,并于近期完成出版印刷。
新版标准替代了JB/T 8734.1~5-1998标准(以下简称“旧版标准”),并整合了《电气电子产品类强制性认证实施规则电线电缆产品》(编号:CNCA-01C-002:2007)附件6和附件7(以下简称“实施规则附件”)的产品。
为了保证强制性产品认证制度的有效实施,依据《关于标准修订时强制性产品认证有关问题的通知》(国认科联[2005]18号)和《关于强制性产品认证依据用标准修订时有关要求的公告》(认监委2012年第4号)的有关规定,现将电线电缆产品强制性认证执行新版标准的有关要求明确如下:一、自本公告发布之日起,采用新版标准实施认证。
二、对于已按旧版标准和实施规则附件获证的产品,认证证书持有人应于下一次跟踪检查之前,向我中心提交转换新版标准认证证书的申请,必要时需送样检测,合格后换发新版标准认证证书,完成新版标准证书转换工作。
申请认证证书转换时,每个单元至少提供一个型号(仅指JB/T8734.1~5-2012标准中的型号产品)的强制性产品认证型式试验报告,可免除送样检验,否则应按表1的要求送一件样品至强制性产品认证指定实验室进行型式试验。
三、旧版标准和实施规则附件的认证证书转换工作应于2014年4月1日前完成,逾期未完成证书转换工作的,我中心将予以暂停;2014年7月1日前仍未完成证书转换工作的,我中心将撤销其旧版认证证书。
四、对于本公告生效之日前已经出厂、投放市场并且已经不再生产的获证产品,无需进行证书转换。
五、产品认证范围以国家认监委2012年第30号公告为准,除RVB 300/300V 0.5-0.75外,新版标准增加的型号、规格不在强制性产品认证范围内。
JB/T 8734.1~5-2012标准中下列产品属于强制性产品认证范围:1、JB/T 8734.2-2012标准中的产品型号、规格范围BV 300/500V 0.75~1;BLV 450/750V 2.5~400;BVR 450/750V 2.5~70;BVV 300/500V 0.75~10(1芯);BLVV 300/500V 2.5~10(1芯);BVVB 300/500V 0.75~10(2芯~3芯);BLVVB 300/500V 2.5~10(2芯~3芯)。
电线电缆国家就最新修订(2012)标准一、辐照交联电力电缆(电压等级:0.6/1KV;执行标准:GB/T12706.1-2002)辐照交联电缆是利用高能射线轰击聚其分子链中的氢原子排出,于是分子链上产生空隙,相邻的分子链结合在一起形成-C-C-交联键,形成了网状的大分子立体结构而构成交联聚乙烯。
通过辐照后的交联聚乙烯热性能可达到105度,辐照交联为物理交联方式,整个交联没有水的介入,其绝缘中的水分子含量不大于100PPM,绝缘纯度高,从而辐照交联的电缆在电性能、机械性能方面有独特的优良特性,电缆寿命可达60年,同时电缆具有重量轻、结构简单、敷设不受落差限制等特点。
YJV、YJLV 辐照交联聚乙烯绝缘聚氯乙烯护套电力电缆YJY、YJLY 辐照交联聚乙烯绝缘聚乙烯护套电力电缆YJV22、YJLV22辐照交联聚乙烯绝缘钢带铠装聚氯乙烯护套电力电缆YJV23、YJLV23辐照交联聚乙烯绝缘钢带铠装聚乙烯护套电力电缆YJV32、YJLV32辐照交联聚乙烯绝缘细钢丝铠装聚氯乙烯护套电力电缆YJV33、YJLV33辐照交联聚乙烯绝缘细钢丝铠装聚乙烯护套电力电缆VV、VLV、VY、VLY、YJV、YJLV、YJY、YJLY适用于室内外敷设。
可经受一定的敷设牵引,但不能承受机械外力作用的场合。
单芯电缆不允许敷设在磁性管道中。
VV22、VLV22、VV23、VLV23、YJV22、YJLV22、YJV23、YJLV23敷设在室内、隧道、电缆沟,能够承受一定的机械外力,不能承受过大的拉力。
VV32、、VLV32、VV33、、VLV33、YJV32、YJLV32、YJV33、YJLV33敷设在室内、隧道、电缆沟,能够承受一定的机械外力。
VV32、、VLV32、VV33、、VLV33、YJV32、YJLV32、YJV33、YJLV33敷设在室内、隧道、电缆沟,能够承受一定的机械外力。
基本结构:导体-交联聚乙烯绝缘-内护套-钢带铠装-聚氯乙烯护套辐照交联聚烯烃(主要材料是聚乙烯)电线电缆主要用于耐热建筑线、汽车线、航空导线、机车线电线和电机电器引接线等。
电线电缆国家标准一、辐照交联电力电缆(电压等级:0.6/1KV;执行标准:GB/T12706.1-2002)辐照交联电缆是利用高能射线轰击聚其分子链中的氢原子排出,于是分子链上产生空隙,相邻的分子链结合在一起形成-C-C-交联键,形成了网状的大分子立体结构而构成交联聚乙烯。
通过辐照后的交联聚乙烯热性能可达到105度,辐照交联为物理交联方式,整个交联没有水的介入,其绝缘中的水分子含量不大于100PPM,绝缘纯度高,从而辐照交联的电缆在电性能、机械性能方面有独特的优良特性,电缆寿命可达60年,同时电缆具有重量轻、结构简单、敷设不受落差限制等特点。
YJV、YJLV 辐照交联聚乙烯绝缘聚氯乙烯护套电力电缆YJY、YJLY 辐照交联聚乙烯绝缘聚乙烯护套电力电缆YJV22、YJLV22辐照交联聚乙烯绝缘钢带铠装聚氯乙烯护套电力电缆YJV23、YJLV23辐照交联聚乙烯绝缘钢带铠装聚乙烯护套电力电缆YJV32、YJLV32辐照交联聚乙烯绝缘细钢丝铠装聚氯乙烯护套电力电缆YJV33、YJLV33辐照交联聚乙烯绝缘细钢丝铠装聚乙烯护套电力电缆VV、VLV、VY、VLY、YJV、YJLV、YJY、YJLY适用于室内外敷设。
可经受一定的敷设牵引,但不能承受机械外力作用的场合。
单芯电缆不允许敷设在磁性管道中。
VV22、VLV22、VV23、VLV23、YJV22、YJLV22、YJV23、YJLV23敷设在室内、隧道、电缆沟,能够承受一定的机械外力,不能承受过大的拉力。
VV32、、VLV32、VV33、、VLV33、YJV32、YJLV32、YJV33、YJLV33敷设在室内、隧道、电缆沟,能够承受一定的机械外力。
VV32、、VLV32、VV33、、VLV33、YJV32、YJLV32、YJV33、YJLV33敷设在室内、隧道、电缆沟,能够承受一定的机械外力。
基本结构:导体-交联聚乙烯绝缘-内护套-钢带铠装-聚氯乙烯护套辐照交联聚烯烃(主要材料是聚乙烯)电线电缆主要用于耐热建筑线、汽车线、航空导线、机车线电线和电机电器引接线等。
电线电缆国家标准一、辐照交联电力电缆(电压等级:0.6/1KV;执行标准:GB/T12706.1-2002)辐照交联电缆是利用高能射线轰击聚其分子链中的氢原子排出,于是分子链上产生空隙,相邻的分子链结合在一起形成-C-C-交联键,形成了网状的大分子立体结构而构成交联聚乙烯。
通过辐照后的交联聚乙烯热性能可达到105度,辐照交联为物理交联方式,整个交联没有水的介入,其绝缘中的水分子含量不大于100PPM,绝缘纯度高,从而辐照交联的电缆在电性能、机械性能方面有独特的优良特性,电缆寿命可达60年,同时电缆具有重量轻、结构简单、敷设不受落差限制等特点。
YJV、YJLV 辐照交联聚乙烯绝缘聚氯乙烯护套电力电缆YJY、YJLY 辐照交联聚乙烯绝缘聚乙烯护套电力电缆YJV22、YJLV22辐照交联聚乙烯绝缘钢带铠装聚氯乙烯护套电力电缆YJV23、YJLV23辐照交联聚乙烯绝缘钢带铠装聚乙烯护套电力电缆YJV32、YJLV32辐照交联聚乙烯绝缘细钢丝铠装聚氯乙烯护套电力电缆YJV33、YJLV33辐照交联聚乙烯绝缘细钢丝铠装聚乙烯护套电力电缆VV、VLV、VY、VLY、YJV、YJLV、YJY、YJLY适用于室内外敷设。
可经受一定的敷设牵引,但不能承受机械外力作用的场合。
单芯电缆不允许敷设在磁性管道中。
VV22、VLV22、VV23、VLV23、YJV22、YJLV22、YJV23、YJLV23敷设在室内、隧道、电缆沟,能够承受一定的机械外力,不能承受过大的拉力。
VV32、、VLV32、VV33、、VLV33、YJV32、YJLV32、YJV33、YJLV33敷设在室内、隧道、电缆沟,能够承受一定的机械外力。
VV32、、VLV32、VV33、、VLV33、YJV32、YJLV32、YJV33、YJLV33敷设在室内、隧道、电缆沟,能够承受一定的机械外力。
基本结构:导体-交联聚乙烯绝缘-内护套-钢带铠装-聚氯乙烯护套辐照交联聚烯烃(主要材料是聚乙烯)电线电缆主要用于耐热建筑线、汽车线、航空导线、机车线电线和电机电器引接线等。
电线电缆最新国家标准电线电缆是电力工程中不可或缺的重要组成部分,其质量和安全性直接关系到电力系统的运行稳定和人民生命财产的安全。
为了规范电线电缆的生产和使用,保障电力系统的安全和可靠运行,国家相继出台了一系列的标准,其中最新的国家标准对电线电缆的质量、规格、标识等方面进行了严格的规定,下面我们就来详细了解一下。
首先,最新国家标准对电线电缆的质量要求进行了明确的规定。
包括导体电阻、绝缘电阻、外观质量、机械性能等方面都有详细的要求,以确保电线电缆在使用过程中能够稳定可靠地传输电能,同时也能够在各种环境条件下保持良好的性能。
其次,最新国家标准对电线电缆的规格进行了统一规定。
包括导体截面、绝缘厚度、外径尺寸、电缆结构等方面都有具体的规定,以便于生产和使用过程中的统一标准,减少因规格不统一而带来的问题,提高电线电缆的通用性和互换性。
另外,最新国家标准还对电线电缆的标识进行了规范。
在电线电缆的外包装上,必须标明产品的名称、型号、额定电压、生产厂家、生产日期等信息,以便于用户在购买和使用时能够清晰地了解产品的基本信息,确保使用的安全可靠。
总的来说,最新国家标准对电线电缆的质量、规格、标识等方面进行了严格的规定,这对于推动电线电缆行业的健康发展,提高产品质量和安全性,保障电力系统的安全和可靠运行具有重要意义。
同时,作为电线电缆生产和使用单位,也需要严格遵守国家标准的要求,加强质量管理,保证产品的质量和安全,为电力系统的稳定运行做出应有的贡献。
最后,希望各相关单位和人员能够充分认识到国家标准对电线电缆的重要性,积极配合落实标准要求,共同推动电线电缆行业向着更加规范、安全、高效的方向发展,为我国电力工程的发展做出更大的贡献。
关于电线电缆产品强制性认证执行新版标准JB/T8734.1~5有关要求的公告相关客户:JB/T 8734.1~5-2012(以下简称“新版标准”)已于2012年5月24日发布,2012年11月1日实施,并于近期完成出版印刷。
新版标准替代了JB/T 8734.1~5-1998标准(以下简称“旧版标准”),并整合了《电气电子产品类强制性认证实施规则电线电缆产品》(编号:CNCA-01C-002:2007)附件6和附件7(以下简称“实施规则附件”)的产品。
为了保证强制性产品认证制度的有效实施,依据《关于标准修订时强制性产品认证有关问题的通知》(国认科联[2005]18号)和《关于强制性产品认证依据用标准修订时有关要求的公告》(认监委2012年第4号)的有关规定,现将电线电缆产品强制性认证执行新版标准的有关要求明确如下:一、自本公告发布之日起,采用新版标准实施认证。
二、对于已按旧版标准和实施规则附件获证的产品,认证证书持有人应于下一次跟踪检查之前,向我中心提交转换新版标准认证证书的申请,必要时需送样检测,合格后换发新版标准认证证书,完成新版标准证书转换工作。
申请认证证书转换时,每个单元至少提供一个型号(仅指JB/T8734.1~5-2012标准中的型号产品)的强制性产品认证型式试验报告,可免除送样检验,否则应按表1的要求送一件样品至强制性产品认证指定实验室进行型式试验。
三、旧版标准和实施规则附件的认证证书转换工作应于2014年4月1日前完成,逾期未完成证书转换工作的,我中心将予以暂停;2014年7月1日前仍未完成证书转换工作的,我中心将撤销其旧版认证证书。
四、对于本公告生效之日前已经出厂、投放市场并且已经不再生产的获证产品,无需进行证书转换。
五、产品认证范围以国家认监委2012年第30号公告为准,除RVB 300/300V 0.5-0.75外,新版标准增加的型号、规格不在强制性产品认证范围内。
JB/T 8734.1~5-2012标准中下列产品属于强制性产品认证范围:1、JB/T 8734.2-2012标准中的产品型号、规格范围BV 300/500V 0.75~1;BLV 450/750V 2.5~400;BVR 450/750V 2.5~70;BVV 300/500V 0.75~10(1芯);BLVV 300/500V 2.5~10(1芯);BVVB 300/500V 0.75~10(2芯~3芯);BLVVB 300/500V 2.5~10(2芯~3芯)。
电线电缆国家标准关于电线电缆线芯的允许长期工作温度,橡皮绝缘通常为65℃,聚氯乙烯绝缘为70℃,交联聚乙烯绝缘为90℃;短路时(最长持续时间不超过5s)导体的最高允许温度:聚氯乙烯绝缘为160℃,交联聚乙烯绝缘为250℃。
一、XLPE电缆与PVC电缆的区别:1.低压交联(XLPE)电缆自九十年代中期投入应用以来,发展迅速,目前已与聚氯乙烯(PVC)电缆各占市场一半份额。
交联电缆与聚氯乙烯电缆相比较,载流量较高,过载能力较强,使用寿命较长(PVC电缆环境较好时热寿命一般为20年,而XLPE电缆热寿命一般为40年);PVC燃烧时会分解释放大量黑烟和有毒气体,而XLPE燃烧时不会产生卤素有毒气体,交联电缆的优越性日益为设计和使用部门所认识。
2.普通PVC电线电缆(绝缘和护套)燃烧时延燃迅速,助长火势,1~2min即丧失供电能力,其燃烧分解释放的黑烟可达伸手不见五指的程度,造成人员呼吸和疏散困难。
更为严重的是,PVC燃烧时会分解释放氯化氢(HCL)和二噁英等剧毒腐蚀性卤素气体,是火灾中致人死命的主要原因(占火灾死亡因素的80%),并成稀盐酸导形电膜附着在电气设备上,严重降低设备的绝缘性能,形成难以清除的二次灾害。
二、阻燃电线电缆1.阻燃电线电缆应具有阻燃特性,根据《成束电线电缆燃烧试验方法》GB/T18380.3-2001,可分为A、B、C三种阻燃等级,A级阻燃性能最高。
美国标准和技术研究所对阻燃和非阻燃电线进行了对比燃烧试验,下列试验结果可以说明采用阻燃电线电缆的重要意义:a、阻燃电线比非阻燃电线可以提供15倍以上的逃生时间;b、阻燃电线烧掉的材料仅为非阻燃电线的1/2;c、阻燃电线的热释放率仅为非阻燃电线的1/4;d、燃烧产生的毒气量仅为非阻燃产品的1/3;e、产烟性能,阻燃产品与非阻燃产品无明显区别。
2 .无卤低烟电线电缆无卤低烟电线电缆应具有无卤、低烟及阻燃的性能,其指标为:GB/T17650.2-1999(无卤试验) GB/T17651.2-1998(低烟试验) PH加权电导率最小透光率PH≥4.3 r≤10us/mm T≥60%3.耐火电缆a.耐火电缆的燃烧试验指标(供火温度和时间),《电线电缆耐火特性试验方法》GB12666.6-90规定为:A级950~1000℃、90分钟;B级750~800℃、90分钟。
电线电缆规范标准最新国标在当今快速发展的电气工程领域,电线电缆作为传输电能和信号的重要媒介,其质量和安全性至关重要。
中国国家标准(GB)对电线电缆的生产和使用有着严格的规定。
以下是根据最新国标对电线电缆规范标准的概述:引言随着科技的进步和市场需求的增长,电线电缆的规范标准也在不断更新以适应新的应用场景和技术要求。
最新的国家标准(GB)旨在确保电线电缆的安全性、可靠性和环保性,同时促进行业的健康发展。
1. 电线电缆的分类电线电缆按照其用途、绝缘材料、护套类型等不同特点进行分类。
主要分类包括但不限于:- 电力电缆- 控制电缆- 通信电缆- 光纤电缆- 特种电缆2. 电线电缆的技术要求- 导体:电线电缆的导体应满足足够的电导率和抗拉强度,以保证传输效率和机械强度。
- 绝缘材料:绝缘材料应具有良好的电气绝缘性能,耐热性,耐化学腐蚀性,以及足够的机械强度。
- 护套:护套应具有保护导体和绝缘层的功能,防止外界因素对电缆造成损害。
3. 电线电缆的制造工艺- 制造过程中应严格控制材料选择、生产工艺和质量检测,确保产品符合国家标准。
- 应采用先进的制造设备和技术,提高生产效率和产品质量。
4. 电线电缆的测试与认证- 电线电缆在出厂前必须经过严格的性能测试,包括电气性能测试、机械性能测试和环境适应性测试。
- 产品应通过国家相关部门的认证,获得相应的认证标志。
5. 安装与使用规范- 电线电缆的安装应遵循国家有关建筑电气安装的标准和规范。
- 使用过程中应定期进行维护和检查,确保电缆的安全运行。
6. 环保与回收- 电线电缆的生产应符合环保要求,减少有害物质的使用。
- 废旧电线电缆应进行合理回收和处理,减少对环境的影响。
7. 标准更新与行业动态- 随着技术的发展和市场需求的变化,电线电缆的标准也会不断更新。
- 企业和用户应关注最新的国家标准和行业动态,及时更新产品和技术。
结语电线电缆作为电气工程的基础材料,其规范标准的制定和执行对于保障人民生命财产安全、推动行业技术进步具有重要意义。
电线电缆国家标准一、辐照交联电力电缆(电压等级:0.6/1KV;执行标准:GB/T12706.1-2002)辐照交联电缆是利用高能射线轰击聚其分子链中的氢原子排出,于是分子链上产生空隙,相邻的分子链结合在一起形成-C-C-交联键,形成了网状的大分子立体结构而构成交联聚乙烯。
通过辐照后的交联聚乙烯热性能可达到105度,辐照交联为物理交联方式,整个交联没有水的介入,其绝缘中的水分子含量不大于100PPM,绝缘纯度高,从而辐照交联的电缆在电性能、机械性能方面有独特的优良特性,电缆寿命可达60年,同时电缆具有重量轻、结构简单、敷设不受落差限制等特点。
YJV、YJLV 辐照交联聚乙烯绝缘聚氯乙烯护套电力电缆YJY、YJLY 辐照交联聚乙烯绝缘聚乙烯护套电力电缆YJV22、YJLV22辐照交联聚乙烯绝缘钢带铠装聚氯乙烯护套电力电缆YJV23、YJLV23辐照交联聚乙烯绝缘钢带铠装聚乙烯护套电力电缆YJV32、YJLV32辐照交联聚乙烯绝缘细钢丝铠装聚氯乙烯护套电力电缆YJV33、YJLV33辐照交联聚乙烯绝缘细钢丝铠装聚乙烯护套电力电缆VV、VLV、VY、VLY、YJV、YJLV、YJY、YJLY适用于室内外敷设。
可经受一定的敷设牵引,但不能承受机械外力作用的场合。
单芯电缆不允许敷设在磁性管道中。
VV22、VLV22、VV23、VLV23、YJV22、YJLV22、YJV23、YJLV23敷设在室内、隧道、电缆沟,能够承受一定的机械外力,不能承受过大的拉力。
VV32、、VLV32、VV33、、VLV33、YJV32、YJLV32、YJV33、YJLV33敷设在室内、隧道、电缆沟,能够承受一定的机械外力。
VV32、、VLV32、VV33、、VLV33、YJV32、YJLV32、YJV33、YJLV33敷设在室内、隧道、电缆沟,能够承受一定的机械外力。
基本结构:导体-交联聚乙烯绝缘-内护套-钢带铠装-聚氯乙烯护套辐照交联聚烯烃(主要材料是聚乙烯)电线电缆主要用于耐热建筑线、汽车线、航空导线、机车线电线和电机电器引接线等。
电线电缆国家就最新修订(2012)标准一、辐照交联电力电缆(电压等级:0.6/1KV;执行标准:GB/T12706.1-2002)辐照交联电缆是利用高能射线轰击聚其分子链中的氢原子排出,于是分子链上产生空隙,相邻的分子链结合在一起形成-C-C-交联键,形成了网状的大分子立体结构而构成交联聚乙烯。
通过辐照后的交联聚乙烯热性能可达到105度,辐照交联为物理交联方式,整个交联没有水的介入,其绝缘中的水分子含量不大于100PPM,绝缘纯度高,从而辐照交联的电缆在电性能、机械性能方面有独特的优良特性,电缆寿命可达60年,同时电缆具有重量轻、结构简单、敷设不受落差限制等特点。
YJV、YJLV 辐照交联聚乙烯绝缘聚氯乙烯护套电力电缆YJY、YJLY 辐照交联聚乙烯绝缘聚乙烯护套电力电缆YJV22、YJLV22辐照交联聚乙烯绝缘钢带铠装聚氯乙烯护套电力电缆YJV23、YJLV23辐照交联聚乙烯绝缘钢带铠装聚乙烯护套电力电缆YJV32、YJLV32辐照交联聚乙烯绝缘细钢丝铠装聚氯乙烯护套电力电缆YJV33、YJLV33辐照交联聚乙烯绝缘细钢丝铠装聚乙烯护套电力电缆VV、VLV、VY、VLY、YJV、YJLV、YJY、YJLY适用于室内外敷设。
可经受一定的敷设牵引,但不能承受机械外力作用的场合。
单芯电缆不允许敷设在磁性管道中。
VV22、VLV22、VV23、VLV23、YJV22、YJLV22、YJV23、YJLV23敷设在室内、隧道、电缆沟,能够承受一定的机械外力,不能承受过大的拉力。
VV32、、VLV32、VV33、、VLV33、YJV32、YJLV32、YJV33、YJLV33敷设在室内、隧道、电缆沟,能够承受一定的机械外力。
VV32、、VLV32、VV33、、VLV33、YJV32、YJLV32、YJV33、YJLV33敷设在室内、隧道、电缆沟,能够承受一定的机械外力。
基本结构:导体-交联聚乙烯绝缘-内护套-钢带铠装-聚氯乙烯护套辐照交联聚烯烃(主要材料是聚乙烯)电线电缆主要用于耐热建筑线、汽车线、航空导线、机车线电线和电机电器引接线等。
二、中压交联聚乙烯绝缘电力电缆(电压等级:6/6KV-26/35KV;执行标准:GB/T12706.2-2002)中压交联聚乙电缆采用了全干式化学交联方法使用聚乙烯分子由线型分子结构变为空间网状结构,使热塑性的聚乙烯转变为热固性的交联聚乙烯,使其机械性能、热老化性能及环境应力能力在很大的程度上得到提高,并具有优良的电气性能。
具有异体正常运行温度高、结构简单、外径小、重量轻、使用方便、不受敷设落差限制等特性。
适用于工频额定电压1-35KV配电系统。
YJV62、YJLV62交联聚乙烯绝缘双非磁性金属带铠装聚氯乙烯护套电力电缆。
YJV63、YJLV63交联聚乙烯绝缘双非磁性金属带铠装聚乙烯护套电力电缆。
YJV63、YJLV63交联聚乙烯绝缘双非磁性金属带铠装聚乙烯护套电力电缆。
其它型号与辐照交联类似(只是电压不同)YJV、YJLV、YJY、YJLY适用于室内敷设。
可经受一定的敷设牵引,但不能承受机械外力作用的场合。
单芯电缆不允许敷设在磁性管道中。
YJV22、YJLV22、YJV23、YJLV23敷设在室内、隧道、电缆沟,能够承受一定的机械外力,不能承受过大的拉力。
YJV22、YJLV22、YJV23、YJLV23敷设在室内、隧道、电缆沟,能够承受一定的机械外力,不能承受过大的拉力。
YJV32、、YJLV32、YJV33、、YJLV33适用于高落差地区,能承受一定的机械外力作用和相当的拉力。
YJV62、YJLV62、YJV63、YJLV63用于交流回路的单芯电缆,应采用非磁性材料铠装。
YJV62、YJLV62、YJV63、YJLV63用于交流回路的单芯电缆,应采用非磁性材料铠装。
三、高压交联聚乙烯绝缘电力电缆(电压等级:64/110KV,执行标准:GB/T 11017-[/B]2002;127/220KV、290/500KV)XLPE电缆有极佳的气性能,介质损耗比纸绝缘和PVC绝缘都要小,XLPE电缆的电容也小,在没有有效星形接地地系统中也可降低充电电流和接地故障电流。
容易敷设是XLPE 电缆的一大优点,与其它电力电缆相比,XLPE电缆弯曲半径较小,重量轻,终端处理简单,由于XLPE电缆不含油,所以在敷设时不用过多考虑线路要求,更不存在由于淌油而无法敷设的情况。
极佳的抗老特性及超强的耐热变形性决定了交联聚乙烯电缆在正常运行温度90度,短时故障130度,及短路250摄氏度条件下可负载大电流。
极佳的抗老特性及超强的耐热变形性决定了交联聚乙烯电缆在正常运行温度90度,短时故障130度,及短路250摄氏度条件下可负载大电流。
YJV YJLV交联聚乙烯绝缘聚氯乙烯护套电力电缆YJY、YJLY交联聚乙烯绝缘聚乙烯护套电力电缆YJLW02、YJLLW02交联聚乙烯绝缘皱皮铝套聚氯乙烯护套电力电缆YJLW03、YJLLW03交联聚乙烯绝缘皱皮铝套聚乙烯护套电力电缆以下省略以下省略电缆结构:导体-导体屏蔽-绝缘-绝缘屏蔽-阻水层-金属屏蔽-金属护套-沥青层-护套层-石墨层四、控制电缆(执行标准:GB9330-88;电压等级:450/750V)1、产品采用聚氯乙烯或辐照交联聚乙烯作为绝缘层,具有优良的导电性能、机械性能及化学稳定性能,适用于额定电压0.6/1KV及以下控制,监控回路用保护线路等保护场合使用。
电缆的导体长期允许工作温度为70摄氏度,辐照交联聚乙烯电缆其导体长期允许工作温度为90度;2、电缆敷设温度不低于0度;3、推荐允许敷设弯曲半径:无铠装层的电缆应不小于电缆外形的6倍,有铠装层或屏蔽层。
3、推荐允许敷设弯曲半径:无铠装层的电缆应不小于电缆外形的6倍,有铠装层或屏蔽层。
KVV、KYJV 聚氯乙烯绝缘(辐照交联聚乙烯绝缘)聚氯乙烯护套控制电缆KVVP、KYJVP聚氯乙烯绝缘(辐照交联聚乙烯绝缘)聚氯乙烯护套编织屏蔽控制电缆KVVP22、KYJVP22聚氯乙烯绝缘(辐照交联聚乙烯绝缘)聚氯乙烯护套铜带屏蔽控制电缆KVV22、KYJV22聚氯乙烯绝缘(辐照交联聚乙烯绝缘)聚氯乙烯护套钢带铠装控制电缆KVV32、KYJV32聚氯乙烯绝缘(辐照交联聚乙烯绝缘)聚氯乙烯护套细钢丝铠装控制电缆KVVR、KYJVR聚氯乙烯绝缘(辐照交联聚乙烯绝缘)聚氯乙烯护套控制软电缆KVVRP、KYJVRP聚氯乙烯绝缘(辐照交联聚乙烯绝缘)聚氯乙烯护套编织屏蔽控制软电缆KVV、KYJV敷设在室内,电缆沟、管道等固定场合。
KVVP、KYJVP、KVVP2、KYJVP2敷设在室内、电缆沟、管道等要求屏蔽的场合KVV22、KYJV22敷设在室内,电缆沟、管道、直埋等能承受较大外力等固定场合KVV32、KYJV32敷设在室内,电缆沟、管道、竖井等能承受较大机械拉力等固定场合KVVR、KYJVR敷设在室内移动要求柔软等场合KVVRP、KYJVRP敷设在室内移动要求柔软、屏蔽等场合KVVRP、KYJVRP敷设在室内移动要求柔软、屏蔽等场合控制电缆主要用于:电器、仪表、配电装置信号传输、控制、测量等五、计算机电缆(电压等级:0.45/0.75KV,企标)本产品使用于交流额定电压为300/500及以下,对于防干扰性能要求高的计算机、检测仪器、控制系统仪连接用的屏蔽电缆,用于高抗干扰性的模拟量数据传输。
本产品使用于交流额定电压为300/500及以下,对于防干扰性能要求高的计算机、检测仪器、控制系统仪连接用的屏蔽电缆,用于高抗干扰性的模拟量数据传输。
1、电缆长期允许工作量不超过70摄氏度。
2、电缆敷设的温度不低于0摄氏度。
3、电缆弯曲半径不小于电缆外径的10倍。
DJYPV铜芯聚乙烯绝缘,对绞铜丝编织屏蔽、聚氯乙烯护套电子计算机电缆DJYP2V铜芯聚乙烯绝缘,对绞铜带屏蔽、聚氯乙烯护套电子计算机电缆DJYP3VDJYP3V铜芯聚乙烯绝缘,对绞铝/塑复合带屏蔽、聚氯乙烯护套电子计算机电缆DJYPV22铜芯聚乙烯绝缘,对绞铜丝编织屏蔽、钢带铠装、聚氯乙烯护套电子计算机电缆-DJYP2V22铜芯聚乙烯绝缘,对绞铜带屏蔽、钢带铠装、聚氯乙烯护套电子计算机电缆DJYPVP2-22铜芯聚乙烯绝缘,对绞铜带屏蔽、钢速铠装、聚氯乙烯护套电子计算机电缆DJYPVP2-22铜芯聚乙烯绝缘,对绞铜带屏蔽、钢速铠装、聚氯乙烯护套电子计算机电缆DJYPV结构:铜导电线芯-聚乙烯绝缘-屏蔽连接线、聚脂薄膜绕包-铜带或铝/塑或铜丝编织屏蔽-绕包层-聚氯乙烯套六、架空绝缘电缆(电压等级:0.6/1KV、8.7/15KV、26/35KV;执行标准:三个)1、本产品用于敷设在额定工频电压35KV及以下的架空电力线路中,作输配电能用,电缆导体允许工作温度为90度,短路时电缆的最高温度为250摄氏度。
2、电缆的敷设温度不低于-20摄氏度。
3、电缆敷设时允许弯曲半径不小于电缆直径的12倍。
具体型号有以下几种:1KV:JKLYJ、JKYJ、JKLGYJ;10KV:JKLYJ;10KV及35KV:JKLYJ、JKLGYJ七、铝绞线及钢芯铝绞线(电压等级:0.6/1KV;执行标准:GB/T 1179-1999)本产品适用于野外露天架空敷设,用于低、中、高压线路的电能输配,产品重量轻,强度高、抗腐蚀、敷设不受落差限制,耐受各种环境。
钢芯铝绞线:LGJ;适用范围:高压和超高压,受力大,大跨越输电线路。
铝绞线:LJ;适用范围:受力不大,档距较小的一般输配电线路。
铝绞线:LJ;适用范围:受力不大,档距较小的一般输配电线路。
八、耐火电缆(电压等级:0.45/0.75、0.6/1KV;执行标准:GB/T 19666-2005,GB/T12706.1-2002)耐火电缆用于高层建筑、地铁、电站及一些重要场所等,具有防火特性的环境场合。
除了在0.6/1KV额定工作电压下传送电力外,还可在燃烧情况下保质一定时间的安全运行,在950-1000摄氏度高温火焰燃烧的情况下保持安全运行3个小时,这样大大提高了耐火电缆的使用安全系数,为救助火灾赢得了一定时间。
耐火电缆用于高层建筑、地铁、电站及一些重要场所等,具有防火特性的环境场合。
除了在0.6/1KV额定工作电压下传送电力外,还可在燃烧情况下保质一定时间的安全运行,在950-1000摄氏度高温火焰燃烧的情况下保持安全运行3个小时,这样大大提高了耐火电缆的使用安全系数,为救助火灾赢得了一定时间。
使用范围:1、本产品适用于额定电压0.6/1KV的电力传输及分配线路。
2、导体最高长期工作温度为70度,短路时(最长持续时间不超过5S)电缆的最高温度不超过160度。
3、敷设电缆时的环境温度应不低于0摄氏度,其最小弯曲半径就不小于电缆外径的12倍。