电线电缆国家标准(精编文档).doc
- 格式:doc
- 大小:48.50 KB
- 文档页数:9
电线电缆国家标准电线电缆是电力工程中不可或缺的重要组成部分,其质量和安全性直接关系到电力系统的正常运行和人们的生命财产安全。
为了规范电线电缆的生产和使用,保障电力系统的安全稳定运行,我国制定了一系列的国家标准,对电线电缆的设计、生产、安装和使用进行了详细规定。
首先,电线电缆国家标准对电线电缆的分类和命名进行了规范。
根据电线电缆的用途、结构和绝缘材料的不同,国家标准将电线电缆分为多种类别,并对每种类别的命名进行了统一规定,便于生产和使用时的识别和管理。
其次,国家标准对电线电缆的技术要求进行了详细规定。
包括导体材料、绝缘材料、外护套材料的选用,电线电缆的结构尺寸、电气性能、机械性能等方面的要求,以及对电线电缆的试验方法和试验要求等内容进行了规范,确保电线电缆的质量和安全性。
另外,国家标准还对电线电缆的标志、包装、运输、储存和安装等环节进行了规定。
对电线电缆的标志标识、包装方式、运输条件、储存要求和安装方法等进行了详细说明,以保证电线电缆在整个生产、运输、存储和使用过程中都能够得到有效的保护和管理。
此外,国家标准还对电线电缆的质量控制和质量评定进行了规范。
明确了电线电缆生产过程中的质量控制要求,以及对成品电线电缆进行质量评定的方法和标准,保证了电线电缆的质量可控和可靠。
总的来说,电线电缆国家标准的制定和实施,对于规范电线电缆的生产和使用,保障电力系统的安全稳定运行起到了重要的作用。
只有严格遵守国家标准,才能够生产和使用符合要求的电线电缆,确保电力系统的安全可靠运行,保障人们的生命财产安全。
希望广大电线电缆生产企业和电力系统使用单位能够严格遵守国家标准,共同维护电力系统的安全稳定运行。
电线电缆国家标准汇编电线电缆是电力工程中不可或缺的重要组成部分,它们承载着输送电力和信息的重要任务。
为了确保电线电缆的质量和安全性,国家对电线电缆制定了一系列的标准,以规范其生产、安装和使用。
本文将对电线电缆国家标准进行汇编,以便于相关行业人士和消费者了解和遵守相关标准。
首先,我们来看一下电线电缆的分类。
根据国家标准,电线电缆主要分为电力电缆、通信电缆和光缆三大类。
其中,电力电缆用于输送电能,通信电缆用于传输电话、电报、数据等通信信号,而光缆则是利用光传输信号的一种特殊电缆。
每种电线电缆都有其专门的国家标准,以确保其符合相关的安全和质量要求。
其次,我们需要了解电线电缆的国家标准内容。
国家标准主要包括电线电缆的技术要求、试验方法、检验规则、包装标志、运输储存等内容。
在技术要求方面,国家标准规定了电线电缆的导体材料、绝缘材料、护套材料、电气性能、机械性能等方面的要求,以确保电线电缆在使用过程中能够稳定可靠地工作。
而试验方法和检验规则则是为了验证电线电缆是否符合技术要求,以及对其进行质量检测和监督。
此外,包装标志、运输储存等内容也是为了保障电线电缆在运输和储存过程中不受损坏,以保证其质量和安全性。
另外,国家标准还规定了电线电缆的标志和命名规则。
电线电缆的标志和命名应当符合国家标准的要求,以便于消费者和相关行业人士能够准确地识别和选择合适的电线电缆。
标志和命名规则的统一规范也有利于市场监督和质量管理,防止虚假标识和低劣产品的出现。
最后,我们需要重点关注电线电缆的安全使用。
国家标准对电线电缆的安全使用提出了明确的要求,包括安装、敷设、使用环境、维护保养等方面。
电线电缆的安全使用关乎人身安全和电力系统的稳定运行,因此必须严格按照国家标准的要求进行操作和管理。
总的来说,电线电缆国家标准的汇编对于电力工程行业和消费者来说都具有重要的指导意义。
遵守国家标准,选择合格的电线电缆产品,是保障电力系统安全运行和消费者用电安全的重要举措。
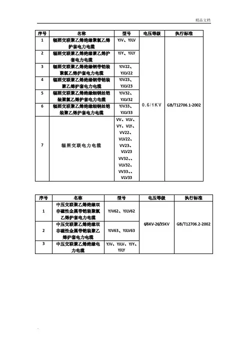
电线电缆国家标准一、辐照交联电力电缆(电压等级:0.6/1KV;执行标准:GB/T12706.1-2002)辐照交联电缆是利用高能射线轰击聚其分子链中的氢原子排出,于是分子链上产生空隙,相邻的分子链结合在一起形成-C-C-交联键,形成了网状的大分子立体结构而构成交联聚乙烯。
通过辐照后的交联聚乙烯热性能可达到105度,辐照交联为物理交联方式,整个交联没有水的介入,其绝缘中的水分子含量不大于100PPM,绝缘纯度高,从而辐照交联的电缆在电性能、机械性能方面有独特的优良特性,电缆寿命可达60年,同时电缆具有重量轻、结构简单、敷设不受落差限制等特点。
YJV、YJLV 辐照交联聚乙烯绝缘聚氯乙烯护套电力电缆YJY、YJLY 辐照交联聚乙烯绝缘聚乙烯护套电力电缆YJV22、YJLV22辐照交联聚乙烯绝缘钢带铠装聚氯乙烯护套电力电缆YJV23、YJLV23辐照交联聚乙烯绝缘钢带铠装聚乙烯护套电力电缆YJV32、YJLV32辐照交联聚乙烯绝缘细钢丝铠装聚氯乙烯护套电力电缆YJV33、YJLV33辐照交联聚乙烯绝缘细钢丝铠装聚乙烯护套电力电缆VV、VLV、VY、VLY、YJV、YJLV、YJY、YJLY适用于室内外敷设。
可经受一定的敷设牵引,但不能承受机械外力作用的场合。
单芯电缆不允许敷设在磁性管道中。
VV22、VLV22、VV23、VLV23、YJV22、YJLV22、YJV23、YJLV23敷设在室内、隧道、电缆沟,能够承受一定的机械外力,不能承受过大的拉力。
VV32、、VLV32、VV33、、VLV33、YJV32、YJLV32、YJV33、YJLV33敷设在室内、隧道、电缆沟,能够承受一定的机械外力。
VV32、、VLV32、VV33、、VLV33、YJV32、YJLV32、YJV33、YJLV33敷设在室内、隧道、电缆沟,能够承受一定的机械外力。
基本结构:导体-交联聚乙烯绝缘-内护套-钢带铠装-聚氯乙烯护套辐照交联聚烯烃(主要材料是聚乙烯)电线电缆主要用于耐热建筑线、汽车线、航空导线、机车线电线和电机电器引接线等。
【最新整理,下载后即可编辑】电线电缆验收要求及相关标准一、电线进场验收标准1.验收依据:1.1《建筑电气施工质量验收规范》GB50303-2002;1.2《北京市建筑工程资料管理规程》DBJ01-51-2003;2.产品质量证明文件要求:2.1电线应有出厂质量证明文件:包括:合格证(合格证有生产许可证编号和“CCC”认证标识)、检测报告、“CCC’认证证书;2.2电线质量证明文件应为原件,如果是复印件,复印件和原件内容一致,并加盖原件存放单位公章,注明原件存放处,并有经办人签字和时间;2.3生产厂家要有企业法人营业执照。
3.验收标准:3.1电线绝缘皮标识清楚,标识间距不大于1米,要标明生产厂名、规格型号、额定电压和“CCC”认证标识;标识要字迹清晰,用浸有汽油或酒精的棉布以1m/s的速度匀速连续擦拭五次,字迹仍清晰可辩;3.2检测电线线径和绝缘皮厚度(用卡尺或千分尺),参考数据见附表1;3.3测量线皮绝缘电阻值,将电线浸在水中24小时,用750V绝缘摇表摇测,阻值大于0.5MΩ;3.4线芯不能松动;3.5检测电线长度,将电线展开拉直用皮尺量,将实际长度和标识长度对比;3.6称重,抽检整盘线的重量,参考数据见附表1。
二、电缆进场验收标准1.验收依据:1.1《建筑电气施工质量验收规范》GB50303-2002;1.2《北京市建筑工程资料管理规程》DBJ01-51-2003;2.产品质量证明文件要求:2.1电缆应有出厂质量证明文件:包括:合格证、厂家检测报告;2.2电缆质量证明文件应为原件,如果是复印件,复印件和原件内容一致,并加盖原件存放单位公章,注明原件存放处,并有经办人签字和时间;2.3生产厂家要有企业法人营业执照、生产许可证。
3.验收标准:3.1电缆绝缘皮标识清楚,标识间距不大于1米,要标明生产厂名、规格型号和米数;标识要字迹清晰,用浸有汽油或酒精的棉布以1m/s 的速度匀速连续擦拭五次,字迹仍清晰可辩;3.2检查线芯股数和单股线芯的直径;3.3预分支电缆验收时要注意分支电缆的长度、分支之间的长度、吊钩到第一个分支的长度及预分支电缆的分支方向(上分支或下分支),且每根预分支电缆均要附图。
电线电缆国家标准一、辐照交联电力电缆(电压等级:1KV;执行标准:GB/)辐照交联电缆是利用高能射线轰击聚其分子链中的氢原子排出,于是分子链上产生空隙,相邻的分子链结合在一起形成-C-C-交联键,形成了网状的大分子立体结构而构成交联聚乙烯。
通过辐照后的交联聚乙烯热性能可达到105度,辐照交联为物理交联方式,整个交联没有水的介入,其绝缘中的水分子含量不大于100PPM,绝缘纯度高,从而辐照交联的电缆在电性能、机械性能方面有独特的优良特性,电缆寿命可达60年,同时电缆具有重量轻、结构简单、敷设不受落差限制等特点。
YJV、YJLV 辐照交联聚乙烯绝缘聚氯乙烯护套电力电缆YJY、YJLY 辐照交联聚乙烯绝缘聚乙烯护套电力电缆YJV22、YJLV22辐照交联聚乙烯绝缘钢带铠装聚氯乙烯护套电力电缆YJV23、YJLV23辐照交联聚乙烯绝缘钢带铠装聚乙烯护套电力电缆YJV32、YJLV32辐照交联聚乙烯绝缘细钢丝铠装聚氯乙烯护套电力电缆YJV33、YJLV33辐照交联聚乙烯绝缘细钢丝铠装聚乙烯护套电力电缆VV、VLV、VY、VLY、YJV、YJLV、YJY、YJLY适用于室内外敷设。
可经受一定的敷设牵引,但不能承受机械外力作用的场合。
单芯电缆不允许敷设在磁性管道中。
VV22、VLV22、VV23、VLV23、YJV22、YJLV22、YJV23、YJLV23敷设在室内、隧道、电缆沟,能够承受一定的机械外力,不能承受过大的拉力。
VV32、、VLV32、VV33、、VLV33、YJV32、YJLV32、YJV33、YJLV33敷设在室内、隧道、电缆沟,能够承受一定的机械外力。
VV32、、VLV32、VV33、、VLV33、YJV32、YJLV32、YJV33、YJLV33敷设在室内、隧道、电缆沟,能够承受一定的机械外力。
基本结构:导体-交联聚乙烯绝缘-内护套-钢带铠装-聚氯乙烯护套辐照交联聚烯烃(主要材料是聚乙烯)电线电缆主要用于耐热建筑线、汽车线、航空导线、机车线电线和电机电器引接线等。
电线电缆国家标准一、辐照交联电力电缆(电压等级:0.6/1KV;执行标准:GB/T12706.1-2002)辐照交联电缆是利用高能射线轰击聚其分子链中的氢原子排出,于是分子链上产生空隙,相邻的分子链结合在一起形成-C-C-交联键,形成了网状的大分子立体结构而构成交联聚乙烯。
通过辐照后的交联聚乙烯热性能可达到105度,辐照交联为物理交联方式,整个交联没有水的介入,其绝缘中的水分子含量不大于100PPM,绝缘纯度高,从而辐照交联的电缆在电性能、机械性能方面有独特的优良特性,电缆寿命可达60年,同时电缆具有重量轻、结构简单、敷设不受落差限制等特点。
YJV、YJLV 辐照交联聚乙烯绝缘聚氯乙烯护套电力电缆YJY、YJLY 辐照交联聚乙烯绝缘聚乙烯护套电力电缆YJV22、YJLV22辐照交联聚乙烯绝缘钢带铠装聚氯乙烯护套电力电缆YJV23、YJLV23辐照交联聚乙烯绝缘钢带铠装聚乙烯护套电力电缆YJV32、YJLV32辐照交联聚乙烯绝缘细钢丝铠装聚氯乙烯护套电力电缆YJV33、YJLV33辐照交联聚乙烯绝缘细钢丝铠装聚乙烯护套电力电缆VV、VLV、VY、VLY、YJV、YJLV、YJY、YJLY适用于室内外敷设。
可经受一定的敷设牵引,但不能承受机械外力作用的场合。
单芯电缆不允许敷设在磁性管道中。
VV22、VLV22、VV23、VLV23、YJV22、YJLV22、YJV23、YJLV23敷设在室内、隧道、电缆沟,能够承受一定的机械外力,不能承受过大的拉力。
VV32、、VLV32、VV33、、VLV33、YJV32、YJLV32、YJV33、YJLV33敷设在室内、隧道、电缆沟,能够承受一定的机械外力。
VV32、、VLV32、VV33、、VLV33、YJV32、YJLV32、YJV33、YJLV33敷设在室内、隧道、电缆沟,能够承受一定的机械外力。
基本结构:导体-交联聚乙烯绝缘-内护套-钢带铠装-聚氯乙烯护套辐照交联聚烯烃(主要材料是聚乙烯)电线电缆主要用于耐热建筑线、汽车线、航空导线、机车线电线和电机电器引接线等。
一、辐照交联电力电缆(电压等级:1KV;执行标准:GB/)辐照交联电缆是利用高能射线轰击聚其分子链中的氢原子排出,于是分子链上产生空隙,相邻的分子链结合在一起形成-C-C-交联键,形成了网状的大分子立体结构而构成交联聚乙烯。
通过辐照后的交联聚乙烯热性能可达到105度,辐照交联为物理交联方式,整个交联没有水的介入,其绝缘中的水分子含量不大于100PPM,绝缘纯度高,从而辐照交联的电缆在电性能、机械性能方面有独特的优良特性,电缆寿命可达60年,同时电缆具有重量轻、结构简单、敷设不受落差限制等特点。
YJV、YJLV 辐照交联聚乙烯绝缘聚氯乙烯护套电力电缆YJY、YJLY 辐照交联聚乙烯绝缘聚乙烯护套电力电缆YJV22、YJLV22辐照交联聚乙烯绝缘钢带铠装聚氯乙烯护套电力电缆YJV23、YJLV23辐照交联聚乙烯绝缘钢带铠装聚乙烯护套电力电缆YJV32、YJLV32辐照交联聚乙烯绝缘细钢丝铠装聚氯乙烯护套电力电缆YJV33、YJLV33辐照交联聚乙烯绝缘细钢丝铠装聚乙烯护套电力电缆VV、VLV、VY、VLY、YJV、YJLV、YJY、YJLY适用于室内外敷设。
可经受一定的敷设牵引,但不能承受机械外力作用的场合。
单芯电缆不允许敷设在磁性管道中。
VV22、VLV22、VV23、VLV23、YJV22、YJLV22、YJV23、YJLV23敷设在室内、隧道、电缆沟,能够承受一定的机械外力,不能承受过大的拉力。
VV32、、VLV32、VV33、、VLV33、YJV32、YJLV32、YJV33、YJLV33敷设在室内、隧道、电缆沟,能够承受一定的机械外力。
VV32、、VLV32、VV33、、VLV33、YJV32、YJLV32、YJV33、YJLV33敷设在室内、隧道、电缆沟,能够承受一定的机械外力。
基本结构:导体-交联聚乙烯绝缘-内护套-钢带铠装-聚氯乙烯护套辐照交联聚烯烃(主要材料是聚乙烯)电线电缆主要用于耐热建筑线、汽车线、航空导线、机车线电线和电机电器引接线等。
电缆线标准RV 铜芯聚氯乙烯绝缘安装软线;RVB 铜芯聚氯乙烯绝缘平型连接线软线;BVS 铜芯聚氯乙烯绝缘绞型软线;RVV 铜芯聚氯乙烯绝缘聚氯乙烯护套软线;BYR 聚乙烯绝缘软电线;BYVR 聚乙烯绝缘聚氯乙烯护套软线;RY 聚乙烯绝缘软线;RYV 聚乙烯绝缘聚氯乙烯护套软线3)电缆的型号由八部分组成:一、用途代码-不标为电力电缆,K为控制缆,P为信号缆;二、绝缘代码-Z油浸纸,X橡胶,V聚氯乙稀,YJ交联聚乙烯三、导体材料代码-不标为铜,L为铝;四、内护层代码-Q铅包,L铝包,H橡套,V聚氯乙稀护套五、派生代码-D不滴流,P干绝缘;六、外护层代码七、特殊产品代码-TH湿热带,TA干热带;八、额定电压-单位KV有关电缆型号的问题1、SYV:实心聚乙烯绝缘射频同轴电缆2、SYWV(Y):物理发泡聚乙绝缘有线电视系统电缆,视频(射频)同轴电缆(SYV、SYWV、SYFV)适用于闭路监控及有线电视工程SYWV(Y)、SYKV 有线电视、宽带网专用电缆结构:(同轴电缆)单根无氧圆铜线物理发泡聚乙烯(绝缘)(锡丝铝)聚氯乙烯(聚乙烯)3、信号控制电缆(RVV护套线、RVVP屏蔽线)适用于楼宇对讲、防盗报警、消防、自动抄表等工程RVVP:铜芯聚氯乙烯绝缘屏蔽聚氯乙烯护套软电缆电压300V/300V2-24芯用途:仪器、仪表、对讲、监控、控制安装4、RG:物理发泡聚乙烯绝缘接入网电缆用于同轴光纤混合网(HFC)中传输数据模拟信号5、KVVP:聚氯乙烯护套编织屏蔽电缆用途:电器、仪表、配电装置的信号传输、控制、测量6、RVV(227IEC52/53)聚氯乙烯绝缘软电缆用途:家用电器、小型电动工具、仪表及动力照明7、AVVR 聚氯乙烯护套安装用软电缆8、SBVV HYA 数据通信电缆(室内、外)用于电话通信及无线电设备的连接以及电话配线网的分线盒接线用9、RV、RVP 聚氯乙烯绝缘电缆10、RVS、RVB 适用于家用电器、小型电动工具、仪器、仪表及动力照明连接用电缆11、BV、BVR 聚氯乙烯绝缘电缆用途:适用于电器仪表设备及动力照明固定布线用12、RIB 音箱连接线(发烧线)13、KVV 聚氯乙烯绝缘控制电缆用途:电器、仪表、配电装置信号传输、控制、测量14、SFTP 双绞线传输电话、数据及信息网15、UL2464 电脑连接线16、VGA 显示器线17、SYV 同轴电缆无线通讯、广播、监控系统工程和有关电子设备中传输射频信号(含综合用同轴电缆)18、SDFAVP、SDFAVVP、SYFPY 同轴电缆,电梯专用19、JVPV、JVPVP、JVVP 铜芯聚氯乙烯绝缘及护套铜丝编织电子计算机控制电缆电线电缆命名与型号电线电缆命名与型号命名原则及案例:电线电缆的完整命名通常较为复杂,所以人们有时用一个简单的名称(通常是一个类别的名称)结合型号规格来代替完整的名称,如“低压电缆”代表0.6/1kV级的所有塑料绝缘类电力电缆。
电线电缆国家标准关于电线电缆线芯的允许长期工作温度,橡皮绝缘通常为65℃,聚氯乙烯绝缘为70℃,交联聚乙烯绝缘为90℃;短路时(最长持续时间不超过5s)导体的最高允许温度:聚氯乙烯绝缘为160℃,交联聚乙烯绝缘为250℃。
一、XLPE电缆与PVC电缆的区别:1.低压交联(XLPE)电缆自九十年代中期投入应用以来,发展迅速,目前已与聚氯乙烯(PVC)电缆各占市场一半份额。
交联电缆与聚氯乙烯电缆相比较,载流量较高,过载能力较强,使用寿命较长(PVC电缆环境较好时热寿命一般为20年,而XLPE电缆热寿命一般为40年);PVC燃烧时会分解释放大量黑烟和有毒气体,而XLPE燃烧时不会产生卤素有毒气体,交联电缆的优越性日益为设计和使用部门所认识。
2.普通PVC电线电缆(绝缘和护套)燃烧时延燃迅速,助长火势,1~2min即丧失供电能力,其燃烧分解释放的黑烟可达伸手不见五指的程度,造成人员呼吸和疏散困难。
更为严重的是,PVC燃烧时会分解释放氯化氢(HCL)和二噁英等剧毒腐蚀性卤素气体,是火灾中致人死命的主要原因(占火灾死亡因素的80%),并成稀盐酸导形电膜附着在电气设备上,严重降低设备的绝缘性能,形成难以清除的二次灾害。
二、阻燃电线电缆1.阻燃电线电缆应具有阻燃特性,根据《成束电线电缆燃烧试验方法》GB/T18380.3-2001,可分为A、B、C三种阻燃等级,A级阻燃性能最高。
美国标准和技术研究所对阻燃和非阻燃电线进行了对比燃烧试验,下列试验结果可以说明采用阻燃电线电缆的重要意义:a、阻燃电线比非阻燃电线可以提供15倍以上的逃生时间;b、阻燃电线烧掉的材料仅为非阻燃电线的1/2;c、阻燃电线的热释放率仅为非阻燃电线的1/4;d、燃烧产生的毒气量仅为非阻燃产品的1/3;e、产烟性能,阻燃产品与非阻燃产品无明显区别。
2 .无卤低烟电线电缆无卤低烟电线电缆应具有无卤、低烟及阻燃的性能,其指标为:GB/T17650.2-1999(无卤试验) GB/T17651.2-1998(低烟试验) PH加权电导率最小透光率PH≥4.3 r≤10us/mm T≥60%3.耐火电缆a.耐火电缆的燃烧试验指标(供火温度和时间),《电线电缆耐火特性试验方法》GB12666.6-90规定为:A级950~1000℃、90分钟;B级750~800℃、90分钟。
电线电缆国家标准电线电缆国家标准电线电缆国家标准一、辐照交联电力电缆(电压等级:0.6/1KV;执行标准:GB/T12706.1-2002)辐照交联电缆是利用高能射线轰击聚其分子链中的氢原子排出,于是分子链上产生空隙,相邻的分子链结合在一起形成-C-C-交联键,形成了网状的大分子立体结构而构成交联聚乙烯。
通过辐照后的交联聚乙烯热性能可达到105度,辐照交联为物理交联方式,整个交联没有水的介入,其绝缘中的水分子含量不大于100PPM,绝缘纯度高,从而辐照交联的电缆在电性能、机械性能方面有独特的优良特性,电缆寿命可达60年,同时电缆具有重量轻、结构简单、敷设不受落差限制等特点。
YJV、YJLV 辐照交联聚乙烯绝缘聚氯乙烯护套电力电缆YJY、YJLY 辐照交联聚乙烯绝缘聚乙烯护套电力电缆YJV22、YJLV22辐照交联聚乙烯绝缘钢带铠装聚氯乙烯护套电力电缆YJV23、YJLV23辐照交联聚乙烯绝缘钢带铠装聚乙烯护套电力电缆YJV32、YJLV32辐照交联聚乙烯绝缘细钢丝铠装聚氯乙烯护套电力电缆YJV33、YJLV33辐照交联聚乙烯绝缘细钢丝铠装聚乙烯护套电力电缆VV、VLV、VY、VLY、YJV、YJLV、YJY、YJLY 适用于室内外敷设。
可经受一定的敷设牵引,但不能承受机械外力作用的场合。
单芯电缆不允许敷设在磁性管道中。
VV22、VLV22、VV23、VLV23、YJV22、YJLV22、YJV23、YJLV23敷设在室内、隧道、电缆沟,能够承受一定的机械外力,不能承受过大的拉力。
VV32、、VLV32、VV33、、VLV33、YJV32、YJLV32、YJV33、YJLV33敷设在室内、隧道、电缆沟,能够承受一定的机械外力。
VV32、、VLV32、VV33、、VLV33、YJV32、YJLV32、YJV33、YJLV33敷设在室内、隧道、电缆沟,能够承受一定的机械外力。
基本结构:导体-交联聚乙烯绝缘-内护套-钢带铠装-聚氯乙烯护套辐照交联聚烯烃(主要材料是聚乙烯)电线电缆主要用于耐热建筑线、汽车线、航空导线、机车线电线和电机电器引接线等。
中华人民共和国电线电缆安全标准(一)中华人民共和国电线电缆安全标准简介•电线电缆是现代社会不可或缺的基础设施,在各行各业中发挥着重要作用。
•为了保障电线电缆的安全性和可靠性,中华人民共和国制定了一系列的电线电缆安全标准。
标准分类•GB 《电线电缆耐热型橡皮绝缘软线》–此标准规定了电线电缆的材料、结构、性能和试验要求等内容,确保其在高温环境下的安全可靠性。
•GB 《耐油型橡皮绝缘软线》–该标准主要适用于橡胶绝缘耐油软电线电缆,规定了其耐油性能和试验方法等要求,以确保在油污环境下的安全使用。
•GB 《电线电缆抗酸、碱、臭氧和紫外线老化型聚氯乙烯绝缘挤包电线电缆》–此标准规定了聚氯乙烯绝缘挤包电线电缆的材料、结构、性能和试验要求,以确保其在酸碱腐蚀和紫外线辐射等恶劣环境下的安全可靠性。
•GB 《电热装置施工用耐热卷筒电缆》–该标准规定了电热装置施工用耐热卷筒电缆的材料、结构、性能和试验方法等要求,确保其在高温环境下的安全可靠性。
•GB 《降低火灾危险性特殊用途电缆》–此标准规定了降低火灾危险性特殊用途电缆的材料、结构、性能和试验要求,以确保其在特殊场合下对火灾的防护能力。
标准执行•以上列举的标准中,其中大部分为GB国家标准,由国家质量监督检验检疫总局和国家标准化管理委员会联合发布。
•这些标准均为法定标准,对于生产和销售电线电缆的相关企业具有强制性执行力。
标准的重要性•电线电缆作为电力传输和信息传输的关键设备,其安全性和可靠性直接关系到人民群众的生命财产安全,以及国家经济的发展。
•中华人民共和国电线电缆安全标准的制定和执行,为保障人民群众和国家的利益起到了重要的作用。
结论•中华人民共和国电线电缆安全标准的制定和执行对于确保电线电缆的安全可靠性至关重要。
•在生产和使用电线电缆时,应严格遵守相关标准,保障人民群众和国家的安全利益。
电线电缆国家标准摘要本文档介绍了电线电缆国家标准的背景、目的以及应用范围。
文章还深入探讨了电线电缆国家标准的重要性,以及其对电线电缆行业的影响。
1. 引言电线电缆是电力传输和电能转换的重要组成部分,广泛应用于各个领域,如建筑、交通、通信和能源等。
由于电线电缆的重要性,保障其质量和安全性成为了当前电线电缆行业的重要任务。
为了实现电线电缆产品的标准化和规范化生产,国家标准化管理机构制定了电线电缆国家标准。
2. 背景与目的电线电缆国家标准的制定是为了保证电线电缆产品的质量和安全性,规范行业内的生产和检验流程,促进电线电缆行业的可持续发展。
在电线电缆行业,不同的产品和材料有着各自的特点和用途。
因此,制定不同的国家标准可以确保电线电缆产品符合相应的技术要求和使用标准,并可根据具体需要选择合适的标准。
电线电缆国家标准还致力于对行业进行监管,保障消费者和用户的权益。
通过制定和实施国家标准,可以防止低质量和不安全的电线电缆产品流入市场,从而保证人身和财产的安全。
3. 应用范围电线电缆国家标准涵盖了电线电缆产品的生产、测试、使用和管理等各个环节。
主要包括以下方面:3.1 产品分类与命名电线电缆根据其用途、结构和外观可以分为多种类型。
国家标准对于电线电缆产品的分类和命名提供了明确的规定,以便用户能够准确选择和使用合适的产品。
3.2 材料要求不同的电线电缆产品需要使用不同的材料,如导体材料、绝缘材料、护套材料等。
国家标准规定了这些材料的技术要求和性能指标,以确保产品的质量和安全性。
3.3 生产工艺与要求电线电缆的生产过程需要遵循一系列的工艺要求,并确保每一步都符合标准规定。
国家标准对生产过程进行了详细的规范,包括材料的选择、成型、绝缘、护套、检验等。
3.4 检测与验收为了保证电线电缆产品的质量,国家标准对产品的检测与验收提出了具体要求。
包括检测方法、检测设备、检测标准以及验收的判定标准等。
3.5 使用与管理电线电缆的安全使用和管理对于预防事故和确保正常运行至关重要。
电线电缆国家标准一、辐照交联电力电缆(电压等级:0.6/1KV;执行标准:GB/T12706.1-2002)辐照交联电缆是利用高能射线轰击聚其分子链中的氢原子排出,于是分子链上产生空隙,相邻的分子链结合在一起形成-C-C-交联键,形成了网状的大分子立体结构而构成交联聚乙烯。
通过辐照后的交联聚乙烯热性能可达到105度,辐照交联为物理交联方式,整个交联没有水的介入,其绝缘中的水分子含量不大于100PPM,绝缘纯度高,从而辐照交联的电缆在电性能、机械性能方面有独特的优良特性,电缆寿命可达60年,同时电缆具有重量轻、结构简单、敷设不受落差限制等特点。
YJV、YJLV 辐照交联聚乙烯绝缘聚氯乙烯护套电力电缆YJY、YJLY 辐照交联聚乙烯绝缘聚乙烯护套电力电缆YJV22、YJLV22辐照交联聚乙烯绝缘钢带铠装聚氯乙烯护套电力电缆YJV23、YJLV23辐照交联聚乙烯绝缘钢带铠装聚乙烯护套电力电缆YJV32、YJLV32辐照交联聚乙烯绝缘细钢丝铠装聚氯乙烯护套电力电缆YJV33、YJLV33辐照交联聚乙烯绝缘细钢丝铠装聚乙烯护套电力电缆VV、VLV、VY、VLY、YJV、YJLV、YJY、YJLY适用于室内外敷设。
可经受一定的敷设牵引,但不能承受机械外力作用的场合。
单芯电缆不允许敷设在磁性管道中。
VV22、VLV22、VV23、VLV23、YJV22、YJLV22、YJV23、YJLV23敷设在室内、隧道、电缆沟,能够承受一定的机械外力,不能承受过大的拉力。
VV32、、VLV32、VV33、、VLV33、YJV32、YJLV32、YJV33、YJLV33敷设在室内、隧道、电缆沟,能够承受一定的机械外力。
VV32、、VLV32、VV33、、VLV33、YJV32、YJLV32、YJV33、YJLV33敷设在室内、隧道、电缆沟,能够承受一定的机械外力。
基本结构:导体-交联聚乙烯绝缘-内护套-钢带铠装-聚氯乙烯护套辐照交联聚烯烃(主要材料是聚乙烯)电线电缆主要用于耐热建筑线、汽车线、航空导线、机车线电线和电机电器引接线等。
电线电缆国家标准一、辐照交联电力电缆(电压等级:0.6/1KV;执行标准:GB/T12706.1-2002)辐照交联电缆是利用高能射线轰击聚其分子链中的氢原子排出,于是分子链上产生空隙,相邻的分子链结合在一起形成-C-C-交联键,形成了网状的大分子立体结构而构成交联聚乙烯。
通过辐照后的交联聚乙烯热性能可达到105度,辐照交联为物理交联方式,整个交联没有水的介入,其绝缘中的水分子含量不大于100PPM,绝缘纯度高,从而辐照交联的电缆在电性能、机械性能方面有独特的优良特性,电缆寿命可达60年,同时电缆具有重量轻、结构简单、敷设不受落差限制等特点。
YJV、YJLV 辐照交联聚乙烯绝缘聚氯乙烯护套电力电缆YJY、YJLY 辐照交联聚乙烯绝缘聚乙烯护套电力电缆YJV22、YJLV22辐照交联聚乙烯绝缘钢带铠装聚氯乙烯护套电力电缆YJV23、YJLV23辐照交联聚乙烯绝缘钢带铠装聚乙烯护套电力电缆YJV32、YJLV32辐照交联聚乙烯绝缘细钢丝铠装聚氯乙烯护套电力电缆YJV33、YJLV33辐照交联聚乙烯绝缘细钢丝铠装聚乙烯护套电力电缆VV、VLV、VY、VLY、YJV、YJLV、YJY、YJLY适用于室内外敷设。
可经受一定的敷设牵引,但不能承受机械外力作用的场合。
单芯电缆不允许敷设在磁性管道中。
VV22、VLV22、VV23、VLV23、YJV22、YJLV22、YJV23、YJLV23敷设在室内、隧道、电缆沟,能够承受一定的机械外力,不能承受过大的拉力。
VV32、、VLV32、VV33、、VLV33、YJV32、YJLV32、YJV33、YJLV33敷设在室内、隧道、电缆沟,能够承受一定的机械外力。
VV32、、VLV32、VV33、、VLV33、YJV32、YJLV32、YJV33、YJLV33敷设在室内、隧道、电缆沟,能够承受一定的机械外力。
基本结构:导体-交联聚乙烯绝缘-内护套-钢带铠装-聚氯乙烯护套辐照交联聚烯烃(主要材料是聚乙烯)电线电缆主要用于耐热建筑线、汽车线、航空导线、机车线电线和电机电器引接线等。
【最新整理,下载后即可编辑】电线电缆国家标准一、辐照交联电力电缆(电压等级:0.6/1KV;执行标准:GB/T12706.1-2002)辐照交联电缆是利用高能射线轰击聚其分子链中的氢原子排出,于是分子链上产生空隙,相邻的分子链结合在一起形成-C-C-交联键,形成了网状的大分子立体结构而构成交联聚乙烯。
通过辐照后的交联聚乙烯热性能可达到105度,辐照交联为物理交联方式,整个交联没有水的介入,其绝缘中的水分子含量不大于100PPM,绝缘纯度高,从而辐照交联的电缆在电性能、机械性能方面有独特的优良特性,电缆寿命可达60年,同时电缆具有重量轻、结构简单、敷设不受落差限制等特点。
YJV、YJLV 辐照交联聚乙烯绝缘聚氯乙烯护套电力电缆YJY、YJLY 辐照交联聚乙烯绝缘聚乙烯护套电力电缆YJV22、YJLV22辐照交联聚乙烯绝缘钢带铠装聚氯乙烯护套电力电缆YJV23、YJLV23辐照交联聚乙烯绝缘钢带铠装聚乙烯护套电力电缆YJV32、YJLV32辐照交联聚乙烯绝缘细钢丝铠装聚氯乙烯护套电力电缆YJV33、YJLV33辐照交联聚乙烯绝缘细钢丝铠装聚乙烯护套电力电缆VV、VLV、VY、VLY、YJV、YJLV、YJY、YJLY适用于室内外敷设。
可经受一定的敷设牵引,但不能承受机械外力作用的场合。
单芯电缆不允许敷设在磁性管道中。
VV22、VLV22、VV23、VLV23、YJV22、YJLV22、YJV23、YJLV23敷设在室内、隧道、电缆沟,能够承受一定的机械外力,不能承受过大的拉力。
VV32、、VLV32、VV33、、VLV33、YJV32、YJLV32、YJV33、YJLV33敷设在室内、隧道、电缆沟,能够承受一定的机械外力。
VV32、、VLV32、VV33、、VLV33、YJV32、YJLV32、YJV33、YJLV33敷设在室内、隧道、电缆沟,能够承受一定的机械外力。
基本结构:导体-交联聚乙烯绝缘-内护套-钢带铠装-聚氯乙烯护套辐照交联聚烯烃(主要材料是聚乙烯)电线电缆主要用于耐热建筑线、汽车线、航空导线、机车线电线和电机电器引接线等。
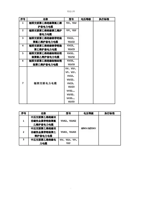
二、中压交联聚乙烯绝缘电力电缆(电压等级:6/6KV-26/35KV;执行标准:GB/T12706.2-2002)中压交联聚乙电缆采用了全干式化学交联方法使用聚乙烯分子由线型分子结构变为空间网状结构,使热塑性的聚乙烯转变为热固性的交联聚乙烯,使其机械性能、热老化性能及环境应力能力在很大的程度上得到提高,并具有优良的电气性能。
具有异体正常运行温度高、结构简单、外径小、重量轻、使用方便、不受敷设落差限制等特性。
适用于工频额定电压1-35KV配电系统。
YJV62、YJLV62交联聚乙烯绝缘双非磁性金属带铠装聚氯乙烯护套电力电缆。
YJV63、YJLV63交联聚乙烯绝缘双非磁性金属带铠装聚乙烯护套电力电缆。
YJV63、YJLV63交联聚乙烯绝缘双非磁性金属带铠装聚乙烯护套电力电缆。
其它型号与辐照交联类似(只是电压不同)YJV、YJLV、YJY、YJLY适用于室内敷设。
可经受一定的敷设牵引,但不能承受机械外力作用的场合。
单芯电缆不允许敷设在磁性管道中。
YJV22、YJLV22、YJV23、YJLV23敷设在室内、隧道、电缆沟,能够承受一定的机械外力,不能承受过大的拉力。
YJV22、YJLV22、YJV23、YJLV23敷设在室内、隧道、电缆沟,能够承受一定的机械外力,不能承受过大的拉力。
YJV32、、YJLV32、YJV33、、YJLV33适用于高落差地区,能承受一定的机械外力作用和相当的拉力。
YJV62、YJLV62、YJV63、YJLV63用于交流回路的单芯电缆,应采用非磁性材料铠装。
YJV62、YJLV62、YJV63、YJLV63用于交流回路的单芯电缆,应采用非磁性材料铠装。
三、高压交联聚乙烯绝缘电力电缆(电压等级:64/110KV,执行标准:GB/T 11017-[/B]2002;127/220KV、290/500KV)XLPE电缆有极佳的气性能,介质损耗比纸绝缘和PVC绝缘都要小,XLPE电缆的电容也小,在没有有效星形接地地系统中也可降低充电电流和接地故障电流。
容易敷设是XLPE电缆的一大优点,与其它电力电缆相比,XLPE电缆弯曲半径较小,重量轻,终端处理简单,由于XLPE电缆不含油,所以在敷设时不用过多考虑线路要求,更不存在由于淌油而无法敷设的情况。
极佳的抗老特性及超强的耐热变形性决定了交联聚乙烯电缆在正常运行温度90度,短时故障130度,及短路250摄氏度条件下可负载大电流。
极佳的抗老特性及超强的耐热变形性决定了交联聚乙烯电缆在正常运行温度90度,短时故障130度,及短路250摄氏度条件下可负载大电流。
YJV YJLV交联聚乙烯绝缘聚氯乙烯护套电力电缆YJY、YJLY交联聚乙烯绝缘聚乙烯护套电力电缆YJLW02、YJLLW02交联聚乙烯绝缘皱皮铝套聚氯乙烯护套电力电缆YJLW03、YJLLW03交联聚乙烯绝缘皱皮铝套聚乙烯护套电力电缆以下省略以下省略电缆结构:导体-导体屏蔽-绝缘-绝缘屏蔽-阻水层-金属屏蔽-金属护套-沥青层-护套层-石墨层四、控制电缆(执行标准:GB9330-88;电压等级:450/750V)-1、产品采用聚氯乙烯或辐照交联聚乙烯作为绝缘层,具有优良的导电性能、机械性能及化学稳定性能,适用于额定电压0.6/1KV及以下控制,监控回路用保护线路等保护场合使用。
电缆的导体长期允许工作温度为70摄氏度,辐照交联聚乙烯电缆其导体长期允许工作温度为90度;2、电缆敷设温度不低于0度;3、推荐允许敷设弯曲半径:无铠装层的电缆应不小于电缆外形的6倍,有铠装层或屏蔽层。
3、推荐允许敷设弯曲半径:无铠装层的电缆应不小于电缆外形的6倍,有铠装层或屏蔽层。
KVV、KYJV 聚氯乙烯绝缘(辐照交联聚乙烯绝缘)聚氯乙烯护套控制电缆KVVP、KYJVP聚氯乙烯绝缘(辐照交联聚乙烯绝缘)聚氯乙烯护套编织屏蔽控制电缆KVVP22、KYJVP22聚氯乙烯绝缘(辐照交联聚乙烯绝缘)聚氯乙烯护套铜带屏蔽控制电缆KVV22、KYJV22聚氯乙烯绝缘(辐照交联聚乙烯绝缘)聚氯乙烯护套钢带铠装控制电缆KVV32、KYJV32聚氯乙烯绝缘(辐照交联聚乙烯绝缘)聚氯乙烯护套细钢丝铠装控制电缆KVVR、KYJVR聚氯乙烯绝缘(辐照交联聚乙烯绝缘)聚氯乙烯护套控制软电缆KVVRP、KYJVRP聚氯乙烯绝缘(辐照交联聚乙烯绝缘)聚氯乙烯护套编织屏蔽控制软电缆KVV、KYJV敷设在室内,电缆沟、管道等固定场合。
KVVP、KYJVP、KVVP2、KYJVP2敷设在室内、电缆沟、管道等要求屏蔽的场合KVV22、KYJV22敷设在室内,电缆沟、管道、直埋等能承受较大外力等固定场合KVV32、KYJV32敷设在室内,电缆沟、管道、竖井等能承受较大机械拉力等固定场合KVVR、KYJVR敷设在室内移动要求柔软等场合KVVRP、KYJVRP敷设在室内移动要求柔软、屏蔽等场合KVVRP、KYJVRP敷设在室内移动要求柔软、屏蔽等场合控制电缆主要用于:电器、仪表、配电装置信号传输、控制、测量等五、计算机电缆(电压等级:0.45/0.75KV,企标)本产品使用于交流额定电压为300/500及以下,对于防干扰性能要求高的计算机、检测仪器、控制系统仪连接用的屏蔽电缆,用于高抗干扰性的模拟量数据传输。
本产品使用于交流额定电压为300/500及以下,对于防干扰性能要求高的计算机、检测仪器、控制系统仪连接用的屏蔽电缆,用于高抗干扰性的模拟量数据传输。
1、电缆长期允许工作量不超过70摄氏度。
2、电缆敷设的温度不低于0摄氏度。
3、电缆弯曲半径不小于电缆外径的10倍。
DJYPV铜芯聚乙烯绝缘,对绞铜丝编织屏蔽、聚氯乙烯护套电子计算机电缆DJYP2V铜芯聚乙烯绝缘,对绞铜带屏蔽、聚氯乙烯护套电子计算机电缆DJYP3VDJYP3V铜芯聚乙烯绝缘,对绞铝/塑复合带屏蔽、聚氯乙烯护套电子计算机电缆DJYPV22铜芯聚乙烯绝缘,对绞铜丝编织屏蔽、钢带铠装、聚氯乙烯护套电子计算机电缆DJYP2V22铜芯聚乙烯绝缘,对绞铜带屏蔽、钢带铠装、聚氯乙烯护套电子计算机电缆DJYPVP2-22铜芯聚乙烯绝缘,对绞铜带屏蔽、钢速铠装、聚氯乙烯护套电子计算机电缆DJYPVP2-22铜芯聚乙烯绝缘,对绞铜带屏蔽、钢速铠装、聚氯乙烯护套电子计算机电缆DJYPV结构:铜导电线芯-聚乙烯绝缘-屏蔽连接线、聚脂薄膜绕包-铜带或铝/塑或铜丝编织屏蔽-绕包层-聚氯乙烯套六、架空绝缘电缆(电压等级:0.6/1KV、8.7/15KV、26/35KV;执行标准:三个)1、本产品用于敷设在额定工频电压35KV及以下的架空电力线路中,作输配电能用,电缆导体允许工作温度为90度,短路时电缆的最高温度为250摄氏度。
2、电缆的敷设温度不低于-20摄氏度。
3、电缆敷设时允许弯曲半径不小于电缆直径的12倍。
具体型号有以下几种:1KV:JKLYJ、JKYJ、JKLGYJ;10KV:JKLYJ;10KV及35KV:JKLYJ、JKLGYJ七、铝绞线及钢芯铝绞线(电压等级:0.6/1KV;执行标准:GB/T 1179-1999)本产品适用于野外露天架空敷设,用于低、中、高压线路的电能输配,产品重量轻,强度高、抗腐蚀、敷设不受落差限制,耐受各种环境。
钢芯铝绞线:LGJ;适用范围:高压和超高压,受力大,大跨越输电线路。
铝绞线:LJ;适用范围:受力不大,档距较小的一般输配电线路。
铝绞线:LJ;适用范围:受力不大,档距较小的一般输配电线路。
八、耐火电缆(电压等级:0.45/0.75、0.6/1KV;执行标准:GB/T 19666-2005,GB/T12706.1-2002)耐火电缆用于高层建筑、地铁、电站及一些重要场所等,具有防火特性的环境场合。
除了在0.6/1KV额定工作电压下传送电力外,还可在燃烧情况下保质一定时间的安全运行,在950-1000摄氏度高温火焰燃烧的情况下保持安全运行3个小时,这样大大提高了耐火电缆的使用安全系数,为救助火灾赢得了一定时间。
耐火电缆用于高层建筑、地铁、电站及一些重要场所等,具有防火特性的环境场合。
除了在0.6/1KV额定工作电压下传送电力外,还可在燃烧情况下保质一定时间的安全运行,在950-1000摄氏度高温火焰燃烧的情况下保持安全运行3个小时,这样大大提高了耐火电缆的使用安全系数,为救助火灾赢得了一定时间。
使用范围:1、本产品适用于额定电压0.6/1KV的电力传输及分配线路。
2、导体最高长期工作温度为70度,短路时(最长持续时间不超过5S)电缆的最高温度不超过160度。
3、敷设电缆时的环境温度应不低于0摄氏度,其最小弯曲半径就不小于电缆外径的12倍。