2016四川大学化工原理真题解析
- 格式:docx
- 大小:75.32 KB
- 文档页数:8
一、基础题1.运动黏度(给了管道直径和运动黏度,最后算的是流量,解题主线是运动黏度)2.重力沉降速度(给了降尘室的长、宽、高,最后算的水平方向的速度,解题主线是层流区重力沉降的公式)3.精馏塔板上的关系(y n+1,y n和x n,x n-1,类似于2009年第15题)(出了6个空)4.固体流态化(三个区选择,之前没考过,看《化工原理学习指导》知识点中有介绍,课后习题有出过一次填空题)5.精馏的小计算(根据操作线和平衡方程)6.湿空气的空气湿度和温度的变化关系(H-I图)7.汽蚀和气缚区别(知道哪个是汽蚀哪个是气缚)8.气体通过一层他办的压降包括3个(干板、气液、表面张力,类似于2010年第17题)9.板式塔负荷性能图变化(板间距增大,漏液线和液泛线怎么变化,类似于2009年第11题)10.恒定干燥阶段由什么控制,降速干燥阶段由什么控制(类似于2009年第12题)Tips:今年填空题没有出特别偏的小点,没有出直接的概念题,总体比往年都简单,特别是没有出单级萃取的计算二、流体输送两敞开液面(Δp=0),由离心泵从低位槽到高位槽,位差Δz已知,调节阀上不远处有U形管,一端开口通大气,且已知调节阀到高位槽的位差Δz',包括各种阻力的长度,已知λ的关系式,Re有范围,管道直径,质量流量,离心泵的效率,水的密度1.根据伯努利方程求离心泵的轴功率;2.求U形管的读数R(类似于2011年第二大题)整体思路:1.先算出u→判断Re能否用λ的关系式→整个过程的伯努利方程算出泵的高度H →Ne=ρghQ(不需用H=K+BQ2,这样算麻烦,直接用高度的伯努利方程就可以了)2.对调节阀处到高位槽或低位槽列伯努利方程(都可以),记着有速度→调节阀处的p→U形管方程三、非均向物系的分离先恒速再恒压,给了板框过滤机的长、宽、高,滤饼和滤液的体积之比ν,恒速过滤的速度,滤液量,滤布阻力对应的Ve,求恒压过滤的时间(类似于2009年的第三大题)整体思路:先求A和V饼,利用ν→求出V→恒速段列微分方程,恒压段列微分方程→两方程联立求解(一定要记得用恒速和恒压微分方程解题,因为最后的那个有个平方在那,并不是成线性的关系)四、传热单程列管换热器,已知壳程饱和蒸汽冷凝,且温度Ts已知,对流传热系数αo已知,饱和温度下排出,管程流体质量流量m s、平均恒压比热容c p、进出口温度t1,t2已知,传热面积A 已知,外管、内管直径已知,忽略污垢热阻求:1.总传热系数2.流量增加一倍,求出口温度(类似于2009年第四大题)整体思路:1.Q=m s c p(t2-t1)=K o AΔtm2.先出未变化的αi→再求出变化的α',根据0.8次幂→K'o→1中方程上下比一下得出一个比例式→求出出口温度五、精馏常压连续精馏二元体系,进料量和摩尔分数已知,平均相对挥发度已知,精馏段操作线方程已知,塔顶摩尔分数、塔底摩尔分数已知,R=1.25Rmin,精馏段气相流量求:1.q线方程和进料热状况2.塔釜上倒数第二块板单板液相效率(类似于2013年第五大题)整体思路:1.平衡方程,Rmin公式→q→q线方程→进料热状况2.由1算得R→联合精馏方程和气相流率→提馏段方程→Eml六、吸收纯溶剂吸收,总气体流量,入塔气体摩尔含量,(L/V)min已知且等于1.51L/V,相平衡关系已知,K Y a已知,吸收塔D已知,吸收塔高度h已知,回收率已知求:1.能不能达到回收率;2.改变入塔气体含量,问能不能还达到同样的回收率(类似于2009年第六大题)整体思路(个人观点):1.假设φ→N OG,假,根据h=H OG×N OG→N O→比较N OG,假与N O2.同1所示→N’OG,假→比较N’OG,假和N O七、干燥已知某温度饱和蒸汽压,进入预热器温度t0,出干燥器温度t2,出干燥器湿度H2,进干燥器物料温度ϴ1,物料量G1,出物料量ϴ2,已知,干燥器热损失为干燥器热负荷的2%,干燥器没有补充能量1.干物料量;2.预热器热负荷;3.干燥系统热效率(类似于2011年第七大题,2009年第七大题)整体思路:预热器:Q p=L(I2—I1),H1=H0干燥器:LI1+Gϴ1=LI2+Gϴ2+Q LQ L=2%Q pη=Q p/Q+Q'+Q L其中Q=L(H2-H1),Q'=G(ϴ1-ϴ2)→上式联立,推出L,Q p,η八、化工原理实验1.填空题(1)、填料塔用水吸收空气中的氨气,增大液体流量,问吸收系数和N OG怎么变化(类似于2010年实验的1.(3))(2)、物料恒定干燥实验中需要测量的量(类似于2004年实验的1(7))(3)、套管换热器螺线圈应加在什么位置?作用是什么?(类似于2012年实验的1.(3))(4)、离心泵流量的调节方法有哪些?(类似于2012年实验的1(2))(5)、在连续精馏实验中,进料位置不变,进料量不变,仅改变精馏操作的液相流率,问塔釜和塔顶组分怎么变化?(类似于2005年实验的1(6))(6)、恒压过滤实验中过滤常数的变化(类似于2003年实验题4)2.试验流程设计转子流量计的矫正及离心泵操作测定(类似于01年实验题)Tips:实验题总体难度较往年降低,实验问的也很正常,通过历年实验真题的训练,想必在填空部分不会有什么难度,设计部分也并没有像预测出成传热,流量计的矫正算是8个大纲实验中较为简单的一个总结:今年化工原理试题整体难度不大,尤其是小题部分更是没有在小点儿上做文章,较往年的小题难度下降,计算题部分也是中规中矩,思路清晰,部分小问运算量还是存在,但方法方式一目了然,没有思维上的障碍,总体难度不大,区分度不高,赢在细心。
干燥习题解答12.1 解:⑴ 水在25℃的饱和蒸汽压为:2kN/m182.3)84.2332511.39915916.18exp(152)84.23311.39915916.18exp(152=+-=+-=t p s空气湿度为:0204.0182.31100182.31622.0622.00=⨯-⨯=-=ss p P p H ϕϕkg 水汽/kg 绝干气体(2) 预热到120℃时,水在120℃下的饱和蒸汽压为:2kN/m792.199)84.23312011.39915916.18exp(152=+-=s p空气预热前后水汽分压不变,因此,空气预热至120℃的相对湿度为:%593.1792.199182.3===Sp p ϕ可见, 将空气由25℃加热至120℃,相对湿度从100%降至1.593%。
当水汽分压等于大气压时,相对湿度达到最大,即%05.50792.199100===Sp P ϕ12.2 解:水在15℃的饱和蒸汽压为:2kN/m712.1)84.2331511.39915916.18exp(152=+-=s p此时的空气湿度为:00852.0712.18.0325.101712.18.0622.00=⨯-⨯=H kg 水汽/kg 绝干气体湿比热:166.100852.0884.1005.1=⨯+=+=H C C C v g H kJ/kg 绝干气体·℃ 由于预热前后空气湿度不变,所以其焓值变化为:41.157)15150(166.1)(12=-⨯=-=∆t t C i H H kJ/kg 绝干气体12.3 解:水在40℃下的饱和蒸汽压为:2kN/m405.7)84.2334011.39915916.18exp(152=+-=s p空气湿度为:0285.0405.760.0325.101405.760.0622.00=⨯-⨯=H kg 水汽/kg 绝干气体空气水蒸汽分压为:2kN/m443.4405.76.0=⨯==s p p ϕ湿比热:059.10285.0884.1005.1=⨯+=H C kJ/kg 绝干气体·℃湿焓为:绝干气体kJ/kg 361.1130285.027.249140059.127.2491=⨯+⨯=+=H t C i H H12.4 解:水在20℃下的饱和蒸汽压为:2kN/m348.2)84.2332011.39915916.18exp(152=+-=s p新鲜空气湿度为:00877.0348.260.0325.101348.260.0622.01=⨯-⨯=H kg 水汽/kg 绝干气体湿焓为:绝干气体kJ/kg 279.42008877.027.249120)00877.0884.1005.1(1=⨯+⨯⨯+=H i水在50℃下的饱和蒸汽压为:2kN/m374.12)84.2335011.39915916.18exp(152=+-=s p此时,废气湿度为:0673.0374.1280.0325.101374.128.0622.01=⨯-⨯=H kg 水汽/kg 绝干气体废气的湿焓为:绝干气体kJ/kg 252.2240673.027.249150)0673.0884.1005.1(2=⨯+⨯⨯+=H i因此,混和气体的湿度为:0506.00673.07500877.072=⨯+⨯=H kg 水汽/kg 绝干气体混和气体湿焓为:绝干气体kJ/kg 260.172252.22475279.4272=⨯+⨯=H i混和气体水蒸汽分压为:2kN/m473.7374.1280.075348.260.072=⨯⨯+⨯⨯=p水在120℃下的饱和蒸汽压为:2kN/m792.199)84.23312011.39915916.18exp(152=+-=s p混和气体预热前后的水蒸汽分压不变,因此混和气体在120℃下的相对湿度为:%740.3792.199473.7===Sp p ϕ预热前后混和气体的湿度不变,H=0.0506。
化工原理试题及答案化学工程原理试题及答案(绝密不可到处公开)12月25日一、填空题(共15题,每题2分,共30分)1。
如果容器的真空计读数为10千帕,而当地大气压力为100千帕,则容器的绝对压力和表压(单位为千帕)分别为:(90kpa)和(-一、填空题(共15题,每题2分,共30分)1。
如果容器的真空计读数为10千帕,而当地大气压力为100千帕,则容器的绝对压力和表压(单位为千帕)分别为:(90千帕)和(:(90千帕)。
7.对于相同的流体,自然对流的对流传热系数小于自然对流。
(填写大的或小的)8。
一个物体的吸收率越大,它的辐射能力就越大,所以黑体的辐射能力就比灰体大。
(填写大的或小的)9。
用于蒸发操作的设备称为(蒸发器)。
10.根据是否使用二次蒸汽,蒸发可分为(单效蒸发)和(多效蒸发)。
二、选择题(共5道题,每道题2分,共10分)1道。
吸收操作的有利条件是:工作温度和压力高;B.高工作温度和低压力;C.低工作温度和压力;D.低工作温度和高压2。
精馏塔中上部塔板液相中轻组分的浓度低于下部塔板(a ),液相温度高于和低于下部塔板(a );B.高低;C.高,高;D.低,低3。
(四)塔内气液两相流一般为逆流,各塔板均有均匀的错流。
A.板式塔的传质意图:B.板式塔的设计过程:C.板式塔的恒定摩尔流量要求:D.板式塔4的设计意图。
恒定的干燥条件意味着干燥器中湿空气的(c)和与材料的接触模式不变。
a .温度、焓和湿度;B.流速、压力和湿度;C.流速、温度和湿度;D.温度、湿度、压力5。
对于湿材料的含水量,下列哪一项陈述是正确的?平衡水必须是自由水;B.平衡水必须是结合水;C.自由水必须是结合水;D.自由水必须是自由水。
当双组分液体混合物的相对挥发性为(c)时,它不能通过普通精馏分离。
当相对波动率为(A)时,可采用3.0修正方法;B.2.0。
C.1.0D.4.07以下陈述是错误的(b)。
a .板式塔中的气体和液体逐步接触,填料塔中的气体和液体不断接触;B.精馏用板式塔和吸收用填料塔;精馏可以同时使用板式塔和填料塔;D.填料塔可以避免淹没8。
化工原理试题及其答案剖析化工原理试题与答案一、填空题1.流体在一根圆形水平直管中流动,测得其平均流速为0.5 m·s-1,雷诺数 Re =1000,压降Δ p =10 Pa,问管中心处的最大流速为m·s-1。
若平均流速增大为1 m·s-1,则压降Δ p 为Pa。
2.反应器内流体的混和按考察的尺度可划分为混和和混和。
3.填料吸收塔正常操作时,若液气比增大,则吸收液的出塔浓度,吸收的推动力。
4.某间壁式换热器传热面积为2.5 m 2,传热平均温差为45 K,传热速率为 9000 W,则该换热器此时的总传热系数 K =。
5.气体的粘度值随温度的升高而;液体的粘度值随温度的升高而。
6.雷诺数 Re 是流体流动的判据。
流体在管道中流动,当 Re时为稳定层流;当 Re时,可以形成湍流;只有当 Re时,方可达到稳定的湍流。
7.活塞流反应器的量纲一平均停留时间(无因次平均停留时间)等于;其停留时间的量纲一方差(无因次方差)为。
8.在连续接触的填料塔内,进行定常等温吸收操作,填料层高度的计算,可由物料衡算式和吸收速率方程联列导出计算式, 填料层总高度等于和之乘积。
9.列举四种工业上常用的间壁式热交换器:、、、。
10.伯利方程 gZ 1 +ρ1p+221u+ W e = gZ 2 +ρ2p+222u+)2 1(, -∑fH 适用的条件是在流动时的流体。
11.从手册中查得某液体在25℃和 1 atm 时的粘度为 0.80 厘泊,试将其换算成国际单位制,粘度应为。
12.在研究流体流动规律时,要注意区分是定常(或称定态)流动和不定常(或称不定态)流动,稳定态和不稳定态。
如果所考察的流体流动过程或系统中任何一个部位或任何一个点上的流体性质和过程参数都不随时间而改变,则该过程为过程,反之,则为过程。
当流体流动过程的雷诺数大于1×10 4 时,可以认为是的湍流;当雷诺数在 2000 ~4000 之间流体的流动型态为的过渡区域。
你的得分: 69.0完成日期:2016年01月13日 10点15分说明:每道小题选项旁的标识是标准答案。
一、单项选择题。
本大题共20个小题,每小题 2.0 分,共40.0分。
在每小题给出的选项中,只有一项是符合题目要求的。
1.当不可压缩理想流体在水平放置的变径管路中作稳定的连续流动时,在管子直径缩小的地方,其静压力()。
A.不变B.增大C.减小D.不确定2.水在内径一定的圆管中稳定流动,若水的质量流量保持恒定,当水温度升高时,Re值将()。
A.变大B.变小C.不变D.不确定3.在测速管工作时,测压孔迎对流体流动方向时所测压力代表该处的(),此时测速管侧壁小孔所测压力代表该处的()。
A.动压,静压B.动压,动压与静压之和C.动压与静压之和,静压D.静压,动压与静压之和4.在下面几种叶轮中,()的效率最高。
A.开式叶轮B.半开式叶轮C.闭式叶轮5.某一离心泵在运行一段时期后,发现吸入口真空表读数不断下降,管路中的流量也不断减少直至断流。
经检查,电机、轴、叶轮都处在正常运转后,可以断定泵内发生()现象;应检查进口管路有否()。
A.气缚;泄漏现象B.汽蚀;堵塞C.气缚;堵塞D.汽蚀;泄漏现象6.用离心泵将水池的水抽吸到水塔中,设水池和水塔水面维持恒定,若离心泵在正常操作范围内工作,开大出口阀门将导致( )。
A.送水量增加,泵的压头下降B.送水量增加,泵的压头增大C.送水量增加,泵的轴功率不变D.送水量增加,泵的轴功率下降7.离心泵性能曲线中的H-Q线是在()的情况下测定的。
A.效率一定B.功率一定C.转速一定D.管路布置一定8.由离心泵和某一管路组成的输送系统,其工作点( ) 。
A.由泵铭牌上的流量和扬程所决定B.即泵的最大效率所对应的点C.由泵的特性曲线所决定D.是泵的特性曲线与管路特性曲线的交点9.某同学进行离心泵特性曲线测定实验,启动泵后,出水管不出水,泵进口处真空计指示真空度很高。
他对故障原因作了正确判断,排除了故障。
第一章 流体流动一、名词解释(每小题2分)31、法定计量单位:由国家以命令形式规定允许使用的计量单位。
62、稳定流动:流动系统中各截面上的流速、压强、密度等各有关物理量仅随位置变化不随时间变化。
63、不稳定流动:流动系统中各截面上的流速、密度、压强等随位置及时间而变。
64、流动边界层:流体流过壁面时,如果流体润湿壁面,则必然形成速度梯度很大的流体层叫流动边界层。
35、边界层分离:流体在一定条件下脱离壁面的现象叫边界层的分离。
66、速度梯度:dudy速度梯度,即在与流动方向垂直的y 方向上流体速度的变化率。
37、牛顿黏性定律:dyduμτ= 68、当量长度e l :把流体流过某一管件或阀门的局部阻力折算成相当于流过一段与它直径相同、长度为e l 的直管阻力。
所折算的直管长度称为该管件或阀门的当量长度。
69、因次分析法:用维数不多的无因次数群代替较多的变量,对一个复杂的物理现象可简化实验工作,该方法称为因次分析法。
310、相对粗糙度 :ε /d—相对粗糙度。
611、黏性:运动流体内部产生的阻碍流体向前运动的特性。
612、黏度:S yu F ∆∆=μ,μ—比例系数,流体的黏性愈大,其值愈大,所以称为粘滞系数或动力。
黏度,简称黏度。
312、点速度:流通截面上某一点的速度,可直接测量m/S 。
313、绝压:以绝对零压作起点计算的压强,称为绝对压强。
314、表压:表示被测流体的绝对压强比大气压强高出的数值,称为表压强。
315、真空度:真空度等于大气压强减去绝对压强。
二、单选择题(每小题2分)1.B 2B ;D ;C ;A 3A 4 D 5A 6C 7 B 8C 9 D 10B 11 B ;G 12 C 13 C 14 B B 15 E ;A 16 B 17 B 18 C 19 A 20 C 21 B 22 C 23 A 24 A 25 A 26 C 27 B 28 A 29 D 30 A 31 B 32 A 33 B三、填空题(每小题2分)1 e/d2 τ=μdu/dy ;牛顿3 动静压头之和;静压头4 位置;时间 5连续;垂直流动方向或流体流线平行 6 2;1/4 7滞流边界层厚度;湍流边界层厚度;滞流内层;主流区流速 8 MT -2L -1;MT -3L 2 9 增大;降低 10 u 1A 1ρ1 = u 2A 2ρ2= 常数;u 1d 12 =u 2d 22= 常数 12 1m/s ;20Pa 13 大;2.84 m 3/h 14 ()21122u Rg ρρρζ-=15 Pa 1=0;Pa 2= 100mmH 2O ;Pb 1=300mmH 2O ;Pb 3=340mmH 2O16 Pa ⋅s 或N ⋅s/m 2;m 2/s 17 1.6m ;0.4m 18.1/1619∑+++=++hfu P gz u P gz 2222222111ρρ∑+++=++ρρρρρhf u P g Z u P g Z 2222222111 20 2)(2u gR i ρρρζ-=21 0.5;0.8 22 2.8m/s ;连续性23 下降无黏性25 10;126 相等;流量之和27 大;0.295~2.95 28 增加;不变 29. 2 30 绝对压强 四、问答题 (每小题2分)31、如何判断一流体的流动类型?答:Re≤2000的流动称为层流流动,Re >4000的流动称为湍流流动。
化工原理试题库(下册)第一章蒸馏一、选择题1.当二组分液体混合物的相对挥发度为 ___C____时,不能用普通精馏方法分离。
2. A.3.0 B.2.0 C.某精馏塔用来分离双组分液体混合物,进料量为 100kmol/h ,进料组成为 , 要求塔顶产品浓度不小于,以上组成均为摩尔分率,则塔顶产品最大产量为 ____B______。
D.不能确定3.在t-x-y 相图中,液相与气相之间量的关系可按 ____D____求出。
A. 拉乌尔定律B.道尔顿定律C.亨利定律D.杠杆规则4.q线方程一定通过 X— y直角坐标上的点 ___B_____。
A.(Xw,Xw)B(XF,XF) C(XD,XD)D(0,XD/(R+1))5.二元溶液的连续精馏计算中,进料热状态参数q 的变化将引起( B )的变化。
A. 平衡线B.操作线与q线C.平衡线与操作线D.平衡线与q线6.精馏操作是用于分离(B )。
A . 均相气体混合物B.均相液体混合物C.互不相溶的混合物D.气—液混合物7. 混合液两组分的相对挥发度愈小,则表明用蒸馏方法分离该混合液愈__B___。
A 容易;B 困难;C 完全;D 不完全8.设计精馏塔时,若F、 x F、xD、xW均为定值,将进料热状况从 q=1 变为 q>1,但回流比取值相同,则所需理论塔板数将 ___B____,塔顶冷凝器热负荷 ___C___ ,塔釜再沸器热负荷___A___。
A 变大,B 变小,C 不变,D 不一定9.连续精馏塔操作时,若减少塔釜加热蒸汽量,而保持馏出量D和进料状况(F, xF,q )不变时,则L/V___B___ ,L′/V′___A___,x D___B___ , x W___A___ 。
A 变大,B 变小,C 不变,D 不一定10.精馏塔操作时,若F、x F、q,加料板位置、D和R不变,而使操作压力减小,则 x D___A___,x w___B___。
A 变大,B 变小,C 不变,D 不一定11.操作中的精馏塔,保持 F,x F,q,D 不变,若采用的回流比 R<Rmin,则 x D ___B___,x w___A___。
2017版四川大学《884化工原理》全套考研资料我们是布丁考研网川大考研团队,是在读学长。
我们亲身经历过川大考研,录取后把自己当年考研时用过的资料重新整理,从本校的研招办拿到了最新的真题,同时新添加很多高参考价值的内部复习资料,保证资料的真实性,希望能帮助大家成功考入川大。
此外,我们还提供学长一对一个性化辅导服务,适合二战、在职、基础或本科不好的同学,可在短时间内快速把握重点和考点。
有任何考川大相关的疑问,也可以咨询我们,学长会提供免费的解答。
更多信息,请关注布丁考研网。
以下为本科目的资料清单(有实物图及预览,货真价实):2017年四川大学《化工原理》全套考研资料包含:一、四川大学《化工原理》历年考研真题及答案解析2016年四川大学《化工原理》考研真题(含答案解析)(11月份统一更新)2015年四川大学《化工原理》考研真题(含答案解析)2014年四川大学《化工原理》考研真题(含答案解析)2013年四川大学《化工原理》考研真题(含答案解析)2012年四川大学《化工原理》考研真题(含答案解析)2011年四川大学《化工原理》考研真题(含答案解析)2010年四川大学《化工原理》考研真题(含答案解析)2009年四川大学《化工原理》考研真题(含答案解析)2008年四川大学《化工原理》考研真题(含答案解析)2007年四川大学《化工原理》考研真题(含答案解析)2006年四川大学《化工原理》考研真题(含答案解析)2005年四川大学《化工原理》考研真题(含答案解析)2004年四川大学《化工原理》考研真题(含答案解析)2003年四川大学《化工原理》考研真题(含答案解析)2002年四川大学《化工原理》考研真题(含答案解析)二、四川大学《化工原理》期中期末试题汇编历年期末真题五套,带考生走进川大考场,期末考题往往被誉为第二考研真题,请重视!三、四川大学《化工原理》考研复习笔记1、《化工原理》考研复习大纲2、《化工原理》本校辅导班讲义3、《化工原理》考研高分笔记4、《化工原理》总复习讲义及重要公式汇总四、四川大学《化工原理》考研复习题1、《化工原理》分章节测验题2、《化工原理》上下册模拟试题3、《化工原理》客观题汇总4、《化工原理》综合试题库十套5、《化工原理》最后五套核心冲刺试题6、《化工原理》课后习题详解五、赠送资料(电子版,发邮箱)1、川大老师上上课PPT(非常重要稀缺的新版课件,为杨雪峰、朱家骅老师上课课件,已加密,盗版资料的请绕道)2、川大老师化工原理教案3、天津大学化工原理考研真题8套。
四川理工学院半期测试卷(2015至2016学年第2学期)课程名称: 化工原理(上)适用班级:工艺、安全、应化、环境、能化、生工卓越、食品卓越14级等 考试 2016年 4月 日 共 页注意事项:1、 满分100分。
用蓝(或黑)色墨水的钢笔、签字笔、圆珠笔书写,要求卷面整洁、字迹工整、无错别字。
2、 考生必须将姓名、班级、学号完整、准确、清楚地填写在试卷规定的地方,否则视为废卷;考生只能带不具有存贮功能的计算器,而不能带文曲星、草稿纸进入考场,考试过程中不能借用其他同学的考试用具。
3、 考生必须在签到单上签到,若出现遗漏,后果自负。
4、 请将答案写在指定位置,否则不得分。
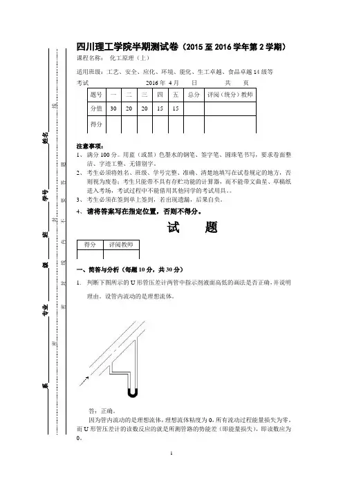
试 题一、简答与分析(每题10分,共30分)1. 判断下图所示的U 形管压差计两管中指示剂液面高低的画法是否正确,并说明理由。
设管内流动的是理想流体。
答:正确。
因为管内流动的是理想流体,理想流体粘度为0,所有流动过程能量损失为零。
而U 形管压差计的读数反应的就是所测管路的势能差(即能量损失),即读数应为0。
2.离心泵从河中抽水,当河面水位下降时,泵提供的流量如何变化,解释原因。
答:河面水位下降,Z ∆↑。
2e e H K BQ =+,∵pK Z gρ∆=+∆,∴K ↑,管路特性曲线上移,工作点上移 故泵提供的流量下降,压头增大。
3、不可压缩流体在均匀直管内作稳定流动时,其平均流速沿流程减小,这种说法对吗?为什么? 答:不对。
由连续性方程知道,221122u d u d =,流速与管径的平方成反比。
题为不可压缩流体在均匀直管内流动,即等直径管流动,故流速不变,不会沿流程减小。
二、用水泵向高位水箱供水(如附图所示),管路流量为150m 3/h ,泵轴中心线距水池液面和水箱液面的垂直距离分别为2.0m 和45m 。
泵吸入管与排出管分别为内径205mm 和内径180mm 的钢管。
吸入管管长50m (包括吸入管路局部阻力的当量长度),排出管管长200m (包括排出管路局部阻力的当量长度),吸入管和排出管的管壁粗糙度均为0.3mm ,水的密度1000 kg/m 3,粘度1.0×10-3 Pa ﹒s ,泵的效率为65%,圆管内湍流摩擦系数用下式计算:23.0Re 681.0⎪⎭⎫ ⎝⎛+=d ελ。
2016年普通高等学校招生全国统一考试(课标全国卷Ⅰ)理综化学可能用到的相对原子质量:H 1 C 12 N 14 O 16 Na 23 Cl 35.5 K 39 Cr 52 Mn 55 Ge 73 Ag 108第Ⅰ卷一、选择题:本题共7小题,每小题6分。
在每小题给出的四个选项中,只有一项是符合题目要求的。
7.化学与生活密切相关。
下列有关说法错误..的是( )A.用灼烧的方法可以区分蚕丝和人造纤维B.食用油反复加热会产生稠环芳烃等有害物质C.加热能杀死流感病毒是因为蛋白质受热变性D.医用消毒酒精中乙醇的浓度为95%8.设NA为阿伏加德罗常数值。
下列有关叙述正确的是( )A.14 g乙烯和丙烯混合气体中的氢原子数为2NAB.1 mol N2与4 mol H2反应生成的NH3分子数为2NAC.1 mol Fe溶于过量硝酸,电子转移数为2NAD.标准状况下,2.24 L CCl4含有的共价键数为0.4NA9.下列关于有机化合物的说法正确的是( )A.2-甲基丁烷也称为异丁烷B.由乙烯生成乙醇属于加成反应C.C4H9Cl有3种同分异构体D油脂和蛋白质都属于高分子化合物10.下列实验操作能达到实验目的的是( )A.用长颈漏斗分离出乙酸与乙醇反应的产物B.用向上排空气法收集铜粉与稀硝酸反应产生的NOC.配制氯化铁溶液时,将氯化铁溶解在较浓的盐酸中再加水稀释D.将Cl2与HCl混合气体通过饱和食盐水可得到纯净的Cl211.三室式电渗析法处理含Na2SO4废水的原理如图所示,采用惰性电极,ab、cd均为离子交换膜,在直流电场的作用下,两膜中间的Na+和S O42-可通过离子交换膜,而两端隔室中离子被阻挡不能进入中间隔室。
下列叙述正确的是( )A.通电后中间隔室的S O42-离子向正极迁移,正极区溶液pH增大B.该法在处理含Na2SO4废水时可以得到NaOH和H2SO4产品C.负极反应为2H2O-4e- O2+4H+,负极区溶液pH降低D.当电路中通过1 mol电子的电量时,会有0.5 mol的O2生成12.298 K时,在20.0 mL 0.10 mol·L-1氨水中滴入0.10 mol·L-1的盐酸,溶液的pH与所加盐酸的体积关系如图所示。
化工原理1相关习题详细解答1 •在大气压为760mmHg 的地区,某真空蒸馆塔塔顶真空表读数为738mmHgo 若在大气压为655mmHg 的地区维持塔内绝对压力相同,则真空表读数为? 解:塔內绝对压力P (绝)=760・738=22nmHg在犬气压为655mmHg 的地区,真空表读数应为p (真)=655-22=633mmHg2•已知:管道尺寸为114x4mm,流量为85m 3/h,水在管路中(喷头前)流动时的总摩擦 损失为10J/kg,喷头前压力较塔内压力高lOOkPa,水从塔中流入下水道的摩擦损失12J/kg 。
求泵的外加功率。
解 d =114-2x4 = 106mmp, p. lOOxlO 3—=—+ ---------------- = \0Q.2J/kg p p pw = 82.26 +—=182.57/^rp泵的外加功率为: m f w r =p F w=1000 x 85 x 182.5/3600 = 4310形=4.3UFF在1-1 W 2-2而间2.68 m I .<2.68w = 7 x 9.81 + ------- flAlUAAf2| p 2 久 100x10’—=—+ -----------P P P3・3面与4・4面间+ — +10: -82.26 + —-p P5mM :I 11 I; I. I ・ IJr ・ I-2g = L23J/ig泵lm废水池•v 3■・9m4•如图所示,通过一高位液槽将液体沿等径管路输送至某一车间,高位液槽内液面保持不变, 现将阀门开度减小,试定性分析以下个参数的变化: 解(1)管内流量变化分析 取管出口截面2-2面为位能基准面,在高1 位槽液面1-1面和2-2面间列机械能衡算 于是将阀门开度减小后,上式等号左边各项均不变,而右边括号内各项除"增 大外其余量均不变(1 一般变化很小,可近似认为是常数),故由此可推断,u2 必减小,即管内流量减小。
第一章流体流动1、什么是连续性假定?质点的含义是什么?有什么条件?连续性假设:假定流体是由大量质点组成的,彼此间没有间隙,完全充满所占空间的连续介质。
质点指的是一个含有大量分子的流体微团,其尺寸远小于设备尺寸,但比分子自由程却要大得多。
2、描述流体运动的拉格朗日法和欧拉法有什么不同点?拉格朗日法描述的是同一质点在不同时刻的状态;欧拉法描述的是空间各点的状态及其与时间的关系。
3、粘性的物理本质是什么?为什么温度上升,气体粘度上升,而液体粘度下降?粘性的物理本质是分子间的引力和分子的运动与碰撞。
通常气体的粘度随温度上升而增大,因为气体分子间距离较大,以分子的热运动为主,温度上升,热运动加剧,粘度上升。
液体的粘度随温度增加而减小,因为液体分子间距离较小,以分子间的引力为主,温度上升,分子间的引力下降,粘度下降。
4、静压强有什么特性?静止流体中,任意界面上只受到大小相等、方向相反、垂直于作用面的压力作用于某一点不同方向上的静压强在数值上是相等的;8、什么叫均匀分布?什么叫均匀流段?均匀分布指速度分布大小均匀;均匀流段指速度方向平行、无迁移加速度。
9、伯努利方程的应用条件有哪些?重力场下、不可压缩、理想流体作定态流动,流体微元与其它微元或环境没有能量交换时,同一流线上的流体间能量的关系。
12、层流与湍流的本质区别是什么?区别是否存在流体速度u、压强p的脉动性,即是否存在流体质点的脉动性。
13、雷诺数的物理意义是什么?物理意义是它表征了流动流体惯性力与粘性力之比。
14、何谓泊谡叶方程?其应用条件有哪些?应用条件:不可压缩流体在直圆管中作定态层流流动时的阻力损失计算。
15、何谓水力光滑管?何谓完全湍流粗糙管?当壁面凸出物低于层流内层厚度,体现不出粗糙度过对阻力损失的影响时,称为水力光滑管。
在Re很大,λ与Re无关的区域,称为完全湍流粗糙管。
16、非圆形管的水力当量直径是如何定义的?能否按计算流量?17、在满流的条件下,水在垂直直管中向下流动,对同一瞬时沿管长不同位子的速度而言是否会因重力加速度而使下部的速度大于上部的速度?因为质量守恒,直管内不同轴向位子的速度是一样的,不会因为重力而加快,重力只体现在压强的变化上。
四川大学化工原理模拟考题上册一、客观题01.牛顿黏性定律的数学表达式是_____________________________,服从此定律的流体称为_______________________________________。
02.实际流体与理想流体的主要区别在于,实际流体柏努利方程与理想流体柏努利方程的主要区别在于。
03.液体在两截面间的管道内流动时, 其流动方向是。
A. 从位能大的截面流向位能小的截面;B. 从静压能大的截面流向静压能小的截面;C. 从动能大的截面流向动能小的截面;D. 从总能量大的截面流向总能量小的截面。
04.离心泵在启动前应,否则会发生________现象;离心泵的安装高度应________允许安装高度,否则会发生________现象。
05.进出口温度分别为85℃和40℃的热流体对进口温度为20℃的冷流体进行加热,规定冷流体出口温度不超过40℃,则必须采用_____________________操作。
06.冷热两流体的对流给热系数h相差较大时,提高总传热系数K值的措施是A.提高小的h值;B. 提高大的h值;C.两个都同等程度提高;D. 提高大的h值,同时降低小的h值。
07.蒸汽冷凝时的热阻。
A.决定于汽膜厚度;B.决定于液膜厚度;C.决定于汽膜和液膜厚度;D.主要决定于液膜厚度,但汽膜厚度也有影响。
08.在空气-蒸汽间壁换热过程中可采用方法来提高传热速率最合理。
A. 提高蒸汽速度;B. 采用过热蒸汽以提高蒸汽温度;C. 提高空气流速;D. 将蒸汽流速和空气流速都提高。
09.沉降室的生产能力与有关。
A.颗粒沉降速度和沉降室高度;B.沉降面积;C.沉降面积和颗粒沉降速度;D.沉降面积、沉降室高度和颗粒沉降速度。
10.恒速过滤时,过滤速率,过滤压差随滤饼厚度的增加而;恒压过滤时,过滤压差,过滤速率随滤饼厚度的增加而。
11.对流干燥过程按干燥速率一般分为:(1)_______段,该段中空气温度_______,物料温度______,除去的是________水份;(2)_______段,该段中空气温度_______,物料温度______,除去的是________水份;12.用对流干燥除去湿物料中的水份时,当干燥介质一定,湿物料中_________水份可以除去,_____________水份不可以除去。
1、填空选择
(2)
【陈1】1-2
【答案】τ=μdu/dy;牛顿性;等速直线
(3)
【陈2】2-2
【答案】;转速
【解析】离心泵的特性曲线一般由3条曲线组成。
特性曲线随泵的转速而变,故特性曲线图上一定要标出测定时的转速。
(4)
【陈5】3
【答案】B
有【解析】理论上降尘室的生产能力只与其沉降面积bl及颗粒的沉降速度u
t 关。
即温度改变不影响降尘室的处理能力,两种条件小,生产能力相同,故选择B。
(5)
【陈6】6-3
【答案】C
【解析】在换热器的传热计算中,K值的来源有:①K值的计算;②实验查定;
③经验数据。
(6)
【陈8】5
【答案】D
(7)
【陈9】
【答案】增加,降低,降低,增加
(8)
【陈11】5
【答案】萃取剂的选择性和选择性系数、萃取剂与稀释剂的互溶度、萃取剂回收的难易与经济性
【解析】萃取剂的选择是萃取操作分离效果和经济性的关键。
萃取剂的性能主要由以下几个方面衡量:①萃取剂的选择性和选择性系数;②萃取剂与稀释剂的互溶度;③萃取剂回收的难易与经济性;④萃取剂的其他物性。
(9) 【陈10】2-2
【答案】填料的种类、物系的性质、气液两相负荷
【解析】泛点是填料塔的操作极限,泛点气速对于填料塔的设计和操作十分重要。
即吸收塔的最大吸收率由泛点的影响决定。
影响泛点的因素很多,包括填料的种类、物系的性质及气液两相负荷等。
(10) 【陈10】1
【答案】通量、分离效率、适应能力
【解析】塔设备性能评价的指标有通量、分离效率、适应能力。
一般来说、通量、效率和压力降是相互影响甚至是互相矛盾的。
对于工业大规模生产来说,应在保持高通量前提下,争取效率不过于降低。
分析讨论题 2 【陈1】 解:(1)
d 1=d 2=d A 1=A 2=A u 1=u 2=u λ1=λ2=λ
并联管路时:
22
121222f f u u H h h g g
=+=+
∑∑
2111
2
2
22
1212=e e l l u d g
l l u d g
λλ⎛⎫++ ⎪
⎝⎭⎛⎫+=+ ⎪⎝⎭∑∑ 令
22e
l l K g g
λ
+=+∑
221212,d d
u H
u H k k
== 故
u 1=u 2=u
V 总=V 1+V 2=u 1A 1+u 2A 2=2V 1=2V 2
增加一根相同直径的管子时(并联管路),在压头相同时,则流量增加2倍,
即提高100%。
(2)
d 3=2d 1=2d 2=2d,A 3=4A
22
3322f f u u H h h g g
=+=+
∑∑ 2
2
331212=e e l l u d g
l l u d g
λλ⎛⎫++ ⎪
⎝⎭⎛⎫+=+ ⎪
⎝⎭∑∑ 222
3332u u u K K K
d d d
=== 22+e
l l K g g
λ
+=∑
λ=λ3,u 32=2u 2
,3u =
3334V u A A ===
故在压头相同时,改用一根管径为原来管径两倍时,流量为原来的5.656倍。
3
【陈6】
答:热传导是指温度不同的物体各部分或温度不同的两物体间直接接触时,依
靠分子、原子及自由电子等微观粒子热运动而进行的热量传递现象。
可以在固体、液体、气体中发生。
热导率物体的热导率与材料的组成、结构、温度、湿度、压强以及聚集状态等许多因素有关。
热导率物体的热导率与材料的组成、
结构、温度、湿度、压强以及聚集状态等许多因素有关。
保温材料性能的重要
指标即是保温材料的热导率小。
例如固体保温材料要使其孔隙率大,含大量空气。
气体的热导率随温度升高而增大。
对于气体保温材料,应考虑降低温度。
4
【陈2】
答:(1)齿轮泵或螺杆泵:流量较小,黏度较大
(2)压力不大时用离心泵(开式叶轮);压力大时用隔膜泵:含固体;
(3)双吸离心泵;压头不高,流量较大;
(4)计量泵:流量需要定量控制;
5
【陈8】
答:既然是液膜控制,所以不增加液体的传质系数,吸收效率不会增加。
则分
情况讨论:
(1)气体和液体的流量增加,塔截面积是常数,也就是流速增加了,对液体传质系数基本没有影响,气液接触传质时间减小了,尤其是气体,吸收不充分,
所以出口处气体被吸收减少,即出塔气增加,液体吸收减少,即出塔液浓度减小。
(2)同理,若气体和液体的流量减少,出口处气体被吸收增多,即出塔气减少,液体吸收增加,即出塔液浓度增加。
6
【陈10】
答:(1)吸收剂的进塔条件包括流量、温度、组成三大要素。
(2)操作中调节这三要素,对吸收结果的影响:
①适当增加吸收剂用量,有利于改善两相的接触状况,并提高塔内的平均吸收
推动力。
②降低吸收剂温度,气体溶解度增大,平衡常数减小,平衡线下移,平均推动力增大。
③降低吸收剂入口的溶质浓度,液相入口处推动力增大,全塔平均推动力亦随之增大。
7 【陈11】 答:
图1
图中线1为过量液沫夹带线、2为漏液线,3为溢流液泛线、4为液量下限线、5为液
量上限线
塔板负荷性能图对板式塔的设计与操作具有重要指导意义:①检验塔的设计是否合理,操作点是否在适中的高效区域;②指明气液相的流量范围,判断增大或减少负荷的可能性;③了解塔的操作情况和操作弹性,当塔顶操作出现问题时,可从负荷性能图的分析找到解决问题的措施。
8 【陈1】
解:(1)由于流体做稳定流动,则1-1截面与2-2截面流量相同,有
2
2
21214
4
d d u u ππ=
根据已知条件d 2=53mm,d 1=27mm,u 2=0.6m/s,解得:
u 1=2.31m/s
取2-2截面为基准面,在两截面间列伯努利方程
221122
1222水水
=f u p u p z g z g h ρρ+++++
根据已知条件,z 1-z 2=2m,p 2-p 1=16000pa ,解得
h f =6.49J/Kg
(2)根据流体静力学的基本方程式
P 1-P 2=(ρ水-ρ汞)gR+ ρ水gz
解得
R=2.79m
由上式计算可知,图1是正确,图2是错误的。
10 【陈5】
解:在恒速阶段,有
2222R R R R R
dV KA V V
KA d V θθθ==⇒= 在恒压过滤阶段,有:
V 2-V R 2=KA 2(θ-θR )
解得
V=4.47m 3
11 【陈1】
解:因为饱和液体进料q=1,故
x q =x F =0.4
20.4
0.5711110.4
==+(-)F q F x y x αα⨯=
+
设原料液流量F=100kmol/h ,则
D=0.5×100=50 kmol/h
W=50 kmol/h
又
1D q D q
x y R
R x x -=
+- x F D
W Fx D x F D
-=
-
①当R=1.2时 解得
x d =0.664 x w =0.136
精馏段操作线方程为
0.5710.30211
x D R x
y x R R =
+=+++ 提馏段操作线方程
L ’=L+F=RD+F=160 V ’=V=(R+1)D=110
' 1.450.0618'x x W L W y x V L W
=
-=-- ②当R=2时 解得
x d =0.639 x w =0.161
精馏段操作线方程为
0.6670.21311
x D R x
y x R R =
+=+++ 提馏段操作线方程
L ’=L+F=RD+F=200 V ’=V=(R+1)D=150
' 1.330.537'x x W L W y x V L W
=
-=-- 13 【陈11】
解:根据题意,在AB 边确定F 点,连接ER 并延长交于点R ’,FS 与ER 交于M 点,与溶解度曲线交于点M R ,连接S 与溶解度曲线的切点,交AB 于点Y MAX .其中萃余相R ,原料组成F,萃取相E,萃取液E ’,萃余液R ’。
由图读得两相组成
E 相:y A =15%,y B =2%,y S =82% R 相:x A =9%,x B =92%,x S =2% 最大萃取剂用量y max =92% 最小萃取剂用量y min =28%。