路面抗弯拉强度混凝土配合比设计
- 格式:doc
- 大小:48.00 KB
- 文档页数:5
路面弯拉强度4.0混凝土配合比设计说明书昌都农村公路整体总承包项目施工第一标段2018年4月10日路面用抗弯拉强度4.0MPa水泥混凝土配合比设计一、设计依据1、《公路工程水泥及水泥混凝土试验规程》JTGE30-20052、《公路水泥混凝土路面施工技术规范》(JTG/T F30-2014)二、设计资料设计弯拉强度fr=4.0Mpa,三辊轴机组摊铺时,要求拌合物坍落度为:20~40mm。
1、水泥:云南华润水泥P.O42.528d抗折强度为6.5Mpa、28d抗压强度为42.5Mpa2、细集料:郭庆乡料场中砂细度模数MX=2.90含泥量2.6%3、粗集料:郭庆乡砂石场4.75-9.5mm,比率18%,9.5-16mm,比率27%,16-26.5mm, 比率55%。
4、水:饮用水三、配合比的设计与计算:1、计算配置28天弯拉强度值:据规范JTG/T F30-2014路面砼配合比设计规程,弯拉强度样本标准偏差s取0.5Mpa,保证率系数t取值0.24,变异系数Cv取0.13。
fc=fr/(1-1.04Cv)+ts=4.0/(1-1.04*0.135)+0.24*0.5=4.7Mpafc—配置28d弯拉强度的均值fr—设计弯拉强度标准差2、计算水灰比W/C:W/C=1.5684/(fc+1.0097-0.3595*fs)=1.5684/(4.7+1.0097-0.3595*6.5)=0.46根据以往施工经验选定水灰比为0.4fs为水泥实测抗折强度,fc为配置28d弯拉强度的均值3、根据集料种类和适宜坍落度,计算单位用水量:Wo=104.97+0.309SL+11.27C/W+0.61SP=104.97+0.309*40+11.27/0.40+0.61*0.34≈146选用坍落度SL为40mm;选用砂率SP为34%4、计算水泥用量:Co=(C/W)*Wo≈365 取370 保证水灰比不变,水用量取148Co—单位水泥用量 C/W—灰水比5、计算每立方米砼集料用量:[采用密度法计算,假定容重为2450kg/m3]Co+Wo+Mg+Ms=2450Mg+Ms=2450-370-148=1932Ms=1932*34%=657Mg1=(1932-657)*18%=230Mg2=(1932-657)*27%=344Mg3=(1932-657)*55%=701Co—单位水泥用量Wo—不掺外加剂与掺和料混凝土的单位用水量Ms—单位砂用量Mg1—单位4.75-9.5mm石子用量Mg2—单位9.5-16mm石子用量Mg3—单位16-31.5mm石子用量6、确定基准配合比为:水泥:砂:碎石:水=370:657:1275:1487、检验强度,确定试验配合比(1)、检查强度在用水量保持不变的情况下,采用水灰比为W/C=0.35、W/C=0.40、W/C=0.45,配置三组混凝土拌和物,根据粗骨料最大粒径制成150×150×550mm试件三组,经标准养护28天后,按GB/T50081-2002测得其立方体抗压强度值如下:(2)、确定试验室配合比:当水灰比为W/C=0.39时,混凝土28天弯拉强度达到配置强度的108.5% 以上,工作性、经济性均满足要求。
公路路面水泥混凝土配合比设计设计依据:《公路水泥混凝土路面施工技术规范》〔JTG F30—2003〕一、普通混凝土配合比设计1. 试配强度(弯拉强度):fc=fr/〔1-1.04c v〕+ts=其中:f c为28天试配弯拉强度(Mpa)f r为设计弯拉强度标准值(Mpa)c v为弯拉强度变异系数,应按统计数据在下表的规定范围取值;无统S为弯拉强度试验样本的标准差(Mpa)2. 工作性:不同的施工工艺,最佳工作性要求不一样;坍落度SL一般在10mm~60mm 之间。
3. 耐久性:〔1〕根据有无抗冻性、抗盐冻性要求及混凝土最大公称粒径,混凝土含气〔2〕根据耐久性要求的最大水灰比、最小单位水泥用量应符合下表规定。
最大水泥用量不宜大于400kg/m3 ,掺粉煤灰时,最大单位胶凝材料不宜大于注:掺粉煤灰,并有抗冰(盐)冻要求时,不得使用32.5级水泥。
严寒地区抗冻标号不宜低于F250,寒冷地区不宜低于F200。
4. 水灰(胶)比的计算和确定:〔1〕碎石或碎卵石混凝土W/C=1.5648/〔fc +1.0097-0.3595f s〕=〔2〕卵石混凝土W/C=1.2618/〔fc +1.5492-0.4709f s〕=其中:fs 为水泥实测28天抗折强度(Mpa)再根据耐久性要求复核、确定水灰(胶)比。
5. 砂率(SP)的确定:根据砂的细度模数和粗集料种类,按下表取值;在软做抗滑槽时,可增大注;碎卵石可在碎石和卵石之间内插取值。
6. 确定单位用水量:根据粗集料种类和确定的坍落度,分别按下列公式计算(集料以自然风干状态计)。
碎石:W0 =104.97+0.309SL +11.27(C/W)+0.61S P卵石:W0 =86.89+0.370SL +11.24(C/W)+1.00S P其中:W0为不掺外加剂与掺和料的混凝土单位用水量(kg/m3)掺外加剂的混凝土单位用水量按下式计算:W0W = W0(1-β)其中:β为所用外加剂的实测减水率(%)7. 确定单位水泥用量;根据水灰比公式反算,再根据耐久性要求复核、确定。
5.0MPa水泥混凝土路面抗折配合比设计一、配合比设计依据及要求:JTGF30-2003《公路水泥混凝土路面施工技术规范》JTGE30-2005《公路工程水泥及水泥混凝土试验规程》JTGE42-2005《公路工程集料试验规程》1、施工坍落度H=10-30mm碎石最大粒径为26.5mm2、公路等级一级,施工单位混凝土弯拉强度样本的标准差s=0.4MPa(n=9)二、原材料检验说明:1.碎石:山东3.水泥:P.O42.5山东磐磊,4、水:饮用水三、配合比设计1、计算初步配合比(1)配合比试配强度已知设计抗弯拉强度(f cm)=5.0MPa,根据设计公路等级,结合施工单位施工技术水平等,计算配制抗弯拉强度为:f c=f cm/(1-1.04Cv)+ts=5.0/(1-1.04*0.12)+0.61*0.4=6.0MPa(2)计算水灰比:已知配制抗弯拉强度f c=6.0MPa,水泥抗弯拉强度f s=7.8MPa,代入公式得W/C=1.5684/(f c+1.0097-0.3595f s)=1.5684/(6.0+1.0097-0.3595*7.8)共 7 页第 4 页=0.37(3)确定砂率。
已知砂的细度模数为2.6,取砂率βs=32%(4)确定单位用水量:已知水灰比W/C=0.37,砂率βs =32%,取坍落度S L =20mm,代入公式得mw o=104.97+0.309S L+11.27C/W+0.61S P=161kg/m3(5) 计算水泥用量:Mc0=Mw0/0.37=161/0.37=435Kg/m3(7)计算粗集料(Mg)、细集料(Ms)用量(体积法:)Mc0/ρc+ Mw0/ρw+Mg0/ρs+Ms0/ρg +0.01a=1Ms0/(Ms0+Mg0)*100=βS则:435/3100+161/1000+ Mg0/2655+Ms0/2577+0.01a=1Ms0/(Ms0+ Mg0)*100=32解得:Ms0=579Kg/m3,Mg0=1230Kg/m3因此,初步配合比为:水泥:砂:碎石:水=435:579:1230:161=1:1.33:2.83:0.372、工作性、强度检验,确定试验室配合比采用初步配合比水泥:砂:碎石:水=435:579:1230:161进行试拌,测得其坍落度为20mm,满足施工坍落度要求,和易性、粘聚性和保水性亦符合要求。
检验报告委托单位:市大东建筑总公司检测项目: 4.5Mpa路面混凝土配合比设计报告日期:2014年7月18日中心实验室名称:呼伦贝尔市公路勘测规划设计有限公司中心实验室地址:呼伦贝尔市海拉尔区扎兰屯路71号邮编:021008:(0470)3998512水泥混凝土路面抗弯拉强度4.5MPa配合比设计书一、材料说明:原材料: 水泥采用海拉尔蒙西复合硅酸盐(P.C 32.5)水泥;砂采用海拉尔河砂场中砂,细度模数为 2.87,表观密度为2.496g/cm3;碎石采用哈克南碎石场( 4.75-31.5mm)合成级配,其中:碎石10-20mm 掺量为40%,20-40mm 掺量为60%;水采用自来水;原材料检测详见试验报告。
编制依据:《公路水泥混凝土路面施工技术规》JTGF30-2003及《公路水泥混凝土路面设计规》JTGD40-2002,设计抗折强度 4.5Mpa中等交通。
二、计算水泥混凝土配制强度(fc)1)fc=fr/1-1.04cv+ts=4.5/1-1.04ⅹ0.15+0.46ⅹ8%=5.12MpaFc-配制28 天弯拉强度的均值(Mpa)Fr-设计弯拉强度标准值(Mpa)cv-按表取值0.15s-无资料的情况下取值8%t- 按表取值0.462)水灰比(W/C)的计算W/C=1.5684/(fc+1.0097-0.3595fs)= 0.44 Fs-水泥实测28 天抗折强度(Mpa)3)查表确定砂率(βs )=34%4)确定单位用水量(mwo)根据施工条件出机坍落度宜控制在10―50mm查表mwo =170 kg/m35)确定单位水泥用量(mco)C0=(c/w)wo=170/0.44=386 kg/m36)计算粗集料用量(mgo)、细集料用量(mso)将上面的计算结果带入式中mco+mwo+mso+ mgo=2450βs=mso÷(mso+ mgo)×100砂(mso)用量为644 kg/m3,碎石(mgo)用量1250 kg/m3;(1)初步配合比为:水泥:碎石:砂=386:1250:644:=1:3.24:1.67水灰比=0.4 4(2)调整工作性,提出基准配合比1)计算水泥混凝土试拌材料用量:按初步配合比试拌水泥混凝土拌和物30 L各种材料用量为:水泥=386ⅹ0.03= 11.58 kg水=170ⅹ0.03=5.1kg砂=644ⅹ0.03= 19.32 kg碎石=1250ⅹ0.03= 37.50 kg2)调整工作性按初步配合比拌制水泥混凝土拌和物,测定其粘聚性,保水性,坍落度。
水泥混凝土路面配合比探讨摘要:水泥混凝土路面应具有较高的抗弯拉强度、良好的耐磨性能和尽可能小的胀缩性。
这是因为水泥混凝土路面受车辆荷载的冲击摩擦和反复弯曲等作用, 同时还受温度、湿度反复变化的影响,这就要有良好配合比设计,才能达到这样的要求,本文通过阐述混凝土组成材料对路面质量的影响,了解水泥混凝土路面配合比设计重要性。
关键词:水泥混凝土路面配合比集料一、前言水泥混凝土路面因受车辆荷载的冲击摩擦和反复弯曲等作用, 同时还受温度、湿度反复变化的影响, 因此路面应具有较高的抗弯拉强度、良好的耐磨性能和尽可能小的胀缩性。
而影响上述性能的因素是多方面的, 有原材料性能的波动、混凝土养护的好坏、施工工艺的优劣、施工管理水平及施工温度、湿度的影响等,这些年来我省经济建设快速发展, 特别是公路建设得到了迅猛发展,尤其水泥混凝土路面发展迅速。
尽管水泥混凝土路面一次性投资大, 但它具有高强耐磨、耐久、养护费用低、使用寿命长、车行速度高等优点, 使混凝土路面近几年来发展很快, 特别是大交通量的公路和城市道路, 通村公路等更多地采用水泥混凝土路面。
笔者这些年参加水泥混凝土路面的施工,从中总结了一些对混凝土路面施工的经验,希望能与广大同仁共同分享,希望大家提出宝贵的意见和建议。
二;水泥混凝土路面病害与原材料对路面质量的影响多年的施工中发现水泥混凝土路面的病害大多数是断板,裂缝,露骨,松散,啃边等为主,这些病害的产生大多是由于原材料不规格,施工中没有严格控制好配合比等原因造成的,下面就对原材料问题探讨保证混凝土质量的要素。
1、胶凝材料混凝土路面的性能在很大程度上取决于胶凝材料的性能, 我们知道水泥混凝土的胶凝材料就是水泥,水泥根据矿物组成的不同而有许多种类, 因此应选用安定性合格、强度高、干缩小、耐磨和抗冻较好的水泥。
就品种而言, 应选用质量稳定的普通硅酸盐水泥,水泥的标号应根据道路等级、强度要求选用。
2、粗集料粗集料是混凝土的主要组成部分, 也是影响强度的重要因素之一。
5.0Mpa路面混凝土配合比设计一、原始资料*******工程路面、大中桥及附属工程三合同,辅道路口路面采用5.0Mpa水泥混凝土,设计坍落度为30-50mm,抗折强度≥5.0 Mpa,本单位无历史统计资料。
二、设计资料1、《公路工程标准施工招标文件》20092、《公路水泥混凝土路面施工技术细则》JTG/T F30-20143、《公路工程集料试验规程》JTG E42-20054、《公路工程水泥及水泥混凝土试验规程》JTG E30-20055、设计图纸三、原材料选用1、水泥:******水泥有限公司生产的“中联”牌P.O 42.5水泥。
2、碎石:*****石料场生产的16-31.5mm、10-20mm、5-10 mm石灰岩碎石,碎石合成级配为:16-31.5 mm碎石:10-20 mm 碎石:5-10mm碎石=35:45:20。
3、砂:****产河砂。
4、水:采用饮用水。
5、减水剂:*****有限公司生产的NOF-AS聚羧酸引气减水剂。
四、设计要求1、计算初步配合比。
2、按初步配合比在试验室进行试验,调整得出试验室配合比。
五、配合比设计A、计算初步配合比1、计算试配强度:5.0÷(1-1.04×0.12)+0.45×0.4=5.89 MPa2、计算水灰比1.5684÷(5.89+1.0097-0.3595×7.5)=0.37水泥计算抗折强度为:7.5 Mpa,根据施工经验选取水灰比为0.34。
3、选用砂率查规范选取36%4、计算单位用水量104.97+0.309×50+11.27×1÷0.34+0.61×36=175 Kg掺加减水剂,其减水率约为26%,故用水量为:175×(1-26%)=129.5Kg,依据工程情况取经验用水量为:147Kg。
5、计算水泥用量147÷0.34= 432 Kg6、选用减水剂取水泥用量的1.3%,5.62Kg7、计算砂、碎石用量采用质量法,假定表观密度为2450Kg/m3则砂:674 Kg,石:1197Kg。
路面砼配合比设计书一、实验依据及条件:JTG F30-2003《公路水泥混凝土路面施工技术规范》JTG D040《公路水泥混凝土路面设计规范》JTG F80/1-2004《公路工程质量检验评定标准》JTJ053-94《公路工程水泥混凝土实验规程》JTJ055-2000《普通混凝土配合比设计规程》施工工艺:采用小型农用车运输;人工入摸,插入式捣固、平板式捣固;用三辊轴摊铺机。
二、使用材料:1、水泥“桥福”P.O42.5R水泥,实测3天抗折强度为6.2Mpa,实测28天抗折强度为8.8Mpa;3天抗压强度为33.9Mpa,28天抗压强度为53.1Mpa。
标准稠度用水量为27.8%,凝结时间为:初凝时间为207min,终凝时间为334min,安定性合格。
2、砂采用泰宁县朱口粗砂,细度模数为(Mx)3.24,表观密度为2603kg/m3,堆积密度为1480kg/m3。
含泥量为0.6%,泥块含量为0.0%。
3、碎石:采用外坳碎石场生产的碎石。
最大粒径为31.5 mm。
级配分为31.5~19mm、19~4.75mm两档,含泥量分别为0.5%、0.7%,泥块含量为0.0%、0.1%,压碎值为8.1%,表观密度分别为2694kg/m3、2676kg/m3,堆积密度分别为1420kg/m3、1410kg/m3。
4、水:饮用水,符合设计要求。
5、外加剂:高性能混凝土抗折剂,减水率约为18%,掺量为2.0%。
三、基准配合比:1、配制强度:fc=fr/(1-1.04c v)+ts式中:f c——试配强度Mpa;f r——配制28天弯拉强度的均值5.0Mpa;c v——弯拉强度变异系数。
根据JTG F30-2003《公路水泥混凝土路面施工技术规范》中c v允许范围0.05~0.10取0.10;t——保证率系数根据施工队伍的施工技术水平及规定的保证率范围取1.36;s——弯拉强度实验样本的标准差,依据055-2000《普通砼配合比设计规程》取0.4Mpa。
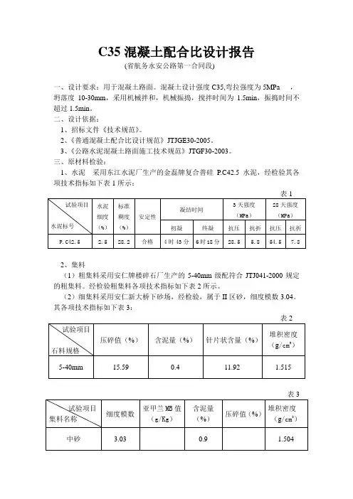
C35混凝土配合比设计报告(省航务永安公路第一合同段)一、设计要求:用于混凝土路面。
混凝土设计强度C35,弯拉强度为5MPa ,坍落度10-30mm,采用机械拌和,机械振捣,搅拌时间为1.5min,振捣时间不超过1.5min。
二、设计依据:1、招标文件《技术规范》。
2、《普通混凝土配合比设计规范》JTJGE30-2005。
3、《公路水泥混凝土路面施工技术规范》JTGF30-2003。
三、原材料检验:1、水泥采用东江水泥厂生产的金磊牌复合普硅P.C42.5水泥,经检验其各项技术指标如下表1所示:2、集料(1)粗集料采用安仁牌楼碎石厂生产的5-40mm级配符合JTJ041-2000规定的粗集料。
经检验粗集料各项技术指标如下表2所示。
(2)细集料采用安仁新大桥下砂场,经检验,属于II区砂,细度模数3.04。
其各项技术指标如下表3:四、混凝土配合比设计:(一)计算初步配合比1、确定混凝土弯拉试配强度f c=f c m÷(1-1.04Cv)+ts=5/(1-1.04×0.125)+0.46×0.2==5.83MPa2、计算水灰比W/C(1)计算水灰比:W/C=1.5684÷(fc+1.0097-0.3595fs)=0.39根据经验选用水灰比0.413、确定单位用水量Mwo根据坍落度要求10~30mm,水灰比0.4,砂率33%确定单位水用量:M wo=104.97+0.309×30+11.27×2.457+0.61×34==162.7kg 根据路面砼最大单位用水量不能超过160 kg/m3取M wo=160 kg/m34、确定砂率:由砂的细度模数3.03,碎石2-40㎜,查规范得出βs=34%5、单位水泥用量Mco=(C/W)×Mwo=2.457×160=393 kg6、计算粗细集料用量采用质量法,假定表观密度为2450kg/m3由公式Mgo+Mso+Mwo+Mco=2450Mso/(Mgo+Mso)=34%得各种材料用量为:Mgo=1252kg/m3 Mso=645kg/m3得出初步配合比:Mco:Mwo:Mso:Mgo=393:160:645:1252=1:0.41:1.641:3.185(二)试配与调整(1)按选定水灰比0.41±0.05及选定水灰比进行配料,各材料用量为:① W/C=0.36 Mco:Mwo:Mso:Mgo =444:160:632:1214② W/C=0.41 Mco:Mwo:Mso:Mgo =393:160:645:1252③ W/C=0.46 Mco:Mwo:Mso:Mgo =347:160:665:1278分别对三种配合比进行试验:①测得坍落度为16mm,混凝土毛体积密度为2468kg/m3,2468-2450=18<2450×2%,故取原设容重2450kg/m3。
C35路面水泥混凝土配合比设计一、设计要求路面混凝土设计强度等级为C35混凝土。
根据混凝土施工要求取碎石5-31.5mm级配碎石。
设计塌落度10-30mm。
配合比设计依据施工图。
《普通混凝土配合比设计规程》(JGJ55-2000)。
《公路工程桥涵施工技术规范》(JTJ041-200)及混凝土施工有关要求。
二、材料来源1.水泥:湖南嘉丰建材有限公司P·42.5水泥2.砂:岳阳黄沙细度模数为2.80 属中砂3.碎石:5-31.5连续级配4.水:饮用水三、配合比设计1.设计弯拉强度(fc)fc=(fy/1-1.04Cv)+ts=5/1-1.04×1+0.37+0.5=5.77mpa2.水灰比(W/C)W/C=1.5684/fc+1.5492-0.4709fs=1.5684/5.77+1.5492-0.4709×7.9=0.443.用水量确定查表JGJ55-2000表4.01.1-2及JGJ55-200 4.01第二条规定取用量W o=172kg4.水泥用量计算C o=W o/W/C=172/0.44=3905.碎石的选用查JGJ55-2000表4.02及《公路桥涵施工技术规范》JTJ041-2000 碎石B s=32%6.设计坍落度:选用10-30mm7.粗细骨料用量计算:采用质量法混凝土容质按2450Kg/m3计算2450-172-390=1888砂用量S o=1888×32%=604石用量C o=1888×(100%-32%)=12848.试样与配合比调整按初步配合比配置混合料45L。
其中个材料用量,水泥用量17.55Kg。
水用量7.74Kg。
砂用量27.18Kg。
碎石用量57.78Kg。
(其中 4.75-9.5:9.5-31.5=20% :80%)拌合物实测坍落度15mm。
满足10-30mm要求。
粘聚性良好。
保水性良好。
满足工作性能要求。
制件1组。
F5.0砼配合比设计说明一:设计依据1.JTG E42-2005《公路工程集料试验规程》;2.JTG F30-2014《水泥混凝土路面施工技术规范》3.JGJ 55-2011《普通混凝土配合比设计规程》;4.JTG E30-2005《公路工程水泥及水泥混凝土试验规程》5.GB/T 50146-2014《粉煤灰混凝土应用技术规范》二、使用部位及技术要求1、使用部位:水泥混凝土路面2、技术要求:①设计标号:F5.0;②施工坍落度满足施工要求。
三、原材料说明:1、水泥:水泥:采用鲁宏牌P.O42.5R普通水泥,各项指标符合JTG E30-2005试验规程要求。
2、碎石:东平10-20mm、5-10mm为压碎值为17.1%,符合JTG/T F50-2011规范要求。
3、砂:采用泗水河砂,该砂细度模数为2.80,属中砂,符合JTG/TF50-2011规范要求。
4、水:地下水5、减水剂:淄博华伟生产的NOF-AS型聚羧酸系高性能减水剂,掺量为胶凝材料质量的1.3%,减水率为28%6、粉煤灰:济宁邹城电厂Ⅰ级粉煤灰,细度为10.1%,烧失量为2.9%,需水量为92%。
以上原材料检验结果见原材料技术指标汇总表1-1、1-2、1-37、矿粉:曲阜四、计算步骤1、试配强度fc=fr/(1-1.04cv)+ts=5/(1-1.04×0.075)+0.61×0.4=5.67MPa其中:fc——混凝土配制弯拉强度,MPa;fr——设计混凝土弯拉强度标准值,MPa;s——弯拉强度标准差,MPa;t---保证率系数;cv—弯拉强度变异系数0.05-1。
2、水灰比W/C=1.5648/(fc+1.0097-0.3595fS)=1.5684/(5.67+1.0097-0.3595×9.1)=0.46(取0.45)式中fs——水泥实测28天抗折强度,MPa。
3、砂率:Sp=38%(查《公路水泥混凝土路面施工技术细则》表4.2.11-1)4、依据施工运距等因素查表《普通混凝土配合比设计规程》4.0.1-2确定用水量mw0=233kg减水率按28%计;实际用水量W=233×(1-28%)=167.7kg。
石吉高速C3标5MPa抗弯拉砼配合比设计一、设计要求1、设计依据:JTG F30-2003、JTG E30-2005及施工图纸2、设计参数:要求混凝土设计抗弯拉强度标准值f cm为5.0MPa,弯拉强度样本标准差s为0.4MPa(n=9)。
混凝土由机械搅拌并振捣,采用混凝土输送车运输,施工要求坍落度30-50mm。
3、组成材料:○1、水泥:红狮P.O42.5水泥,推算水泥28d抗折强度为6.5MPa,水泥密度ρc=3100kg/m3;○2、细集料:赣江中砂,表观密度ρs=2640kg/m3,M X=2.78;○3、粗集料:五峰山隧道碎石场5-16mm碎石(掺量70%),16-31.5mm 碎石(掺量30%),表观密度ρg=2668kg/m3,振实密度ρsh=1670kg/m3;○4、外加剂:江西瑞州FDN-242高效减水剂,减水率15%;○5、拌和水:自来水。
二、设计计算1、计算配制弯拉强度(f c)高速公路路面混凝土样本数为9时,保证率系数t为0.61,起变异水平水平等级为“低”,混凝土弯拉强度变异系数C v=0.05~0.10,取中值0.075。
根据设计要求,f cm=5.0MPa,将以上参数代入公式,混凝土配制弯拉强度为:f c=f cm/(1-1.04C v)+ts=5.0/(1-1.04×0.075)+0.61×0.4=5.67MPa2、确定水灰比(W/C)按弯拉强度计算水灰比。
由已知资料,水泥推算28d抗折强度f s=6.5,计算得到的混凝土配制弯拉强度f c=5.67MPa,粗集料为碎石,代入公式计算混凝土的水灰比W/C:W/C=1.5684/(f c+1.0097-0.3595f s)=1.5684/(5.67+1.0097-0.3595×6.5)=0.36耐久性校核:混凝土为高速公路路面所用,无抗冻要求,依据规范查表得知最大W/C为0.44,故按照强度计算的结果符合耐久性要求,取W/C=0.36,C/W=2.78。
5.0MPa 抗弯拉强度配合比设计一、原材料说明1、水泥:浙江“豪龙”牌P.O42.5普通硅酸盐水泥,物理性能指标符合GB 175-2007《通用硅酸盐水泥》的规范要求。
2、河砂:中砂,浙江乐清生产,细度模数2.40,含泥量1.2%,。
3、碎石:乐清生产,单级配碎石1(4.75~16.0)mm 与单级配碎石2(16.0~31.5)mm=30%:70%组成合成级配(4.75~31.5)mm,,含泥量0.4%,压碎值11.4%,针片状含量10.2%。
4、使用部位:主车道路面二、配合比设计1、基准配合比①、试配弯拉强度:f c=1.15f cm =1.15×5.0=5.8MPa ②、BW =1.5684/( f c +1.0097-0.3485 f S ) =1.5684/(5.8+1.0097-0.3485×6.5)=0.34根据施工经验及JTJ/T037.1《公路水泥混凝土路面滑膜施工技术规程》及JTG F30-2003《公路水泥混凝土路面施工技术规范》取BW =0.46 ③、根据JTG F30-2003《公路水泥混凝土路面施工技术规范》,砂率取32% ④、坍落度10~30mm ,根据经验取20mm⑤、W 0=104.97+0.309SL+11.27(C/B)+0.61 S P=104.97+0.309×20+11.27×2.06+0.61×32=156kg根据经验取200kg⑥、M CO= W 0/W/C=435kg⑦、M SO =581kg⑧、M gO =1234kg基准配合比水泥:水:细集料:碎石1:碎石2=435:200:581:370:8642、水胶比减少0.02 ①BW =0.44 根据JTG F30-2003《公路水泥混凝土路面施工技术规范》,砂率取31%②W0=104.97+0.309SL+11.27(C/B)+0.61 S P=104.97+0.309×20+11.27×2.27+0.61×31=156kg根据经验取200kg③M CO= W0/W/C=455kg④M SO=556kg⑤M gO=1239kg调整配合比水泥:水:细集料:碎石1:碎石2=455:200:556:372:8673、水胶比增加0.02W=0.48①B根据JTG F30-2003《公路水泥混凝土路面施工技术规范》,砂率取34%②W0=104.97+0.309SL+11.27(C/B)+0.61 S P=104.97+0.309×20+11.27×2.08+0.61×33=155kg根据经验取200kg③M CO= W0/W/C=417kg④M SO=605kg⑤M gO=1228kg调整配合比水泥:水:细集料:碎石1:碎石2=417:200:605:368:860。
4.0MPa 抗弯拉强度配合比设计一、原材料说明1、水泥:浙江“豪龙”牌P.C32.5复合硅酸盐水泥,物理性能指标符合GB 175-2007《通用硅酸盐水泥》的规范要求。
2、河砂:中砂,浙江青天生产,细度模数2.50,含泥量1.8%,。
3、碎石:乐清生产,单级配碎石1(16.0~31.5)mm 与单级配碎石2(4.75~16.0)mm=75%:25%组成合成级配(4.75~31.5)mm,,含泥量0.2%,坚固性1%,压碎值11.3%,针片状含量8.0%。
二、配合比设计1、基准配合比①、试配弯拉强度:f c=1.15f cm =1.15×4.0=4.6MPa ②、BW =1.5684/( f c +1.0097-0.3485 f S ) =1.5684/(4.6+1.0097-0.3485×4.0)=0.42根据施工经验及JTJ/T037.1《公路水泥混凝土路面滑膜施工技术规程》及JTG F30-2003《公路水泥混凝土路面施工技术规范》取BW =0.48 ③、根据JTG F30-2003《公路水泥混凝土路面施工技术规范》,砂率取32% ④、坍落度10~40mm ,根据经验取30mm⑤、W 0=104.97+0.309SL+11.27(C/B)+0.61 S P=104.97+0.309×30+11.27×2.06+0.61×32=156kg根据经验取195kg⑥、M CO= W 0/W/C=406kg⑦、M SO =576kg⑧、M gO =1223kg基准配合比水泥:水:细集料:碎石1:碎石2=406:195:576:917:3062、水胶比减少0.02 ①BW =0.46 根据JTG F30-2003《公路水泥混凝土路面施工技术规范》,砂率取32% ②W 0=104.97+0.309SL+11.27(C/B)+0.61 S P=104.97+0.309×30+11.27×2.17+0.61×32=156kg根据经验取195kg③M CO= W0/W/C=424kg④M SO=552kg⑤M gO=1229kg调整配合比水泥:水:细集料:碎石1:碎石2=424:195:552:922:3073、水胶比增加0.02W=0.50①B根据JTG F30-2003《公路水泥混凝土路面施工技术规范》,砂率取33%②W0=104.97+0.309SL+11.27(C/B)+0.61 S P=104.97+0.309×30+11.27×2.17+0.61×33=156kg根据经验取195kg③M CO= W0/W/C=390kg④M SO=599kg⑤M gO=1216kg调整配合比水泥:水:细集料:碎石1:碎石2=390:195:599:912:304。
5.0砼路面配合比设计说明书一、 设计说明:1、试验过程中所进行各项试验项目用的仪器设备精度、规格、标准性等均符合规范要求,且均通过江西省计量测试所检定合格;水泥试件、砼试件进行标养,温度及环境均符合要求。
2、依据规范《公路水泥混凝土路面施工技术规范》(JTG F30-2003)要求,结合工地实际施工情况对路面砼配合比进行设计与计算,设计抗折强度为 5.0MPa,设计塌落度为1~4cm,用于收费广场混凝土路面。
二、材料的选用:1、水泥:选用江西锦溪水泥厂生产的青溪峰牌P.O42.5级普通硅酸盐水泥,依据《公路工程水泥及水泥混凝土试验规程》(JTG E30—2005)试验,各项指标均符合《公路水泥混凝土路面施工技术规范》(JTG F30-2003)要求,详见下表2、细骨料:选用凰岗胡升日砂场河砂,依据《公路工程集料试验规程》JTG E42—2005试验,各项指标均符合《公路水泥混凝土路面施工技术规范》(JTG F30-2003)要求,详见下表3、粗骨料:选用乐平双田大圆石料场生产的4.75-16mm、16-31.5mm 两种规格碎石掺配使用,依据规程JTG E42—2005对碎石进行试验,各项指标均符合规范JTG F30-2003要求。
4、水:饮用水,符合JTG F30-2003规范砼拌和用水要求。
三、配合比的设计与计算: 1、计算配制28天弯拉强度值:根据规范JTG F30-2003路面砼配合比设计规程,弯拉强度样本标准偏差s取0.375MPa,保证率系数取值0.79,变异系数取0.75;fc=fr/(1-1.04cv)+ts=5/(1-1.04*0.075)+0.79*0.375=5.72MPa2、根据粗集料的类型,计算水灰比:W/C=1.5684/(fc+1.0097-0.3595*fs)=0.38fs为水泥实测抗折强度7.2MPa3、根据集料种类和适宜的坍落度,计算单位用水量:Wo=104.97+0.309S L+11.27C/W+0.61S P=146Kg选用坍落度S L为35mm;选用砂率为34%。
路面混凝土配合比计算书一、配制混凝土所用材料1、水泥——采用赤峰远航水泥有限责任公司生产的强度等级为42.5Mpa的普通硅酸盐水泥,已检各项指标合格。
2、碎石——采用雁峰碎石厂生产的碎石,按4.75—16碎石占35%,16—31.5mm碎石占65%的比例掺配,混合料经筛分试验,符合4.75—37.5mm连续级配要求,碎石的各项指标已检合格。
3、砂——采用京峰砂场河砂,属中砂,细度模数Mx=3.0,其它各项指标已检合格。
4、水——采用工地饮用水。
5、减水济——采用北京慕湖外加剂有限公司生产的UNF—5型高效减水剂,掺量为水泥用量的0.75%。
二、确定混凝土的配制强度(fcu,o)设计要求混凝土强度fr=4.5Mpa,查表混凝土样本数为3时,保证率系数t为0.72,混凝土弯拉强度变异系数c v取0.1,砼弯拉强度的样本标准差S为0.16Mpa(n=3)fc=fr/(1-1.04c v)+ts=4.5÷(1-1.04×0.1)+0.72×0.16=5.14Mpa三、计算混凝土水灰比(W/C)1、根据集料的类型计算水灰比W/C=1. 5684/(fc+1.0097-0.3595fs)=1. 5648÷(5.14+1.0097-0.3595×6.5)=0.412、根据混凝土所处环境条件及其强度和耐久性要求,所以将水灰比减小2%,采用水灰比0.39。
四、选定单位用水量(m wо)经查《公路水泥混凝土路面施工技术规范》JTG F30—2003版:表4.1.4确定砂率S P=36%;经查表坍落度(S L)要求30—50mm,取值40mm。
Wo=104.97+0.309S L+11.27C/W+0.61S P=104.97+0.309×40+11.27×2.57+0.61×36=168kg/m3经查《公路水泥混凝土路面施工技术规范》JTG F30—2003版确定最大单位用水量不宜大于160 kg/ m3,因此经过查表,确定单位用水量为150 kg/ m3。
路面水泥混凝土配合比设计说明
一.设计依据:
1.设计图纸相关说明
2.JTG30-2003 《公路水泥混凝土路面施工技术规范》
3.JTG E30-2005 《公路工程水泥及水泥混凝土试验规程》
4.JTG E42-2005 《公路工程集料试验规程》
5. JGJ 55-2000 《普通混凝土配合比设计规程》
二.设计要求:
1.设计抗弯拉强度5MPa
2.坍落度10-40mm
三.原材料说明:
1.水泥
依据设计图纸以及JTG30-2003规范要求,选用山胜水泥厂生产的PO42.5水泥.其相关技术指标如下:
2.粗集料
粗集料采用从砂石厂购买的骨料,规格分级和掺配比例如下:
经检验起其合成级配符合4.75-26.5mm连续级配要求,其它指标检验结果如下:
3.细集料
细集料采用0-4.75mm的河砂,检验结果如下:
4.饮用水凡人畜能够饮用的水
四.配合比计算:
1.计算配制28d弯拉强度的均值f c
f c= f r/(1-1.04*Cv)+t*s
f c=5.0/(1-1.04*0.08)+1.36*0.40
f c=6.0(MPa)
f c—配制28d弯拉强度的均值(MPa);
f r—设计弯拉强度的标准值(MPa); f r=5.0 MPa;
Cv—弯拉强度的变异系数,查表取值为0.08;
s—弯拉强度试验样本的标准差(MPa),已知弯拉强度的变异系数Cv=0.08; 设计弯拉强度的标准值f r=5.0 MPa,
则s= f r*Cv=0.40 MPa
2.水灰比的计算和确定:
碎石混凝土:
W/C=1.5684/( f c+1.0097-0.3595*f s)
=1.5684/(6.0+1.0097-0.3595*8.3)
=0.39
f s—水泥实测28d抗折强度(MPa),为8.3MPa
耐久性校核,混凝土为高速公路路面所用,无抗冰冻性要求,查表得最大水灰比为0.44,故按照强度计算的水灰比结果符合耐久性要求.
3.选用砂率Sp (%)
依据砂的细度模数和粗集料的种类,查表取值为:Sp%=36%;
4.计算用水量Wo (Kg/m3)
Wo=104.97+0.309*S L+11.27*C/W+0.61* Sp
=104.97+0.309*20+11.27*2.564+0.61*36
=162 Kg/m3
Wo—混凝土的单位用水量(Kg/m3);
S L—坍落度(mm), 设计坍落度10-30mm,故取值20mm;
Sp—砂率(%);
C/W —灰水比,水灰比之倒数; W/C=0.39,所以C/W=2.564 根据JTG F30-2003中小型机具摊铺混凝土最大单位用水量为150Kg/m3,故取Wo=150 Kg/m3
5.计算水泥用量Co(Kg/m3);
已知Wo=150 Kg/m3,W/C=0.39,则水泥用量
Co=Wo/ (W/C)
= 150/0.39
=385Kg/m3
满足耐久性要求的最小水泥用量为300Kg/m3,由此取计算水泥用量385 Kg/m3。
6.砂石材料用量计算
按密度法计算,混凝土单位质量取值为:2430Kg/m3,
m水泥+m水+m砂+m石=m砼
m砂/( m砂+m石)*100%=Sp%
已知m水泥=385Kg/m3,Sp%=36%,m水=150 Kg/m3 m砼=2430Kg/m3, 求m砂=682Kg/m3
m石=1213Kg/m3
验算:采用粗集料的振实密度(紧装堆积密度)ρgh计算路面混凝土中碎石的填充体积,以确保混凝土能够形成较高的嵌挤力,得
m石/ρgh×100%=1213/1630×100%=74.4%,超过70%,符合要求.
7.试验室基准配合比为:
水泥:砂:碎石:水=385:682:1213:150 (Kg/m3)
=1:1.77:3.15:0.39
分别增加和减小0.03的水灰比,同理计算每方砼中各材料用量,分别实测砼拌和物的容重,坍落度,并成型7d,28d试件,实测各水灰比砼的抗弯拉强度和抗压强度.结果如下:
路面水泥混凝土配合比试验结果汇总表
8.根据以上试验结果,依据路面水泥混凝土配合比设计原则,兼顾
经济性的同时既保证路面砼要有足够的抗弯拉强度,合适的工作性能,优越的耐久性,最终试验室配合比确定为:
水泥:砂:碎石:水:减水剂=385:682:1213:150 (Kg/m3)
=1:1.77:3.15:0.39
9.路面水泥混凝土施工时考虑原材料含水量变化和施工变异性
等因素,计算施工配合比和每盘用量,单位水泥用量应适当增加5~10Kg以满足室内配制弯拉强度,抗压强度,耐久性等要求. 注:施工期间配合比的微调与控制应符合下列要求:
a.根据施工季节、气温和运距的变化,可微调减水剂的掺量,保
持施工现场的坍落度始终适宜于浇筑,且波动最小。
b.降雨后,应根据每天不同时间的气温及砂石料实际含水量变
化,微调加水量,同时微调砂石料称量,其他配合比参数不得变更,维持施工配合比基本不变。
雨天或砂石料变化应加强控制,保持现场拌和物工作性始终适宜浇筑和稳定。