内审问题汇总
- 格式:doc
- 大小:39.00 KB
- 文档页数:8
行政事业单位内部审计存在问题及对策行政事业单位内部审计存在的问题及对策当前,内审机构在履行审计监督职能上发挥了重要作用,内审覆盖面广,审减金额显著,审计建议合理,促进了增收节支,内部审计成效明显,监督作用发挥较好,职能地位不断提升。
但在新形势、新背景下,内审工作发展还面临一些困难和问题,需要进一步研究解决。
一、困难和问题(一)内审机构设置和人员配备不尽科学合理。
从整体情况看,绝大多数单位按照规定成立了内部审计机构,明确了内部审计机构的组织领导、人员配备,但设立独立的内审机构单位占比非常低,且大部分单位内审人员由财务人员或纪检人员兼任,有的身兼多职。
受单位编制的限制,大部分单位人少事多的矛盾比较突出,内审人员不能独立的开展内部审计工作。
虽然审计机关十分重视内审工作,但由于各单位机构设置和人员配备的不合理,内部审计的地位和职能定位不够清晰,影响了内审工作的发展。
(二)内审系统从上至下缺乏统筹工作的计划和标准。
基层审计机关每年都会对内审工作作出安排,要求各内审单位结合自身实际制定年度内审工作计划,明确内审工作的项目内容、时间安排和方法步骤以及审计目标。
上级内审主管部门对内审工作没有作出统一的安排,缺乏开展工作的“指挥棒”,基层内审机构在审计项目的安排上只能各自为政,内审项目不新、方法不活、效果不佳,不能紧贴新时代审计工作新形势、新任务、新特点有效开展工作。
上级审计机关明确要求开展内审工作质量检查,但由于没有统一的考核标准和具体的实施细则,导致检查达不到促进工作的最佳效果。
(三)内审人员普遍业务能力不强。
由于基层内审机构大多数人员由财务人员兼任,对财务业务工作比较精通,但对审计业务工作不是十分熟悉,整体业务素质不高。
内审人员科班出身的少,知识结构单一,缺少复合型人才。
个别单位内审人员既当“运动员”,又当“裁判员”,制约监督作用不明显。
由于专业知识与技能滞后,工作创新不够,尤其是在内部控制、内审实务、内审方法和内审质量管理方面不能与时俱进,甚至把内部审计当成财务检查,不能适应新时期内部审计质量管理工作的要求。
内审总结小标题摘要:1.内审总结背景及目的2.内审发现的问题3.问题原因分析4.改进措施及实施方案5.预期效果与跟进计划正文:在过去的一段时间里,我们的团队进行了一次内部审计,旨在发现并解决公司运营过程中的问题。
此次内审涉及的领域广泛,包括财务管理、人力资源、项目管理等多个方面。
通过对各个部门的数据和流程进行深入分析,我们总结出了以下内审发现的问题、原因分析以及改进措施。
一、内审发现的问题1.财务管理不规范:部分部门报销流程不严谨,存在超标报销、虚列开支等现象。
2.人力资源管理不当:员工晋升机制不透明,培训和激励机制不完善。
3.项目管理混乱:项目进度跟踪不力,资源分配不合理,导致项目延期和成本超支。
二、问题原因分析1.财务管理问题原因:部门负责人对财务管理意识淡薄,员工对报销政策理解不足。
2.人力资源管理问题原因:公司快速发展,人力资源部门人员配备不足,难以满足业务需求。
3.项目管理问题原因:项目管理团队经验不足,缺乏有效的沟通协调机制。
三、改进措施及实施方案1.财务管理改进措施:加强财务管理培训,完善报销流程,加大监督检查力度。
2.人力资源管理改进措施:建立透明化的晋升机制,完善培训和激励体系,加强人力资源部门人员配置。
3.项目管理改进措施:提升项目管理团队能力,优化项目进度跟踪和资源分配,加强沟通协调。
四、预期效果与跟进计划1.预期效果:通过改进措施,有望提高公司财务管理水平,提升员工工作积极性,提高项目成功率。
2.跟进计划:定期对改进措施进行跟踪评估,确保问题得到有效解决,为公司发展创造良好条件。
总之,通过本次内审,我们发现了公司在多个方面存在的问题,并制定了相应的改进措施。
ISO9001认证审核的100个常见问题点汇总ISO9001认证的对象是企业的质量体系,评估侧重于运营流程。
这鼓励组织提高产品和服务的质量,有助于减少浪费和客户投诉。
鼓励内部沟通,提高员工士气。
ISO9001认证用于证实组织具有提供满足顾客要求和适用法规要求的产品的能力,目的在于增进顾客满意。
ISO9001认证的过程比较繁杂,因此,我们给大家梳理了100个ISO9001认证审核过程中常见问题点:01文件控制A、内部文件的审批、分发、更改:1)工程图纸未经审批即已发行、使用;2)作业指导书未能分发至具体作业岗位;3)生产现场岗位悬挂的作业指导书未受控;4)工艺文件存在直接在文件上更改的现象,未执行文件更改程序。
B、外来文件的识别、收集、分发:1)未能充分识别、收集到与产品有关的国家/国际、行业标准;2)未能将外来文件分发至有关部门,如品管部、生产部。
02质量记录的填写、管理、保存1)质量记录存在涂改的现象;2)质量记录未规定保存期限;3)未按保存期限予以保存,到期销毁未能提供销毁记录。
03质量目标的统计、分析1)质量目标的统计未能提供原始数据,无法掌握最终目标统计数值的真实性;2)质量目标有统计,但未进行分析。
04管理评审1)管理评审输入信息不全,或未能提供输入资料;2)管理评审主持人非最高管理者,且未能提供最高管理者对主持人(不是最高管理者自己时)的授权证明;3)对管理评审决议事项无采取措施的相关证据,如纠正措施或预防措施;4)对上次管理评审决议事项的跟踪结果无记录。
05人力资源管理1)未能按实际岗位规定各岗位的职责、权限、能力要求;2)培训有计划,也有按计划实施,但对培训的实施效果未进行评价;3)对特殊岗位人员未规定能力要求,未能提供对这些人员的培训、考核证据;4)对特种作业人员(电工、焊/割工、起重工等)资格年审的要求未及时跟踪,个别特种作业人员的资格证未年审或年审过期。
06基础设施管理1)新进生产设备未验收即投入使用;2)对设备未规定维护、保养的要求;3)特种设备未能提供定期检定的证据。
高校内部审计设置问题编者按:本论文主要从高校内部审计机构的设置问题;内部审计人员的配置问题;内部审计职权定位问题;提高内部审计有效性的途径等进行讲述,包括了内部审计机构与财务会计部门放在一起,难以对校本级财务做到监督检查、内部审计是在组织内部的一种独立客观的监督和评价活动、建立高校内部审计刚性体制,切实提高内部审计地位、加强审计力量,优化审计人员结构,为开展内部审计工作提供组织保证、选准内部审计工作的重点和突破口、进一步加强审计队伍建设,提高审计人员素质等,具体资料请见:一、高校内部审计机构的设置问题很多文章提到审计机构的独立性问题。
内部审计机构的独立性是其履行职责的基本条件,一方面是内部审计的职能、职责和广泛的工作内容,需要有专门机构来完成它的使命;另一方面是审计的独立性,决定内部审计不能与其他部门职责相混淆。
这种独立性表现在审计部门的负责人可以直接向决策层报告审计工作情况和审计结果;可以按照制度规定独立制定审计工作计划;可以不受干扰地独立、客观地行使职权,履行职责;可以按照内部审计准则规定的程序进行操作;可以对有关问题向决策层提出意见建议,并对落实情况追踪检查。
目前,高校内部审计机构有在财会部门设置的,有在纪检监察部门设置的,也有在其他职能部门设置的,情况较为复杂。
有些观点认为,内部审计机构与财务会计部门放在一起,难以对校本级财务做到监督检查,也不可能如实向上级报告自己的不足或违规之处。
如果监督检查所属部门,由于下属单位执行的财务制度和要求,一般是按照学校财务部门的规定与要求去做的,即使存在不合理、不合法,或管理上的漏洞与问题,内部审计人员也难以正确履行审计职能。
还有的观点认为,内部审计机构与纪检监察部门在一起,则是把性质不同的两种工作职能混为一谈。
内部审计的职能是对高校内部的财务收支和其它经济活动进行的审计,是以增加价值与提高单位运行效率,帮助单位实现目标,提高经济效益为目的;而纪检监察部门是针对党员干部的思想、作风、廉政建设方面而进行的监督和检查,是以规范人的行为为目的。
内审体系问题点汇总一、安环科1、法律法规识别不完善2、现场工作环境无检查记录3、危险化学品检查无记录4、固体废弃物控制无记录5、抽查所签安全协议无环境职业健康内容6、污水废气粉尘及噪声控制管理无记录7、2007年12月12日发生交通事故未按规定记录二、办公室1、法律法规收集不全,无汇总记录2、文件评审不符合〈文件控制程序〉4.5项要求3、作废文件无记录三、球团作业区1、危险及环境因素识别不规范、无重要环境因素及危险源统计表2、无废弃物处理记录3、分类存放产品未挂牌标识4、产品检验不合格无控制措施和整改办法,查4月1日至3日生产台帐生球落下强度及熟球硫含量超出质量控制标准无控制办法及措施。
5、工人未按规定使用防护用品,接尘岗位未戴防尘口罩四、生产营销科1、部门目标有关人员不熟悉,目标量化措施不清2、对环境因素及危险源识别不全3、货场无产品标识4、粉矿货场对粉矿流失未采取控制措施进行产品防护5、部分记录清单不完善工作制服管理规定第一章、总则第一条、为了进一步加强对公司工作装的统一管理,统一制服发放和使用,结合本公司的实际情况,特制定本规定。
第二章、管理职责第二条、工作装由综合管理部进行管理。
第三章、工作装的制作第三条、公司服装有综合管理部按不同的大小规格进行统一设计,包括式样、花色、并印上各司的标识,进行统一的加工制作。
第四章、制作的种类和使用时间第四条、工作装主要分为夏装和冬装;第五条、工作装穿用的时间分别为:1、夏装:5月1日到10月15日;2、冬装:10月16日到4月30日。
第五章、工作装的配发规定第六条、员工入职后即发给工作装;第七条、每个员工均可按照自己的身材特点领取一套夏装和一套冬装。
对个别特殊身材要求者,可向综合管理部申请给与特制。
第八条、工装配发期间原则上为两年,自配发日算起。
如遇到工作原因发生意外损坏或其他特殊情况需要提前换发时,由本人填写申请表,写明情况,经综合管理部对实物签订属实,报综合管理部部长批准后可以发给。
建设一分综合部:发文,会议纪要台账没有明确的保存期限。
人力资源部:环境因素、危险源未单独辨识。
技术部、质量部:1.编制特定分项施工组织设计(深基坑施工专项方案、模板定型化施工方案等),但台账记录不完全;2.与总部签订目标责任书,但未包含生产工期方面职责;3.形成重大环境、危险因素清单。
但并未将公司与项目部的识别分开。
安全:1、环境、危害因素识别各科室未分开识别; 2、法律法规下发无发文登记,无法律法规培训、学习记录; 3、安全类设备未进行年度监测; 4、法律法规有清单,但现存规范数量不够。
劳务:1、无各项目劳务上访记录。
客服:1、缺少客服回访报告; 2、公司、项目缺少维修台账。
合约部:1、按照合同约定及集团有关文件执行,签订了关于本事项的目标责任书,但未见目标责任书;2、进行过组织学习和宣贯,但是未见详细的记录;3、评审形式通过网上统一评审,通过会议的形式组织评审,但未发现有书面的会签记录;4、合同的签订内容齐全,但部分总包合同没有填写签订日期,以及合同相关单位法人签字但未盖法人章,合同交底内容,未统一存档。
材料设备部:1、执行《青岛建设集团材料设备部环境目标指标及管理方案》,通过对项目月检和材料采购流程控制;但没有月检记录;2、程序文件未见到学习记录;3、有关维护、保养内容、要求及相应的实施情况,每月月检下发隐患整改通知单,但未见整改通知单。
招采中心:1、执行集团与分公司,签订的目标责任书;但未发现目标责任书;2、执行集团的有关制度,但未发现书面记录;3、相关程序文件参加过学习,但未发现记录;4、“合格分供方名册”未发现记录。
建设三分质量、技术、市场:1.部门人员职责分工不明确;2.未编制外部文件控制清单;3.有关本部门的制度未编制清单目录;质量:1.计量器具未编制台账,未建立计量器具履历卡;2.隐患整改通知单应重点关注重复出现的问题。
安全:1.应急预案无评审和盖章,无应急演练记录;2.工程部日常日常检查、月度检查发现的隐患无回执和复查记录;3.工程部职责分工、制度内容不细致;4.有关安全的法律法规及上级主管部门的文件缺失清单,内容不足;5.工程部制度的打分表未能正确执行。
内审问题情况汇报尊敬的领导:根据公司要求,我对内部审计情况进行了全面的调查和汇总,现将情况汇报如下:一、内审发现的问题。
在本次内审中,我们发现了一些存在的问题,主要包括:1. 财务管理方面存在的问题,包括资金使用不规范、财务记录不清晰等;2. 内部控制方面存在的问题,包括内部流程不畅、审批制度不健全等;3. 经营管理方面存在的问题,包括生产管理不当、人员管理不完善等。
二、问题的原因分析。
针对上述问题,我们进行了深入分析,主要原因包括:1. 管理制度不完善,导致资金使用不规范;2. 内部流程不畅,导致审批制度不健全;3. 管理人员素质不高,导致生产管理和人员管理存在问题。
三、改进措施。
为了解决上述问题,我们提出了以下改进措施:1. 完善财务管理制度,加强对资金使用的监管;2. 优化内部流程,建立健全的审批制度;3. 加强管理人员培训,提升其管理水平和素质。
四、改进措施的落实情况。
针对上述改进措施,我们已经采取了相应的行动,具体包括:1. 对财务管理制度进行了修订和完善,加强了对资金使用的监管;2. 优化了内部流程,建立了更加健全的审批制度;3. 加强了对管理人员的培训,提升了其管理水平和素质。
五、未来工作计划。
针对未来,我们将继续加强内部审计工作,主要包括:1. 加强对财务管理的监督,确保资金使用规范;2. 持续优化内部流程,建立更加健全的审批制度;3. 加强管理人员的培训和考核,提升其管理水平和素质。
以上是我对内审问题情况的汇报,希望能够得到领导的认可和支持,我们将继续努力,为公司的发展贡献力量。
谢谢!。
内审检查问题汇总4.2.3文件控制1、问:部门都管理了哪些类文件,是否建立年度有效文件清单?2、抽:**份文件,查控制是否按审批权限批准。
3、抽:现场使用的文件,是否得到标识、现行有效、清晰完整。
4、问:部门有无作废文件,是否回收处置,如,保留使用时,是否得到标识。
5、是否有外来文件,并进行了分发控制。
4.2.4记录控制1、是否建立质量记录清单,并规定了保留年限。
2、抽:**份质量记录,查,标识是否符合规定的要求,记录是否清楚、完整、准确,修改是否符合规定的要求。
5.4.1质量目标1、查:部门是否建立了质量目标。
2、是否按规定的要求进行了统计分析,结果如何。
3、如果没有完成目标要求,采取了什么措施。
5.5.1职责和权限问:部门职责有哪些,能否得到落实。
5.5.3内部沟通1、问:部门采用什么方法进行内部沟通。
2、沟通的内容是什么?效果如何?7.1产品实现的策划抽:产品策划输出的文件查:1、是否确定了质量目标和要求。
2、产品实现所需的过程(查产品实现流程图)有哪些。
3、编制的文件和提供的资源是否满足需要。
4、安排的质量控制活动是什么。
5、是否确定了必须的质量记录。
7.2.1与产品有关的要求的确定1、问:用什么方法确定了与产品有关的要求,内容有哪些?2、是否确定了适用产品的法律法规和标准。
3、产品实现过程中有无公司必须的附加要求,是什么,顾客是否同意。
7.2.2与产品有半的要求的评审1、是否按规定的要求进行了合同评审。
2、查:合同评审是否符合规定的要求及评审结论。
3、合同实施中有无变更,顾客是否接受变更的要求。
4、对合同变更的内容都通知了哪些人员。
7.2.3顾客沟通1、合同签订前,采用什么方式与顾客沟通了哪些内容,结果如何?2、合同实施中与顾客沟通了哪些事项,是如何处理的?结果如何?3、产品交付后,与顾客进行了哪方面的沟通,采取了什么措施,效果如何。
7.3.1设计和开发策划查:设计和开发输出文件,看:1、划分了哪些设计和开发阶段,是否合理。
内部质量体系审核问题清单汇总一、内部审核手册1、质量方针1.1本公司是否根据实际情况及ISO标准订定质量方针,是否行到公司最高管理者批准颁布?1.2质量方针是否形成文件公开于众,或以其它方式(如新员工培训)被所有员工了解并落实?1.3是否对质量方针的达成绩效进行定期检查?质量目标2.1本公司制定质量目标的依据?目的?是否得到公司最高管理者批准颁布?2.2质量目标规定的是否合理可行,对于具体的量化指标,是否能满足客户的要求和公司的理念?2.3 质量目标是否量化形成文件公布于众,并被各部门所有员工了解并贯彻落实?2.4是否对质量目标的达成率进行检讨、分析?组织2.1是否建立了公司组织架结构图,是否确定了领导与基层的关系,并用图表反映隶属关系?4.2是否有部门主要负责人及其代表人的相关文件规定?5.3是否规定了所有与质量有关人员的责任、权限和相互关系,是否有职责分配的文件?4.4是否根据产品的要求配置了足够的人员?设备资源是否给予足够的支持?3.5从事与质量有关的管理、执行和验证工作的人员,能否独立行使职权,能否满足标准中各项具体要求?管理者代表5.1公司是否任命了管理者代表,如何委任?4.2管理者代表是否按照ISO9001:2000标准建立、实施质量管理体系?4.3是否指定有职责和权限之管理者代表来保证质量管理体系之执行和维持?4.4管理者代表是否就质量管理体系之运作状况,向最高管理层汇报?是否根据真实情况调整。
4.5管理者代表对编制公司《质量手册》、《质量程序》作了那些工作?4.6管理者代表是否对质量管理体系运作实施监督,是否主持内部质量审核和策划管理评审?管理评审6.1负责管理评审的领导或以其名义进行评审的部门或人员是否与文件规定相符?6.2评审的频度是否满足需要?5.3管理评审的依据和材料及内容是否有效?5.4管理评审是否有准确、结论性输出文件和详细记录?5.5对评审中发现的问题是否作了适当分析,并采取了有效的纠正措施?结果是否有验证,有无文件记录可查?5.6评审会议中,是否对下次召开会议时间进行讨论?5.7当出现下列情况时,是否进行了评审;6.1公司发生了重大质量事故;6.2客户抱怨、异常增多。
IATF16949:2023内审失误项报告背景:IATF 是国际汽车行业质量管理体系标准,对汽车制造商和其供应商的质量管理提出了严格的要求。
为了确保符合这一标准,公司进行了内部审核以评估质量管理体系的有效性。
然而,在2023年的内审中发现了一些失误项,本报告旨在汇报这些问题并提出改进建议。
失误项汇总:1. 缺乏对关键供应商的审核:内审过程中未对关键供应商进行充分的审核,导致未能发现供应商方面的潜在风险和质量问题。
2. 文档管理不严谨:发现在文档版本控制方面存在问题,导致过期或错误的文档被误用,影响了质量管理体系的执行和一致性。
3. 不完全的记录和跟踪:在内审中发现,质量问题的记录和跟踪不完善,导致问题未能得到及时解决和改进,影响了质量管理体系的有效性和持续改进。
改进建议:1. 加强关键供应商审核:确保对关键供应商进行充分的审核,包括审核其质量管理体系、能力和历史绩效,以及风险评估。
这样可以减少与供应商相关的质量问题和潜在风险。
2. 加强文档管理及版本控制:建立严格的文档管理流程,包括标识、审查、批准和控制文档版本的程序。
同时,对文档的使用和变更进行仔细的记录和追踪,以确保文档的准确性和及时更新。
3. 建立完善的记录和跟踪系统:确保质量问题的记录和跟踪系统完善,包括问题的登记、识别、分析、解决和关闭的流程和时间表。
此外,定期回顾和分析记录,以识别常见问题并制定相应的改进措施。
结论:内审发现的失误项揭示了质量管理体系中存在的薄弱环节。
通过加强关键供应商审核、完善文档管理及版本控制以及建立完善的记录和跟踪系统,可以提高质量管理体系的有效性和持续改进能力,以满足IATF 标准的要求。
质量管理体系内部审核存在问题及解决方案摘要:伴随着我国现代化的发展与进步,质量管理工作的重要性日渐突出,管理体系内部存在的一些不合理问题逐渐暴露,并越发受到社会的广泛关注。
在实际的质量管理工作中,需要认识到存在的问题,并进行及时处理,才可以发挥出质量管理体系的价值与功能。
在本文的分析中,主要基于质量管理体系的内部审核问题进行分析,并提出相应的内部审核解决措施。
关键词:质量管理体系;内部审核机制;审核内容引言:在全面贯彻质量管理的国家标准的过程中,需要建立、实施以及保持一个完善的质量管理体系,其中内部审核是单位质量管理体系自我改进、自我完善的重要手段,是保持质量管理体系稳定与可持续发展的关键所在。
通过实施内部审核来评价组织的质量管理体系存在的问题,进而通过采取纠正措施达到持续改进的目的。
1 内部审核现状内部审核[1],有时称为第一方审核,由组织自己或以组织的名义进行,用于管理评审和其他内部目的,可作为组织自我合格声明的基础。
可以由与正在被审核的活动无责任关系的人员进行,以证实独立性。
实际工作中,内部审核在策划及实施过程中往往存在策划不合理、审核内容不具体、审核整改工作不落地等问题。
主要表现在以下方面:1.1 审核范围覆盖不全a) 策划不合理。
内部审核的目的是验证质量管理体系文件是否得到有效实施,过程实施的证据是否完整。
很多单位采取一年一次的集中式全面内审方式,但由于策划不合理,未涉及到体系覆盖全范围全过程,且无法突出审核重点,对一些潜在问题无法及时发现,导致审核工作流于表面。
b) 审核计划中缺少对领导层管理职责进行审核的内容,认为内审员不便于检查领导的工作;c) 内部审核方式可以分为过程审核和部门审核审核两种,但审核计划只规定了接受审核的部门、场所,没有规定审核哪些质量管理体系过程(或标准条款),造成审核遗漏标准的某些条款要求;d) 在多个现场情况下,采取抽样的方法进行审核,致使现场覆盖范围不全。
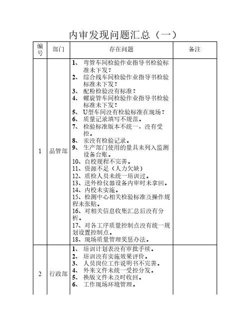
办公室内审问题汇总
1、条款编号:*01201 培训计划未签字,试卷有涂改(涂改液涂改不允许),有项不能空,试卷日期未签,未判分(卫永娜试卷),签到表未完成,无岗前培训试卷。
2、条款编号:*01301 调整组织机构图,任命书无盖章(司机调为运输员),任命书中的具体措辞需要调整(最后一句去掉)。
3、条款编号:*01801 杨莎、卫永娜毕业证原件没有,健康档案无目录。
4、条款编号:02902 购买统一工装
5、条款编号:03002 健康体检档案无目录
6、条款编号:05801 建设备明细台帐(终端编号、目录),查机房卫生,需要保持整洁无杂物。
7、条款编号:*06001 硬盘没有落实到位
8、存有库房平面布局图、租赁协议(产权证明)
采购部内审问题汇总
1、条款编号:06102 质保协议无签字、盖章、日期没有填写(注意签订日期在购货发生业务关系之前)
2、条款编号:06103 山西悦康资质无网上核查、心宝丸无网上核查、首营企业审批表未打印、品种资料未排序
例如:华润西安业务员无网上备案、质保协议未签
3、条款编号:*06301 蓝润洁、心宝丸无原件资质,无批件
4、条款编号:*06401 供货单位销售人员无网上备案核查及打印纸质核查记录,资质上铅笔写的内蓉未擦掉
5、条款编号:06501 质保协议无签字、盖章、不能有空项、日期需填写
6、条款编号:06602 (1)随货同行收货员没有签日期,不能有任何空项,入库验收单“德康”票撤出(2)单据与票样提供必须一致(3)关于入库单、随货同行单各岗位与财务交接不清清楚
7、条款编号:**06701 任何记录项不能有空项,如果空用“—”代表
8、实际操作一下直调练习
9、技巧:(1)问什么问题回答什么
(2)查处问题点,下来互相沟通,不要当着检查员互相推卸责任(3)点哪个品种,要哪个记录就提供哪个,不要都拿出
(4)态度端正,严谨
销售部内审问题汇总
1、条款编号:*06901 直调定义及相关问题销售员熟知,熟悉终止妊娠药、含特殊药品复方制剂相关问题
2、条款编号:09201 缺少客户资质(抽查山西信诚无资质)
3、条款编号:09401 销售经理有待提问清楚,系统:销售出库记录加“汇总”功能
4、条款编号:09404 (1)检查进销存数据,生产日期格式不对,采购进货预到货时间与实际到货时间核对,不能有空项(2)系统中销售退回审核财务部审核中打开后,显示仍是销售经理审批,有待更改
5、条款编号:10002 直调有无随货,,具体流程怎么做,有待提高
6、条款编号:*11601 (1)售后退回,销售人员口述的操作流程应该与系统对上(2)系统中销售退回审核中,财务审核后是销售经理审核,应更改系统,财务审核证据,如何体现财务已审核(3)系统中销退收货确认单有,但是名称不对
储运部内审问题汇总
1、条款编号:04401 (1)无入库流程图、出库流程图(画流程图)(2)库房区域、货位号未分好(无明确标识)
2、条款编号:*04601 储运部经理应记住库房面积、装修花费金额以及仓库设施设备的数量、安放情况等有关仓库的一些事宜
3、条款编号:04605 恶劣天气如何发货,复核员要求知道如何操作,具体操作流程
4、条款编号:04702 无防鼠板的放置图
5、条款编号:*04703 空调什么时候开启?要求知晓,空调制冷机组控制室要求有标识牌
6、条款编号:*04704 温湿度测点终端(常温库1)反应不灵敏(需要修或者更换)
7、条款编号:04705 进出库区中间应保证在库房大门以及内门关闭的情况下保持光亮
8、条款编号:04708 发货区桌子上没有摆放“拆零拼箱“”出库复核“牌,没有拼箱带
9、条款编号:05201 储运、运输设施设备无清洁维护记录、设备使用记录(相关设施设备有操作规程图)
10、条款编号:*05303 温湿度测点终端没有校准标识(需不需要校准标识此问题有待商议)
11、条款编号:09001 盘点表系统中的表格格式不合适,有待调整
12、条款编号:11101 运输合同中没有“封闭式货物运输工具“关键内容字
13、库房应有出入库记录,应有禁止吸烟、禁止烟火标志牌,应有待验以及暂停发货牌
质管部内审问题汇总
1、条款编号:*00801 质量内审进行中
2、条款编号:*00802 无内审报告(第一次内审进行中)
3、条款编号:*00901 内审记录、报告未形成
4、条款编号:01701 没有质量投诉记录、质量事故调查表格、假劣报告表
5、条款编号:07101 无进货质量评审记录
6、条款编号:07602 药品检验报告不全(例如:感冒灵颗粒批号;1501001-4无检验报告),做电子记录,哪些有,哪些没有检验报告书,便于查询和索要
7、条款编号:08001 系统中验收抽检数量不对
8、条款编号:08004 系统中无不合格事项及处置措施
9、条款编号:08402 未上传进销存数据
10、条款编号:08601 (1)系统中“重点养护药品品种确定表“中”有效期至“更改为”有效期;“确定时间”栏不能显示半个字(2)“养护记录”中养护措施中的内容有待商议
11、条款编号:*08905 不合格药品处理流程
12、条款编号:11801 未做售后投诉牌,没有售后投诉记录
13、条款编号:11802 对投诉的质量问题无记录
14、条款编号:11901 无投诉标识牌、无投诉记录(无落实)
15、条款编号:12101 加强召回制度学习,无召回记录,未定谁来负责
16、颁发质量方针(16个字)红头文件
财务部内审问题汇总
1、条款编号:09001 没有盘点记录(还未做过盘点)
2、相关岗位人员票据交接不清楚(后期安排培训)
3、各人员熟知自己的岗位以及自己的工作职责。