北京市建筑工程表格填写范例与指南上册
- 格式:pdf
- 大小:2.51 MB
- 文档页数:39
C1--施工管理资料填写注意事项:1、建筑工程项目经理部建立质量责任制度及现场管理制度,健全质量管理体系,掌握施工技术标准,审查资质证书、施工图、地质勘察资料和施工技术文件等。
施工单位应按规定填写《施工现场质量管理检查记录》,报项目总监理工程师(或建设单位项目负责人)检查,做出检查结论。
填写注意事项:1、专业工长分别填写,要逐日记载,不得后补。
2、日志的记录应该真实、连续完整,不写回忆录,不应是流水账,要有时间、天气情况、分项部位、机械作业及人员情况。
3、日志只记录与工程有关的内容,如:1)当日生产情况记录(施工部位、施工内容、机械作业、班组工作、生产存在问题等),当日技术质量安全工作记录(技术质量安全活动、检验评定验收、技术质量安全问题等)。
2)每个工程项目的开、竣工日期、施工勘测、工程进度及上级有关指示。
3)施工中发生的问题,如设计变更、施工与设计图不符情况、变更施工方法、工程质量事故及其处理情况等。
与生产无关的内容不要记录。
建筑与结构工程(地基基础、主体结构、建筑装饰装修、建筑屋面)、专业工程等的生产情况记录(具体施工项目、部位、施工内容、机械作业、班组工作、生产存在问题等),技术质量安全工作记录(技术质量安全活动、检查评定验收、技术质量安全问题等)。
4、日志应连续记录,若工程施工期间有间断,应在日志中加以说明。
可在停工最后一天或复工第一天里描述。
5、施工日志内容中的部位楼层要填写清楚;混凝土的浇注要详细记录浇筑部位、混凝土的强度等级、开始浇注时间、浇注完毕时间以及混凝土方量,其中混凝土的方量不要随意填写,要与混凝土出场合格证上的供应方量大概一致。
在检查资料时,根据混凝土的方量来检查混凝土试块的留置是否符合要求(GB50204-2002《混凝土结构工程施工质量验收规范》7.4.1),与混凝土出厂合格证上留置的混凝土试块组数是否相符。
6、施工日志填写的内容与隐蔽、施工检查记录、测量资料、试验报告、检验批、材料构配件进场记录、技术交底交圈;施工日志温度与混凝土养护、搅拌、结构实体600℃记录中的温度一致,凡是与天气有关的施工记录都要与施工日志的天气一致。
单位(子单位)工程质量控制资料核查记录单位(子单位)工程观感质量检查记录表评价项目为差的项目,应进行返修。
复测结果:①/①—边±2mm;—±1mm,角+2″;⑦/①—边±1mm;— 0mm,角+3″;引测施工现场的施工标高±0.500m=52.500mm,三个误差在2mm以内。
本表由施工单位填写,并保存。
水准原始记录一、依据:1.定位轴线控制桩①轴、/轴本表由施工单位填写,并保存。
二层①—⑦/—检查意见:经检查,墙柱轴线,边线,门窗洞口位置线尺寸、位置准确,符合设计及施工测量放线要求。
①/①—⑦±2mm;—±1mm,角-2″;⑦/①—⑦±2mm;— 1mm,角+1″;本层顶板结构上皮标高4.390m,误差在±2mm以内。
基槽底;①-/-轴本表由施工单位填写,并保存。
本表由施工单位填写,建设单位、施工单位、城建档案馆各保存一份。
本表由施工单位填写,建设单位、施工单位、城建档案馆各保存一份。
基础底板II段层⑦—/ —轴线-10.2m、-10.8m标高基础底板II段层⑦—/ —轴线-10.2m、-10.8m标高本表由施工单位填写,建设单位、施工单位、城建档案馆各保存一份。
隐检依据:施工图图号结施-6、7、15 设计变更/洽商(编号:02-C2-004、005、007、008)及有关国家现行标准等。
主要材料名称规格/型号:HRB335、HPB235钢筋: Φ22、Φ20、Φ18 、Φ16、Φ12、10、8、 6 。
隐检内容:1、12轴西2.4m-21轴东2.5m/C轴-G轴墙、暗柱、柱根部钢筋上水泥浆已经清理干净。
2、墙、柱竖向钢筋接头,直径≥18采用滚扎直螺纹连接,已另做隐检;墙Φ12竖筋采用绑扎搭接,搭接长度48d(Φ12-580mm)。
3、墙厚度及钢筋规格、型号、数量:180、200厚墙,双排双向Φ12@2006@400;外纵墙竖向筋双排Φ12@200,水平筋双排Φ12@150,呈梅花型布置。
北京筑业资料剪表格填写说明一、施工质量验收技术资料通用表1、“开工报告”审查意见填写:施工准备工作完成,同意开工。
2、“工程项目施工企业主要管理人员名单”审查意见填写:同意资格审查。
3、“施工组织设计(施工方案)报批表”监理单位审查意见填写:经审查该施工组织设计符合有关规范标准和图纸及合同要求,同意按此施工组织设计实施。
4、“施工技术交底记录”监理单位检查结论填写:符合要求。
5、“新材料、新工艺、新技术、新设备应用申报审批表”审查意见填写:同意。
6、“隐蔽工程验收记录”监理单位验收结论填写:同意隐蔽,进入下道工序。
7、“工程报验单”监理单位意见填写:符合设计要求和规范规定,验收合格。
8、“工程竣工验收报验单”监理单位意见填写:经预验收,本工程符合我国现行法律、法规、设计文件和有关质量验收规范、标准及施工合同要求。
本工程预验收合格。
9、“主要设备开箱检验记录”核查结论填:同意施工单位检验结果。
10、“分项、分部(子分部)工程通过验收各方会签表”结论填写:各子分部工程均符合施工质量验收规范要求;质量控制资料及安全和功能检验(检测)报告齐全,合格;观感质量好。
11、“单位(子单位)工程竣工验收参加各方对工程质量的评价书”结论填写:单位工程竣工验收合格。
12、“××工程观感质量检查记录”核查结论填写:同意施工单位检查结果,验收合格。
13、“施工现场质量管理检查记录”核查结论填写:经核查,上述项目符合要求。
14、“××分项工程质量验收记录”监理单位验收结论栏填写:合格。
验收结论栏填写:同意施工单位检查结论,验收合格。
15、“子分部工程质量验收记录”分项工程名称栏验收意见填写:各子分部工程验收合格;质量控制资料栏填验收意见填写:各子分部工程质量控制资料齐全;安全和功能检验报告栏填写:同意施工单位评定;观感质量验收栏填写:同意施工单位评定;监理单位栏填写:各子分部工程均符合规范要求,质量控制资料及安全和功能检验(检测)报告齐全,合格,观感质量良好,同意施工单位评定结果,验收合格。
北京市建筑工程施工资料表格填写说明资料表格填写说明第一节建筑与结构工程施工资料表格的填写说明一、工程管理与验收资料工程管理与验收资料是在施工过程中形成的重要资料,包括工程概况、单位工程质量验收文件和施工总结等。
1、工程概况表:A、工程概况表是对工程基本情况的简要描述,应包括单位工程的一般情况、构造特征、机电系统等。
B、“一般情况”栏:工程名称、建筑用途、建筑地点、建设单位、监理单位、施工单位、建筑面积、结构类型和建筑层数等。
“构造特征”栏:地基与基础、柱、内外墙、梁、板、楼盖、内外墙装饰、楼地面装饰、屋面构造、防火设备等。
“机电系统”栏:工程所含机电各系统名称。
“其它”栏:指特殊需要说明的内容,如新技术、新工艺、新材料等。
表格中各栏目填写可参照图纸设计说明及施工组织设计,要求语言简练,在填写工程名称、建设单位、监理单位、设计单位、施工单位时应填写全称,不可简写或缩写。
2、工程质量事故报告:凡工程发生重大质量事故,其中发生事故时间就记城年、月、日、时、分;估计造成损失,指因质量事矿导致的返工、加固等费用,包括人工费、材料费和管理费;事故情况,包括倒塌情况(整体倒塌或局部倒塌的部位)、损失情况(伤亡认定、损失程度、倒塌面积等);事故原因,包括设计原因(计算错误、构造不合理等)、施工原因(施工粗制滥造、材料、构配件或设备质量低劣等)、设计与施工的共同问题、不可抗力等;处理意见,包括现场处理情况、设计和施工的技术措施、主要责任及处理结果。
3、单位(子单位)工程质量竣工验收记录:A、单位工程完工,施工单位组织自检合格后,应报请监理单位进行工程验收,通过后向建设单位提交工程竣工报告并填写《单位(子单位)工程质量竣工验收记录》。
建设单位应组织设计单位、监理单位、施工单位等进行工程质量竣工验收,验收记录上各单位必须签字并回盖公章。
B、属于城建档案馆接收范围的工程档案,应由城建档案管理部门对工程资料进行预验收,并出具《建设工程竣工档案预验收意见》。
现行建筑工程资料表格填写范例
建筑工程施工、监理技术资料是城建档案的重要组成部分,是建筑工程进行竣工验收和竣工核定的必备条件,也是对工程进行检查、管理的重要依据。
建筑施工、监理资料表格是施工技术资料的重要组成部分,资料表格的填写是目前各项目监理组的难点,由于无统一标准,无相关的资料参考,各人对表格的如何填写不规范,不完整,往往导致不符合当地质监站的要求与返回重填,增加施工及项目监理组不必要的麻烦。
为了使我公司各项目监理组在填写相关表格的内容时能反映工程实际,使之符合现场实际与可操作性、实用性。
现对常用的:“工程管理与竣工验收、建筑与结构工程、建筑给排水工程、建筑电气工程、通风与空调工程、电梯工程、竣工图”等相关常用表格填写范例作一个大纲性的汇总。
各项目监理组在填写过程中有不清楚地方,请回办公室小蒋处查阅“填写范例及资料表格填写说明”。
(附后:1、各种表格栏签署意见范例,供在填表时参考;
2、填写范例资料各种表格目录引索表附后)。
二00四年二月
11。
1.3监理工作记录本表由施工单位填报,建设单位、监理单位、施工单位各存一份。
工程技术文件报审表(表B2-1)1.施工单位向监理单位申报的工程技术文件包括施工组织设计、施工方案(含季节性施工方案)、深化设计、质量问题处理方案等。
2.施工单位应编写工程技术文件,经施工单位技术部门审查通过,并填写《工程技术文件报审表》报项目监理部。
工程项目开工前,总监理工程师组织专业监理工程师审核,填写审核意见,由总监理工程师签署审定结论。
3.工程技术文件审查的主要内容。
(1)承包单位的审批手续是否齐全。
(2)施工总平面布置是否合理。
(3)施工布置是否合理,施工方法是否可行,质量保证措施是否可靠并具有针对性。
(4)工期安装是否满足建设工程施工合同要求。
(5)进度计划是否保证施工的连续性和均衡性,所需人力、材料、设备的配置与进度计划是否协调。
(6)承包单位的质量管理体系是否健全。
(7)安全、环保、消防和文明施工措施是否符合有关规定。
(8)季节性施工方案和专项施工方案的可行性、合理性和先进性。
(9)总监理工程师认为应审核的其他内容。
4.工程技术文件报审应有时限规定,施工和监理单位均应按照施工合同和纸定的时间限要求完成各自的报送和审批工作。
5.在施工过程中,当承包单位对已伯工程技术文件进行调整,补充或变动时,应经专业工程监理工程师审查,并应由总监理工程师签认。
[填写要点]1.承包单位填写(1)表中第1栏“编制单位名称”是指直接该工程实施的单位,如为分包单位,应先由该分包单位填写此栏,经承包单位审枋无误后报项目监理部。
如该项工程实施单位就是承包单位,,则承包单位即为“编制单位”由承包单位直接填写此栏。
“现报上关于工程技术文件”应填入编写的工程技术文件名称,其中“类别、编制人、册数、页数”按编制的工程技术文件的实际情况如实填写。
(2)“施工单位审核意见”栏必须填写具体的审核内容。
2.监理单位填写先经专业工程监理工程师审核,并在“监理单位审核意见”中填写意见。
最新建筑工程资料填写范例
预览说明:预览图片所展示的格式为文档的源格式展示,下载源文件没有水印,内容可编辑和复制
土建专业表格填写范例
续附表1
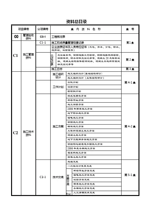
C1--施工管理资料
续附表1
C2--施工技术资料
续附表1
C3--施工测量记录
续附表1
续附表1
续附表1
C5--施工记录
续附表1
C6--施工试验记录
续附表1
C7--施工质量验收记录
续附表1
C8—分户验收用表
续附表1
建筑工程分部(子分部)工程划分与代号索引表
附表2
附表3
工程资料
名称北京X X X工程
案卷题名:施工记录
隐蔽工程检查记录
编制单位:中国建筑二局第三建筑公司
保管期限:
保存档号:
共册第册
注:过程资料使用此封面,竣工资料使用城建档案馆封面施工资料总目录附表4。
万方图书 w w w .t u m u t v .c o m
Q Q :6200153
万方图书 w w w .t u m u t v .c o m
Q Q :6200153
万方图书 w w w .t u m u t v .c o m
Q Q :6200153
万方图书 w w w .t u m u t v .c o m
Q Q :6200153
万方图书 w w w .t u m u t v .c o m
Q Q :6200153
万方图书 w w w .t u m u t v .c o m
Q Q :6200153
万方图书 w w w .t u m u t v .c o m
Q Q :6200153
万方图书 w w w .t u m u t v .c o m
Q Q :6200153
万方图书 w w w .t u m u t v .c o m
Q Q :6200153
万方图书 w w w .t u m u t v .c o m
Q Q :6200153
万方图书 w w w .t u m u t v .c o m
Q Q :6200153
万方图书 w w w .t u m u t v .c o m
Q Q :6200153
万方图书 w w w .t u m u t v .c o m
Q Q :6200153
万方图书 w w w .t u m u t v .c o m
Q Q :6200153
万方图书 w w w .t u m u t v .c o m
Q Q :6200153
万方图书 w w w .t u m u t v .c o m
Q Q :6200153
万方图书 w w w .t u m u t v .c o m
Q Q :6200153
万方图书 w w w .t u m u t v .c o m
Q Q :6200153
万方图书 w w w .t u m u t v .c o m
Q Q :6200153
万方图书 w w w .t u m u t v .c o m
Q Q :6200153
万方图书 w w w .t u m u t v .c o m
Q Q :6200153
万方图书 w w w .t u m u t v .c o m
Q Q :6200153
万方图书 w w w .t u m u t v .c o m
Q Q :6200153
万方图书 w w w .t u m u t v .c o m
Q Q :6200153
万方图书 w w w .t u m u t v .c o m
Q Q :6200153
万方图书 w w w .t u m u t v .c o m
Q Q :6200153
万方图书 w w w .t u m u t v .c o m
Q Q :6200153
万方图书 w w w .t u m u t v .c o m
Q Q :6200153
万方图书 w w w .t u m u t v .c o m
Q Q :6200153
万方图书 w w w .t u m u t v .c o m
Q Q :6200153
万方图书 w w w .t u m u t v .c o m
Q Q :6200153
万方图书 w w w .t u m u t v .c o m
Q Q :6200153
万方图书 w w w .t u m u t v .c o m
Q Q :6200153
万方图书 w w w .t u m u t v .c o m
Q Q :6200153
万方图书 w w w .t u m u t v .c o m
Q Q :6200153
万方图书 w w w .t u m u t v .c o m
Q Q :6200153
万方图书 w w w .t u m u t v .c o m
Q Q :6200153
万方图书 w w w .t u m u t v .c o m
Q Q :6200153
万方图书 w w w .t u m u t v .c o m
Q Q :6200153。