104规约报文说明
- 格式:doc
- 大小:137.00 KB
- 文档页数:12
104规约报文解析104规约报文解析是一种实时的通信协议,具有快速传输,可靠性高,能够支持多种功能,容易实现自动化等优点。
它是由IEC/BE/DIN等国际电工委员会制定的报文标准,是非常普遍的现代化仪表仪器通信标准,它可以在工业仪表仪器通信中应用。
104规约是一个报文标准,报文是指报文的组成,报文包括报文头、报文体和报文尾三个部分。
报文头由报文起始字,报文间隔字和报文类型标志等组成;报文体指的是报文的主体,它包含报文长度和信息内容;报文尾由校验位和结束符组成。
报文起始字和报文间隔字是报文格式中最重要的两个部分,它们可以用于报文的划分。
报文起始字是在报文开始的第一个字节,用于标识报文的起始,报文间隔字是报文中的每个字节都有的特殊标志,它的作用是将报文进行分割,使不同的字节能够按照正确的序列排列。
报文类型标志用于定义报文的内容,报文类型标志中可以标识报文是请求发送还是应答发送,以及报文所携带的内容。
报文长度是指报文体中所携带的字节数,它可以用于确定报文体中有多少字节。
校验位是报文尾部的必要部分,它可以用于确保报文数据的可靠性。
校验位是由发送端和接收端使用一致的条件计算出来的,只有当校验结果一致时,接收端才会接受报文数据。
结束符是报文尾部的必要部分,用于标识报文的结束。
104规约报文解析是一种实时通信协议,它能够在工业仪表仪器通信中有效应用,为仪表仪器通信提供可靠、稳定的通信服务。
它的报文格式简单、数据可靠,而且能够支持多种功能,能够满足实时通信的需求。
104规约报文解析不仅可以应用于工业仪表仪器通信,还可以应用于各种系统自动化等领域,它的应用范围非常广泛。
它可以起到极大的作用,有效提高了系统的可靠性,为系统自动化提供了基础。
大势所趋,104规约报文解析越来越受到重视,更多的企业和个人将其应用于工业仪表仪器通信和系统自动化方面,以满足实时通信的需求。
在未来,我们相信104规约报文解析有望成为一种重要的通信技术,可以更好地满足我们的需求。
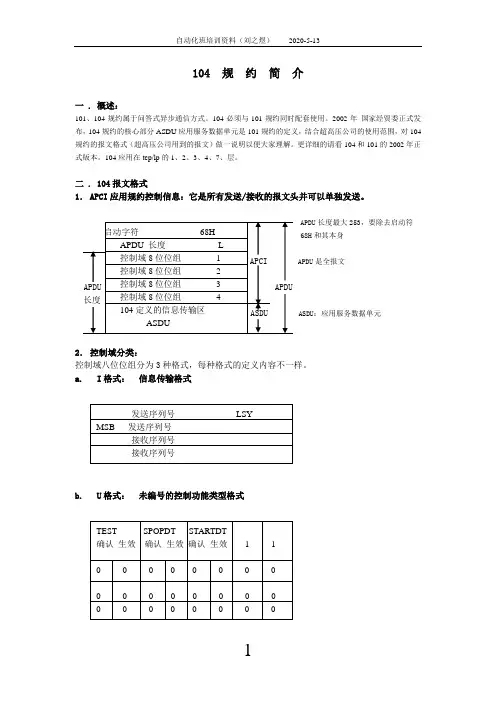
104 规约简介一 . 概述:101、104规约属于问答式异步通信方式。
104必须与101规约同时配套使用。
2002年国家经贸委正式发布,104规约的核心部分ASDU应用服务数据单元是101规约的定义,结合超高压公司的使用范围,对104规约的报文格式(超高压公司用到的报文)做一说明以便大家理解。
更详细的请看104和101的2002年正式版本。
104应用在tcp/lp的1、2、3、4、7、层。
二 . 104报文格式1.APCI应用规约控制信息:它是所有发送/接收的报文头并可以单独发送。
APDU长度最大253,要除去启动符68H和其本身APDU是全报文ASDU:应用服务数据单元2.控制域分类:控制域八位位组分为3种格式,每种格式的定义内容不一样。
a. I格式:信息传输格式b.U格式:未编号的控制功能类型格式TEST.SPOPDT STARTDT 确认/生效只有一个是“1”之可能出03/13/23/43/83/07/0B 不可能出现其他码c. S 格式 带编号的监视功能例如: 发/收一组码: 68 04 01 00 96 77 这就S 格式,这是确认报文,在收报文经常出现。
刚开机时用于链路连接,收发两端都收到这个报文说明链路通了,可以发其它命令报文。
如果链路不通,主站会连发此报文2. ASDU 格式 应用服务数据单元 即信息区传输格式传送原因: 1字节/2字节 各系统自定义,我们系统定义2字节。
101定义1个字节。
公共地址: 1字节/2字 各系统自定义 我们系统定义2字节。
101定义1个字节 信息对象地址:1字/2字节/3字节 我们系统定义3个字节,可以转16777215个信息,实际上2个字节就够65535。
101定义2个字节。
可变帧结构限定词: 7位定义长度,最大127个信息。
SQ=0 每个信息都带地址。
SQ=1 只有带一个有起始地址,其他信息不带地址,按顺序排列,全YX 、全YC 时SQ 都为1. 信息:最少一个字节,例如一个遥信,最多的可达9个字节,SOE8个字节。
104规约遥信报文解析-回复什么是104规约遥信报文解析?104规约是一种常用于电力系统远程通信的协议。
其中的遥信报文是通过网络传输的一种数据格式,用以传输远程设备的状态信息。
在电力系统中,遥信信息对于实时监控和故障检测至关重要。
因此,正确解析104规约遥信报文对于电力系统的安全运行至关重要。
本文将一步一步介绍如何解析104规约遥信报文。
1. 确定报文格式:104规约遥信报文是以二进制的形式进行传输的。
因此,在解析报文之前,我们首先需要了解104规约遥信报文的格式。
104规约遥信报文通常包含以下几个部分:报文头、应用服务数据单元(asdu)、遥信数据、信息体地址等。
2. 解析报文头:报文头是104规约遥信报文中的首部,用于标识报文的类型和长度等信息。
我们需要解析报文头,以确定报文中有多少个asdu 以及它们的类型等信息。
3. 解析asdu:asdu是应用服务数据单元的缩写,是104规约遥信报文的核心部分。
每个asdu代表一个独立的数据包,其中包含了遥信数据的详细信息。
根据报文头所确定的asdu个数,我们需要逐个解析它们。
4. 解析遥信数据:遥信数据是asdu中最关键的部分,它包含了设备的状态信息。
遥信数据通常由信息体对象组成,每个对象包含了设备的一个特定状态。
在解析遥信数据时,我们需要依次解析每个信息体对象,并确定其对象类型、地址和状态值等信息。
5. 解析信息体地址:信息体地址用于标识遥信数据的来源设备。
解析信息体地址可以帮助我们确定遥信数据是来自哪个设备,并可以对设备的状态变化进行跟踪和分析。
通过以上步骤,我们可以完成104规约遥信报文的解析,获取到每个asdu 中的遥信数据,包括对象类型、地址和状态值等信息。
根据这些信息,我们可以进一步进行实时监控和故障检测等操作。
需要注意的是,104规约遥信报文的解析过程可能存在一定的复杂性,特别是在处理大量的遥信数据时。
因此,为了提高解析效率和准确性,我们可以借助相应的编程语言和工具,编写解析程序来自动处理报文解析过程。
IEC104报⽂解释IEC 60870-5-104 ⽹络传输规约是国际标准规约,主要应⽤于电⼒系统变电站计算机监控系统或RTU 与主站SCADA 系统之间的数据通信。
控制站与被控制站之间的⽹络通信底层采⽤TCP/IP 协议[1],应⽤层协议采⽤IEC60870-5-104 传输规约[2-3]。
1 应⽤层协议IEC 60870-5-104 传输规约格式与报⽂分析[2-5]1.1 控制功能传输格式控制功能传输帧主要⽤于测试链路、控制启/停数据传输,如表1所⽰。
报⽂内容为:表1 控制功能传输格式启始字APDU 长度控制域1 控制域2 控制域3 控制域400 00 0068 04 STARTDT、STOPDT、TESTFR(1)TRAN:68 04 43 00 00 00,测试链路。
(2)RECV:68 04 83 00 00 00,确认。
(3)TRAN:68 04 13 00 00 00,停⽌数据传送。
(4)RECV:68 04 23 00 00 00,确认。
(5)TRAN:68 04 07 00 00 00,启动数据传输。
(6)RECV:68 04 0B 00 00 00,确认。
TCP/IP 建⽴连接后,控制站发送测试TESTFR指令对已建⽴的连接进⾏测试,并得到被控制站返回的TESTFR 确认;控制站必需发送STARTDT 指令来激活该连接中的⽤户数据传输,被控制站响应这个STARTDT 指令。
被控制站的待发数据只有在STARTDT 被确认后才能发送数据。
1.2 监视功能传输格式监视功能传输格式如表 2 所⽰。
监视功能传输帧主要⽤于数据帧确认,即当主站正确收到1 帧或多帧APDU 后要进⾏确认并返回接收帧的序列号。
表2 监视功能传输格式启始字APDU 长度控制域1 控制域2 控制域3 控制域468 01 01 00 接收序号接收序号1.3 信息传输格式1.3.1 总召唤总召唤报⽂格式及内容分析如下:(1)TRAN:68 0E 00 00 00 00 64 01 06 00 01 00 00 00 00 14,总召唤命令。
iec104规约协议报文流程解析iec104规约协议报文,就像是一种特殊的语言,在电力系统这个大舞台上传递着重要的信息。
想象一下,电力系统是一个超级大的家族,各个设备就像是家族里的成员。
而iec104规约协议报文呢,就是这些成员之间沟通的信件。
每一个报文都有着自己独特的格式和内容,就像每封信都有特定的书写格式和要表达的事情一样。
我们先来看报文的起始部分。
这部分就像是信件的开头称呼,它会告诉接收方,“嘿,我是从哪里来的”。
比如说,它会包含发送端的一些标识信息,这就好比是写信人的地址。
这个标识很重要呢,就像你收到一封信,你得知道是谁寄来的。
如果这个标识乱了或者错了,那就好比收到一封不知道谁寄来的信,会让人很迷糊。
然后是报文的类型部分。
这就像是信里写的事情的大致分类。
是通知对方有新情况了呢,还是在回答对方之前的询问?不同的报文类型有着不同的作用。
就像你给家人写信,有时候是告诉他们你最近发生的新鲜事,这就类似一种类型的报文;有时候是回复家人之前问你的问题,这又是另一种类型的报文。
比如说,一个设备检测到电力参数有异常了,它就会发出一种特定类型的报文,告诉监控系统“我这儿有点不对劲啦”。
报文的数据部分就像是信的正文内容。
这里面包含了真正有用的信息。
在电力系统里,可能是电压值、电流值、设备状态之类的信息。
这部分信息就像是你告诉家人你现在的生活状况,是过得好呢,还是遇到了困难。
这些电力数据非常关键,因为它们直接反映了电力系统的运行情况。
就像你家人通过你信里描述的生活状况来了解你的真实生活一样,电力系统的监控人员通过这些数据部分的报文来掌握电力系统的运行状态。
报文还有校验部分。
这就像是信件的防伪标识。
因为在传输过程中,可能会出现各种干扰,导致报文的内容发生错误。
校验部分就可以检查这个报文是不是完整的、正确的。
这就好比你收到一封信,你要看看这封信有没有在途中被损坏或者被人篡改过。
如果校验不通过,那就好比收到一封字迹模糊、内容被乱改的信,这样的报文是不能被信任的,就像这样的信你也不会相信里面的内容一样。
104规约简要说明IEC-104规约简要说明一、结构字节定义链路地址和公共地址:2字节传送原因:2字节信息体地址:2字节其它:1字节信息体起始地址:遥信:0x0001遥测:0x4001遥控:0x6001服务器的端口号:2404二、初始化过程主站发:1、请求链路状态(功能码=9)10 49 01 00 4A 16返回:10 8B AL AH CRC 162、复位远方链路(功能码=0)10 40 01 00 41 16返回:10 80 AL AH CRC 16FTU收到“请求链路状态”和“复位远方链路”之后,发如下命令:1、复位主站进程(功能码=0)10 C0 AL AH CRC 162、初始化完成报文(类型=70)68 0c TX_L TX_H RX_L RX_H 46 01 04 00 AL AH 00 00三、总召命令总召命令:68 0d TX_L TX_H RX_L RX_H 64 01 06 00 01 00 00 00 00总召返回:1.总召确认68 0d TX_L TX_H RX_L RX_H 64 01 07 00 AL AH 00 00 142.遥信总召68 LEN TX_L TX_H RX_L RX_H 01 A0 14 00 AL AH 01 00 X1 X2 ..X323.遥测总召68 LEN TX_L TX_H RX_L RX_H 09 85 14 00 AL AH 01 40 AI1_L AI1_H … AI5_L AI5_H4.总召结束68 0d TX_L TX_H RX_L RX_H 64 01 0a 00 AL AH 00 00 14四、校时命令68 13 TX_L TX_H RX_L RX_H 67 01 06 00 AL AH 00 00 ms ms MINUTE HOUR DAY MONTH YEAR五、遥控命令分闸预选:68 0d TX_L TX_H RX_L RX_H 2E 01 06 00 AL AH 01 60 81分闸执行:68 0d TX_L TX_H RX_L RX_H 2E 01 06 00AL AH 01 60 01合闸预选:68 0d TX_L TX_H RX_L RX_H 2E 01 06 00 AL AH 02 60 81合闸执行:68 0d TX_L TX_H RX_L RX_H 2E 01 06 00AL AH 0260 01六、遥信变位上传报文不带时标的报文:68 LEN TX_L TX_H RX_L RX_H 01 NUM 03 00 AL AH X1_L X1_H D1 D2 …..Dn带时标的报文:68 LEN TX_L TX_H RX_L RX_H 1E NUM 03 00 AL AH X1_L X1_H D1 ms ms MINUTE HOUR DAY MONTH YEAR …七、心跳报文若主站未发初始化命令,FTU就定时发心跳报文:68 09 09 08 01 01 25 AL AH八、循环主动上传的过程若主站下发过“请求链路状态(功能码=9)”和“复位远方链路(功能码=0)”命令后,FTU装置就定时上传全部遥测值和遥信值:68 LEN TX_L TX_H RX_L RX_H 01 A0 03 00 AL AH 01 00 X1 X2 ..X3268 LEN TX_L TX_H RX_L RX_H 09 85 03 00 AL AH 01 40 AI1_L AI1_H … AI5_L AI5_H。
IEC104规约调试小结一、四遥信息体基地址范围“可设置104调度规约”有1997年和2002年两个版本,在流程上没有什么变化,02此配置要根据主站来定,有的主站可能设为1,1,2,我们要改与主站一致。
三、以公共地址字节数=2,传输原因字节数=2,信息体地址字节数=3为例对一些基本的报文分析第一步:首次握手(U帧)发送→激活传输启动:68(启动符)04(长度)07(控制域)00 00 00接收→确认激活传输启动:68(启动符)04(长度)0B(控制域)00 00 00第二步:总召唤(I帧)召唤YC、YX(可变长I帧)初始化后定时发送总召唤,每次总召唤的间隔时间一般设为15分钟召唤一次,不同的主站系统设置不同。
发送→总召唤:68(启动符)0E(长度)00 00(发送序号)00 00(接收序号)64(类型标示)01(可变结构限定词)06 00(传输原因)01 00(公共地址即RTU地址)00 00 00(信息体地址)14(区分是总召唤还是分组召唤,02年修改后的规约中没有分组召唤)接收→S帧:注意:记录接收到的长帧,双方可以按频率发送,比如接收8帧I帧回答一帧S帧,也可以要求接收1帧I帧就应答1帧S帧。
6804 01 00 02 00接收→总召唤确认(发送帧的镜像,除传送原因不同):68(启动符)0E(长度)00 00(发送序号)00 00(接收序号)64(类型标示)01(可变结构限定词)07 00(传输原因)01 00(公共地址即RTU地址)00 00 00(信息体地址)14(同上)发送→S帧:注意:记录接收到的长帧,双方可以按频率发送,比如接收8帧I帧回答一帧S帧,也可以要求接收1帧I帧就应答1帧S帧。
68 04 01 00 02 00接收→YX帧(以类型标识1为例):68(启动符)1A(长度)02 00(发送序号)02 00(接收序号)01(类型标示,单点遥信)04(可变结构限定词,有4个遥信上送)14 00(传输原因,响应总召唤)01 00(公共地址即RTU地址)03 00 00(信息体地址,第3号遥信)00(遥信分)发送→S帧:68 04 01 00 04 00接收→YX帧(以类型标识3为例):68(启动符)1E(长度)04 00(发送序号)02 00(接收序号)03(类型标示,双点遥信)05(可变结构限定词,有5个遥信上送)14 00(传输原因,响应总召唤)01 00(公共地址)01 00 00(信息体地址,第1号遥信)02(遥信合)06 00 00(信息体地址,第6号遥信)02(遥信合)0A 00 00(信息体地址,第10号遥信)01(遥信分)0B 00 00(信息体地址,第11号遥信)02(遥信合)0C 00 00(信息体地址,第12号遥信)01(遥信分)发送→S帧:68 04 01 00 06 00接收→YC帧(以类型标识9为例):68(启动符)13(长度)06 00(发送序号)02 00(接收序号)09(类型标示,带品质描述的遥测)82(可变结构限定词,有2个连续遥测上送)14 00(传输原因,响应总召唤)01 00(公共地址)01 40 00(信息体地址,从0X4001开始第0号遥测)A1 10(遥测值10A1)00(品质描述)89 15(遥测值1589)00(品质描述)发送→S帧:68 04 01 00 08 00接收→结束总召唤帧:68(启动符)0E(长度)08 00(发送序号)02 00(接收序号)64(类型标示)01(可变结构限定词)0A 00(传输原因)01 00(公共地址)00 00 00(信息体地址)14(区分是总召唤还是分组召唤,02年修改后的规约中没有分组召唤)发送→S帧:6804 01 00 0A 00第二步:发送对时报文(通过设置RTU参数表中的”对间间隔”,单位是分钟,一般是20分钟)发送→对时命令:68(启动符)14(长度)02 00(发送序号)0A 00(接收序号)67(类型标示)01(可变结构限定词)06 00(传输原因)01 00(公共地址)00 00 00(信息体地址)01(毫秒低位)02(毫秒高位)03(分钟)04(时)81(日与星期)09(月)05(年)接收→对时确认:68(启动符)14(长度)0C 00(发送序号)02 00(接收序号)67(类型标示)01(可变结构限定词)07 00(传输原因)01 00(公共地址)00 00 00(信息体地址)**(毫秒低位)**(毫秒高位)**(分钟)04(时)81(日与星期)09(月)05(年)发送→S帧:68 04 01 00 0E 00第三步:电度总召唤(如果没有电度此步骤可以省略且可以在对时之前以送.通过设置参数中”全数据扫描间隔”,单位是分钟一般是15分钟召唤一交,如果不需要召唤电度一定要将参数中的电度个数设为0)发送→召唤电度:68(启动符)0E(长度)04 00(发送序号)0E 00(接收序号)65(类型标示)01(可变结构限定词)06 00(传输原因)01 00(公共地址)00 00 00(信息体地址)45(QCC)接收→召唤确认(发送帧的镜像,除传送原因不同) :68(启动符)0E(长度)10 00(发送序号)06 00(接收序号)65(类型标示)01(可变结构限定词)07 00(传输原因)01 00(公共地址)00 00 00(信息体地址)45(QCC)发送→S帧:68 04 01 00 12 00接收→电度数据:68(启动符)1A(长度)12 00(发送序号)06 00(接收序号)0F(类型标示)02(可变结构限定词,有两个电度量上送)05 00(传输原因)01 00(公共地址)01 64 00(信息体地址,从0X6401开始第0号电度)00 00 00 00(电度值)00(描述信息)02 64 00(信息体地址,从0X6401开始第1号电度)00 00 00 00(电度值)01(描述信息)发送→S帧:68 04 01 00 14 00接收→结束总召唤帧:68(启动符)0E(长度)14 00(发送序号)06 00(接收序号)65(类型标示)01(可变结构限定词)0A 00(传输原因)01 00(公共地址)00 00 00(信息体地址)45(QCC)发送→S帧:6804 01 00 16 00第四步:如果RTU有变化数据主动上送主动上送变位遥信,类型标识为1或3接收→变位遥信:68(启动符)0E(长度)16 00(发送序号)06 00(接收序号)01(类型标示,单点遥信)01(可变结构限定词,有1个变位遥信上送)03 00(传输原因,表突发事件)01 00(公共地址即RTU地址)03 00 00(信息体地址,第3号遥信)00(遥信分)发送→S帧:68 04 01 00 18 00接收→变位遥信:68(启动符)0E(长度)18 00(发送序号)06 00(接收序号)03(类型标示,双点遥信)01(可变结构限定词,有1个变位遥信上送)03 00(传输原因,表突发事件)01 00(公共地址即RTU地址)06 00 00(信息体地址,第6号遥信)01(遥信分)发送→S帧:68 04 01 00 1a 00主动上送SOE,类型标识为0x1e(单点YX)或0x1f(双点YX)接收→SOE :68(启动符)15(长度)1a 00(发送序号)06 00(接收序号)1e(类型标示,单点遥信)01(可变结构限定词,有1个SOE)03 00(传输原因,表突发事件)01 00(公共地址即RTU 地址)08 00 00(信息体地址,第8号遥信)00(遥信分)ad(毫秒低位)39(毫秒高位)1c(分钟)10(时)7a(日与星期)0b(月)05(年)发送→S帧:68 04 01 00 1c 00接收→SOE :68(启动符)15(长度)1c 00(发送序号)06 00(接收序号)1f(类型标示,双点遥信)01(可变结构限定词,有1个SOE)03 00(传输原因,表突发事件)01 00(公共地址即RTU 地址)0a 00 00(信息体地址,第10遥信)01(遥信分)2f(毫秒低位)40(毫秒高位)1c(分钟)10(时)7a(日与星期)0b(月)05(年)第四步:如果主站超过一定时间没有下发报文或RTU也没有上送任何报文则双方都可以按频率发送U帧,测试帧,以检测链路通断。
IEC104规约说明97版或2002版IEC104在流程上没有什么变化,只是扩展了遥测遥信等信息体基地址.. IEC104APCI 应用规约控制信息,ASDU 应用服务数据单元,APDU 应用规约数据单元启动字符68H 定义了数据流中的起点,APDU 长度 = ASDU 的字节长度 + 4个控制字节,根据4个控制字节的内容分为三类报文:用于编号的信息传输(I 格式)、编号的监视功能(S 格式)、未编号的控制功能(U 格式)。
如下所示:高位 8 7 6 5 4 3 2 1 8 7 6 5 4 3 2 1I 格式 S 格式高位U 格式S 格式和U 格式的报文均无ASDU 部分。
发送序列号N (S )和接收序列号N (R )的使用与ITU —T X .25定义的方法一致,发送方增加发送序列号而接收方增加接收序列号。
有些厂家对这两个序列号的递增没有考虑。
控制站利用STARTDT (启动数据传输)和STOPDT (停止数据传输)来控制被控站的数据传输。
当连接建立后,连接上的用户数据传输不会从被控站自动激活,控制站需要发送STARTDT 指令来激活这个连接中的用户数据传输,被控站用STARTDT 响应,随后,被控站可利用IEC101中的有关ASDU (链路用户数据)将变化数据主动上送给控制站,控制站可以在收到一个或几个被控站的报文后发送一个S 格式的报文给被控站,控制站也可以利用有关的ASDU (链路用户数据)报文向被控站请求全数据或全电度,或向被控站下发遥控命令,或对时。
ASDU(应用服务数据单元)部分的格式如下:类型标识为一个字节,可变结构限定词为一个字节,传输原因可以为一个或两个字节,公共地址可以为一个或两个字节,信息体地址可以为一个或两个或三个字节,具体采用几个字节表示需要遵照通信双方的约定。
ASDU的详细内容请参考有关的IEC60870—5—101规约。
由于采用面向连接的TCP网络通道,在应用层可以认为报文是可靠的,因此,规约中没有对报文设置校验,基于同样的原因,规约中也不再采用IEC101的分组召唤。
104规约遥信报文解析摘要:一、引言二、104规约简介1.规约背景2.规约内容三、遥信报文解析1.遥信报文结构2.报文解析方法3.报文应用案例四、104规约在我国的应用1.应用范围2.我国标准制定五、总结正文:一、引言随着自动化技术的不断发展,电力系统对于遥信报文的需求越来越高。
104规约作为国际上广泛应用的规约,对遥信报文的解析具有重要意义。
本文将对104规约遥信报文进行解析,以期为我国电力系统自动化技术发展提供参考。
二、104规约简介1.规约背景104规约,全称为“IEC 60870-5-104”,是国际电工委员会(IEC)制定的用于电力系统自动化的通信规约。
该规约自1995年首次发布以来,已经经历了多个版本的更新,目前最新版本为2016年的第五版。
104规约在全球范围内得到了广泛的应用,为电力系统的自动化运行提供了有效的通信手段。
2.规约内容104规约主要包括五个部分,分别是:一般原则、应用服务、传输服务、链路服务及网络服务。
其中,应用服务部分定义了规约所支持的各种应用功能,如遥信、遥测、遥控等;传输服务部分规定了数据在通信网络中的传输方式;链路服务部分定义了通信链路建立、维护和断开的过程;网络服务部分规定了网络层的相关功能。
三、遥信报文解析1.遥信报文结构遥信报文是104规约中用于传输遥信信息的数据单元。
一个遥信报文主要包括以下几个部分:起始字符、长度域、控制域、地址域、应用服务数据单元(ASDU)及帧校验和。
其中,ASDU是报文的核心部分,包含了具体的遥信数据。
2.报文解析方法解析遥信报文需要对104规约中定义的各种数据类型进行理解和处理。
首先,需要识别报文的起始字符和长度域,确定报文的长度。
接着,解析控制域,判断报文的类型(如遥信、遥测等)。
然后,解析地址域,获取报文的目标设备地址。
最后,解析应用服务数据单元(ASDU),提取遥信数据。
3.报文应用案例以电力系统中的断路器遥信为例,假设某断路器合闸,可以通过遥信报文进行传输。
103可变帧格式说明注意68H 启动字符length 长度length 长度68H 启动字符CODE 控制域ADDR 链路地址域ASDU 应用服务数据单元CS 代码和16H 结束符TYP 类型标识VSQ 可变结构限定词COT传输原因ASDU ADDR 装置物理地址FUN 功能类别INF 信息序号信息元素值时标(ms)时标(min)时标(h)应用层(ASDU)表示层会话层传输层网络层链路层物理层信息体注意:1:103是采集规约,属于一对多通讯。
一般链路地址和ASDU ADDR保持一致。
这就是现场每个装置设置地址的原因。
2根据数据单元来辨别ASDU的具体位置。
一般涉及控制域,地址域的是串口通讯。
103报文ASDU结构图OSI应用报文信息头报文信息体数据单元类型信息体标识符信息体时标数据单元标识符101可变帧格式说明68H启动字符length长度length长度68H启动字符CODE控制域ADDR链路地址域ASDU应用服务数据单元CS代码和16H结束符TYP类型标识VSQ可变结构限定词COT传输原因ASDU ADDR公共地址信息体地址(一般两个字节,低前信息体元素信息体时标应用层(ASDU)表示层会话层传输层网络层链路层物理层信息体OSI应用注意:101属于转发规约,链路地址和公共地址一般是一个值。
一址。
信息体地址可以认为是转发表的地址。
一般涉及控制域,地址域的是串口通讯。
101报文ASDU结构图注意104可变帧格式68H APDU控制域8位位组1控制域8位位组2控制域8位位组3控制域8位位组4ASDUTYP VSQCOT(低位)COT(高位)ASDU公用地址低位ASDU公用地址高位信息体地址(一般3个字节,低前高后)信息体元素信息体时标应用层(ASDU)表示层会话层传输层网络层链路层物理层数据单元标识符注意:104属于转发规约,链路共地址。
信息体地址可以认为是转发表的地址。
一般涉及口通讯。
没有控制域,地址域,CS和16H结束符。
104规约(2002版)报文解析启动字符68H数据单元长度控制域1 控制域2 控制域3 控制域4 应用服务数据单元APCI应用规约控制信息ASDU应用服务数据单元APDU应用规约控制单元类型标示TYP可变结构体限定词VSQ 传送原因COT 应用服务数据单元公共地址信息体数据单元标识符信息体ASDU应用服务数据单元控制域定义了保护报文不至丢失和重复传送的控制信息,报文传输启动/停止,以及传输连接的监视等,控制域格式分为用于编号的信息传输(I格式),编号的监视功能(S格式)和未编号的控制功能(U格式)1、I格式:I格式通常包含ASDU,用来传输具体信息2、S格式:S格式通常用来可计数的确认功能3、U 格式:U 格式通常用来进行链路的启动,停止,测试等功能注意:报文全部为16进制1初始化主站下发: 68 04 07 00 00 00目的:给子站发请求链路状态命令。
报文解析:子站回答:68 04 0B 00 00 00目的:子站响应主站的链路状态。
报文解析:子站回答:68 0E 00 00 00 00 46 01 04 00 01 00 00 00 00 00680407000000启动字符 数据单元长度4 控制域1,U 帧:启动生效位置1 控制域2,U 帧默认0 控制域3,U 帧默认0 控制域4,U 帧默认0 68040B000000 启动字符 数据单元长度4 控制域1,U 帧:启动确认位置1 控制域2,U 帧默认0 控制域3,U 帧默认0 控制域4,U 帧默认0目的:初始化结束。
报文解析:初始化原因(COI)COI=CP8{UI7[1..7],BS1[8]}低7位=0表示当地电源合上=1表示当地手动复位=2表示远方复位=3到31为本配套标准的标准定义保留(兼容范围) =32到127为特定使用保留(专用范围)最高位(第8位)=0表示未改变当地参数的初始化 =1表示改变当地参数后的初始化2总召唤主站下发:68 0E 00 00 06 00 64 01 06 00 01 00 00 00 00 14目的:向地址为01的子站发总召唤命令。
IEC 104规约报文解析一、固定长度报文:111、格式:启动字符长度控制域一控制域二控制域三控制域四启动字符:68长度:该字节之后的报文的字节数目。
短帧都为042、常见帧:启动链路: 68 04 07 00 00 00启动链路确认:68 04 0B 00 00 00测试帧: 68 04 43 00 00 00测试确认: 68 04 83 00 00 00监视帧: 68 04 01 00 00 00二、可变长度报文1、格式:启动字符长度控制域一控制域二控制域三控制域四类型标识符可变结构限定词传送原因高字节传送原因低字节公共地址高字节公共地址低字节数据启动字符:68长度:该字节之后的报文的字节数目类型标识:0x01:单点遥信0x09:归一化遥测(整型)0x0D:浮点型遥测0x03:双点遥信0x1e:SOE(事件记录)0x67:对时0x25:电度0x64:总召0x2d:单点遥控0x2e:双点遥控可变结构限定词:最高位表示数据是否连续,1:连续,0:不连续,低7位表示报文中包含的数据的个数。
传送原因:0x06:激活0x07:激活确认0xA:激活终止0x8:停止激活0x09:激活停止确认公共地址:设备地址2、常见报文的格式:点号 = 起始地址或者信息体地址-104规约中配置的起始地址遥信:连续:数据报文的格式:3个字节(低前高后)起始地址+n个字节的遥信值不连续:数据报文的格式:3个字节(低前高后)信息体地址+1个字节的遥信值3个字节(低前高后)信息体地址+1个字节的遥信值………………………………………………………3个字节(低前高后)信息体地址+1个字节的遥信值遥测:连续:数据报文的格式:3个字节(低前高后)起始地址+(4个字节的遥测值+1个字节的品质描述)×n组不连续:数据报文的格式:3个字节(低前高后)信息体地址+4个字节的遥测值+1个字节的品质描述 3个字节(低前高后)信息体地址+4个字节的遥测值+1个字节的品质描述………………………………………………………………………………3个字节(低前高后)信息体地址+4个字节的遥测值+1个字节的品质描述SOE:不区分连续不连续数据报文格式:3个字节起始地址+1个字节值+7个字节的时标(毫秒、秒、分、时、日、月、年)电度:连续:数据报文格式:3个字节(低前高后)起始地址+(4个字节的遥测值+1个字节的品质描述+7个字节的时标)×n组(毫秒、秒、分、时、日、月、年)不连续: 3个字节(低前高后)起始地址+(4个字节的遥测值+1个字节的品质描述+7个字节的时标) …………………………………………………………………………………………………3个字节(低前高后)起始地址+(4个字节的遥测值+1个字节的品质描述+7个字节的时标)遥控:3个信息体地址+1个字节命令码对时:3个字节信息体地址+7个字节的时标(毫秒、秒、分、时、日、月、年)三、报文举例1、主站发总召:68 0E 00 00 00 00 64 01 0600 01 00 00 00 00 142、主站收到的总召相应报文:68 0E 06 00 02 00 64 01 07 00 01 00 00 00 00 143、主站收到的全遥信报文:68 38 08 00 02 00 01 AB 14 00 01 00 01 00 00 00 00 01 00 00 00 01 00 01 00 01 00 00 00 01 00 01 00 01 00 00 00 00 00 00 00 00 00 01 00 01 00 00 00 00 00 01 00 00 00 01 00 004、主站收到的全遥测报文:68 F3 0A 00 02 00 0D AE 1400 01 00 01 4C 00 9A 99 41 41 00 34 33 97 41 00 67 66 08 C2 00 33 33 03 42 00 2E 33 23 41 00 67 66 92 C1 00 66 66 AA C1 00 9A 99 19 B6 00 9A 99 11 C1 00 00 00 4A 42 00 CE CC 47 C3 00 98 99 41 C2 00 CF 8C 89 C3 00 36 33 29 42 00 66 66 D3 42 00 9B 19 31 43 00 02 00 AB 43 00 9A 19 47 43 00 CE 4C 78 C3 00 00 00 C9 42 00 35 33 7D C3 00 00 00 5D C3 00 FF FF E6 C2 00 68 E6 D8 43 00 CB CC C8 41 00 CF CC D0 C1 00 9C 59 E6 C3 00 CF CC E0 C3 009A 99 AE 42 00 CA 2C 4B 44 00 CD CC 8C 36 00 66 66 80 C2 00 01 80 25 C3 00 96 F9 A1 C4 00 66 66 0C C3 00 01 80 B4 43 00 62 66 94 C2 00 66 66 18 C4 00 67 66 1C C3 00 9A 99 70 C3 00 01 80 CD C3 00 01 80 D2 43 00 CA 0C 6D 44 00 66 66 26 38 00 97 39 56 44 00 6C 66 38 C2 004、主站收到的总召结束报文:68 0E 0C 00 02 00 64 01 0A00 01 00 00 00 00 145、主站发送的对时报文:68 14 02 00 0E 00 67 01 0600 01 00 00 00 00 8E 6D 2C 0B 2F 0B 0A6、主站收到的对时返回:68 14 0E 00 04 00 67 01 0700 01 00 00 00 00 8E 6D 2C 0B 2F 0B 0A7、主站收到的SOE报文:68 20 12 00 04 00 1E 02 0300 01 00 03 00 000099 AF 3A 13 1E 03 0003 00 010099 AF 3A 13 1E 03 008、主站发送的遥控预置报文68 0E 00 00 00 00 2E 01 0600 00 00 01 60 00 8d9、主站收到的遥控预置返校报文68 0E 00 00 00 00 2E 01 0700 00 00 01 60 00 8d10、主站发送的遥控执行报文68 0E 00 00 00 00 2E 01 0600 00 00 01 60 00 0d11、主站收到的遥控执行确定报文68 0E 00 00 00 00 2E 01 0700 00 00 01 60 00 0d12、主站发送的遥控撤销报文68 0E 00 00 00 00 2E 01 0800 00 00 01 60 00 8d13、主站收到的遥控撤销确认报文68 0E 00 00 00 00 2E 01 0900 00 00 01 60 00 8d14、主站收到的变化遥信报文:68 3A 14 00 04 00 01 0C 0300 01 00 07 00 00 00 09 00 00 00 0D 00 00 01 0F 00 00 00 11 00 00 00 17 00 00 01 1B 00 00 01 1D 00 00 00 21 00 00 01 23 00 00 01 29 00 00 00 2B 00 00 0115、主站收到的变化遥测报文:68 EA 04 00 00 00 0D 1C 0300 01 00 01 4C 00 CE CC 64 41 00 02 4C 00 CE CC B8 C1 00 04 4C 00 33 33 03 C2 00 06 4C 00 67 66 92 C1 00 07 4C 00 32 33 63 41 00 08 4C 00 97 99 01 41 00 0A 4C 00 66 66 72 42 00 0B 4C 00 CE CC 47 C3 00 0C 4C 00 98 99 41 42 00 0E 4C 00 9C 99 61 C2 00 0F 4C 00 66 E6 07 43 00 10 4C 00 35 33 41 C3 00 11 4C 00 CF 8C B3 C3 00 13 4C 00 9A 19 52 C3 00 14 4C 00 33 33 F1 C2 00 15 4C 00 01 00 53 43 00 18 4C 00 68 E6 D8 43 00 1A 4C 00 CD CC 8C B6 00 1B 4C 00 9C 59 E6 43 00 1D 4C 00 9A 99 AE C2 00 21 4C 00 67 66 04 43 00 22 4C 00 30 73 99 44 00 23 4C 00 66 66 8C 42 00 24 4C 00 CE 8C C6 C3 00 26 4C 00 00 E0 0E 44 00 29 4C 00 34 F3 B8 C3 00 2A 4C 00 9B 99 FC C3 00 2C 4C 00 6C 66 B0 C2 00。
104规约遥信报文解析摘要:1.104 规约遥信报文的概述2.104 规约遥信报文的结构3.104 规约遥信报文的解析方法4.104 规约遥信报文的应用案例正文:一、104 规约遥信报文的概述104 规约遥信报文是一种用于电力系统自动化装置之间通信的报文,主要负责传输遥信信息。
遥信信息是指反映电力系统设备状态的信息,如开关的位置、故障报警等。
104 规约遥信报文在电力系统自动化中起着关键作用,可以实现对电力系统运行状态的实时监控和故障处理。
二、104 规约遥信报文的结构104 规约遥信报文的结构包括报文头、报文长度、控制域、地址域、应用数据单元(ASDU)和校验和。
各部分的作用如下:1.报文头:用于标识报文开始,包含报文起始符、报文长度和报文类型。
2.报文长度:表示整个报文的字节数。
3.控制域:包括通信协议版本号、通信协议识别符和报文序列号,用于确保报文在传输过程中的正确性和完整性。
4.地址域:包含发送方地址和接收方地址,用于指定报文的发送和接收设备。
5.应用数据单元(ASDU):是报文的核心部分,负责传输遥信信息。
ASDU 由数据项、数据类型和数据单元标识符组成。
6.校验和:用于检验报文在传输过程中的正确性。
三、104 规约遥信报文的解析方法解析104 规约遥信报文的方法主要包括以下步骤:1.解析报文头:从报文中提取报文起始符,判断报文是否完整。
然后根据报文长度获取整个报文的字节数。
2.解析控制域:从报文中提取通信协议版本号、通信协议识别符和报文序列号,检查它们是否符合规定。
3.解析地址域:从报文中提取发送方地址和接收方地址,确定报文的发送和接收设备。
4.解析应用数据单元(ASDU):从报文中提取数据项、数据类型和数据单元标识符,分析遥信信息。
5.校验和检验:使用校验和算法对报文进行校验,判断报文在传输过程中是否发生错误。
四、104 规约遥信报文的应用案例104 规约遥信报文在电力系统自动化中的应用案例包括:1.故障报警:当电力系统设备发生故障时,通过104 规约遥信报文将故障信息传输到监控中心,实现及时报警。
104规约遥信报文解析
104规约遥信报文解析是指对于104规约中的遥信报文进行解析和处理的过程。
104规约是一种常用于电力系统自动化中
的通信规约,用于通过网络传输遥测、遥信、遥控等信息。
在104规约中,遥信报文是一种用于传输遥信数据的数据
单元。
它由一系列数据对象组成,每个数据对象包含了一个标识符和一个值。
标识符用于唯一标识一个遥信数据点,而值则表示该数据点的状态。
解析104规约遥信报文的过程主要包括以下几个步骤:
需要解析报文头部信息。
报文头部包含了报文的类型、长
度等信息。
通过解析报文头部,可以确定报文的类型是遥信报文,并获取报文的长度。
需要解析报文中的数据对象。
数据对象是遥信报文中实际
传输的数据,包含了遥信数据点的标识符和值。
通过解析数据对象,可以提取出每个遥信数据点的标识符和对应的值。
解析数据对象时,需要根据规约的定义和要求进行解析。
不同的规约可能有不同的数据类型和编码方式。
对于每个数据对象,需要根据其标识符的含义,将对应的值解析成相应的状态。
可以将解析得到的遥信数据进行处理和应用。
根据具体的
需求,可以将遥信数据存储到数据库中,进行状态监测和分析,或者作为控制逻辑的输入进行后续的自动化操作。
解析104规约遥信报文是一项关键的任务,在电力系统自
动化中具有重要的应用价值。
通过正确解析遥信报文,可以获取到电力系统中各种遥信数据的状态信息,为系统操作和控制提供可靠的数据支持。
104规约(2002版)报文解析控制域定义了保护报文不至丢失和重复传送的控制信息,报文传输启动/停止,以及传输连接的监视等,控制域格式分为用于编号的信息传输(I格式),编号的监视功能(S格式)和未编号的控制功能(U格式)1、I格式:I格式通常包含ASDU,用来传输具体信息2、S格式:S格式通常用来可计数的确认功能3、U格式:U格式通常用来进行链路的启动,停止,测试等功能注意:报文全部为16进制1初始化主站下发:680407000000目的:给子站发请求链路状态命令。
报文解析:子站回答:68040B000000目的:子站响应主站的链路状态。
报文解析:子站回答:680E 0000000046010400010000000000目的:初始化结束。
报文解析:初始化原因(COI)COI=CP8{UI7[1..7],BS1[8]}低7位=0表示当地电源合上=1表示当地手动复位=2表示远方复位=3到31为本配套标准的标准定义保留(兼容范围)=32到127为特定使用保留(专用范围)最高位(第8位)=0表示未改变当地参数的初始化=1表示改变当地参数后的初始化2总召唤主站下发:680E0000060064010600010000000014目的:向地址为01的子站发总召唤命令。
报文解析:目的:子站响应总召唤。
报文解析:A0140001000100000001000100000000000000000000000000000000 000000000000000000000000目的:子站向主站以ASDU1方式连续上送全遥信,此为第一帧。
报文解析:A0140001002100000000000000000000000000000000000000000000 000000000000000000000000目的:子站继续上送全遥信的下一帧。
报文解析:子站回答:682D2000020001 A0140001006101000000000000000000000000000000000000000000000000000000000000000000目的:子站向主站上送全遥信的最后一帧。
iec104规约报文格式
IEC 104是一种用于远程监控和通信的规约,定义了报文的格式和交互方式。
以下是IEC 104规约中常用的报文格式:
1. 帧起始符(Start Frame):起始符标识报文的开始,由两个字节组成。
2. 长度字段(Length Field):指示整个报文的长度,包括长度字段本身,通常为一个字节。
3. 控制字段(Control Field):包含了报文的类型和传输方向等信息,通常为一个字节。
4. 发送序号(Send Sequence Number):用于发送方对报文进行编号,通常为一个字节。
5. 接收序号(Receive Sequence Number):用于接收方对报文进行编号,通常为一个字节。
6. 类型标识(Type Identifier):指示报文的类型,例如,启动确认、停止确认、总召唤等。
7. 可变结构限定词(Variable Structure Qualifier):根据不同的报文类型,可变结构限定词可以包含不同的信息。
8. 信息元素组(Information Elements):包含实际的数据信息,例如,测量值、遥控命令等。
9. 校验和(Checksum):用于检验报文的完整性,通常为两个字节。
10. 帧结束符(End Frame):结束符标识报文的结束,由两个字节组成。
以上是IEC 104规约中常用的报文格式,具体使用时还需要根据实际情况进行配置和解析。
1。
主站与子站通过IEC60870-5-104规约通讯协议说明目录目录 (1)前言 (1)一、IEC60870-5-104应用规约数据单元基本结构 (2)1.1 应用规约数据单元APDU (2)1.2 应用规约控制信息APCI (2)1.3 应用服务数据单元ASDU (3)二、IEC60870-5-104规约的过程描述 (5)三、IEC60870-5-104规约源码分析(报文分析) (5)3.1启动连接(U格式) (5)3.2启动连接确认(U格式) (6)3.3总召唤(I格式) (6)3.4总召唤确认(I格式) (6)3.5数据确认(S格式) (6)3.6总召唤结束(I格式) (7)3.7测试连接(U格式) (7)3.8测试连接确认(U格式) (7)3.9.遥信信息(I格式) (7)3.9遥测信息(I格式) (10)3.10 SOE信息(I格式) (11)前言根据全国电力系统控制及其通信标准委员会三届五次会议和最近出版的国标DL/T634.5.104:2002对104规约的参数选择做了如下说明:1、采用端正101规约中的链路地址和短报文(指链路确认报文)2、采用召唤一级数据3、两个字节表示公共地址(站址)4、两个字节表示传送原因5、三个字节表示信息体地址上述3、4、5点与上一次通讯协议具体说明有冲突,为执行国际国内标准,建议根据上述要求对报文做如下修改。
一、IEC60870-5-104应用规约数据单元基本结构应用规约数据单元:APDU(Application protocal data unit)应用规约控制信息:APCI(Application protocal control information)应用服务数据单元:ASDU(Application protocal control unit)APDU=APCI + ASDU1.1 应用规约数据单元APDU定义了启动字符、应用服务数据单元的长度规范、可传输一个完整的应用规约数据单元。
●启动字符:68H(一个字节)●长度规范:报文最大长度255字节,应用规约数据单元的最大长度为253字节,控制域的长度是4字节,应用服务数据单元的最大长度为249字节。
●控制域:控制域定义抗报文丢失和重复传送的控制信息、报文传输的启动和停止、传输连接的监视。
控制域的这些类型被用于完成计数的信息传输的(I格式)、计数的监视功能(S格式)和不计数控制功能(U格式)。
●应用服务数据单元1.2 应用规约控制信息APCI控制域定义抗报文丢失和重复传送的控制信息、报文传输的启动和仃止、传输连接的监视。
控制域的这些类型被用于完成计数的信息传输的 (I格式)、计数的监视功能(S格式)和不计数的控制功能(U格式)。
1.3 应用服务数据单元ASDU应用服务数据单元ASDU由数据单元标识符和一个或多个信息对象所组成。
数据单元标识符在所有应用服务数据单元中常有相同的结构,一个应用服务数据单元中的信息对象常有相同的结构和类型,它们由类型标识域所定义。
●●可变结构限定词在应用服务数据单元中,其数据单元标识符的第二个字节定义为可变结构限定词,如下所述:SQ=0单元可以由一个或多个同类的信息对象所组成。
SQ=1,表示同类的信息元素序列(即同一种格式的测量值),由信息对象地址来寻址,信息对象地址是顺序信息元素的第一个信息元素地址,后续信息元素的地址是从这个地址起顺序加1。
在顺序信息元素的情况下每个应用服务数据单元仅安排一种信息对象。
bit 1~7表示信息对象的数目。
●传送原因两个字节●应用服务数据单元公共地址(站址)●信息体地址三个字节信息对象地址分配(见02版部颁规约文本附页)信息对象地址:=UI16[1~16]<0...65535><0>:无关的信息对象地址<1…65535>:信息对象地址遥信:信息对象地址范围为 0001H~4000H遥测:信息对象地址范围为 4001H~5000H二、IEC60870-5-104规约的过程描述当主站软件重新启动或链路故障时,主站将向子站发出建立链路的请求报文。
当链路建立后,主站召唤一次全数据,随后定时召唤全数据,子站主动传送变化数据。
主站收到数据帧后发送数据确认帧。
交互过程三、IEC60870-5-104规约源码分析(报文分析)注:以下报文均为16进制表示,两字节以上数据均为低位在前。
3.1启动连接(U格式)Client send:68 04 07 00 00 00报文解析:启动连接启动字符:68H后续长度:04H,指从第3个字节开始(包括第3个字节)的后续报文长度为4个字节。
控制域:07 00 00 00,07H=00000111,右数第三位为1,表示STARTDT生效。
3.2启动连接确认(U格式)Server send:68 04 0b 00 00 00报文解析:启动连接确认启动字符:68H后续长度:04H,指从第3个字节开始的后续报文长度为4个字节。
控制域:0b 00 00 00,0bH=00001011,右数第四位为1,表示STARTDT确认。
3.3总召唤(I格式)Client send:68 0e 00 00 00 00 64 01 06 00 33 00 00 00 00 14报文解析:总召唤数据命令启动字符:68H后续长度:0eH,指从第3个字节开始的后续报文长度为14个字节。
控制域:00 00 00 00报文类型:64H=100,总召唤命令。
传送原因:06 00=6,激活。
站址:33 00=51,站址为51。
3.4总召唤确认(I格式)Server send:68 0e 00 00 02 00 64 01 07 00 33 00 00 00 00 14报文解析:总召唤数据确认命令启动字符:68H后续长度:0eH=14,指从第3个字节开始的后续报文长度为14个字节。
控制域:00 00 02 00报文类型:64H=100,总召唤命令传送原因:07 00=7,激活确认站址:33 00=51,站址为513.5数据确认(S格式)Server send:68 04 01 00 02 00报文解析:数据确认启动字符:68H后续长度:04H=4,指从第3个字节开始的后续报文长度为4个字节控制域:01 00 02 003.6总召唤结束(I格式)Server send:68 0e 06 00 02 00 64 01 0a 00 33 00 00 00 00 14报文解析:总召唤数据结束命令启动字符:68H后续长度:0eH=14,指从第3个字节开始的后续报文长度为14个字节。
控制域:06 00 02 00报文类型:64H=100,总召唤命令。
传送原因:0a 00=10,激活终止。
站址:33 00=51,站址为51。
3.7测试连接(U格式)Server or client send:68 04 43 00 00 00报文解析:测试连接启动字符:68H后续长度:04H=4,指从第3个字节开始的后续报文长度为4个字节控制域:43 00 00 00,43H=01000011,右数第七位为1,表示TESTFR生效。
3.8测试连接确认(U格式)Server or client send:68 04 83 00 00 00报文解析:测试连接确认启动字符:68H后续长度:04H=4,指从第3个字节开始的后续报文长度为4个字节.控制域:83 00 00 00,83H=10000011,右数第八位为1,表示TESTFR确认。
3.9.遥信信息(I格式)●序列号连续的单点信息Server send:68 1c 00 00 00 00 01 8f 14 00 33 00 01 02 0001 00 01 00 01 00 01 00 01 00 01 00 01 00 01报文解析:单点遥信启动字符:68H后续长度: 1cH=28,指从第3个字节开始的后续报文长度为28个字节控制域:00 00 00 00报文类型: 01H=1,单点信息,遥信可变结构限定词: 8fH=10001111,最高位为1表示s连续,8f-80=0f,0fH=15,表示有15个遥信数据。
传送原因:14 00=20,相应站召唤站址:33 00=51,站址为51信息体起始地址:01 02 00:0201H信息元素数据:01 00 01 00 01 00 01 00 01 00 01 00 01 00 01,15个遥信数据的值。
解析后得到15个遥信数据:Index=0201H value=01H & 0x01=1Index=0202H value=00H & 0x01=0……Index=020dH value=01H & 0x01=1Index=020eH value=00H & 0x01=0Index=020fH value=01H & 0x01=1●序列号不连续的单点信息Server send:68 1e 00 00 00 00 01 05 03 00 33 0001 02 00 01 05 02 00 01 08 02 00 00 0a 02 00 00 0f 02 00 01 报文解析:单点遥信启动字符:68H后续长度: 1eH=30,指从第3个字节开始的后续报文长度为30个字节控制域:00 00 00 00报文类型: 01H=1,单点信息,遥信可变结构限定词: 05H=00000101,最高位为0表示不连续,05H=5,表示有5个遥信数据。
传送原因:03 00=3,突发(自发)站址:33 00=51,站址为51第1个信息元素地址:01 02 00,0201H第1个信息元素数据:01第2个信息元素地址:05 02 00,0205H第2个信息元素数据:01第3个信息元素地址:08 02 00,0208H第3个信息元素数据:00第4个信息元素地址:0a 02 00,020aH第4个信息元素数据:00第5个信息元素地址:0f 02 00,020fH第5个信息元素数据:01解析后得到5个遥信数据:Index=0201H value=01H & 0x01=1Index=0205H value=01H & 0x01=0Index=0208H value=00H & 0x01=1Index=020aH value=00H & 0x01=0Index=020fH value=01H & 0x01=1●序列号连续的双点信息Server send:68 1c 00 00 00 00 03 8f 14 00 33 00 01 00 0001 00 01 00 01 00 01 00 01 00 01 00 01 00 01报文解析:单点遥信启动字符:68H后续长度: 1cH=28,指从第3个字节开始的后续报文长度为28个字节。