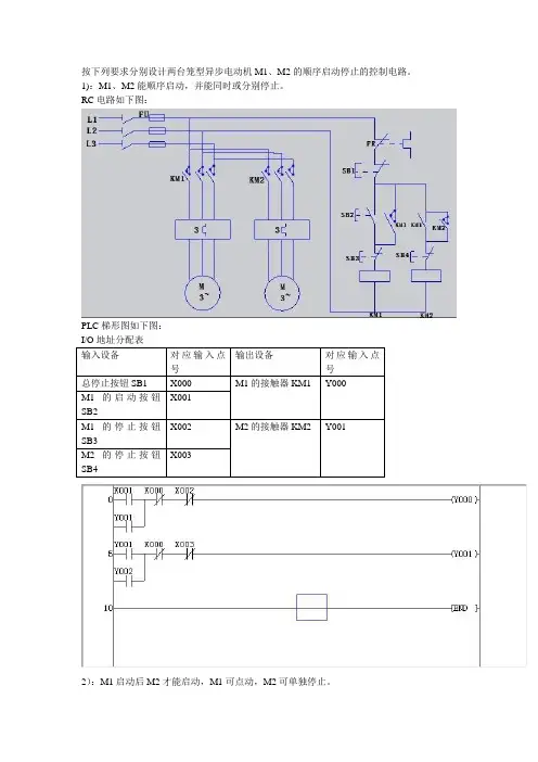
顺序启动控制电路图
- 格式:doc
- 大小:123.00 KB
- 文档页数:1
三台电机顺序启动逆向停止控制电路图及工作原理文件编码(GHTU-UITID-GGBKT-POIU-WUUI-8968)三台电机顺序启动逆向停止控制电路图及工作原理工作过程分析:一、启动过程:1)按下启动按钮SB1,KM1线圈得电吸合,通过其常开触点KM1和KT4延断触点实现自锁,时间继电器KT1得电,开始计时;2) KT1计时时间到,其延闭触点KT1闭合,KM2线圈德电吸合,并通过常开触点KM2、KT3延断触点实现自锁;同时,KM2常闭触点分断,断开时间继电器KT1,其延闭触点KT1立即复位,时间继电器KT2得电,开始计时;3) KT2计时时间到,其延闭触点KT2闭合,KM3线圈得电吸合,并通过常开触点KM3、KA常闭触点实现自锁;同时,KM3常闭触点分断,断开时间继电器KT2,其延闭触点KT2立即复位;4)启动过程完毕。
二、停止过程:1)停止过程:KM1、KM2、KM3启动完成,其常开触点KM1、KM2、KM3闭合,此时按下停止按钮SB2,中间继电器KA得电吸合,常开触点闭合,KA 的常闭触点分断,解除KM3自锁,KM3线圈失电分断;同时KM3常闭触点复位,中间继电器KA通过KM1常开触点闭合、KA常开触点闭合实现自锁; 时间继电器KT3得电开始计时;2) KT3计时时间到,其延断触点KT3分断,解除KM2自锁,KM2线圈失电分断;同时KT3其延闭触点闭合启动KT4,时间继电器KT4得电开始计时;3) KT3计时时间到, 其延断触点KT4分断,解除KM1自锁,KM1线圈失电分断;4) KM1常开触点分断,解除中间继电器KA自锁, 线圈失电分断; 同时断开时间继电器KT3, 其延闭触点KT3、延断触点KT3立即复位;其延闭触点KT3复位断开时间继电器KT4,延断触点KT4立即复位。
5)停止过程完毕。
三、SB3为紧急停止按钮。
PLC控制三台电机的顺序启动一、前言PLC是现代工业自动化控制系统的主要设备之一,它已经在许多领域得到了广泛地应用。
其中,PLC控制电机的顺序启动是常见的应用之一。
本文将介绍如何通过PLC控制三台电机的顺序启动,实现自动化生产。
1. PLC控制器PLC控制器可以看作是自动化控制系统的“大脑”,用于控制和监测工业自动化过程。
PLC控制器通常具有输入、输出、CPU和存储器等功能模块。
PLC控制器的输入部分用于接收传感器或其他外部设备的信号,输出部分控制操作接触器和其他执行器的开关状态。
CPU和存储器用于处理和存储控制程序和数据。
2. 电机控制电路电机控制电路用于控制电机的启停、方向、速度等。
在三台电机的顺序启动中,我们需要将它们分组。
本文将三台电机分为A、B、C组,按顺序启动,其中A组最先启动,C组最后启动。
3. 顺序控制程序顺序控制程序是PLC控制器上的程序,用于控制电机的顺序启动。
程序通常是用一种类似程序语言的语言编写的,有许多不同的编程语言可用于编写。
4. 系统示意图三台电机顺序启动的系统示意图如下所示:电源 ------------------------------------ PLC控制器----------------------------------- 电机控制电路A组电机--------B组电机--------C组电机三、运行原理三台电机启动的顺序依次为A组电机、B组电机和C组电机。
PLC控制器按照程序指令控制电机的启动。
当PLC控制器接收到开始信号时,它将控制A组电机启动。
一旦A组电机启动,PLC控制器将控制B组电机启动。
当B组电机启动时,PLC控制器将控制C组电机启动。
当C组电机启动时,整个系统就完成了顺序启动的过程。
四、总结。
工作过程分析:
一、启动过程:
∙按下启动按钮,线圈得电吸合,通过其常开触点和延断触点实现自锁,时间继电器得电,开始计时。
∙计时时间到,其延闭触点闭合,线圈德电吸合,并通过常开触点、延断触点实现自锁。
同时,常闭触点分断,断开时间继电器,其延闭触点立即复位,时间继电器得电,开始计时。
∙计时时间到,其延闭触点闭合,线圈得电吸合,并通过常开触点、常闭触点实现自锁。
同时,常闭触点分断,断开时间继电器,其延闭触点立即复位。
∙启动过程完毕。
∙停止过程:
∙停止过程:、、启动完成,其常开触点、、闭合,此时按下
停止按钮,中间继电器得电吸合,常开触点闭合,的常闭触点分断,解除自锁,线圈失电分断;同时常闭触点复位,中间继电器通过常开触点闭合、常开触点闭合实现自锁; 时间继电器得电开始计时。
∙计时时间到,其延断触点分断,解除自锁,线圈失电分断。
同时其延闭触点闭合启动,时间继电器得电开始计时;
∙计时时间到, 其延断触点分断,解除自锁,线圈失电分断; ∙常开触点分断,解除中间继电器自锁, 线圈失电分断; 同时断开时间继电器, 其延闭触点、延断触点立即复位。
其延闭触点复位断开时间继电器,延断触点立即复位。
∙停止过程完毕。
三、为紧急停止按钮。
建工
1 / 1 三台电机顺序启动逆向停止控制电路图及工作原理 工作过程分析:
一、启动过程:
) 按下启动按钮,线圈得电吸合,通过其常开触点
和延断触点实现自锁,时间继电器得电,开始计时。
) 计时时间到,其延闭触点闭合,线圈德电吸合,
并通过常开触点、延断触点实现自锁。
同时,常闭触点分断,断开时间继电器,其延闭触点立即复位,时间继电器得电,开始计时。
) 计时时间到,其延闭触点闭合,线圈得电吸合,
并通过常开触点、常闭触点实现自锁。
同时,
常闭触点分断,断开时间继电器,其延闭触点立即复位。
) 启动过程完毕。
二、 停止过程:
) 停止过程:、、启动完成,其常开触点、
、闭合,此时按下停止按钮,中间继电器得电吸合,常开触点闭合,的常闭触点分断,解除自锁,线圈失电分断;同时常闭触点复位,中间继电器通过常开触点闭合、常开触点闭合实现自锁; 时间继电器得电开始计时。
) 计时时间到,其延断触点分断,解除自锁,
线圈失电分断。
同时其延闭触点闭合启动, 时间继电器得电开始计时;
) 计时时间到, 其延断触点分断,解除自锁,
线圈失电分断;
) 常开触点分断,解除中间继电器自锁, 线圈失电
分断; 同时断开时间继电器, 其延闭触点、延断触点立即复位。
其延闭触点复位断开时间继电器,延断触点立即复位。
) 停止过程完毕。
三、为紧急停止按钮。
电机正反转作为最基本的电路,学习电工是一定要了解的。
要学习电机电机正反转电路一定要了解电机正反转工作原理,就是当我们按下正转启动按钮的时候,电机会正转,这时候按下反转启动按钮是不起作用的,只有按下停止按钮,电动机停止以后才能启动电机反转。
电机正反转电路图首先,要连接电机正反转电路需要一个停止按钮,一个正转启动按钮,一个反转启动按钮,还需要两个接触器,两个接触器一定要常开常闭的辅助触点都有的,比如说1211的接触器。
按上图的电路图连接。
按下正转启动按钮,电动机正转此时按下反转启动按钮没有作用当我们按下正转启动按钮的时候,电动机正转,松开启动按钮,电动机自锁,此时正转接触器的常闭触点是断开的,在这个时候按下反转启动按钮的时候是没有作用的。
按下停止按钮只有当我们按下停止按钮,电动机停止,正转接触器失电,常闭触点恢复接通状态。
按下反转启动按钮电动机反转的时候按下正转启动按钮此时,按下反转启动按钮,电动机反转自锁,相应的,这个时候再去按正转启动按钮也是没有效果的。
这就是电动机正反转的原理,也是接触器的互锁原理,在电工取证的时候很常用,所以一定要了解。
前面我讲过了电机的自锁电路和互锁电路,而在我们工作中还会经常碰到过这样的问题,就是有两台电机1和2,必须要电机1启动以后电机2才能启动,在停止的时候必须先停止电机2才能停止电机1。
电机顺序启动逆序停止电路图如果按照自锁电路接两台电机,就必须要人为注意启动顺序,但是也会有出错的时候,怎样才能避免误操作呢,就是今天要讲的,电机顺序启动和逆序停止。
上图就是电机顺序启动,逆序停止的电路图。
接下来我们看一下仿真动作。
按下电机启动2,电机没有动作按下启动开关1,电机1启动在上面的图中我们可以看到,在没有启动电机1,直接启动电机2的情况下,电机2是不能启动的,但是当我们按下电机1的启动按钮时,电机1是可以正常启动的。
按下启动开关2,电机2启动当电机1启动以后,再按下电机2的启动按钮,此时电机2也可以正常启动了。
顺序启动电路图原理
顺序启动电路图用于控制电路在一定的时间间隔内依次启动各个电源或装置。
它主要由主开关、计时器和电磁继电器组成。
电路的工作原理如下:
1. 当主开关关闭时,电路中的电源完全断电,各个电源和装置都处于关闭状态。
2. 当主开关打开时,电源开始供电,计时器开始计时。
3. 在计时器设定的时间间隔之后,第一个电源或装置接通。
这是因为计时器到达设定的时间后会触发一个信号,通过电磁继电器控制第一个电源或装置的开关闭合。
4. 第一个电源或装置接通后,计时器会继续计时,直到达到下一个设定的时间间隔。
5. 当计时器再次触发信号时,通过电磁继电器控制第二个电源或装置的开关闭合,第二个电源或装置接通。
6. 接着,计时器继续计时并触发信号,依次控制其他电源或装置的开关闭合,使它们依次接通。
通过这种方式,顺序启动电路图可以实现对多个电源或装置的有序控制。
它广泛应用于各种自动化控制系统中,确保电路在正确的顺序下进行启动,避免电流突变或过载。
三台电动机顺序启动逆序停止控制GE GROUP system office room 【GEIHUA16H-GEIHUA GEIHUA8Q8-原理说明主控指令MC:串联公共接点的连接指令(串联公共接点后另起新母线),主控电路块的起点,用于利用公共逻辑条件控制多个线圈。
梯形图与目标元件如图N的取值范围:N0-N7主控复位指令MCR:MC指令的复位指令,主控电路块的终点。
梯形图与目标元件如图7-2所3.MC、MCR的注意事项:(1)输入X0接通时,执行MC与MCR之间的指令。
(2)MC指令后,母线(LD、LDI)移至MC触点之后。
MC、MCR指令必须成对使用。
(3)使用不同的Y、M组件号,可多次使用MC指令。
但是若使用同一软件号,将同OUT一样,会出现双线圈输出。
(4)在MC指令内再使用MC指令时,嵌套数N的编号顺次增大。
返回时用MCR指令,嵌套数N的编号顺次减小,从大的嵌套级开始解除。
将图中的梯形图采用MC/MCR编程。
程序说明:左母线在A处,通过主控指令将左母线临时移到B处,形成第一个主控电路块(嵌套层数为N0);再通过主控指令将临时左母线由B处移到C处,形成第二个主控电路块(嵌套层数为N1);如此类推,形成了第三、第四主控电路块(嵌套层数分别为N2、N3)。
将上图中的梯形图采用MC/MCR编程。
主电路列PLC的I/O分配表:接线图梯形图指令表编程0 LD X0 1 OR Y0 2 LD X5 3 OR Y14 ANB5 AND X6 6 MC N0 M07 LD M80008 OUT Y09 LD X1 10 OR Y1 11 LD X4输入程序并调试。
课题20 两台电机顺序起停控制线路20.1实训目的1.掌握两台电动机顺序启动、顺序停止控制线路的安装。
2.掌握两台电动机时间继电器控制顺序启动、顺序停止控制线路的安装。
3.掌握两台电动机顺序启动、逆序停止控制线路的安装。
4.掌握两台电动机顺序启动、逆序停止控制线路的检修。
20.2实训理论基础在装有多台电动机的生产机械上,各电动机所起的作用是不同的,有时需按一定的顺序,启动或停止,才能保证操作过程的合理和工作的安全可靠。
例如:X62W型万能铣床上要求主轴电动机启动后,进给电动机才能启动;M7120型平面磨床的冷却泵电动机,要求当砂轮电动机启动后才能启动。
像这种要求几台电动机的启动或停止必须按一定的先后顺序来完成的控制方式,叫做电动机的顺序控制。
如图20-1所示,设M1为油泵电动机,在车床中可为齿轮箱提供润滑油;M2为主拖动电动机。
将控制油泵电动机M1的接触器KM1的常开辅助触点串入控制主电动机M2的接触器KM2的线圈支路,则可实现电路只在润滑泵电动机启动后主电动机方向可启动的顺序联锁控制。
图20-1两台电动机顺序启动、顺序停止控制线路在图20-2中,电路采用了时间继电器,属于按时间顺序控制的电路。
时间继电器的延时时间可调。
即可预置M1启动n秒后电动机M2再启动。
工作过程:合上QS,按下SB2,接触器KM1线圈、时间继电器KT线圈同时通电,且由KM1辅助常开触点形成自锁,电动机M1启动。
延时n秒时间到,KT延时闭合触点闭合,接触器KM2线圈通电并自锁,则电动机M2启动,同时KM2的常闭触点断开,切断KT线圈支路,完成M1、M2电动机的按预定时间的顺序启动控制。
174图20-2两台电动机时间继电器控制顺序启动、顺序停止控制线路图20-3两台电动机顺序启动、逆序停止控制线路,在图20-3中由于KM1常开辅助触点和接触器KM2线圈相串联,所以启动时必须先按下启动按钮SB2,使KM1线圈通电,M1先启动运行后,再按下启动按钮SB4,使KM2线圈得电,M2方可启动运行,M1不启动M2就不能启动,也就是说按下M1启动按钮SB2之前,先按M2启动按钮SB4将无效。
能够同时启动、停止电机M1 M2又能单独启动、停止电机M1 M2图中L1・L2为进线端KM1控制1电机,KM2控制2电机:1电机单独启动过程:(按下SB3线圈KM1得电,常开触头KM1闭合自锁,M1 电机启动•按下SB2,M1电机停止)2电机单独启动过程(按下SB2线圈KM2得电,常开触头KM2闭合自锁,M1电机启动•按下SB3,M2电机停止)启动过程:(按下SB4线圈KM3得电,2个常开触头KM3闭合,两个线圈KM1、KM2分别自锁,M1、M2电机启动.按下SB2,M1、M2电机停止)点动、启动、延时3s停止点动过程:(图中L1.L2为进线端KM1控制1电机,KM2控制2电机)(按下常开触头SB3常闭触头SB3断开,线圈KM1得电,常开触头KM1 闭合,松开SB3线圈KM1断电,)起动过程:(按下SB2,线圈KM1得电,常开触头KM1闭合自锁)延时3S停止:(按下SB1,延时器线圈KT得电,常开触头KT闭合,线圈KM2得电,,常开触头KM2闭合,3S后延时器常开触头KT断开,常开触头KM2断开,线圈KM1断电,电机停止)注意:此处的延时器为延时器组装在接触器上的,延时器上的常开触头和常闭触头不可同时用.接上题另外一种方案,理论上不可行,实际感觉不出来L2点动过程:(图中L1.L2为进线端KM1控制1电机,KM2控制2电机)(按下常开触头SB3线圈KM1得电,松开SB3线圈KM1断电,)起动过程:(按下SB2,延时器线圈得电,延时器的接触器常开触头KT闭合自锁,延时器的常开触头KT闭合,线圈KM1得电)延时3S停止:(按下SB1,所有设备断电,延时器延时,延时器的常开触头KT闭合,线圈KM1得电,,3S后延时器常开触头KT断开,线圈KM1 断电,电机停止)注意:此处的延时器为延时器组装在接触器上的,常开触头和常闭触头不可同时用■这种方法理论上不可行,但是实际上是看不出来的.顺序启动,逆序停止电机M1、M2 M3KM3L2顺序启动:(图中L1.L2为进线端KM1控制1电机,KM2控制2电机,KM3控制3电机)(按下SB2线圈KM1得电,常开触头KM1(图上左边那个)闭合自锁,常开触头KM1(图上右边那个)闭合电机M1启动,此时按下按下SB3线圈KM2得电,常开触头KM2(图上中间那个)闭合自锁,常开触头KM2(图上两边)都闭合(左边那个闭合锁定SB1),电机M2启动,此时按下按下SB4线圈KM3得电,常开触头KM3(图上右边那个)闭合自锁,常开触头KM3(图上左边那个)闭合(锁定SB2),电机M3启动)逆序停止:(如果直接按下SB1或者是按下SB2电机M1、M2不停止,只有先按下SB3线圈KM3断电,常开触头(图上左边那个)断开,电机M3停止,然后再按下SB2同理电机M2停止,然后按下SB1电机M1停止)。