河北省商务厅关于印发《河北省成品油零售市场管理实施细则》(修订)的通知
- 格式:doc
- 大小:63.50 KB
- 文档页数:18
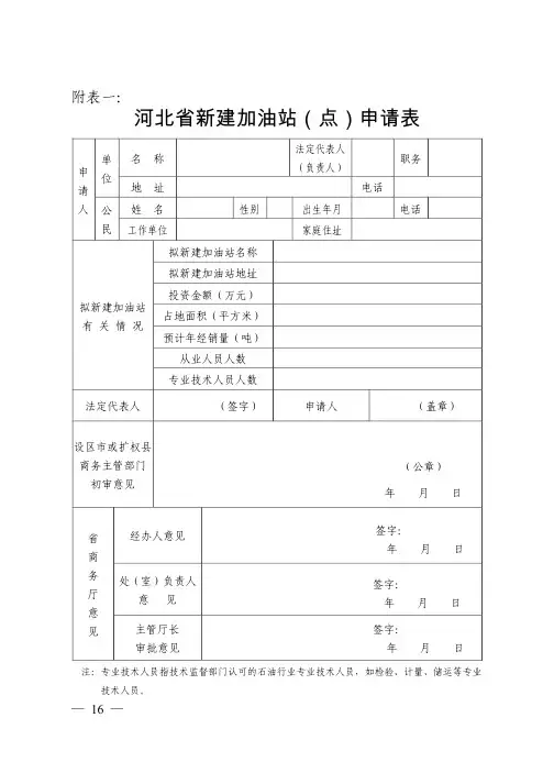
附表一:河北省新建加油站(点)申请表
注:专业技术人员指技术监督部门认可的石油行业专业技术人员,如检验、计量、储运等专业技术人员。
附表二:
规划、土地部门对申请新建加油站(点)的预审意见表
附表三:
河北省水上加油船申请表
注:专业技术人员指技术监督部门认可的石油行业专业技术人员,检验、计量、储运等专业技术人员。
附表四:
水上加油船情况登记表
填报单位(盖章)填报日期:年月
附表五:
水上加油船经营条件审核意见书
填表说明:1、本表一式4份,1份留审核机关,3份交申报企业。
、审核机关为船舶管辖的海事或渔监、内河港航监督部门。
2附表六:河北省新建加油站(点)建设竣工报告表
注:验收结论由设区市、扩权县商务主管部门根据各有关部门验收意见填写.
附表七:
河北省加油站(点)原址改建申请表
附表八:
河北省加油站(点)原址改建竣工报告表
注:验收结论由设区市、扩权县商务主管部门根据各有关部门验收意见填写
:附表九河北省加油站(点)原址扩建申请表
附表十:
河北省加油站(点)原址扩建竣工报告表
注:验收结论由设区市、扩权县商务主管部门根据各有关部门验收意见填写.
附表十一:
河北省成品油经营批准证书变更申请表
附表十二:
河北省成品油经营批准证书遗失补办申请表。
河北省市场监督管理局关于散煤、成品油产品质量监
督抽查实施细则的公告
文章属性
•【制定机关】河北省市场监督管理局
•【公布日期】2020.05.27
•【字号】2020年第29号
•【施行日期】2020.05.27
•【效力等级】地方规范性文件
•【时效性】现行有效
•【主题分类】质量管理和监督
正文
河北省市场监督管理局关于散煤、成品油产品质量监督抽查
实施细则的公告
河北省市场监督管理局拟于2020年组织开展流通领域散煤、成品油产品质量监督抽查工作,根据《产品质量监督抽查管理暂行办法》,现将抽查产品实施细则予以公开。
附件:1.散煤产品质量监督抽查实施细则
2.成品油产品质量监督抽查实施细则
河北省市场监督管理局
2020年5月27日。
河北省商务厅关于印发《河北省成品油零售市场管理
规定》的通知
文章属性
•【制定机关】河北省商务厅
•【公布日期】2017.10.09
•【字号】冀商运行字〔2017〕36号
•【施行日期】2017.10.09
•【效力等级】地方规范性文件
•【时效性】失效
•【主题分类】石油及石油工业
正文
河北省商务厅关于印发《河北省成品油零售市场管理规定》
的通知
冀商运行字〔2017〕36号
各市(含定州、辛集市)商务局、行政审批局:
为深入贯彻落实党中央、国务院和省委、省政府关于做好“放管服”改革工作的系列部署要求,更好地适应我省成品油市场新形势、新变化,依据《中华人民共和国行政许可法》及国家和我省成品油市场管理相关规定,我厅制定了《河北省成品油零售市场管理规定》(以下简称《管理规定》),现印发给你们,请遵照执行。
自《管理规定》实施之日起,《河北省成品油零售市场管理实施细则》(JFS-2011-27003)《关于实施〈河北省成品油零售市场管理实施细则〉有关问题的通
知》(JFS-2016-20002)等与《管理规定》不一致的相关文件规定同时废止。
河北省商务厅
2017年10月9日。
河北省商务厅关于新建成品油仓储设施审批和验收等事宜的通知文章属性•【制定机关】河北省商务厅•【公布日期】2004.11.16•【字号】冀商改字〔2004〕23号•【施行日期】2004.11.16•【效力等级】地方规范性文件•【时效性】现行有效•【主题分类】商务正文河北省商务厅关于新建成品油仓储设施审批和验收等事宜的通知各设区市商务局,中石化河北分公司、中石油河北销售分公司、中石油冀东销售分公司:为严格成品油仓储设施管理,根据国务院办公厅转发原国家经贸委等部门《关于进一步整顿和规范成品油市场秩序意见的通知》(国办发[2001]72号)和原国家经贸委等五部门联合下发的《关于清理整顿成品油流通企业和规范成品油流通秩序的实施意见》(国经贸贸易[1999]637号)以及商务部近期有关精神,现就成品油仓储设施的建设、验收等问题做进一步明确:一、新建成品油仓储设施必须经设区市商务部门报省商务厅批准。
油库建设单位凭省级商务主管部门批准文件办理基建立项、土地、规划、交通、消防、环保等手续后方可进行建设。
无省级商务部门的批准文件一律不得开工建设。
先建设后报批的一律不予发给《成品油仓储经营批准证书》,不得投入运营,否则将追究有关单位的责任。
二、新建成品油仓储设施完工后,由省商务厅委托具备条件的评价机构组织土地、建设、规划、交通、消防、环保、税务、质检、安全生产等有关部门按照规定的条件和有关法律法规的规定进行验收。
验收合格的由省商务厅报国家商务部备案,发给《成品油仓储经营批准证书》,鉴于我省成品油仓储设施情况比较复杂,对部分已投入运营但未取得《成品油仓储经营批准证书》的仓储设施,要尽快报当地设区市商务部门向省商务厅提出验收申请,验收合格的,报国家商务部备案后补发《成品油仓储经营批准证书》。
三、成品油仓储设施的验收内容:1、批准立项手续是否齐全,布局是否符合当地仓储企业发展规划;2、是否符合《石油库设计规范》(GBJ74-84);3、储油罐及接卸条件是否符合现行国家标准、计量检定规程的规定;4、工艺流程、工程质量是否能满足运营、安全、环保的要求;5、防火、防雷、防静电设施布局是否符合要求;6、各项管理制度是否健全,是否有合格的石油检验、计量、储运设备和消防安全等专业技术人员;四、成品油仓储设施验收程序1、项目完工后,先通过安全、消防验收,而后向当地设区市商务部门提交综合验收申请,由当地设区市商务部门向省商务厅提出验收请示,由省商务厅委托的评价机构两周内组织综合验收,验收合格后由省商务厅报国家商务部核发《成品油仓储经营批准证书》。
河北省发展和改革委员会等四部门关于印发《河北省省级成品粮储备管理办法》的通知文章属性•【制定机关】河北省发展和改革委员会,河北省粮食和物资储备局,河北省财政厅,中国农业发展银行河北省分行•【公布日期】2023.12.11•【字号】冀粮规〔2023〕6号•【施行日期】2024.01.01•【效力等级】地方规范性文件•【时效性】现行有效•【主题分类】行政法总类综合规定正文河北省发展和改革委员会等四部门关于印发《河北省省级成品粮储备管理办法》的通知冀粮规〔2023〕6号各市(含定州、辛集市)发展改革委(局)、粮食和物资储备局、财政局、农发行各市分行,雄安新区改革发展局,省级成品粮储备承储企业:为进一步规范和加强省级成品粮储备管理,切实发挥成品粮储备在应急供应中的保障作用,根据国家和省有关法律法规,省发展改革委、省粮食和物资储备局、省财政厅、省农业发展银行联合修订了《河北省省级成品粮储备管理办法》,现印发给你们,请遵照执行。
河北省发展和改革委员会河北省粮食和物资储备局河北省财政厅中国农业发展银行河北省分行2023年12月11日河北省省级成品粮储备管理办法第一章总则第一条为规范和加强省级成品粮储备(含食用植物油,下同)管理,确保数量真实、质量良好和储存安全,切实发挥成品粮储备在应急供应中的保障作用,根据《粮食流通管理条例》《河北省地方储备粮管理办法》《河北省省级储备粮管理办法》和《河北省粮食应急预案》,结合本省实际,制定本办法。
第二条本办法所称省级成品粮储备是指省人民政府储备的用于应对突发事件,调控粮食市场,平抑粮价,在省级储备粮规模总量内建立的成品粮储备。
第三条省级成品粮储备品种:小麦粉、大米和食用植物油(成品油)。
第四条本省行政区域内从事和参与省级成品粮储备的承储、经营管理、监督活动的单位和个人,应当遵守本办法。
第五条省级成品粮储备动用权归省人民政府。
未经省人民政府批准,任何单位和个人不得擅自动用。
第六条省级成品粮储备实行“政府委托、部门监管、企业运作”的方式。
河北省商务厅关于印发《河北省成品油零售市场管理实施细则》(修订)的通知(2012)文章属性•【制定机关】河北省商务厅•【公布日期】2012.02.28•【字号】冀商运行字[2012]4号•【施行日期】2012.04.01•【效力等级】地方规范性文件•【时效性】现行有效•【主题分类】市场规范管理正文河北省商务厅关于印发《河北省成品油零售市场管理实施细则》(修订)的通知(冀商运行字〔2012〕4号)各设区市商务局,扩权县(市)商务主管部门:为认真贯彻执行商务部《成品油市场管理办法》、《成品油经营企业指引手册》、《成品油零售企业管理技术规范》(SB/T10390-2004),加快建立布局合理、功能完善、便利消费的成品油零售服务网络体系。
现将重新修订的《河北省成品油零售市场管理实施细则》(简称《细则》)印发给你们,请认真遵照执行。
自本《细则》实施之日起,原《河北省成品油零售市场管理实施细则》(冀商商改字〔2008〕37号)及《河北省成品油零售市场管理实施细则的补充通知》(冀商商改字〔2011〕5号)同时废止。
附件:河北省成品油零售市场管理实施细则二○一二年二月二十八日河北省成品油零售市场管理实施细则为认真贯彻执行商务部《成品油市场管理办法》和《成品油经营企业指引手册》,依法维护我省成品油零售市场秩序,依据《中华人民共和国行政许可法》以及国家有关成品油市场管理的政策法规,特制定本实施细则。
一、成品油零售经营资格预核准凡在河北省行政区域内申请新建、迁建、扩建、改建加油站、加油点、加油船等成品油零售经营资格预核准的,申请人应向设区市商务局或扩权县商务主管部门提出申请,设区市商务局或扩权县商务主管部门初审后,将初审意见和申报材料报省商务厅。
(一)申请新建、迁建加油站(点)需提交下列材料一式一份:1、《河北省新建加油站(点)申请表》(附表一、一式三份);2、申请报告。
企业申请报告须说明企业基本情况(附企业营业执照、法定代表人身份证、企业章程、验资报告等复印件)、符合申请条件的说明等;个人申请报告须说明个人基本情况(附申请人身份证复印件)、符合申请条件的说明等;3、可行性研究报告(包括项目概述、市场分析、市场预测、油源分析、投资情况、结论等);4、与年检合格的成品油批发经营企业签订的三年以上与其经营规模相适应的成品油供油协议原件及加盖该批发企业公章的《成品油批发经营批准证书》复印件;5、拟建加油站(点)平面位置图。
河北省商务厅关于印发《河北省农村成品油零售网点管理办法》的通知文章属性•【制定机关】河北省商务厅•【公布日期】2005.11.10•【字号】冀商改字〔2005〕33号•【施行日期】2005.11.10•【效力等级】地方规范性文件•【时效性】现行有效•【主题分类】商务正文河北省商务厅关于印发《河北省农村成品油零售网点管理办法》的通知各设区市商务局、中石化河北分公司、中石油华北销售河北分公司、中石化华北销售冀东分公司:为了规范和加强我省农村成品油零售市场的管理,维护农村成品油零售市场的经营秩序,保证农业和农村的油品供应,根据国家商务部《成品油市场管理暂行办法》和商改字[2004]77号《商务部办公厅关于规范成品油零售经营批准证书印制与发放工作的通知》的有关规定,商务厅重新研究制定了《河北省农村成品油零售网点管理办法》(以下简称“办法”),现印发给你们,请按《办法》要求严格执行。
各市要根据《办法》要求,对原已上报省厅的农村成品油零售网点重新审核,剔除不合格网点,重新确定农村成品油零售网点的具体数量,并于11月20日前上报省厅。
自本通知下发之日起,冀商改字[2004]20号《关于印发〈河北省农村成品油零售网点管理办法(暂行)〉的通知》文件同时废止。
二〇〇五年十一月十日目录第一章总则第二章经营资格的申请与受理第三章市场的监督管理河北省农村成品油零售网点管理办法第一章总则第一条为规范河北省农村成品油零售网点管理,维护农村成品油零售市场正常的经营秩序,保证农业和农村的油品供应,根据《中华人民共和国行政许可法》和国家商务部《成品油市场管理暂行办法》、商改字[2004]77号《商务部办公厅关于规范成品油零售经营批准证书印制与发放工作的通知》以及国家对成品油市场管理的有关政策,结合我省成品油市场管理实际,特制定本办法。
第二条成品油是国家的战略商品,它关系到国家的经济安全,全省各设区市、县(市、区)从事成品油管理的商务主管部门和农村从事成品油零售网点经营的企业,必须遵守本办法。
河北省商务厅关于公布河北省商务厅现行有效规范性文件及废止规范性文件目录的通知正文:---------------------------------------------------------------------------------------------------------------------------------------------------- 河北省商务厅关于公布河北省商务厅现行有效规范性文件及废止规范性文件目录的通知各市区市商务局,定州市、辛集市商务局,厅机关各处室:根据《河北省人民政府法制办公室关于做好省政府规章和规范性文件清理工作的通知》的要求,我厅对2013年12月13日以前实施的以河北省商务厅名义制发的规范性文件进行了清理,决定对“关于印发《河北省商务厅行政审批事项办理制度》的通知(冀商法规字[2009]3号)”等21件规范性文件予以保留,决定对“关于印发河北省外商投资企业联合年检实施方案的通知([2001]冀外经贸外资字第12号)”等6件规范性文件予以废止。
现将河北省商务厅现行有效规范性文件目录、废止的规范性文件目录予以公布。
附件:1、河北省商务厅现行有效规范性文件目录(截至2013年12月13日)2、河北省商务厅决定废止规范性文件目录(截至2013年12月13日)河北省商务厅2013年12月13日附件1河北省商务厅现行有效规范性文件目录(截至2013年12月13日)序号文件名称(含文号)发布单位发布日期实施日期1关于印发《河北省商务厅行政审批事项办理制度》的通知(冀商法规字[2009]3号)河北省商务厅2009.6.22009.6.102关于印发《河北省商务行政执法自由裁量权基准制度》的通知(冀商法规字[2013]1号)河北省商务厅2013.1.172013.2.13关于印发河北省外商投资企业网上联合年检实施办法的通知(冀商外资[2005]44号)河北省商务厅、河北省财政厅、河北省工商行政管理局、河北省国家税务局、河北省地方税务局、国家外汇管理局河北省分局2005.11.282006.1.14关于印发《河北省对外劳务合作经营资格管理办法》的通知(冀商外经字[2013]1号)河北省商务厅、河北省工商行政管理局2013.1.112013.2.155关于印发《河北省供港澳活牛出口配额管理暂行办法》的通知(冀商外贸字[2005]15号)河北省商务厅2005.12.72006.1.16关于印发《河北省参加中国进出口商品交易会(出口展)一般性展位数量安排办法(暂行)》的通知(冀商外贸字[2008]7号)河北省商务厅2008.8.282008.8.287关于印发《河北省生猪活体储备管理办法(试行)》的通知(冀商运行[2004]5号)河北省商务厅、河北省发展和改革委员会、河北省财政厅2004.4.52004.4.5序号文件名称(含文号)发布单位发布日期实施日期8关于印发《河北省省级生猪活体储备公检实施方案(试行)》的通知(冀商运行[2006]6号)河北省商务厅、河北省发展和改革委员会、河北省财政厅2006.3.162006.3.169关于印发《河北省省级食糖储备管理办法(试行)》的通知(冀商运行字[2006]30号)河北省商务厅、河北省发展和改革委员会、河北省财政厅2006.7.282006.8.2110关于印发《河北省鲜茧收购资格认定实施细则》的通知(冀商运行字[2008]5号)河北省商务厅、河北省工商行政管理局2008.1.222008.2.111河北省商务厅关于印发《河北省成品油零售市场管理实施细则》(修订)的通知(冀商运行字[2012]4号)河北省商务厅2012.2.282012.4.112关于加强全省拍卖行业监管切实维护拍卖市场秩序的通知(冀商建设字[2008]24号)河北省商务厅2008.6.162008.6.1613关于进一步规范拍卖企业审核许可事项的通知(冀商建设字[2008]27号)河北省商务厅2008.9.42008.9.414关于规范拍卖企业变更注册事项办理程序的通知(冀商流通字[2012]1号)河北省商务厅2012.7.62012.8.115关于进一步加强二手车流通企业备案等项管理工作的通知(冀商建设字[2012]14号)河北省商务厅2012.10.242012.12.116关于印发《河北省二手车流通管理规定》的通知(冀商建设字[2013]10号)河北省商务厅、河北省公安厅、河北省工商行政管理局、河北省国家税务局、河北省地方税务局2013.12.42014.1.10序号文件名称(含文号)发布单位发布日期实施日期17河北省商务厅关于规范全省报废汽车回收拆解市场的通知(冀商建设字[2010]16号)河北省商务厅2010.2.252010.2 .2518关于加强报废汽车回收拆解行业管理的通知(冀商建设字[2013]8号)河北省商务厅2013.11.12013.12.119关于印发《河北省商务厅关于贯彻执行<酒类流通管理办法>的实施意见(试行)》的通知(冀商酒监字[2006]4号)河北省商务厅2006.6.82006.7.120关于印发《河北省酒类流通随附单管理办法》的通知(冀商酒监字[2009]6号)河北省商务厅2009.6.182009.8.121关于印发《河北省散装白酒经营管理办法》的通知(冀商酒监字[2010]6号)河北省商务厅2010.4.132010.6.1附件2河北省商务厅决定废止规范性文件目录(2013年12月13日)序号文件名称(含文号)发布单位发布日期实施日期1关于印发河北省外商投资企业联合年检实施方案的通知([2001]冀外经贸外资字第12号)河北省对外贸易经济合作厅、河北省财政厅、河北省工商行政管理局、河北省国家税务局、河北省经济贸易委员会、河北省地方税务局、国家外汇管理局石家庄分局、石家庄海关2001.2.162001.2.162关于印发《河北省外派劳务基地和专业培训基地建设规范》的通知(冀外经贸外经字[2003]42号)河北省对外贸易经济合作厅2003.8.52003.8.53关于印发《河北省拍卖业监督管理实施细则》的通知(冀商建设字[2006]5号)河北省商务厅2006.1.92006.2.14关于贯彻落实《二手车流通管理办法》有关事宜实施意见(冀商建设字[2006]14号)河北省商务厅、河北省公安厅、河北省工商行政管理局、河北省国家税务局、河北省地方税务局2006.5.312006.5.315关于印发《河北省调味品批发企业备案办法》的通知(冀商法规字[2007]3号)河北省商务厅2007.8.312007.10.16关于印发《河北省商务行政执法自由裁量权基准制度》的通知(冀商法规字[2011]3号)河北省商务厅2011.4.252011.6.1——结束——。
河北省成品油零售市场管理规定为依法维护我省成品油零售市场秩序,依据《中华人民共和国行政许可法》《成品油市场管理办法》和《成品油经营企业指引手册》,以及国家有关成品油市场管理的政策法规,特制定《河北省成品油零售市场管理规定》(以下简称《管理规定》)。
一、成品油零售经营资格预核准凡在河北省行政区域内申请新建、迁建、扩建(农村加油网点扩建增加经营品种)加油站、加油点、加油船等成品油零售经营资格预核准的,申请人应向各市(含定州、辛集市,下同)商务局或行政审批局(以下简称初审机关)提出申请,经初审同意后,将初审意见和申报材料(其中:初审机关应对申请人提交的复印件材料进行核查,在复印件中签字确认与原件内容一致并加盖公章,下同)报省商务厅。
(一)申请新建、迁建加油站(点)预核准需提交下列材料:1、《河北省新建加油站(点)申请表》(附表一、一式二份);2、申请报告。
企业应载明企业基本情况(附企业营业执照、法定代表人身份证等复印件)、符合申请条件的说明等。
个人应载明个人基本情况(附申请人身份证复印件)、符合申请条件的说明等;3、加油站(点)《营业执照》副本复印件;4、与年检合格的成品油批发经营企业签订的三年以上与其经营规模相适应的成品油供油协议原件及加盖该批发企业公章的《成品油批发经营批准证书》复印件;5、拟建加油站(点)平面位置图。
属于城区的,应提供拟建站车程距离2公里范围内已预核准、已建成加油站分布示意图,并由所在市、县城建(规划)部门出具拟建站选址处于城市建成区—20 —范围内的意见;属于非城区的,需明示拟建站(点)所在市区域内路段长度和已预核准、已建成加油站(点)数量及车程距离15公里范围内已预核准、已建成加油站(点)分布示意图。
标出加油站(点)名称和间距(周边没有加油站、点的需文字说明)。
实地考察须不少于2名工作人员参加,并在拟建站(点)平面位置图上签注考察人员姓名、考察日期,加盖初审机关公章;6、拟建加油站(点)《土地使用证》或土地租赁协议复印件;7、通过招标、拍卖、挂牌方式取得土地使用权的加油站(点),需提供国有土地使用权拍卖(招标、挂牌)成交确认书复印件;8、当地市、县规划、国土资源管理部门出具的对申请设立的加油站(点)项目是否符合城乡发展规划和土地利用规划等方面的预审意见(附表二)。
河北省商务厅关于成品油零售经营许可简政放权有关工作的通知正文:---------------------------------------------------------------------------------------------------------------------------------------------------- 河北省商务厅关于成品油零售经营许可简政放权有关工作的通知各设区市商务局,定州、辛集市商务局,扩权县(市)商务局,曹妃甸、渤海新区商务主管部门:为落实党的群众路线教育实践活动为民服务提质提效和“七整治七提升”活动的有关精神,进一步改进工作作风,推进职能转变,现就成品油零售经营许可方面简政放权的有关工作通知如下:一、下放审批权限(一)委托各设区市商务局,定州、辛集市商务局办理通过招标、拍卖、挂牌方式取得土地使用权的新建加油站项目的招标、拍卖标的物的规划确认文件及申请人投标和竞买的资格认证文件。
(二)委托各设区市商务局,定州、辛集市商务局办理加油站(点)原址改、扩建(农村加油网点扩建增加经营品种除外)的行政审批手续。
1、手续齐全的加油站(点)需原址改、扩建(农村加油网点扩建增加经营品种除外)时,申请人应向设区市商务局,定州、辛集市商务局提出申请,经设区市商务局,定州、辛集市商务局批准后方可进行原址改、扩建。
设区市商务局,定州、辛集市商务局应在办理后10个工作日内将办理情况报省商务厅备案。
2、申请加油站(点)原址改、扩建(农村加油网点扩建增加经营品种除外)申请材料、批准文件有效期、申请发还《成品油零售经营批准证书》需提交的材料按照《河北省成品油零售市场管理实施细则》(冀商运行字[2012]4号,以下简称《细则》)的规定执行。
3、由省商务厅发文批准原址改、扩建并验收合格的,仍向省商务厅申请发还《成品油零售经营批准证书》。
4、农村加油网点扩建增加经营汽油项目的行政审批仍然由省商务厅负责,申请办理程序和要求按照《细则》的规定执行。
成品油市场秩序专项整治方案为认真贯彻落实《河北省商务厅关于印发(修订)的通知》(冀商运行字【2016】4号)文件精神,加强成品油市场监管,维护成品油市场正常经营秩序,严厉打击无证无照经营销售成品油、违规建设加油站(点)、非法采用流动油罐车售油、销售劣质成品油等严重安全隐患等违法违规行为,根据市政府办公室《关于印发的通知》(政办字136号)文件要求,结合我县实际情况,现制定本方案。
一、指导思想坚持标本兼治、重在治本的原则,严格市场准入,强化监督管理,打击各种扰乱成品油市场的经营行为,逐步建立成品油市场管理的长效机制,营造公平竞争的市场环境,为我县成品油市场健康、有序、规范发展提供有力保障。
二、整治目标通过专项整治,使我县成品油市场经营秩序得到好转,经营行为全面规范,零售网点布局更加合理,市场环境进一步净化,消费者权益极大保障,为建立统一开放、竞争有序、安全放心的成品油市场体系奠定坚实基础。
三、整治内容依法依规查处违规建设加油站(点),非法经营成品油,非法采用流动油罐车售油,违规销售劣质油品及其他油品,成品油销售缺斤短两,存在安全隐患违规运营,私自拆改加油机,成品油批发企业将成品油销售给非法设立的加油站(点),消防安全设备不健全及其它违法违规经营行为。
四、整治措施(一)对违规建设的加油站(点),依法依规采取必要措施,立即停止建设并取缔。
(二)对证照不全、证照过期或超过歇业期限的加油站(点),责令营业。
对未取得省商务厅核发的《成品油零售经营批准证书》、工商部门核发的《营业执照》、安全监管部门核发的《危险化学品经营许可证》等相关证照,超范围经营的非法加油站(点),一律限期整改,该取缔的要坚决予以取缔,确保加油站(点)证照齐全、手续完备、运营合法。
(三)对非法仓储点和流动加油车,要依法依规全部予以取缔、关闭。
(四)对私自购进非标油品并在市场上销售的,要严厉打击,确保市场油品规范销售,乙醇汽油销售按照规定实现封闭运行。
河北省商务厅等18部门关于印发《河北省推动消费品以旧换新实施方案》的通知文章属性•【制定机关】河北省商务厅•【公布日期】2024.05.22•【字号】冀商运行字〔2024〕2号•【施行日期】2024.05.22•【效力等级】地方规范性文件•【时效性】现行有效•【主题分类】商务综合规定正文河北省商务厅等18部门关于印发《河北省推动消费品以旧换新实施方案》的通知冀商运行字〔2024〕2号各市(含定州、辛集市)人民政府,雄安新区管委会,省有关部门和单位:经省政府同意,现将《河北省推动消费品以旧换新实施方案》印发给你们,请认真贯彻执行。
2024年5月22日河北省推动消费品以旧换新实施方案为深入贯彻党中央、国务院有关决策部署,全面落实《国务院关于印发〈推动大规模设备更新和消费品以旧换新行动方案〉的通知》精神,坚持深化供给侧结构性改革和着力扩大有效需求协同发力,顺应消费市场新形势新趋势,推动汽车换“能”、家电换“智”、家装厨卫“焕新”,着力扩大内需市场,进一步健全回收循环网络体系,持续培育壮大市场主体,逐步建立“去旧更容易、换新更愿意”的有效机制,有效提升我省产业链供应链综合竞争力,推动消费从疫后恢复转向持续扩大,更好满足人民群众美好生活需要,根据商务部等14部门《关于印发推动消费品以旧换新行动方案的通知》、商务部“2024消费促进年”安排和《河北省推动大规模设备更新和消费品以旧换新的实施方案》要求,制定本方案。
通过加大政策引导支持力度,到2025年,实现国三及以下排放标准乘用车加快淘汰,高效节能家电市场占有率进一步提升;报废汽车回收量较2023年增长50%,达到26万辆,废旧家电回收量较2023年增长15%,达到850万台(套);到2027年,报废汽车回收量较2023年增加一倍,达到35万辆,二手车交易量较2023年增长45%,达到260万辆,废旧家电回收量较2023年增长30%,达到960万台(套)。
一、开展汽车以旧换新(一)加大财政金融政策支持力度。
河北省成品油零售市场管理实施细则(全⽂)河北省成品油零售市场管理实施细则(全⽂) 属于城市建设或道路改造等原因确需迁移且⼿续齐全的加油站,与新建加油站等同办理。
迁往地点必须符合加油站⾏业发展规划。
申请⼈应向设区市商务局或扩权县商务主管部门提供相应书⾯材料,交回原加油站的《成品油零售经营批准证书》正、副本。
经省商务厅预核准迁建的成品油零售经营企业建设竣⼯后,由省商务厅组织或委托省⽯油成品油⾏业管理协会会同设区市商务局或商务⾏政主管部门组织验收,填写《河北省成品油零售经营企业建设竣⼯报告表》(附表三,⼀式三份),出具省商务厅预核准⽂件、⼟地使⽤证或⼟地租赁协议、规划许可证、消防安全验收意见和环境保护评估意见书(⼀式⼀份),到省商务厅领取新的《成品油零售经营批准证书》。
企业持《成品油零售经营批准证书》到所在地⼯商、税务、安全⽣产等部门办理营业⼿续。
四、办理的有关程序 1、设区市商务局或扩权县商务主管部门收到成品油零售经营或成品油零售企业迁建、原址改、扩建的申请后,在20个⼯作⽇内完成审查,并将初步审查意见及申请材料报省商务厅,由省商务厅决定是否给予预核准或批复。
2、省商务厅批准的预核准事项,由各设区市或扩权县商务⾏政主管部门送达申请⼈,同时,扩权县商务⾏政主管部门要将省商务厅批准的有关事项到所在地设区市商务局备案。
3、省商务厅预核准的成品油经营零售经营项⽬在6个⽉(批复时间算起)内⽆特殊情况没有实质进展的,省商务厅对该项⽬的预核准有权予以撤销;两年内⽆特殊情况没有实质进展,预核准⾃⾏失效,其它申请⼈若在同⼀地点申请预核准的成品油经营零售经营项⽬可按程序申报。
五、成品油零售经营预核准操作办法 1、根据我省效能建设的有关要求,省商务厅对成品油零售经营预核准实⾏年度指标控制制度。
即省商务厅根据全省成品油⾏业发展规划,按年度下达各设区市、扩权县(市)商务主管部门新建加油站全年控制指标,各设区市商务局、扩权县(市)商务主管部门在核定的指标内初审上报,超年度控制指标的新建加油站申请原则上不予受理。
河北省农村成品油零售网点管理办法(冀商改字〔2005〕33号)第一章总则第一条为规范河北省农村成品油零售网点管理,维护农村成品油零售市场正常的经营秩序,保证农业和农村的油品供应,参照国务院和商务部等有关部门对成品油市场管理的有关规定特制定本办法。
第二条成品油是国家的战略商品,它关系到国家的经济安全,全省各设区市、县(市、区)从事成品油管理的商务主管部门和农村从事成品油零售网点经营的企业,必须遵守本办法。
第三条本办法所指农村成品油零售网点是指:河北省辖区内县级及县级公路以下范围内,主要为农业交通和农业生产服务,只经营柴油、润滑油,加油机在三枪以下,储油量不超过三十立方米的零售站点。
所称各市县从事成品油管理的商务主管部门是各市县从事成品油市场管理的部门。
第四条河北省商务厅负责组织制定农村成品油零售网点市场管理的有关方针政策;各设区市商务局(油管办)负责对本市农村成品油零售经营企业实施市场准入管理,负责制定辖区内农村成品油零售网点行业发展规划,并依据本办法和国家有关政策协调有关部门对经营活动进行监督管理。
第五条《成品油零售网点经营批准证书》由河北省商务厅统一印制,各设区市商务局依据本办法负责颁发。
第二章经营资格的申请与受理第六条由于农村成品油零售网点只经营柴油、润滑油。
在符合本办法第三条规定的同时,应当具备下列条件。
(一)具有稳定的成品油供应渠道,有与具有合法批发资格成品油经营企业签订的供油协议。
(二)网点布局符合当地网点行业发展规划和市场需求。
(三)经营设施符合土地、环保、消防安全等部门的相关要求。
(四)注册资金不低于3万元,不高于20万元。
(五)储油能力不低于10立方米,不高于30立方米。
(六)具有经过技术监督部门检定的加油机或流量计等计量器具,计量鉴定合格。
(七)有健全的规章制度,从业人员掌握经营成品油的相关知识。
第七条申请人对所提交材料的真实性负责。
申请人向当地商务主管部门提出设立申请,提供相关材料,并填写《河北省农村成品油零售网点经营批准证书审批表》一式三份,由县商务主管部门对申请材料进行审核,并对网点地址进行现场勘察,初审同意后报市商务主管部门(油管办)审批。
河北省成品油零售市场管理实施细则简述(doc 14页)完美版1河北省商务厅关于印发重新修订的《河北省成品油零售市场管理实施细则》的通知各设区市商务局、扩权县商务行政主管部门:为认真贯彻执行国家商务部《成品油市场管理办法》和《成品油经营企业指引手册》,进一步完善我省成品油零售市场管理工作,提高效能建设水平,方便企业成品油零售经营资质等有关事项的申请和办理,现将重新修订的《河北省成品油零售市场管理实施细则》(简称《细则》)印发给你们,请认真遵照执行。
自本通知下发之日起,冀商商改字[2008]3号《关于印发“河北省成品油零售市场管理实施细则”的通知》文件同时废止。
二00八年十二月十六日河北省成品油零售市场管理实施细则为认真贯彻执行国家商务部《成品油市场管理办法》和《成品油经营企业指引手册》,依法维护我省成品油市场秩序,依据《中华人民共和国行政许可法》以及国家有关成品油市场管理的政策法规,特制定本实施细则。
一、成品油零售经营的预核准申请人申请预核准成品油零售经营资格,应向设区市商务局或扩权县商务主管部门提出申请,设区市商务局或扩权县商务主管部门初审后,将初审意见和申报材料报省商务厅。
(一)申请预核准设立成品油零售经营企业应当提交下列材料:1、《河北省成品油零售经营申请表》(见附表一);2、企业申请报告。
报告须说明企业基本情况(同时附企业章程、验资报告)、符合申请条件的说明等;3、可行性研究报告;4、与年检合格的成品油批发经营企业签订的3年以上与其经营规模相适应的成品油供油协议及该批发企业的《成品油批发经营批准证书》复印件;5、拟建加油站平面位置图(非城区的,提供建设地点半径10公里内现有和经行政许可在建加油站现状分布示意图;位于城区的,提供半径2公里范围内现有和经行政许可在建加油站现状分布示意图。
标出加油站名称和间距,周边没有加油站的需文字说明);6、拟建加油站土地租赁协议或土地使用证书;7、通过招标、拍卖、挂牌方式取得土地使用权的加油站申请项目,在符合我省加油站行业发展规划的前提下,将获得国土资源部门核发的国有土地使用权拍卖(招标、挂牌)成交确认文件作为新建加油站预核准的必要条件;8、当地规划、土地部门预审意见。
成品油产品质量监视抽查实施细则本细则适用于河北省市场监视治理部门组织的销售环节成品油产品质量监视抽查。
抽查产品范围包括:车用乙醇汽油〔E10〕和车用柴油。
本细则内容包括产品分类、术语和定义、检验依据、抽样、检验要求、判定原则、异议处理。
1.产品分类1.1产品分类及代码产品分类及代码见表 1表 1 产品分类及代码产品分类分类代码分类名称一级分类6机械及安防机械及安防二级分类606车辆相关产品车辆相关产品三级分类606.7车用乙醇汽油〔E10〕车用柴油1.2产品种类车用乙醇汽油〔E10〕〔ⅥA/ⅥB〕按争论法辛烷值分为89号、92 号、95 号和 98 号四个牌号;车用柴油〔Ⅵ〕按凝点分为 5 号、0 号、-10 号、-20 号、-35 号、-50 号六个牌号。
经备案现行有效的企业标准、地方标准及产品明示质量要求中规定的特别牌号。
2.术语和定义本细则中未列出的术语和定义同相关引用标准。
3.检验依据但凡注日期的文件,其随后全部的修改单(不包括订正的内容)或不适用于本细则。
但凡不注日期的文件,其最版本适用于本细则。
GB 18351 车用乙醇汽油(E10)GB 19147 车用柴油GB/T 259 石油产品水溶性酸及碱测定法GB/T 260 石油产品水分测定法蒸馏法GB/T 511 石油和石油产品及添加剂机械杂质测定法GB/T 1884 原油和液体石油产品密度试验室测定法(密度计法)GB/T 1885 石油计量表GB/T 4756 石油液体手工取样法GB/T 5096 石油产品铜片腐蚀试验法GB/T 5487 汽油辛烷值的测定法争论法GB/T 6536 石油产品常压蒸馏特性测定法GB/T 8017 石油产品蒸气压的测定雷德法GB/T 8018 汽油氧化安定性的测定诱导期法GB/T 8019 燃料胶质含量的测定喷射蒸发法GB/T 8020 汽油中铅含量的测定原子吸取光谱法GB/T 11132 液体石油产品烃类的测定荧光指示剂吸附法GB/T 30519 轻质石油馏分和产品中烃族组成和苯的测定多维气相色谱法GB/T 11140 石油产品硫含量的测定波长色散X 射线荧光光谱法NB/SH/T 0164 石油产品包装、贮运及交货验收规章NB/SH/T 0174 石油产品和烃类溶剂中硫醇和其他硫化物的检验博土试验法SH/T 0604 原油和石油产品密度测定法〔U 形振动管法〕SH/T 0246 轻质石油产品中水含量测定法(电量法)NB/SH/T 0663 汽油中醇类和醚类含量的测定气相色谱法SH/T 0689 轻质烃及发动机燃料和其他油品的总硫含量测定法(紫外荧光法)SH/T 0693 汽油中芳烃含量测定法(气相色谱法)SH/T 0713 车用汽油和航空汽油中苯和甲苯含量测定法(气相色谱法)NB/SH/T 0711 汽油中锰含量的测定(原子吸取光谱法)SH/T 0712 汽油中铁含量测定法(原子吸取光谱法)GB/T 8020 汽油中铅含量的测定原子吸取光谱法GB/T 4756 石油液体手工取样法GB/T 510 石油产品凝点测定法NB/SH/T 0248 柴油和民用取暖油冷滤点测定法GB/T 261 闪点的测定宾斯基-马丁闭口杯法SH/T 0806 中间馏分芳烃含量的测定示差折光检测器高效液相色谱法GB/T 33400 中间馏分油、柴油及脂肪酸甲酯中总污染物含量测定法GB/T 265 石油产品运动黏度测定法和动力黏度计算法GB/T 268 石油产品残炭测定法〔康氏法〕GB/T 386 柴油十六烷值测定法GB/T 508 石油产品灰分测定法GB/T 11133 石油产品、润滑油和添加剂中水含量的测定卡尔费休库伦滴定法GB/T 11139 馏分燃料十六烷指数计算法GB/T 17144 石油产品残炭测定法〔微量法〕GB/T 23801 中间馏分油中脂肪酸甲酯含量的测定红外光谱法SH/T 0175 馏分燃料油氧化安定性测定法〔加速法〕SH/T 0694 中间馏分燃料十六烷值计算法〔四变量公式法〕SH/T 0765 柴油润滑性评定法〔高频往复试验机法〕相关的法律法规、部门规章和标准经备案现行有效的企业标准、地方标准及产品明示质量要求4.抽样4.1抽样型号或规格抽取样品应为同一型号规格、同一等级、同一批次的产品。
各设区市商务局,扩权县(市)商务主管部门:为认真贯彻执行商务部《成品油市场管理办法》、《成品油经营企业指引手册》、《成品油零售企业管理技术规范》(SB/T10390-2004),加快建立布局合理、功能完善、便利消费的成品油零售服务网络体系。
现将重新修订的《河北省成品油零售市场管理实施细则》(简称《细则》)印发给你们,请认真遵照执行。
自本《细则》实施之日起,原《河北省成品油零售市场管理实施细则》(冀商商改字〔2008〕37号)及《河北省成品油零售市场管理实施细则的补充通知》(冀商商改字〔2011〕5号)同时废止。
附件:河北省成品油零售市场管理实施细则二○一二年二月二十八日河北省成品油零售市场管理实施细则为认真贯彻执行商务部《成品油市场管理办法》和《成品油经营企业指引手册》,依法维护我省成品油零售市场秩序,依据《中华人民共和国行政许可法》以及国家有关成品油市场管理的政策法规,特制定本实施细则。
一、成品油零售经营资格预核准凡在河北省行政区域内申请新建、迁建、扩建、改建加油站、加油点、加油船等成品油零售经营资格预核准的,申请人应向设区市商务局或扩权县商务主管部门提出申请,设区市商务局或扩权县商务主管部门初审后,将初审意见和申报材料报省商务厅。
(一)申请新建、迁建加油站(点)需提交下列材料一式一份:1、《河北省新建加油站(点)申请表》(附表一、一式三份);2、申请报告。
企业申请报告须说明企业基本情况(附企业营业执照、法定代表人身份证、企业章程、验资报告等复印件)、符合申请条件的说明等;个人申请报告须说明个人基本情况(附申请人身份证复印件)、符合申请条件的说明等;3、可行性研究报告(包括项目概述、市场分析、市场预测、油源分析、投资情况、结论等);4、与年检合格的成品油批发经营企业签订的三年以上与其经营规模相适应的成品油供油协议原件及加盖该批发企业公章的《成品油批发经营批准证书》复印件;5、拟建加油站(点)平面位置图。
属于城区的,应由所在市、县城建(规划)部门出具拟建站选址处于城市建成区范围内的意见;商务部门提供拟建站车程距离2公里范围内已预核准、已建成加油站分布示意图。
属于非城区的,需明示拟建站(点)所在(本市、县区域)路段长度和已预核准、已建成加油站(点)数量及左右各15公里(交叉路口左右各3公里)区间内已预核准、已建成加油站(点)分布示意图。
标出加油站(点)名称和间距(周边没有加油站、点的需文字说明);实地考察须不少于2名工作人员参加,并在拟建站(点)平面位置图上签注考察人员姓名、考察日期、加盖初审机关公章;6、拟建加油站(点)《土地使用证》或土地租赁协议复印件;7、通过招标、拍卖、挂牌方式取得土地使用权的加油站(点),需提供国有土地使用权拍卖(招标、挂牌)成交确认书复印件;8、当地市、县规划、国土资源部门出具的对申请设立的加油站(点)项目是否符合城乡发展规划和土地利用规划等方面的预审意见(附表二);规划、国土资源部门的具体意见可另附材料;9、设区市商务局或扩权县商务主管部门的请示。
请示中注明是否符合河北省成品油零售体系发展规划,其标题格式为“关于XXX在XXX建设加油站或加油点申请预核准的请示”;10、外商投资企业还应提交商务部核发的《外商投资企业批准证书》复印件;11、加油站(点)迁建的还应交回原加油站(点)的《成品油零售经营批准证书》正、副本原件。
(二)申请设立加油船需提交下列材料一式一份:1、《河北省水上加油船申请表》(附表三、一式三份);2、申请报告。
企业申请报告须说明企业基本情况(附企业营业执照、法定代表人身份证、企业章程、验资报告等复印件)、符合申请条件的说明等;个人申请报告须说明个人基本情况(附申请人身份证复印件)、符合申请条件的说明等;3、可行性研究报告(包括项目概述、市场分析、市场预测、油源分析、投资情况、结论等);4、与年检合格的成品油批发经营企业签订的3年以上与其经营规模相适应的成品油供油协议原件及加盖该批发企业公章的《成品油批发经营批准证书》复印件;5、工商部门核发的《加油船名称预先核准通知书》复印件;6、《水上加油船情况登记表》(附表四);7、负责管辖船舶水域的港航部门签署的《水上加油船经营条件审核意见书》(附表五);8、船舶所有权证书及有效的检验证书,租赁船舶还应提供租赁合同复印件;9、加油船配备的作业人员的身份证明和船员特种培训合格证复印件;10、加油船正侧面六寸照片;11、设区市商务局或扩权县商务主管部门请示,其标题格式为“关于XXX在XXX地区设立加油船申请预核准的请示”;12、外商投资企业还应提交商务部核发的《外商投资企业批准证书》复印件。
(三)加油站(点)布点要求加油站(点)布点应符合河北省成品油零售发展规划和相关技术规范要求。
1、加油站布点要求。
加油站分为城区和非城区加油站。
(1)城区加油站,是指在具有城建规划的市、县城市建成区范围内建设的加油站。
城区加油站设置的服务半径不少于0.9公里。
(2)非城区加油站,是指在城区以外建设的加油站。
其中,国道、省道每百公里不超过12座;县、乡、村道路每百公里不超过10座。
在总量控制范围内,在山区路段的国道、省道和县道、乡村道的同一条道路上,加油站之间距离不低于4公里,在其他路段的同一条道路上加油站之间距离不低于10公里。
2、因城区改造、道路扩建等原因确需迁移且手续齐全合法的加油站,在选择新址重建时,其服务半径、站与站之间距离可适当缩短。
3、加油点布点要求。
县、乡、村道路及矿山、码头、农场可设立加油点,其布点要求参照非城区加油站布点要求执行。
加油点经营设施应符合消防、质监、环保、气象等部门的要求。
二、加油站(点)原址改、扩建的申请与办理加油站(点)原址改建是指加油岛、营业房、罩棚、罐区设施主体进行更新、改造等行为;扩建是指加油站(点)在原地增加经营品种、扩大储油能力、增加加油机数量、扩大经营场地等行为。
手续齐全的加油站(点)需原址改、扩建时,申请人应向设区市商务局或扩权县商务主管部门提出申请,设区市商务局或扩权县商务主管部门初审后,将初审意见及相关材料报省商务厅。
(一)申请加油站(点)原址改建需提交下列材料一式一份:1、《河北省加油站(点)原址改建申请表》(附表七、一式三份);2、申请报告。
申请报告需说明改建原因及主要内容等;3、《成品油零售经营批准证书》正、副本原件;4、设区市商务局或扩权县商务主管部门请示,其标题格式为“关于XXX加油站或加油点申请原址改建的请示”;5、外商投资企业还应提交商务部核发的《外商投资企业批准证书》。
(二)申请发还《成品油零售经营批准证书》程序经省商务厅批复同意原址改建的加油站(点)建设竣工后,由设区市商务局或扩权县商务主管部门对其组织验收,验收合格并附下列材料,报请省商务厅发还《成品油零售经营批准证书》后方可营业。
1、设区市商务局或扩权县商务主管部门申请发还《成品油零售经营批准证书》的请示;2、《河北省加油站(点)原址改建竣工报告表》(附表八、一式三份);3、省商务厅批复文件原件;4、加油岛、罐区设施主体进行更新、改造的需提供消防部门核发的《建设工程消防验收意见书》和气象部门核发的《防雷装置验收合格证》或防雷装置检测技术报告复印件。
(三)申请加油站(点)原址扩建需提交下列材料一式一份:1、《河北省加油站(点)原址扩建申请表》(附表九、一式三份);2、申请报告。
申请报告需说明扩建原因及主要内容等;3、增加经营品种的需与年检合格的成品油批发经营企业签订3年以上与其经营规模相适应的成品油供油协议原件及加盖该批发企业公章的《成品油批发经营批准证书》复印件;4、《土地使用证》或土地租赁协议复印件;5、扩大经营场地的需提供当地市、县规划、国土资源部门出具的对加油站(点)扩建项目是否符合城乡发展规划和土地利用规划等方面的意见;6、拟原址扩建加油站(点)平面位置图。
属于城区的,提供拟扩建站车程距离2公里范围内已预核准、已建成加油站分布示意图;属于非城区的,提供拟扩建站(点)所在路段左右各15公里(交叉路口左右各3公里)区间内已预核准、已建成加油站(点)分布示意图。
标出加油站(点)名称和间距(周边没有加油站、点的需文字说明);7、设区市商务局或扩权县商务主管部门请示,其标题格式为“关于XXX加油站或加油点申请原址扩建的请示”;8、《成品油零售经营批准证书》正、副本原件;9、外商投资企业还应提交商务部核发的《外商投资企业批准证书》。
三、申领《成品油零售经营批准证书》程序新建、扩建加油站(点)建设竣工并经省商务厅或委托设区市商务局、扩权县商务主管部门组织验收合格后,方可申请领取《成品油零售经营批准证书》。
申领《成品油零售经营批准证书》需提交下列材料一式一份:(一)加油站(点)1、设区市商务局或扩权县商务主管部门申请领取《成品油零售经营批准证书》的请示;2、《河北省新建加油站(点)建设竣工报告表》(附表六、一式三份)或《河北省加油站(点)原址扩建竣工报告表》(附表十、一式三份);3、省商务厅批复文件原件;4、工商部门核发的营业执照或《企业名称预核准通知书》复印件;5、法定代表人或负责人身份证明及相关证明文件复印件;6、国土资源部门核发的加油站(点)《国有土地使用证》或土地使用批准确认文件或土地租赁协议复印件;7、规划部门核发的加油站(点)《建设用地规划许可证》、《建设工程规划许可证》或《乡村建设规划许可证》复印件;8、建设部门核发的《建筑工程施工许可证》复印件(加油点不需提供);9、消防部门核发的加油站(点)《建设工程消防验收意见书》复印件;10、环保部门核发的加油站(点)环境保护验收合格文件或环境影响报告复印件;11、气象部门核发的加油站(点)《防雷装置验收合格证》或防雷装置检测技术报告复印件;12、外商投资企业还应提交商务部核发的《外商投资企业批准证书》复印件。
(二)高速公路服务区新建加油站应符合《成品油零售企业管理技术规范》(SB/T10390-2004)相关要求,在建设竣工并经省商务厅或委托当地设区市商务局组织验收合格后,按加油站申领《成品油零售经营批准证书》程序办理。
(三)加油船经当地设区市商务局或扩权县商务主管部门组织验收合格后,报请省商务厅领取《成品油零售经营批准证书》(附省商务厅批复文件原件)。
四、成品油零售经营资格预核准期限及申请延期办理成品油零售经营资格预核准文件有效期为3年(改、扩建为2年)。
特殊情况需要延期的,申请人应在到期前2个月内向所在地设区市商务局或扩权县商务主管部门提出延期申请,由设区市商务局或扩权县商务主管部门报省商务厅批准,延期期限最长为2年。
在本实施细则公布前办理的预核准文件,从批准之日起到本实施细则实施之日已超过3年的,经申请可再延长2年。