相交线与平行线知识点
- 格式:doc
- 大小:73.50 KB
- 文档页数:2
相交线与平行线知识点总结1.直线的定义:直线是平面上的一组点,这些点的任意两个点都可以用直线上的一段有向线段连接起来。
直线也可以看作没有端点的线段。
2.相交线的性质:(1)相交线:两条直线在平面上的交点。
两条相交的直线不可能平行。
(2)轴:两条相交线的交点称为轴。
(3)垂直交线:两条相交线互相垂直,即交角为90度。
(4)垂线:一条直线与另一条直线垂直,称为垂线。
(5)垂直平分线:两条相交直线的交点到两条直线距离相等的直线,称为垂直平分线。
3.平行线的性质:(1)平行线:在同一个平面内,两条直线不相交,称为平行线。
(2)平行符号:在直线上标记一对箭头表示平行关系。
(3)平行线定理:-同位角定理:两条平行线与同一条横截线相交,所得相对应的内角相等,相对应的外角相等。
-平行线之间的任意一对同位角互相相等。
(4)平行线判定定理:-直线与直线平行判定定理:直线与一条直线平行,则与这条直线平行的所有直线都平行。
-同位角平行判定定理:两条直线被一条横截线所截,使同位角相等,则这两条直线平行。
-垂直线判定定理:两条直线互相垂直,则这两条直线平行于同一直线。
(5)平行线的性质:-平行线之间的距离相等:两条平行线上任意两点之间的距离相等。
-平行线的夹角:两条平行线被一条直线截断所得的内角和为180度。
-平行线的斜率:两条平行线的斜率相等或者其中一条线的斜率不存在。
4.平行四边形:(1)平行四边形定义:有两对对边分别平行的四边形。
(2)平行四边形的性质:-对边相等:平行四边形的对边相等。
-对角线:平行四边形的对角线互相平分。
-同位角:平行四边形的同位角互相相等。
5.直线的倾斜角:(1)倾斜角定义:一条直线倾斜角的正切值等于该直线的斜率。
(2)平行线的倾斜角:平行线具有相同的倾斜角。
(3)垂直线的倾斜角:垂直线的倾斜角之和等于90度。
6.平行线与欧几里得公设:(1)欧几里得公设五:经过点外的一条直线上至少有两条平行线。
相交线与平行线知识点整理相交线和平行线是几何学中的基本概念,是研究点、直线、平面之间的关系的重要内容。
下面是关于相交线和平行线的详细知识整理。
一、相交线的定义和性质:1.相交线的定义:当两条线或两条线段在空间中共有一个交点时,我们称这两条线或线段为相交的。
2.相交线的性质:(1)两条相交线必有且只有一个交点。
(2)相交线的交点在两条相交线上。
(3)相交线可以分割平面为两个部分。
(4)相交线可以交换位置,即线的交点不变。
(5)相交线的角度和弧度可以相互转化。
二、平行线的定义和性质:1.平行线的定义:在同一个平面上,两条直线如果没有交点,则称这两条直线为平行线。
2.平行线的性质:(1)平行线永不相交。
(2)平行线的夹角为0度。
(3)平行线在任何一点上的垂直线也是平行线。
(4)如果两条直线分别与一条直线相交,且对应的内角或同旁内角互补,则这两条直线是平行线。
(5)平行线与一个截线相交,对应角相等。
三、相交线与平行线之间的关系:1.两条相交线切割出的平行线性质:(1)两条相交线切割出的平行线长度相等。
(2)两条相交线切割出的平行线夹角相等。
(3)两条相交线切割出的平行线互相垂直。
2.平行线夹角关系:(1)两条平行线被一条截线切割,对应角相等。
(2)两条平行线被两条截线交叉切割,对应角互补。
四、平行线的判断方法:1.距离判定法:两条直线上一点到另一直线上的距离相等,则这两条直线平行。
2.角度判定法:如果两条直线上的任意一组对应角相等,则这两条直线平行。
3.线段比较法:两条平行线上两对相交线段的比值相等。
五、相交线和平行线的应用:1.在建筑设计中,平行线用于调整房屋结构的直角度量。
2.在交通规划中,相交线和平行线用于规划道路的交叉口和分隔带。
3.在地理学中,相交线和平行线用于绘制地图上的经纬线和等高线。
4.在数学教学中,相交线和平行线可以帮助学生理解几何概念,并解决相关问题。
总结:相交线和平行线是几何学中的基本概念,对于点、直线、平面的研究具有重要意义。
平行线与相交线的关系知识点在几何学中,平行线和相交线是两个基本的几何概念,它们之间有着密切的关联。
本文将介绍平行线与相交线的性质以及它们之间的一些重要关系。
一、平行线的定义与性质平行线是指在同一个平面上永远不会相交的直线。
两条平行线之间的距离始终保持相等,且它们的斜率也相等。
平行线具有以下性质:1. 平行线的性质一:同一平面内两直线要么相交于一点,要么平行。
2. 平行线的性质二:如果一条直线与另外两条平行线相交,那么这两条平行线之间的对应角相等。
3. 平行线的性质三:平行线的倾斜角度相等。
4. 平行线的性质四:两条平行线与一条相交线所构成的内角和为180度。
二、相交线的定义与性质相交线是指在同一个平面上交于一点的两条直线。
相交线之间的夹角是它们各自的内角和,且夹角的大小和形状取决于直线的倾斜程度。
相交线具有以下性质:1. 相交线的性质一:相交线之间夹角的大小可以是锐角、直角或钝角。
2. 相交线的性质二:相交线之间夹角的大小等于其对应的对顶角。
3. 相交线的性质三:两条相交线若交于一点,则点的坐标满足这两条直线的方程。
三、平行线与相交线的关系平行线与相交线之间有以下重要的关系:1. 平行线切割相交线:如果一条直线与一对平行线相交,那么它将会把这对平行线切割成相似的线段。
2. 内错角与同旁内角:当一条直线与两条平行线相交时,所构成的对应角(内错角)相等,而相应于同旁外角(同旁内角)也相等。
3. 平行线的判定:如果两条直线与一条相交线所构成的内外角相等,那么这两条直线是平行的。
4. 平行线的传递性:如果直线a与直线b平行,直线b与直线c平行,那么直线a与直线c也平行。
通过对平行线和相交线的定义、性质以及它们之间的关系的认识,我们能够更好地理解几何学中的相关概念,并应用它们解决问题。
总结:平行线是在同一平面上永不相交的直线,其性质包括对应角相等、倾斜角相等以及内角和为180度等;相交线是在同一平面上交于一点的直线,其性质包括夹角等于内角和以及夹角的种类;平行线与相交线之间的关系包括平行线切割相交线、内错角与同旁内角相等、平行线的判定方法以及平行线的传递性。
相交线与平行线知识点总结标准化文件发布号:(9312-EUATWW-MWUB-WUNN-INNUL-DQQTY-相交线与平行线一:相交线(1)相交线的定义两条直线交于一点,我们称这两条直线相交.相对的,我们称这两条直线为相交线.(2)两条相交线在形成的角中有特殊的数量关系和位置关系的有对顶角和邻补角两类.(3)在同一平面内,两条直线的位置关系有两种:平行和相交(4)对顶角:有一个公共顶点,并且一个角的两边分别是另一个角的两边的反向延长线,具有这种位置关系的两个角,互为对顶角.∠1和∠3,∠2和∠4是对顶角.(5)邻补角:只有一条公共边,它们的另一边互为反向延长线,具有这种关系的两个角,互为邻补角.如图:∠1和∠2,∠2和∠3是邻补角.(6)对顶角的性质:对顶角相等.(如图∠1=∠3,∠2=∠4)(7)邻补角的性质:邻补角互补,即和为180°.(如图∠1+∠2=180°)(8)邻补角、对顶角成对出现,在相交直线中,一个角的邻补角有两个.邻补角、对顶角都是相对与两个角而言,是指的两个角的一种位置关系.它们都是在两直线相交的前提下形成的。
二、垂线(1)、垂线的定义:当两条直线相交所成的四个角中,有一个角是直角时,就说这两条直线互相垂直,其中一条直线叫做另一条直线的垂线,它们的交点叫做垂足.如图,OD⊥AB,垂足为O(2)、垂线的性质过一点有且只有一条直线与已知直线垂直.注意:“有且只有”中,“有”指“存在”,“只有”指“唯一”“过一点”的点在直线上或直线外都可以。
(3)、垂线段:从直线外一点引一条直线的垂线,这点和垂足之间的线段叫做垂线段.(4)垂线段的性质:垂线段最短.正确理解此性质,垂线段最短,指的是从直线外一点到这条直线所作的垂线段最短.它是相对于这点与直线上其他各点的连线而言.(如图,PA,PB,PC等线段中,PO最短)(4)、点到直线的距离(如图,PO的长)(1)点到直线的距离:直线外一点到直线的垂线段的长度,叫做点到直线的距离.(2)点到直线的距离是一个长度,而不是一个图形,也就是垂线段的长度,而不是垂线段.它只能量出或求出,而不能说画出,画出的是垂线段这个图形.三、平行线1、在同一平面内,两条直线的位置关系有两种:平行和相交.(1)平行线的定义:在同一平面内,不相交的两条直线叫平行线.记作:a∥b;读作:直线a平行于直线b.(2)同一平面内,两条直线的位置关系:平行或相交,对于这一知识的理解过程中要注意:①前提是在同一平面内;②对于线段或射线来说,指的是它们所在的直线.(3)平行公理:经过直线外一点,有且只有一条直线与这条直线平行.如图,过点P只有直线a 与直线 b平行(4)平行公理中要准确理解“有且只有”的含义.从作图的角度说,它是“能但只能画出一条”的意思.(5)平行公理的推论:如果两条直线都与第三条直线平行,那么这两条直线也互相平行.如图,如果a∥c,b∥c,那么a∥c2、同位角、内错角、同旁内角(1)同位角:两条直线被第三条直线所截形成的角中,若两个角都在两直线的同侧,并且在第三条直线(截线)的同旁,则这样一对角叫做同位角.例如∠1和∠5,∠3和∠7,∠4和∠8,∠2和∠6.(2)内错角:两条直线被第三条直线所截形成的角中,若两个角都在两直线的之间,并且在第三条直线(截线)的两旁,则这样一对角叫做内错角.例如∠3和∠5,∠4和∠6.(3)同旁内角:两条直线被第三条直线所截形成的角中,若两个角都在两直线的之间,并且在第三条直线(截线)的同旁,则这样一对角叫做同旁内角。
相交线与平行线的知识点一、相交线。
1. 邻补角。
- 定义:两个角有一条公共边,它们的另一边互为反向延长线,具有这种关系的两个角,互为邻补角。
- 性质:邻补角互补,即它们的和为180°。
例如,∠AOC和∠BOC是邻补角,那么∠AOC+∠BOC = 180°。
2. 对顶角。
- 定义:有一个公共顶点,并且一个角的两边分别是另一个角两边的反向延长线,具有这种位置关系的两个角,互为对顶角。
- 性质:对顶角相等。
如∠AOC和∠BOD是对顶角,则∠AOC = ∠BOD。
3. 垂直。
- 定义:当两条直线相交所成的四个角中,有一个角是直角时,就说这两条直线互相垂直,其中一条直线叫做另一条直线的垂线,它们的交点叫做垂足。
- 性质:- 在同一平面内,过一点有且只有一条直线与已知直线垂直。
- 连接直线外一点与直线上各点的所有线段中,垂线段最短。
简单说成:垂线段最短。
- 点到直线的距离:直线外一点到这条直线的垂线段的长度,叫做点到直线的距离。
二、平行线。
1. 平行线的定义。
- 在同一平面内,不相交的两条直线叫做平行线。
用符号“∥”表示平行关系,如直线a平行于直线b,记作a∥b。
2. 平行公理及推论。
- 平行公理:经过直线外一点,有且只有一条直线与这条直线平行。
- 推论:如果两条直线都与第三条直线平行,那么这两条直线也互相平行。
即如果a∥b,b∥c,那么a∥c。
3. 平行线的判定。
- 同位角相等,两直线平行。
例如,直线a、b被直线c所截,如果∠1 = ∠2(∠1和∠2是同位角),那么a∥b。
- 内错角相等,两直线平行。
如直线a、b被直线c所截,若∠2 = ∠3(∠2是内错角,∠3是同位角),则a∥b。
- 同旁内角互补,两直线平行。
当直线a、b被直线c所截,若∠2+∠4 = 180°(∠2和∠4是同旁内角),那么a∥b。
4. 平行线的性质。
- 两直线平行,同位角相等。
若a∥b,则∠1 = ∠2(∠1和∠2是同位角)。
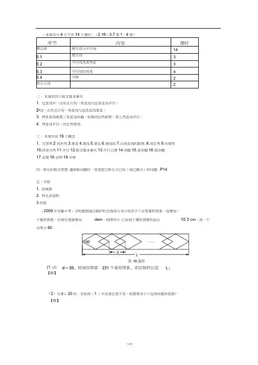
二、 本章有四个数学基本事实1. 过直线外一点有且只有一条直线与这条直线平行; 2•过一点有且只有一条直线与这条直线垂直;3. 两条直线被第三条直线所截,如果同位角相等,那么两直线平行;4. 两直线平行,同位角相等.三、 本章共有19个概念1. 对顶角2.邻补角3.垂直4.垂线5.垂足6.垂线段7.点到直线的距离8.同位角9.内错角 10.同旁内角11.平行12.数学基本事实13.平行公理14命题15.真命题16.假命题 17.定理18.证明19.平移四、转化的数学思想 遇到新问题时,常常把它转化为已知(或已解决)的问题 .P14 五、平移1. 找规律2. 转化求面积 3作图(2009年安徽中考)学校植物园沿路护栏纹饰部分设计成若干个全等菱形图案,每增加一 个菱形图案,纹饰长度就增加 dem ,如图所示.已知每个菱形图案的边长 10 3 cm ,其一个内角为60°.【解】(2)当d = 20时,若保持(1 )中纹饰长度不变,则需要多少个这样的菱形图案?【解】(1 )若相交线与平行线知识点5.1相交线1、邻补角与对顶角图形 顶点 边的关系大小关系 对顶角/ 1 与/ 2有公共顶点/1的两边与/ 2的两边互为反 向延长线对顶角相等 即/ 1 = / 2邻补角/ 3 与/ 4 有公共顶点/ 3与/ 4有一 条边公共,另一 边互为反向延长线• / 3+/ 4=180 °注意点:⑴对顶角是成对出现的,对顶角是具有特殊位置关系的两个角; ⑵如果/a 与是对顶角,那么一定有/a= /B ;反之如果/a =/3,那么/a 与/ B 不一定是对顶角⑶如果/a 与/B 互为邻补角,则一定有/a+ /3 =180 °;反之如果/a + /3 =180 ° ,则/a 与/B 不一定是邻补角.⑶两直线相交形成的四个角中,每一个角的邻补角有两个,而对顶角只有一个2、垂线⑴定义,当两条直线相交所成的四个角中,有一个角是直角时,就说这两条直线互相垂直, 其中的一条直线叫做另一条直线的垂线,它们的交点叫做垂足 符号语言记作:如图所示:AB 丄CD ,垂足为 0⑵垂线性质1:过一点有且只有一条直线与已知直线垂直 ⑶垂线性质2:连接直线外一点与直线上各点的所有线段中,3、垂线的画法:⑴过直线上一点画已知直线的垂线;⑵过直线外一点画已知直线的垂线 注意:①画一条线段或射线的垂线,就是画它们所在直线的垂线;②过一点作线段的垂线,垂足可在线段上,也可以在线段的延长线上画法:⑴一靠:用三角尺一条直角边靠在已知直线上,⑵二移:移动三角尺使一点落在它的另一边直角边上,⑶三画:沿着这条直角边画线,不要画成给人的印象是线段的线4、点到直线的距离(与平行公理相比较记) 垂线段最短•简称:垂线段最短B直线外一点到这条直线的垂线段的长度,叫做点到直线的距离记得时候应该结合图形进行记忆•如图,P0丄AB,同P到直线AB的距离是PO的长P0是垂线段.PO是点P到直线AB所有线段中最短的一条•现实生活中开沟引水,牵牛喝水都是“垂线段最短”性质的应用5、如何理解“垂线”、“垂线段”、“两点间距离”、“点到直线的距离”这些相近而又相异的概念分析它们的联系与区别⑴垂线与垂线段区别:垂线是一条直线,不可度量长度;垂线段是一条线段,可以度量长度•联系:具有垂直于已知直线的共同特征•(垂直的性质)⑵两点间距离与点到直线的距离区别:两点间的距离是点与点之间,点到直线的距离是点与直线之间• 联系:都是线段的长度;点到直线的距离是特殊的两点(即已知点与垂足)间距离•⑶线段与距离距离是线段的长度,是一个量;线段是一种图形,它们之间不能等同5.2平行线1平行线的概念:在同一平面内,不相交的两条直线叫做平行线,直线a与直线b互相平行,记作a // b.2、两条直线的位置关系在同一平面内,两条直线的位置关系只有两种:⑴相交;⑵平行因此当我们得知在同一平面内两直线不相交时,就可以肯定它们平行;反过来也一样(这里,我们把重合的两直线看成一条直线)判断同一平面内两直线的位置关系时,可以根据它们的公共点的个数来确定:①有且只有一个公共点,两直线相交;②无公共点,则两直线平行;③两个或两个以上公共点,则两直线重合(因为两点确定一条直线)3、平行公理一一平行线的存在性与惟一性经过直线外一点,有且只有一条直线与这条直线平行4、平行公理的推论:如果两条直线都与第三条直线平行,那么这两条直线也互相平行如左图所示,••• b // a , c // a••• b // c注意符号语言书写,前提条件是两直线都平行于第三条直线, 才会结论,这两条直线都平行 •5、三线八角 两条直线被第三条直线所截形成八个角,它们构成了同位角、内错角与同旁内角 如图,直线a,b 被直线I 所截 ①/ 1与/5在截线|的同侧,同在被截直线 叫做同位角(位置相同) ②/ 5与/ 3在截线|的两旁(交错),在被截直线a,b 之间 (内),叫做内错角(位置在内 且交错) ③/ 5与/ 4在截线I 的同侧,在被截直线 a,b 之间(内), 叫做同旁内角. ④三线八角也可以成模型中看出 •同位角是“ F ”型;内错角是“ Z ”型;同旁内角是“ U ” 型.6、如何判别三线八角 判别同位角、内错角或同旁内角的关键是找到构成这两个角的“三线” 的部分“抽出”或把无关的线略去不看,有时又需要把图形补全 例如: ,有时需要将有关⑴/ 1与/ 2;⑵/ 1与/ 7;⑶/ 1与/ BAD ;⑷/ 2 与/ 6;⑸/ 5与/ 8. 我们将各对角从图形中抽出来(或者说略去与有关角无关的线)如图所示,不难看出/ 1与/ 2是同旁内角;/ 1与/ 7是同位角;/ 角;/ 2与/ 6是内错角;/ 5与/ 8对顶角. ,得到下列各图•1与/ BAD 是同旁内 AA5C注意:图中/ 2与/ 9,它们是同位角吗?不是,因为/ 2与/ 9的各边分别在四条不同直线上,不是两直线被第三条直线所截而成7、两直线平行的判定方法方法一两条直线被第三条直线所截,如果同位角相等,那么这两条直线平行简称:同位角相等,两直线平行方法二两条直线被第三条直线所截,如果内错角相等,那么这两条直线平行简称:内错角相等,两直线平行方法三两条直线被第三条直线所截,如果同旁内角互补,那么这两条直线平行简称:同旁内角互补,两直线平行几何符号语言:•// 3=7 2••• AB //CD (同位角相等,两直线平行)•/7 1=7 2•AB // CD (内错角相等,两直线平行)•/7 4+7 2= 180°•AB // CD (同旁内角互补,两直线平行)请同学们注意书写的顺序以及前因后果,平行线的判定是由角相等,然后得出平行•平行线的判定是写角相等,然后写平行注意:⑴几何中,图形之间的“位置关系”一般都与某种“数量关系”有着内在的联系,常由“位置关系”决定其“数量关系”,反之也可从“数量关系”去确定“位置关系”•上述平行线的判定方法就是根据同位角或内错角“相等”或同旁内角“互补”这种“数量关系”,判定两直线“平行”这种“位置关系”⑵根据平行线的定义和平行公理的推论,平行线的判定方法还有两种:①如果两条直线没有交点(不相交),那么两直线平行•②如果两条直线都平行于第三条直线,那么这两条直线平行典型例题:判断下列说法是否正确,如果不正确,请给予改正:⑴不相交的两条直线必定平行线•⑵在同一平面内不相重合的两条直线,如果它们不平行,那么这两条直线一定相交•⑶过一点可以且只可以画一条直线与已知直线平行解答:⑴错误,平行线是“在同一平面内不相交的两条直线”•“在同一平面内”是一项重要条件,不能遗漏•⑵正确⑶不正确,正确的说法是“过直线外一点”而不是“过一点” 已知直线上,是•因为如果这一点不在作不出这条直线的平行线的典型例题:如图,根据下列条件,可以判定哪两条直线平行,并说明判定的根据是什么?解答:⑴由7 2=7 B可判定AB // DE,根据是同位角相等,两直线平行; ⑵由7 1 = 7 D可判定AC // DF,根据是内错角相等,两直线平行;E C⑶由/ ACF + Z F = 180°可判定AC // DF ,根据同旁内角互补,两直线平行5.3平行线的性质1、平行线的性质:性质1 :两直线平行,同位角相等; 性质2 :两直线平行,内错角相等; 性质3 :两直线平行,同旁内角互补几何符号语言:•/ AB // CD•••/ 1 = Z 2 (两直线平行,内错角相等)•/ AB // CD3 =Z 2 (两直线平行,同位角相等)•/ AB // CD•••/ 4 +Z 2= 180°(两直线平行,同旁内角互补)AB // CD , EF 丄AB 于E , EF 丄CD 于F ,则称线段 EF 的长度为两平行线 ABA1GEBC_□ H DF注意:直线AB // CD ,在直线AB 上任取一点 G ,过点G 作CD 的垂线段GH ,则垂线段GH 的长度也就是直线AB 与CD 间的距离. 3、命题:⑴命题的概念:判断一件事情的语句,叫做命题 ⑵命题的组成两直线平行 <^=>同位角相等; 两直线平行 <^=> 内错角相等; 两直线平行 <= =>同旁内角互补2、两条平行线的距离 如图,直线 与CD 间的距离.每个命题都是题设、结论两部分组成 题常写成“如果……,那么……”的形式 是题设,用“那么”开始的部分是结论有些命题,没有写成“如果……,那么 题,要经过分析才能找出题设和结论,•题设是已知事项;结论是由已知事项推出的事项 .具有这种形式的命题中,用“如果”开始的部分.命注意:命题的题设(条件)部分,有时也可用“已知… 题的结论部分,有时也可用“求证……”或“则……” 4、平行线的性质与判定①平行线的性质与判定是互逆的关系•…”的形式,题设和结论不明显 .对于这样的命也可以将它们改写成 “如果……,那么……”的形式. …”或者“若……”等形式表述;命等形式表述 那么其中,由角的相等或互补(数量关系)的条件,得到两条直线平行(位置关系)这是平行线的判定;由平行线(位置关系)得到有关角相等或互补(数量关系)的结论是平行线的性质典型例题:已知/ 1=Z B,求证:/ 2=Z C证明:•••/ 1 = Z B (已知)••• DE // BC (同位角相等,两直线平行)•••/ 2 =Z C (两直线平行同位角相等)注意,在了DE // BC,不需要再写一次了,得到了典型例题:如图,AB // DF , DE // BC,/ 1 = 65°求/ 2、/ 3的度数解答:••• DE // BC (已知)2 =/ 1 = 65°(两直线平行,内错角相等)•/ AB // DF (已知)• AB // DF (已知)•/ 3 +/ 2 = 180°(两直线平行,同旁内角互补)•••/3 = 180° -/ 2 = 180°—65°= 115°5.4平移1、平移变换①把一个图形整体沿某一方向移动,会得到一个新的图形,新图形与原图形的形状和大小完全相同.②新图形的每一点,都是由原图形中的某一点移动后得到的,这两个点是对应点③连接各组对应点的线段平行且相等2、平移的特征:①经过平移之后的图形与原来的图形的对应线段平行(或在同一直线上)且相等,对应角相等,图形的形状与大小都没有发生变化.②经过平移后,对应点所连的线段平行(或在同一直线上)且相等典型例题:如图,△ ABC经过平移之后成为△ DEF,那么:⑴点A的对应点是点_______________________ ;⑵点⑶点__________ 的对应点是点F;⑷线段AB的对应线段是线段_________________ ;⑸线段BC的对应线段是线段___________________ ;⑹/ A的对应角是_______________ .⑺________ 的对应角是/ F.解答:⑴D;⑵E;⑶C;⑷DE ;⑸EF;⑹/ D ;⑺/ACB. 思维方式:利用平移特征:平移前后对应线段相等,A//\ //\\B EC F DE // BC,这可以把它当作条件来用了BB的对应点是点_______________ 对应点的连线段平行或在同一直线上解答•考点一:对相关概念的理解对顶角的性质,垂直的定义,垂线的性质,点到直线的距离, 垂线性质与平行公理的区别等例1: 判断下列说法的正误。
相交线与平行线第一节相交线一:相交线对顶角与邻补角二:垂线垂线段最短点到直线的距离第二节平行线及其判定一:平行线平行线平行线公理及推论二:平行线的判定同位角、内错角同旁内角平行线的判定第三节平行线的性质平行线的性质1、平行线性质定理定理1:两条平行线被第三条直线所截;同位角相等.简单说成:两直线平行;同位角相等.定理2:两条平行线被地三条直线所截;同旁内角互补..简单说成:两直线平行;同旁内角互补.定理3:两条平行线被第三条直线所截;内错角相等.简单说成:两直线平行;内错角相等.2、两条平行线之间的距离处处相等平行线的判定及性质(1)平行线的判定是由角的数量关系判断两直线的位置关系.平行线的性质是由平行关系来寻找角的数量关系.(2)2应用平行线的判定和性质定理时;一定要弄清题设和结论;切莫混淆.(3)3平行线的判定与性质的联系与区别(4)区别:性质由形到数;用于推导角的关系并计算;判定由数到形;用于判定两直线平行.(5)联系:性质与判定的已知和结论正好相反;都是角的关系与平行线相关.(6)4辅助线规律;经常作出两平行线平行的直线或作出联系两直线的截线;构造出三类角平行线之间的距离(1)平行线之间的距离(2)从一条平行线上的任意一点到另一条直线作垂线;垂线段的长度叫两条平行线之间的距离.(3)2平行线间的距离处处相等第四节平移生活中的平移现象1、平移的概念2、在平面内;把一个图形整体沿某一的方向移动;这种图形的平行移动;叫做平移变换;简称平移.3、2、平移是指图形的平行移动;平移时图形中所有点移动的方向一致;并且移动的距离相等.4、3、确定一个图形平移的方向和距离;只需确定其中一个点平移的方向和距离平移的性质②新图形中的每一点;都是由原图形中的某一点移动后得到的;这两个点是对应点.连接各组对应点的线段平行且相等作图----平移变换。
相交线与平行线知识点总结相交线和平行线是几何学中的重要概念,它们在解决平面几何问题中起着重要作用。
本文将对相交线和平行线的基本概念、性质以及相关定理进行总结。
通过深入理解这些知识点,我们可以更好地应用它们解决几何问题。
1. 相交线的基本概念和性质相交线是指在平面上有一个或多个公共点的线段。
对于两条相交线,有以下基本性质:- 相交线的交点称为交点,两条相交线的交点只有一个。
- 相交线之间不存在夹角大小的关系,夹角的大小取决于相交线的具体角度。
2. 平行线的基本概念和性质平行线是指在同一个平面内不相交且永远也不会相交的两条直线。
对于平行线,有以下基本性质:- 平行线之间的距离始终保持相等。
- 平行线之间不存在夹角,夹角大小为0°。
- 平行线的斜率相等。
3. 相交线与平行线的关系相交线与平行线之间存在一些重要的关系:- 若两条线段相交于一点,并且这两条线段中至少有一条是平行线,则其他线段也必然是平行线。
- 若两条直线与同一条直线相交而呈同侧内角,且这两条直线之一与另一条平行线,则这两条直线也必然平行。
- 若两条直线都与同一条直线相交,并且两直线的内角和为180°,则这两条直线是平行线。
4. 相关定理在相交线与平行线的研究中,存在一些重要的定理:- 同一侧内角定理:如果一条直线与另外两条直线相交,形成的两个内角,那么这两个内角要么同时是锐角,要么同时是钝角。
- 交叉线定理:如果两条平行线分别与某一第三条直线相交,那么这两条交线的内外角之和为180°。
- 锐角平分线定理:如果射线是一条直线的角平分线且与这条直线的另一射线相交,那么这两条交线将构成一对平行线。
5. 解决几何问题的应用相交线与平行线的知识在解决几何问题时起着重要作用,常见的应用包括:- 判断两条线段是否相交,并找到相交点的坐标。
- 判断两条线段是否平行或垂直。
- 证明两条线段的平行性、垂直性等。
总之,相交线与平行线是解决平面几何问题的基础概念。
平行线与相交线的知识点总结与归纳一、平行线的定义平行线是在同一个平面上,永远也不会相交的两条直线。
平行线的特点是它们的斜率相等,且不相交。
若两条直线平行,则可表示为l,m。
平行线的性质:1.平行线具有等于90°的斜角。
2.平行线与同一条直线垂直的直线也是平行线。
这一性质被称为垂直平行线定理。
3.如果一条直线与两条平行线相交,则它与另一条平行线的交角与第一条直线与第二条直线的交角相等。
4.平行线的反身性质:如果l,m,则m,l。
二、平行线的判定方法1.高度差法:通过计算两线间的垂直距离和斜率判断是否平行。
2.点斜式法:通过两点确定的直线斜率相等来判定。
3.斜率法:两直线斜率相等,则平行。
4.三角形内角和法:若两直线被一条直线所截,则截线两侧内角和相等,则平行。
三、相交线的定义相交线是指在同一个平面上,会相交的两条或更多条直线。
相交线两两相交于一点,称之为交点。
相交线的性质:1.相交线之间的交角之和等于180°,即交角互补。
2.两条相交线总有一对互为垂直的直线。
3.相交线的交点称为顶点,可以通过顶点来判断直线相交的情况,包括内角和外角。
四、平行线与相交线的关系1.平行线切割相交线定理:当一条直线与两条平行线相交时,它切割的两条平行线与该直线所夹的两对内角互补。
2.内错角定理:当两条平行线被一条截线相交时,直线截线所夹的内错角相等。
3.同位角定理:同位角为同侧的内角,当两直线被另一直线切割时,同位角相等。
4.外错角定理:当两条平行线被一条截线相交时,直线截线所夹的外错角互补。
五、应用举例1.在平行四边形中,对角线互相平分。
2.平行线截割三角形:当一条线段与两条平行线相交时,它将三角形切割成两个面积相等的三角形。
3.测量高度:通过测量两个平行线之间的垂直距离来确定垂直高度。
4.道路设计:在公路设计中,平行线可以将车道分隔开,并引导交通流向。
在几何学中,平行线与相交线是解决问题和证明定理中经常用到的概念。
第二章相交线与平行线【知识要点】1.两直线相交2.邻补角:有一条公共边,另一条边互为反向延长线的两个角互为邻补角。
3.对顶角(1)定义:有一个公共顶点,且一个角的两边分别是另一个角的两边的反向延长线,这样的两个角互为对顶角 (或两条直线相交形成的四个角中,不相邻的两个角叫对顶角) 。
(2)对顶角的性质:对顶角相等。
4.垂直定义:当两条直线相交所形成的四个角中,有一个角是90°那么这两条线互相垂直。
5.垂线性质:①过一点有且只有一条直线与已知直线垂直;②垂线段最短。
6.平行线的定义:在同一平面内,不相交的两条直线叫平行线,“平行”用符号“∥”表示,如直线a,b是平行线,可记作“a∥b”7.平行公理及推论(1)平行公理:过已知直线外一点有且只有一条直线与已知直线平行。
(2)推论:如果两条直线都与第三条直线平行,那么这两条直线也互相平行。
注:(1)平行公理中的“有且只有”包含两层意思:一是存在性;二是唯一性。
(2)平行具有传递性,即如果a∥b,b∥c,则a∥c。
8.两条直线的位置关系:在同一平面内,两条直线的位置关系有相交和平行。
9.平行线的性质:(1)两直线平行,同位角相等(在同一平面内)(2)两直线平行,内错角相等(在同一平面内)(3)两直线平行,同旁内角互补(在同一平面内)10.平行线的判定(1)同位角相等,两直线平行;(在同一平面内)(2)内错角相等,两直线平行;(在同一平面内)(3)同旁内角互补,两直线平行;(在同一平面内)(4)如果两条直线都和第三条直线平行,那么这两条直线也互相平行;补充:(5)平行的定义;(在同一平面内)(6)在同一平面内......,垂直于同一直线的两直线平行。
【典型例题】考点一:对相关概念的理解对顶角的性质,垂直的定义,垂线的性质,点到直线的距离,垂线性质与平行公理的区别等例1:判断下列说法的正误。
(1)对顶角相等;(2)相等的角是对顶角;(3)邻补角互补;(4)互补的角是邻补角;(5)同位角相等;(6)内错角相等;(7)同旁内角互补;(8)两直线不相交就平行;(9)直线外一点到直线的垂线段的长度叫做点到直线的距离;(10)过一点有且只有一条直线与已知直线垂直;(11)过一点有且只有一条直线与已知直线平行;(12)互为邻补角的两个角的平分线互相垂直。
知识点平行线与相交线知识点:平行线与相交线在几何学中,平行线与相交线是其中一个重要的知识点。
平行线指的是在同一平面中永远不相交的两条直线,而相交线是指在同一平面中相互交叉的两条直线。
本文将深入探讨平行线与相交线的性质、应用以及相关定理。
一、平行线的性质平行线具有以下性质:1. 平行线与平行线之间的夹角相等:若两条平行线被一条截线所切,那么所切的对应角(两条相交直线的内角和)相等。
2. 平行线与横线之间的对应角相等:若直线与一对平行线相交,那么所得的对应角互相相等。
3. 平行线与平行线之间的对应边比例相等:若两条平行线被一条截线所切,那么所切的对应线段比(两条相交直线的对应线段长度比)相等。
二、相交线的性质相交线是指在同一平面中相互交叉的两条直线。
相交线具有以下性质:1. 相交线的对应角互相补角:若两条相交线的一对对应角互相补角,则这两条直线是垂直的。
2. 相交线的内对角互相互补:若两条相交线的内对角互相互补,则这两条直线是平行的。
三、平行线与相交线的应用平行线与相交线在现实生活中有着广泛的应用。
以下是其中几个典型的实际应用:1. 建筑设计:在建筑设计中,平行线与相交线的概念有助于确定建筑物的结构和布局,确保建筑物的稳定性和安全性。
2. 交通规划:在交通规划中,平行线与相交线的知识可用于设计道路交叉口、铁路交汇处等,以确保交通的流畅与安全。
3. 制图与测量:在制图和测量领域,平行线与相交线是进行地图绘制、土地测量等工作的基础。
四、相关定理平行线与相交线的学习离不开一些相关的定理,以下是其中几个重要的定理:1. 垂直平行线定理:若两条平行线分别与第三条直线垂直相交,则这两条平行线互相垂直。
2. 平行线夹角定理:若两条平行线被第三条直线所切,那么所切的对应角相等。
3. 钝角平行线定理:若两条平行线被第三条直线所切,那么所切的对应角中,有一对是钝角。
总结:通过对平行线与相交线的学习,我们了解到它们的性质、应用以及相关定理。
平面内,点与直线之间的位置关系分为两种:①点在线上②点在线外同一平面内,两条或多条不重合的直线之间的位置关系只有两种:①相交②平行一、相交线1、两条直线相交,有且只有一个交点。
(反之,若两条直线只有一个交点,则这两条直线相交。
)两条直线相交,产生邻补角和对顶角的概念:邻补角:两角共一边,另一边互为反向延长线。
邻补角互补。
要注意区分互为邻补角与互为补角的异同。
对顶角:两角共顶点,一角两边分别为另一角两边的反向延长线。
对顶角相等。
注:①、同角或等角的余角相等;同角或等角的补角相等;等角的对顶角相等。
反过来亦成立。
②、表述邻补角、对顶角时,要注意相对性,即“互为”,要讲清谁是谁的邻补角或对顶角。
例如:判断对错:因为∠ABC +∠DBC = 180°,所以∠DBC是邻补角。
相等的两个角互为对顶角。
2、垂直是两直线相交的特殊情况。
注意:两直线垂直,是互相垂直,即:若线a垂直线b,则线b垂直线a 。
垂足:两条互相垂直的直线的交点叫垂足。
垂直时,一定要用直角符号表示出来。
过一点有且只有一条直线与已知直线垂直。
(注:这一点可以在已知直线上,也可以在已知直线外)3、点到直线的距离。
垂线段:过线外一点,作已知线的垂线,这点到垂足之间的线段叫垂线段。
垂线与垂线段:垂线是一条直线,而垂线段是一条线段,是垂线的一部分。
垂线段最短:连接直线外一点与直线上各点的所有线段中,垂线段最短。
(或说直角三角形中,斜边大于直角边。
)点到直线的距离:直线外一点到这条直线的垂线段的长度,叫这点到直线的距离。
注:距离指的是垂线段的长度,而不是这条垂线段的本身。
所以,如果在判断时,若没有“长度”两字,则是错误的。
4、同位角、内错角、同旁内角三线六面八角:平面内,两条直线被第三条直线所截,将平面分成了六个部分,形成八个角,其中有:4对同位角,2对内错角和2对同旁内角。
注意:要熟练地认识并找出这三种角:①根据三种角的概念来区分②借助模型来区分,即:同位角——F型,内错角——Z型,同旁内角——U型。
一、本章共分4大节共14个课时;(2.16~3.7第1、4周)章节内容课时第五章 相交线与平行线145.1 相交线35.2 平行线及其判定 35.3 平行线的性质 45.4 平移2单元小结2二、本章有四个数学基本事实1.过直线外一点有且只有一条直线与这条直线平行;2.过一点有且只有一条直线与这条直线垂直;3.两条直线被第三条直线所截,如果同位角相等,那么两直线平行;4.两直线平行,同位角相等. 三、本章共有19个概念1.对顶角2.邻补角3.垂直4.垂线5.垂足6.垂线段7.点到直线的距离8.同位角9.内错角10.同旁内角11.平行12.数学基本事实13.平行公理14.命题15.真命题16.假命题17.定理18.证明19.平移四、转化的数学思想遇到新问题时,常常把它转化为已知(或已解决)的问题.P14五、平移1.找规律2.转化求面积3.作图(2009年安徽中考)学校植物园沿路护栏纹饰部分设计成若干个全等菱形图案,每增加一个菱形图案,纹饰长度就增加d cm ,如图所示.已知每个菱形图案的边长cm ,其一个内角为60°.(1)若d =26,则该纹饰要231个菱形图案,求纹饰的长度L ;【解】(2)当d =20时,若保持(1)中纹饰长度不变,则需要多少个这样的菱形图案?【解】第19题图相交线与平行线知识点5.1相交线1、邻补角与对顶角两直线相交所成的四个角中存在几种不同关系的角,它们的概念及性质如下表:图形顶点边的关系大小关系对顶角∠1与∠2有公共顶点∠1的两边与∠2的两边互为反向延长线对顶角相等即∠1=∠2邻补角∠3与∠4有公共顶点∠3与∠4有一条边公共,另一边互为反向延长线.∠3+∠4=180°注意点:⑴对顶角是成对出现的,对顶角是具有特殊位置关系的两个角;⑵如果∠α与∠β是对顶角,那么一定有∠α=∠β;反之如果∠α=∠β,那么∠α与∠β不一定是对顶角⑶如果∠α与∠β互为邻补角,则一定有∠α+∠β=180°;反之如果∠α+∠β=180°,则∠α与∠β不一定是邻补角.⑶两直线相交形成的四个角中,每一个角的邻补角有两个,而对顶角只有一个.2、垂线⑴定义,当两条直线相交所成的四个角中,有一个角是直角时,就说这两条直线互相垂直,其中的一条直线叫做另一条直线的垂线,它们的交点叫做垂足.符号语言记作:如图所示:AB ⊥CD ,垂足为O⑵垂线性质1:过一点有且只有一条直线与已知直线垂直 (与平行公理相比较记)⑶垂线性质2:连接直线外一点与直线上各点的所有线段中,垂线段最短.简称:垂线段最短.3、垂线的画法:⑴过直线上一点画已知直线的垂线;⑵过直线外一点画已知直线的垂线.注意:①画一条线段或射线的垂线,就是画它们所在直线的垂线;②过一点作线段的垂线,垂足可在线段上,也可以在线段的延长线上.画法:⑴一靠:用三角尺一条直角边靠在已知直线上,⑵二移:移动三角尺使一点落在它的另一边直角边上,⑶三画:沿着这条直角边画线,不要画成给人的印象是线段的线.1243AB C DO4、点到直线的距离直线外一点到这条直线的垂线段的长度,叫做点到直线的距离记得时候应该结合图形进行记忆.如图,PO ⊥AB ,同P 到直线AB 的距离是PO 的长.PO 是垂线段.PO 是点P 到直线AB 所有线段中最短的一条.现实生活中开沟引水,牵牛喝水都是“垂线段最短”性质的应用.5、如何理解“垂线”、“垂线段”、“两点间距离”、“点到直线的距离”这些相近而又相异的概念分析它们的联系与区别⑴垂线与垂线段 区别:垂线是一条直线,不可度量长度;垂线段是一条线段,可以度量长度. 联系:具有垂直于已知直线的共同特征.(垂直的性质)⑵两点间距离与点到直线的距离 区别:两点间的距离是点与点之间,点到直线的距离是点与直线之间. 联系:都是线段的长度;点到直线的距离是特殊的两点(即已知点与垂足)间距离.⑶线段与距离 距离是线段的长度,是一个量;线段是一种图形,它们之间不能等同.5.2平行线1、平行线的概念:在同一平面内,不相交的两条直线叫做平行线,直线与直线互相平行,记作∥a b a .b 2、两条直线的位置关系在同一平面内,两条直线的位置关系只有两种:⑴相交;⑵平行.因此当我们得知在同一平面内两直线不相交时,就可以肯定它们平行;反过来也一样(这里,我们把重合的两直线看成一条直线)判断同一平面内两直线的位置关系时,可以根据它们的公共点的个数来确定:①有且只有一个公共点,两直线相交;②无公共点,则两直线平行;③两个或两个以上公共点,则两直线重合(因为两点确定一条直线)3、平行公理――平行线的存在性与惟一性经过直线外一点,有且只有一条直线与这条直线平行4、平行公理的推论:如果两条直线都与第三条直线平行,那么这两条直线也互相平行 如左图所示,∵∥,∥b a c a ∴∥b cPA BOab 注意符号语言书写,前提条件是两直线都平行于第三条直线,才会结论,这两条直线都平行.5、三线八角 两条直线被第三条直线所截形成八个角,它们构成了同位角、内错角与同旁内角. 如图,直线被直线所截b a ,l ①∠1与∠5在截线的同侧,同在被截直线的上方,l b a ,叫做同位角(位置相同) ②∠5与∠3在截线的两旁(交错),在被截直线之间(内),叫做内错角(位置在l b a ,内且交错) ③∠5与∠4在截线的同侧,在被截直线之间(内),叫做同旁内角.l b a , ④三线八角也可以成模型中看出.同位角是“F ”型;内错角是“Z ”型;同旁内角是“U ”型.6、如何判别三线八角 判别同位角、内错角或同旁内角的关键是找到构成这两个角的“三线”,有时需要将有关的部分“抽出”或把无关的线略去不看,有时又需要把图形补全. 例如: 如图,判断下列各对角的位置关系:⑴∠1与∠2;⑵∠1与∠7;⑶∠1与∠BAD ;⑷∠2与∠6;⑸∠5与∠8. 我们将各对角从图形中抽出来(或者说略去与有关角无关的线),得到下列各图. 如图所示,不难看出∠1与∠2是同旁内角;∠1与∠7是同位角;∠1与∠BAD 是同旁内角;∠2与∠6是内错角;∠5与∠8对顶角.abl1234567816B A D 2345789FEC A BF 21ABC17ABCD26ADBF1AF58C注意:图中∠2与∠9,它们是同位角吗?不是,因为∠2与∠9的各边分别在四条不同直线上,不是两直线被第三条直线所截而成.7、两直线平行的判定方法方法一 两条直线被第三条直线所截,如果同位角相等,那么这两条直线平行 简称:同位角相等,两直线平行方法二 两条直线被第三条直线所截,如果内错角相等,那么这两条直线平行 简称:内错角相等,两直线平行方法三 两条直线被第三条直线所截,如果同旁内角互补,那么这两条直线平行 简称:同旁内角互补,两直线平行 几何符号语言: ∵ ∠3=∠2 ∴ AB ∥CD (同位角相等,两直线平行) ∵ ∠1=∠2 ∴ AB ∥CD (内错角相等,两直线平行) ∵ ∠4+∠2=180° ∴ AB ∥CD (同旁内角互补,两直线平行)请同学们注意书写的顺序以及前因后果,平行线的判定是由角相等,然后得出平行.平行线的判定是写角相等,然后写平行.注意:⑴几何中,图形之间的“位置关系”一般都与某种“数量关系”有着内在的联系,常由“位置关系”决定其“数量关系”,反之也可从“数量关系”去确定“位置关系”.上述平行线的判定方法就是根据同位角或内错角“相等”或同旁内角“互补”这种“数量关系”,判定两直线“平行”这种“位置关系”.⑵根据平行线的定义和平行公理的推论,平行线的判定方法还有两种:①如果两条直线没有交点(不相交),那么两直线平行.②如果两条直线都平行于第三条直线,那么这两条直线平行.典型例题:判断下列说法是否正确,如果不正确,请给予改正: ⑴不相交的两条直线必定平行线. ⑵在同一平面内不相重合的两条直线,如果它们不平行,那么这两条直线一定相交. ⑶过一点可以且只可以画一条直线与已知直线平行解答:⑴错误,平行线是“在同一平面内不相交的两条直线”.“在同一平面内”是一项重要条件,不能遗漏. ⑵正确 ⑶不正确,正确的说法是“过直线外一点”而不是“过一点”.因为如果这一点不在已知直线上,是作不出这条直线的平行线的.典型例题:如图,根据下列条件,可以判定哪两条直线平行,并说明判定的根据是什么?解答:⑴由∠2=∠B 可判定AB ∥DE ,根据是同位角相等,两直线平行;A BC DEF 1234⑵由∠1=∠D 可判定AC ∥DF ,根据是内错角相等,两直线平行;⑶由∠ACF +∠F =180°可判定AC ∥DF ,根据同旁内角互补,两直线平行.5.3平行线的性质1、平行线的性质: 性质1:两直线平行,同位角相等; 性质2:两直线平行,内错角相等; 性质3:两直线平行,同旁内角互补. 几何符号语言: ∵AB ∥CD ∴∠1=∠2(两直线平行,内错角相等) ∵AB ∥CD ∴∠3=∠2(两直线平行,同位角相等) ∵AB ∥CD ∴∠4+∠2=180°(两直线平行,同旁内角互补)2、两条平行线的距离 如图,直线AB ∥CD ,EF ⊥AB 于E ,EF ⊥CD 于F ,则称线段EF 的长度为两平行线AB 与CD 间的距离.注意:直线AB ∥CD ,在直线AB 上任取一点G ,过点G 作CD 的垂线段GH ,则垂线段GH 的长度也就是直线AB 与CD 间的距离.3、命题:⑴命题的概念:判断一件事情的语句,叫做命题.⑵命题的组成每个命题都是题设、结论两部分组成.题设是已知事项;结论是由已知事项推出的事项.命题常写成“如果……,那么……”的形式.具有这种形式的命题中,用“如果”开始的部分是题设,用“那么”开始的部分是结论. 有些命题,没有写成“如果……,那么……”的形式,题设和结论不明显.对于这样的命题,要经过分析才能找出题设和结论,也可以将它们改写成“如果……,那么……”的形式.注意:命题的题设(条件)部分,有时也可用“已知……”或者“若……”等形式表述;命题的结论部分,有时也可用“求证……”或“则……”等形式表述.4、平行线的性质与判定①平行线的性质与判定是互逆的关系A BC DEF 1234A EGBC FHDn 两直线平行 内错角相等; 两直线平行 同旁内角互补.其中,由角的相等或互补(数量关系)的条件,得到两条直线平行(位置关系)这是平行线的判定;由平行线(位置关系)得到有关角相等或互补(数量关系)的结论是平行线的性质.典型例题:已知∠1=∠B ,求证:∠2=∠C 证明:∵∠1=∠B (已知) ∴DE ∥BC (同位角相等, 两直线平行) ∴∠2=∠C (两直线平行 同位角相等)注意,在了DE ∥BC ,不需要再写一次了,得到了DE ∥BC ,这可以把它当作条件来用了.典型例题:如图,AB ∥DF ,DE ∥BC ,∠1=65° 求∠2、∠3的度数解答:∵DE ∥BC (已知) ∴∠2=∠1=65°(两直线平行,内错角相等) ∵AB ∥DF (已知) ∴AB∥DF (已知) ∴∠3+∠2=180°(两直线平行,同旁内角互补) ∴∠3=180°-∠2=180°-65°=115°5.4平移1、平移变换 ①把一个图形整体沿某一方向移动,会得到一个新的图形,新图形与原图形的形状和大小完全相同. ②新图形的每一点,都是由原图形中的某一点移动后得到的,这两个点是对应点 ③连接各组对应点的线段平行且相等2、平移的特征: ①经过平移之后的图形与原来的图形的对应线段平行(或在同一直线上)且相等,对应角相等,图形的形状与大小都没有发生变化. ②经过平移后,对应点所连的线段平行(或在同一直线上)且相等.典型例题:如图,△ABC 经过平移之后成为△DEF ,那么:⑴点A 的对应点是点_________;⑵点B 的对应点是点______.⑶点_____的对应点是点F ;⑷线段AB的对应线段是线段_______;⑸线段BC 的对应线段是线段_______;⑹∠A 的对应角是______. ⑺____的对应角是∠F.AD FBE C123解答: ⑴D;⑵E;⑶C;⑷DE;⑸EF;⑹∠D;⑺∠ACB.思维方式:利用平移特征:平移前后对应线段相等,对应点的连线段平行或在同一直线上解答.考点一:对相关概念的理解对顶角的性质,垂直的定义,垂线的性质,点到直线的距离,垂线性质与平行公理的区别等例1:判断下列说法的正误。
平行线与相交线知识点平行线和相交线都是几何学中重要的知识点,它们有着自己的特点和性质。
下面将详细介绍平行线和相交线的相关知识点。
1.平行线的定义和性质:平行线是指在同一个平面内,永不相交的直线。
平行线有以下性质:-平行线具有相同的斜率:如果两条线的斜率相同,那么它们是平行线。
-平行线的交角为0度或180度:两条平行线之间的夹角为0度或180度。
-平行线可以表示为向量的线性组合:如果表示平行线的两个向量是平行或反平行的,那么它们所定义的直线是平行线。
-平行线的平行关系具有传递性:如果直线A与直线B平行,直线B与直线C平行,那么直线A与直线C也平行。
2.相交线的定义和性质:相交线是指在同一个平面内,有一个交点的直线。
相交线有以下性质:-相交线的交点是它们的公共点:两条直线的交点是它们共享的一个点,这个点既在第一条直线上,也在第二条直线上。
-相交线的夹角为90度:两条相交线之间的夹角为90度。
-相交线具有对称性:如果直线A与直线B相交,那么直线B与直线A也相交。
-相交线可以表示为向量的线性组合:如果表示相交线的两个向量相互独立,那么它们所定义的直线是相交线。
3.平行线和相交线的关系:平行线和相交线在一些特殊情况下可以相互转化:-如果两条直线平行,那么它们永远不会相交。
-如果两条直线相交,那么它们永远不会平行。
4.平行线和相交线的应用:平行线和相交线在几何学中有着广泛的应用,例如:-平行线和相交线常用于解决角度和证明问题。
-平行线和相交线可以用于构造几何图形,如平行四边形和三角形等。
-平行线和相交线在地理学和建筑学中也有重要的应用,如绘制地图和设计建筑物的平面布置等。
总结:平行线和相交线是几何学中的重要概念,它们具有独特的定义和性质。
熟练掌握平行线和相交线的性质和应用,对于解决几何问题和理解空间关系具有重要的帮助。
因此,对于平行线和相交线的理解和应用是学习的关键。
相交线与平行线知识点大全一、基础概念1.相交线:当两条线在空间中有一个交点时,我们称它们为相交线。
2.平行线:当两条线在空间中没有任何交点时,我们称它们为平行线。
3.直线:无限延伸的一维物体。
二、相交线的性质1.两条相交线的交点只有一个。
2.相交线的交点与每条线上的点都是共线的。
3.直线与平面的交点是一个点或直线。
三、平行线的性质1.平行线的斜率相等。
2.平行线之间的距离是始终相等的。
3.平行线在任意一点上的两个角相等。
4.如果两条线与一条平行线的交点的两个内角相等,则这两条线平行。
四、判断相交线与平行线的方法1.观察交线的边长关系:如果两条线段相等,则这两条线段平行。
2.观察角度关系:如果两个角的对角线相等且一个角是直角,则这两条线段平行。
3.观察线段的斜率关系:如果两条线段的斜率相等,则这两条线段平行。
4.观察线段的方程:如果两条线段的方程满足平行线的定义,则这两条线段平行。
五、平行线的判定定理1.垂直平行线定理:如果一条线段与两条平行线相交,且这两条交线是垂直的,则这两条平行线是垂直平行线。
2.异面直线平行定理:如果两条异面直线有一条平行于每条还是的直线,则这两条直线平行。
3.平行线的等价定理:如果两条直线与一条平行线平行,则这两条直线平行。
六、平行线的性质定理1.平行线的平移定理:平行线的平移仍为平行线。
2.平行线的垂直定理:平行线与同一平面内的垂直线垂直。
七、平行线与角的关系1.平行线对应角定理:如果一条直线与两条平行线相交,那么对应的内角和对应的外角是互补的。
2.平行线夹角定理:如果两条平行线被一条截断,那么所截断的两条线上的对应角相等。
3.平行线内角定理:如果一条直线与两条平行线相交,那么内角的和是180度。
以上是关于相交线与平行线的知识点的详细介绍,相交线与平行线是基础几何概念,掌握这些知识点,可以帮助我们更好地理解和应用直线之间的关系。
第五单元相交线与平行线知识点一、相交线1、两条直线相交,有且只有一个交点。
(反之,若两条直线只有一个交点,则这两条直线相交。
)两条直线相交,产生邻补角和对顶角的概念:邻补角:两角共一边,另一边互为反向延长线。
邻补角互补。
要注意区分互为邻补角与互为补角的异同。
对顶角:两角共顶点,一角两边分别为另一角两边的反向延长线。
对顶角相等。
注:①、同角或等角的余角相等;同角或等角的补角相等;等角的对顶角相等。
反过来亦成立。
②、表述邻补角、对顶角时,要注意相对性,即“互为”,要讲清谁是谁的邻补角或对顶角。
例如:判断对错:因为∠ABC +∠DBC = 180°,所以∠DBC是邻补角。
( )相等的两个角互为对顶角。
( )2、垂直是两直线相交的特殊情况。
注意:两直线垂直,是互相垂直,即:若线a垂直线b,则线b垂直线a 。
垂足:两条互相垂直的直线的交点叫垂足。
垂直时,一定要用直角符号表示出来。
过一点有且只有一条直线与已知直线垂直。
(注:这一点可以在已知直线上,也可以在已知直线外)3、点到直线的距离。
垂线段:过线外一点,作已知线的垂线,这点到垂足之间的线段叫垂线段。
垂线与垂线段:垂线是一条直线,而垂线段是一条线段,是垂线的一部分。
垂线段最短:连接直线外一点与直线上各点的所有线段中,垂线段最短。
(或说直角三角形中,斜边大于直角边。
)点到直线的距离:直线外一点到这条直线的垂线段的长度,叫这点到直线的距离。
注:距离指的是垂线段的长度,而不是这条垂线段的本身。
所以,如果在判断时,若没有“长度”两字,则是错误的。
4、同位角、内错角、同旁内角三线六面八角:平面内,两条直线被第三条直线所截,将平面分成了六个部分,形成八个角,其中有:4对同位角,2对内错角和2对同旁内角。
注意:要熟练地认识并找出这三种角:①根据三种角的概念来区分②借助模型来区分,即:同位角——F型,内错角——Z型,同旁内角——U型。
特别注意:①三角形的三个内角均互为同旁内角;②同位角、内错角、同旁内角的称呼并不一定要建立在两条平行的直线被第三条直线所截的前提上才有的,这两条直线也可以不平行,也同样的有同位角、内错角、同旁内角。
相交线与平行线知识点相交线与平行线是几何学中的核心概念,作为直线的特殊情况,它们在解决几何问题以及应用于实际生活中都有着重要的作用。
本文将从定义、性质、应用等多个方面详细介绍相交线与平行线的知识点。
一、相交线的定义与性质1.定义:相交线是指在平面上两条直线相交形成的交点。
两条直线相交时,形成四个角,其中两个相邻角的和为180度,这是相交线的核心性质。
2.垂直相交线:垂直相交线是指两条相交线所形成的角为90度。
垂直相交线的特殊性质使得它在许多几何问题中起着重要的作用,例如在平面坐标系中,直角坐标系的两条坐标轴就是垂直相交线。
3.平行线:平行线是指在同一平面中永远不会相交的两条直线。
平行线间的距离在任意两点间是相等的,这也是平行线的核心性质。
4.平行线的判定:平行线的判定方法有很多,最基本的方法是使用直线的斜率。
当两条直线的斜率相同且不相交时,它们就是平行线。
除此之外,还有使用过直线上两点之间的距离、点斜式等方法判定平行线。
5.平行线的性质:平行线具有多个性质,如在平行线中,对应角、错位内角、同位内角的大小关系是相等的,这些性质为解决几何问题提供了重要的依据。
二、相交线与平行线的应用1.平行线的应用:平行线在实际生活和工程中有广泛的应用。
例如,在建筑工程中,为了保证建筑物的稳定性,常常需要使用平行线技术绘制平行线,使得构件之间保持一定的距离;在道路规划中,为了确保路线在地理空间上的平行性,也需要使用平行线。
2.相交线的应用:相交线在几何问题的解决中具有重要的应用价值。
如在解决三角形相关问题中,能利用两条相交线划分出的角来求解未知量;在解决射影几何问题时,经常会利用相交线的性质进行几何推理。
三、相交线与平行线的扩展知识点1.倾斜平行线:除了平行于坐标轴的水平平行线和垂直平行线之外,还存在倾斜平行线。
倾斜平行线是指在平面上倾斜但永远不相交的两条直线。
2.交错平行线:交错平行线是指两组平行线相互交错而不相交的情况。
第五章《相交线与平行线》知识点
1.相交线
同一平面中,两条直线的位置有两种情况:
相交:如图所示,直线AB与直线CD相交于点O,其中以O为顶点共有4个角:∠1,∠2,∠3,∠4;邻补角:其中∠1和∠2有一条公共边,且他们的另一边互为反向延长线。
像∠1和∠2这样的角我们称他们互为邻补角;
对顶角:∠1和∠3有一个公共的顶点O,并且∠1的两边分别是∠3两边
的反向延长线,具有这种位置关系的两个角,互为对顶角;
∠1和∠2互补,∠2和∠3互补,因为同角的补角相等,所以∠1=∠3。
所以,对顶角相等
垂直:垂直是相交的一种特殊情况两条直线相互垂直,其中一条叫做另一条的垂线,它们的交点叫做垂足。
垂线相关的基本性质:
(1)经过一点有且只有一条直线垂直于已知直线;
(2)连接直线外一点与直线上各点的所有线段中,垂线段最短;
(3)从直线外一点到直线的垂线段的长度,叫做点到直线的距离。
2.平行线:在同一个平面内永不相交的两条直线叫做平行线。
平行线公理:经过直线外一点,有且只有一条直线和已知直线平行。
3.同一个平面中的三条直线关系:
三条直线在一个平面中的位置关系有4中情况:有一个交点,有两个交点,有三个交点,没有交点。
(1)有一个交点:三条直线相交于同一个点,如图所示,以交点为顶点形成各个角,可以用角的相关知识
解决;
(2)有两个交点:(这种情况必然是两条直线平行,被第三条直线所截。
)直线AB,CD平行,被第三条直
线EF所截。
这三条直线形成了两个顶点,围绕两个顶点的8个角之间有三种特殊关系:
*同位角:没有公共顶点的两个角,它们在直线AB,CD的同侧,在第三条直线EF的同旁(即位置相同),这
样的一对角叫做同位角;
*内错角:没有公共顶点的两个角,它们在直线AB,CD之间,在第三条直线EF的两旁(即位置交错),这样
的一对角叫做内错角;
*同旁内角:没有公共顶点的两个角,它们在直线AB,CD之间,在第三条直线EF的同旁,这样的一对角叫做
同旁内角;
两条直线平行,被第三条直线所截,其同位角,内错角,同旁内角有如下关系:
两直线平行,被第三条直线所截,同位角相等;
两直线平行,被第三条直线所截,内错角相等
两直线平行,被第三条直线所截,同旁内角互补。
平行线判定定理:平行线判定定理1:同位角相等,两直线平行平行线判定定理2:内错角相等,两直线平行
平行线判定定理3:同旁内角互补,两直线平行
平行线判定定理4:两条直线同时垂直于第三条直线,两条直线平行
(3)有三个交点
(4)没有交点:
第六章《平面直角坐标系》知识点
一、有序数对:有顺序的两个数a与b组成的数对。
1、记作(a ,b);
2、注意:a、b的先后顺序对位置的影响。
二、平面直角坐标系
1、、平行于坐标轴的直线的点的坐标特点:
平行于x轴(或横轴)的直线上的点的纵坐标相同;平行于y轴(或纵轴)的直线上的点的横坐标相同。
2、各象限的角平分线上的点的坐标特点:
第一、三象限角平分线上的点的横纵坐标相同;第二、四象限角平分线上的点的横纵坐标相反。
3、与坐标轴、原点对称的点的坐标特点:
关于x轴对称的点的横坐标相同,纵坐标互为相反数关于y轴对称的点的纵坐标相同,横坐标互为相反数
关于原点对称的点的横坐标、纵坐标都互为相反数
4、特殊位置点的特殊坐标:
5、利用平面直角坐标系绘制区域内一些点分布情况平面图过程如下:
•建立坐标系,选择一个适当的参照点为原点,确定x轴、y轴的正方向;
•根据具体问题确定适当的比例尺,在坐标轴上标出单位长度;
6、用坐标表示平移:见下图
坐标轴上
点P(x,y)
连线平行于
坐标轴的点
点P(x,y)在各象限
的坐标特点
象限角平分线上
的点X轴Y轴原点平行X轴平行Y轴第一
象限
第二
象限
第三
象限
第四
象限
第一、
三象限
第二、四
象限(x,0) (0,y)(0,0
)
纵坐标相同
横坐标不同
横坐标相同
纵坐标不同
x>0
y>0
x<0
y>0
x<0
y<0
x>0
y<0
(m,m)(m,-m)
P(x,y)
P(x,y-a)
P(x-a,y)P(x+a,y)
P(x,y+a)
向上平移a个单位
向下平移a个单位
向右平移a个单位
向左平移a个单位
第七章《三角形》知识点
一、三角形相关概念
1.三角形的概念
由不在同一直线上的三条线段首尾顺次连结所组成的图形叫做三角形
要点:①三条线段;②不在同一直线上;③首尾顺次相接.
2.三角形的表示
通常用三个大写字母表示三角形的顶点,如用A、B、C表示三角形的三个顶点时,此三角形可记作△ABC,其中线段AB、BC、AC是三角形的三条边,∠A、∠B、∠C分别表示三角形的三个内角.
3.三角形中的三种重要线段
三角形的角平分线、中线、高线是三角形中的三种重要线段.
(1)三角形的角平分线:三角形一个角的平分线与这个角的对边相交,这个角的顶点和交点之间的线段叫做三角形的角平分线.
注意:①三角形的角平分线是一条线段,可以度量,而角的平分线是经过角的顶点且平分此角的一条射线.
②三角形有三条角平分线且相交于一点,这一点一定在三角形的内部.
③三角形的角平分线画法与角平分线的画法相同,可以用量角器画,也可通过尺规作图来画.
(2)三角形的中线:在一个三角形中,连结一个顶点和它的对边中点的线段叫做三角形的中线.
注意:①三角形有三条中线,且它们相交三角形内部一点.
②画三角形中线时只需连结顶点及对边的中点即可.
(3)三角形的高线:从三角形一个顶点向它的对边作垂线,顶点和垂足间的限度叫做三角形的高线,简称三角形的高.
注意:①三角形的三条高是线段
②画三角形的高时,只需要向对边或对边的延长线作垂线,连结顶点与垂足的线段就是该边上的高.(二)三角形三边关系定理
①三角形两边之和大于第三边,故同时满足△ABC三边长a、b、c的不等式有:a+b>c,b+c>a,c+a>b.
②三角形两边之差小于第三边,故同时满足△ABC三边长a、b、c的不等式有:a>b-c,b>a-c,c>b-a.
注意:判定这三条线段能否构成一个三角形,只需看两条较短的线段的长度之和是否大于第三条线段即可(三)三角形的稳定性
三角形的三边确定了,那么它的形状、大小都确定了,三角形的这个性质就叫做三角形的稳定性.例如起重机的支架采用三角形结构就是这个道理.
三角形内角和性质的推理方法有多种,常见的有以下几种:
(四)三角形的内角
结论1:三角形的内角和为180°.表示:在△ABC中,∠A+∠B+∠C=180°
(1)构造平角
①可过A点作MN∥BC(如图)
②可过一边上任一点,作另两边的平行线(如图)
(2)构造邻补角,可延长任一边得邻补角(如图)
构造同旁内角,过任一顶点作射线平行于对边(如图)
结论2:在直角三角形中,两个锐角互余.表示:
如图,在直角三角形ABC中,∠C=90°,那么∠A+∠B=90°(因为∠A+∠B+∠C=180°)
注意:①在三角形中,已知两个内角可以求出第三个内角
如:在△ABC中,∠C=180°-(∠A+∠B)
②在三角形中,已知三个内角和的比或它们之间的关系,求各内角.
如:△ABC中,已知∠A:∠B:∠C=2:3:4,求∠A、∠B、∠C的度数.
(五)三角形的外角
1.意义:三角形一边与另一边的延长线组成的角叫做三角形的外角.
如图,∠ACD为△ABC的一个外角,∠BCE也是△ABC的一个外角,
这两个角为对顶角,大小相等.
2.性质:
①三角形的一个外角等于与它不相邻的两个内角的和.
②三角形的一个外角大于与它不相邻的任何一个内角.
如图中,∠ACD=∠A+∠B , ∠ACD>∠A , ∠ACD>∠B.
③三角形的一个外角与与之相邻的内角互补
3.外角个数
过三角形的一个顶点有两个外角,这两个角为对顶角(相等),可见一个三角形共有六个外角.(六)多边形
①多边形的对角线
2
)3
(
n
n
条对角线
②n边形的内角和为(n-2)×180°
③多边形的外角和为360°。