塑料模具设计说明书
- 格式:doc
- 大小:58.50 KB
- 文档页数:17
注塑模具设计说明书一、项目背景:注塑模具是一种用于塑料注射成型的工具,是实现塑料产品批量生产的重要设备之一。
注塑模具的设计质量直接影响着产品的成型质量和生产效率。
本文档旨在详细说明注塑模具的设计要求和流程,为后续模具制造和使用提供指导。
二、设计目标:1. 实现塑料产品的准确成型,保证产品尺寸和外观质量的一致性;2. 提高生产效率,降低生产成本;3. 提高模具的使用寿命,减少维护和更换成本;4. 考虑模具的可拆卸性,方便清洗和更换模具部件。
三、设计要求:1. 产品设计要求:a. 确定产品的尺寸和外观要求,提供详细的产品图纸和规格说明;b. 需要考虑产品的材料特性,如塑料的热胀冷缩性,流动性等;c. 确定产品的成型方式和注塑工艺参数。
2. 模具结构设计要求:a. 考虑产品的成型方式,确定模具的结构类型,如单腔模具、多腔模具等;b. 在满足产品尺寸和外观要求的基础上,尽量减小模具的尺寸和重量;c. 考虑模具的使用寿命,采用耐磨、耐腐蚀的材料,优化工艺和热处理;d. 考虑模具的冷却系统,保证注塑过程中材料的快速冷却和成型周期的缩短;e. 考虑模具的导向系统和定位系统,确保模具运动的准确性和稳定性;f. 考虑模具的拆卸性,方便清洗和更换模具部件。
3. 模具零件设计要求:a. 模具芯、模具腔、模具板等零件的尺寸要与产品尺寸要求一致;b. 避免尺寸过小、壁厚过薄等问题,确保零件的强度和刚性;c. 考虑零件的加工工艺,尽量减少加工难度和成本;d. 避免零件之间的干涉和碰撞,确保模具的正常运作;e. 采用标准化零件,方便制造和更换。
四、设计流程:1. 了解产品需求:与产品设计师沟通,收集产品图纸和规格说明;2. 制定模具设计方案:根据产品需求,确定模具的结构类型、尺寸和重量等;3. 进行模具设计:进行模具零件的设计,包括模具芯、模具腔、模具板等;4. 完善模具设计:考虑模具的冷却系统、导向系统、定位系统等;5. 优化模具设计:通过模拟和分析,优化模具结构和零件设计,提高模具的性能;6. 完成模具图纸:根据设计结果,绘制模具图纸,包括三维模型和二维工程图;7. 制造模具:将模具图纸提供给模具制造厂家,开始制造模具;8. 调试模具:完成模具制造后,进行模具调试和试模,保证模具的正常运行;9. 交付使用:完成模具调试后,交付给使用方,并提供模具的维护和保养指南。
目录1 塑件的成型工艺分析 (3)1.1 塑件的原材料分析 (3)1.2 塑料件的尺寸分析 (3)1.3 塑件表面质量分析 (3)1.4 塑件结构工艺性分析 (4)1.5 成形工艺参数、工艺卡 (4)1.5.1 塑件的体积及质量 (4)1.5.2 选用注射机 (4)1.5.3 塑件注射成型工艺参数 (5)2 模具结构方案的确定 (6)2.1 型腔数目的确定 (6)2.2 分型面的选择 (7)2.3 浇注系统的设计 (8)2.3.1主流道的设计 (8)2.3.2 浇口的设计 (9)2.4 侧向抽芯系统设计 (10)2.4.1 侧向分型抽芯距的确定 (10)2.4.2 侧向分型抽芯力的计算 (10)2.4.3 斜导柱的设计 (11)2.4.4 斜导柱的材料及安装配合 (11)2.5 推出机构设计 (12)2.5.1 设计原则 (12)2.5.2 推杆材料 (12)2.5.3 推杆的形式 (12)2.5.4 推杆的导向 (13)2.5.5 推杆的复位 (13)2.6 标准模架的选择 (13)2.7 排气温控系统设计 (14)3 成型零件工作尺寸的计算 (14)3.1 成型零部件的磨损 (15)3.2 成型零部件的制造误差 (15)3.3 塑件的基本尺寸计算 (15)3.3.2 型腔深度 (15)3.3.3 型芯高度 (15)3.3.4 壁厚 (16)3.3.5 圆角 (16)3.3.6 柄长 (16)4 注射机有关工艺参数的校核 (17)4.1 注射量的校核 (17)4.2 注射压力的校核 (17)4.3 锁模力的校核 (17)4.4 装模部分有关尺寸的校核 (18)4.4.1 模具闭合高度的校核 (18)4.4.2 模具安装部分的校核 (18)4.4.3 模具开模行程的校核 (18)4.4.4 顶出部分的校核 (18)1、塑件的成型工艺分析1.1 塑件的原材料分析塑件原材料为PP 中文名: 聚丙烯表1.1 塑件的原材料分析结论:干燥处理:如果储存适当则不需要干燥处理。
注塑模具设计说明书一、引言注塑模具是一种用于制造塑料制品的重要工具。
它具有精密设计和制造的特点,直接影响到注塑成型工艺的质量和效率。
本文档旨在提供一个注塑模具设计的详细说明书,以帮助使用者了解并正确使用注塑模具。
二、设计原则1. 功能性设计:注塑模具设计的首要目标是确保塑料制品的质量和精度。
需要考虑到产品的形状、尺寸、结构等因素,确保模具能够精确地复制产品的形状。
2. 可靠性设计:模具在长时间运行过程中需具有足够的可靠性和稳定性。
设计时应考虑到材料的选择、结构的合理性、工艺性能等因素,以确保模具能够长时间稳定运行。
3. 高效性设计:注塑模具的设计还要考虑到生产效率的提高。
在保证产品质量的前提下,优化流程、减少工序、提高生产速度等都是设计中需要考虑的因素。
三、设计要点1. 产品参数分析:仔细研究产品的形状、尺寸、材料等参数,并根据不同产品的要求进行合理设计。
2. 模具结构设计:根据产品的特点设计合理的模具结构,包括模具的分型面、脱模方式、冷却系统等。
3. 材料选择:根据产品和模具的要求选择合适的材料,考虑材料的韧性、硬度、耐磨性等因素。
4. 流道系统设计:设计合理的流道系统,以保证熔融塑料流动均匀,避免短流、死角等问题,提高注塑成型过程的效率。
5. 冷却系统设计:优化冷却系统的设计,保证塑料在注塑过程中能够迅速冷却固化,提高生产效率并减少翘曲、变形等问题。
6. 模具表面处理:根据产品的表面要求进行合适的模具表面处理,包括抛光、喷涂等,以提高产品的表面质量。
7. 模具装配:模具设计时应考虑装配的便利性和准确性,保证模具能够容易安装和拆卸。
四、注意事项1. 安全操作:在使用注塑模具时,必须严格遵守相关的操作规程和安全要求,保证操作人员的人身安全。
2. 维护保养:定期对模具进行清洁和维护保养,保证模具的正常运行和寿命的延长。
3. 记录维护:对模具的使用情况进行记录,包括使用次数、维修情况等,以便及时调整维修周期和保养计划。
肥皂盒塑料模具设计说明书肥皂盒塑料模具设计说明书1、产品介绍1.1 产品概述本文档旨在详细描述肥皂盒塑料模具的设计要求和技术规格。
肥皂盒塑料模具是用于制造肥皂盒的工具,能够打造出各种形状和尺寸的肥皂盒。
1.2 产品特点- 高精度:模具设计要求精度高,以确保肥皂盒的尺寸和形状完全符合规格。
- 高耐用性:模具材料需要具有良好的耐用性,能够承受长时间的使用和重复的模具开关。
- 多功能:模具能够适应不同形状和尺寸的肥皂盒,以满足市场的需求。
2、模具设计要求2.1 材料选择根据肥皂盒的制作材料选择相应的模具材料,例如塑料材料可以选择ABS、PP等。
2.2 模具结构设计肥皂盒塑料模具的结构设计应包括以下要素:- 模具型腔:用于成型肥皂盒的主要部分。
- 模具护板:保护模具型腔不受外力损坏。
- 模具导向装置:用于确保模具型腔和模具基座的定位准确。
2.3 模具尺寸设计模具尺寸设计需要根据肥皂盒的规格进行调整,确保成品的尺寸和形状与设计要求一致。
3、模具制造流程3.1 模具零件加工根据设计要求,将模具的各个零件进行加工,如型腔、护板、导向装置等。
3.2 装配和调试将模具的各个零件进行装配,并进行必要的调试,以确保模具能够正常工作。
3.3 模具测试对装配好的模具进行测试,通过尝试不同形状和尺寸的肥皂盒进行模具验证,确保模具的设计和制造是符合要求的。
4、使用和维护指南4.1 使用要点- 在使用模具时,需要先将模具上的残留材料清理干净,以免影响下一次的成型质量。
- 在模具不使用时,需放置在干燥通风的地方,避免受潮。
4.2 维护保养- 定期检查模具是否有损坏或磨损情况,如有损坏需要及时修复。
- 清洁模具时避免使用有腐蚀性的物质,以免损坏模具表面。
4.3 储存方式- 未使用的模具需要进行密封包装,并储存在干燥、无腐蚀性气体的环境中。
5、附件本文档涉及的附件包括:- 模具设计图纸- 模具材料证明- 模具测试报告6、法律名词及注释- ABS:英文全称为Acrylonitrile Butadiene Styrene,丙烯腈-丁二烯-苯乙烯共聚物,为一种常用的塑料材料,具有耐冲击、耐热、耐腐蚀等特性。
1绪论1.1引言模具是制造业的一种基本工艺装备,它的作用是控制和限制材料(固态或液态)的流动,使之形成所需要的形体。
用模具制造零件以其效率高,产品质量好,材料消耗低,生产成本低而广泛应用于制造业中。
模具工业是国民经济的基础工业,是国际上公认的关键工业。
模具生产技术水平的高低是衡量一个国家产品制造水平高低的重要标志,它在很大程度上决定着产品的质量,效益和新产品的开发能力。
振兴和发展我国的模具工业,正日益受到人们的关注。
早在1989年3月中国政府颁布的《关于当前产业政策要点的决定》中,将模具列为机械工业技术改造序列的第一位。
模具工业既是高新技术产业的一个组成部分,又是高新技术产业化的重要领域。
模具在机械、电子、轻工、汽车、纺织、航空、航天等工业领域里,日益成为使用最广泛的主要工艺装备,它承担了这些工业领域中60%~90%的产品的零件,组件和部件的生产加工。
目前世界模具市场供不应求,模具的主要出口国是美国、日本、法国、瑞士等国家。
中国模具出口数量极少,但中国模具钳工技术水平高,劳动成本低,只要配备一些先进的数控制模设备,提高模具加工质量,缩短生产周期,沟通外贸渠道,模具出口将会有很大发展。
研究和发展模具技术,提高模具技术水平,对于促进国民经济的发展有着特别重要的意义。
1.2课题研究的目的与意义塑料模具产业近年来在我国发展很快,随之而来的是日益激烈的市场竞争,加入WTO后,外国模具厂家进入国内市场,要在激烈的竞争中脱颖而出,发展模具标准件实施模具的专业化生产至关重要。
现代产品生产中,模具由于其加工效率高,互换性好,节约原材料,所以得到很广泛的应用。
模具的用途广泛,模具的种类繁多,科学地进行模具分类,对有计划地发展模具工业,系统地研究、开发模具生产技术,促进模具设计、制造技术的现代化,充分发挥模具的功能和作用;对研究、制订模具技术标准,提高模具标准化水平和专业化协作生产水平,提高模具生产效率,缩短模具的制造周期,都具有十分重要的意义。
塑料模具设计说明书题目:姓名学号班级2014 年月日目录第一章塑件的工艺分析1.1 任务要求1.2 原料ABS的成型特性和工艺参数1.3 塑件的结构工艺性第二章注射设备的选择2.1 注射成型工艺条件2.2 选择注射机第三章型腔布局与分型面的选择3.1 塑件的布局3.2 分型面的选择第四章浇注系统的设计4.1主流道和定位圈的设计4.2 分流道设计4.3 浇口的设计4.4冷料穴的设计4.5 排气系统的分析第五章主要零部件的设计计算5.1 型芯、型腔结构的确定5.2 成型零件的成型尺寸第六章成型设备的校核6.1、注射成型机注射压力校核6.2、注射量的校核6.3、锁模力的校核相关零件图第一章塑件的工艺分析1.1 任务要求图1 盒盖1.2原料ABS的成型特性和工艺参数ABS是目前产量最大、应用最广的工程塑料。
ABS是不透明非结晶聚合物,无毒、无味,密度为 1.02~1.05 g/cm3。
ABS 具有突出的力学性能,坚固、坚韧、坚硬;具有一定的化学稳定性和良好的介电性能;具有较好尺寸稳定性,易于成型和机械加工,成型塑件表面有较好光泽,经过调色可配成任何颜色,表面可镀铬。
其缺点是耐热性不高,连续工作温度约为70℃,热变形温度约为93℃,但热变形温度比聚苯乙烯、聚氯乙烯、尼龙等都高;耐候性差,在紫外线作用下易变硬发脆。
可采用注射、挤出、压延、吹塑、真空成型、电镀、焊接及表面涂饰等多种成型加工方法。
ABS的成型特性:(1)ABS易吸水,成型加工前应进行干燥处理,表面光泽要求高的塑件应长时间预热干(2)流动性中等,溢边值0.04 mm左右。
(3)壁厚、熔料温度对收缩率影响极小,塑件尺寸精度高。
(4)ABS比热容低,塑化效率高,凝固也快,故成型周期短。
(5)ABS的表观黏度对剪切速率的依赖性很强,因此模具设计中大都采用点浇口形式。
(6)顶出力过大或机械加工时塑件表面会留下白色痕迹,脱模斜度宜取2°以上。
(7)易产生熔接痕,模具设计时应注意尽量减少浇注系统对料流的阻力。
塑胶模具设计手册塑胶模具设计手册塑膠模具設計手冊成品檢測及澆注系統一、成品檢測以目前課內現有設備(包括軟體及硬體)¸針對成品尺寸的檢查是一個很簡單的事情。
可以通過Pro/E的檢查¸也可以用CAE¸當然用AUTOCAD 進行檢查將更加全面快速。
我們的目標是: 快、穩、準。
那麼現在具體將三個可行方式詳細論術如下: 方法一: 運用AUTOCAD進行成品尺寸檢查。
對客戶提供的成品¸我們將運用成品檢測圖的方式將之做成一張標準檢測用的2D圖檔及圖面。
同時對成品的每個部分進行分析。
例如: 設計斜銷的空間、套筒能否運作、滑塊的設計¸以及其它一些相關技術問題。
方法二: 運用Pro/E的撿測功能對成品進行檢查。
A運用measure功能提供的項目對成品的尺寸進行檢視有: CURVE LENGTH、DISTANCE 、ANGLE 、AREA 、DIAMETER 、TRASFORM 等各項子功能。
B 運用SET UP---REF DIM進行檢測。
C 運用INFO菜單下的MODEL ANALYSIS 、MEASURE CURVE ANALYSIS 、SURFACE ANALYSIS進行分析檢測。
方法三:運用CAE功能對成品進行檢測。
二、重量材質部分: 我們知道運用Pro/E的工程計算的功能可以很清楚地計算出成品的體積、重量。
我們運用CAE提供的資料庫將常用塑膠材料的特性進行匯編¸利用方便的塑膠特性選擇注塑成型機的大小。
三、投影面積的大小: 投影面積的大小也可以通過Pro/E 計算¸當然CAE的計算也是可以完成的。
只不過是CAE中投影面積的計算費時太長。
這不是方法上的問題¸而是技巧性的問題。
四、模流分析的結果。
塑膠材料的特性及進膠方式。
一些常見的高份子材料列如下表: 結晶性非結晶性PP 聚丙烯PS(ATACTIC)聚苯乙烯HDPE高密度聚乙烯PV AC 聚酯酸乙烯LDPE低高密度聚乙烯PMMA聚甲基丙烯酸甲酯PA(NYLON) EV A乙烯--醋酸乙烯共聚合物POM聚縮醛A V PTFE EV PEO CHLORINATED PE氯化聚乙烯PETP(PET)聚對苯二甲二乙酯ABS HIPS PPO 賽璐璐(cellulose)纖維素塑膠PC 聚碳酸酯PBT 聚對丁烯二甲二乙酯對一些常見的¸我們公司及客戶們經常使用的塑膠特性做一些簡單的介紹: 一、PC塑料(POLYCARBONATE): PC 兼具有耐熱性、耐沖擊性和透明性。
湖南工学院课程设计设计课题注塑模具设计设计学院机械工程学院设计班级成型1001班设计者姓名原育民设计时间2013 年 12月目录1. 塑件的工艺分析 (4)1。
1塑件的成型工艺性分析 (4)1。
1.1 塑件材料ABS的使用性能 (5)1.1。
2 塑件材料ABS的加工特性 (5)1.2 塑件的成型工艺参数确定 (6)2 模具的基本结构及模架选择 (6)2。
1 模具的基本结构 (6)2.1.1 确定成型方法 (6)2。
1。
2 型腔布置 (7)2.1.3 确定分型面 (7)2.1。
4 选择浇注系统 (8)2。
1。
5 确定推出方式 (8)2。
1.6 侧向抽芯机构 (9)2.1。
7选择成型设备 (9)2.2 选择模架 (11)2.2.1 模架的结构 (11)2。
2。
2 模架安装尺寸校核 (11)3 模具结构、尺寸的设计计算 (12)3.1 模具结构设计计算 (12)3。
1.1 型腔结构 (12)3.1.2 型芯结构 (12)3。
1.3 斜导柱、滑块结构 (12)3.1。
4 模具的导向结构 (12)3。
2 模具成型尺寸设计计算 (13)3。
2.1 型腔径向尺寸 (13)3。
2。
2 型腔深度尺寸 (13)3.2。
3 型芯径向尺寸 (14)3.2.4 型芯高度尺寸 (14)3。
3 模具加热、冷却系统的计算 (15)3。
3。
1 模具加热 (15)3.3.2 模具冷却 (15)4. 模具主要零件图及加工工艺规程 (16)4。
1 模具定模板零件图及加工工艺规程 (16)4.2 模具侧滑块零件图及加工工艺规程....... 错误!未定义书签。
4.3 模具动模板(型芯固定板)零件图及加工工艺规程 (17)5 模具总装图及模具的装配、试模.......................... 错误!未定义书签。
5。
1 模具的安装试模。
.。
.。
.。
..。
...。
..。
.。
...。
.。
.。
.。
.。
.。
.。
..。
..。
.。
.。
185.2。
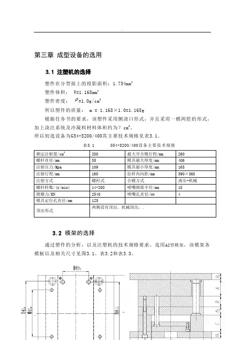
第三章成型设备的选用3.1 注塑机的选择塑件在分型面上的投影面积:1.754mm2塑件体积: V=1.168mm3塑件密度: =1.0g/cm3所以塑件的质量: m = 1.168×1.0=1.168g根据任务书的要求,该塑件采用侧浇口形式,并且采用一模两腔的形式,加上浇注系统及冷凝料材料体积约为?cm3。
所以初选设备为G54-S200/400其主要技术规格见表3.1。
表3.1 G54-S200/400设备主要技术规格3.2模架的选择通过塑件的分析,以及注塑机的技术规格要求,选用A2型模架,该模架各模板以及相关尺寸见图3.1、表3.2和表3.3。
图3.1 P2型模架示意图表3.2 模架各板厚尺寸表3.3模架孔位置尺寸H1=36㎜;A=56㎜;B=46㎜;H2=46㎜;C=76㎜;H3=36㎜;所以模具的总厚度为:36+56+46+46+76+36=296mm,在注塑机的装模行程之内。
3.3模具参数的校核(1)注射量的校核要求注射量不超过注射机的最大注射量,在注塑生产中,注塑机每一个成型周期向模具腔内注入的塑料熔体体积或质量称为塑件的注射量,其中包括浇注系统内所存留的塑料熔体体积,选择注塑机时,必须保证塑件的注射量小于注塑机的最大注射量的(80~85)%,最小注射量不小于注塑机注射量的20%,根据式kMmax≥M,M=n∑M i+m式中 Mmax-----注塑机最大注射量/ cm3;Mi-----浇注系统凝料的质量或体积/ cm3;m-----单个制件质量或体积/ cm3;n-----型腔数目/个;k-----注射机最大注射量利用系数,一般取0.8。
0.8×320≥2×5.8+4.33≈15.93 cm3。
故:注射机注射量满足要求。
(2)注射压力的校核塑料成型所需要的注射压力是由塑料品种、注射机类型、喷嘴形式、塑件形状以及浇注系统的压力损失等因素决定的。
注射压力的校核是检验注射机的最大注射压力能否满足制品的成型要求。
注塑模具设计说明书注塑模具设计说明书1.引言本文档旨在为注塑模具的设计提供详细指导和说明。
注塑模具是在注塑成型过程中必备的工具,准确的设计和制造对于生产高质量的注塑制品至关重要。
2.模具设计概述2.1 模具类型及用途2.2 模具材料选择2.3 模具尺寸和形状设定2.4 模具结构设计2.5 模具配件选择与设计3.模具主要零部件设计3.1 模具基板设计3.2 模具腔体与芯腔设计3.3 模具导向系统设计3.4 模具冷却系统设计3.5 模具强度校核3.6 模具表面处理4.注塑模具设计考虑因素4.1 塑料材料特性4.2 注塑工艺要求4.3 产品设计要求4.4 模具制造成本和周期5.模具设计流程5.1 需求分析与规划5.2 初始设计与草图5.3 详细设计与模拟分析5.4 模具制造与加工5.5 模具调试与试模5.6 模具验收和交付6.模具设计的注意事项6.1 常见设计错误与避免方法6.2 模具装配和拆卸注意事项6.3 模具维护与保养7.附件本文档涉及以下附件:- 附件1:注塑模具设计草图- 附件2:注塑模具3D模型文件- 附件3:模具设计分析报告8.法律名词及注释本文所涉及的法律名词及其相应注释如下:- 法律名词1:注塑成型工艺注释:指利用注塑设备将塑料加热并溶化,然后将熔融塑料注入模具腔中,并通过冷却固化成型的工艺。
- 法律名词2:模具基板注释:指注塑模具的基础组件,用于固定和支撑模具的其他部件,具有足够的强度和稳定性。
- 法律名词3:模具腔体与芯腔注释:模具腔体为模具中用于成型制品外形的部分,芯腔为模具中用于成型制品内部结构的部分。
9.结束语本文档详细介绍了注塑模具设计的各个方面。
通过遵循本文档中的指导和说明,设计师可以制定出高质量的注塑模具并实现优秀的注塑成型工艺。
塑料模具制作说明书一、概述本说明书旨在详细介绍塑料模具的制作过程和注意事项,以便客户了解和操作。
请按照以下步骤进行操作。
二、材料准备1. 主模具材料:通常选择高质量的工程塑料,如ABS、PC或PA等。
2. 辅助材料:硅胶、润滑油、固化剂等。
三、设计与制作1. 模具设计:根据产品图纸和客户要求,进行模具设计,包括尺寸、形状以及结构等。
2. 材料加工:根据模具设计,进行材料加工,包括切削、铣削、钻孔等步骤。
3. CNC加工:使用计算机数控机床进行加工,以确保模具的精确度和一致性。
4. 装配与调试:将加工好的零部件进行装配,并进行调试,以保证模具的质量。
5. 表面处理:对模具进行打磨、抛光和镀膜等处理,以提高模具的表面质量和耐磨性。
四、使用与维护1. 使用前准备:在使用模具之前,确保模具清洁干净,并涂上适当的润滑油,以减少摩擦。
2. 模具安装:根据产品的要求,正确安装模具到注塑机上,并进行调整。
3. 注塑操作:将已熔化的塑料注入模具腔内,等待冷却和固化。
4. 模具维护:使用完毕后,及时清洁模具,避免残留物堆积和腐蚀。
5. 存储与保养:将模具妥善包装,并存放在干燥通风的地方,避免受潮和灰尘。
五、注意事项1. 安全操作:在制作和使用模具时,要注意安全,戴好安全帽和护目镜,避免意外伤害。
2. 避免过度使用:模具使用过度会导致磨损和变形,影响产品质量,因此要合理控制使用次数。
3. 定期维护:定期检查模具的磨损情况,及时更换磨损部件或进行维修。
4. 轻拿轻放:在操作模具时,要轻拿轻放,避免碰撞或摔落,以免损坏模具。
5. 避免过高温度:在注塑过程中,避免过高的温度,以免对模具造成损坏或变形。
六、总结通过本说明书,我们希望能够清晰地向客户介绍了塑料模具的制作过程和使用注意事项。
只有正确操作和维护模具,才能保证模具的正常使用寿命和产品质量。
如果在使用过程中有任何问题,请及时联系我们的技术支持团队。
祝您在模具制作和使用中取得成功!。
一、塑件成型工艺性分析1.1塑件的分析外形尺寸图1 塑件图如图1所示,该塑件壁厚为1.6mm—2mm,为薄壁类壳体类塑件,塑件外形尺寸不大,为矩形状,较规则,塑料熔体流程不太长,要求塑件表面平整光滑,无翘曲变形、皱折和裂纹等缺陷,防止产生熔接痕。
根据塑件的外形特征,且材料为热塑性塑料,选择注射成型是合适的成型方法。
精度等级塑件部分尺寸的公差任务书中已经给定,可知塑件对精度的要求较高,未注的公差取为MT5。
脱模斜度聚丙烯(PP)的成型性能良好,成型收缩率较小,该塑件的平均壁厚约为2mm,任务书中已经给定脱模斜度范围为30′~1°。
1.2 PP工程塑料的性能分析聚丙烯(PP)是一种半结晶性材料。
它比PE要更坚硬并且有更高的熔点.由于均聚物型的PP温度高于0℃以上时非常脆,因此许多商业的PP材料是加入1~4%乙烯的无规则共聚物或更高比率乙烯含量的钳段式共聚物。
共聚物型的PP 材料有较低的热扭曲温度(100℃)、低透明度、低光泽度、低刚性,但是有有更强的抗冲击强度。
PP的强度随着乙烯含量的增加而增大.PP的维卡软化温度为150℃。
由于结晶度较高,这种材料的表面刚度和抗划痕特性很好。
PP不存在环境应力开裂问题。
通常,采用加入玻璃纤维、金属添加剂或热塑橡胶的方法对PP进行改性.PP的流动率MFR范围在1~40。
低MFR的PP材料抗冲击特性较好但延展强度较低.对于相同MFR的材料,共聚物型的强度比均聚物型的要高。
由于结晶,PP的收缩率相当高,一般为1。
8~2。
5%。
并且收缩率的方向均匀性比PE-HD等材料要好得多。
加入30%的玻璃添加剂可以使收缩率降到0.7%。
均聚物型和共聚物型的PP材料都具有优良的抗吸湿性、抗酸碱腐蚀性、抗溶解性。
然而,它对芳香烃(如苯)溶剂、氯化烃(四氯化碳)溶剂等没有抵抗力。
PP也不像PE那样在高温下仍具有抗氧化性.聚丙烯(PP)是常见塑料中较轻的一种,其电性能优异,可作为耐湿热高频绝缘材料应用。
塑料模具设计说明书范例说明书编号:XYZ-2021-001塑料模具设计说明书1.设计目的本文档的目的是为了提供一份详细的塑料模具设计说明,以便确保设计师和制造商能够理解并按照要求进行设计和生产。
2.项目概述本项目旨在设计和制造一套塑料模具,用于生产特定塑料制品。
该模具将包括多个零件和组件,并具备符合行业标准的功能和性能。
3.设计要求3.1 尺寸要求:根据产品图纸和要求,确认模具的尺寸和几何形状。
3.2 材料选择:根据产品的性质和所需耐用性,选择合适的塑料材料。
3.3 结构设计:设计模具的结构,确保其能够满足产品制造和功能要求。
3.4 寿命要求:根据预期生产量和使用环境等因素,确定模具的寿命要求。
3.5 生产效率:考虑生产效率,设计模具以实现高效生产流程。
4.模具设计4.1 前视图:提供模具的前视图,包括整体结构和各个组件的布局。
4.2 侧视图:展示模具的侧视图,以显示模具的高度、夹紧机构和其他重要组件。
4.3 零件设计:详细说明每个模具组件的设计细节,包括每个零件的尺寸、形状和材料。
4.4 夹紧机构:描述模具的夹紧机构设计,确保准确的模具夹紧和定位。
4.5 冷却系统:说明模具冷却系统的设计,确保在生产过程中维持恰当的温度。
4.6 流道系统:阐述模具的流道系统设计,指导塑料材料的流动和充填。
4.7 出模机构:详细描述模具的出模机构设计,确保产品能够顺利取出。
5.模具加工5.1 零件加工:给出每个模具零件的加工方法和工具,以确保模具的准确加工。
5.2 组装过程:提供模具组装的详细步骤和注意事项。
5.3 调试测试:描述模具的调试和测试过程,验证模具的功能和性能。
6.附件本文档涉及的附件包括:- 附件1:模具设计图纸- 附件2:产品设计图纸- 附件3:材料规格表7.法律名词及注释- 版权:法律保护对原创作品的独立权利,包括设计图纸和产品。
- 专利:法律保护对发明物的独立权利,包括模具和产品设计方面的创新。
目录第一章:塑件工艺分析一.塑件工艺性分析 (1)二.塑件的材料分析 (1)三.塑件的尺寸精度和结构分析 (2)四.塑件的表面质量分析 (3)五.塑件的结构分析 (3)第二章:注射机型号的确定 (4)一.按预选型腔来选择注射机 (6)第三章:模具结构方案的确定 (9)一.分型面的选择 (9)二.型腔数目的确定及排列 (10)三.初步设计主流道及分流道 (11)四.确定浇口形式及方位 (13)五.选择模架 (14)六.模具材料的选择......................................................V (14)七.校核注塑机 (15)八.冷却系统的设计 (18)九.排气系统的设计 (19)十.导向机构和定位机构的设计 (20)十一. 成型零件的结构设计……………………………………………………………21十二.按要求绘制装配图 (22)第一章:塑件工艺分析一.塑件工艺性分析㈠塑件如图1所示,材料为聚丙烯(PP)。
该塑件尺寸小,精度高,要求表面平整,无收缩凹痕、无黑点、颜色均匀一致等缺陷。
塑件中心处有一个Ø12的孔,环绕中心轴且距中心轴为30mm的位置有四个Ø6的孔,其对称度小于0.05mm,该塑件结构简单,无需抽芯机构。
图1二.塑件的材料分析关于PP材料的介绍:全名 :聚丙烯英文名称:Polypropylene比重:0.9-0.91克/立方厘米成型收缩率:1.0-2.5% 成型温度:160-220℃PP为结晶型高聚物,常用塑料中PP最轻,密度仅为0.91g/cm3(比水小)。
通用塑料中,PP的耐热性最好,其热变形温度为80-100℃,能在沸水中煮。
PP有良好的耐应力开裂性,有很高的弯曲疲劳寿命,俗称“百折胶”。
PP的综合性能优于PE料。
PP 产品质轻、韧性好、耐化学性好。
PP的缺点:尺寸精度低、刚性不足、耐候性差、易产生“铜害”,它具有后收缩现象,脱模后,易老化、变脆、易变形。
塑料成型工艺及模具设计课程设计说明书题目: 塑料模具设计专业: 模具设计制造及其自动化班级: 机设07级**: ***学号: ****************: ***时间: 2011年1月5日目录第一部分产品的说明第二部分塑件分析第三部分注射机的型号和规格选择及校核第四部分型腔的数目决定及排布第五部分分型面的选择第六部分浇注系统的设计第七部分型零件的工作尺寸计算第八部分推出机构的设计第九部分模架的选用第十部分冷却系统设计第十一部分模具的动作过程第十二部分设计小结第十三部分参考资料第一部分产品的说明本塑件结构简单, 壁厚均匀, 模架结构较简单。
精度要求较高, 为四级精度, 材料为聚乙烯成型性能一般, 其他并无特殊要求。
图一: 塑件俯视图第二部分塑件的分析聚乙烯化学名称: PE材料分析:PE是乙烯经聚合制得的一种热固性树脂。
在工业上, 也包括乙烯与少量α-烯烃的共聚物。
聚乙烯无臭, 无毒,手感似蜡,具有优良的耐低温性能(最低使用温度可达-70~-100℃),化学稳定性好,能耐大多数酸碱的侵蚀(不耐具有氧化性质的酸),常温下不溶于一般溶剂,吸水性小,电绝缘性能优良。
聚乙烯无臭, 无毒, 手感似蜡, 具有优良的耐低温性能(最低使用温度可达-70~-100℃), 化学稳定性好, 能耐大多数酸碱的侵蚀(不耐具有氧化性质的酸), 常温下不溶于一般溶剂, 吸水性小, 但由于其为线性分子可缓慢溶于某些有机溶剂, 且不发生溶胀, 电绝缘性能优良;但聚乙烯对于环境应力(化学与机械作用)是很敏感的, 耐热老化性差。
聚乙烯的性质因品种而异, 主要取决于分子结构和密度。
塑件注射成型工艺参数的确定:根据该塑件的结构特点和得成型性能, 查相关手册得到ABS塑件的成型工艺参数:第三部分注射机的型号和规格选择及校核注射模是安装在注射机上的, 因此在设计注射模具时应该对注射机有关技术规范进行必要的了解, 以便设计出符合要求的模具, 同时选定合适的注射机型号。
湖南工学院课程设计设计课题注塑模具设计设计学院机械工程学院设计班级成型1001班设计者姓名原育民设计时间2013 年 12月目录1. 塑件的工艺分析 (4)1.1塑件的成型工艺性分析 (4)1.1.1 塑件材料ABS的使用性能 (5)1.1.2 塑件材料ABS的加工特性 (5)1.2 塑件的成型工艺参数确定 (6)2 模具的基本结构及模架选择 (6)2.1 模具的基本结构 (6)2.1.1 确定成型方法 (6)2.1.2 型腔布置 (7)2.1.3 确定分型面 (7)2.1.4 选择浇注系统 (8)2.1.5 确定推出方式 (8)2.1.6 侧向抽芯机构 (9) (9)2.2 选择模架 (11)2.2.1 模架的结构 (11)2.2.2 模架安装尺寸校核 (11)3 模具结构、尺寸的设计计算 (12)3.1 模具结构设计计算 (12)3.1.1 型腔结构 (12)3.1.2 型芯结构 (12)3.1.3 斜导柱、滑块结构 (12)3.1.4 模具的导向结构 (12)3.2 模具成型尺寸设计计算 (13)3.2.1 型腔径向尺寸 ........................................ 错误!未定义书签。
3.2.2 型腔深度尺寸 ........................................ 错误!未定义书签。
3.2.3 型芯径向尺寸 ........................................ 错误!未定义书签。
3.2.4 型芯高度尺寸 ........................................ 错误!未定义书签。
3.3 模具加热、冷却系统的计算 (15)3.3.1 模具加热 ................................................ 错误!未定义书签。
3.3.2 模具冷却 ................................................ 错误!未定义书签。
4. 模具主要零件图及加工工艺规程......................... 错误!未定义书签。
4.1 模具定模板零件图及加工工艺规程....... 错误!未定义书签。
4.2 模具侧滑块零件图及加工工艺规程....... 错误!未定义书签。
4.3 模具动模板(型芯固定板)零件图及加工工艺规程错误!未定义书签。
5 模具总装图及模具的装配、试模.......................... 错误!未定义书签。
5.1 模具的安装试模.....................................................................错误!未定义书签。
5.2. 试模前的准备 .......................................... 错误!未定义书签。
5.3模具的安装及调试 (20)5.4 试模 (21)5.5检验 (21)6. 排气系统的设计 (22)7. 参考文献 (22)塑料注射模具设计与制造实例通过一个典型的塑料制品,介绍了从塑件成型工艺分析到确定模具的主要结构,最后绘制出模具图的塑料注射模具设计全过程。
1. 塑件的工艺分析1.1塑件的成型工艺性分析塑件图产品材料:ABS塑件尺寸:如图所示塑件要求:1.件壁厚均匀,不允许有裂纹和变形缺陷。
2.脱模斜度30‘~1,3.未注圆角R2~R31.1.1 塑件材料ABS的使用性能综合性能较好,冲击韧度、力学强度较高,尺寸稳定,耐化学性、电气性能良好;易于成形和机械加工,与有机玻璃的熔接性良好,可作双色成形塑件,且表面可镀铬。
适于制作一般机械零件、减摩耐磨零件、传动零件和电信结构零件。
1.1.2 塑件材料ABS的加工特性●无定型塑料,其品种很多,各品种的机电性能及成形特性也各有差异,应按品种确定成形方法及成形条件。
●吸湿性强,含水量应小于0.3%,必须充分干燥,要求表面光泽的塑件应要求长时间预热干燥。
●流动性中等,溢边料0.04 mm左右(流动性比聚苯乙烯,AS差,但比聚碳酸酯、聚氯乙烯好)。
●比聚苯乙烯加工困难,宜取高料温、模温(对耐热、高抗冲击和中抗冲击型树脂,料温更宜取高)。
料温对物性影响较大、料温过高易分解(分解温度为250℃左右,比聚苯乙烯易分解),对要求精度较高塑件,模温宜取50~60℃,要求光泽及耐热型料宜取60~80℃。
注射压力应比加工聚苯乙烯稍高,一般用柱塞式注塑机时料温为180~230℃,注射压力为100~140 MPa,螺杆式注塑机则取160~220℃,70~100 MPa为宜。
模具设计时要注意浇注系统,选择好进料口位置、形式。
推出力过大或机械加工时塑件表面呈现“白色”痕迹(但在热水中加热可消失)。
脱模斜度宜取2℃以上。
1.2 塑件的成型工艺参数确定查手册得到ABS塑料的成型工艺参数:适用注射机类型螺杆式密度 1.02 ~ 1.16g/cm3;收缩率 0.3 ~ 0.8 % ;预热温度 80C°~ 85C°,预热时间 2 ~ 3 h ;料筒温度后段150C°~170C°,中段165C°~180C°,前段180C°~200C°;喷嘴温度 170C°~ 180C°;模具温度 50C°~ 80C°;注射压力60 ~ 100 MPa ;成型时间注射时间20 ~ 90s ,保压时间0 ~ 5s ,冷却时间20 ~ 120s 。
2 模具的基本结构及模架选择2.1 模具的基本结构2.1.1 确定成型方法塑件采用注射成型法生产。
使用侧浇口成型。
2.1.2 型腔布置塑件形状较简单,重量较轻,生产批量较大。
所以应使用多型腔注射模具。
考虑到塑件的侧面有Φ6.5mm的圆孔,需侧向抽芯,所以模具采用一模二腔、平衡布置。
这样模具尺寸较小,制造加工方便,生产效率高,塑件成本较低。
其布置如图所示。
2.1.3 确定分型面塑件分型面的选择应保证塑件的质量要求,因此分型面选择在A-A 面,这样的选择使塑件便于取出,塑件大部分外表面光滑,同时侧向抽芯容易,而且塑件脱模方便。
因此塑件选择如图所示的分型面。
分型面选择2.1.4 选择浇注系统塑件采用侧浇口成型,其浇注系统如图所示。
侧浇口直径为Φ2mm,侧浇口长度为2mm,头部球R1.5~2 mm。
分流道设计:采用半圆截面流道,其半径R为3 ~ 3.5mm。
长度为20mm主流道设计:主流道为圆锥形,口部球面半径SR=12mm球面的配合高度h=3~5mm锥角α为6˚,上部直径与注射机喷嘴相配合下部直径Φ6 ~ 8 mm。
2.1.5 确定推出方式选择推杆推出机构完成塑件的推出。
2.1.6 侧向抽芯机构塑件的侧面有Φ6.5mm的圆孔,因此模具应有侧向抽芯机构,由于抽出距离较短,抽出力较小,所以采用斜导柱、滑块抽芯机构。
斜导柱装在定模板上,滑块装在动模板上。
注射机型号的确定:(1)注射量计算Ρ=1.02~1.16g/cm3V塑=52442.29mm3=52.44cm3M塑=ρV塑=52.44 ×1.02g=53.49g(2)系统凝料体积的初步估算V总=V塑(1+0.2)×2=52.44 ×1.2 ×2cm3 =125.86cm3 (3)选择注塑机由V总=125.9cm3 再由式V公=V总/0.8查询《塑料成型工艺与模具设计》初选公称注射量为250cm3注射机型号为XS-ZY-250其有关参数为:理论注射量:250 cm3 ;注射压力:130MPa ;注射速率:110/g.s-1锁模形式:增压式锁模力:1800kN ;模具厚度:200~ 350mm ;最大开合模行程:500mm ;喷嘴圆弧半径:12 mm ;喷嘴孔直径:2~3mm ;拉杆间距::448 ×370mm 。
(4)注塑机相关参数的校核1.注射压力的校核ABS的注射压力为80~110MPa取P=100MPa该注射机的公称注射压力P公=130MPa,注射压力安全系k=1.25~1.4取k=1.25则Kp=1.25×100=125<130MPa=P公所以注射剂注射压力合格2.锁模力校核a .塑件在分型面上的投影面积A塑则A塑= πR2 2=3.14×(75.6/2)2=4487mm2b.浇注系统在分型面上投影A浇由A浇=0.2~0.5A塑,取A浇=0.2 A塑c . A总=(A浇+A塑)×n(腔数)=2×1.2×4487mm2=10768.8mm2d.模具型腔内的胀形力P模=P注射(0.2~0.4)=26~52MPa,取40NF胀=A总P模=10768.8 ×40N=430.75kN由于F锁=1800N,k=1.1~1.2,取k=1.2则kF胀=1.2×430.75kN=516.9kN<Fs锁所以注射剂锁模力合格2.2 选择模架2.2.1 模架的结构选择A2型的模架2.2.2 模架安装尺寸校核模具外型尺寸为,长355mm、宽315mm、高260.8mm,小于注射机拉杆间距和最大模具厚度,可以方便地安装在注射机上。
3 模具结构、尺寸的设计计算3.1 模具结构设计计算3.1.1 型腔结构型腔由定模板、中间板、动模板和滑块共四部分组成。
定模板、中间板和滑块构成塑件的侧壁,侧浇口开定模上,这样使加工方便,有利于型腔的抛光。
定模板中心开有冷却水孔,用来强制冷却工件和型芯。
3.1.2 型芯结构型芯由动模板上的孔固定。
型芯与动模板配合,增加模具寿命。
另外,这种配合可以减少动模板在运动时与型芯之间的磨损。
3.1.3 斜导柱、滑块结构将斜楔紧块用螺栓固定在定模板上,将斜滑块固定在动模板上,斜导柱安装在定模板上,工作时斜滑块在楔紧块上运动完成与工件的分离。
3.1.4 模具的导向结构为了保证模具的闭合精度,模具的定模部分与动模部分之间采用导柱和导套导向定位。
中间板上装有导套,推出时,导套在导柱上运动,保证了中间板板的运动精度。
定模座板上装有导柱,为侧浇口凝料的拉料和定模板的运动导向。
3.2 模具成型尺寸设计计算取ABS的平均成型收缩率为0.6 %,塑件未注公差按照SJ1372中5级精度公差值选取。
3.2.1 型腔径向尺寸模具最大磨损量取塑件公差的1 / 6;模具的制造公差δz = Δ /3;取x=0.6。
Φ75.6-0.52Δ1=0.52mm Scp=(0.003+0.008)/2=0.00551)={(1+0.0055)×75.6—0.6×0.52}+0.17mm=75.70+0.17mm2)Φ25.94-0.46={(1+0.0055)×64—0.6×0.46}+0.15mm=64.08+0.15mm3.2.2 型腔深度尺寸模具最大磨损量取塑件公差的1 / 6;模具的制造公差δz = Δ /3;取x=0.63。