特种设备磁粉检测通用工艺规程和工艺卡
- 格式:doc
- 大小:159.00 KB
- 文档页数:9
1、范围本规程规定了特种设备磁粉检测方法及质量分级要求。
本规程适用于铁磁性材料制特种设备的原材料,零部件和焊接接头表面,近表面缺陷的检测,不适用于奥氏体不锈钢和其他非铁磁性材料的检测。
与特种设备有关的支承件和结构件,如有磁粉检测要求,也可参照本规程。
2、规范性引用文件下列文件中的条款通过本部分的引用而成为本部分的条款。
凡是注日期的引用文件,其随后所有的修改单(不包括勘误的内容)或修订版均不适用于本部分。
NB/T47013-2005 承压设备无损检测GB50235-97 工业金属管道工程施工及验收规范GB11533-1989 标准对数视力表JB/T6063-1992 磁粉探伤用磁粉技术条件JB/T6065-2004 无损检测磁粉检测用试片JB/T8290-1998 磁粉探伤机3、一般要求检测人员必须经过公司培训,掌握焊接基本知识和焊接缺陷种类,并经考核合格,还应符合下列规定。
3.1 磁粉检测人员未经矫正或经矫正的近(距)视力和远(距)视力应不低于5.0(小数记录值为1.0),测试方法应符合GB11533的规定。
并1年检查1次,不得有色盲。
3.2 磁粉检测程序a) 预处理;b) 磁化;c) 施加磁粉或磁悬液;d) 磁痕的观察与记录;e) 缺陷评级;f) 退磁;g) 后处理。
3.3 磁粉检测设备3.3.1 设备磁粉检测设备应符合JB/T8290的规定。
3.3.2 提升力当使用磁轭最大间距时,交流电磁轭至少有45N的提升力;直流电磁轭至少应有177N的提升力,交叉磁轭至少应有118N的提升力(磁极与试件表面部隙为0.5mm)。
3.3.3 辅助器材一般应包括下列器材:a) 磁场强度计;b) A1型、C型试片、标准试块和磁场指示器;c) 2-10倍放大镜;d) 白光照度计。
3.4 磁粉、载体及磁悬液3.4.1 磁粉磁粉应具有高磁导率、低矫顽力和低剩磁,并应与被检工件表面颜色有较高的对比度。
磁粉粒度和性能的其他要求应符合JB/T6063的规定。
磁粉检测通用工艺规程1 目的对磁粉检测作业的工艺作出规程性的规定,以保证磁粉检测过程和结果符合有关的法规、标准以及公司《质量保证手册》及《程序文件与管理制度汇编》的规定要求。
2 范围适用于本公司压力容器制造过程中原材料、零部件和焊接接头的磁粉检测作业过程。
3 引用标准JB/T4730.1-2005 《承压设备无损检测》第1部分通用要求JB/T4730.4-2005 《承压设备无损检测》第4部分磁粉检测4 人员资格4.1 凡从事承压设备的原材料、零部件和焊接接头磁粉检测人员,应按照《特种设备无损检测人员考核和监督管理规则》的要求取得相应磁粉检测资格。
4.2 取得不同磁粉检测资格级别的人员,只能从事与资格级别相应的检测工作。
检测原始记录应由相应Ⅱ级或Ⅱ级以上资格人员核对,磁粉检测报告须经相应Ⅱ级或Ⅱ级以上资格人员复核并签字后方能生效。
4.3 磁粉检测人员的一般要求还应符合JB/T4730.4—2005中3.1的有关规定。
5检测设备、器材和材料5.1 磁粉、载体和磁悬液5.1.1 磁粉5.1.1.1 磁粉应具有高磁导率、低矫顽力和低剩磁,并应与被检工件表面颜色有较高的对比度。
5.1.1.2 磁粉粒度和性能的其他要求应符合JB/T6063—1992的规定。
5.1.2 湿法应采用水或低粘度的油基载体作为分散介质。
5.1.2.1 若以水为载体时,应加入适当的防锈剂和表面活性剂,必要时添加消泡剂。
5.1.2.2 油基载体的运动粘度在38℃时小于或等于3.0㎜2/S,使用温度下小于或等于5.0㎜2/S,闪点不低于94℃,且无荧光和无异味。
5.1.3 磁悬液—107 —XX压力容器制造规程、作业指导书文件编号TDZZ03007-2014标题磁粉检测通用工艺规程版本号/修改次2014/0页数共 4 页第2 页磁悬液浓度应根据磁粉种类、粒度、施加方法和被检工件表面状态等因素来确定。
5.1.4 对于非荧光磁粉,配制浓度为10~25g/L,其沉淀浓度(含固体量)为1.2~2.4mL/100mL。
1总则本规程规定了磁粉检测的人员、设备检测方法及缺陷的评定。
适用于本单位对铁磁性材料和焊接接头近表面和表面缺陷采用非荧光湿式磁粉连续磁化法的检测及评定。
2 引用标准GB150 压力容器GB151 管壳式换热器JB/T4730—2005 承压设备无损检测JB/T6065 磁粉检测用试片JB/T6063 磁粉探伤用磁粉技术条件TSG R0004-2009 固定式压力容器安全技术监察规程3 检测人员3.1 检测人员必须经过培训,并取得相应的资格。
3.2 检测人员未经矫正或矫正视力应不低于5.0,并每年检查一次。
3.3 检测人员不得有色盲。
4 磁粉检测设备及器材4.1 磁粉检测设备4.1.1 本单位设备及性能见表14.1.2 电磁扼的提升力每半年校验一次。
在磁扼损伤修复后应重新校验。
4.2 磁粉检测用标准试片4.2.1 磁粉检测标准试片有A1型和C型,主要用于检验磁粉检测设备、磁粉和磁悬液的综合性能,了解被检工件表面有效磁场强度和方向、有效检测区及磁化方法是否正确。
4.2.2 磁粉检测时一般应选用A1—30/100型标准试片,当检测坡口等狭小部位,A1试片使用不便时,一般选用C—15/50型标准试片。
具体见表2。
表2 标准试片的类型、规格和图形4.2.3 连续法检测时将试片无人工缺陷的面朝外。
为了使试片与被检面接触良好,可用透明胶带将试片平整的粘贴在被检面上,胶带不能覆盖试片上人工缺陷。
4.2.4 试片表面有锈蚀、摺折或磁特性发生改变时不得继续使用。
4.3 磁粉(磁膏)和磁悬液4.3.1 一般用磁膏配制磁悬液(磁悬液浓度见表3),磁膏选用上海宏达。
4.3.2 磁悬液一般用水做载液,将磁膏均匀挤出100mm左右,加入1L水搅拌均匀即达到10-25g/L的要求。
表3 磁悬液浓度磁粉类型配制浓度,g/L 沉淀浓度(含固体量),ml/100ml非荧光磁粉10~25 1.2~2.4荧光磁粉0.5~3.0 0.1~0.44.4 其他器材4.4.1 反差增强剂在检测较粗糙的表面时采用,一般为购买成品。
特种设备磁粉检测通用工艺1.总则1.1.适用范围:本规程适用于铁磁性材料制锅炉、压力容器及压力管道的原材料、零部件和焊接接头的表面及近表面缺陷的检测。
1.2.参照标准1.2.1.JB/T4730.4-2005《承压设备无损检测》第4部分:磁粉检测1.2.2.JB/T8290-1998《磁粉探伤机》2.检测人员2.1.从事锅炉、压力容器及压力管道的原材料、零部件和焊缝磁粉检测的人员,应按照《特种设备无损检测人员考核与监督管理规则》的要求取得相应无损检测资格。
2.2.磁粉检测人员的未经矫正或经矫正的近(距)视力和远(距)视力应不低于5.0(小数记录值为1.0), 测试方法应符合GB 11533的规定。
并一年检查一次,不得有色盲。
3.仪器设备3.1.磁粉探伤机3.1.1.磁粉探伤机必须满足JB/T8290-1998《磁粉探伤机》的要求。
3.1.2.交流磁轭磁粉探伤仪在其磁轭最大极间距时其提升力应不小于45N。
3.1.3.旋转磁场磁粉探伤仪在其磁轭最大极间距时提升力应不少于118N(磁极与试件表面间隙为0.5mm)。
3.2.磁粉及磁悬液3.2.1.磁粉应具有高磁导率、低矫顽力和低剩磁,并应与被检工件表面颜色有较高的对比度。
磁粉粒度和性能的其他要求应符合JB/T 6063的规定。
3.2.2.湿法应采用水或低粘度油基载体作为分散媒介。
若以水为载体时,应加入适当的防锈剂和表面活性剂,必要时添加消泡剂。
油基载体的运动粘度在38℃时小于或等于3.0 mm2/s,使用温度下小于或等于5.0mm2/s,闪点不低于94℃,且无荧光和无异味。
3.2.3.磁悬液浓度应根据磁粉种类、粒度、施加方法和被检工件表面状态等因素来确定。
一般情况下,磁悬液浓度范围应符合表1的规定。
测定前应对磁悬液进行充分的搅拌。
表1 磁悬液浓度3.3.辅助设备3.3.1.使用磁场强度计,磁场指示器(八角试块)、A 型试片和C 型试片或D 型试片(见图1~图3),磁悬液浓度测定管,照度计/照明灯,黑光灯/黑光辐照计,2-10倍放大镜。
Technics Regulation for Magnetic particle Examination作业指导书Operation Guidebook编制Prepared By : 审核Checked By : 批准Approved By :科恩马特殊过程装备(常熟)有限公司KNM SPECIAL PROCESS EQUIPMENT (CHANGSHU) CO.,LTD.磁粉检测通用工艺规程Technics Regulation for Magnetic particle Test1主要内容和适用范围1 Scope1.1 本规程规定了磁粉检测人员资格、所用设备、器材、检测技术和质量分级等。
1.1 This regulation define the qualification of Magnetic particle test person, facility , equipment, examining method and quality grade.1.2本规程按JB/T 4730.4-2005的要求编写。
适用于铁磁性材料的机加工件、焊缝、板材坡口面等表面和近表面缺陷的检测,不适用于非磁性材料及磁性材料与非磁性材料结合部位的检测。
满足GB 150、《压力容器安全技术监察规程》和相关标准的要求。
1.2 This regulation is compile based on JB/T 4730.4-2005. It is suitable for ferro-magnetic material, such as machining workpiece, weld seam, groove face of plate and near surface flaw. The regulation is not suitable for non-magnetic substance and bonded block made with ferro-magnetic material and non-magnetic substance. The regulation satisfied with GB-150, 《Supervision, Regulation on Safety Technology for Pressure vessel》and correlative standard.1.3 本规程适用于非荧光湿磁粉的连续磁化技术。
10 特种设备磁粉检测通用工艺规程和工艺卡10.1 特种设备磁粉检测通用工艺规程10.1.1通用工艺规程的特点:1.通用工艺规程应根据相关法规、产品标准、有关的技术文件和JB/T4730.4-2005等相关检测标准要求编制;2.针对检测机构的特点和检测能力进行编制;3.磁粉检测通用工艺规程应涵盖本单位(制造、安装或检测单位)产品的检测范围;4. 通用工艺规程应有一定覆盖性、通用性和可选择性;4.通用工艺规程一般为原则性条款,以文字说明为主;5.通用工艺规程Ⅲ级人员编写,检测责任师(Ⅲ级人员)审核,技术负责人批准。
10.1.2通用工艺规程的内容:磁粉检测通用工艺规程至少应包括以下内容:(a)适用范围;(b)引用标准、法规;(c)检测人员资格;(d)检测设备、器材和材料;(e)检测表面制备;(f)检测时机;(g)检测工艺和检测技术;(h)检测结果的评定和质量等级分类;(i)检测记录、报告和资料存档;(j)编制(级别)、审核(级别)和批准人;(k)制定日期。
10.2 特种设备磁粉检测工艺卡10.1.1检测工艺卡的特点:1.特种设备磁粉检测工艺卡应根据磁粉检测通用工艺规程、产品标准、有关的技术文件和JB/T4730.4-2005等检测标准的要求编制;2.检测工艺卡针对某一具体产品或产品上的某一部件而单独编写的,一般为一件一卡;3.检测工艺卡制定的是有关磁粉检测的细节和具体参数条件,多为图表形式;4.检测工艺卡Ⅱ级或Ⅱ级以上人员编写,检测责任师(Ⅱ级或Ⅱ级以上人员)审核;5.检测工艺卡用以指导相关检测人员进行磁粉检测操作。
10.2.2检测工艺卡的内容:磁粉检测工艺卡一般应包括以下内容:(a)工艺卡编号(一般为流水顺序号);(b)产品部分:产品名称,产品编号,制造、安装或检验编号,承压设备类别,规格尺寸,材料牌号,热处理状态及表面状态;(c)检测设备与材料:设备种类、型号、检测附件、检测材料;(d)检测工艺参数:检测方法、检测比例、检测部位、标准试块或标准试样(片);(e)检测技术要求:执行标准、验收级别;(f)检测程序;(g)检测部位示意图:包括(检测部位、缺陷部位、缺陷分布等);(h) 编制(级别)和审核(级别)人;(i)制定日期。
磁粉检测通用工艺规程
1.主题内容与适用范围
1.1本规程规定了承压设备磁粉检测的人员、设备器材、检测技术、质量分级和检测记录报告等的基本要求。
1.2本规程适用于铁磁性材料制承压设备的原材料、零部件和焊接接头的表面、近表面缺陷的检测,不适用于奥氏体不锈钢和其他非铁磁性材料的检测。
2.引用标准
固定式压力管道元件安全技术监察规程
GB150-2011 压力管道元件
JB/T4730-2005 承压设备无损检测第4部分磁粉检测3.一般要求
3.1磁粉检测人员要求
3.1.1磁粉检测人员应按照《特种设备无损检测人员考核与监督管理规则》的要求取得磁粉检测资格证书,复检和签发报告人员应有中级资格证书。
3.1.2磁粉检测人员的未经矫正或经矫正的近(距)视力和远(距)视力应不低于5.0(小数记录值为1.0),并一年检查一次,不得有色盲。
3.2磁粉检测设备、器材
3.2.1本规程采用电磁轭式磁粉探伤仪。
当使用磁轭最大间距时,交流电磁轭至少应有45N的提升力;直流电磁轭至少应有177N的提升力。
电磁轭的提升力至少半年校验一次。
1 适用范围1.1本部分规定了承压设备焊缝及其原材料、机加工部件磁粉检测方法及质量分级要求。
1.2本部分适用于铁磁性材料制板材、复合板材、管材、管件和锻件等表面或近表面缺陷的检测,以及铁磁性材料对接接头、T型焊接接头和角接接头等表面或近表面缺陷的检测,不适用于非铁磁性材料的检测。
1.3承压设备有关的支承件和结构件,也可参照本部分进行磁粉检测。
2 编制依据NB/T 47013.1—2015《承压设备无损检测》第1部分通用要求NB/T 47013.4—2015《承压设备无损检测》第4部分磁粉检测3 一般要求3.1 检测人员3.1.1从事磁粉检测的人员应按照国家特种设备无损检测人员考核的相关规定取得相应无损检测人员资格。
3.1.2磁粉检测人员的未经矫正或经矫正的近(小数)视力和远(距)视力应不低于5.0(小数记录值为1.0),测试方法应符合GB 11533的规定;并一年检查一次,不得有色盲。
3.2 磁粉检测程序磁粉检测程序如下:⑴预处理;⑵磁化;⑶施加磁粉或磁悬液;⑷磁痕的观察与记录;⑸缺陷评级;⑹退磁;⑺后处理。
3.3 磁粉检测设备3.3.1 设备磁粉检测设备应符合JB/T 8290的规定。
3.3.2 提升力当使用磁轭最大间距时,交流电磁轭至少应有45N的提升力;直流电(包括整流电)磁轭或永久性磁轭至少应有177N的提升力;交叉磁轭至少应有118N的提升力(磁极与试件表面间隙为小于等于0.5mm)。
3.3.3 断电相位控制器采用剩磁法检测时,交流探伤机应配备断电相位控制器。
3.3.4黑光灯当采用荧光磁粉检测时,使用的黑光灯在工件表面的辐照强度应大于或等于1OOOμW/cm2,其波长应为315nm-400nm,峰值波长约为365nm。
黑光源应符合GB/T 5097的规定。
3.3.5黑光辐光照度计黑光辐光照度计用于测量黑光的辐照度,其测量的波长范围应至少在315nm-400nm内,峰值波长约为365nm。
1 目的本工作程序是xxxxxxxxxxxx有限公司在承担磁粉检测工作过程中,指导磁粉检测工作。
2 适用范围2.1本工艺规程适用于本公司承担的磁粉检测工作。
2.2本部分适用于铁磁性材料制板材、复合板材、管材、管件和锻件等表面或近表面缺陷的检测,以及铁磁性材料对接接头、T型焊接接头和角接接头等表面或近表面缺陷的检测,不适用于非铁磁性材料的检测。
2.3承压设备有关的支承件和结构件,如可参照本规程进行磁粉检测。
3 编制依据下列文件对于本文件的引用是必不可少的。
凡是注日期的引用文件,仅注日期的版本适用于本文件。
凡是不注日期的引用文件,其最新版本(包括所有的修改单)适用于本文件。
《压力容器安全技术监察规程》《特种设备无损检测人员考核与监督管理规则》GB150 《钢制压力容器》TSG R0004 《固定式压力容器安全技术监察规程》NB/T47013.4-2015《承压设备无损检测-磁粉检测》DL438 《火力发电厂金属技术监督规程》DL/T869 《火力发电厂焊接技术规程》4 检测人员4.1 检测人员必须经过培训,按《锅炉压力容器无损检测人员资格考核规则》取得与其工作相适应的资格证书。
4.2检测人员每年应检查一次身体,具有良好的身体素质,其矫正视力不低于1.0,不得有色盲和弱视。
4.3检验操作由Ⅰ级或Ⅱ级人员进行,审核由Ⅱ级或Ⅲ级人员进行。
5 设备、工具和材料5.1 磁化设备5.1.1磁化设备见表5.1表5.15.1.2 提升力当使用磁轭最大间距时,交流电磁轭至少应有45N的提升力;直流电(包括整流电)磁轭或永磁轭至少应有177N的提升力;交叉磁轭至少应有118N的提升力(磁极与试件表面间隙为小于等于0.5mm)。
5.1.3磁化设备的选择5.1.3.1对于表面开口型缺陷宜选用能提供交流电的磁化设备。
5.1.3.2对于近表面缺陷及埋藏缺陷,宜选用能提供直流电的磁化设备。
5.2辅助器材5.2.1辅助器材a)A型、C型、标准试块和磁场指示器;b)磁悬液浓度沉淀管;c)2倍~10倍放大镜;d)光照度计:光照度计用于测量被检工件表面的可见光照度。
1、范围适用于铁磁性材料制承压设备的原材料、零部件和焊接接头表面近表面缺陷的检测。
2、引用标准法规GB/T16673-1996 无损检测用黑光源辐射的测量JB/T4730-2005 承压设备无损检测JB/T6063-1992 磁粉探伤用磁粉JB/T6065-2004 无损检测磁粉检测用试片JB/T8290-1998 磁粉探伤机3、检测人员3.1、磁粉检测人员上岗前,应按照《特种设备无损检测人员考核与监督管理规则》的要求,取得磁粉检测资格,且只能从事相应资格的检测工作。
3.2、磁粉检测人员的矫正视力应不低于5.0,并每年检查一次,不得有色盲。
4、检测设备、器材和材料4.1、设备磁粉检测设备应符合JB/T8290的规定。
4.1.1、当磁轭间距最大时,交流电磁轭的提升力≮44N,直流电磁轭的提升力≮177N.4.1.2、剩磁法检测时,交流探伤机必配备断电相位控制器。
4.1.3、荧光磁粉检测时,黑光灯在工作表面的照度≥1000μw/2cm,黑光的波长λ=320nm~400nm,中心波长λ≈365nm。
黑光源应符合GB/T16673的规定。
B≤0.3mT4.1.4、退磁装置应保证退磁后表面剩磁r4.2、辅助器材一般包括下列器材:a)A1型、C型、D型和M1型试片,磁场指示器;b)磁场强度计及毫特斯拉计;c)磁悬液浓度沉淀管;d)2~10倍放大镜;d)白光照度计;f)黑光灯;g)黑光辐照计。
4.3、磁粉、载液、磁悬液4.3.1、磁粉应具有高磁导率、低矫顽力和低剩磁,并与工件表面的颜色对比度要较高。
其他要求应符合GB/T6063的规定。
4.3.2、载液为水时,应加入防锈剂、表面活性剂及清洗剂。
载液为油时,其运动粘度在38℃时应小于或等于3.02mm/s,闪点不mm/s, 使用温度小于或等于5.02低于94℃,且无荧光和异味。
4.3.3、磁悬液浓度范围应符合表1的规定。
测定前应充分搅匀。
表1 磁悬液浓度4.4、标准试块4.4.1、一般应选用A1-30/100,检测狭小部位可选用C-15/50。
磁粉检测通用工艺和工艺卡通用工艺规程1 磁粉检测工艺的分类:分通用工艺规程和专用工艺卡两种,两者都是必须遵循的规定性书面文件。
2 通用工艺规程:a)定义:指用于指导磁粉检测工程技术人员和实际操作人员进行磁粉检测工作,处理检测结果,进行质量评定并作出合格与否的结论,从而完成磁粉检测任务的技术文件。
b)根据相关法规标准、产品标准、有关的技术文件和检测标准,并结合检测单位的特点、检测对象和检测能力编制的工艺技术文件。
c) 通用工艺规程应涵盖本单位(制造、安装或检测单位)产品的检测范围。
d)通用工艺规程应有一定覆盖性、通用性和可选择性,至少包括以下内容(JB/T4730.1-2005)⑴适用范围;⑵引用标准和法规;⑶检测人员资格;⑷检测设备、器材和材料;⑸检测表面制备;⑹检测时机;⑺检测工艺和检测技术;⑻检测结果的评定和质量等级分类;⑼检测记录、报告和资料存档;⑽编制(级别)、审核(级别)和批准人;⑾制定日期。
通用工艺规程的编制、审核及批准应符合相关法规或标准的规定。
一般要求:编制和审核为Ⅲ级人员,批准为技术负责人。
《特种设备无损检测人员考核和管理规则》各级别人员职责的规定。
专用工艺卡无损检测工艺卡应根据无损检测通用工艺规程、产品标准、有关的技术文件和JB/T4730-2005的要求编制。
也就是针对某一具体产品或产品上的某一部件,依据通用规程和图样要求,所制定的有关磁粉检测具体参数条件。
以表格形式编制专用工艺卡应包括以下内容:①工艺卡编号;②产品部分:产品名称,产品编号,制造、安装或检验编号,承压设备的类别、规格尺寸、材料牌号、材质、热处理状态及表面状态;③检测设备与器材:设备种类、型号、规格尺寸、检测附件和检测材料;④检测工艺参数:检测方法、检测比例、检测部位、标准试片(块);⑤检测技术要求:执行标准和验收级别;⑥检测程序;⑦检测部位示意图;⑧编制(级别)和审核(级别)人;⑨制定日期。
磁粉检测工艺卡应由磁粉检测Ⅱ人员编写,责任师(Ⅲ或Ⅱ)审核。
10 特种设备磁粉检测通用工艺规程和工艺卡10.1 特种设备磁粉检测通用工艺规程10.1.1通用工艺规程的特点:1.通用工艺规程应根据相关法规、产品标准、有关的技术文件和JB/T4730.4-2005等相关检测标准要求编制;2.针对检测机构的特点和检测能力进行编制;3.磁粉检测通用工艺规程应涵盖本单位(制造、安装或检测单位)产品的检测范围;4. 通用工艺规程应有一定覆盖性、通用性和可选择性;4.通用工艺规程一般为原则性条款,以文字说明为主;5.通用工艺规程Ⅲ级人员编写,检测责任师(Ⅲ级人员)审核,技术负责人批准。
10.1.2通用工艺规程的内容:磁粉检测通用工艺规程至少应包括以下内容:(a)适用范围;(b)引用标准、法规;(c)检测人员资格;(d)检测设备、器材和材料;(e)检测表面制备;(f)检测时机;(g)检测工艺和检测技术;(h)检测结果的评定和质量等级分类;(i)检测记录、报告和资料存档;(j)编制(级别)、审核(级别)和批准人;(k)制定日期。
10.2 特种设备磁粉检测工艺卡10.1.1检测工艺卡的特点:1.特种设备磁粉检测工艺卡应根据磁粉检测通用工艺规程、产品标准、有关的技术文件和JB/T4730.4-2005等检测标准的要求编制;2.检测工艺卡针对某一具体产品或产品上的某一部件而单独编写的,一般为一件一卡;3.检测工艺卡制定的是有关磁粉检测的细节和具体参数条件,多为图表形式;4.检测工艺卡Ⅱ级或Ⅱ级以上人员编写,检测责任师(Ⅱ级或Ⅱ级以上人员)审核;5.检测工艺卡用以指导相关检测人员进行磁粉检测操作。
10.2.2检测工艺卡的内容:磁粉检测工艺卡一般应包括以下内容:(a)工艺卡编号(一般为流水顺序号);(b)产品部分:产品名称,产品编号,制造、安装或检验编号,承压设备类别,规格尺寸,材料牌号,热处理状态及表面状态;(c)检测设备与材料:设备种类、型号、检测附件、检测材料;(d)检测工艺参数:检测方法、检测比例、检测部位、标准试块或标准试样(片);(e)检测技术要求:执行标准、验收级别;(f)检测程序;(g)检测部位示意图:包括(检测部位、缺陷部位、缺陷分布等);(h) 编制(级别)和审核(级别)人;(i)制定日期。
10.2.3编制磁粉检测工艺卡时主要磁化方法的选择:1.焊缝表面:①交叉磁轭法——对接焊缝;②磁轭法——对接焊缝、角焊缝;③绕电缆法(线圈法)——管子对接环焊缝、角环焊缝,且仅检测平行于焊缝的缺陷;④触头法——对接焊缝、角焊缝。
2.焊缝坡口及炭弧气刨面:①焊缝坡口——触头法;②碳弧气刨面——交叉磁轭法;③层间检测——交叉磁轭法。
3.螺栓:线圈法(纵向磁化),剩磁法、荧光湿法主要检查横向缺陷。
4.三通或四通管件:绕电缆法(线圈法),(注意:电缆的绕向)。
5.轴类件(包括同径、变径、塔形类):轴向通电法。
(注意:变径、塔形类件,根据尺寸不同,分别通电检查。
顺序是从最小直径到最大直径逐阶磁化)。
6.起重吊钩:①绕电缆法(线圈法)——检查横向疲劳缺陷;②触头法——检查纵缺陷。
7.铸钢件:①在固定式探伤机上至少两个方向磁化,并用湿法检验——精密铸钢件体积小、重量轻;②触头法、磁轭法——砂型铸钢件一般体积和重量较大,壁较厚。
10.2.3“特种设备磁粉检测工艺卡”编写的一般格式和内容:1. 特种设备磁粉检测工艺卡”编写的形式一:表1 承压设备磁粉检测工艺卡No.GT-MT-001a.清除并打磨焊缝及热影响区,Ra≤25μm;b.除去漆层,露出金属光泽;c.打磨掉工件表面与电极接触处的非电导覆盖层;d.使用干法检测时:清除油污等,工件表面要干净和干燥。
注2.油基载液使用:a.对腐蚀应严加防止的某些铁基合金(如经过加工的某些轴承或轴承套);b.水可能会引起电击的地方;c.在水中浸泡可引起氢脆的某些高强度钢;d.油基载液可填写“LPW-3号煤油”。
注3.偏置芯棒法:交流电I=(8~15)D中的D=d+2T, 每次有效检测区宽度约为4d,重叠10%。
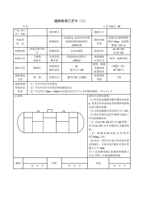
2. 特种设备磁粉检测工艺卡”编写的形式二:10.2.3“特种设备磁粉检测工艺卡”编写实例:某液化石油气站一台在用的液化石油气储罐,材质为16MnR,规格为φ2000mm×18mm,其结构如图2所示。
要求对该容器人孔接管C、D类焊缝外表面进行100%磁粉检测,检测标准为JB/T4730.4-2005,采用中等灵敏度探伤,合格级别为Ⅱ级,请回答下列问题。
液化石油气储罐现有如下探伤设备与器材:1.CJE-1单磁轭探伤仪(交流电,磁轭带活动关节)。
CDD-1000交流磁粉探伤仪,该探伤机配置长3m的软电缆,触头1付。
2.GD-3型毫特斯拉计。
3.ST-85型照度计4.UV-A黑光辐照计5.黑磁粉、BW-1型黑磁膏、水、油6.A1-30/100、A1-15/100、C-8/50、C-15/50型试片。
7.磁悬液浓度测定管8.2-10倍放大镜。
解题思路:①对于工艺题,解题时首先要读懂题意,弄清工件的结构、制造工艺、使用环境,确定可能产生的缺陷(横向、纵向、表面、近表面);②然后根据缺陷情况及题目要求确定磁化方法;③再确定检测方法(连续——灵敏度最高、剩磁——效率高、湿、干);④最后才可能计算出磁化规范;⑤同时,相应的设备选择、磁化时间、磁粉种类都能确定了。
表1承压设备磁粉检测工艺卡图液化石油气储罐产品或工件名称、材料牌号、规格尺寸、热处理状态:依据题意填写;检测部位:具体标出检测部位和检测百分比。
被检表面要求:根据预处理要求填写。
如果被检工件表面漆层厚,可填写“除去漆层,露出金属光泽”,或填写“打磨掉工件表面与电极接触处的非导电覆盖层”。
使用干法检测时,可填写“清除油污等,工件表面要干净和干燥”。
检测时机:一般焊缝可填写“焊接完后”;对有延迟裂纹倾向的材料,应填写“焊后至少24h后”;对《GB12337钢制球形贮罐》的焊接接头,应填写“焊后至少36h后”。
检测设备:根据工件尺寸、形状等选择合适的设备,如填写“CXE交叉磁轭,CJX-2000型交流探伤仪,CJE交流电磁轭”。
标准试片(块):承压设备一般选用“A1-30/100试片”,灵敏度要求高时选用“A1-15/100试片”,根据被检工件表面较小或是曲面可选用“C1-30/100试片”,有条件最好选用“M1试片”。
当采用固定式探伤机检测时,交流探伤机用“E型试块”,直流探伤机用“B型试块”进行综合性能试验。
检测方法:承压设备检测对裂纹敏感材料和可能发生应力腐蚀裂纹的或重要产品和工件时填写“荧光磁粉”,其余填写“非荧光磁粉”。
因为承压设备磁粉检测一般对质量要求高,所以用“湿法”,一般不用“干法”。
凡经过热处理(淬火、回火、渗碳、渗氮及局部正火等)的高碳钢和合金结构钢,矫顽力在1KA/m,剩磁在0.8T以上者,才可进行“剩磁法”检测,尤其高压螺栓螺纹根部或筒形件内表面检测必须用“剩磁法”。
其余用“连续法”检测。
光线及检测环境:使用荧光磁粉检测时,暗区的“环境光照度<20lx”,“黑光辐照度≥1000μW/cm2”。
使用非荧光磁粉检测时“可见光照度>1000lx”,无法满足时也“不得低于500lx”。
缺陷磁痕记录方式:用“照相”、“贴印”“录像”或“可剥性塑料薄膜”等。
磁化方法:根据工件尺寸、结构、外形和欲发现缺陷的方向,选择“磁轭法”、“交叉磁轭法”、“轴向通电法”、“触头法”、“线圈法”、“中心导体法”等方法中的一种或几种组合来行检测。
电流种类:根据产品或工件,对发现缺陷的要求,并根据3.1.5条如何选用磁化电流的原则填写选用的“AC”、“DC”、“FWDC”和“HW”等磁化电流。
磁化规范:电磁轭填写提升力,如交流电磁轭的“提升力≥45N”,交叉磁轭填写“提升力≥118N,间隙0.5mm”、触头法填写“I=5L=1000A”,轴向通电法(连续法)填写如“I=15D=1500A”,线圈法(连续法)填写如“I=2000A,(N=5)”。
“磁化规范最终以A1-30/100试片上的磁痕显示确定”。
磁粉、载液及磁悬液浓度:磁粉有荧光磁粉和非荧光磁粉,对在用承压设备进行检测时,如制造时采用高强度钢以及对裂纹(包括冷裂纹、热裂纹和再热裂纹)敏感的材料,或是长期工作在腐蚀介质环境下,有可能发生应力腐蚀裂纹的场合,其内壁宜采用荧光磁粉方法进行检测。
可填写经过认证的“YC2荧光磁粉”其余填写“HK-1黑磁粉”等。
载液油基载液优先使用如下场合:①对腐蚀应严加防止的某些铁基合金(如经过加工的某些轴承或轴承套);②水可能会引起电击的地方;③在水中浸泡可引起氢脆的某些高强度钢。
油基载液可填写经过认证的“LPW-3号煤油”其余可填写“水载液”。
磁悬液浓度,现场磁粉检测一般填写“配制浓度”,如非荧光磁悬液填写“10g/L-25g/L”。
在固定式探伤机磁粉检测时,一般填写“沉淀浓度”,如荧光磁悬液,填写“0.1mL/100mL-0.4mL/100mL”也可用磁悬液喷罐,可填写经过认证的“HD-BW黑水磁悬液”或“HD-YL荧光磁悬液”。
磁悬液施加方法:一般可用“浇法”和“喷洒”,剩磁法用“浸法”灵敏度更高。
检测方法标准:填写“JB/T4730.4-2005”。
质量验收等级:共分Ⅰ、Ⅱ、Ⅲ、Ⅳ四个级别,根据承压设备产品或工件验收级别内容填写,如“Ⅰ级”。
磁粉检测质量评级要求:(1)对于焊接接头可填写“不允许存在任何裂纹”(焊接接头不产生白点)。
如对于Ⅱ级焊接接头可填写“不允许线性缺陷磁痕”、“圆形缺陷磁痕(评定框尺寸为35mm×100mm),长径d≤3.0mm,且在评定框内不大于2个”。
(2)对于受压力部件和材料可填写“不允许存在任何裂纹和白点”,紧固件和轴类零件填写“不允许任何横向缺陷显示”。
如对于Ⅲ级受压加工部件和材料可填写“线性缺陷磁痕长度ι≤6.0mm”,“圆形缺陷磁痕(评定框尺寸为2500mm2,其中一条矩形边长最大为150mm)长径d≤6.0mm,且在评定框内不大于4个”。
磁化方法附加说明:填写①磁化顺序;②某焊缝用磁轭法,某焊缝用交叉磁轭法等;③磁(电)极间距,与被检测表面间隙大小;④周向和纵向使用磁化方法;⑤计算公式,N= ,Y= ,L/D= 。
编制审核和审批:填写应符合相关法规或标准的规定。