大学物理实验——电桥及电桥在测量中的应用(单双桥)
- 格式:ppt
- 大小:756.50 KB
- 文档页数:3
测量电桥的应用一.实验目的1.掌握测量电桥的应用2.掌握单片、半桥、全桥、串联、并联几种接法,并比较其测量灵敏度。
二. 实验内容1.将等强度梁上的应变计分别采用单片(同补偿块一起用),半桥、全桥接线法接入电桥桥桥臂,比较其读数应变。
2.将等强度梁上的应变计分别串联、并联后按半桥接法接入电桥,比较测得的读数应变。
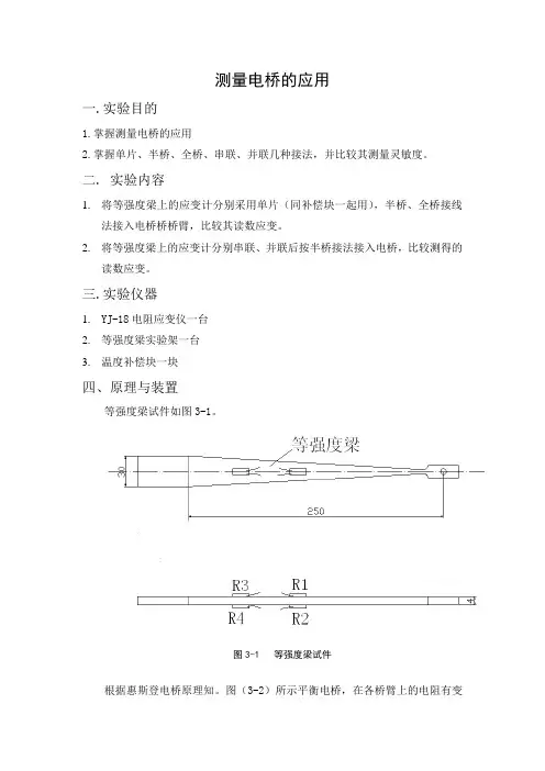
三.实验仪器1.YJ-18电阻应变仪一台2.等强度梁实验架一台3.温度补偿块一块四、原理与装置等强度梁试件如图3-1。
图3-1 等强度梁试件根据惠斯登电桥原理知。
图(3-2)所示平衡电桥,在各桥臂上的电阻有变化时,BD端输出电压为:)44332211()(22121R R R R R R R R R R R R uu ∆+∆-∆-∆+=∆…………………(3-1) 若在四个桥臂上接上规格相同的电阻应变计,阻值均为R ,灵敏系数均为K ,那么当构件变形,四个应变计分别承受ε1、ε2、ε3、ε4时,各桥臂上电阻变化分别为△R 1、△R 2、△R 3、△R 4,这时由(3-1)式知,BD 端电压输出为:)(44321RR R R R R R R u u ∆+∆-∆-∆=∆ 那么有:43214εεεεεk k k k k uu+--==∆读 即: )23(4321-+--= εεεεε读实验中,我们采用了五种不同的电桥接法,其读数应变与实际应变间的关系可由(3-2)式或(3-1)式得出。
五、实验步骤 1.单片电桥联接用等强度梁上的一片应变计及补偿块上的应变计,按半桥方式接入应变仪电桥(图3-3)。
按实验之二方法得到读数应变。
2、半桥联接将等强度梁上的1#片接入A 、B ,2#片接入BC (或3#片接入AB ,4#片接入BC ),R 3R 4DA R 1BR 2CΔU图3-2 电桥电路图3-3 单片电桥联结方式 图3-3 单片电桥联接如图3-4所示。
按实验之二方法得到读数应变。
3、全桥联接法将等强度梁上的1#、2#、3#、4#片按图(3-5)所示接入应变仪电桥,按实验二方法,测得读数应变。
(一)实验任务利用所给的仪器设备自组电桥测出电流表的内阻。
(二)实验仪器待测电流表(Ig=100μA,Rg≈2×10的3次方欧姆)、电阻箱(0.0~99999.9欧姆,0.2级)、滑线变阻器(50欧姆,110欧姆各一只)、单刀单掷开关两只、直流稳压电源。
(三)任务提示利用电桥测电阻时,被测电阻应作为电桥的一个平衡臂。
本实验没另给指示电桥平衡的检流计,所以还要考虑怎样利用待测电流表来指示电桥的平衡状态。
实验原理:在图30/4(a)所示网络中,一般而言,合上K2时G总会有偏转,若再合上K1,由于有电流沿BC通过,G的偏转将有变化。
如果R1,R2和R3使BC两点的电位相等,则合上或断开K时,BC上都没有电流通过,电流计G的偏转无变化。
这时有R1/R2=R3/rg其中,rg是电流计的内阻。
这样,当R1,R2和R3已知时,可以算出rg。
为了保证检流计获得满刻度偏转的一半,把一只高电阻值电阻R与干电池串联。
用电阻箱式电桥测定电流计的内阻实验步骤:按图30/4(b)所示连接电路,其中L是干电池,R是电阻箱,G是待测内阻的电流计,可以用一只放大镜来更细致地观察电流计的偏转。
从比例臂(R1和R2)中拔出10Ω的插塞,调整R使得当K2合上时电流计的偏转约为满刻度的一半。
当R3=0和R3=∞时电流计往相反方向偏转,就说明电路连接无误。
当K1也合上时,找出电流计无任何方向的偏转时的R3之值,由此即可得出检流计的内阻。
有时采用R1:R2=10:1的比率,这取决于所用仪器的精度。
数据记录与处理:记录测量电流计内阻时的比例臂的比率和R3的值,并计算出电流计的内阻。
注释:本方法可以用于测量任何安培计和伏特计的内阻。
对于微安表,应当使R大到足以使电流降低到适当时值。
注意的事项。
1.电流表的满偏电压很小,一般都小于0.2V。
而一节干电池的电动势有1.5V。
所以不能直接用一节电池作为电源,而必须用分压电路,以降低其电压,而且最好用两极分压。
电桥法在实际测量中的应用摘要:随着电子产品渐渐盛行,在生活中的方方面面电子产品都成了不可替代的产品。
人们对电子产品的依赖也越来越深,但在一些领域对电子产品的紧密度也要求精益求精,在误差、不确定度等方面做的也有很大的改善。
在减小误差方面存在着各种测量方式。
本文站在前人的臂膀上,利用前人的理论和数据就电桥法在实际生活中的测量应用给大家系统介绍,让大家更加清晰了解电桥法的基本原理、使用方法、电桥法的数据处理。
文章主要围绕电桥法测电阻,测电容和电感,也介绍其它一些运用电桥法测量量。
在介绍这些电桥测量量中也通过一些经典实验如惠斯通电桥、开尔文电桥等···让大家直观系统的了解电桥法在实际测量中的应用。
关键字: 电桥法;数据处理;经典电桥实验原理Bridge method applied in the actualmeasurementAbstract:As electronic products gradually prevailed in all aspects of life electronic products have become an irreplaceable product. People are increasingly dependent on electronic products deep, but in some areas of electronic products also require the tightness of excellence, in terms of error, uncertainty, and so do also have greatly improved. There are various aspects to reduce the error in measurement. This paper predecessors arm standing on the use of previous theory and measurement data on the bridge in real life application system introduced to everyone, so that we more clearly understand the basic principles of bridge method, using methods bridge method data processing. The article centers around the bridge method to measure resistance, capacitance and inductance measurements, but also introduce some other method of measuring the amount of use of the bridge. Introducing the bridge by measuring the amount of these are also some of the classic experiments such as a Wheatstone bridge, Kelvin bridge and so on.Intuitive system allows everyone to understand the application of the bridge method in actual measurement.Keywords: bridge method; data processing; classic bridge Principle目录摘要 (1)Abstract (2)目录 (I)第一章引言 (1)第二章常见电桥法的分类 (2)2.1电桥法介绍 (2)2.2直流电桥原理及应用 (2)2.2.1惠斯通电桥法 (3)2.2.2双臂电桥法(或开尔文电桥) (3)2.4直流电桥和交流电桥的电桥平衡分析及二者的区别 (6)2.4.1 直流电桥电桥平衡和原理分析 (6)2.4.2交流电桥平衡的分析 (6)第三章直流电桥法在实际生活中的实验 (8)3.1.1 惠斯通电桥在实际生活中的实验 (8)3.1.2惠斯通电桥 (9)3.1.3电桥的灵敏度 (10)3.1.4不确定度计算 (10)3.1.5惠斯通电桥的步骤和相关注意事项 (11)3.2开尔文电桥在实际生活中的应用 (12)3.2.1开尔文双电桥介绍 (12)3.2.2开尔文电桥和惠斯通电桥的比较 (12)3.2.3 开尔文电桥设计思想 (13)3.2.4 QJ19型单双电桥实验 (13)第四章交流电桥法在实际生活中的实验 (13)4.1电容电桥 (13)4.1.1电容电桥的热损耗 (19)4.1.2用电容电桥测量损耗较小的电容(串联电阻式) (19)4.1.3测量损耗大的电容电桥(并联式) (20)4.2电感电桥 (21)4.2.1利用电感电桥法测Q点 (21)4.2.2 测量高Q值电感的电感电桥 (22)4.2.3. 测量低Q值电感的电感电桥 (23)第五章其它几种常见电桥法在实际量中的实验 (24)5.1麦克斯韦电桥法 (24)5.2韦恩电桥法 (25)5.3海氏电桥法 (26)第六章电桥法总结与展望 (28)参考文献 (29)第一章引言在21世纪电子产品的快速发展,其中各种电子测量确保了这些电子产品的质的保障。
实验四 用单双臂电桥测电阻预习重点1.电桥的平衡条件和灵敏度。
2.电桥测电阻时怎样消除系统误差和实现最佳测量条件。
3.箱式电桥的使用方法。
实验目的1.学习和掌握单双臂电桥测电阻的原理和方法。
2.分析并观察电桥线路可能出现的故障。
3.用箱式电桥测电阻。
实验原理一、单臂电桥1. 电桥的结构和平衡条件电阻是一切电学元件的重要参数之一,因此测电阻就成为一种最基本的电学测量。
测电阻的方法很多,本实验用单臂电桥测电阻,这种方法测量简便而且准确度高。
单臂电桥的原理电路如图2.4.1,电阻R x 、R 、R 1和R 2连成一个四边形,每一边称为电桥的一个桥臂。
以四边形对角顶点A 、B 作为输入端,与电源E 相连;另两顶点C 、D 作为输出端,与检流计相连。
检流计用来比较两输出端的电位,检验有无电流输出。
支路A-E-B和C-G-D 称电桥的两个桥路。
电桥的平衡条件:设R x 是待测电阻,其他三个是已知电阻,且可调其阻值。
只调R ,或调R 1和R 2的比值,就可使C 、D 两点电位相等,电桥无输出,通过检流计的电流I G 为零(指针不偏转),这种状态称为电桥平衡。
此时,通过R 1和R 2的电流相同,设为I 1,通过R 和R x 的电流也相同,设为I 2,四个桥臂上的电压有如下关系:U AC =U AD ,U CB =U DB即 I 2R x = I 1R 1,I 2R= I 1R 2两式相除,得平衡条件:RR R R x 21、或R x R 2= R 1R (2.4.1) 即任一相对两个桥臂上电阻的乘积等于另外两个相对桥臂上电阻的乘积。
由平衡条件得待测电阻:R x = R R R 21 (2.4.2) 式中R 1和R 2称为比例臂,R 称为比较臂。
图2.4.1 单臂电桥原理电路图根据(2.4.2)式,测R x 时有两种调平衡的方法:一种是选一比例臂的比率(倍率)R 1/R 2,调比较臂电阻R ;另一种是选定比较臂电阻R ,调比例臂电阻之比R 1/R 2,当R 1/R 2=1时,R x =R ,电桥就好似一架等臂天平,R x 与R 分别相当于待测质量和砝码。
一、实验目的1. 熟悉电桥的原理、特点和使用方法。
2. 掌握惠斯通电桥和双臂电桥的测量方法。
3. 学会使用电桥测量低电阻值。
二、实验原理电桥是一种测量电阻的仪器,其基本原理是利用电阻的串联和并联关系,通过调节电阻,使电桥达到平衡状态,从而实现电阻的测量。
电桥分为惠斯通电桥和双臂电桥两种,它们分别适用于不同的测量范围。
1. 惠斯通电桥:适用于测量较高电阻值,其原理是利用电阻的串联和并联关系,通过调节电阻,使电桥达到平衡状态,从而计算出待测电阻值。
2. 双臂电桥:适用于测量较低电阻值,其原理是利用电阻的串联和并联关系,通过调节电阻,使电桥达到平衡状态,从而计算出待测电阻值。
三、实验器材1. 惠斯通电桥(QJ23型)2. 双臂电桥3. 电阻箱(ZX21型两只,ZX36型一只)4. 待测电阻5. 毫伏表6. 检流计7. 电流表8. 电源9. 导线10. 研究小组实验记录表四、实验步骤1. 惠斯通电桥测量电阻(1)将待测电阻R与惠斯通电桥的R1、R2、R3、R4电阻箱相连,组成电桥电路。
(2)开启电源,调节电阻箱,使电桥达到平衡状态,即检流计指针指零。
(3)记录电阻箱的阻值,根据公式计算待测电阻值。
2. 双臂电桥测量电阻(1)将待测电阻R以四端接法连接到双臂电桥的A、B、C、D四个接点。
(2)开启电源,调节电阻箱,使电桥达到平衡状态,即检流计指针指零。
(3)记录电阻箱的阻值,根据公式计算待测电阻值。
五、实验结果与分析1. 惠斯通电桥测量结果通过惠斯通电桥测量,得到待测电阻值为R1。
2. 双臂电桥测量结果通过双臂电桥测量,得到待测电阻值为R2。
3. 结果分析对比两种电桥的测量结果,发现双臂电桥的测量结果更接近实际值,这是因为双臂电桥采用了四端接法,有效减小了接触电阻和引线电阻对测量结果的影响。
六、实验总结1. 通过本次实验,我们掌握了电桥的原理、特点和使用方法。
2. 惠斯通电桥和双臂电桥分别适用于不同范围的电阻测量,在实际应用中,应根据待测电阻的范围选择合适的电桥。
物理实验电桥的设计及应用电桥是一种用于测量电阻、电感和电容的仪器,它利用了电流、电压和电阻的关系来进行测量。
电桥主要由四个电阻组成的四个臂、一个微调电阻和一个检测装置构成。
在实验中,电桥常用于测量未知电阻的值,或者检测电路中是否存在未知电阻。
设计一个简单的电桥实验需要准备以下器材:一个电源,一个微调电阻箱,一个标准电阻箱,一个电流表和一个电压表。
首先,将电源连接到电桥的两个端口,然后将微调电阻箱和标准电阻箱分别连接到另外两个端口。
接下来,调整微调电阻箱的阻值,使得电流表读数为零,这时候电桥已经平衡。
最后,通过改变标准电阻箱的阻值,来找到一个阻值,使得电桥再次平衡。
通过测量这个阻值,就可以计算出未知电阻的值。
在实际应用中,电桥有着广泛的应用。
最常见的应用就是用来测量未知电阻的值。
当需要测量一个小电阻值时,传统的电阻表可能无法提供精确的测量结果,而电桥则可以通过微小的电流变化来测量这些小电阻值。
此外,电桥也常用于检测电路中的故障,比如检测电路中是否存在未知电阻,或者检测电路中的电流是否正常。
除了测量电阻外,电桥还可以用于测量电感和电容。
在测量电感时,可以将一个已知电阻和一个未知电感连接到电桥中,通过改变已知电阻的值来找到平衡状态,从而计算出未知电感的值。
同样的方法也适用于测量电容。
电桥在科研中也有着重要的应用。
在物理学和工程学领域,电桥可以用来研究电学性质和材料的特性。
比如利用电桥来研究导体材料的电导率、磁性材料的电感、介质材料的电容等。
这些研究成果对于材料的设计和工程应用具有重要意义。
此外,电桥还可以在传感器中得到应用。
很多传感器,比如温度传感器、压力传感器、湿度传感器等,都是通过电桥来实现信号的传输和测量的。
电桥传感器可以通过改变电桥的平衡状态来测量环境因素对传感器的影响。
总的来说,电桥作为一种常见的实验仪器,在实验教学、科研和工程领域都有广泛的应用。
其简单的结构设计和精确的测量功能使得它成为一种重要的测量仪器。
电桥实验试题标准答案[采用电桥测量中值电阻] 一、实验原理答:惠斯登电桥是用于精确测量中值电阻的测量装置。
电桥法测电阻,实质是把被测电阻与标准电阻相比较,以确定其值。
由于电阻的制造可以达到很高的精度,所以电桥法测电阻可以达到很高的精确度。
1.惠斯登电桥的线路原理惠斯登电桥的基本线路如图 1 所示。
它是由四个电阻 R 1 Rx R 1,,R 2 R s R x 联成一个四边形 ACBD ,在对角线 AB 上接上电源E ,在对角线 CD 上接上检流计P 组成。
接入检流计(平衡指示)的对角线称为“桥”,四个电阻称为“桥臂”。
在一般情况下,桥路上检流计中有电流通过,因而检流计的指针有偏转。
若适当调节某一电阻值,例如改变 R s 的大小可使C 、D 两点的电位相等,此时流过检流计P 的电流I P =0,称为电桥平衡。
则有V C = V D (1) I R 1 = I Rx = I 1(2)I R 2 = I Rs = I 2 (3)由欧姆定律知V AC = I R 1 1 = V AD = I R 2 2 (4)V CB = I R 1 x = V DB = I R 2 s (5)由以上两式可得R 1R x =R s (6)此式即为电桥的平衡条件。
若R 1, ,R 2 R s 已知,R2R x 即可由上式求出。
通常取 、 为标准R 1 R 2 电阻,称为比率臂,将R R 1 / 2 称为桥臂比; 为可调电阻,称为比较臂。
改变 使电桥达R s R s 到平衡,即检流计P 中无电流流过,便可测出被测电阻 之值。
R x2.用交换法减小和消除系统误差分析电桥线路和测量公式可知,用惠斯登电桥测量R x 的误差,除其它因素外,与标准电阻R 1,R 2 的误差有关。
可以采用交换法来消除这一系统误差,方法是:先连接好电桥电路,调节 使R s P 中无电流,可由式(6)求出R x ,然后将 与 交换位置,再调节 使R 1 R 2R s P 中无电流,记下此时的 ,可得R s ′RR x = 2R s ′ (7)R 1 式(6)和(7)两式相乘得R x 2 = R R s s ′或R x = RR s S′(8)这样就消除了由R1,R2本身的误差对R x 引入的测量误差。
电桥法在实际测量中的应用摘要:随着电子产品渐渐盛行,在生活中的方方面面电子产品都成了不可替代的产品。
人们对电子产品的依赖也越来越深,但在一些领域对电子产品的紧密度也要求精益求精,在误差、不确定度等方面做的也有很大的改善。
在减小误差方面存在着各种测量方式。
本文站在前人的臂膀上,利用前人的理论和数据就电桥法在实际生活中的测量应用给大家系统介绍,让大家更加清晰了解电桥法的基本原理、使用方法、电桥法的数据处理。
文章主要围绕电桥法测电阻,测电容和电感,也介绍其它一些运用电桥法测量量。
在介绍这些电桥测量量中也通过一些经典实验如惠斯通电桥、开尔文电桥等···让大家直观系统的了解电桥法在实际测量中的应用。
关键字: 电桥法;数据处理;经典电桥实验原理Bridge method applied in the actualmeasurementAbstract:As electronic products gradually prevailed in all aspects of life electronic products have become an irreplaceable product. People are increasingly dependent on electronic products deep, but in some areas of electronic products also require the tightness of excellence, in terms of error, uncertainty, and so do also have greatly improved. There are various aspects to reduce the error in measurement. This paper predecessors arm standing on the use of previous theory and measurement data on the bridge in real life application system introduced to everyone, so that we more clearly understand the basic principles of bridge method, using methods bridge method data processing. The article centers around the bridge method to measure resistance, capacitance and inductance measurements, but also introduce some other method of measuring the amount of use of the bridge. Introducing the bridge by measuring the amount of these are also some of the classic experiments such as a Wheatstone bridge, Kelvin bridge and so on.Intuitive system allows everyone to understand the application of the bridge method in actual measurement.Keywords: bridge method; data processing; classic bridge Principle目录摘要 (1)Abstract (2)目录 (I)第一章引言 (1)第二章常见电桥法的分类 (2)2.1电桥法介绍 (2)2.2直流电桥原理及应用 (2)2.2.1惠斯通电桥法 (3)2.2.2双臂电桥法(或开尔文电桥) (3)2.4直流电桥和交流电桥的电桥平衡分析及二者的区别 (6)2.4.1 直流电桥电桥平衡和原理分析 (6)2.4.2交流电桥平衡的分析 (6)第三章直流电桥法在实际生活中的实验 (8)3.1.1 惠斯通电桥在实际生活中的实验 (8)3.1.2惠斯通电桥 (9)3.1.3电桥的灵敏度 (10)3.1.4不确定度计算 (10)3.1.5惠斯通电桥的步骤和相关注意事项 (11)3.2开尔文电桥在实际生活中的应用 (12)3.2.1开尔文双电桥介绍 (12)3.2.2开尔文电桥和惠斯通电桥的比较 (12)3.2.3 开尔文电桥设计思想 (13)3.2.4 QJ19型单双电桥实验 (13)第四章交流电桥法在实际生活中的实验 (13)4.1电容电桥 (13)4.1.1电容电桥的热损耗 (19)4.1.2用电容电桥测量损耗较小的电容(串联电阻式) (19)4.1.3测量损耗大的电容电桥(并联式) (20)4.2电感电桥 (21)4.2.1利用电感电桥法测Q点 (21)4.2.2 测量高Q值电感的电感电桥 (22)4.2.3. 测量低Q值电感的电感电桥 (23)第五章其它几种常见电桥法在实际量中的实验 (24)5.1麦克斯韦电桥法 (24)5.2韦恩电桥法 (25)5.3海氏电桥法 (26)第六章电桥法总结与展望 (28)参考文献 (29)第一章引言在21世纪电子产品的快速发展,其中各种电子测量确保了这些电子产品的质的保障。
黄淮学院电子科学与工程系传感器原理及应用课程验证性实验报告实验名称一、应变片单臂、半桥、全桥性能比较实验实验时间2013年10月30日学生姓名实验地点07318同组人员专业班级电技1001B1、实验目的1、了解电阻应变片的工作原理与应用并掌握应变片测量电路。
2、了解应变片单臂桥工作特点及性能。
3、了解应变片半桥(双臂)工作特点及性能。
4、了解应变片全桥工作特点及性能。
5、比较单臂、半桥、全桥输出时的灵敏度和非线性度,得出相应的结论。
2、实验主要仪器设备和材料:主机箱中的±2V~±10V(步进可调)直流稳压电源、±15V直流稳压电源、电压表;应变式传感器实验模板、托盘、砝码。
3、实验内容和原理:电阻应变式传感器是在弹性元件上通过特定工艺粘贴电阻应变片来组成。
一种利用电阻材料的应变效应将工程结构件的内部变形转换为电阻变化的传感器。
此类传感器主要是通过一定的机械装置将被测量转化成弹性元件的变形,然后由电阻应变片将弹性元件的变形转换成电阻的变化,再通过测量电路将电阻的变化转换成电压或电流变化信号输出。
它可用于能转化成变形的各种非电物理量的检测,如力、压力、加速度、力矩、重量等,在机械加工、计量、建筑测量等行业应用十分广泛。
1、应变片的电阻应变效应所谓电阻应变效应是指具有规则外形的金属导体或半导体材料在外力作用下产生应变而其电阻值也会产生相应地改变,这一物理现象称为“电阻应变效应”。
以圆柱形导体为例:设其长为:L、半径为r、材料的电阻率为ρ时,根据电阻的定义式得(1—1)当导体因某种原因产生应变时,其长度L、截面积A和电阻率ρ的变化为dL、dA、dρ相应的电阻变化为dR。
对式(1—1)全微分得电阻变化率 dR/R为:(1—2)式中:dL/L为导体的轴向应变量εL; dr/r为导体的横向应变量εr由材料力学得:εL= - μεr (1—3)式中:μ为材料的泊松比,大多数金属材料的泊松比为0.3~0.5左右;负号表示两者的变化方向相反。