使用LCR数字电桥测量
- 格式:doc
- 大小:62.01 KB
- 文档页数:1
LCR数字电桥测试步骤
1:按电源开关键,仪器显示屏亮
⒉清零消除杂散电容和电导的影响
①开路清零:按”open”键,选择清零功能
②LCD显示屏“open”字符闪烁
③将测试端短路
④按”enter”键开始清零操作,同时显示屏“pass”字符闪烁
⑤大约10秒之后,仪器自动返回测试状态
⑥如果当前清零结果不正确,显示屏显示“fail”字符,并退出清零操作,返回测试状态
⑦备注:短路清零基本步骤同上,只是显示“short”时,需将测试端短路
⒊参数设定
①按”参数“键,可选择测试不同元件
L:电感量C:电容量R:电阻值Z:阻抗的模
②频率设定
按“频率”键选择不同频率测试,依次为100HZ,120HZ,1KHZ,10KHZ
③电平选择
按“电平”键测试电压在0.3V与1.0V之间切换
④测试速度选择有“FAST”.“MED”.“SLOW”三档可选,测试速度慢,准确度越高
⑤量程设定
按“range”键,量程可在自动与保持键切换,当LCD不显示“auto”字符时,旁边数字即为量程号
⒋测试
将被测元件置于测试夹具间即可,注意夹紧,然后显示屏左方显示测试的电容量,电感量,电阻值,阻抗的模。
右方显示为D:放电常数,Q值:品质常数
⒌测试完毕,关闭电源
⒍注意事项:数字电桥属于高度精密仪器,不允许电容带电测试,电容带电的必须进行放电处理,才可以测试。
R美瑞克仪器MEIRUIKE INSTRUMENTManua1使用说明书深圳市美瑞克电子科技有限公司LCR数字电桥测试仪RK2811D访问深圳市美瑞克电子科技有限公司官方网站获取更多信息,体验更多服务使用浏览器扫一扫使用说明书RK2811D LCR数字电桥测试仪使用说明书美瑞克仪器(粤)制00000704号目录第1章准备使用 (1)1.1开箱检查 (1)1.2电源要求 (1)1.3周围环境 (1)1.4使用测试夹具 (1)1.5预热和连续工作时间 (1)1.6仪器的其它特性 (2)第2章面板说明 (3)2.1前面板说明 (3)2.2后面板说明 (5)2.3显示区域定义 (5)第3章操作说明 (8)3.1开机 (8)3.2参数设定 (8)3.3频率设定 (9)3.4测试信号电压选择 (9)3.5测量速度选择 (9)3.6等效电路方式 (9)3.6.1设置串联与并联 (9)3.6.2选择串联或并联方式 (9)3.7信号源内阻选择 (10)3.8量程设定 (10)3.9测量触发模式设定 (10)3.10比较功能设定 (10)3.11清零 (10)第4章基本性能指标 (13)4.1测量参数 (13)4.2等效方式 (13)4.3量程 (14)4.4触发方式 (14)4.5测试端方式 (14)4.6测试速度 (14)4.7基本精度 (15)4.7.1影响准确度的测量参数最大值、最小值 (15)4.7.2测量速度误差因子KS (15)4.7.3测试电平误差因子KV (15)4.7.4测试频率误差因子KF (15)4.8测试信号频率 (15)4.9测试信号电平 (16)4.10输出阻抗 (16)4.11测量显示范围 (16)4.12清零功能 (16)4.13比较功能 (16)4.14量程保持 (16)公司声明:第 5 章 附件5.1 附件:1、电源线l根1份1份1份1付1个2、使用说明书3、校准证书4、产品合格证5、测试线用户收到仪器后,应开箱检查核对上述内容,若发生短缺,请即与本公司或经销单位联系。
lcr数字电桥工作原理及使用方法_lcr数字电桥作用介绍lcr数字电桥工作原理及使用方法_lcr数字电桥作用介绍数字电桥的概念数字电桥就是能够测量电感,电容,电阻,阻抗的仪器,这是一个传统习惯的说法,最早的阻抗测量用的是真正的电桥方法,随着现代模拟和数字技术的发展,早已经淘汰了这种测量方法,但LCR电桥的叫法一直沿用至今。
如果是使用了微处理器的LCR 电桥则叫LCR数字电桥。
一般用户又称这些为:LCR测试仪、LCR 电桥、LCR表、LCRMeter等等。
LCR数字电桥的结构1. 测试夹:被测元件由此接入;2. 读数显示器:测量值由4 位7 段LED 显示器显示;3. 量程指示:显示被测量的单位(单位右侧的小方块为红色LED 指示灯);4. 功能控制按键:测量控制按键由6 个功能键组成(每个按键内的小方块为红色LED 指示灯);5. 电源输入插座;6. 电源开关。
lcr数字电桥工作原理数字电桥的测量对象为阻抗元件的参数,包括交流电阻R、电感L 及其品质因数Q,电容C及其损耗因数D。
因此,又常称数字电桥为数字式LCR测量仪。
其测量用频率自工频到约100千赫。
基本测量误差为0.02%,一般均在0.1%左右。
数字电桥原理如图所示。
图中DUT为被测件,其阻抗用Zx表示,Rr为标准电阻器。
切换开关可分别测出两者的电压Ux与Ur,于是有下式:此式为一相量关系式。
如使用相敏检波器(PSD)分别测出Ux和Ur对应于某一参考相量的同相量分量和正交分量,然后经模数转换(A/D)器将其转化为数字量,再由计算机进行复数运算,即可得到组成被测阻抗Zx的电阻值与电抗值。
平衡式电桥测试原理从图中的线路及工作原理可见,数字电桥只是继承了电桥传统的称呼。
实际上它已失去传。
LCR测试仪(电桥)的原理和使用方法◆简介LCR测试仪,L:电感(为了纪念物理学家Heinrich Lenz),C:电容(Capacitor),R:电阻(Resistance),LCR数字电桥就是能够测量电感,电容,电阻,阻抗的仪器。
随着现代模拟和数字技术的发展,早已经淘汰了LRC电桥这种测量方法,但LCR电桥的叫法一直沿用至今。
如果是使用了微处理器的LCR电桥则叫LCR数字电桥。
一般用户又称这些为:LCR测试仪、LCR 电桥、LCR表、数字电桥、LCR Meter等等。
◆分类台式LCR测试仪便携式LCR测试仪◆原理Vx与Vr均是矢量电压表,Rr是理想电阻。
自平衡电桥的意思是:当DUT(Device Under Test)接入电路时,放大器的负反馈配置自动使得OP输入端虚地。
Vx准确测定DUT两端电压(DUT的Low电位是0),Vr与Rr测得DUT电流Ix,由此可计算Zx。
HP4275的测试端Hp,Hc,Lp,Lc(下标c代表current, 下标p代表Potentail),Guard(接地)的配置可导致测试的误差的差异。
提高精度的方法是: 1,Hp,Lp,Hc,Lc尽量接近DUT; 2,减小测试电流Ix的回路面积&磁通量(关键是分析Ix,要配合使用Guard与Cable最小化回路面积);3,使用Gurard与Cable构建地平面中断信号线间的电场连接,虽然会增加信号线的对地电容(对地电容不影响测试结果),但是会减少信号线的互容。
Guard与Cable的对地寄生阻抗(Zhg,Zlg) 不影响测试结果,电桥平衡时Zlg的两端电压是0,流向Rr的电流不会被Zlg分流,Zhg 的分流作用不影响Hp的电压测量。
◆使用方法LCR测试仪一般用于测试电感和电容。
测量步骤如下:1.设置测试频率2.测试电压或者电流水平3.选择测试参数,比如Z、Q、LS(串联电感)、LP(并联电感)、CS(串联电容)、CP(并联电容)、D等4.仪器校准,校准主要进行开路、短路校准,高档的仪器要进行负载校准5.选择测试夹具6.夹具补偿7.将DUT放在夹具上开始测试。
LCR数字电桥操作规程(ISO9001-2015)1.目的:为了使实验仪器操作方法规范,确保实验结果正确,延长仪器使用寿命。
2.范围:本作业指导书适用该仪器的使用操作。
3.职责:工艺组: 负责仪器定期校验。
实验室:负责仪器设备保养,作业指导书编写。
使用者:按照作业指导书使用仪器。
4.作业内容:4.1.仪器参数4.1.1.可测量参数:电感量 L、电容量 C、电阻 R、品质因素 Q、损耗角正切值 D.4.1.2.测量速度:快速8次/秒,慢速4次/秒, 低速2次/秒.4.1.3.测试信号电平 Vrms(有效值):0.1V/0.3V/1.0V±10%;4.2.仪器面板4.3.功能键说明1.主参数指示: 指示当前测量主参数(L、C、R)2.参数显示:显示 L、C、R 914 153.主参数单位:指示当前测量主参数单位(如 pF、nF、μF 等).4.副参数显示:显示损耗 D 或品质因素 Q5.副参数指示:指示当前测量副参数(D、Q)6.等效键:设定仪器测量等效电路,一般选择串联等效电路.7.速度键: 快速8次/秒,慢速4次/秒, 低速2次/秒.8.清零键: 测电容时,测试夹具或测试电缆开路,按一下“清零”键,“开”灯亮,每次测试自动扣去底数;测电感、电阻时,测试夹具或测试电缆短路后,按“清零”键.9.锁定键: 灯亮仪器处于锁定状态,仪器测试速度最高.10.接地端:用于被测元件之屏蔽地.11.频率键 : 设定加于被测元件上的测试信号频率是 100Hz,1kHz 或 10kHz.12.电平键:每按一下,选择一种测试电平,分别在(0.1、0.3、1.0)V三种电平中循环.13参数键: 每按一下,选择一种主参数,分别在 L,C,R 三种参数中循环.14.电源开关:按下,电源接通;弹出,电源断开.15.测试信号端HD:电压激励高端;LD:电压激励低端;HS:电压取样高端;LS:电压取样低端.4.4.操作步骤:4.4.1.插上电源插头,将面板开关按至ON.开机后,仪器功能指示于上次设定状态,预热10分钟,待机内达到平衡后,进行正常测试.4.4.2.测试参数选择, 使用“参数”键选择L、C、R,单位如下:L:uH、mH、H(连带测试器件Q值)C:pF、nF、uF(连带测试器件D值)R:Ω、kΩ、MΩ(连带测器件间Q值)4.4.3.使用者应根据被测件的测试标准或使用要求按频率键、电压键,选择相应的测量频率、测试电压.可选择100Hz、1kHz、10kHz三个频率,1V、0.3V、0.1V三个电压.4.4.4.选择设置好测试参数、测试频率、激励电压后,用测试电缆夹头夹住被测器件引脚、焊盘.待显示屏参数值稳定后,读取并记录.4.4.5.清“0”功能4.4.5.1.通过清除存在于测量电缆或测量夹具上的杂散电抗来提高测试精度,这些电抗以串联或并联形式叠加在被测器件上,清“0”功能便是将这些参数测量出来,将其存储于仪器中,在元件测量时自动将其减掉,从而保证仪器测试的准确性. 4.4.5.2.仪器清“0”包括两种清“0”校准,即短路清“0”和开路清“0”.测电容时,先将夹具或电缆开路,按方式键使“校测”灯亮;测电阻、电感时,用粗短裸体导线短路夹具或测试电缆,按方式键使“校测”灯亮.4.4.5.3.可同时存放三组不同的清“0”参数,即三种频率各一种,相互并不干扰,仪器在不同频率下其分布参数是不同的.因此,在一种频率下清“0”后转换至另一频率时需重新清“0”.若某种频率以前已清“0”,则无需再次进行.而掉电保护功能保证以前清“0”值在重新开机后仍然有效,若环境条件(如:温度、湿度、电磁场等)变化较大则应重新清“0”.4.4.6.等效功能4.4.6.1.实际电容、电感和电阻都不是理想的纯电阻或纯电抗元件,一般电阻和电抗成份同时存在,一个实际的阻抗元件均可用理想的电阻器和电抗器(理想电感和理想电容)的串联或并联形式来模拟.而串联和并联形式两者之间是可以从数学上相互转换的,但两者的结果是不同的.其不同主要取决于元件品质因素Q(或损耗因子D).4.4.6.2.被测电容器的实际等效电路首先可以规格书或某些标准的规定得到,如果无法得到的话,可以用两个不同的测试频率下损耗因子的变化性来决定,若频率升高而损耗增加,则应选用串联等效电路;频率升高而损耗减小,则一应选用并联等效电路,并联方式D 与频率成反比.于电感来说,情况正好与电容相反.4.4.6.3.根据元件的最终使用情况来判定.用于信号耦合电容,则最好选择串联方式,LC谐振则使用并联等效电路.4.4.6.4.没有更合适的信息,则可根据以下信息来决定:低阻抗元件(较大电容或较小电感)使用串联形式;高阻抗元件(较小电容或较大电感)使用并联形式.一般地,当|Zx|<10Ω,应选择串联等效形式;当|Zx|>10k Ω,应选择并联等效方式;当10 Ω<|Z|<10k Ω,根据实际情况选择合适的等效方式. 仪器开机时,初始化为“串联”.4.4.7.测量速度选择, 所有仪器开机默认为中速测试,其测试精度和速度成反比,即速度越慢精度越高.但效率低,应根据实际情况选择合适的速度,一般选择中速,由面板上的速度按键来选择.4.4.8.电平选择, 一般高测试电平用于常规的元件测试(电容、电阻和某些电感),低测试电平用于需低工作信号电平的器件(如半导体器件、电池内阻、电感和一般非线性阻抗元件).对于某些器件来说,测试信号电平的改变将会使测量结果产生较大的变化,如一些电感性元件尤其如此.4.5.操作注意事项4.5.1.电源输入相线L,零线N应与仪器电源插头上标志的相线、零线相同.4.5.2.将测试夹具或测试电缆连接于本仪器前面板标志为HD、HS、LS、LD四个测试端.HD、HS对应一组,LD、LS对应一组.4.5.3.仪器应在技术指标规定的环境中工作,仪器特别是连接被测件的测试导线应远离强电磁场,以免对测量产生干扰.4.5.4.仪器测试完毕或排除故障需打开仪器时,应将电源开关置于OFF位置并拔下电源插头.4.5.5.仪器测试夹具或测试电缆应保持清洁,以保证被测件接触良好,夹具簧片调整至适当的松紧程度.。
三、操作方法:1.准备:接通AC220V电源,按下POWER 键,电源指示灯亮,预热10分钟,即可进行正常测量(一).电感测试方法
四、注意事项:
LCR数字电桥操作指导书
仪器名称: LCR数字电桥文件编号:SOP-DY-07033001编写:李敏龙适用机型: 生产工艺: 审批:作成日期: 2009.10.10文件版本: B 一、目的:规范LCR电桥的操作,进而有效确保进料检验之质量二、适用范围:
公司生产所用电感、电阻、电容元件的进料检验均适用之
将参数设定为L档,然后选择测试频率,把被测电感用仪器测试夹夹住,3秒钟后读数显示器即显示所测电感的电感值.
2.测试电感和电阻时,将测试夹短路,按清零键;测试电容时,将测试夹开路后,按清零键
(二).电容测试方法
将参数设定为C档,然后选择测试频率,把被测电容用仪器测试夹夹住,3秒钟后读数显示器即显示所测电阻的电阻值.秒钟后读数显示器即显示所测电感的电容值.
(三).电阻测试方法
将参数设定为R档,然后选择测试频率,把被测电阻用仪器测试夹夹住,3
ROUSANTECH
ELECTRONICS
ROUSANTE 读数显示POWER 键量程指频率设参数设定
测试夹
参数显示清零
1.保持好工作区清洁.认真做好5S。
2.操作时必须佩带防静电手环和手套。
频率设定
清零。
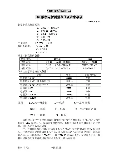
YY2810A/JS2810A
LCR数字电桥测量范围及注意事项
XGT/ZY.E.02仪器参数及测量范围:
R:0.000Ω---100MΩ
L:0.0μH---9999H
C:0.0PF---9999μF
Q:0.00---99
D:0.00---99
工作误差:±0.25%±1个字
极限分辨率:L:0.01μH
C:0.01PF
R:0.001Ω
注释:LOCK—锁定键L—电感Q—品质因素
SER —串联C—电容D—损耗角正切值
PAR —并联R—电阻
如果企图在一个不能达到最好的准确度的频率下测量上述不同的元件,频率指示灯LED就会闪亮,提示需要改换频率,电桥可以在不适当的频率下进行测量,但可以达到基本准确度。
注:当测量电解电容时,应该按下标有“BIAS”字样的键以提供2V极化电压。
注意在施加或撤除偏置电压之后,电桥需要大约30秒的稳定时间,在稳定过程中,显示器将显示“BIAS”。
一旦“BIAS”的显示消失,可以插入元件,测量就以仪器的正常速度进行而不会发生更大的稳定延迟。
拟制/日期:审批/日期:。
使用说明书OPERATION MANUAL精密LCR数字电桥安全警告:在使用操作和维护本仪器的任何过程中,务必遵守各项安全防护措施。
如果忽视和不遵守这些安全措施及本手册中的警告,不但会影响仪器性能,更可能导致仪器的直接损坏,并可能危及人身安全。
对于不遵守这些安全防范措施而造成的后果,优高电子科技有限公司不承担任何后果。
仪器接地本仪器为I 类安全仪器,连接电源时,请确认电源插座含有接地线。
如未接地,则机壳上有带静电或感应电及来自电源入口电击的危险,可能会造成人身伤害! 触电危险操作,测试与与仪器维护时谨防触电,非专业人员请勿擅自打开机箱,专业人员如需更换保险丝或进行其它维护,务必先拔去电源插头,并在有人员陪同情况下进行。
即使已拔去电源插头,电容上电荷仍可能会有危险电压,应稍过几分钟待放电后再行操作。
请勿擅自对仪器内部电路及元件进行更换和调整!输入电源请按本仪器规定的电源参数要求使用电源,不符合规格的电源输入可能损坏本仪器。
更换保险丝请使用相同规格远离爆炸性气体环境电子仪器不可以在易燃易爆气体环境中使用,或者在含有腐蚀性气体或烟尘环境中使用,避免带来危险。
其它安全事项请不要向本仪器的测试端子以及其它输入输出端子随意施加外部电压源或电流源。
使用外部偏置电流源或电压源测试时,必需有隔离措施。
带电器件务必放电后再进行测试。
目录使用说明书 (I)目录 (I)第1章准备使用 (1)1.1检查装运 (1)1.2检查电源 (1)1.3安装保险丝 (1)1.4连接电源线 (1)1.5环境要求 (2)1.6启动仪器 (2)1.7使用夹具 (2)第2章概述 (3)2.1前面板介绍 (3)2.2后面板介绍 (5)2.3显示区域介绍 (6)2.4基本操作指南 (7)第3章测量显示 (8)3.1<测量显示>页面 (8)多参数显示 (8)关闭显示 (9)监控显示 (9)小数位锁定 (10)量程设置(RANGE) (10)测试频率(FREQ) (11)测试电平(LEVEL) (11)测量速度(SPEED) (12)直流偏置(BIAS) (12)快捷清零 (12)3.2<分选显示>页面 (13)显示信息 (14)档比较(BIN CMP) (14)档计数(COUNTER) (14)3.3<通过测试>页面 (15)显示信息 (15)3.4<列表扫描>页面 (16)显示信息 (16)扫描模式 (17)不合格时 (17)3.5<图形扫描>页面 (17)显示信息 (18)工具 (18)第4章测量设置 (20)4.1复位测量设置 (20)4.2<测量设置>页面 (20)触发模式(TRIG) (22)触发延时(TRG DLY) (22)输出阻抗(SRC IMP) (22)平均次数(AVG) (23)自动LCR(AUTO LCR) (23)自动电平控制(ALC) (24)直流隔离(DCI ISO) (24)偏置源(BIAS SRC) (24)电压监视(VAC MON) (24)电流监视(IAC MON) (25)偏差模式(DEV) (25)偏差参考(REF) (25)步进延时(STEP DLY) (26)直流源(DC SOUR) (26)工具(TOOL) (26)4.3<极限设置>页面 (26)容限模式(TOL MODE) (27)顺序模式(SEQ MODE) (29)标称值(NOM) (29)参数交换(FUNC) (30)比较模式(CMP MODE) (30)公差模式(TOL MODE) (30)档比较(BIN CMP) (30)辅档开关(AUX BIN) (31)极限数据 (31)工具(TOOL) (31)4.4<用户修正>页面 (31)引用修正数据 (32)开路修正(OPEN) (33)短路修正(SHORT) (33)负载修正(LOAD) (34)电缆长度(CABLE) (34)通道模式(CH MODE) (34)修正参数(FUNC) (34)指定频率点修正 (35)工具(TOOL) (36)4.5<列表设置>页面 (36)编号 (37)参数 (37)频率 (37)电平 (37)偏置及直流源 (38)步进延时 (38)比较极限 (38)4.6<图形设置>页面 (38)扫描模式(MODE) (39)扫描始点(START) (40)扫描终点(STOP) (40)设定坐标范围 (40)工具(TOOL) (40)第5章系统配置 (42)5.1<系统设置>页面 (42)仪器功能(MAIN FUNC) (43)合格讯响(PASS ALARM)、失败讯响(FAIL ALARM) (43)显示风格(SKIN) (43)语言(LANGUAGE) (43)按键音(KEY SOUND) (44)密码(PASSWORD) (44)保存类型(SAVE TYPE) (44)配置系统时间 (44)HDL触发边沿(HDL TRIG EDGE) (45)HDL输出模式(HDL OUTPUT) (45)HDL延时(HDL DELAY) (45)总线模式(BUS MODE) (45)总线地址(BUS ADDR) (45)波特率(BAUD RATE) (46)多机模式(MULTI MODE) (46)数据发送(FETCH MODE) (46)数据保存(SAVE DATA) (46)偏置源(BIAS SOURCE) (46)工具(TOOL) (47)5.2<固件升级>页面 (47)第6存储与调用 (49)6.1存储系统概述 (49)存储功能 (49)调用功能 (49)存储媒体类型 (49)U盘文件结构 (49)6.2快捷保存到U盘 (50)将测量结果保存到U盘 (50)将屏幕快照保存到U盘 (51)6.3<文件列表>页面 (52)浏览文件 (52)操作文件 (52)第7章技术指标 (54)7.1测量精度 (54)7.2性能测试 (58)7.3通用指标 (61)附录A远程控制 (62)A.1RS232C远程控制系统 (62)RS232C参数 (63)A.3USB远程控制系统 (63)A.4数据格式 (65)附录B HANDLER接口 (67)B.1基本信息 (67)技术参数 (67)B.2信号线定义 (68)B.3时序图 (70)分选测量输出时序图 (70)列表扫描时序图 (71)B.4电气特征 (72)HANDLER接口板 (72)直流隔离输出 (73)直流隔离输入 (74)第1章准备使用感谢您购买和使用我公司产品,在您使用本仪器前请首先根据随机的装箱清单进行检查和核对,若有不符请尽快与我公司联系,以维护您的权益。
产品介绍TH2810B型LCR数字电桥是一种测试速度快、精度高、测试范围宽的通用阻抗测量仪器。
四个测试频率点,高至10kHz, 30Ω、100Ω两种不同信号源输出阻抗可使仪器测量结果与众多LCR 结果相一致,同时也能适应陶瓷电容器对测量电平的要求。
性能特点■性能提升的中档电桥■简便操作与强大功能的合理结合■读数稳定性好■键盘锁定功能■ 30Ω、100Ω两种输出阻抗■四档分选及HANDLER接口■提供RS-232C通讯接口■可选配的操作软件数字电桥操作规范一、目的1、规范LCR数字电桥测试仪的操作,指导测试作业。
二、适用范围1、适用于测试瓷片、贴片、插件电容、电阻、电感。
三、仪器基本键位说明:设置参数如下:6.2.0电阻测量操作步骤:6.2.1通过相关的检验文件,确定所需的测量频率、电压和串并联状态,按“下方向键”进行电阻(屏幕上会显示L/Q、C/D、R/Q)选定,选取R/Q;按左右方向键依次进行频率、电压、串并联选定。
设置参数如下:6.3.0电感测量操作步骤:6.3.1通过相关的检验文件,确定所需的测量频率、电压和串并联状态,按“下方向键”进行电感(屏幕上会显示L/Q、C/D、R/Q)选定,选取L/Q;按左右方向键依次进行频率、电压、串并联选定。
设置参数如下:7、待数据显示稳定后记录测试数据。
六、测试工作结束8、仪器面板上电源开关置于OFF位,关掉电源总开关。
9、拆除被测物件,拔掉仪器电源线,保持测试台与仪器整洁。
注意事项1、请勿向测试端施加电压或电流,以免损坏测试仪器。
2、测量带电器件(如电容器)前,请先放电后再测试。
3、请勿频繁开关仪器,以免造成仪器损坏。
4、请勿将物品堆放在仪器上或周围,保证仪器通风散热良好。
5、请参阅仪器说明进行作业。
lcr数字电桥工作原理及使用方法_lcr数字电桥作用介绍数字电桥的概念数字电桥就是能够测量电感,电容,电阻,阻抗的仪器,这是一个传统习惯的说法,最早的阻抗测量用的是真正的电桥方法,随着现代模拟和数字技术的发展,早已经淘汰了这种测量方法,但LCR电桥的叫法一直沿用至今。
如果是使用了微处理器的LCR电桥则叫LCR数字电桥。
一般用户又称这些为:LCR测试仪、LCR 电桥、LCR表、LCRMeter等等。
LCR数字电桥的结构1. 测试夹:被测元件由此接入;2. 读数显示器:测量值由4 位7 段LED 显示器显示;3. 量程指示:显示被测量的单位(单位右侧的小方块为红色LED 指示灯);4. 功能控制按键:测量控制按键由6 个功能键组成(每个按键内的小方块为红色LED 指示灯);5. 电源输入插座;6. 电源开关。
lcr数字电桥工作原理数字电桥的测量对象为阻抗元件的参数,包括交流电阻R、电感L 及其品质因数Q,电容C及其损耗因数D。
因此,又常称数字电桥为数字式LCR测量仪。
其测量用频率自工频到约100千赫。
基本测量误差为0.02%,一般均在0.1%左右。
数字电桥原理如图所示。
图中DUT为被测件,其阻抗用Zx表示,Rr为标准电阻器。
切换开关可分别测出两者的电压Ux与Ur,于是有下式:此式为一相量关系式。
如使用相敏检波器(PSD)分别测出Ux和Ur对应于某一参考相量的同相量分量和正交分量,然后经模数转换(A/D)器将其转化为数字量,再由计算机进行复数运算,即可得到组成被测阻抗Zx的电阻值与电抗值。
平衡式电桥测试原理从图中的线路及工作原理可见,数字电桥只是继承了电桥传统的称呼。
实际上它已失去传。
lcr电桥测电感使用方法嘿,朋友们!今天咱就来讲讲 LCR 电桥测电感的那些事儿。
你可别小瞧这 LCR 电桥,它就像是一把神奇的钥匙,能帮我们打开电感世界的大门呢!那怎么用它来测量电感呢?别急,听我慢慢道来。
首先啊,咱得把电桥准备好,就像战士要准备好自己的武器一样。
然后呢,把待测的电感元件连接到电桥上。
这时候你就得细心点啦,可别接错了引脚,不然它可不“乐意”给你准确的结果哦!接下来,就该调整电桥的参数啦。
这就好比是给电桥这个“小机灵鬼”下达指令,告诉它咱要测啥样的电感。
调整好了,就按下测量按钮。
嘿,就这么简单!你想想看,这就像是你要去探索一个神秘的地方,LCR 电桥就是你的向导,它能带你准确找到电感的各种信息。
测的时候,咱可得盯着点读数,那数字就像是电感在跟我们“说话”呢,告诉我们它的秘密。
要是读数不太对劲,咱就得检查检查是不是哪里出了问题。
比如说,是不是连接不牢固啊,是不是参数设置错啦,就像你走路的时候得时刻留意脚下有没有绊脚石一样。
而且哦,使用 LCR 电桥测电感的时候,环境也很重要呢!不能有太多的干扰,不然它也会“心烦意乱”,给你个不准确的结果。
这就好像你在安静的环境里才能专心思考问题一样。
还有啊,不同类型的电感可能需要不同的测量方法呢,可不能一概而论。
这就像不同的人有不同的性格,得用不同的方法去对待呀!总之呢,用LCR 电桥测电感,就得细心、耐心,还得有点小技巧。
只要你掌握了方法,它就能乖乖地为你服务,让你清楚地了解电感的各种特性。
怎么样,是不是觉得挺有意思的?赶紧去试试吧,让 LCR 电桥带着你在电感的世界里尽情探索吧!。
th2811c型lcr数字电桥操作流程下载温馨提示:该文档是我店铺精心编制而成,希望大家下载以后,能够帮助大家解决实际的问题。
文档下载后可定制随意修改,请根据实际需要进行相应的调整和使用,谢谢!并且,本店铺为大家提供各种各样类型的实用资料,如教育随笔、日记赏析、句子摘抄、古诗大全、经典美文、话题作文、工作总结、词语解析、文案摘录、其他资料等等,如想了解不同资料格式和写法,敬请关注!Download tips: This document is carefully compiled by theeditor.I hope that after you download them,they can help yousolve practical problems. The document can be customized andmodified after downloading,please adjust and use it according toactual needs, thank you!In addition, our shop provides you with various types ofpractical materials,such as educational essays, diaryappreciation,sentence excerpts,ancient poems,classic articles,topic composition,work summary,word parsing,copy excerpts,other materials and so on,want to know different data formats andwriting methods,please pay attention!TH2811C型LCR数字电桥的操作流程详解TH2811C型LCR数字电桥是一款高效、精确的电子测量设备,广泛应用于电子元件的阻抗测量。
lcr数字电桥阻抗校准LCR数字电桥是一种常用的电子测试仪器,用于测量电路中的电感、电容和电阻等参数。
它通过比较两个电路之间的阻抗差异来确定待测元件的参数值。
阻抗校准是保证测量准确性的重要步骤之一。
在使用LCR数字电桥进行测量之前,我们首先需要对它进行阻抗校准。
阻抗校准可以消除电桥本身的误差,确保测量结果的准确性和可靠性。
阻抗校准的基本原理是通过将已知阻抗的标准元件连接到电桥的两个输入端口,然后调整电桥的参数,使得电桥显示的阻抗值与标准元件的阻抗值相等。
这样就可以校准电桥的测量结果,使其更加准确。
在进行阻抗校准时,需要选择合适的标准元件。
通常情况下,我们会选择具有稳定性好、精度高的金属薄片电阻作为标准元件。
金属薄片电阻具有较小的温度系数和较低的温度漂移,可以提供较为准确的阻抗值。
阻抗校准的具体步骤如下:1. 将标准元件连接到电桥的两个输入端口,确保连接稳定可靠。
2. 调节电桥的参数,使得电桥显示的阻抗值与标准元件的阻抗值相等。
调节参数可以通过电桥上的调节旋钮或者控制面板上的按键来完成。
3. 反复检查和调节,直到电桥显示的阻抗值稳定在与标准元件相等的数值上。
4. 完成校准后,将标准元件拔出,连接待测元件进行测量。
除了标准元件的选择和参数调节外,还有一些注意事项需要考虑。
首先,阻抗校准应该在恒温条件下进行,以避免温度对测量结果的影响。
其次,校准前应先对电桥进行预热,以确保仪器处于稳定的工作状态。
此外,校准过程中应注意避免外界干扰,如电磁场干扰、振动干扰等。
LCR数字电桥的阻抗校准是保证测量准确性的重要步骤。
通过选择合适的标准元件,调节电桥的参数,并注意校准过程中的各项细节,可以消除电桥本身的误差,确保测量结果的准确可靠性。
阻抗校准的正确性和精确性对于电路参数的测量和分析具有重要意义,值得我们在使用LCR数字电桥时予以重视。