FANUC数控系统培训
- 格式:ppt
- 大小:1.73 MB
- 文档页数:38
发那科数控系统培训资料一、发那科数控系统简介发那科(FANUC)数控系统是目前全球应用广泛且性能卓越的数控系统之一。
它以其高度的可靠性、稳定性和强大的功能,在机械加工、模具制造、汽车工业等众多领域发挥着重要作用。
发那科数控系统具有丰富的产品线,能够满足不同类型机床和加工需求。
其操作界面友好,编程方式灵活多样,为操作人员提供了便捷的工作环境。
二、发那科数控系统的特点1、高精度控制发那科数控系统采用先进的控制算法和反馈技术,能够实现高精度的位置、速度和加速度控制,从而确保加工零件的精度和表面质量。
2、强大的功能具备多种加工模式和工艺功能,如车削、铣削、钻孔、攻丝等,并且支持复杂轮廓的加工和多轴联动。
3、高可靠性采用高品质的硬件和严格的生产工艺,保证了系统在恶劣工作环境下的稳定运行,降低了故障率和停机时间。
4、易于编程和操作提供了直观的人机界面和简单易懂的编程语言,使得操作人员能够快速上手,提高生产效率。
5、良好的开放性支持与其他设备和系统的通信和集成,方便实现自动化生产线的构建。
三、发那科数控系统的组成发那科数控系统主要由以下几个部分组成:1、数控装置(CNC)这是系统的核心部分,负责处理和运算加工程序,生成控制指令。
2、驱动单元包括伺服驱动器和电机,用于驱动机床的各坐标轴运动。
3、反馈装置如编码器、光栅尺等,用于实时监测机床的运动位置和速度,并反馈给数控装置,形成闭环控制。
4、操作面板操作人员通过操作面板输入指令、设置参数和监控机床运行状态。
5、电气控制系统包括电源、接触器、继电器等,为整个系统提供电力和控制信号。
四、发那科数控系统的编程1、编程基础(1)坐标系的设定:包括机床坐标系、工件坐标系等。
(2)指令格式:如 G 代码、M 代码等。
(3)编程方法:手动编程和自动编程。
2、常用编程指令(1)运动指令:如 G00 快速定位、G01 直线插补、G02/G03 圆弧插补等。
(2)辅助功能指令:如 M03 主轴正转、M05 主轴停止等。
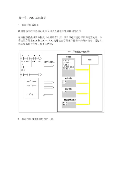
第一节:PMC基础知识1.顺序程序的概念所谓的顺序程序是指对机床及相关设备进行逻辑控制的程序。
在将程序转换成某种格式(机器语言)后,CPU即对其进行译码和运算处理,并将结果存储在RAM和ROM中。
CPU高速读出存储在存储器中的每条指令,通过算数运算来执行程序。
如下图所示:2.顺序程序和继电器电路的区别:上图所示:继电器回路(A)和(B)的动作相同。
接通A(按钮开关)后线圈B和C中有电流通过,C接通后B断开。
PMC程序A中,和继电器回路一样,A通后B、C接通,经过一个扫描周期后B 关断。
但在B中,A(按钮开关)接通后C接通,但B并不接通。
所以通过以上图例我们可以明白PMC顺序扫描顺序执行的原理。
3.PMC的程序结构对于FANUC的PMC来说,其程序结构如下:第一级程序—第二级程序—第三级程序(视PMC的种类不同而定)—子程序—结束如图:在PMC执行扫描过程中第一级程序每8ms执行一次,而第二级程序在向CNC的调试RAM中传送时,第二级程序根据程序的长短被自动分割成n等分,每8ms 中扫描完第一级程序后,再依次扫描第二级程序,所以整个PMC的执行周期是n*8ms。
因此如果第一级程序过长导致每8ms扫描的第二级程序过少的话,则相对于第二级PMC所分隔的数量n就多,整个扫描周期相应延长。
而子程序是位于第二级程序之后,其是否执行扫描受一二级程序的控制,所以对一些控制较复杂的PMC程序,建议用子程序来编写,以减少PMC的扫描周期。
输入输出信号的处理:一级程序对于信号的处理:如上图可以看出在CNC内部的输入和输出信号经过其内部的输入输出存储器每8MS由第一级程序所直接读取和输出。
而对于外部的输入输出经过PMC内部的机床侧输入输出存储器每2MS由第一级程序直接读取和输出。
二级程序对于信号的处理:而第二级程序所读取的内部和机床侧的信号还需要经过第二级程序同步输入信号存储器锁存,在第二级程序执行过程中其内部的输入信号是不变化的。
培训实习教材(1)基本参数设定一实习目的(一)掌握FANUC 数控系统的参数输入方法(二)掌握FANUC 数控系统的参数设定步骤(三)掌握机床运行所需要设定的最基本参数二实习内容学习参数设定支持画面中每一项的设定三实习步骤(一)系统通电,在[SETTING]画面下将参数可写入开关打开。
(二)系统断电,重新开机,开机的同时按住[RESET]键,其结果是系统参数被清除(但保密参数不被清除,如果是新版系统,没有保密参数)。
(三)多次按[SYSTEM]功能键直到出现参数设定支持画面(软键[PRMTUN])。
进入参数设定支持画面(按软键[PRMTUN])。
画面中的项目就是参数的设定调试步骤。
这次着重学习第一项“AXIS SETTING(轴设定)”项和最后一项“MISCELLANY (其它)”项,参数设定支持画面里的其他项将在别的课时里学习。
(四)按照顺序设定这两项参数。
第一项AXIS SETTING(轴设定),轴设定里面有以下几个组,对每一组参数进行必要的设定。
(BASIC(基本))组:有关基本设定的参数。
(COORDINA TE(坐标系))组:有关坐标系的参数。
(ACC./DEC.(加/减速))组:有关加减速的参数。
最后一项“MISCELLANY (其它)”项里面有一个组,对该组的参数进行设(五)设完之后,用手动进给方式尝试轴的进给,同时观察系统诊断画面,看看在梯形图正常的情况下,轴为什么不能实现进给?注意以下几个参数:PRM NO. 1023PRM NO. 1800#1(#404报警的屏蔽)PRM NO. 3003#0 3003#2 3003#3(互锁信号的屏蔽)PRM NO. 3004#5(硬限位信号的屏蔽)查找参数说明书,了解它们的详细意义,然后进行正确的设定。
考虑一下,在实际的机床当中,这些参数的设定!。
开始讲PMC数控系统除了对机床各坐标轴的位置进行连续控制(即插补运算)外,还需要对机床主轴正反转与起停,工件的夹紧与松开,刀具更换,工位工作台交换,液压与气动控制,切削液开关,润滑等辅助工作进行顺序控制,顺序控制由可编程控制器完成,由于发那科PLC和机床系统做成一体,为内装型,称为PMC .发那科PMC分为:PMC-L/M PMC SA1/SA2/SA3 SB7等几个版本,要注意你的机床上所用的版本,在PMC的PMCDGN中显示PMC程序特点:PMC也称顺序程序,其扫描从上向下,从左向右,例如:(有图)按下SW,则线圈A吸合,A吸合后,其常闭触点打开,故线圈B不吸合,不得电,因PMC自上向下顺序动作。
PMC程序结构:发那科程序结构分一级程序(用END1结束)和二级程序(用END2作为结束标志)。
一级程序在每个8MS扫描周期都先执行,然后8MS当中PMC扫描剩余时间再扫描二级程序。
如果二级程序在一个8MS中不能扫描完成,它会被分割成N段来执行。
在每个8MS执行中执行完一级程序扫描后再顺序执行剩余的二级程序。
因此一级程序为实时响应,对输入信号立即处理,所以一些急停,超22程,抱闸,机床进给保持(暂停)等放在一级程序中,以便快速处理,因此减小一级程序的长度,可使整个程序处理速度加快。
(有图)由图可见一级程序短,占用的扫描时间少,故可用较多时间多执行二级程序,则整个程序执行时间会缩短。
PMC 信号分析X 为机床到PMC 的输入信号,地址有固定和设定两种,对应面板按扭以及各种开关等。
Y为PMC给机床的输出信号,地址同样有固定和设定两种,通常输出控制小继电器,再去控制大接触器,控制电机或各种电磁阀。
F为CNC到PMC的信号,主要包括各种功能代码M ST的信息,(即M辅助功能,S转速和T选刀功能)手动/自动方式及各种使能信息,每种含义都是固定的,是发那科公司都定义好的,我们只能使用,不使赋值,不能当线圈用,只能是触点,如当读到编写加工程序中M代码时S500 M03,CNC会发出F7.0为1信号,M功能选通信号,我们只能使用F7.0的状态,不能用梯图使F7.0为1或0是错误。
第1章数控编程概述1.1 数控程序编制的基本概念数控机床是按照事先编制好的零件加工程序自动地对工件进行加工的高效自动化设备。
编程人员,根据加工的工艺路线、工艺参数、刀具的运动轨迹、位移量、切削参数(主轴转速、进給量、吃刀量等)以及辅助功能(换刀、主轴正转、反转、切削液开、关等),按照数控机床规定的指令代码及程序格式编写成加工程序,将程序存储在控制介质上(如穿孔纸袋、磁带、磁盘),输入到数控机床的数控装置中,从而指挥机床动作,加工出零件。
这种从零件图的分析到制成控制介质的全过程叫数控程序的编制。
一、数控编程的内容及步骤数控编程的主要内容有:分析零件图样、工艺处理、数值计算、编写程序、校验程序及首件试切。
零件图确定加工工艺过程分析零件图数值计算编写程序单首件试切程序校验数控机床图1-1 数控编程的步骤1.分析零件图样根据加工零件的图纸和技术文件,对零件对结构形状、尺寸精度、形状精度、基准、表面粗糙度、毛坯种类、件数、材料及热处理等项目进行分析。
2.工艺处理拟定加工工艺方案,确定加工方法、加工路线与余量的分配、定位加紧方式、选择机床、刀具、切削用量等。
3.数值计算根据零件的几何尺寸、工艺路线和坐标原点的位置,计算各加工轨迹点的坐标值、数值换算、尺寸链解算、辅助计算。
对于复杂的曲线和曲面,一般使用计算机辅助计算。
14.编写零件加工程序根据确定的加工路线、刀位数据、切削用量、辅助动作及数据计算的结果,按照数控机床规定的指令代码和程序段格式,逐段编写加工程序。
此外,还应填写相关的工艺文件,如数控加工工序单、数控刀具清单、工件安装和编程原点设置单等。
5.程序校验与首件试切程序校验首先要检查程序运动轨迹和控制数控机床的各种辅助动作的正误。
程序在数控机床上空运行,通过观察CRT 图形显示屏或观察数控机床的动作来检查程序。
其次,进行零件的首件试切,加工出一个零件,观察切削用量、断削效果等,测量其尺寸精度和表面精度,根据零件的实际情况,对程序进行调整确定。
第五章 FANUC系统数控车床实训操作第一节 FANUC 0-TD系统介绍一、FANUC 0-TD系统功能数控机床加工中的动作在加工程序中用指令的方式事先予以规定,这类指令有准备功能G、辅助功能M、刀具功能T、主轴转速功能S和进给功能F等。
由于目前数控机床的形式和数控系统的种类较多,同一G指令或同一M指令其含义不完全相同,甚至完全不同(例如在FANUC 0–TD中G90代表单一形状固定循环指令,而在FANUC 0–MD中G90代表绝对值输入指令)。
因此,编程人员在编程前必须对所使用的数控系统功能进行仔细研究,掌握每个指令的确切含义,以免发生错误。
(一)准备功能G指令表5-1列出了FANUC 0-TD数控车床系统常用的准备功能指令。
表5-1 FANUC 0-TD系统常用准备功能G指令及功能注:带☆号的G指令表示接通电源时,即为该G指令的状态。
00组的G指令为非模态G指令,其它均为模态G指令。
在编程时,G指令中前面的0可省略,G00、G01、G02、G03、G04可简写为G0、G1、G2、G3、G4。
(二)辅助功能M指令表5-2列出了FANUC 0-TD数控车床系统常用的辅助功能指令。
表5-2 FANUC 0-TD系统常用辅助功能M指令及功能注:在编程时,M指令中前面的0可省略,如M00、M03可简写为M0、M3。
(三)F、T、S功能1.F功能指定进给速度。
每转进给(G99):系统开机状态为G99状态,只有输入G98指令后,G99才被取消。
在含有G99的程序段后面,在遇到F指令时,则认为F所指定的进给速度单位为mm/r。
每分进给(G98):在含有G98的程序段后面,在遇到F指令时,则认为F所指定的进给速度单位为mm/min。
G98被执行一次后,系统将保持G98状态,直到被G99取消为止。
2.T功能指令数控系统进行换刀。
在FANUC 0-TD系统中,采用T2+2的形式。
例如T0101表示采用1号刀具和1号刀补。
数控机床编程与操作技巧培训资料数控机床编程与操作技巧主要内容:1、数控机床定义3、发那科、西门子编程操作实例4、孔系加工5、数控机床刀库相关介绍7 、小结重点内容发那科、西门子编程操作中相同于不同,操作中注意要点!要求根据工作中的实际情况,能熟练掌握各种机床的使用,熟悉各机床的优点和缺点。
6、数控刀具介绍2 、数控系统举例说明一、什么是数控机床:数控机床是数字控制机的简称,是一种装有程序控制系统的自动化机床。
该控制系统能够逻辑地处理具有控制编码或其他符号指令规定的程序,并将其译码,用代码化的数字表示,通过信息载体输入数控装置。
经运算处理由数控装置发出各种控制信号,控制机床的动作,按图纸要求的形状和尺寸,自动地将零件加工出来。
一、数控机床基本知识1、数控系统简介:数控系统是数字控制系统的简称,通过利用数字、文字和符号组成的数字指令来实现一台或多台机械设备动作控制,它所控制的通常是位置、角度、速度等机械量和开关量。
常用的数控系统有发那科、西门子、FAGOR、三菱、广数、华中等数控系统。
2、FANUC、西门子、法格、马扎克等数控系统和机床的概念差异: (1)FANUC目前在国内的系统很少有和个人电脑系统操作起来类似的,西门子系统根本上和个人电脑更相象,但归根到底大多数数控机床的系统是工业化的电脑系统。
(2)不同的系统操作键盘区别很大,但功能是一样的,也就是说,你只要知道这个键是什么含义,起到什么作用,那么也就没多少区别了。
每个系统都有自己独到的地方,需要专门学习。
下面让我们来了解一下FANUC 西门子法格这几种使用比较广泛的数控系统。
3、系统差异:(1)FANUC 固化在硬件,SIEMENS 是安装型系统;(2)FANUC 是功能按键操作,因此功能的提升、扩展受到限制,SIEMENS 是荧屏窗口操作,功能强大、易用。
因此从最高端的FANUC-15 到最底端的FANUC-0 面孔几乎一样,而SIEMENS-840D 与SIEMENS-802S 差别较大,这也是许多操作者对SIEMENS 操作没信心的原因!(3)FANUC 的安装调试复杂,SIEMENS 模块化安装,调试容易多了;(4)FANUC 同一版本、同一系列购买时出价越低得到的功能越少,甚至许多G指令都不给你用,砍价=砍机床功能!SIEMENS 为人厚道多了,同一版本、同一系列的系统,价格与系统功能没有联系!4、功能差异:(1)FANUC 只给出错误代码,其余由你来处理;SIEMENS 则给出错误所在的位置、处理方法.(2)预读:FANUC 只能预处理3个程序段,而后面的程序段则无法预读。