失常炉况分析总结
- 格式:docx
- 大小:27.36 KB
- 文档页数:10
第二节高炉炉况失常及处理三、失常炉况的标志及处理1. 失常炉况的概念由于某种原因造成的炉况波动,调节得不及时、不准确和不到位,造成炉况失常,甚至导致事故产生。
采用一般常规调节方法,很难使炉况恢复,必须采用一些特殊手段,才能逐渐恢复正常生产。
2.炉况失常原因◆基本操作制度不相适应。
◆原燃料的物理化学性质发生大的波动。
◆分析与判断的失误,导致调整方向的错误。
◆意外事故。
包括设备事故与有关环节的误操作两个方面。
3.失常炉况的种类低料线、悬料、炉墙结厚、炉缸堆积、炉冷、炉缸冻结、高炉结瘤等。
4.低料线高炉用料不能及时加入到炉内,致使高炉实际料线比正常料线低0.5m或更低时,即称低料线。
◆低料线的原因:①上料设备及炉顶装料设备发生故障。
②原燃料无法正常供应。
③崩料、坐料后的深料线。
◆低料线的危害:①破坏炉料的分布,恶化了炉料的透气性,导致炉况不顺。
②炉料分布被破坏,引起煤气流分布失常,煤气的热能和化学能利用变差,导致炉凉。
③低料线过深,矿石得不到正常预热,势必降低焦炭负荷,使焦比升高。
④炉缸热量受到影响,极易发生炉冷,风口灌渣等现象,严重时会造成炉缸冻结。
⑤炉顶温度升高,超过正常规定,烧坏炉顶设备。
⑥损坏高炉炉衬,剧烈的气流波动会引起炉墙结厚,甚至结瘤现象发生。
⑦低料线时,必然采取赶料线措施,使供料系统负担加重,操作紧张。
◆低料线的处理:①由于上料设备系统故障不能拉料,引起顶温高,开炉顶喷水或炉顶蒸汽控制顶温,必要时减风。
②不能上料时间较长,要果断停风。
造成的深料线(大于4 m),可在炉喉通蒸汽情况下在送风前加料到4m以上。
③由于冶炼原因造成低料线时,要酌情减风,防止炉凉和炉况不顺。
④低料线1 h以内应减轻综合负荷5%~l0%。
若低料线l h以上和料线超过3 m在减风同时,应补加净焦或减轻焦炭负荷,以补偿低料线所造成的热量损失。
⑤当装矿石系统或装焦炭系统发生故障时,为减少低料线,在处理故障的同时,可灵活地先上焦炭或矿石,但不宜加入过多。
高炉炉况失常原因及处理摘要:随着社会的进步,各个行业都在快速的运行中,其中有关钢铁高炉的运行也在不断的发展中,但是在运行的过程中,出现高炉炉况问题很多,基于此,本文对高炉失常的原因及处理进行了剖析,为优化处理失常炉况提供了相关建议,总结炉况失常的经验教训,避免炉况失常的再发生。
以便相关人士参考。
关键词:炉况失常;原因;处理;分析1 前言某钢铁集团有限公司炼铁总厂5#高炉有效容积1260m3,设有两个出铁场,20个风口;于2014年4月7日高炉炉况失常,经过30多小时的处理高炉炉况得以恢复,高炉主要技术经济指标炉况失常前后对比.2 高炉炉况失常的原因2.1 炉缸工作基础偏差高炉炉缸的工作状态直接影响到高炉炉况的稳定顺行,高炉炉况失常与高炉炉缸状态偏差有直接的关系,高炉炉况失常前高炉有塌料及滑尺现象,主要与高炉低强冶炼、风速偏低有关系,高炉综合冶炼强度维持在0.95t/m3d—1.15 t/m3d,风速维持在200m/s—220m/s,高炉炉渣碱度控制在0.95倍—1.05倍,高炉主要操作参数炉况失前后对比.高炉虽然采取了缩少风口直径、低碱度自循环洗炉及不定期用洗炉剂洗炉等措施,但炉缸工作状态仍然偏差,需要适当提高高炉冶炼强度,提高高炉鼓风动能,保持风口回旋区活跃。
2.2 铁口工作状态较差高炉炉前工作状态将直接影响到高炉炉内的操作,高炉炉况失常前铁口工作状态较差,具体体现在铁口难开,有断铁口现象,铁量差偏大,主要与高炉炉缸工作状态偏差及炮泥质量变差有关系;此次高炉炉况失常与高炉渣铁未出净有直接关系,正常每次铁出铁量为190t—220t,炉况失常前连续三次铁出铁量分别为89.6t、83.8t、80.8t,高炉炉缸渣铁未及时排放,导致后续高炉渣壳脱落,高炉炉况出现塌料滑尺,进而影响到高炉煤气流失常,高炉出现向凉趋势;需要强化高炉铁口的维护,保证高炉及时顺畅出净渣铁。
2.3 高炉操作迎调滞后高炉出现失常征兆后高炉操作者没有果断采取有效的迎调措施抑制高炉炉况的恶化,高炉操作者现场一次减风不到位、补充热量不充足、炉前组织没有及时出净渣铁,使高炉炉况出现难行悬料,风口前有涌渣、生降现象,炉缸工作状态向凉趋势;高炉操作者在处理异常炉况时,必须掌控减风控强及加焦补热的时机,在对炉况走势进行综合判断分析的基础上掌握必须快、准、狠的原则,快就是把握时机应快速,准就是炉况趋势判断准确无误,狠就是采取的措施必须一次到位。
高炉炉况失常总结1. 引言高炉作为炼铁工艺的核心设备,其正常运行对保持铁水生产的连续性和稳定性至关重要。
然而在实际生产过程中,高炉炉况时常发生失常情况,这些失常情况严重影响了高炉的正常操作和矿石冶炼效果。
本文将总结高炉炉况失常情况的常见原因和解决方法,旨在为高炉操作人员提供参考和指导。
2. 原因分析高炉炉况失常的原因多种多样,我们可以从以下几个方面进行分析:2.1. 炉料成分突变炉料成分的突变是高炉炉况失常的常见原因之一,特别是在原料的质量有较大波动时。
比如,矿石含杂质增加、含水率变化、石灰石镁含量异常波动等都可能导致高炉炉况失常。
解决这个问题的方法是加强原料的控制和检测,提前发现和处理突变情况。
2.2. 石灰石质量变差石灰石是高炉冶炼过程中常用的矫正剂和炉渣形成物,其质量的好坏直接影响高炉的炉况稳定性。
如果石灰石质量下降,容易导致炉渣膨胀、炉况不稳定等问题。
解决这个问题的方法是选择优质的石灰石供应商,建立稳定可靠的供应链。
2.3. 炉底渣疏松或积扎炉底渣的疏松或积扎都会影响高炉的正常运行。
炉底渣疏松会导致炉冷风过大,降低高炉的产量;而炉底渣积扎会导致炉冷风过小,影响高炉渣的排出。
解决这个问题的方法是定期清理炉底渣,并加强炉底渣的监测和分析。
2.4. 风温异常风温异常是高炉冶炼过程中常见的失常情况之一,风温过高或过低都会影响高炉的正常运行。
风温过高会使煤气燃烧不充分,导致高炉炉况不稳定;而风温过低会使煤气在炉内燃烧不充分,影响炉内温度和反应效果。
解决这个问题的方法是加强风温的监测和调节控制。
3. 解决方法针对以上分析的失常原因,我们可以采取以下措施进行解决:3.1. 建立完善的原料控制系统建立完善的原料控制系统,包括原料成分的在线检测和实时监控。
通过及时掌握原料成分的变化情况,可以在炉料成分发生突变时及时调整炉况,保持高炉的稳定运行。
3.2. 优化石灰石采购和使用选择优质的石灰石供应商,在建立稳定可靠的供应链的同时,加强对石灰石质量的检测和控制。
摘要根据柳钢高炉近年来多次出现炉况失常及处理的经验教训,总结了在处理失常炉况过程中减少反复、快速恢复操作经验。
关键词失常炉况处理原则措施1 引言经过近几年的技术改造,目前柳钢已经拥有300、380×3、750、1080、1250m3等各级高炉,到2005年底,可以达到500~600万t的生产规模。
在发展的过程中,技术装备水平不断提高,但是,高炉生产也由于各方面的原因,出现过各种炉况失常现象,处理时间长的达一个多月,少的也有l~2周时间,每年损失产量2~4万t。
2004年中期,总结了经验教训,总结出处理炉况的方法和措施,下半年,306 m3的2号高炉出现过两次炉凉事故, 750 m3的6号高炉也出现过炉况波动现象,由于采取的措施得当,炉况在2~3天就可以得到恢复,大大减少了炉况处理的时间和产量损失。
本文通过分析近几年炉况处理的得失,总结柳钢高炉炉况失常的快速处理方法。
2炉况失常的过程特征1999~2004年间,由于原燃料、设备故障、操作管理失误等原因,多次造成炉况大幅度波动进而发展成为炉况失常,处理过程达到半个月以上,有些次处理过程多次反复,最后发展成为炉墙结瘤和炉缸严重堆积的恶性事故,最后被迫采取降料面炸瘤的措施。
这些处理恢复时间长的炉况主要表现为:①炉况稳定性差、气流不稳定,不容易接受风量和风压,悬塌料多,后期容易悬死,风机回风;②风口出现大块、挂渣、生降等现象,误认为是处理过程中渣皮下降,③控制生铁含[Si]仍然按照标准化上限来控制,操作控制困难,渣铁物理热差,渣铁分离差,多次造成连续出格,少则2~3炉多则到21炉,损失惨重;④慢风率高,随着处理时间增加,风渣口烧损增多,呈现出严重堆积现象;⑤炉墙温度不均匀。
炉身纵向与横向温度严重失调;⑥堵风口进行恢复,开风口后不稳定,被迫重新堵风口恢复。
3炉况失常的原因分析回顾这些炉况恢复的处理过程,分析其原因主要有:(1)炉况波动的本质不清楚,处理的措施不到位;(2)措施中稳定炉况的条件没有创造好,炉温低、风温使用高,造成炉况稳定性差,难以加风,进而形成事实上的慢风,慢风率高,个别高炉整天处于慢风状态;疏导煤气流的制度没有形成统一的认识,特别是无料钟炉顶的操作规律没有掌握,气流不稳定,料柱透气性差,给炉况恢复造成困难;(3)操作上失误,亏料多、连续滑塌料没控制好,出现风口挂渣炉凉征兆,判断失误为渣皮脱落,提温不及时,措施不到位,贻误了时机;(4)炉温控制不足,炉况恢复所要求的充沛炉温不能满足,然而恢复炉况过程炉温难以控制,实际往往会造成偏低,特别是在渣皮脱落或其他情况造成炉温偏低时,风口前固状物难以熔化并及时流进炉缸,导致回灌风口、吹管等,反复造成慢风、难行、悬料、炉凉等现象;(5)慢风率高,加风的条件不足:炉温按标准化控制偏低,尤其是渣铁物理热不足,顺行后加风冶炼进程加快,出现炉温下降铁水出格等现象,被迫减风作业,影响加风恢复进程,同时进一步加剧炉缸堆积和炉墙结厚,洗炉达不到效果,耽误了处理进程;4炉况恢复的特点和措施2004年7月,总结了柳钢高炉在重大炉况失常情况下炉况恢复的经验,具体阐述如下:(1)首先确立炉况顺行的原则:特别是在炉温偏低炉况多次出现滑料塌料情况下,首先控制住滑料塌料现象,防止出现炉凉,造成风口烧穿、灌渣等恶化炉况事故。
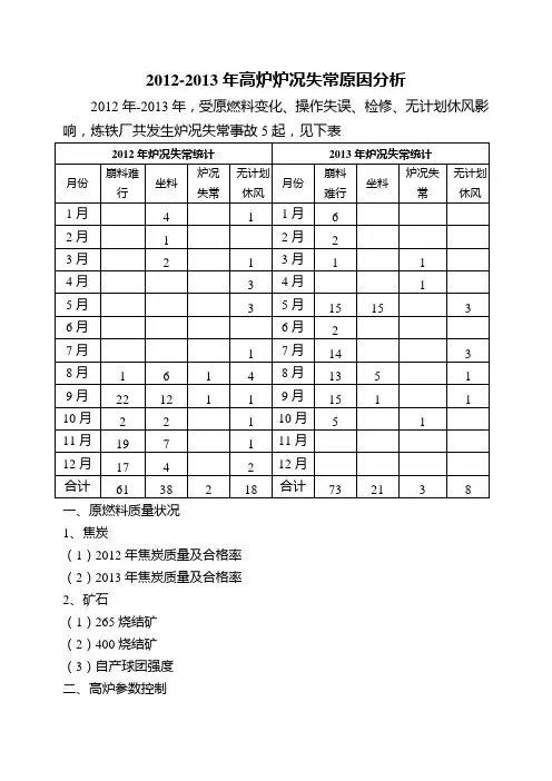
2012-2013年高炉炉况失常原因分析2012年-2013年,受原燃料变化、操作失误、检修、无计划休风影一、原燃料质量状况1、焦炭(1)2012年焦炭质量及合格率(2)2013年焦炭质量及合格率2、矿石(1)265烧结矿(2)400烧结矿(3)自产球团强度二、高炉参数控制1、2012年参数控制2、2013年参数控制3、风口调整情况三、事故分析一、原燃料状况1、焦炭质量状况(1)2012年焦炭质量对比(2、烧结矿:2013年烧结矿碱金属和Zn含量均比2012年升高。
其中烧结矿含锌13年5月达到最高点,平均达到0.1。
给高炉生产带来极大不便。
(4)落地矿消耗:二、工艺参数控制1、2012年高炉工艺参数指标(1)1#炉工艺参数指标(2)2#炉工艺参数指标(3)3#炉工艺参数指标2、2013年高炉工艺参数指标(3)3#炉工艺参数指标12年5月份前,原燃料相对稳定,各炉炉况比较顺行。
为释放风机潜能,提升指标,5月、6月各高炉均扩大风口面积。
随着市场变化,成本压力增大,在推行经济型炉料的前提下,4座高炉在12年底都缩小了风口面积。
3、4#高炉在13年4月再次缩小面积。
从上表看出,2012年6月3、4#高炉行划检修,对风口面积进行了调整,共更换风口小套14个;2012年11月1、2、4#高炉计划检修对风口面积进行调整,共更换风口小套18个,中套1各;2013年2月更换小套17个,中套4个;4月更换小套36个,中套11个。
分析:2013年上半年共更换风口套88个,除4#炉4月发生炉缸冻结烧损26个风口外,其余大多数都是在高炉检修恢复期间烧损,或者是套体变形,炼铁厂在操作上采取了如(1)在恢复和休风前退将负荷最低到2.3;(2)恢复前采取集中堵风口;(3)上休风料和恢复期间加锰矿等各种措施,效果不佳。
但自从6月以后,烧结矿中的锌含量下降后这种现象明显改善,检修恢复时几乎不烧风口套。
经验得出炉料中的锌含量要有控制标准(<0.07%)。
4号高炉炉况失常分析一、事故经过从6月16日开始试验分装多环以后,前期(6月16日-30日)炉内压量关系基本稳定,但焦比、综合焦比等指标没有得到改善。
进入7月份以来,4号高炉先后两次炉况波动,高炉各项技术指标在上月的基础上退步很多.但多环装料制度基本能维持计划焦比及产量指标.6月30日为进一步优化指标,试图通过调整炉内料面平台,提高煤气利用,将中心焦由原来的3.2t/3批变为1.8t/3批,布料环数改变为在中心角上布2环焦炭(两种方式计算中心焦比例分别为19%和29%)。
7月1日开始,高炉风量回缩较多,特别是到了中班平均风量减小到1132m3/min,当时误认为是返炉温造成风量回缩,没有及时采取措施。
7月2日夜班开始悬料(悬料3次),导致炉况失常。
失常后装料制度恢复到单环,堵8个(5#-11#)风口逐步恢复。
13日中班19:10 16#风口坏,但经看水技师判断,该风口为上部烧坏,且坏的很小,基本不向炉内漏水,决定维持该状况继续恢复炉况。
生产期间风量一直没有恢复到失常前的水平(7月6日至7月16日稳定在1170m3/min左右,正常时1210m3/min左右),焦比等指标均未能完成计划,只有产量基本可以保持在1600吨左右,勉强完成计划水平。
7月21日开始,炉况在中旬的基础上有所退步,风量回缩到1150m3/min左右。
7月21日夜班8#风口坏,考虑到已坏两个风口(16#风口已于13日坏),为避免坏风口向炉内大量漏水,于7月21日9:06-10:26休风更换,并堵4个(10#-13#)风口恢复炉况,白班12#风口吹开后,考虑到13#风口有被烧坏的可能,中班被迫将13#风口打开。
过程中因鼓风动能一直偏小,在22-24日恢复期间,炉内仍然没有涨风量的迹象,连续三天,高炉在14个风口送风的情况下,风量持续偏小(平均风量仅为1021 m3/min、1003 m3/min、1009 m3/min,动能维持在25 kj/s左右)。
龙钢某高炉炉况失常原因分析发布时间:2021-10-13T04:04:57.674Z 来源:《中国科技信息》2021年10月中29期作者:李斌单蕾[导读] 本文通过对龙钢公司某高炉炉况失常过程描述,多角度对失常原因进行分析整理,总结炉况失常教训,避免炉况失常再次发生。
陕西龙门钢铁有限责任公司李斌单蕾摘要:本文通过对龙钢公司某高炉炉况失常过程描述,多角度对失常原因进行分析整理,总结炉况失常教训,避免炉况失常再次发生。
关键词:炉况失常、炉温、煤气流引言:龙钢公司某高炉炉容为1800m3,2020年3月份采用浇注工艺进行大修开炉后,高炉炉况持续较好,各项经济技术指标屡破记录,成为公司标杆高炉。
2020年11月18日高炉富氧攻关进程中炉况出现波动,在后续恢复过程中因原燃料条件变差及操作不当造成操作炉型失控,导致恢复时间较长,下面就此事故进行分析,以便为今后此类事故的预防提供参考。
1.失常经过2020年11月18日上午7时左右,高炉软水系统温差由4.7℃开始波动,白班后期系统温差达到6.0-6.5℃,且一直居高不下,下午14时炉身23米、25米、27米、30米各点出现不同程度波动,温差持续爬升,至下午19时左右升高到7.5℃,随即出现管道气流,工长立即减风控氧并缩矿批至55t,退负荷至4.28倍运行,稳定后晚上20时左右开始恢复氧气,至19日0时恢复氧气10000m3/h后发现温差又开始持续升高,随即控制氧气至8000m3/h,一个小时后温差开始下降,11月19日2:40氧气恢复至12000m3/h,3:25出现压量不适,再次减风减氧控制冶强,此时透气性已经恶化,而且在恢复过程压量关系不匹配,边缘气流不稳定,系统温差波动大,中心不畅,出现多次管道气流。
为增加鼓风动能打通中心气流,促进恢复进程,于11月21日休风堵风口恢复炉况,11月22日炉况好转,随富氧3000m3/h未再突破,至23日富氧至12000m3/h,24日夜班氧气13000m3/h, 11月25日至12月2日,高炉仍频繁出现管道气流,整个恢复过程炉身23米以上冷却壁温度一直没有稳定下来,被迫于12月2日下午再次选择休风堵风口恢复。
煤气发生炉炉况不正常原因分析及处理方法浅谈一、煤气发生炉的热运行在煤气发生炉的实际操作中,出现热运行这种不正常的状况,是绝对不允许的。
这种状况的主要特征:炉出煤气温度达到600度以上,已经达到了煤气自然的温度,非常危险。
在这种状况下,如果打开炉顶探火孔,炉内红亮,冒出的煤气会自然着火燃烧,炉内气化层结大渣,温度高达1300度,温度很高,如果钎探容易烧断钎子,炉顶外部会出现较高温度,炉内撒煤装置会烧脱落等,化验分析煤气,含二氧化碳比较高,一氧化碳比较低。
产生热运行的原因:1、灰层过高,总煤层过低,氧化层(火层)上移,还原层、干馏干燥层几乎没有了,成了大火炉。
出现这种状况,煤气中大部分是二氧化碳,因此,煤气出口温度高达600度以上,更有可能在空层中产生自然着火。
遇到这种情况:注意,要加快除灰,加快进煤,使干燥层燃料加厚覆盖。
氧化层下移至正常位置(炉篦顶200MM)进入炉底蒸汽量要增加,使氧化层降温,直到调整好炉况,使炉出口温度降至正常温度550度。
2、饱和温度过小,空气中蒸汽含量小,造成氧化层急烈燃烧,导致气化层温度升高。
出现这种炉状,氧化层已结大渣成溶渣,风量阻力很大,在没有结渣的周围,气体流速增加,没有经过碳表面还原(二氧化碳),煤气中二氧化碳过多。
同时由于炭被熔渣中含炭量也会增加,浪费了能源。
由于氧化层结渣,往往会出现偏烧现象,因为结渣的部位煤层落不下来,没有结渣的位下落比较顺畅,如不及时处理,时间一长,就形成顺畅的部位氧化层火旺,结渣部位气流不顺畅,氧化层火不旺,直到出现灭火。
产生这种情况:注意,要加大饱和温度(蒸汽量),降低氧化层温度,用粗30MM 钢钎打碎熔渣,同时转动灰盘,挤压小块灰渣出炉外。
如果炉内灰渣太大,用粗钎打不碎,就必须进行停炉处理。
否则将会损坏炉篦等设备,造成较大损失。
二、煤气发生炉的冷运行煤气发生炉冷运行的现象特征:炉出口煤气温度低于400度,从探火孔观察炉内黑色稍有红色,钎探根本测不出氧化层或不明显。
第五章失常炉况的处理高炉冶炼是一个复杂的过程,它受到许多主客观因素的影响,炉况的波动是经常的,炉况的稳定和平衡是相对的。
高炉操作者首先要学会综合判断炉况,熟练掌握各种调节方法。
要分析好上班,操作好本班,照顾好下班,搞好四班衔接。
在操作中做到勤观察、勤分析,坚持早动、少动,准确无误。
一、正常炉况的标志:表现在三个方面,六个指标,一个互相适应,一个正常,即:上升煤气流分布合理稳定:(顶温<300℃,四点极差<50℃;煤气分布,十字测温曲线合理,均匀,稳定)下降物料流均匀顺畅;(料尺均匀,不塌,不偏,不滑,不悬,各尺差别≯0.5mm;压量关系平稳,全风量且风量与料速相适应)炉内温度场分布合理:(渣铁流畅,圆周纵向热负荷(炉衬温度,水温差)均匀稳定)煤气流分布与装料制度相适应。
渣铁排放正常。
二、边缘过分发展,中心过重由于上下部调剂不适应或调剂不当,动能过低或溜槽磨漏,边缘负荷轻造成大部分煤气沿边缘上升,因而煤气利用恶化,消耗升高,同时炉衬及冷却设备受到的侵蚀加重。
长期边缘过轻会导致炉缸中心堆积,炉凉,焦比升高,甚至出现连续塌料,管道,悬料,炉墙结厚等炉况严重失常现象。
(一)征兆:1、炉喉煤气边缘CO2含量比正常下降,中心CO2上升,煤气曲线最高点向中心移动,呈馒头状曲线,混合煤气中CO2降低,CO/CO2比值升高。
2、十字测温边缘温度升高,中心温度降低。
3、料尺有滑落现象,料速不均。
4、风压尚平稳但降低,曲线呆滞,易产生风压锐降,然后突然上升而悬料。
5、顶压频繁出现向上尖峰。
6、顶温升高,顶温曲线展开。
7、炉腰,炉身冷却水温差,炉墙温度升高,波动大。
8、初期风口很亮,后出现风口工作不均,有升降,涌渣,灌渣现象。
9、渣铁物理热低,渣中(FeO)波动且升高,铁中〔S〕升高。
10、严重时冷却设备损坏,风口损坏。
(二)处理方法1、采用疏导中心加重边缘的多环布料制度,单环布料时增大矿焦角或角差,以加重边缘负荷。
不正常炉况及处理一、运行中的煤气炉,有时会出现异常现象,如煤气炉出温度过高或过低,炉渣含碳量增高,炉内出现结渣、冒火等现象,均称之为不正常炉况。
造成这种现象的主要原因有以下三个方面:1、供应的气化原料不符合要求,如煤的质量降低,含灰分、煤矸石增多;煤的块度不均匀,含煤粉多,恶化了炉内正常气化条件。
2、发生炉本身存在缺陷,如加煤系统或出灰系统出现故障或零件损坏,致使加煤、出灰不均匀等。
3、司炉工操作失误,如饱和温度未控制好,对加煤、出灰、炉内层次变化情况未及时监测和调整等。
二、当然这些原因不是孤立的,而是相互牵连的,有时还是其共同作用的结果。
因此,炉况不正常的表现也是多种多样的,互相交错的,我们在这里将常见的不正常炉况归纳为三个问题予以分析、说明。
鉴于在正常生产条件下前两个因素基本固定。
即使出现,也显而易见,故在分析时着重说明操作因素及处理方法。
(一)煤气发生炉的热运行1、煤气发生了热运行的特征及判断①、可从炉出温度表上看出,煤气炉出温度超过工艺规定值(600℃)。
②、打开探火孔观察,可见炉面呈红亮或黄亮色,有时有局部冒火现象。
③、探钎可发现炉内有结渣现象,钎子插不下去,火层温度高,钎子拿出时火层呈黄亮色,有时甚至将钎子烧断。
④、煤气取样化验,二氧化碳超过规定值,煤气发热量降低。
2、热运行形成原因及处理方法热运行形成原因常见有两种,针对不同原因,采取不同的处理方法①、饱和温度太低,即向炉底供风管中加入的蒸汽量少了,送入炉内的风中含水蒸汽量不足,使炉内温度特别是氧化层温度增高,当温度超过灰渣熔点时,灰渣融化,结成块状,这样不仅是沿炉截面的均匀供风遭到了破坏,恶化了炉内气化条件,而且由于大块熔渣的存在,使气流与煤碳的接触面减少,二氧化碳和水蒸气未能与煤碳充分反应就通过了还原层。
结果煤气炉出温度高,煤气中二氧化碳多,发热值低。
出现这种情况时,应该减少该台炉子的负荷,适当提高饱和温度,使炉内温度降到规定值,然后视具体情况作如下处理:当结渣不严重时,用探炉的钎子穿插,破碎渣快,并适当调整加煤量和出灰量,使炉子逐渐恢复正常。
涟钢7#高炉炉况失常的分析与处理
涂春林刘赵晶李贯中
涟源钢铁集团公司,湖南 娄底 417009
对涟钢7#高炉炉况失常的原因与处理进行了总结分析,认为原燃料质量出现波动、炉况不稳、风温低及风量调节不及时是炉况失常与恢复困难的主要原因。
采取相应措施和调整操作制度后,炉况得到好转。
高炉;炉况失常;炉墙结厚;分析;处理
TF543+.1A1671 - 3818(2011)05 -0034 -03
ANALYSIS AND DISPOSAL ON OPERATION DISORDER
OF BLAST FURNACE
Tu ChunlinLiu ZhaojingLi Guanzhong
涂春林(1977 -),男,工程师,硕士研究生,2004年毕业于武汉科技大学.
风口涌渣,认为
的调剂控制
@@[1]翟启杰,吴悦.铸造合金优化配料原理与计算机软件开发[J].现代铸铁,1999,75(3):60-61.@@[2] 张久明.用LP方法优化熔铸配料[J].轻合金加工技术,2001,29(10):7 -8.
@@[3] 吴胜利,韩宏亮,徐少兵,等.高炉优化配料数学模型的研究[J].钢铁,2007,42(9):19 -23.@@[4]谢清纯,史峰,要甲,等.陶瓷原料配比方案优化方法[J].系统工程,2010,28(2):122 -126.。
04.12~05.4 2#高炉炉况分析总结2#高炉从04.12~05.4月初经历了长时期的炉况不稳,给生产带来极大的影响。
产量及其他经济技术指标均在较低水平徘徊(05.2除外)分析炉况失常及恢复可分为两个阶段:第一阶段为:04.12~05.1,这阶段高炉的主要矛盾为:稳定气流,恢复风量。
一、失常的原因分析:1、炉况基础不好04.12初2#高炉在11月初处理炉缸中刚恢复,又遇外界原燃料条件不好及崩亏料的影响,炉缸出现恶化(12月5日~9日崩料10次,亏料1次3.9M)年休恢复时风口吹开过多,风量被迫上去,造成料行不畅,顶温高,导致管道气流,炉况失常。
2、操作炉型不规则,有局部结厚的可能,气流不稳,风量难以恢复。
3、对炉况的认识、把握、恢复上有偏差,节奏未调整好。
a)对于高炉失常的判断经历了从处理炉缸到炉腹粘再到炉身下部较高位置粘的过程;b)高炉操作者在气流的把握上存在失误,料制的使用,恢复的节奏过快,用O2的时机未把握好。
04年12月12日休风堵风口+热洗操作后,随后喷煤70kg/t.Fe,料制很快用回11档,12月14日14:42便富氧3000m3/h,两小时后因气流原因被迫17:25停氧。
同样经历12月15日加组合焦热洗后17日10:09再次富氧,19日4:36被迫停氧稳气流,料制回到C 987442O 1029844松边。
二、 炉况处理:基于对高炉炉况认识的原因,炉况的处理分两个阶段。
1、 元月4日以前,主要处理以:加组合焦热洗;加锰矿洗炉缸;上部适当松边,料制用过C 987343O 1039843,C 987442O 1029844等。
2、 元月4日开始判断炉身下部较高位置局部粘结,因此采取偏堵2#探尺方向的12#~24#加上3#,9#共15个风口,负荷退至O/C3.0,结合组合焦(1K+5H )×8,强制调整气流,取得了很好的效果;经过了元月7日、15日两次休风调整风口,更换漏水和歪小套后,气流得到控制,元月17日喷煤,料制随着风量过度到逐渐压边,元月31日,捅开18#风口,产量达6100t/d 以上,高炉基本恢复正常。
生产.技术操作规程考试卷
高炉炉况稳定是高炉日常操作维护的重点,对于炉况失常,采用果断到位的措施,防治问题出现。
具体是:
1休拉排减风次数多,慢风率高
送风不稳时,处理措施为:先恢复炉缸工作,风量适宜、下限碱度,炉温适宜,炉凉热量补充充足,采取喷吹渣铁口方式,活跃炉缸。
长期休风采取措施:临时性堵风口、增加除铁次数、大喷渣铁口、适宜焦炭负荷等调剂手段
2亏料线作业
高炉长期亏料线作业,会影响到高炉煤气流的合理分布和炉料的有序热交换,容易导致炉凉事故及悬、崩料事故出现,应采取相应的减风和加焦等措施,降低冶炼的节奏和进程,并采取相应的调剂手段,防止炉凉。
3连续崩料
高炉崩料容易导致渣壳脱落,高炉操作者应及时减风来抑制崩料,并关注风口状态;若炉凉引起崩料应及时补充足够的焦炭,同时改善煤气流。
4连续低温
当炉温采用低于下限炉温,若调剂不及时容易导致炉凉事故,炉缸冻结,高炉结瘤等,应采取相应措施,并规范化操作。
5变料次数多
当变料次数多时,应策划好用料结构,争取稳定配料结构,减少变料次数,稳定高炉焦炭负荷,确保炉况长期处于稳定顺行状态。
6顶温过高
炉顶温度过高,会导致下部空间小,下料速度慢,探尺呆滞等,应采取切断煤气等操作手段,防止烧损炉顶设备和布袋除尘系统。
7高炉炉凉
高炉炉凉时一定应看住炉前工作,增加出铁次数,长时间大喷渣铁口,必须将凉渣凉铁喷净,当高炉多种事故时,应尽可能优先处理炉凉事故。
(王华)。
八钢高炉炉况失常原因及处理张文庆(宝钢集团八钢公司炼铁分公司)摘要:对宝钢集团八钢公司新区有效容积高炉炉况失常原因进行分析,通过总结炉况异常采取处理措施,要求高炉作业必须执行好技术规程,提前采取措施预防事故发生。
关键词:大型高炉:炉顶煤气流;负荷八钢公司新区高炉有效容积,于年月日点火投产。
经过近两年生产实践,在高炉操作上取得较大进步。
年月高炉出现异常炉况,高炉不接受风量期间,炉身中上部有结厚现象,高炉崩悬频繁,高炉炉况完全失常,此次事故经过天处理,高炉才逐渐恢复正常,期间高炉指标及产S较差。
为此,对高炉炉况失常进行分析。
高炉失常过程年月曰高炉il划检修小时,月日中班点加入休风料,因当时高炉矿焦负荷较轻,因而休风料矿焦负荷选择较低。
至年月日:顺利开风,比讣划提前小时。
休风前气流不理想,边缘气流强,开风后在复风料反应期间,气流分布较好,但复凤轻负荷料反应完后,中心气流逐渐减弱。
具体操作:复风后恢复正常:,:风量逐步加到,值在,之后值维持在(正常炉况V)。
说明休凤料逐步在反应后,高炉料柱透气性逐渐变差。
月日中班高炉出现两次朋料,一次悬料,且风量逐渐萎缩到,炉身静压波动大且频繁,造成加凤困难。
日夜班出现连续性朋滑料,风量维持在。
白班:调整至,期间炉况有所好转,风量加到。
日:恢复至,到当日中班炉况出现异常,出现连续崩悬料并伴有管道,高炉越来越不接受风量,凤量一直萎缩,于是逐步退至,全焦冶炼恢复炉况。
风量有所恢复。
日日高炉一直退负荷操作维持,从退至全焦,炉身静压波动频繁剧烈,高炉越来越不接受风量,炉况趋于恶化,至日高炉风呈维持在,日中班高炉连续悬料,不下料,高炉坐料操作后,铁水温度严重不足,观察高炉风口至风口发红,炉缸温度严重不足,同时风口漏水灌渣,中班悬料后坐料造成个风口灌渣,炉缸有趋凉现象,高炉炉况完全失常。
炉况处理本次炉况处理恢复正常分为个阶段。
第一阶段为一般炉况处理阶段,从月日日计划休风,高炉检修完开风后,高炉压差偏高,炉身静压波动大,气流分布紊乱,高炉风量只能维持在(正常风量)同时毎班有悬料,管逍和大量小崩料,月曰退负荷,月日退负荷,白班炉况正常,风量维持在,但值较高在以上,中班炉况突然恶化,:悬料后高炉不接受风S,凤量萎缩期间连续悬料,第一阶段处理炉况失败,炉况恶化。
罕王集团专家组处理乌钢炼铁1#高炉失常炉况分析总结2009年9月份,乌钢炼铁1#高炉由于受炉料结构调整及外部环境的影响,同时因高炉操作人员经验不足,导致炉况失常,形成恶性循环,并且持续长达近1个月,对全线生产造成严重影响,给公司带来巨大损失。
根据袁董事长建议,公司于9月26日邀请罕王集团赖厂长、周厂长、陈炉长对1#高炉进行诊断及处理,经过5天的调剂,炉况基本转为正常。
为了吸取教训,总结此次失常炉况产生的原因和处理经验,为今后生产提供宝贵经验,特撰此文:一、失常炉况的原因及过程由于受经济危机的影响,公司对产能进行适当收缩,对3号高炉进行封炉,1号高炉单炉生产。
由于外购球团面临较大压力,因此公司决定对高炉炉料结构进行调整,通过降低烧结矿碱度,提高烧结矿配加量,降低球团使用量。
炼铁1#高炉从8月29日起开始使用低碱度烧结矿(碱度:1.3〜1.4 ),由于碱度的变化,同时配加了较多的含铁杂料,烧结矿成矿率大幅度下降,而且大粒级的烧结矿也占有较大比例,因此对高炉生产造成了不良影响。
同时由于高炉调剂不及时,对炉况判断不准,使高炉炉况恶化,采取多种手段均无法挽回失常炉况。
公司于9月2日被迫将烧结矿碱度又调整到1.5〜1.6,一直到9 月26日早6: 50分罕王集团专家组投洗炉料为止,1#高炉全月处于不顺行状态,高炉接受风量的能力较差,下料不顺,长期处于慢风状态,调整炉况周期较长,有些处理过程长达半个月以上,并多次反复,造成高炉悬料、崩料,被迫采取减风坐料等措施,炉况严重恶化,最后发展为炉墙结厚及炉缸堆积的恶性炉况,导致产量下降,同时由于煤气不足,并影响到整个公司生产秩序。
炉外方面的重大影响为:9月1日铁水包溜包事故,休风4小时;9月4日铁水包漏铁事故,休风11.5小时。
使炉况本已不顺的高炉雪上加霜。
二、失常炉况在生产过程中的表现1)平均风温900 C,平均风压210KPa风温利用率较低,风压低于正常操作水平,达不到强化冶炼的效果;2)高炉煤气分布较乱,并形成管道,没有达到理想的煤气流发展,影响煤气的利用率,造成焦比升高;3)慢风率高,加风条件不足,炉温偏低,尤其是渣铁物理热不足,进一步加剧炉缸堆积和炉墙结厚;4)操作上失误,亏料线时间过长,出现连续崩料,控制不好,堵塞煤气的通道,影响高炉顺行;5)炉墙粘结,炉腰、炉身下部出现水温差。
局部炉墙温度与8 月5日相比,温度下降100C左右,明显已有结厚;6)批重减轻,由16t逐步缩小至10t ;7)顺行程度差。
主要是崩、塌料、管道行程频繁、悬料不断。
9月3日开始,高炉开始不稳,崩料不断,当天悬料10次、崩料9次, 4日、5日崩料5次;之后炉况趋于稳定,到9月20日炉况又开始恶化,连续5天每天崩料5次以上;8)风口经常有生降,风口温差大,有的明亮、有的呆滞,风口回旋区焦炭下料不正常;9)产量降低,休风率较高,平均利用系数只有 2.49,综合焦比626.97 kg/t • Fe,比8月份综合焦比上升100 kg /t • Fe。
附表1:高炉经济技术指标情况日期利用系数冶炼强度综合焦比焦炭负荷综合品位休风时间休风率8/29-925 2.49 1.52 626.97 2.41 58.12% :时间表时 3.99% :附表2:生产操作情况日期厶平均产量日料批I 矿石批重I焦炭批重I 平均风压平均风炉渣碱度8/29--9/25 1117.85 137 13.64 5.84 2.07 892.89 1.08附表3:采取的操作方针布料角度节流阀角度料线a矿a焦B矿B焦1.7米21 °23 °25 °30 °三、我们对失常炉况的处理根据炉况的恶化情况,袁董事长于9月21日组织炼铁厂工长以上人员召开会议,专题研究失常炉况的处理方案,确定如下措施:1)集中加焦,增加调剂层,重新调整煤气分布。
高温融化软融带结厚部位,并保证炉缸热量充足;2)堵风口增加鼓风动能,活跃炉缸,打开中心死料柱,让煤气横向发展。
但由于炼铁厂已提前采取调剂措施,为保证调剂的连续性及调剂的周期性,于9月23日才采取预定方案,并于当天12: 22分堵1#、5#、8#风口,连下5批净焦+10批负荷料+5 批净焦;23: 30分休风堵3#、9#、11#、12#风口,开8#风口,共计堵风口6个;9月24日对风口进行了调整,堵1#、3#、5#、6#、9#风口,共计堵风口5个。
料制(6批焦+6批正常料)X 3,每循环首批料球代烧4吨;9月25日12: 30分加焦1批+3批正常料+焦1车+2批正常料+2批焦+5批正常料(首批球代烧2吨)+2批焦+5批正常料+ (1 批焦+5批正常料)X循环带入。
四、罕王专家组对失常炉况的处理过程及措施9月25日下午专家组成员到达炼铁,对1#高炉进行了会诊,并天当天晚上6:30分制定出洗炉方案(洗炉料单附后)。
根据会诊情况,判断炉腰上部、炉身中下部有结厚现象,并且有炉缸堆积现象,采取集中上净焦的方式,进行热洗炉。
通过高温煤气的冲刷,消除炉墙结厚,重新改善煤气流分布,使炉况尽快恢复正常。
1、洗炉工作安排洗炉方法:以净焦为主,配合萤石洗炉。
洗炉安排:A、堵风口时间:中班尾次铁出完后休风,堵1#、2#、3#、12#、13#、14#风口,其余风口透开。
要求堵风口必须严实,不得吹开。
B、上洗炉料时间:见洗炉料单。
C、洗炉期间要求热风压力控制在150KPaD 洗炉时炉腰以上冷却设备要进行分段控水,水量控制在最小,保证洗炉效果。
(保持目前0.3MPa常压水)E、前期洗炉料下达后,要求炉温达到Si : 3.0,保持3次铁,之后每次铁下降0.2〜0.3的速度逐步开始降炉温。
洗炉期间炉渣碱度按照1.0〜1.02之间控制。
理论炉渣碱度按照0.9左右控制。
F、风温控制在850C,保证炉况顺行。
G 洗炉料过后,炉温降至Si : 1.6,风温900〜950 C,炉渣碱度按照正常碱度下限控制,S: 0.030〜0.050控制。
H、炉内要精心操作,力保顺行,防止崩悬料和烧损炉顶设备。
I、洗炉期间看水工要密切注意炉体水温差的变化,0.5小时测量1次温差,做好记录,有变化要及时汇报工长、炉长。
J、洗炉结束以炉腰以上冷却壁温度普遍上升至正常水平为标准。
附表4:洗炉料单项目K(kg)P (kk)球比% 萤石(kk)料制a矿a焦负荷净焦5000 10KK J22 22洗炉料3000 13正常料4500 10000 50 8(KK J+PP) J22 22 2.22 净焦5000 6KK J22 22洗炉料3000 13正常料4500 10000 50 14(KK >PP) 「22 22 2.222、洗炉工作过程所采取的措施1)由于洗炉料准备不充分,原计划萤石洗炉改为锰矿洗炉,锰矿洗炉料的用量与萤石相同。
9月28日10: 31分外购萤石入厂,改为萤石洗炉,每2批料600 kg o2)调整料线,把1.7米料线恢复到1.2米。
3)校对机械传动布料角度与计算机程控布料角度,并根据对炉喉部位料面堆角的观察,确定以机械传动角度为准。
4)布料角度确定为18°,同角布料,随着炉况的好转按每次调整增加0.5。
为原则。
5)PPJ KKJ上料制度改为P J K J P J K J上料,并且节流阀角度调整为,B P 17 °、B K 23 °,随着炉况的逐步正常调整为B P25 °、BK30 °。
6)逐步增加矿批,随着矿批的增加,焦炭负荷加重。
附表5:机械传动布料角度与计算机程控布料角度的偏差计算机数据19°19.5 °20°20.5 °21°机械传动数据26°27°28°29°29.5 °偏差角度7°7.5 °8°8.5 °8.5 °3、洗炉过程中炉况的变化情况由于炉缸堆积比专家预想的还要严重,到9月26日,高炉顺行情况不理想,煤气流分布混乱,没有正常的上升通道,导致炉料下降不顺,料速慢(26日料批:早班18批、中班34批、晚班7批),炉外操作劳动强度加大,渣铁分离不好,铁量骤减,中班连续3炉产量降低,分别为12.20吨、7.5吨>10.8吨,风压由160KPa下调到114KPa 风温始终维持在800C左右,透气性指数7.0,炉顶温度难控制,上升到450C左右,被迫多次进行炉顶打水。
13: 00分减风至80KPa坐料,15: 05分减风至50KPa 坐料。
26日晚19: 30当班出第二炉铁后,渣铁分离不好,同时11#小套漏水。
20: 10分出完铁后休风处理主沟渣铁,并更换11#小套,导致风口灌渣,7#、8#、9#、10#、11#风口灌渣严重,真吹管与弯头连接一起,处理此事故休风长达10小时34分钟,破坏了调剂的连续性,促使炉况的进一步恶化。
9月27日& 44分复风后,继续按洗炉方案进行调剂。
11: 47 分发现7#小套漏水,休风进行处理,导致6#、8#风口灌渣。
(从烧损小套观察,漏水部位在小套上沿,判断为炉料大量融化下降后堆积风口上部所致)从烧损的小套观察,炉墙结厚部位已有大部分脱落,炉况向好的方向发展。
到9月27日晚班炉况逐渐好转,铁量增多,铁口好开。
并根据炉况好转情况,从27日开始逐渐打开风口(开风口时间详见附表6),提高入炉风量。
9月28日早班,铁口出铁顺畅,当班出铁8次,风口明亮耀眼,工作活跃,炉缸温度上升,此次调剂已初见成效。
附表6:堵/开风口时间表9月25日9月27日9月28日9月29日9月30日堵风口1#、2#、3#、12#、13#、14#开风口1#、2# 3#、12# A A#14 13#4、专家组对装料制度的调整(上部调剂措施)附表7:变料表单位:吨日期原燃料焦炭负荷变料时间烧结矿球团矿焦批萤石矿批重9/26 6.0 4.0 4.3 0.3 10 2.339/27 6.0 4.0 4.2 0.3 10 2.38 15:326.5 3.5 4.0「0.3 10 2.50 18:187.0 3.0 4.0 0.3 10 2.50 22:209/28 7.0 3.0 3.95 0.3 10 2.53 6:51 7.2 2.8 3.95 :0.3 10 2.53 5:08 7.9 3.1 4.35 0.3 11 2.53 8:40 7.9 3.1 4.4 0.3 11 2.50 10:00 7.9 3.1 4.35 :0.3 11 2.53 11:507.9 3.1 4.25 0.3 11 2.59 13:008.6 3.4 4.25 0.3 12 2.82 18:35 8.8 3.2 4.65 0.3 12 2.58 20:109/29 8.8 3.2 4.55 0.3 12 2.64 2:209.7 3.3 4.9 0.3 13 2.65 6:33 9.9 3.1 4.9 0.3 13 2.65 7:45 9.9 3.1 4.85 0.3 13 2.68 7.55附表&表料角度调整表日期布料角度节流阀角度变动时间a矿a焦B矿B焦9/26 19°19°17°r 23°9/27 17°18°17°23°15: 32 18°18°17°P 23°15: 449/2817°17°17°r 23°5: 08 18°18°17°23°5: 22 18.5 °18.5 °17°r 23°6: 26 16°16°17°r 23°7: 45 17°17°17°23°19: 23 17.5 °17.5 °17°:23°23: 539/2918°18°17°r 23°0: 21 17°17°17°23°4: 59 18°18°17°r 23°5: 35 17.5 °17.5 °17°P 23°10: 32 17°17°17°23°11: 40 17.5 °17.5 °17°r 23°12: 11 16°16°17°P 23°15: 45 17°17°17°23°15.491)9月26日装料制度由PPJ KKJ调整为P J K J P J K J,采取单车放料的调剂手段,一矿一焦布料,减少矿层厚度,增加软融带的透气性,改善煤气的利用。