《饲料添加剂使用规范》
- 格式:docx
- 大小:37.35 KB
- 文档页数:2
《饲料药物添加剂使用规范》中华人民共和国农业部公告第168号为加强兽药的使用管理,进一步规范和指导饲料药物添加剂的合理使用,防止滥用饲料药物添加剂,根据《兽药管理条例》的规定,现发布《饲料药物添加剂使用规范》(以下简称《规范》),并就有关事项通知如下,请各地遵照执行。
一、凡农业部批准的具有预防动物疾病、促进动物生长作用,可在饲料中长时间添加使用的饲料药物添加剂(品种收载于附录一),其产品批准文号须用“药添字”。
生产含有“附录一”所列品种成分的饲料,必须在产品标签中标明所含兽药成分的名称、含量、适用范围、停药期规定及注意事项等。
二、凡农业部批准的用于防治动物疾病,并规定疗程,仅是通过混饲给药的饲料药物添加剂(包括预混剂或散剂,品种收载于附录二),其产品批准文号须用“兽药字”,各畜禽养殖场及养殖户须凭兽医处方购买、使用,所有商品饲料中不得添加“附录二”中所列的兽药成分。
三、除本《规范》收载品种及农业部今后批准允许添加到饲料中使用的饲料药物添加剂外,任何其他兽药产品一律不得添加到饲料中使用。
四、兽用原料药不得直接加入饲料中使用,必须制成预混剂后方可添加到饲料中。
五、各地兽药管理部门要对照本《规范》于10月底前完成本辖区饲料药物添加剂产品批准文号的清理整顿工作,印有原批准文号的产品标签、包装可使用至2001年12月底。
六、凡从事饲料药物添加剂生产、经营活动的,必须履行有关的兽药报批手续,并接受各级兽药管理部门的管理和质量监督,违者按照兽药管理法规进行处理。
七、本《规范》自发布之日起执行。
原我部《关于发布(允许作饲料药物添加剂的兽药品种及使用规定)的通知》(农牧发[1997]8号)和《关于发布“饲料添加剂允许使用品种目录”的通知》(农牧发[1994]7号)同时废止。
二OO一年六月四日饲料药物添加剂使用规范1二硝托胺预混剂Dinitolmide Premix[有效成分]二硝托胺[含量规格]每1000g中含二硝托胺250g。
附件:饲料添加剂平安使用标准注1:由于测定方法存在精密度和准确度的问题,局部维生素类饲料添加剂的含量规格是范围值,假设测量误差为正,那么检测值可能超过100%,故局部维生素类饲料添加剂含量规格出现超过100%的情况。
钴:来自以下化合物硫酸钴Cobalt sulfateCoSO4CoSO4·H2OCoSO4·7H2O化学制备≥≥≥≥≥≥养殖动物牛、羊0.1~0.3鱼类0~12—氯化钴CobaltchlorideCoCl2·H2OCoCl2·6H2O化学制备≥≥≥≥—乙酸钴Cobalt acetateCo(CH3COO)2Co(CH3COO)2·4H2O化学制备≥≥≥≥牛、羊0.1~0.4鱼类—碳酸钴CobaltcarbonateCoCO3化学制备≥≥反刍动物牛、羊—硒:来自以下化合物亚硒酸钠SodiumseleniteNa2SeO3化学制备≥〔以干基计〕〔以干基计〕养殖动物畜禽0.1~0.3鱼类使用时应先制成预混剂,且产品标签上应标示最大硒含量酵母硒Seleniumyeast complex酵母在含无机硒的培养基中发酵培养,将无机态硒转化生成有机硒发酵生产—有机形态硒含量≥产品需标示最大硒含量和有机硒含量,无机硒含量不得超过总硒的2.0%铬:来自以下化合物烟酸铬Chromiumnicotinate化学制备≥≥生长肥育猪饲料中铬的最高限量是指有机形态铬的添加限量吡啶甲酸铬Chromiumtripicolinate化学制备≥常量元素化合物通用名称化合物英文名称化学式或描述来源含量规格,%适用动物在配合饲料或全混合日粮中的推荐添加量,%在配合饲料或全混合日粮中的最高限量,%其他要求以化合物计以元素计。
农业部公告第2625号――饲料添加剂安全使用规范(2018修
订)
【法规类别】农业管理
【发文字号】农业部公告第2625号
【发布部门】农业部
【发布日期】2017.12.15
【实施日期】2018.07.01
【时效性】现行有效
【效力级别】部门规范性文件
农业部公告
(第2625号)
为切实加强饲料添加剂管理,保障饲料和饲料添加剂产品质量安全,促进饲料工业和养殖业持续健康发展,根据《饲料和饲料添加剂管理条例》有关规定,我部对《饲料添加剂安全使用规范》(以下简称《规范》)进行了修订。
现将有关事项公告如下。
一、各省、自治区、直辖市人民政府饲料管理部门实施饲料添加剂(混合型饲料添加剂除外)生产许可应遵守本《规范》规定,不得核发含量规格低于本《规范》或者生产工艺与本《规范》不一致的饲料添加剂生产许可证明文件。
二、饲料企业和养殖者使用饲料添加剂产品时,应严格遵守“在配合饲料或全混合日粮中的最高限量”规定,不得超量使用饲料添加剂;在实现满足动物营养需要、改善饲料
品质等预期目标的前提下。
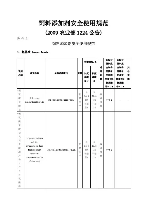
饲料添加剂安全使用规范中华人民共和国农业部公告第1224号根据《饲料和饲料添加剂管理条例》有关规定,为指导饲料企业和养殖单位科学合理使用饲料添加剂,提高饲料和养殖产品质量安全水平,保护生态环境,促进饲料产业和养殖业持续健康发展,我部制定了《饲料添加剂安全使用规范》(以下简称《规范》)。
一、本次公告的《规范》中,涉及《饲料添加剂品种目录(2008)》中氨基酸、维生素、微量元素和常量元素的部分品种,其余饲料添加剂品种的《规范》正在制定过程中,待制定完成后将陆续公布。
二、《规范》中含量规格一栏仅公布了饲料添加剂产品的主要规格。
三、《规范》中“在配合饲料或全混合日粮中的最高限量”为强制性指标,饲料企业和养殖单位应严格遵照执行。
本公告自发布之日起生效。
特此公告中华人民共和国农业部二〇〇九年六月十八日附件2:饲料添加剂安全使用规范1. 氨基酸Amino Acids续表2. 维生素Vitamins注1续表续表续表续表续表续表注1:由于测定方法存在精密度和准确度的问题,部分维生素类饲料添加剂的含量规格是范围值,若测量误差为正,则检测值可能超过100%,故部分维生素类饲料添加剂含量规格出现超过100%的情况。
3. 微量元素Trace Minerals续表续表微量元素化合物通用名称化合物英文名称化学式或描述来源含量规格,%适用动物在配合饲料或全混合日粮中的推荐添加量(以元素计),mg/kg在配合饲料或全混合日粮中的最高限量(以元素计),mg/kg其他要求以化合物计以元素计铬:来自以下化合物烟酸铬Chromiumnicotinate化学制备≥98.0 ≥12.0生长肥育猪0~0.2 0.2饲料中铬的最高限量是指有机形态铬的添加限量吡啶甲酸铬Chromiumtripicolinate化学制备≥98.0 12.2~12.44. 常量元素Macro Minerals续表续表。
饲料添加剂安全使用规范农业部公告第2625号为切实加强饲料添加剂管理,保障饲料和饲料添加剂产品质量安全,促进饲料工业和养殖业持续健康发展,根据《饲料和饲料添加剂管理条例》有关规定,我部对《饲料添加剂安全使用规范》(以下简称《规范》)进行了修订。
现将有关事项公告如下。
一、各省、自治区、直辖市人民政府饲料管理部门实施饲料添加剂(混合型饲料添加剂除外)生产许可应遵守本《规范》规定,不得核发含量规格低于本《规范》或者生产工艺与本《规范》不一致的饲料添加剂生产许可证明文件。
二、饲料企业和养殖者使用饲料添加剂产品时,应严格遵守“在配合饲料或全混合日粮中的最高限量”规定,不得超量使用饲料添加剂;在实现满足动物营养需要、改善饲料品质等预期目标的前提下,应采取积极措施减少饲料添加剂的用量。
三、饲料企业和养殖者使用《饲料添加剂品种目录》中铁、铜、锌、锰、碘、钴、硒、铬等微量元素饲料添加剂时,含同种元素的饲料添加剂使用总量应遵守本《规范》中相应元素“在配合饲料或全混合日粮中的最高限量”规定。
四、仔猪(≤25 kg)配合饲料中锌元素的最高限量为110 mg /kg,但在仔猪断奶后前两周特定阶段,允许在此基础上使用氧化锌或碱式氯化锌至1600 mg/kg(以锌元素计)。
饲料企业生产仔猪断奶后前两周特定阶段配合饲料产品时,如在含锌110 mg/kg基础上使用氧化锌或碱式氯化锌,应在标签显著位置标明“本品仅限仔猪断奶后前两周使用”,未标明但实际含量超过110 mg/kg或者已标明但实际含量超过1600 mg/kg的,按照超量使用饲料添加剂处理。
五、饲料企业和养殖者使用非蛋白氮类饲料添加剂,除应遵守本《规范》对单一品种的最高限量规定外,全混合日粮中所有非蛋白氮总量折算成粗蛋白当量不得超过日粮粗蛋白总量的30%。
六、如无特殊说明,本《规范》“在配合饲料或全混合日粮中的推荐添加量”“在配合饲料或全混合日粮中的最高限量”均以干物质含量88%为基础计算,最高限量均包含饲料原料本底值。
农业部公告第168号饲料药物添加剂使用规范中华人民共和国农业部公告第168号饲料药物添加剂使用规范农业部公告第168号:饲料药物添加剂使用规范为加强兽药的使用管理,进一步规范和指导饲料药物添加剂的合理使用,防止滥用饲料药物添加剂,根据《兽药管理条例》的规定,我部制定了《饲料药物添加剂使用规范》(以下简称《规范》),现就有关问题公告如下:一、凡农业部批准的具有预防动物疾病、促进动物生长作用,可在饲料中长时间添加使用的饲料药物添加剂(品种收载于《规范》附录一中),其产品批准文号须用“药添字”。
生产含有《规范》附录一所列品种成份的饲料,必须在产品标签中标明所含兽药成份的名称、含量、适用范围、停药期规定及注意事项等。
中华人民共和国呀中华人民共和国呀呀中华人民共和国呀中华人民共和国中华人民共和国呀2呀2中华人民共和二、凡农业部批准的用于防治动物疾病,并规定疗程,仅是通过混饲给药的饲料药物添加剂(包括预混剂或散剂,品种收载于《规范》附录二中),其产品批准文号须用“兽药字”,各畜禽养殖场及养殖户须凭兽医处方购买、使用,所有商品饲料中不得添加《规范》附录二中所列的兽药成份。
三、除本《规范》收载品种及农业部今后批准允许添加到饲料中使用的饲料药物添加剂外,任何其他兽药产品一律不得添加到饲料中使用。
四、兽用原料药不得直接加入饲料中使用,必须制成预混剂后方可添加到饲料中。
五、各地兽药管理部门要对照本《规范》于10月底前完成本辖区饲料药物添加剂产品批准文号的清理整顿工作,印有原批准文号的产品标签、包装可使用至2001年12月底。
六、凡从事饲料药物添加剂生产、经营活动的,必须履行有关的兽药报批手续,并接受各级兽药管理部门的管理和质量监督,违者按照兽药管理法规进行处理。
七、本《规范》自2001年7月3日起执行。
原我部《关于发布<允许作饲料药物添加剂的兽药品种及使用规定>的通知》(农牧发[1997]8号)和《关于发布“饲料药物添加剂允许使用品种目录”的通知》(农牧发[1994]7号)同时废止。
农业部公告第168号:饲料药物添加剂使用规范为加强兽药的使用管理,进一步规范和指导饲料药物添加剂的合理使用,防止滥用饲料药物添加剂,根据《兽药管理条例》的规定,我部制定了《饲料药物添加剂使用规范》(以下简称《规范》),现就有关问题公告如下:一、凡农业部批准的具有预防动物疾病、促进动物生长作用,可在饲料中长时间添加使用的饲料药物添加剂(品种收载于《规范》附录一中),其产品批准文号须用“药添字”。
生产含有《规范》附录一所列品种成份的饲料,必须在产品标签中标明所含兽药成份的名称、含量、适用范围、停药期规定及注意事项等。
中华人民共和国呀中华人民共和国呀呀中华人民共和国呀中华人民共和国中华人民共和国呀2呀2中华人民共和二、凡农业部批准的用于防治动物疾病,并规定疗程,仅是通过混饲给药的饲料药物添加剂(包括预混剂或散剂,品种收载于《规范》附录二中),其产品批准文号须用“兽药字”,各畜禽养殖场及养殖户须凭兽医处方购买、使用,所有商品饲料中不得添加《规范》附录二中所列的兽药成份。
三、除本《规范》收载品种及农业部今后批准允许添加到饲料中使用的饲料药物添加剂外,任何其他兽药产品一律不得添加到饲料中使用。
四、兽用原料药不得直接加入饲料中使用,必须制成预混剂后方可添加到饲料中。
五、各地兽药管理部门要对照本《规范》于10月底前完成本辖区饲料药物添加剂产品批准文号的清理整顿工作,印有原批准文号的产品标签、包装可使用至2001年12月底。
六、凡从事饲料药物添加剂生产、经营活动的,必须履行有关的兽药报批手续,并接受各级兽药管理部门的管理和质量监督,违者按照兽药管理法规进行处理。
七、本《规范》自2001年7月3日起执行。
原我部《关于发布<允许作饲料药物添加剂的兽药品种及使用规定>的通知》(农牧发[1997]8号)和《关于发布“饲料药物添加剂允许使用品种目录”的通知》(农牧发[1994]7号)同时废止。
中华人民共和国农业部二〇〇一年九月四日2001饲料药物添加剂使用规范续上表续上表续上表续上表续上表续上表续上表续上表饲料药物添加剂附录一7拉沙诺西钠预混剂24那西肽预混剂8氢溴酸常山酮预混剂25阿美拉霉素预混剂9盐酸氯苯胍预混剂26盐霉素钠预混剂10盐酸氨丙啉、乙氧酰胺苯甲酯预混剂27硫酸粘杆菌素预混剂11盐酸氨丙啉、乙氧酰胺苯甲酯、磺胺喹啉预混剂28牛至油预混剂12氯羟吡啶预混剂29杆菌肽锌、硫酸粘杆菌素预混剂13海南霉素钠预混剂30吉它霉素预混剂14赛杜霉素钠预混剂31土霉素钙预混剂15地克珠利预混剂32金霉素预混剂16复方硝基酚钠预混剂33恩拉霉素预混剂17氨苯胂酸预混剂饲料药物添加剂附录二磺胺喹啉、二甲氧苄啶预混剂。
中华人民共和国农业部公告第168号《饲料药物添加剂使用规范》为加强兽药的使用管理,进一步规范和指导饲料药物添加剂的合理使用,防止滥用饲料药物添加剂,根据《兽药管理条例》的规定,我部制定了《饲料药物添加剂使用规范》(以下简称《规范》),现就有关问题公告如下:一、农业部批准的具有预防动物疾病、促进动物生长作用,可在饲料中长时间添加使用的饲料药物添加剂(品种收载于《规范》附录一中),其产品批准文号须用“药添字”。
生产含有《规范》附录一所列品种成份的饲料,必须在产品标签中标明所含兽药成份的名称、含量、适用范围、停药期规定及注意事项等。
二、凡农业部批准的用于防治动物疾病,并规定疗程,仅是通过混饲给药的饲料药物添加剂(包括预混剂或散剂,品种收载于《规范》附录二中),其产品批准文号须用“兽药字”,各畜禽养殖场及养殖户须凭兽医处方购买、使用,所有商品饲料中不得添加《规范》附录二中所列的兽药成份。
三、除本《规范》收载品种及农业部今后批准允许添加到饲料中使用的饲料药物添加剂外,任何其它兽药产品一律不得添加到饲料中使用。
四、兽用原料药不得直接加入饲料中使用,必须制成预混剂后方可添加到饲料中。
五、各地兽药管理部门要对照本《规范》于10月底前完成本辖区饲料药物添加剂产品批准文号的清理整顿工作,印有原批准文号的产品标签、包装可使用至2001年12月底。
六、凡从事饲料药物添加剂生产、经营活动的,必须履行有关的兽药报批手续,并接受各级兽药管理部门的管理和质量监督,违者按照兽药管理法规进行处理。
七、本《规范》自2001年7月3日起执行。
原我部《关于发布(允许作饲料药物添加剂的兽药品种及使用规定)的通知》(农牧发[1997]8号)和《关于发布“饲料药物添加剂允许使用品种目录”的通知》(农牧发[1994]7号)同时废止。
附件:1:饲料药物添加剂使用规范2:饲料药物添加剂附录一3:饲料药物添加剂附录二中华人民共和国农业部二00一年九月四日附件11、二硝托胺预混剂 Dinitolmide Premix[有效成分]二硝托胺[含量规格]每1000g中含二硝托胺250g。
饲料添加剂安全使用规范农业部公告第2625号为切实加强饲料添加剂管理,保障饲料和饲料添加剂产品质量安全,促进饲料工业和养殖业持续健康发展,根据《饲料和饲料添加剂管理条例》有关规定,我部对《饲料添加剂安全使用规范》(以下简称《规范》)进行了修订。
现将有关事项公告如下。
一、各省、自治区、直辖市人民政府饲料管理部门实施饲料添加剂(混合型饲料添加剂除外)生产许可应遵守本《规范》规定,不得核发含量规格低于本《规范》或者生产工艺与本《规范》不一致的饲料添加剂生产许可证明文件。
二、饲料企业和养殖者使用饲料添加剂产品时,应严格遵守“在配合饲料或全混合日粮中的最高限量”规定,不得超量使用饲料添加剂;在实现满足动物营养需要、改善饲料品质等预期目标的前提下,应采取积极措施减少饲料添加剂的用量。
三、饲料企业和养殖者使用《饲料添加剂品种目录》中铁、铜、锌、锰、碘、钴、硒、铬等微量元素饲料添加剂时,含同种元素的饲料添加剂使用总量应遵守本《规范》中相应元素“在配合饲料或全混合日粮中的最高限量”规定。
四、仔猪(≤25 kg)配合饲料中锌元素的最高限量为110 mg /kg,但在仔猪断奶后前两周特定阶段,允许在此基础上使用氧化锌或碱式氯化锌至1600 mg/kg(以锌元素计)。
饲料企业生产仔猪断奶后前两周特定阶段配合饲料产品时,如在含锌110 mg/kg基础上使用氧化锌或碱式氯化锌,应在标签显著位置标明“本品仅限仔猪断奶后前两周使用”,未标明但实际含量超过110 mg/kg或者已标明但实际含量超过1600 mg/kg的,按照超量使用饲料添加剂处理。
五、饲料企业和养殖者使用非蛋白氮类饲料添加剂,除应遵守本《规范》对单一品种的最高限量规定外,全混合日粮中所有非蛋白氮总量折算成粗蛋白当量不得超过日粮粗蛋白总量的30%。
六、如无特殊说明,本《规范》“在配合饲料或全混合日粮中的推荐添加量”“在配合饲料或全混合日粮中的最高限量”均以干物质含量88%为基础计算,最高限量均包含饲料原料本底值。
农业部公告第168号:饲料药物添加剂使用规范为加强兽药的使用管理,进一步规范和指导饲料药物添加剂的合理使用,防止滥用饲料药物添加剂,根据《兽药管理条例》的规定,我部制定了《饲料药物添加剂使用规范》(以下简称《规范》),现就有关问题公告如下:一、凡农业部批准的具有预防动物疾病、促进动物生长作用,可在饲料中长时间添加使用的饲料药物添加剂(品种收载于《规范》附录一中),其产品批准文号须用“药添字”。
生产含有《规范》附录一所列品种成份的饲料,必须在产品标签中标明所含兽药成份的名称、含量、适用范围、停药期规定及注意事项等。
中华人民共和国呀中华人民共和国呀呀中华人民共和国呀中华人民共和国中华人民共和国呀2呀2中华人民共和二、凡农业部批准的用于防治动物疾病,并规定疗程,仅是通过混饲给药的饲料药物添加剂(包括预混剂或散剂,品种收载于《规范》附录二中),其产品批准文号须用“兽药字”,各畜禽养殖场及养殖户须凭兽医处方购买、使用,所有商品饲料中不得添加《规范》附录二中所列的兽药成份。
三、除本《规范》收载品种及农业部今后批准允许添加到饲料中使用的饲料药物添加剂外,任何其他兽药产品一律不得添加到饲料中使用。
四、兽用原料药不得直接加入饲料中使用,必须制成预混剂后方可添加到饲料中。
五、各地兽药管理部门要对照本《规范》于10月底前完成本辖区饲料药物添加剂产品批准文号的清理整顿工作,印有原批准文号的产品标签、包装可使用至2001年12月底。
六、凡从事饲料药物添加剂生产、经营活动的,必须履行有关的兽药报批手续,并接受各级兽药管理部门的管理和质量监督,违者按照兽药管理法规进行处理。
七、本《规范》自2001年7月3日起执行。
原我部《关于发布<允许作饲料药物添加剂的兽药品种及使用规定>的通知》(农牧发[1997]8号)和《关于发布“饲料药物添加剂允许使用品种目录”的通知》(农牧发[1994]7号)同时废止。
中华人民共和国农业部二〇〇一年九月四日2001饲料药物添加剂使用规范续上表57.磺胺氯吡嗪钠可溶性粉SulfaclozineSOdiHalS oluble Powder 三字球虫粉磺胺氯吡嗪钠]每1000g中含磺胺氯吡嗪钠300go肉鸡、火鸡、兔用于鸡、兔球虫病(盲肠球虫)。
中华人民共和国农业部第168号公告为加强兽药的使用管理,进一步规范和指导饲料药物添加剂的合理使用,防止滥用饲料药物添加剂,根据《兽药管理条例》的规定,我部制定了《饲料药物添加剂使用规范》(以下简称《规范》),现就有关问题公告如下:一、凡农业部批准的具有预防动物疾病、促进动物生长作用,可在饲料中长时间添加使用的饲料药物添加剂(品种收载于《规范》附录一中),其产品批准文号须用“药添字”。
生产含有《规范》附录一所列品种成份的饲料,必须在产品标签中标有所含兽药成份的名称、含量、适用范围、停药期规定及注意事项等。
二、凡农业部批准的用于防治动物疾病,并规定疗程,仅是通过混饲给药的饲料药物添加剂(包括预混剂或散剂,品种收载于《规范》附录二中),其产品批准文号须用“兽药字”,各畜禽养殖场及养殖户须凭兽医处方购买、使用,所有商品饲料中不得添加《规范》附录二中所列的兽药成份。
三、除本《规范》收载品种及农业部今后批准允许添加到饲料中使用的饲料药物添加剂外,任何其他兽药产品一律不得添加到饲料中使用。
四、兽用原料药不得直接加入饲料中使用,必须制成预混剂后方可添加到饲料中。
五、各地兽药管理部门要对照本《规范》于10月底前完成本辖区饲料药物添加剂产品批准文号的清理整顿工作,印有原批准文号的产品标签、包装可使用至2001年12月底。
六、凡从事饲料药物添加剂生产、经营活动的,必须履行有关的兽药报批手续,并接受各级兽药管理部门的管理和质量监督,违者按照兽药管理法规进行处理。
七、本《规范》自2001年7月3日起执行。
原我部《关于发布〈允许作饲料药物添加剂的兽药品种及使用规定〉的通知》(农牧发[1997]8号)和《关于发布“饲料药物添加剂允许使用品种目录”的通知》(农牧发[1994]7号)同时废止。
二OO一年六月四日附件3饲料药物添加剂使用规范目录二硝托胺预混剂.......................................................................... 马杜霉素预混剂.......................................................................... 尼卡巴嗪预混剂.......................................................................... 尼卡巴嗪、乙氧酰胺苯甲酯预混剂.......................................................... 甲基盐霉素预混剂........................................................................ 甲基盐霉素、尼卡巴嗪预混剂.............................................................. 拉沙洛西钠预混剂........................................................................ 氢溴酸常山酮预混剂...................................................................... 盐酸氯苯胍预混剂........................................................................ 盐酸氨丙啉、乙氧酰胺苯甲酯预混剂........................................................ 盐酸氨丙啉、乙氧酰胺苯甲酯、磺胺喹嗯啉预混剂............................................ 氯羟吡啶预混剂.......................................................................... 海南霉素钠预混剂........................................................................ 赛杜霉素钢预混剂........................................................................ 地克珠利预混剂.......................................................................... 复方硝基酚钠预混剂...................................................................... 氨苯砷酸预混剂. (9)洛克沙胂预混剂.......................................................................... 莫能菌素钠预混剂........................................................................ 杆菌肽锌预混剂 (10)黄霉素预混剂............................................................................ 维吉尼亚霉素预混剂...................................................................... 喹乙醇预混剂.. (11)那西肽预混剂............................................................................ 阿美拉霉素预混剂........................................................................ 盐霉素钠预混剂.......................................................................... 硫酸粘杆菌素预混剂.. (12)牛至油预混剂............................................................................ 杆菌肽锌、硫酸粘杆菌素预混剂............................................................ 土霉素钙................................................................................ 吉他霉素预混剂 (13)金霉素预混剂 (13)恩拉霉素预混剂.......................................................................... 磺胺喹噁啉、二甲氧苄啶预混剂............................................................ 越霉素A预混剂.......................................................................... 潮霉素B预混剂.......................................................................... 地美硝唑预混剂.......................................................................... 磷酸泰乐菌素预混剂...................................................................... 硫酸安普霉素预混剂...................................................................... 盐酸林可霉素预混剂......................................................................赛地卡霉素预混剂........................................................................ 伊维菌素预混剂.......................................................................... 呋喃苯烯酸钠粉.......................................................................... 延胡索酸泰妙菌素预混剂.................................................................. 环丙氨嗪预混剂.......................................................................... 氟苯咪唑预混剂.......................................................................... 复方磺胺嘧啶预混剂...................................................................... 盐酸林可霉素、硫酸大观霉素预混剂........................................................ 硫酸新霉素预混剂........................................................................ 磷酸替米考星预混剂...................................................................... 磷酸泰乐菌素、碘胺二甲嘧啶预混剂........................................................ 甲砜霉素散.............................................................................. 诺氟沙星、盐酸小檗碱预混剂.............................................................. 维生素C磷酸酯镁、盐酸环丙沙星预混剂.................................................... 盐酸环丙沙星、盐酸小、檗碱预混剂........................................................ 磺胺氯吡嗪钠可溶性粉.................................................................... 噁喹酸散................................................................................二硝托胺预混剂Dinitolmide Premix[有效成分] 二硝托胺[含量规格] 每1000g中含二硝托胺250g。
农业部公告第168号:饲料药物添加剂使用规范为加强兽药的使用管理,进一步规范和指导饲料药物添加剂的合理使用,防止滥用饲料药物添加剂,根据《兽药管理条例》的规定,我部制定了《饲料药物添加剂使用规范》(以下简称《规范》),现就有关问题公告如下:一、凡农业部批准的具有预防动物疾病、促进动物生长作用,可在饲料中长时间添加使用的饲料药物添加剂(品种收载于《规范》附录一中),其产品批准文号须用“药添字”。
生产含有《规范》附录一所列品种成份的饲料,必须在产品标签中标明所含兽药成份的名称、含量、适用范围、停药期规定及注意事项等。
中华人民共和国呀中华人民共和国呀呀中华人民共和国呀中华人民共和国中华人民共和国呀2呀2中华人民共和二、凡农业部批准的用于防治动物疾病,并规定疗程,仅是通过混饲给药的饲料药物添加剂(包括预混剂或散剂,品种收载于《规范》附录二中),其产品批准文号须用“兽药字”,各畜禽养殖场及养殖户须凭兽医处方购买、使用,所有商品饲料中不得添加《规范》附录二中所列的兽药成份。
三、除本《规范》收载品种及农业部今后批准允许添加到饲料中使用的饲料药物添加剂外,任何其他兽药产品一律不得添加到饲料中使用。
四、兽用原料药不得直接加入饲料中使用,必须制成预混剂后方可添加到饲料中。
五、各地兽药管理部门要对照本《规范》于10月底前完成本辖区饲料药物添加剂产品批准文号的清理整顿工作,印有原批准文号的产品标签、包装可使用至2001年12月底。
六、凡从事饲料药物添加剂生产、经营活动的,必须履行有关的兽药报批手续,并接受各级兽药管理部门的管理和质量监督,违者按照兽药管理法规进行处理。
七、本《规范》自2001年7月3日起执行。
原我部《关于发布<允许作饲料药物添加剂的兽药品种及使用规定>的通知》(农牧发[1997]8号)和《关于发布“饲料药物添加剂允许使用品种目录”的通知》(农牧发[1994]7号)同时废止。
中华人民共和国农业部二〇〇一年九月四日2001 饲料药物添加剂使用规范续上表续上表续上表续上表饲料药物添加剂附录一序号名称序号名称1 二硝托胺预混剂18 洛克沙胂预混剂2 马杜霉素铵预混剂19 莫能菌素钠预混剂3 尼卡巴嗪预混剂20 杆菌肽锌预混剂4 尼卡巴嗪、乙氧酰胺苯甲酯预混剂21 黄霉素预混剂5 甲基盐霉素、尼卡巴嗪预混剂22 维吉尼亚霉素预混剂6 甲基盐霉素预混剂23 喹乙醇预混剂7 拉沙诺西钠预混剂24 那西肽预混剂8 氢溴酸常山酮预混剂25 阿美拉霉素预混剂9 盐酸氯苯胍预混剂26 盐霉素钠预混剂10 盐酸氨丙啉、乙氧酰胺苯甲酯预混剂27 硫酸粘杆菌素预混剂11 盐酸氨丙啉、乙氧酰胺苯甲酯、磺胺喹啉预混剂28 牛至油预混剂12 氯羟吡啶预混剂29 杆菌肽锌、硫酸粘杆菌素预混剂13 海南霉素钠预混剂30 吉它霉素预混剂14 赛杜霉素钠预混剂31 土霉素钙预混剂15 地克珠利预混剂32 金霉素预混剂16 复方硝基酚钠预混剂33 恩拉霉素预混剂17 氨苯胂酸预混剂磺胺喹啉、二甲氧苄啶预混剂。
饲料药物添加剂使用规范(农业部公告第168号)发布日期:2010-05-24 来源:农业部浏览次数:5466 为加强兽药的使用管理,进一步规范和指导饲料药物添加剂的合理使用,防止滥用饲料药物添加剂,根据《兽药管理条例》的规定,发布【发布单位】农业部【发布文号】农业部公告第168号【发布日期】2001-07-03【生效日期】2001-07-03【效力】【备注】为加强兽药的使用管理,进一步规范和指导饲料药物添加剂的合理使用,防止滥用饲料药物添加剂,根据《兽药管理条例》的规定,现发布《饲料药物添加剂使用规范》(以下简称《规范》),并就有关事项通知如下,请各地遵照执行。
一、凡农业部批准的具有预防动物疾病、促进动物生长作用,可在饲料中长时间添加使用的饲料药物添加剂(品种收载于附录一),其产品批准文号须用“药添字”。
生产含有“附录一”所列品种成分的饲料,必须在产品标签中标明所含兽药成分的名称、含量、适用范围、停药期规定及注意事项等。
二、凡农业部批准的用于防治动物疾病,并规定疗程,仅是通过混饲给药的饲料药物添加剂(包括预混剂或散剂,品种收载于附录二),其产品批准文号须用“兽药字”,各畜禽养殖场及养殖户须凭兽医处方购买、使用,所有商品饲料中不得添加“附录二”中所列的兽药成分。
三、除本《规范》收载品种及农业部今后批准允许添加到饲料中使用的饲料药物添加剂外,任何其他兽药产品一律不得添加到饲料中使用。
四、兽用原料药不得直接加入饲料中使用,必须制成预混剂后方可添加到饲料中。
五、各地兽药管理部门要对照本《规范》于10月底前完成本辖区饲料药物添加剂产品批准文号的清理整顿工作,印有原批准文号的产品标签、包装可使用至2001年12月底。
六、凡从事饲料药物添加剂生产、经营活动的,必须履行有关的兽药报批手续,并接受各级兽药管理部门的管理和质量监督,违者按照兽药管理法规进行处理。
七、本《规范》自发布之日起执行。
原我部《关于发布(允许作饲料药物添加剂的兽药品种及使用规定)的通知》(农牧发[1997]8号)和《关于发布“饲料添加剂允许使用品种目录”的通知》(农牧发[1994]7号)同时废止。
《饲料添加剂使用规范》
饲料添加剂是用于改善动物饲料的品质、增加其营养价值或改善饲料
加工性能的物质。
合理、安全地使用饲料添加剂对于畜禽养殖业的发展至
关重要。
为了保护动物的健康和人类食品的安全,饲料添加剂的使用必须
遵循严格的规范。
以下是《饲料添加剂使用规范》的主要内容:
一、饲料添加剂的分类和使用范围
饲料添加剂按照功能和用途可以分为营养性添加剂和技术性添加剂。
营养性添加剂包括氨基酸、维生素、矿物质等,用于满足动物的生理需求;技术性添加剂包括抗生素、激素、酶制剂等,用于提高饲料加工性能或预
防动物疾病。
具体的使用范围和用量应根据相关规定执行。
二、饲料添加剂的审批和备案
饲料添加剂必须经过国家相关部门的审批才能合法使用。
审批程序包
括申请、评审、实验和批准四个阶段。
符合要求的饲料添加剂还需要进行
备案登记,并定期进行安全评估,以确保其安全性和有效性。
三、饲料添加剂的使用标准
饲料添加剂的使用标准是确保饲料添加剂使用的安全性和有效性的重
要依据。
标准应包括饲料添加剂的纯度和含量限制、使用方法和用量等方
面的规定。
使用标准应根据国家和行业的相关规定确定,并以法律形式发布,供畜禽养殖企业和饲料生产企业参考和遵守。
四、饲料添加剂的质量控制
饲料添加剂的质量控制包括原料选用、生产工艺控制和产品质量检验
等方面。
原料必须符合国家标准和相关要求,生产工艺必须符合规范,产
品必须进行严格的质量检验。
质量控制的目的是确保饲料添加剂的质量稳
定和安全性可靠。
五、饲料添加剂的包装和标识
饲料添加剂应在符合卫生要求的包装容器中进行包装,并在包装上标
明产品名称、生产企业名称、规格和生产日期等信息。
产品标识是消费者
了解产品的重要依据,必须真实、准确和易于理解。
六、饲料添加剂的存储和运输
饲料添加剂的存储和运输应符合相关要求,防止产品受潮、受热、受
污染和霉变等。
存储应注意温度和湿度的控制,运输应注意包装的完好和
防火防爆等安全措施。
七、饲料添加剂的监督和管理
饲料添加剂的监督和管理应由国家相关部门负责,包括对生产企业的
生产过程和产品质量的抽检、抽样检验等。
对于违反规定的行为,应采取
相应的法律措施加以处理。
为了保证畜禽养殖业的可持续发展和动物产品的食品安全,我们必须
严格遵守《饲料添加剂使用规范》。
只有合理、安全地使用饲料添加剂,
才能保证动物的健康和生产性能的提高,同时保障人类的食品安全和健康。