贴片电容型对照表三星国巨风华选型替代必备
- 格式:docx
- 大小:17.09 KB
- 文档页数:2
各品牌贴片电容规格资料汇总贴片电容是一种常见的电子元器件,被广泛用于电路设计和生产中。
它们具有小巧的尺寸、稳定性好以及较低的成本。
各品牌贴片电容的规格资料是电子行业从业人员日常工作所必需的信息之一、本文将汇总一些知名品牌的贴片电容规格资料,供读者参考。
1. Murata(村田)Murata是一家日本电子元器件制造企业,也是全球最大的陶瓷电容制造商之一、以下为Murata的一些常用贴片电容规格资料:-容量范围:从0.1pF到100μF-额定电压范围:从4V到100V-外观尺寸:包括0201、0402、0603、0805、1206、1210、1808、1812等常见尺寸-允许偏差:±0.1pF到±20%不等-温度系数:X7R、X5R、NPO等不同温度系数可选-特殊系列:如高温型、高电压型、耐震性、防激波等2. Samsung(三星)三星是一家韩国综合电子企业,也是全球最大的半导体制造商之一、以下为三星的一些常用贴片电容规格资料:-容量范围:从0.5pF到22μF-额定电压范围:从4V到100V见尺寸-允许偏差:±0.1pF到±20%不等-温度系数:X7R、X5R、X6S、X8S等不同温度系数可选-特殊系列:如高温型、高电压型、耐震性、防激波等3.TDK(TDK公司)TDK是一家日本电子元器件制造企业,也是全球最大的磁性元件制造商之一、以下为TDK的一些常用贴片电容规格资料:-容量范围:从0.1pF到220μF-额定电压范围:从4V到100V-外观尺寸:包括0201、0402、0603、0805、1206、1210、1812等常见尺寸-允许偏差:±0.1pF到±20%不等-温度系数:X7R、X5R、X6S、X7S等不同温度系数可选-特殊系列:如高温型、高电压型、耐震性、防激波等4. Yageo(圆石)圆石是一家台湾电子元器件制造企业,也是全球最大的无源元件制造商之一、以下为圆石的一些常用贴片电容规格资料:-容量范围:从0.1pF到2.2μF-额定电压范围:从4V到100V见尺寸-允许偏差:±0.1pF到±20%不等-温度系数:X7R、X5R、X6S、X7S等不同温度系数可选-特殊系列:如高温型、高电压型、耐震性、防激波等5.AVX(AECOM公司)AVX是一家美国电子元器件制造企业,也是全球领先的陶瓷电容制造商之一、以下为AVX的一些常用贴片电容规格资料:-容量范围:从0.1pF到47μF-额定电压范围:从6.3V到100V-外观尺寸:包括0201、0402、0603、0805、1206、1210、1808、1812等常见尺寸-允许偏差:±0.1pF到±20%不等-温度系数:X7R、X5R、X6S、X7S等不同温度系数可选-特殊系列:如高温型、高电压型、耐震性、防激波等以上仅为一些知名品牌贴片电容规格资料的简要汇总,实际应用中还需要根据具体的设计要求、电路需求以及可用的供应商和库存情况选择最合适的贴片电容。
各类贴片电容容值表X7R贴片电容简述X7R贴片电容属于EIA规定的Class 2类材料的电容。
它的容量相对稳固。
X7R贴片电容特性具有较高的电容量稳定性,在-55℃~125℃工作温度范围内,温度特性为±15%。
层叠独石结构,具有高可靠性。
优良的焊接性和和耐焊性,适用于回流炉和波峰焊。
应用于隔直、耦合、旁路、鉴频等电路中。
X7R贴片电容容量范围厚度与符号对应表0201~1206 X7R贴片电容选型表1210~2225 X7R贴片电容选型表NPO COG 贴片电容容量规格表2009-07-15 16:28 阅读354 评论1 字号:大中小NPO(COG)贴片电容属于Class 1温度补偿型电容。
它的容量稳定,几乎不随温度、电压、时间的变化而变化。
尤其适用于高频电子电路。
具有最高的电容量稳定性,在-55℃~125℃工作温度范围内,温度特性为:0±30ppm/℃(COG)、0±60ppm/℃(COH)。
层叠独石结构,具有高可靠性。
优良的焊接性和和耐焊性,适用于回流炉和波峰焊。
应用于各种高频电路,如:振荡、计时电路等。
咱们把用来制造片式多层瓷介电容(MLCC)的陶瓷叫电容器瓷。
那个地址所说的瓷介确实是用电容器瓷制成的陶瓷介质。
大伙儿明白,陶瓷是一类质硬、性脆的无机烧结体。
就其显微结构而论,多数具有多晶多相结构。
其性能往往决定于其成份和结构。
当配方确信以后,可否达到预期的成效,关键取决于制造陶瓷粉料的工艺。
按其用途能够分为三类:①高频热补偿电容器瓷(UJ、SL);②高频热稳固电容器瓷(NPO);③低频高介电容器瓷(X7R、Y5V、Z5U)。
按温度系数分能够分为两类:①负温度系数电容器瓷(即高频热补偿电容器瓷);②正温度系数电容器瓷(即平常咱们常说的COG、X7R、Y5V瓷料)。
按工作频率能够分为三类:低频、高频、微波介质。
高频热补偿、热稳固电容器瓷是专供Ⅰ类瓷介电容器作介质用,其瓷料要紧成份是MgTiO3、CaTiO3、SrTiO3和TiO2再加入适量的稀土类氧化物等配制而成。
贴片电阻电容功率与尺寸对应表目录: 一、贴片电阻二、贴片电容三、贴片钽电容一、贴片电阻2007-12-18 16:41贴片电阻电容功率与尺寸对应表电阻封装尺寸与功率关系,通常来说: 0201 1/20W0402 1/16W0603 1/10W0805 1/8W1206 1/4W电容电阻外形尺寸与封装的对应关系是: 0402=1.0x0.5 0603=1.6x0.80805=2.0x1.21206=3.2x1.61210=3.2x2.51812=4.5x3.22225=5.6x6.5常规贴片电阻(部分)常规的贴片电阻的标准封装及额定功率如下表:英制(mil) 公制(mm) 额定功率(W)@ 70?C 0201 0603 1/20 0402 1005 1/160603 1608 1/100805 2012 1/81206 3216 1/41210 3225 1/31812 4832 1/22010 5025 3/42512 6432 1国内贴片电阻的命名方法:1、5%精度的命名:RS-05K102JTprestar atenció especial a les parts el reforç negatiu. C transport descarregaven el llum llum atenció, no tirs lliures. Barres D modelat posat no s'utilitza durant molt de temps l'interior d'apilament coixí bé per evitar la corrosió. 7.3.3 ? d'acer fl ash cul soldadura soldada productes semielaborats acer classificades segons especificacions un tidy, abocadors tot cobert, evitar la insolació i la pluja. Acer de transport B per a la soldadura de productes semielaborats cal no ser expulsat, per evitar la deformació d'acer. ? soldadura de productes semielaborats no aigua refredament, refredament pot només mogut. 7.47.4.1 general ? durant el formigó abocament de formigó Enginyeria projectes concrets, correcció reservat de la localització d'acer o canonada. B després que s'ha vessat llosa de formigó força a 1.2Mpanomés a la planta. Plantilla de costat C en força de formigó potgarantir que les vores no estan danyats per despullar, abans de despullar. ? Quan s'utilitza un vibrador, aneu amb compte de no tocarl'acer i enterrats, incrustats cargols, tub, com la correcció de deformació en una conducta oportuna. Pluja ? durant la construcció pluja suficient mesures de protecció per a cobrir les parts que han estat abocant, període de pluja, evitar l'aire lliure. 7.4.2 ? de mercaderia mescladora de ciment per la càrrega quantitativa, sobrecàrrega no està permès per evitar la pèrdua dels purins de ciment. ? Mesclador hauria de comprovar abans de l'acompliment de barreja de formigó, no superarà el temps de l'escena i nicial. C reduir els les fissures per contracció, formigó superfícies, com ara quan hi ha sense taques d'aigua, una segona pressió.2、1,精度的命名:RS-05K1002FTR ,表示电阻S ,表示功率0402是1/16W、0603是1/10W、0805是1/8W、1206是1/4W、1210是1/3W、1812是1/2W、2010是3/4W、2512是1W。
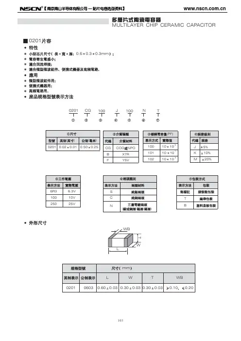
风华高科电容多层片式陶瓷电容0805 CG 104 J 500 N T1 2 3 4 5 6 71、尺寸2、介质种类3、标称电容量(PF)4、误差级别5、工作电压6、端头类别7、包装方式型号英寸毫米代码介质材料表示方法实际值代码误差表示方法实际电压标记端头材料标记包装0402 0.04*0.02 1.00*0.5 CG COG和NPO 100 10*100J ±5% 6R3 6.3V S 纯银T 编带0603 0.06*0.03 1.6*0.8 101 10*101G ±2% 100 10V C 纯铜 B 散装0805 0.08*0.05 2.00*1.25 102 10*102 C ±0.25PF 250 25V N 三层电镀1206 0.12*0.06 3.2*1.6 500 50V三星电容多层片式陶瓷电容CL 10 C 101 J B 8 N N N C1 2 3 4 5 6 7 8 9 10 11CL表示:多层陶瓷贴片电容2、尺寸3介质种类4、标称电容量(PF)5、误差级别6、工作电压7、厚度8端头类别型号英寸毫米代码介质材料表示方法实际值代码误差表示方法实际电压标记尺寸(mm)标记端头材料0402 0.04*0.02 1.00*0.5 CPRSTUL COGP2HR2HS2HT2HU2JS2L100 10*100 J ±5% R 4V 3 0.3 N 三层电镀0603 0.06*0.03 1.6*0.8 101 10*101 G ±2% Q 6.3V 4 0.50805 0.08*0.05 2.00*1.25 102 10*102 C ±0.25PF P 10V 89ACD0.8 0.9 0.650.851.001206 0.12*0.06 3.2*1.6 OALB 16V 25V 35V 50VAB Y F X X5RX7RX7SY5VX6SKMZ±10%±20%+80/-20%CDEFGHIJK100V200V250V350V500V630V1000V2000V3000V国巨(YAGEO)电容多层片式陶瓷电容CC ×××× × ×NPO ×BN ×××1 2 3 4 51、尺寸2、误差精度3、包装形式4、实际电压值5、标称电容量型号英制型号公制代码误差表示方法实际值代码电压代码实际值0201 0603 BCDFGJ±0.1PF±0.25PF±0.5PF±1%±2%±5%R 纸卷盘7inch 7 16V 100 10*1000402 1005 K 吸塑卷盘7inch 8 25V 101 10*101 0603 1608 P 纸卷盘13inch 9 50V 102 10*102 0805 2012 F 吸塑卷盘13inch1206 3216 C 散装1210 32251812 4532TDK贴片电容型号TDK贴片电容的参数识别C 2012 X7R 1H 104 K T系列名称体积材料电压容量误差包装0603=0201 CH 0J=6.3V C=0.25 T=卷带1005=0402 COG 1A=10V D=0.5 B=袋装1608=0603 JB 1C=16V J=5%2012=0805 JF 1E=25V K=10%3216=1206 X7R 1H=50V M=20%3225=1210 X5R 2A=100V Z=+80-20%4532=1812 Y5V 2E=250V5650=2220 2J=630V4520=1808 3A=1KV3D=2KV3F=3KV。
三星帖片电容规格对照表规格试例:CL 10 A 105 K Q 8 N N N C1 2 3 4 5 6 7 8 9 10 111:系列编码CL=积层电容2:尺寸编码英寸 (毫米) 英寸 (毫米) 英寸 (毫米)0.3=0201(0603) 21=0805(2012) 42=1808(4520)0.5=0402(1005) 31=1206(3216) 43=1812(4532)10=0603(1608) 32=1210(3225) 55=2220(5750)3:电介质编码I类II类C=COG S=S2H L=S2L A=X5R F=Y5VP=P2H T=T2H B=X7R X=X6SR=R2H U=U2J4:电容编码以PF表示的电容,2个有效位加上零的数量.例如:106=10X106=10000000PF 对于<10PF,字母R表示小数点.例如;1R5=1.5PF 5:公差编码B=±0.1PF F=±1PF, ±1% K=±10%C=±0.25PF G=±2% M=±20%D=±0.5PF J=±5% Z=+80/-20%对于小于等于10PF的数值,F=±1PF对于大于10PF的数值,F=±1%.6:额定电压编码R=4V O=16V B=50V E=250V I=1000VQ=6.3V A=25V C=100V G=500V J=2000VP=10V L=35V D=200V H=630V K=3000V7:厚度编码3=0.30毫米 A=0.65毫米 M=1.15毫米 I=2.00毫米 Q=1.25毫米5=0.50毫米 C=0.85毫米 F=1.25毫米 J=2.50毫米 V=2.50毫米8=0.80毫米 D=1.00毫米 H=1.60毫米 L=3.20毫米8:内电极/端子/电镀编码A=常规产品钯/银/镍屏蔽/锡100%N=常规产品镍/铜/镍屏蔽/锡100%G=常规产品铜/铜/镍屏蔽/锡100%L=常规产品镍/铜/镍屏蔽/锡100%9:产品编码A=阵列(2-元素) L=L1CC B=阵列(4-元素) N=常规C=高频 P=自动10:特殊编码N=预留给未来用途11:包装编码B=散装 O=纸板箱料带,10英寸料盘 E=压花纸板箱,7英寸料盘P=散装箱D=纸板箱料带,13英寸料盘(10000CA) F=压花纸板。
贴片电容型对照表三星国巨风华选型替代必备 SANY标准化小组 #QS8QHH-HHGX8Q8-GNHHJ8-HHMHGN#风华高科电容多层片式陶瓷电容0805CG104J500NT 1 23 4 5 6 71、尺寸2、介质种类3、标称电容量(PF )4、误差级别5、工作电压6、端头类别7、包装方式型号 英寸 毫米 代码 介质材料 表示方法实际值 代码 误差表示方法 实际电压 标记 端头材料标记 包装 0402 * * CG COG 和NPO 100 10*100J ±5%6R3 S 纯银 T 编带0603 * * 101 10*101G ±2%100 10V C 纯铜 B 散装0805 * * 102 10*102C ±250 25V N 三层电镀 1206**500 50V三星电容多层片式陶瓷电容CL10C101JB8NNNC 1 234 5 6 7 8 9 10 11CL 表示:多层陶瓷贴片电容2、尺寸3介质种类4、标称电容量(PF )5、误差级别6、工作电压7、厚度8端头类别型号 英寸 毫米 代码 介质材料 表示方法实际值 代码 误差表示方法 实际电压 标记 尺寸(mm) 标记 端头材料 0402 * * C P R S T U L COG P2H R2H S2H T2H U2J S2L 100 10*100 J ±5% R 4V 3N 三层电镀 0603 * * 101 10*101 G ±2% Q 40805 * * 102 10*102 C ± P 10V 89 A C D1206**O A L B 16V25V35V50VA ?B ? Y F XX5R X7R X7S Y5V X6SK M Z±10% ±20% +80/-20% C D E F G H I J K 100V200V 250V350V 500V 630V 1000V 2000V 3000V多层片式陶瓷电容CC ×××××× NPO × BN ×××123 45TDK型号TDK贴片电容的参数识别C 2012 X7R 1H 104 K T系列名称体积材料电压容量误差包装0603=0201 CH 0J= C= T=卷带1005=0402 COG 1A=10V D= B=袋装1608=0603 JB 1C=16V J=5%2012=0805 JF 1E=25V K=10%3216=1206 X7R 1H=50V M=20%3225=1210 X5R 2A=100V Z=+80-20% 4532=1812 Y5V 2E=250V5650=2220 2J=630V4520=1808 3A=1KV3D=2KV3F=3KV。
风华高科电容多层片式陶瓷电容0805 CG 104 J 500 N T1 2 3 4 5 6 71、尺寸2、介质种类3、标称电容量(PF)4、误差级别5、工作电压6、端头类别7、包装方式型号英寸毫米代码介质材料表示方法实际值代码误差表示方法实际电压标记端头材料标记包装0402 0.04*0.02 1.00*0.5 CG COG和NPO 100 10*100J ±5% 6R3 6.3V S 纯银T 编带0603 0.06*0.03 1.6*0.8 101 10*101G ±2% 100 10V C 纯铜 B 散装0805 0.08*0.05 2.00*1.25 102 10*102 C ±0.25PF 250 25V N 三层电镀1206 0.12*0.06 3.2*1.6 500 50V三星电容多层片式陶瓷电容CL 10 C 101 J B 8 N N N C1 2 3 4 5 6 7 8 9 10 11CL表示:多层陶瓷贴片电容2、尺寸3介质种类4、标称电容量(PF)5、误差级别6、工作电压7、厚度8端头类别型号英寸毫米代码介质材料表示方法实际值代码误差表示方法实际电压标记尺寸(mm)标记端头材料0402 0.04*0.02 1.00*0.5 CPRSTUL COGP2HR2HS2HT2HU2JS2L100 10*100 J ±5% R 4V 3 0.3 N 三层电镀0603 0.06*0.03 1.6*0.8 101 10*101 G ±2% Q 6.3V 4 0.50805 0.08*0.05 2.00*1.25 102 10*102 C ±0.25PF P 10V 89ACD0.8 0.9 0.650.851.001206 0.12*0.06 3.2*1.6 OALB 16V 25V 35V 50VAB Y F X X5RX7RX7SY5VX6SKMZ±10%±20%+80/-20%CDEFGHIJK100V200V250V350V500V630V1000V2000V3000V国巨(YAGEO)电容多层片式陶瓷电容CC ×××× × ×NPO ×BN ×××1 2 3 4 51、尺寸2、误差精度3、包装形式4、实际电压值5、标称电容量型号英制型号公制代码误差表示方法实际值代码电压代码实际值0201 0603 BCDFGJ±0.1PF±0.25PF±0.5PF±1%±2%±5%R 纸卷盘7inch 7 16V 100 10*1000402 1005 K 吸塑卷盘7inch 8 25V 101 10*101 0603 1608 P 纸卷盘13inch 9 50V 102 10*102 0805 2012 F 吸塑卷盘13inch1206 3216 C 散装1210 32251812 4532TDK贴片电容型号TDK贴片电容的参数识别C 2012 X7R 1H 104 K T系列名称体积材料电压容量误差包装0603=0201 CH 0J=6.3V C=0.25 T=卷带1005=0402 COG 1A=10V D=0.5 B=袋装1608=0603 JB 1C=16V J=5%2012=0805 JF 1E=25V K=10%3216=1206 X7R 1H=50V M=20%3225=1210 X5R 2A=100V Z=+80-20%4532=1812 Y5V 2E=250V5650=2220 2J=630V4520=1808 3A=1KV3D=2KV3F=3KV。
电容贴片尺寸封装对照表1. 电容的基本概念和作用电容是一种用来储存电荷的器件,是电子电路中常用的元件之一。
它的作用包括滤波、耦合、隔直、稳压、调谐等。
在不同的电子设备中,会选择不同尺寸和封装的电容来满足各种不同的电路需求。
2. 贴片电容的特点和优势贴片电容是一种表面贴装技术(SMT)元件,具有尺寸小、重量轻、功率损耗小、高频特性好等优点。
在现代电子产品中,贴片电容广泛应用于电子产品的制造,因其在印刷电路板上可以节省很多空间,降低成本,提高生产效率。
3. 电容尺寸封装对照表以下是常见的贴片电容尺寸封装对照表(以毫米为单位):| 封装规格 | 封装尺寸 | 长 | 宽 | 高 | 引脚间距 ||---------|---------|----|----|----|----------|| 0603 | 1.6×0.8 | 1.6| 0.8| 0.8| 0.5 || 0805 | 2.0×1.25| 2.0| 1.25| 0.8| 1.25 || 1206 | 3.2×1.6 | 3.2| 1.6| 0.8 | 2.7 || 1210 | 3.2×2.5 | 3.2| 2.5| 1.2 | 2.7 || 1812 | 4.5×3.5 | 4.5| 3.5| 1.2 | 3.2 || 2220 | 5.7×5.0 | 5.7| 5.0| 1.5 | 5.08 |在实际应用中,根据电路设计的需求,可以选择不同规格的贴片电容来实现相应的功能。
4. 贴片电容的应用场景贴片电容广泛应用于各种电子设备中,包括手机、平板电脑、电视机、数码相机、音响设备等。
它们可以用于电源管理、信号处理、滤波等功能,是现代电子设备中不可或缺的元件。
5. 个人观点和总结贴片电容作为一种重要的电子元件,对于现代电子设备的制造和性能起着至关重要的作用。
通过掌握不同尺寸和封装的贴片电容对照表,可以更好地选择合适的电容来满足电路设计的需求。
三星帖片电容规格对照表规格试例:CL 10 A 105 K Q 8 N N N C1 2 3 4 5 6 7 8 9 10 111:系列编码CL=积层电容2:尺寸编码英寸(毫米) 英寸(毫米) 英寸(毫米)0.3=0201(0603) 21=0805(2012) 42=1808(4520)0.5=0402(1005) 31=1206(3216) 43=1812(4532)10=0603(1608) 32=1210(3225) 55=2220(5750)3:电介质编码I类II类C=COG S=S2H L=S2L A=X5R F=Y5VP=P2H T=T2H B=X7R X=X6SR=R2H U=U2J4:电容编码以PF表示的电容,2个有效位加上零的数量.例如:106=10X106=10000000PF 对于<10PF,字母R表示小数点.例如;1R5=1.5PF 5:公差编码B=±0.1PF F=±1PF, ±1% K=±10%C=±0.25PF G=±2% M=±20%D=±0.5PF J=±5% Z=+80/-20%对于小于等于10PF的数值,F=±1PF对于大于10PF的数值,F=±1%.6:额定电压编码R=4V O=16V B=50V E=250V I=1000VQ=6.3V A=25V C=100V G=500V J=2000VP=10V L=35V D=200V H=630V K=3000V7:厚度编码3=0.30毫米A=0.65毫米M=1.15毫米I=2.00毫米Q=1.25毫米5=0.50毫米C=0.85毫米F=1.25毫米J=2.50毫米V=2.50毫米8=0.80毫米D=1.00毫米H=1.60毫米L=3.20毫米8:内电极/端子/电镀编码A=常规产品钯/银/镍屏蔽/锡100%N=常规产品镍/铜/镍屏蔽/锡100%G=常规产品铜/铜/镍屏蔽/锡100%L=常规产品镍/铜/镍屏蔽/锡100%9:产品编码A=阵列(2-元素) L=L1CC B=阵列(4-元素) N=常规C=高频P=自动10:特殊编码N=预留给未来用途11:包装编码B=散装O=纸板箱料带,10英寸料盘E=压花纸板箱,7英寸料盘P=散装箱D=纸板箱料带,13英寸料盘(10000CA) F=压花纸板。
风华高科电容
多层片式陶瓷电容
0805CG104J500NT 1 23 4 5 6 7
1、尺寸
2、介质种类
3、标称电容量(PF )
4、误差级别
5、工作电压
6、端头类别
7、包装方式
型号
英寸
毫米
代码 介质材料 表示方
法
实际值 代码
误差
表示方法
实际电压 标记 端头材料 标记 包装 0402 * * CG COG 和NPO 100
10*100
J ±5% 6R3 S 纯银 T 编带 0603 * * 101 10*101
G ±2% 100 10V C 纯铜 B 散装 0805 * * 102
10*102
C
±
250 25V N
三层电镀
1206
*
*
500
50V
三星电容
多层片式陶瓷电容
CL10C101JB8NNNC 1 234 5 6 7 8 9 10 11
CL 表示:多层陶瓷贴片电容
2、尺寸
3介质种类
4、标称电容量(PF )
5、误差级别
6、工作电压
7、厚度
8端头类别 型号
英寸
毫米
代码 介质材料 表示方
法
实际值 代码
误差
表示方法
实际电压 标记
尺寸(mm) 标记 端头材
料 0402 * * C P R S T U L
COG P2H R2H S2H T2H U2J S2L 100 10*100 J ±5% R 4V 3 N 三层电镀 0603 * * 101 10*101 G ±2% Q 4 0805 * * 102
10*102
C
±
P 10V 8 9 A C D 1206
*
*
O A L B
16V 25V 35V 50V A ? B ? Y F X
X5R X7R X7S Y5V X6S
K M Z
±10% ±20% +80/-20%
C D E F G H I J K
100V 200V 250V 350V 500V 630V 1000V 2000V 3000V
国巨(YAGEO)电容
多层片式陶瓷电容
CC×××××× NPO × BN×××
123 45
1、尺寸
2、误差精度
3、包装形式
4、实际电压值
5、标称电容量
型号?英制型号?
公制
代码误差表示方法实际值代码电压代码实际值
02010603 B
C
D
F
G
J
±
±
±
±1%
±2%
±5%
R纸卷盘7inch716V10010*100
04021005K吸塑卷盘7inch825V10110*101 06031608P纸卷盘13inch950V10210*102 08052012F吸塑卷盘13inch
12063216C散装
12103225
18124532
TDK型号
TDK贴片电容的参数识别
C 2012 X7R 1H 104 K T
系列名称体积材料电压容量误差包装
0603=0201 CH 0J= C= T=卷带
1005=0402 COG 1A=10V D= B=袋装
1608=0603 JB 1C=16V J=5%
2012=0805 JF 1E=25V K=10%
3216=1206 X7R 1H=50V M=20%
3225=1210 X5R 2A=100V Z=+80-20%
4532=1812 Y5V 2E=250V
5650=2220 2J=630V
4520=1808 3A=1KV
3D=2KV
3F=3KV。