仿瓷砖涂料施工工艺
- 格式:pdf
- 大小:96.42 KB
- 文档页数:7
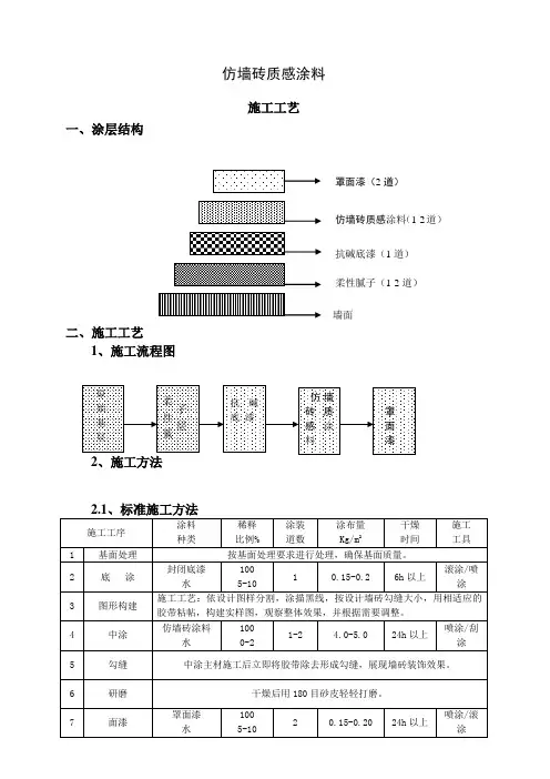
仿墙砖质感涂料施工工艺一、涂层结构二、施工工艺1、施工流程图罩面漆(2道)仿墙砖质感涂料(1-2道) 柔性腻子(1-2道) 墙面抗碱底漆(1道)2.2、标准施工说明:(1)基层处理/腻子批刮1)基层必须清洁、完好、干燥且没有污渍,如为旧墙面,应先去除粉化层或剥落、起壳的涂层。
2)应确保基层的含水率小于8%,PH值小于10。
如为新墙面,则至少需在14天养护期后方可施工涂料。
3)如基层需用腻子作平整处理,请选择适配及合格的产品,或垂询本公司客服热线。
4)处理后基层应符合JGJ/T 29-2003《建筑涂饰工程施工及验收规程》中的相关要求。
5)为保证持久装饰效果,建议使用柔性外墙腻子。
(2)外墙抗碱底漆1)按对应外墙抗碱底漆产品说明书要求进行施工。
2)施工道数:通常施工1-2道,具体视实际涂装效果而定。
3)理论用量:0.15-0.2Kg/m2(一度),此数据是我公司在标准情况下所得数据,实际用量随施工具体情况有所变化。
4)间隔时间:必须大于6小时。
5)为保证涂膜性能,建议使用F-4000高喷抗碱底漆。
(3)图形构建依设计图样分割,涂描黑线(也可满涂),按设计墙砖勾缝大小,用相适应的胶带粘帖,构建实样图,观察整体效果,并根据需要调整。
说明:施工浅色涂料时,建议满涂,以避免透色引起颜色的不均匀性。
(4)仿墙砖质感涂料1)稀释:一般不需稀释,确有必要时,可加适量水稀释,加水量不得超过2%。
2)施工工具:镘刀或真石漆专用喷枪。
3)施工方式:刮涂或喷涂。
3)喷涂:喷咀口径6-8mm,压力:5-6Kgf/m2。
4)施工1-2道,重涂间隔:24小时/25℃以上。
5)参考用量:4.0-5.0Kg/m2,此数据是我公司在标准情况下所得数据,实际用量随施工具体情况有所变化。
6)正式施工前请试做1m2大小样板,以确认颜色、效果和实际用量,并做好整体施工筹划(特别注意)。
(5)罩面漆1)稀释:根据实际情况,可加适量水稀释,加水量为5%-10%。
仿瓷柔性外墙砖施工工艺一、编制依据国家、行业和地方标准《公共建筑节能构造图集》(陕2007J 13)《建筑装饰装修工程质量验收规范》(GB50210-2001)《建筑保温涂料工程施工及验收规范》(JGJ/T29—2003)《聚合物基外墙外保温用玻璃纤维网格布》(JC561。
2-2006) 二、工艺流程及材料选择采用双组分柔性腻子、仿瓷柔性外墙砖、抗污罩面清漆.本系统特点是:抗污性好、抗紫外线能力强、抗老化能力强、墙面耐水性强,装饰寿命超过20年以上。
1.工艺流程图2.工艺流程2.1刮糙(1)吊垂线,再拉水平线,打灰饼进行刮糙,水泥砂浆厚度1.5cm。
(2) 然后嵌入耐碱玻纤网格布。
(规格:≥135g/㎡)(3)用聚合物抗裂砂浆抹面。
做法参见陕2007J 13公共建筑节能构造图集第9页—第13页及第25页。
验收办法:用水平通线、垂直通线检查,阳角对阳角,阴角对阴角;根据《建筑装饰装修工程质量验收规范》(GB50210—2001)2。
2批刮外墙柔性腻子外墙柔性腻子至少批刮两遍,满批头遍外墙柔性腻子,待头遍腻子充分干燥后,(夏天须2小时以上,冬天须4小时以上)方可批刮第二遍外墙柔性腻子,至墙面平整光滑无明显抹痕。
验收项目:2.3 局部修整、打磨。
用外墙柔性腻子进行局部修整,修整到位后,用砂板对腻子进行打磨处理,使表面平整光滑、无毛刺抹痕.根据《建筑外墙保温涂料施工与验收规范》(DBJ13—1999) 2.4 涂刷抗碱封闭底漆待腻子干透后,(夏天≥24小时,冬天≥48小时)涂刷封闭底漆,采用辊涂施工。
验收项目:根据《建筑外墙保温涂料施工与验收规范》(DBJ13—1999) 2.5 弹分隔线条在抗碱封闭底漆干燥后,用彩色线根据图纸设计的面砖大小要求,放垂直,水平通线,依次弹出分隔线条。
注意事项:分隔线条尺寸标准规则是关键,在拉好垂直通线后弹下一条与垂直通线平行的分隔线时,用钢尺量好尺寸,上下多点定位后再弹线,依次类推。
XX家园二期外墙砖施工工艺1、基层处理:钢筋混凝土结构外墙基层结构偏差处理(挂通线复核、结构剔凿、找平);2、第一遍找平:6mm厚的1:2.5素水泥浆(内掺5%的建筑胶)打底用扫帚扫毛;3、第二遍找平:待第一遍六七成干时,抹10mm厚的1:3水泥砂浆划出纹道,用木杠刮平,木抹搓毛,终凝后浇水养护;4、弹线:在找平层上用墨斗分别弹出横向及纵向面砖排版线(横向间距100mm,纵向间距50mm);5、粘砖:用专业配套粘接剂(益胶泥)按弹好的排版线进行面砖镶贴;6、擦缝:外墙砖粘结48小时后,即可用专业配套勾缝剂进行擦缝,静置2-3小时候用直径4mm的溜缝刀具压实、压平;7、清洗:擦缝完成72小时后用1:2草酸兑水溶液进行擦洗,完成后用净水清洗干净;外墙仿砖涂料施工工艺1、基层处理:钢筋混凝土结构外墙基层结构偏差处理(挂通线复核、结构剔凿、找平);2、第一遍找平:6mm厚的1:2.5素水泥浆(内掺5%的建筑胶)打底用扫帚扫毛;3、第二遍找平:待第一遍六七成干时,抹10mm厚的1:3水泥砂浆划出纹道,用木杠刮平,木抹搓毛,终凝后浇水养护;4、涂刷界面剂:在找平层上用滚刷涂刷一道仿砖涂料界面剂(兑水比例为1:10);5、刮基层腻子:界面剂涂刷完毕24小时干燥后,用外墙专用基层柔性腻子刮两道,两道总厚度控制在3mm以内;6、涂刷底漆:基层腻子刮完成活48小时后,用磨砂纸进行整体基层打磨,后用外墙砖涂料底漆进行涂刷(厚度根据仿砖涂料底漆厚度要求),一遍成活;7、弹线:在找平层上用墨斗分别弹出横向及纵向面砖排版线(横向间距100mm,纵向间距50mm);8、封闭胶带:沿弹好的排版线贴5mm宽美纹纸胶带,以隔离砖缝;9、喷涂或涂抹中层涂料:用专用喷枪喷仿砖中层涂料,一遍成活,厚度控制约在3~5mm以内;10、揭除胶带及清理:喷涂完成后,即可揭除美纹纸胶带,并进行清理及修补砖缝;11、喷涂面漆:用滚筒涂刷一道专用透明防老化罩面漆一道,最终成活。
第1篇一、概述仿石涂料施工工艺是一种新型外墙装饰技术,通过特殊工艺将仿石涂料涂覆在建筑物表面,呈现出天然石材的质感。
该工艺具有施工简便、环保节能、耐候性好、色彩丰富等优点,广泛应用于各类建筑物的外墙装饰。
二、施工准备1. 材料准备:仿石涂料、丙烯酸树脂乳液、弹性树脂溶液、白色石英砂、人工煅烧彩砂、底漆、面漆、防沉剂SP-1、水溶性聚氨酯、乙二醇一丁醚、氨水、水泥、矿渣硅酸盐水泥、砂浆、网格布、腻子、砂纸、喷枪、胶带纸等。
2. 工具准备:搅拌器、砂浆搅拌机、高压喷枪、刷子、砂纸、打磨机、墨汁、墨汁勾描工具、分格胶条等。
三、施工工艺流程1. 基层处理:将基层表面的泥屑、油污等杂物清除干净,并将缝隙用水性腻子填补平整。
按照设计的石块图案用墨汁勾描出黑线条。
2. 刷涂底漆:对处理后的基底刷涂两道水溶性明底漆,干燥后,用胶带纸沿勾描的条粘贴住不需要喷涂的部位。
3. 喷涂仿石涂料:使用压力为5-6kg/cm²、口径为5-7mm的高压喷枪缓慢而均匀地十字交叉喷涂仿石涂料,形成2-2.5mm厚涂层。
在涂膜干燥前揭去胶带纸。
4. 刷涂面漆:待仿石涂层完全干燥后,全面检查一次,如有尘屑凹陷处,用砂纸磨平或修整。
然后用深色涂料描缝,干燥后,刷涂一道耐黄变的清漆。
5. 基层处理与抹灰:对基层进行清理,确保基层坚固、平整。
批刮第一次粗底腻子并找平,厚度大约在1.5mm。
挂网处理,批刮第二遍粗底腻子,并进行大面积找平。
6. 批刮面层腻子:批刮一至两遍面层腻子,要求批刮平整,厚度不超过1.5mm。
7. 打磨平整:使用打磨砂架或打磨机对腻子进行打磨,将批刮痕迹和腻子粗糙部分打磨平整。
8. 冲水养护:对打磨后的腻子进行冲水养护,提升强度。
9. 滚涂透明底漆:对处理后的基底滚涂一层透明底漆,要求涂刷均匀,无漏涂现象。
10. 墙面分割处理:根据设计要求,对墙面进行分格处理。
11. 喷涂或滚涂靓彩系列多彩同色中层漆:喷涂或滚涂靓彩系列多彩同色中层漆时,要求涂刷均匀,无漏涂现象。
仿瓷砖效果施工方案一、准备工作:1.确定施工区域:根据实际需要,确定需要进行仿瓷砖效果施工的区域,如客厅、卧室、厨房等。
2.清理施工区域:将施工区域内的杂物、家具等进行清理,确保施工区域干净整洁。
3.材料准备:准备所需材料,包括仿瓷砖涂料、底漆、工具等。
二、基层处理:1.清洁基层:清洁施工区域的墙面,去除灰尘、油污等。
2.查漏补缺:检查墙面是否有裂缝、空鼓等问题,如有,需要先进行修补处理。
3.表面处理:若墙面表面不平整,可以进行打磨处理,使其更加平整光滑。
三、底漆施工:1.涂刷底漆:将底漆均匀涂刷在墙面上,注意避免漏刷、积厚等现象,保证涂刷均匀。
2.干燥:根据底漆的使用说明,等待底漆干燥,通常需要1-2小时。
四、仿瓷砖涂料施工:1.涂刷第一遍:将仿瓷砖涂料均匀涂刷在墙面上,可以根据自己的喜好选择不同颜色的仿瓷砖涂料。
注意避免漏刷、积厚等现象,保证涂刷均匀。
2.干燥:根据仿瓷砖涂料的使用说明,等待第一遍涂刷干燥,通常需要4-6小时。
期间可以适当增加通风,加快干燥速度。
3.涂刷第二遍:等待第一遍涂刷干燥后,进行第二遍仿瓷砖涂刷,注意同样要均匀涂刷,并避免漏刷、积厚等现象。
4.干燥:根据仿瓷砖涂料的使用说明,等待第二遍涂刷干燥,通常需要4-6小时。
五、涂刷保护层:1.涂刷保护层:待仿瓷砖涂料干燥后,可以根据需要选择涂刷保护层,以增加仿瓷砖效果的耐久度和亮度。
2.干燥:根据保护层的使用说明,等待保护层干燥,通常需要2-4小时。
六、清理工作:1.拆卸保护物:等保护层干燥后,拆卸施工过程中所使用的保护物,如防护膜、纸张等。
2.清理施工区域:将施工区域内的杂物、工具等进行清理,保持施工区域整洁。
七、验收工作:1.检查效果:验收施工区域的仿瓷砖效果,检查涂刷是否均匀、色彩是否一致等。
2.修正问题:如发现涂刷不均匀、色彩差异等问题,需要及时进行修正。
通过以上的工作步骤,就可以完成仿瓷砖效果的施工。
需要注意的是,在施工过程中要遵循施工材料的使用说明,合理控制施工时间和温度,以保证施工效果的理想性和持久性。
仿瓷砖涂料的施工工艺一、施工前准备在开始进行仿瓷砖涂料的施工之前,需要做好一些准备工作。
首先,清洁墙面,确保墙面干净无尘。
其次,修补墙面上的裂缝或凹陷,保证墙面平整。
最后,对墙面进行打磨,以提高涂料的附着力。
二、底漆处理底漆是保证仿瓷砖涂料附着力和耐久性的关键一步。
选择合适的底漆,按照产品说明进行调配和搅拌。
然后,使用刷子或滚筒均匀地涂抹底漆于墙面上,避免漏涂或重涂。
底漆干燥后,进行下一步工艺。
三、仿瓷砖涂料施工选择合适的仿瓷砖涂料,按照产品说明进行调配和搅拌。
根据墙面大小和施工面积,合理地计算出所需涂料的用量。
然后,使用刷子或滚筒均匀地涂抹仿瓷砖涂料于墙面上,避免漏涂或重涂。
四、纹理处理在涂抹仿瓷砖涂料后,可以使用纹理工具进行纹理处理,以增加仿瓷砖效果。
根据个人喜好和设计风格,选择合适的纹理工具,将其轻轻地按压或拖拉于涂料表面,形成仿瓷砖的纹理效果。
注意要保持手法均匀,避免出现不自然或不规则的纹理。
五、干燥和固化涂抹仿瓷砖涂料后,需要等待一定的时间让其干燥和固化。
根据涂料的说明,一般需要等待24小时以上。
在这个过程中,应该避免墙面受到外界物体的碰撞或刮擦,以免影响涂料的质量和效果。
六、保护处理当涂料干燥和固化后,需要进行保护处理,以增加涂料的耐久性和防水性。
可以使用透明的防水涂料进行覆盖,使墙面更加坚固和耐用。
同时,还可以进行清洁和防污处理,以便日后的墙面保养和清洁。
七、验收和维护涂料干燥和固化后,进行验收工作。
仔细检查墙面的质量和效果,确保无漏涂、无起泡、无裂纹等问题。
如果发现问题,及时进行修复和处理。
同时,日常维护也很重要,定期清洁墙面,避免墙面受到污渍和划痕的影响。
仿瓷砖涂料的施工工艺需要进行施工前准备、底漆处理、仿瓷砖涂料施工、纹理处理、干燥和固化、保护处理以及验收和维护等步骤。
在每个步骤中,都需要注意细节和技巧,以确保涂料的质量和效果。
通过正确的施工工艺,可以使墙面呈现出仿瓷砖的效果,为室内增添美观和时尚。
第1篇一、施工准备1. 材料准备:仿砖外墙真石漆、抗碱底漆、腻子、界面剂、分格缝专用漆、清洁剂、砂纸、滚筒、喷枪、批刀、分格条、脚手架等。
2. 工具准备:铲刀、刷子、剪刀、卷尺、水平尺、砂轮机、打磨机、搅拌机等。
3. 施工人员:施工人员需具备外墙涂料施工经验,熟悉仿砖外墙真石漆的施工工艺。
二、施工步骤1. 基层处理(1)检查墙面平整度,如有凹凸不平之处,需进行修补。
(2)清理墙面污渍,如油污、锈迹等,用清洁剂清洗。
(3)墙面含水率小于10%,pH值小于10,确保基层干燥。
2. 界面处理(1)在基层上均匀涂刷界面剂,提高基层的附着力。
(2)待界面剂干燥后,进行腻子批刮,确保墙面平整。
3. 抗碱底漆施工(1)在腻子层上均匀涂刷抗碱底漆,提高墙面抗碱性能。
(2)底漆干燥后,进行打磨,使墙面光滑平整。
4. 仿砖外墙真石漆施工(1)根据真石漆的施工要求,进行配比,搅拌均匀。
(2)采用喷涂或滚涂方式,均匀涂刷真石漆。
(3)第一遍涂刷完成后,待干燥后进行第二遍涂刷。
5. 分格缝处理(1)在墙面分格处粘贴分格条,确保分格缝的整齐。
(2)在分格缝处涂刷分格缝专用漆,使分格缝清晰可见。
6. 验收(1)检查墙面平整度、颜色、分格缝等,确保符合要求。
(2)清理施工现场,整理工具。
三、施工注意事项1. 施工过程中,保持施工现场整洁,避免污染墙面。
2. 施工温度宜在5℃以上,湿度不宜超过85%。
3. 避免在雨天、雾天、强风天气施工。
4. 施工过程中,注意安全,正确使用脚手架等设备。
5. 施工结束后,做好成品保护,防止墙面受到污染。
通过以上施工程序,可以确保仿砖外墙真石漆施工的质量,使墙面呈现出美观、耐用的效果。
第2篇一、施工准备1. 材料准备:仿砖外墙真石漆、基层处理剂、腻子、底漆、分格缝剂、清洁剂、保护膜等。
2. 工具准备:喷枪、滚筒、刷子、砂纸、角磨机、美纹纸、脚手架、吊篮等。
3. 施工人员:施工人员需具备外墙真石漆施工经验,熟悉施工工艺和操作规范。
晨阳水漆真石漆施工工艺(仿砖效果)一、施工基面要求(1)用水泥砂浆抹平并养护28天以上,抹灰面须平坦但不可太光滑,切角不可太锐;(2)批刮腻子之前,应彻底清除疏松、起皮、空鼓、粉化的基层,然后去除灰尘、油污等污染物。
(3)用外墙腻子修补墙面,第一道局部找平,用腻子或填逢胶填补大的孔洞和缝隙,待腻子干燥后,局部打磨,再满批腻子使基层平整。
腻子完全干燥后,进行打磨使基层平整。
(4)底材如有明显不平处,用外墙腻子找平。
二、底漆施工:1、透明底漆施工:待腻子干透后,涂刷一遍封闭底漆。
封闭底漆一般无须另外加稀释剂进行稀释。
其目的是清理基层,增加基层强度及涂膜的黏结强度。
一般采用辊涂施工,也可以喷涂施工。
2、辊涂黑色底漆:此道工序与外墙乳胶漆的施工方法相同,只需辊涂均匀即可,兑水不超过20%,辊涂黑色底漆1遍保证均匀即可,涂布率约8㎡/Kg。
3、待黑色底漆完全干燥后(约24h),采用专用的线盒,按照仿面砖的规格弹线、粘贴美纹纸,以达到合适的造型。
三、晨阳水漆真石漆施工待底漆完全干燥后,喷涂真石漆,喷涂厚度一般为1-3mm,2-3遍完成,两遍施工间隔须24小时以上,空气压力一般为6-8KPa。
喷涂时,不喷涂物必须以报纸张贴或胶带完全隔离。
喷涂面须与样板外观符合,用量大约为3-5kg/m2。
四、去除线条胶带喷涂后随即去除胶带,胶带去除必须小心,不得影响涂膜切角,去除方法:尽量往上拉开,不要往前拉。
五、打磨在喷真石漆罩面漆前将真石漆表面有锐角之颗粒磨平,可增加真石美感及减少锐利并避免灰尘积留。
六、涂刷罩面漆为了保护饰面、增加光泽、提高耐污染能力,增强整体装饰效果,在涂料喷涂完成后,进行罩面处理,喷涂罩光清漆。
待真石漆完全硬化,以实际干燥准,(25℃,50%的条件下至少48小时以上),可辊刷透明罩面漆,不允许漏涂、流挂,用量一般为0.1kg/m2以上。
晨阳水漆是中国水性漆行业创领品牌,加盟商近2000家,专注于水性家装墙面漆、水性木器漆、家具漆、工程水漆[真石漆、质感漆等]、工业水漆的研发、生产与销售,是全水漆涂料生产企业,旗下产品被应用广泛到多个行业。
外墙仿砖涂料施工方案一、材料准备:1、配套的柔性腻子2、抗碱封闭底漆3、真石漆4、罩光面漆二、工具准备:1、涂料喷枪、空压机、搅拌机(搅拌腻子)二台、水平尺、弯尺、卷尺、墨斗、分色纸、抹布等。
三、工艺流程施工工艺流程如下:1、墙体基面检查及清理。
2、均匀涂刷弹性底漆一遍。
3、用配套柔性腻子由上至下,由左至右满刮墙体一遍。
4、待腻子上墙24小时后,用120#砂布打磨一遍。
5、局部再找补腻子一遍,腻子干后(24小时后)进行打磨处理,达到质量要求为止。
6、随后开始刷黑色的封闭底漆一遍。
7、待黑色底漆干后,用放线工具开始放线,依据仿砖的规格进行放线与分格。
8、根据墨线依次粘贴分色纸。
9、分色,如有多种涂料颜色:需用分色纸进行分色处理,使成活后颜色鲜明,线条清晰,效果更佳。
10、以上工作准备完毕后,开始喷涂真石漆;要求喷涂要均匀,无露面,厚度保持一致。
11、喷涂过后,按顺序依次取下分色纸。
12、分色纸取下后,修正砖与砖之前的缝隙,使缝隙宽窄一致,线条清晰。
13、待仿砖墙面干后,刷罩光面涂一遍。
14、验收合格。
四、施工作业条件外墙基面无大面积裂缝、空鼓等缺陷,满足外弹性涂料基层要求。
1、外架、水、电物料运输等情况,满足施工条件。
2、与甲方或总包方完成技术交底,获得甲方或总包方的图纸、工地管理规章制度。
3、对已完工的其他工序进行成品保护。
(一)项目控制五、项目管理1.1项目经理负责本项目的各项施工管理方案、计划的实施,保证工程项目的正常运作。
1.2 设立现场办公室。
项目经理负责处理协调日常工作,并与甲方及总包方或其他工种保持良好的合作关系。
1.3 安全员负责在现场预防安全隐患,避免事故发生。
1.4 施工队长负责执行项目组织施工的计划实施,对工人进行系统管理。
六、环境管理与文明施工(一)、施工环境保护措施1、工现场的环境保护目标责任制,定岗定责,责任到人。
2、采用重点检查和定期检查的监督管理办法,对环境质量进行监控。
外墙仿砖涂料施工方案一、方案概述外墙仿砖涂料是一种装饰性涂料,能够提供砖墙的外观效果,但相比传统的砖墙施工更加简便和经济。
本方案介绍了外墙仿砖涂料的施工流程和注意事项,以确保施工质量和耐久性。
二、施工材料准备为了进行外墙仿砖涂料施工,下面是常用的材料:•外墙仿砖涂料•建筑背景布•砌筑刷•涂刷辊和刷子•涂刷工具和辅助材料(如:毛刷、油漆桶、薄膜、封胶带等)•清洁工具(如:水桶、布料、洗涤剂等)三、施工步骤1. 准备工作在开始施工之前,必须确保外墙的表面光滑、干净、无杂质。
首先,使用清洁工具将墙面进行清洁,可以使用水桶、布料和洗涤剂进行清洁。
清洁完毕后,将墙面完全干燥。
然后,使用刷子和涂刷工具将建筑背景布拆下,在墙面上敷设以保护周围环境。
2. 底漆处理选择与仿砖涂料相配套的底漆,在墙面上均匀涂刷以提高涂料的附着力和耐久性。
使用刷子或辊子进行底漆施工,确保底漆涂层厚度均匀一致。
底漆施工完毕后,等待底漆干燥。
3. 外墙仿砖涂料施工根据仿砖涂料的使用说明,将涂料搅拌均匀。
根据施工要求,选择合适的刷子或辊子进行施工。
涂刷或滚动施工时,应注意涂料的厚薄均匀,不应有明显的涂料积聚或漏刷现象。
施工完毕后,等待涂料干燥。
4. 清理和修整在涂料干燥后,使用清洁工具清理墙面,将施工过程中产生的杂质和垃圾清除。
同时,检查墙面的涂料质量和外观效果,如有需要,对涂料进行修整或补漆。
四、注意事项1.在施工过程中,应注意安全。
使用防护用具(如:手套、口罩、护目镜等)以免涂料对人体造成损害。
2.涂料施工时,应注意天气状况。
避免在风力较大、温度过低或过高的情况下进行施工。
3.在施工前,应进行外墙的清洁和修复。
确保墙面的光滑和干净,对于墙面存在的裂缝或损坏部位,需先进行修复处理。
4.施工时,应严格按照涂料的使用说明进行操作,不要随意调配或稀释涂料。
5.施工完毕后,及时清理工具和施工现场。
将涂料包装物进行妥善处理,避免对环境造成污染。
五、施工成果展示以下是外墙仿砖涂料施工的部分成果展示:•仿砖涂料施工前的外墙状况•底漆处理后的外墙•外墙仿砖涂料施工完成后的效果展示六、总结外墙仿砖涂料作为一种装饰性涂料,为墙面提供了砖墙的外观效果。
仿瓷涂料是一种常用于装饰室内墙面和家具的涂料,它具有类似瓷砖的外观效果。
以下是一般的仿瓷涂料施工方法:
表面准备:
清洁表面:确保要涂覆的表面干净、平整,没有尘埃、油污和杂质。
可以使用溶剂清洗或砂纸打磨等方法清洁表面。
填补缺陷:如有裂缝或凹陷等表面缺陷,先进行填补和修复,使表面平整。
底漆涂覆:
应用底漆:选择适合的底漆涂料,根据涂料厂商的建议进行底漆涂覆。
底漆有助于提供良好的附着力和涂层保护。
底漆施工:使用合适的涂刷、滚筒或喷枪等工具,均匀涂覆底漆于表面。
注意避免涂层过厚或过薄。
仿瓷涂料施工:
搅拌涂料:搅拌仿瓷涂料,确保颜色均匀。
基础涂层:使用刷子、滚筒或喷枪等工具,将仿瓷涂料均匀涂覆于表面,形成基础涂层。
注意避免涂层过厚或过薄,以免影响最终效果。
干燥和修整:等待基础涂层干燥,根据需要进行修整和修复,如填补漏涂或修复不均匀的部分。
二次涂层:根据需要,可以进行二次涂层以增强效果和涂层的均匀性。
干燥和固化:
涂层干燥:根据仿瓷涂料的特性和厂商的建议,等待涂层完全干燥。
时间可能取决于涂料类型、温度和湿度等因素。
固化:某些仿瓷涂料可能需要经过一定时间的固化处理,按照涂料厂商的指导进行固化处理。
仿砖涂料施工工艺一、仿砖涂料施工工序仿砖的效果实现需要一套严格的施工工艺,常用施工工序如下:找平基层界面交接、局部修整、墙面浮灰清理干净——满涂封闭底漆(滚涂或喷涂) ——弹墨线分格——贴双层胶带分格条——喷(滚)涂主色真石漆——撕揭第1层胶带——(铲除跳色部位仿砖——贴调色处双面胶带——喷(滚)涂跳色真石漆——撕揭第1层胶带) ——灰缝处理处的打磨平整——喷(滚)涂罩面漆1~2道——检查验收二、仿砖施工控制点❑由于仿面砖效果装饰做法分格条较多,由于基层面难以达到足够的平整度,若采用有刚度、厚度的分格条,如PVC分格条,一方面固定困难,一方面很难做到分格条与基层完全吻合,喷涂真石漆时将难以保证灰缝的顺直,导致灰缝整修困难和整修工作量大。
❑经过考察的厂家推荐,现在采用较多的为双面胶带和美纹纸,分格胶带宜采用纸面胶带,纸面对真石漆有良好的吸附作用;❑若采用塑料面胶带,会导致真石漆流淌。
同时,在夏季施工时,要求胶带具有良好的耐温性能,避免温度稍高胶带背面熔化,导致胶带撕揭困难。
❑建议采用纸面胶带,可以取得比较理想的效果。
同一单体的真石漆要一次进全,避免色差。
弹线后,同一单体应从上而下同步施工,以减少色差。
❑真石漆在使用前,必须彻底搅拌均匀,施工间隙应盖紧桶盖,以防止涂料结皮。
❑若采用喷涂法施工,施工前必须进行试喷,以确定所用喷嘴、工作压力、喷枪移动速度等施工因素;要求喷涂均匀、厚薄一致。
若选择真石漆仿石材或者采用双缝设计,为了确保喷涂质量和效果,在第1层分格条撕揭后,第1道真石漆干燥至八成后,采用同样的方法喷涂第2道真石漆。
❑若采用滚涂方法,需要注意工人手法的一致性以及用滚筒滚涂收尾,避免刀痕影响大面的整体效果。
❑底涂完成后6小时,进行弹墨线分格。
先计算砖缝宽度和整体尺寸要求,弹线完成后检查所弹墨线是否正确。
❑分隔胶条顺弹线整齐贴,胶带纸的位置(统一在墨线的左边或右边,上边或下边),以确保仿面砖尺寸协调统一。
仿砖涂料的施工工艺仿砖涂料是一种用于装饰墙面和地面的涂料,它模仿了真实的砖石纹理和质感。
施工工艺涉及到以下几个步骤:1. 材料准备:首先,需要准备好施工所需的材料,包括仿砖涂料、底漆、腻子、脱脂剂、钢丝刷、刮刀等工具。
2. 基层处理:在施工前,需要对基层墙面或地面进行处理。
首先,使用钢丝刷清理墙面或地面上的灰尘、油污等杂物,然后用脱脂剂擦拭干净,确保基层干净、平整。
3. 底漆处理:施工前需要涂抹底漆,底漆的作用是增强仿砖涂料与基层之间的附着力,提高涂料的遮盖力。
根据具体情况选择合适的底漆,并按照说明进行涂抹和干燥。
4. 腻子处理:如果基层墙面或地面有凹凸不平的情况,需要进行腻子处理。
首先,用刮刀将腻子填充到凹陷处,然后用刮刀刮平,使表面平整。
等待腻子干燥后,用砂纸打磨表面,使其光滑。
5. 涂抹仿砖涂料:涂抹仿砖涂料是最关键的一步。
首先,根据需求选择合适的仿砖涂料颜色,并搅拌均匀。
然后,使用辊筒或刷子沾取适量涂料,均匀地涂抹在墙面或地面上。
注意避免涂料过厚或过薄,以免影响质感效果。
6. 纹理处理:在涂抹仿砖涂料后,需要用专用的纹理工具在涂料表面打造砖石纹理。
纹理工具有多种形状和大小,可以根据个人喜好选择合适的工具。
将纹理工具放置在涂料表面,轻轻上下移动,使涂料呈现出砖石的纹理。
7. 干燥和养护:在完成施工后,需等待涂料充分干燥。
通常,涂料干燥时间为24小时。
在此期间,应保持施工区域通风,并避免触碰涂料表面。
以上是仿砖涂料的主要施工工艺步骤。
在实际施工过程中,需要根据具体情况和材料的使用说明进行操作。
并且,施工前应做好工具和施工区的准备工作,确保施工顺利进行。
仿面砖涂料施工工艺一、基本工艺流程:仿面砖涂装采用如下的施工工艺:检查验收墙面状况、基层清理→滚涂封底漆一遍→按分隔要求弹线→粘贴分隔胶带→刮涂仿砖涂料一遍→去除分隔胶带→清理修边→辊涂罩面保护剂一遍。
二、主要材料选用:1、腻子:采用柔性腻子,产品具有粘结强度高,耐水性好,易于批刮及打磨等特点;2、封底漆:“爱尔家佳”封底漆,该底漆渗透性好,漆膜抗碱封闭性优异,和基层附着力强;3、主涂层:“爱尔家佳”砂壁状涂料,主涂层耐候性能优异,质感丰富,可以做出多种装饰效果;4、罩面剂:涂膜光泽度均匀,透明度高,耐水、耐沾污性好,对主涂层起到良好的保护作用。
三、施工工艺及要求:1、基层要求:a. 对于已经做好保温层的外墙面,基层必须满足高级抹灰的标准,表面处理为细毛面。
b. 基层必须具有足够的强度和刚度,不应有脱皮、疏松、起砂、粉化等现象。
基层表面要求平整,不应有裂缝、破损、蜂窝、孔洞等缺陷。
大的裂缝及孔洞要用聚合物水泥砂浆修补,对大的孔洞,要分两次修补,头遍修补不要填抹过光,干燥后再填平、刮光。
c. 基层应满足含水率<8%,PH值在10以下,对水泥砂浆抹面或新浇混凝土的基层表面,夏天不少于14天,冬天不少于28天的养护。
如不满足上述要求,适当延长工期。
2、底漆的施工在满足施工条件的基层上,选用漆刷先涂刷阴角处,然后用滚筒涂刷大面,要求不流挂、不漏刷、用量为0.17~0.20㎏/㎡(一遍),根据需要可进行稀释,但加水量不超过15%。
做好底漆后的表面应颜色均匀,无漏涂、透底等问题。
3、弹线贴纸模(或分隔胶带)明确作业面及涂装施工要求,测量作业面尺寸。
按照已粘贴面砖的规格及分隔要求,在底漆表面弹出网状分隔线,要求线条顺直、均匀,贴纸模时应按照统一顺序进行,即:同一操作面内,应先贴水平方向分隔线,再贴垂直方向分隔线,并保证粘贴牢固防止施工前脱落。
贴好后的纸模线应与原有面砖分隔缝保持一致,严禁分隔不均或上下线条错位。
仿墙砖质感涂料(流星雨状)施工工艺一、涂层结构满涂同色中涂(1-2道)二、施工工艺1、施工流程图罩面漆(1-2道) 质感涂料(1道)真石漆专用腻子(1-2道) 墙面满涂黑色抗碱底漆(1-2道)2.2、标准施工说明:(1)基层处理/腻子批刮1)基层必须清洁、完好、干燥且没有污渍,如为旧墙面,应先去除粉化层或剥落、起壳的涂层。
2)应确保基层的含水率小于8%,PH值小于10。
如为新墙面,则至少需在14天养护期后方可施工涂料。
3)如基层需用腻子作平整处理,请选择适配及合格的产品4)处理后基层应符合JGJ/T 29-2003《建筑涂饰工程施工及验收规程》中的相关要求。
5)为保证装饰效果,使用真石漆专用腻子为优.。
(2)外墙抗碱底漆1)按对应外墙抗碱底漆产品说明书要求进行施工。
2)施工道数:通常施工1-2道,具体视实际涂装效果而定。
3)理论用量:0.15-0.2Kg/m2(一度),此数据是我公司在标准情况下所得数据,实际用量随施工具体情况有所变化。
4)间隔时间:必须大于6小时。
5)根据实际涂装要求,选择黑色抗碱封闭底漆。
(3)图形构建依设计图样分割,弹线,按设计勾缝大小,用相适应的胶带粘帖,构建实样图,观察整体效果,并根据需要调整。
(4)同色中涂1)按照产品说明书要求进行施工。
2)施工道数:通常施工1-2道,具体视实际涂装效果而定。
3)理论用量:0.15-0.2Kg/m2(一度),此数据是我公司在标准情况下所得数据,实际用量随施工具体情况有所变化。
4)间隔时间:必须大于6小时。
(5)质感涂料(流星雨状)1)稀释:一般不需稀释,确有必要时,可加适量水稀释,加水量不得超过2%。
2)施工工具:镘刀和搓板。
3)施工方式:刮涂+滚涂+刮涂,施工1-2道,重涂间隔:24小时/25℃以上。
3.1)先用镘刀将质感涂料满批,控制用量在2.0Kg/m2以上,做到均匀、完全盖底,无露涂(采用同色中涂,该步骤省略)。
3.2)在主涂质感涂料中加入规定比例的造型沙粒搅拌均匀,用镘刀将其均匀刮涂,再用搓板按照设计的图样搓出造型,在其表干前再用镘刀轻轻刮平,控制用量2.0-3.0Kg/m2范围内。
仿砖涂料施工工艺一、仿砖涂料施工工序仿砖的效果实现需要一套严格的施工工艺,常用施工工序如下:找平基层界面交接、局部修整、墙面浮灰清理干净——满涂封闭底漆(滚涂或喷涂)——弹墨线分格——贴双层胶带分格条——喷(滚)涂主色真石漆——撕揭第1层胶带——(铲除跳色部位仿砖——贴调色处双面胶带——喷(滚)涂跳色真石漆——撕揭第1层胶带)——灰缝处理处的打磨平整——喷(滚)涂罩面漆1~2道——检查验收二、仿砖施工控制点❑由于仿面砖效果装饰做法分格条较多,由于基层面难以达到足够的平整度,若采用有刚度、厚度的分格条,如PVC分格条,一方面固定困难,一方面很难做到分格条与基层完全吻合,喷涂真石漆时将难以保证灰缝的顺直,导致灰缝整修困难和整修工作量大。
❑经过考察的厂家推荐,现在采用较多的为双面胶带和美纹纸,分格胶带宜采用纸面胶带,纸面对真石漆有良好的吸附作用;❑若采用塑料面胶带,会导致真石漆流淌。
同时,在夏季施工时,要求胶带具有良好的耐温性能,避免温度稍高胶带背面熔化,导致胶带撕揭困难。
❑建议采用纸面胶带,可以取得比较理想的效果。
同一单体的真石漆要一次进全,避免色差。
弹线后,同一单体应从上而下同步施工,以减少色差。
❑真石漆在使用前,必须彻底搅拌均匀,施工间隙应盖紧桶盖,以防止涂料结皮。
❑若采用喷涂法施工,施工前必须进行试喷,以确定所用喷嘴、工作压力、喷枪移动速度等施工因素;要求喷涂均匀、厚薄一致。
若选择真石漆仿石材或者采用双缝设计,为了确保喷涂质量和效果,在第1层分格条撕揭后,第1道真石漆干燥至八成后,采用同样的方法喷涂第2道真石漆。
❑若采用滚涂方法,需要注意工人手法的一致性以及用滚筒滚涂收尾,避免刀痕影响大面的整体效果。
❑底涂完成后6小时,进行弹墨线分格。
先计算砖缝宽度和整体尺寸要求,弹线完成后检查所弹墨线是否正确。
❑分隔胶条顺弹线整齐贴,胶带纸的位置(统一在墨线的左边或右边,上边或下边),以确保仿面砖尺寸协调统一。
仿石涂料工程施工工艺一、施工前准备1. 设计方案确认:在开始仿石涂料工程前,首先需要明确设计方案,包括颜色、纹理、面积等要求,以及工期、材料等具体要求。
2. 施工工具准备:准备涂刷、辊涂、气喷等必要工具,确保施工工具完整、干净、无损坏,以便后续施工操作。
3. 材料准备:准备好仿石涂料、底漆、面漆、特效涂料等所需材料,并按照施工要求调配好。
4. 施工环境准备:保持施工环境通风良好,温度适宜,湿度适中,确保施工过程中材料的正常干燥与固化。
二、基层处理1. 基层清洁:将待涂装的基层表面进行清洁、去尘、除油,确保基层平整、干燥、无裂缝或松动。
2. 基层处理:根据基层材料的不同,选择合适的底漆进行处理,以提升涂料的附着力和固化效果,保证涂装效果的持久性。
3. 基层平整:对于基层不平整或有缺陷的部分,须进行修补补面处理,使基面平整光滑,便于后续的涂料施工和纹理处理。
三、面漆施工1. 底漆涂装:涂刷底漆于基层表面,保证底漆均匀、密实、充分渗透,提高涂料的附着力和固化度。
2. 面漆调色:按照设计要求,将仿石涂料和特效涂料等按比例混合,并进行颜色调配,确保颜色与设计要求一致。
3. 面漆涂装:采用滚涂、喷涂等方式将面漆涂装于基层表面,保证涂料厚薄均匀,避免漏涂、滴落等现象,使整体涂装效果更加完美。
4. 烘干处理:将涂装完的面漆进行烘干处理,确保涂料完全干燥,避免污染、划伤等现象。
四、纹理处理1. 纹理施工准备:选用专用纹理工具或材料,准备好纹理模具或纹理浆料,可根据设计要求选择不同的纹理形式进行处理。
2. 纹理涂装:将纹理浆料通过刷涂、印花、喷涂等方式涂装于面漆表面,根据设计图案、色彩进行施工,形成逼真的仿石纹理效果。
3. 纹理调整:在纹理涂装完成后,可根据实际效果进行调整,补充、修正或调整纹理形状,使之更加符合设计要求,提升仿真度。
4. 固化处理:将纹理工艺完成后的涂料进行固化处理,保证纹理层与基层之间的粘合性和耐久性,确保装饰效果持久。
仿瓷柔性外墙砖施工工艺
一、编制依据
国家、行业和地方标准
《公共建筑节能构造图集》(陕2007J 13)
《建筑装饰装修工程质量验收规范》(GB50210-2001)
《建筑保温涂料工程施工及验收规范》(JGJ/T29-2003)《聚合物基外墙外保温用玻璃纤维网格布》(JC561.2-2006)二、工艺流程及材料选择
采用双组分柔性腻子、仿瓷柔性外墙砖、抗污罩面清漆。
本系统特点是:抗污性好、抗紫外线能力强、抗老化能力强、墙面耐水性强,装饰寿命超过20年以上。
1.工艺流程图
2.工艺流程
2.1刮糙
(1)吊垂线,再拉水平线,打灰饼进行刮糙,水泥砂浆厚度
1.5cm。
(2) 然后嵌入耐碱玻纤网格布。
(规格:≥135g/㎡)
(3) 用聚合物抗裂砂浆抹面。
做法参见陕2007J 13公共建筑节能构造图集第9页-第13页及第25页。
验收办法:用水平通线、垂直通线检查,阳角对阳角,阴角
对阴角;
项目验收标准检验方法
表面平整度≤4㎜用水平通线
立面垂直度≤4㎜用垂直通线
阴阳角方正度≤4㎜用方尺检查
表面有无毛刺抹痕无目测
空鼓和裂缝无小锤、目测
抹痕是否明显无目测
门窗口处理干净顺直一致目测
根据《建筑装饰装修工程质量验收规范》(GB50210-2001)2.2批刮外墙柔性腻子
外墙柔性腻子至少批刮两遍,满批头遍外墙柔性腻子,
待头遍腻子充分干燥后,(夏天须2小时以上,冬天须4小时以上)方可批刮第二遍外墙柔性腻子,至墙面平整光滑无
明显抹痕。
验收项目:
项目验收标准检验方法
表面平整度≤4㎜用水平通线
立面垂直度≤4㎜用垂直通线
阴阳角方正度≤4㎜用方尺检查
表面有无毛刺抹痕无目测
抹痕是否明显无目测
门窗口处理干净顺直一致目测
2.3 局部修整、打磨。
用外墙柔性腻子进行局部修整,修整到位后,用砂板对
腻子进行打磨处理,使表面平整光滑、无毛刺抹痕。
根据《建筑外墙保温涂料施工与验收规范》(DBJ13-1999)2.4 涂刷抗碱封闭底漆
待腻子干透后,(夏天≥24小时,冬天≥48小时)涂刷封闭底漆,采用辊涂施工。
验收项目:
项目检验标准检验方法
反锈、掉粉、起皮不允许目测
漏刷、透底不允许目测
返碱、咬色不允许目测
颜色、刷纹颜色一致目测
流坠、疙瘩允许少量目测
光泽较一致目测
开裂不允许目测
针孔、砂眼不允许目测
五金、玻璃等洁净目测
根据《建筑外墙保温涂料施工与验收规范》(DBJ13-1999)2.5 弹分隔线条
在抗碱封闭底漆干燥后,用彩色线根据图纸设计的面砖
大小要求,放垂直,水平通线,依次弹出分隔线条。
注意事项:分隔线条尺寸标准规则是关键,在拉好垂直通线
后弹下一条与垂直通线平行的分隔线时,用钢尺量好尺寸,
上下多点定位后再弹线,依次类推。
(水平放线做法相同)以保证装饰效果。
2.6 粘贴分隔纸胶带
弹出分割线条后,用纸胶带贴在水平分割线条的下边以
及垂直分割线条左边,进行大面积粘贴。
注意事项:
每七层进行分段验收检查,胶带要紧贴墙面,不得有翘边鼓包。
在工作面上粘贴胶带纸时,先将垂直方向胶带纸全部贴
完后,在依次粘贴水平方向,不得将垂直、水平两个方向交
叉粘贴。
2.7 批刮仿瓷柔性外墙砖涂料
用批刀批刮仿瓷柔性外墙砖涂料,要批刮密实。
表干后(约4小时)批刮第二遍仿瓷柔性外墙砖涂料。
表面无毛刺
抹痕、光滑平整,颜色、光泽一致。
项目检验标准检验方法
反锈、掉粉、起皮不允许目测
透底不允许目测
返碱、咬色不允许目测
颜色颜色一致目测
疙瘩不允许目测
光泽较一致目测
开裂不允许目测
抹痕是否明显无目测
五金、玻璃等洁净目测
根据《建筑装饰装修工程质量验收规范》(GB50210-2001)2.8 揭胶带纸
在批刮完第二遍仿瓷柔性外墙砖涂料4—6小时后,揭掉分隔胶带。
揭分隔胶带时用小刀挑起分隔胶带,工人要小
心进量避免破坏涂料。
注意事项:胶带纸需逐层揭掉,用力适中,速度平缓。
揭胶带纸时先揭上面一层(水平方向),全部揭完之后,然后再揭下面一层(垂直方向),不得交叉揭两个方向胶带纸。
2.9修补
待仿瓷柔性外墙砖涂料48小时干透后,用砂纸打磨修补。
并修补仿瓷柔性外墙砖涂料缝的不规整及颜色污染问
题,要达到瓷砖的装饰效果。
2.10喷涂防水罩面清漆
为了保护饰面、增加光泽、提高耐污染能力,增强整体
装饰效果,进行罩面处理,喷涂罩面清漆。
待仿瓷砖涂料完
全干透后(一般晴天至少保持48小时),方可喷涂罩面清漆。
项目检验标准检验方法漏刷不允许目测
返碱、咬色不允许目测
颜色、刷纹颜色一致目测
流坠允许少量目测
光泽较一致目测
开裂不允许目测
针孔、砂眼允许少量目测
五金、玻璃等洁净目测
2.11验收交工
做到工完场清,报验工程资料。
注意事项
施工时注意清洁底漆涂层表面的浮尘
切忌在雨淋下施工
施工中胶带连接处要压茬粘贴
施工完毕后在仿瓷砖涂料干固前注意防止雨水冲洗
冬天户外施工温度必须在5℃以上。