块石(片石)砌体挡土墙检验批质量检验记录
- 格式:doc
- 大小:45.00 KB
- 文档页数:1
块石片石砌体挡土墙检验批质量检验记录地点:XX工程项目日期:XXXX年XX月XX日一、检验目的本次检验旨在对块石片石砌体挡土墙的施工质量进行检验,确保墙体具有足够的稳定性和承载能力。
二、检验内容1.墙体外观检查:检查墙体表面是否平整,块石是否有裂缝和松动现象。
2.墙体尺寸检查:测量墙体的高度、宽度和厚度,与设计要求进行比对。
3.砌筑工艺检查:检查石块的砌筑质量,包括石块的选材和砌筑工艺。
4.砌筑强度检测:进行墙体砌筑强度的抽样检测。
三、检验方法1.外观检查:目视观察。
2.尺寸检查:使用测量工具,如卷尺或测量仪。
3.砌筑工艺检查:仔细观察石块的选材和砌筑工艺是否符合规范要求。
4.砌筑强度检测:使用万能材料试验机进行试验。
四、检验结果1.外观检查结果:墙体表面平整,块石无裂缝和松动现象,符合设计要求。
2.尺寸检查结果:墙体高度为X米,宽度为X米,厚度为X米,与设计要求基本一致。
3.砌筑工艺检查结果:石块选材合格,砌筑工艺符合规范要求。
4.砌筑强度检测结果:共抽取X个样品进行强度测试,测试结果如下:样品1:XMPa样品2:XMPa样品3:XMPa...样品X:XMPa五、结论与建议根据以上检验结果,结合设计要求和规范要求,本次块石片石砌体挡土墙的施工质量合格,墙体具有足够的稳定性和承载能力。
六、存在的问题及处理措施在本次检验过程中,未发现存在明显的问题。
建议施工方继续加强对挡土墙的施工管理和监督,确保施工质量。
七、其他事项八、检验人员签名:签名:九、附件1.砌筑强度测试记录表2.外观检查照片。
砌筑挡土墙检验批质量验收记录.docx模板一:正式风格砌筑挡土墙检验批质量验收记录一、项目基本信息1.1 项目名称:砌筑挡土墙工程1.2 施工单位:XXX建筑有限公司1.3 监理单位:XXX监理工程有限公司1.4 施工日期:xxxx年xx月xx日 - xxxx年xx月xx日二、检验批信息2.1 检验批号:JT-2022-0012.2 施工部位:A区挡土墙2.3 施工工艺:砌筑挡土墙2.4 施工材料:xxxx材料2.5 监理工程师:XXX2.6 施工班组:XXX班组三、验收标准3.1 挡土墙的砌筑符合《挡土墙工程施工规范》(GB 50096-XXXX)的要求。
3.2 挡土墙的砌筑质量符合相关设计文件和技术规范的要求。
四、检验结果4.1 砌筑工艺符合要求,砌筑质量良好。
4.2 使用的砌筑材料符合相关标准,无质量问题。
五、验收记录5.1 验收时间:xxxx年xx月xx日5.2 验收人员:5.2.1 施工单位代表:XXX(签字)5.2.2 监理单位代表:XXX(签字)5.2.3 业主代表:XXX(签字)5.3 验收过程:5.3.1 检查挡土墙的砌筑工艺并核对相关设计文件。
5.3.2 检查挡土墙使用的砌筑材料,进行抽样检测。
5.3.3 检查挡土墙砌筑的垂直度和水平度。
5.3.4 检查挡土墙的外观质量,并进行拍照记录。
5.4 验收结果:5.4.1 检验批经核实符合相关要求。
5.4.2 未发现质量问题。
5.4.3 验收合格。
六、附件6.1 挡土墙施工照片6.2 砌筑材料抽样检测报告七、注释7.1 挡土墙工程施工规范(GB 50096-XXXX):我国对挡土墙工程砌筑质量要求的技术规范。
附件:砌筑挡土墙检验批质量验收记录.docx模板二:简洁风格砌筑挡土墙检验批质量验收记录项目基本信息:项目名称:砌筑挡土墙工程施工单位:XXX建筑有限公司监理单位:XXX监理工程有限公司施工日期:xxxx年xx月xx日 - xxxx年xx月xx日检验批信息:检验批号:JT-2022-001施工部位:A区挡土墙施工工艺:砌筑挡土墙施工材料:xxxx材料监理工程师:XXX施工班组:XXX班组验收标准:1. 挡土墙的砌筑符合《挡土墙工程施工规范》(GB 50096-XXXX)的要求。
片石挡土墙隐蔽工程验收检查记录片石挡土墙隐蔽工程验收检查记录,这个听起来挺正式的事儿,但一提到土墙,大家都知道,咱们的工程可不是光看表面这么简单。
片石挡土墙是一种典型的“看不见的”工程,啥意思呢?就像你穿的鞋子,鞋底不好好做,走起来能不让你摔跤吗?这个挡土墙虽然埋在地下,没什么人特意去关注它,但它的作用可大着呢,没它,一块块土岂不是都得往下跑?所以说,这验收的时候,咱们得仔细,绝对不能马虎。
一开始,大家往往不太重视这个隐蔽工程,觉得它好像是埋在地下的“小秘密”,没人看得见。
其实不然,土墙的稳不稳,跟后头整个工程的安全、质量紧密相关。
就拿这次的验收来说吧,咱们得从头到尾,一寸一寸地检查,不能有半点遗漏。
你看看这片石墙,表面没啥大问题,可谁知道墙后面是不是有啥小问题藏着呢。
刚开始时,大家都是高高兴兴的,一切都顺利。
可是,当我们开始检查的时候,才发现其中有些地方,居然有些瑕疵,简直让人叹为观止。
大家都知道,验收这个事儿可不是随便走个过场。
第一步得先检查土石的质量,这一步看似简单,但可得仔细。
那些片石的排列,缝隙的处理,大小规格得符合标准。
说起来容易,做起来难。
有的地方石块排得还挺规整,有的地方咋就像是捡来的破石头随便堆着。
更有些地方,石缝中还夹着些细小土块,这可不行,土块的存在就意味着不稳定,可能会影响整个挡土墙的牢固性。
说到这里,不少施工人员也开始紧张了,大家都知道这事儿可不是开玩笑的,一点点小问题,可能就会带来大麻烦。
咱得检查一下墙体的厚度和高低变化。
你别以为墙厚就代表结实,得根据工程图纸来核对,看看厚度有没有达标。
如果不够,像个纸糊的墙一样,怎么挡得住那些泥土压力?高低变化也是一个大问题。
毕竟,地形不平,有些地方低,有些地方高,墙体的高度也得适应地形变化。
好家伙,看看这片石挡土墙,倒是没啥大问题,不过在某些地方,似乎有些地方稍微低了一点点。
这可不能小视,大家立马就开始重新调整,确保整个墙体能稳稳地扛住土壤的压力。
挡土墙检验批质量检验记录挡土墙检验批质量检验记录1. 背景介绍挡土墙是一种常见的土木工程结构,用于抵御土体的侧压力,并稳定地基。
为确保挡土墙的质量和安全性,需要进行质量检验。
本文档记录了挡土墙检验批质量检验的过程和结果。
2. 检验项目2.1 材料检验2.1.1 挡土墙填土材料检验- 检验填土材料的粒度分布、含水率、塑性指数等。
- 根据相关标准,评估填土材料的质量合格性。
2.1.2 钢筋检验- 检验挡土墙中使用的钢筋的规格、抗拉强度等。
- 依据相关标准,评估钢筋的质量合格性。
2.1.3 混凝土检验- 检验挡土墙中使用的混凝土的配合比、强度等。
- 根据相关标准,评估混凝土的质量合格性。
2.2.1 基坑开挖检验- 检验基坑开挖的尺寸、坡度等。
- 确保基坑开挖符合设计要求。
2.2.2 土工格栅安装检验- 检验土工格栅的规格、张力等。
- 确保土工格栅的安装质量符合要求。
2.2.3 钢筋混凝土桩安装检验- 检验钢筋混凝土桩的尺寸、布置等。
- 确保钢筋混凝土桩的安装质量合格。
2.2.4 挡土墙背面防渗筹备层施工检验- 检验防渗筹备层的厚度、材料等。
- 评估防渗筹备层施工质量合格性。
2.3 结构安全检验2.3.1 挡土墙稳定性检验- 检验挡土墙的坡度、土体稳定性等。
- 根据相关标准,评估挡土墙的稳定性。
- 检验防滑设施的规格、材料等。
- 评估防滑设施的质量合格性。
3. 检验方法根据相关规范和标准,进行野外和室内实验室检验。
野外检验包括现场观察、测量和试验,室内实验室检验包括材料性能测试、混凝土强度等试验。
4. 检验记录4.1 检验日期:2022年10月10日4.2 检验人员:A、B、C4.3 检验地点:挡土墙施工现场4.4 检验结果- 填土材料粒度分布符合设计要求,含水率和塑性指数满足规定范围。
- 钢筋抗拉强度符合设计要求。
- 混凝土配合比合理,强度达到设计要求。
- 基坑开挖尺寸、坡度符合设计要求。
- 土工格栅的规格、张力符合设计要求。
砌体挡土墙检验批质量验收记录.docx 一:砌体挡土墙检验批质量验收记录一、工程概况1.1 工程名称:砌体挡土墙质量验收1.2 工程建设单位:xxxx公司1.3 工程施工单位:xxxx施工队1.4 工程监理单位:xxxx监理公司二、质量验收内容2.1 砌体材料验收2.1.1 砖块2.1.2 砂浆2.1.3 钢筋2.2 砌体砌筑验收2.2.1 砌筑工艺2.2.2 砌体平整度检测2.2.3 砌体垂直度检测2.3 外观质量验收2.3.1 墙面平整度检测2.3.2 砖缝宽度测量2.3.3 嵌缝质量检测2.4 强度性能验收2.4.1 砌体抗压强度检测2.4.2 砌体抗震性能检测2.5 防水性能验收2.5.1 砌体防水层厚度测量2.5.2 防水层接缝处处理验收2.6 安全防护验收2.6.1 外部护面材料检测2.6.2 砌体挡土墙基础验收2.6.3 砌体挡土墙护面检测三、质量验收方法与标准3.1 砌体材料验收标准3.1.2 砂浆验收标准3.1.3 钢筋验收标准3.2 砌体砌筑验收标准3.2.1 砌筑工艺标准3.2.2 砌体平整度标准3.2.3 砌体垂直度标准3.3 外观质量验收标准3.3.1 墙面平整度标准3.3.2 砖缝宽度标准3.3.3 嵌缝质量标准3.4 强度性能验收标准3.4.1 砌体抗压强度标准3.4.2 砌体抗震性能标准3.5 防水性能验收标准3.5.1 砌体防水层厚度标准3.5.2 防水层接缝处处理标准3.6.1 外部护面材料标准3.6.2 砌体挡土墙基础标准3.6.3 砌体挡土墙护面标准四、质量验收记录4.1 砌体材料验收记录4.2 砌体砌筑验收记录4.3 外观质量验收记录4.4 强度性能验收记录4.5 防水性能验收记录4.6 安全防护验收记录附件:砌体挡土墙工程质量验收照片附注:1、本文所涉及的法律名词及注释:- 砌体:指使用砖块或其他砌体材料进行墙体构筑的工艺。
- 挡土墙:指用于抵御土体横向压力的墙体结构。
砌筑挡土墙检验批质量检验记录一、项目概述为确保挡土墙的施工质量符合设计要求和相关标准规范的要求,制定本次挡土墙检验批质量检验记录。
本次检验批的工程内容包括挡土墙的砌筑工作,检验对象为挡土墙的砌筑质量。
二、检验时间和地点检验时间:xxxx年xx月xx日检验地点:工地现场挡土墙施工区域三、检验项目和标准本次挡土墙检验批的检验项目和标准如下:1. 砌筑质量:应符合相关设计要求和国家标准规范,墙体结构牢固,无明显空鼓、脱落现象。
2. 砂浆配合比:应符合设计要求,砂浆拌合均匀,质地均匀细腻。
3. 砖砌结构:应按照设计要求进行砌筑,砖砌墙体垂直、水平和整齐度等均符合要求。
4. 砌筑接缝:应保持砌筑接缝的规整,垂直墙面应平直、接缝均匀。
四、检验过程1. 检验人员按照计划在指定时间到达检验地点,与施工单位负责人沟通确认施工情况和准备工作。
2. 检验人员对砌筑墙体进行外观检查,检查墙体表面是否平整、光洁,砌筑过程中是否有空鼓、脱落等现象。
3. 检验人员使用切铁锤检查墙体的坚固程度和空鼓情况,对发现的问题及时记录并通知相关责任人进行整改。
4. 检验人员测量墙体的垂直度、水平度和整齐度,与设计要求进行对比评价。
5. 检验人员检查砌筑接缝的规整程度,使用尺子、直线仪等工具进行检测,并记录结果。
6. 检验人员与施工单位负责人进行沟通交流,对检验结果进行评价,并提出整改要求和建议。
7. 检验人员整理检验记录和检验报告,确保准确、完整,无误差。
五、检验结果和评价根据本次挡土墙检验批的检验项目和标准,经检查评价得出以下结果:1. 挡土墙的砌筑质量符合设计要求和相关标准规范。
2. 砂浆配合比合理,砌筑接缝规整,墙体垂直、水平和整齐度良好。
3. 未发现墙体存在空鼓、脱落等质量问题。
六、整改要求和建议根据本次检验结果,提出如下整改要求和建议:1. 墙体检验过程中发现的小问题应及时整改,确保墙体质量的连续性和稳定性。
2. 施工单位应加强工人培训,提高对挡土墙砌筑质量的重视程度。
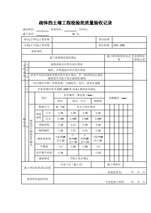
技术负责人监理单位验收记录1第15.6.3-2条2第14.5.3-3条应测点数合格点数合格率(%)1第15.6.3-4条料石0,+1095622100块石、片石、预制块不小于设计规定√√√22100料石、预制块±10-6-3-1022100块石±15013-1022100片石子±20013722100料石、预制块≤1021822100块石、片石≤15681322100料石、预制块≤0.5%H且≤2000122100块石、片石≤0.5%H且≤3000022100料石、预制块≤512322100块石、片石≤3026719221007料石、预制块≤10621221008断面尺寸(mm)顶面高程(mm)轴线偏位(mm)墙面垂直度(mm)平整度(mm)注:H为挡土墙高度主控项目一般项目23456允许偏差监理单位验收结论平均合格率(%)100经检查,检验批的主控项目和一般项目合格质检员签名:同意验收监理工程师签名: 年 月 日 年 月 日施工单位检查意见施工与质量验收规范的规定不合格点的实测偏差值或实测值挡土墙应牢固,外形美观,勾缝密实、均匀、泄水孔通畅。
符合设计及施工规范要求水平缝平直度(mm)墙面坡度不陡于设计规定施工与质量验收规范的规定施工单位检查记录砌块、石料强度应符合设计要求符合设计及施工规范要求砌筑砂浆质量应符合规范要求符合设计及施工规范要求验收部位W11-W12主要工程数量11.25m³验收规范及图号CJJ1-2008项目经理庞胜欧智平施工工长黄建东分部工程名称砌体挡土墙分项工程名称挡土墙工程名称猎德污水处理系统管网工程--棠下涌片区一期单位工程名称棠安路污水管道工程施工单位广西市政工程集团有限公司分包单位/市政基础设施工程砌体挡土墙检验批质量验收记录市政质检﹣1﹣60第 页,共 页。
接上表
砌体挡土墙质量检验标准
(CJJ1—2008)
15.6.3 砌体挡土墙质量检验应符合下列规定:
主控项目
1 地基承载力应符合设计要求。
检查数量和检验方法应符合本规范第15.6.1条第1款的规定。
2 砌块、石料强度应符合设计要求。
检查数量:每品种、每检验批1组(3块)。
检验方法:查试验报告。
3 砌筑砂浆质量应符合本规范第14.5.3条第7款的规定。
一般项目
4 挡土墙应牢固,外型美观,勾缝密实、均匀,泄水孔通畅。
5 砌筑挡土墙允许偏差应符合表15.6.3的规定。
表15.6.3砌筑挡土墙允许偏差
6 栏杆质量应符合本规范第15.6.1条的规定。
挡土墙检验批质量验收记录挡土墙是一种常见的土方工程结构,用于控制土方的稳定和防止土方滑坡。
为确保挡土墙的质量达标,需要进行质量验收,并记录验收情况。
本文将详细介绍挡土墙检验批的质量验收记录。
一、工程概况挡土墙的工程概况包括工程名称、工程地点、施工单位、设计单位等基本信息。
同时还应包括挡土墙的设计要求和施工规范等,以便对工程质量进行评估。
二、材料检验挡土墙的材料主要包括土方和加固材料。
材料验收应由施工单位按照相关标准进行,主要检查土方的质量、粒度、含水率等指标,以及加固材料的强度、尺寸、表面处理等指标。
材料验收应记录材料名称、规格型号、数量、检测结果等,并附上检测报告和合格证书。
三、施工工艺验收挡土墙的施工工艺主要包括土方开挖、土方运输、挡土墙构筑和加固等工序。
施工工艺验收应由施工单位按照相关规范进行,主要检查土方开挖的坡度、边坡处理、挡土墙的层压、垫层厚度等工艺指标。
同时还需检查加固材料的使用情况,如钢筋的数量、布置方式等。
施工工艺验收应记录验收日期、验收人员、验收结果等,并附上照片和方案设计。
四、质量验收挡土墙的质量验收主要是对挡土墙的外观质量、结构强度和稳定性进行评估。
外观质量包括挡土墙的平整度、缺陷、开裂等情况;结构强度包括挡土墙的抗压强度、抗剪强度等指标;稳定性包括挡土墙的稳定性分析、倾覆和滑动等情况。
质量验收应由专业人员进行,记录验收日期、验收人员、验收结果等,并附上照片和评估报告。
五、施工问题和改进措施挡土墙的施工过程中可能会出现一些问题,如土方开挖不当、加固材料使用不当等。
施工问题和改进措施应记录在验收记录中,以便施工单位进行整改和改进。
记录应包括问题描述、责任人、整改方案和整改结果等信息。
六、其他事项挡土墙的质量验收还应包括施工单位、设计单位和监理单位的签字确认和意见反馈等内容,以确保质量验收的公正性和客观性。
以上是挡土墙检验批质量验收记录的主要内容,可以根据具体情况进行调整和完善。
砌体挡土墙施工检验批质量检验记录一、施工单位:XXX工程有限公司二、工程名称:砌体挡土墙工程三、工程编号:XXX-XXXXX四、项目负责人:XXX五、工程地点:XXX市XXX区六、检验时间:YYYY年MM月DD日检验标准:1.《建筑工程砌体工程施工及验收规范》(GB 50345-2015)2.《土石方工程质量验收规范》(GB 50201-2015)检验内容:根据以上参考标准的相关要求,对砌体挡土墙工程进行了质量检验。
检验方法:1. 抽查法:随机抽取施工现场的砌体挡土墙进行检测。
2. 测试法:采用钢尺、水平仪、弹线灯、水平轴等检测工具进行实地检测。
检验过程与结果:1. 基坑开挖:依据设计深度和宽度,在工程现场进行基坑开挖。
结果:基坑开挖符合设计要求,深度与宽度符合图纸要求,无明显的开挖不足或超出设计范围。
2. 基础处理:清理基坑内的杂物、砂土,并进行基础处理。
结果:基础清理工作完成,基础处理确保了基坑底部的垫层厚度和质量,无明显问题。
3. 挡土墙砌筑:根据设计要求,对挡土墙进行砌筑。
结果:挡土墙砌筑工作完成,墙体垂直度符合要求,砌体厚度均匀一致,无明显倾斜、脱落或开裂情况。
4. 接缝处理:对砌体挡土墙的接缝进行处理。
结果:接缝处理符合要求,无明显错台、空鼓或裂缝,接缝均匀且无明显渗水现象。
5. 防水层施工:根据设计要求,在挡土墙的背面施工防水层。
结果:防水层施工质量良好,防水层材料使用均匀,无明显虚脱、裂缝或孔洞。
6. 地表处理:对挡土墙顶部和周边进行地表处理。
结果:地表处理饰面完成,地面平整、无明显凹凸不平、松动或开裂现象。
7. 施工记录:施工单位提供了详细的施工记录,包括施工施工日志、检验记录、质量核对单等。
结果:施工记录齐全,记录内容完整和准确。
总结:根据对砌体挡土墙施工的检验结果分析,该工程符合相关标准的施工要求,施工质量良好,未发现重大质量问题。
施工单位在施工过程中严格按照标准和设计要求进行施工,工艺流程合理、操作规范、质量控制到位。