第四章-桩基础习题及参考答案
- 格式:doc
- 大小:92.50 KB
- 文档页数:6
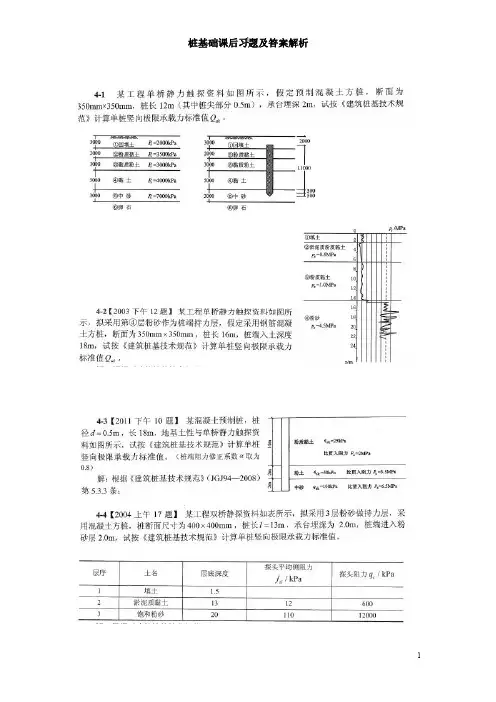
第9课作业一桩基础构造及前4章1、5. [2006A29]下列邢选项不廣丁桩屋承载能力极限状态的计算内容?(A)桩身裂缝宽度骑算[D)承舍的抗冲切验算1C)承白的抗剪切验算(D)桩身强度骗算【解折】九;《建览柱塵技术规范%(JGJ 94-2008)*34.1条第2款条文说明.1. [2010B091卜列哪选项不屈丁桩®承载能力极限状态的H算内容?(A)孜台抗敢切验算(R)预制桩冋运和》击於算(C)桩身裂缝宽度验算(D)號身强度验算祈】C:戏桩鬼技式良范3 fJGM斗一2〔)0引苇3丄7条第4就,A. Q、D绘为承辍馳力按限状念;柜)?裂蜒S搜验?r*別采囲球舉塩A幻准康戈组台、黒于按正営使剧拔瞑狀态iH<戒釦順策3.1・1备鑰2鼠-务文说E仁n, [2009.\501根粥《建琉粧U技忒规范》tJGJ94—2008).卜列梵于变刖度训半说计方法的论込小唧空选珈是诳诵?(A)虫刚畏開半•狀计应考虑上部结构形式荷載-地层分和玻其和圾作出效应(B)变刚哎主婆時训査上蒯结构荷我的分布,怏Z口垦桩的支拧刚嘎相匹配fC)变期哎主姿扌齐通过调整机伦・桩K,桩趾巻改变S桩支拧刚度井布・使之打上湍給闯荷戟、丰也吐配(L))童刚膜训T:谶计的H的址使址筑物沉降趟十吃匀,虑台内力降低【鱷甘】ACD, E建挺桩M a术規范》仃GJ94-;™旳第工1上条及華文叩,娈足度调平设r是诅:丈词螯基桩韵支摊朋廈分坯區満足上却泪构时沉那和貉柠凸力的要应,鬥不是K 二詡請均嚴适应下訓茶稀结材,12. [201t)B521关于&建第桩呈技术规池;^ (JUJ 94—200SJ中变刚惟调平设计槪念的说也. 卜「列哪^^^选顼是正确frp(A)变刚痪调平设计可减小苯异变形(B)变刚度诚卩设讣可降低示台内力(C)变刖度调平设计可下再点上却結构荷载分布(0)变刚I度调下设计可降低上甜结枸次内(臧)力【解芳】ARD;《建筑桩基技穴现葩》(皿194一20则第3」倍率及条文说明,13. [2004A26] ■埠ST 粘性1.中的摩按型01■畢础,承台下有9根克轻为d 、长度为E 的 钻孔灌注桩,承台平血尺寸及桩分布如F 图所示,承台刚度很大,可视为绝对刚性,在竖 向屮心荷载惟用下,沉降血匀,你认为下面对承台下不同迪置处桩顶反力估计,哪项足止 确的?审&4 T 严儀・ «边排中间桩加*.角桩次之边fa 中间桩次之,角桩反力愎小 ra 绕中心网周的8根桩.反力应相同.数值出中心桩小 角轿反力最大,边拮中间擀次Z,中心W 反力最小 【解祈】D :《建筑社基技术規范》(JGJ94—2008)第3丄8条第5款条文说明,天然地堪和 均匀帝桩的初始竖向支撐刚度是均匀分布的,设置于其上的Pd 度有限的基础(承台)受均 布茁戦作用时,出于土与土、桩与堆、土与桩的柜互作用导致鬼基或绘矣妁竖向支撑刚度 分市发生肉弱处强的变化,沉障变形出现内大办小的碟形分布.華底反力出现内小外犬的 马鞍形分布.故桩顶反力:角柠員大.边桩次之.中心桥S 小.D 正确:这也是进行变刚 虔調平设计的原因序准。
、单桩承载力 例题1条件:有一批桩,经单桩竖向静载荷试验得三根试桩的单桩竖向极限承载力分别为 880kN 。
要求:单桩竖向承载力容许值。
答案:Q ( 6),( 7 )进行计算。
其单桩竖向极限承载力平均值为:858.3 R429.3kN2例题2求单桩竖向极限承载力 942条件:某工程柱下桩基础,采用振动沉管灌注桩,桩身设计直径为377mm ,桩身有效计算长度13.6m 。
地质资料如右图。
要求:确定单桩竖向承载力容许值。
答案:rA p qrk )kPa、单排桩桩基算例设计资料:某直线桥的排架桩墩由 2根1.0m 钢筋混凝土钻孔桩组成,混凝土采用载: N 5000kN , H 100kN , M 320kN m 。
其他有关资料如图所示,桥下无水。
试求出桩身弯矩的分布、桩顶水平位移及转角(已知地基比例系数m 8000kPa/m 2,2m 0 50000kPa/m )1( n一(u 2 i 1 i l i q ikr A p q rk)1 [3.142 0.377(0.7 2.3 45 0.98.6 55 0.6 2.7 53)1丄[1.18 2(72.45425.7 85.86) 147.27]418.2kPaa0.6 3.1420.377 42200]830kN 、 860kN 和830 860 8803极差 880-830=50kN2575~3~858.3kN5.82% 30%,极差小于平均值的30%。
858.3根据《建筑地基与基础规范》附录查表粉质黏土,粉土,黏性土摩阻力标准值分别为 45kPa 、55 kPa 、53C20,承台底部中心荷—-A-J1——2.5■答案:(1) 桩的计算宽度b1b1 kk f(d 1) 1.0 0.9(1 1) 1.8(m)(2) 桩的变形系数2m 8000kPa/m ,b1 1.8(m),E c 2.7 107kN /m21.04640.049 m45 mbEImb0.8E c I80000 1.85 0.8 2.7 107 0.049 °4234/m桩的换算深度h 0.4234 16 6.76 2.5,属弹性桩。
桩基础习题及参考答案习题4— 1截面边长为400mm 勺钢筋混凝土实心方桩,打入 10m 深的淤泥和 淤泥质土后,支承在中风化的硬质岩石上。
已知作用在桩顶的竖向压力为800k N,桩身的弹性模量为3X 104N/mH 试估算该桩的沉降量。
〔解〕该桩属于端承桩,桩侧阻力可忽略不计,桩端为中风化的硬质岩石, 其变形亦可忽略不计。
因此,桩身压缩量即为该桩的沉降量,即习题4— 2某场区从天然地面起往下的土层分布是:粉质粘土,厚度 I i =3mqm=24kPa ;粉土,厚度 12=6m q s2a =20kPa ;中密的中砂,q s3a =30kPa, q pa =2600k Pa 。
现采用截面边长为350m 材350mn t 勺预制桩,承台底面在天然地面以下 1.0 m 桩端进入中密中砂的深度为1.0m ,试确定单桩承载力特征值。
〔解〕 二f 七:心=2600 K O .35 x 0 35 + 4 x 0 35 x (24 x 2 + 20 x 6 + 30 x 1)=595 7kN习题4— 3某场地土层情况(自上而下)为:第一层杂填土,厚度 1.0m ;第 二层为淤泥,软塑状态,厚度 6.5m, q sa =6kPa ;第三层为粉质粘土,厚度较大, q sa =40kPa ; q pa =1800kPa 。
现需设计一框架内柱(截面为 300m 材450mm 的预制 桩基础。
柱底在地面处的荷载为:竖向力 F k =1850kN,弯矩M=135kN ・m 水平 力H=75kN,初选预制桩截面为350m 材350mm 试设计该桩基础。
〔解〕(1)确定单桩竖向承载力特征值NI &恥10 034x0.4x3x107 0.00167^ = 1.67m设承台埋深1.0m,桩端进入粉质粘土层4.0m,则血=如為+ u忆g詁=1800 x 0.35 xO.35 + 4x0.35 x(6x 6.5 + 40 x4)=499 bW结合当地经验,取R a=500kN。
第3章 桩基础【习题3— 1】(注岩2003C15 一钻孔灌注桩,桩径d 0.8m ,桩长I 10m ,穿 过软土层,桩端持力层为砾石。
如图所示,地下水位在地面下 1.5m ,地下水位 以上软黏土的天然重度为17.1kN m 3,地下水位以下软黏土的有效重度'9.4kN m 3。
现在桩顶四周大面积填土,填土荷载 p 10kPa ,按《建筑桩基 技术规范》JGJ9— 2008,计算该单桩基础由于填土引起的负摩阻力下拉荷载最 接近下列哪个选项的数值(负摩阻力系数 n 0.2)?A 393kNB 286kNC 264kND 238kNi z i117.1 1.5 12.8kPa 21i z i 17.1 1.59.4 7.5 60.9kPa2答案为B 286kN【习题3— 2】(注岩2004D14某端承型单桩基础,桩入土深度12m ,桩径d 0.8m 中性点位于桩顶下6m ,桩顶荷载Q 500kN ,由于地表大面积堆载而产生了负班级:学号: 姓名:地下水位以上,i 11mZ m1m 121' P1 10 12.8 22.8kPan q s1n11kPa地下水位以下,i 12mZm1m 12解:l n l 。
0.9 l n 09。
0.9 102' P210 60.9 70.9kPa nq s2n2 2 nQgnu q Si l i1.0i 1 0.8 4.6 1.5 14.2 7.5285kNkPa摩阻力,负摩阻力平均值q : 20kPa ,按《建筑桩基技术规范》JGJ9—2008计 算,桩身最大轴力最接近下列哪个选项的数值? A 500kNB 650kNC 800kND 900kN解: Q g 1nUnq Si l ii 11.0 0.8 20 6 301.6kNQ maxQ ° Q g n 500 301.6 801.6kN答案为C 800kN【习题3-3】(注岩2012D10某正方形承台下布端承型灌注桩 9根,桩身直径 为700mm ,纵、横桩间距均为2.5m ,地下水位埋深为0m ,桩端持力层为卵石, 桩周土 0~5m 为均匀的新填土,以下为正常固结土层,假定填土重度为 18.5kN m 3,桩侧极限负摩阻力标准值为30kPa ,按《建筑桩基技术规范》JGJ 94 —2008考虑群桩效应时,计算基桩下拉荷载最接近下列哪个选项? A 180kN B 230kN C 80kN 答案:(B )【解】按《建筑桩基技术规范》JGJ 9—2008第5.4.4条计算nQ nn [gnuq si li,i 1D 330kNSax Say2.5 2.5 0.7 30 O' 8.540.7672桩端持力层为卵石,查表 5.4.4—2,l n l 00.9 l n 0.91。
桩基础习题及答案桩基础习题及答案桩基础是土木工程中常见的一种基础形式,它通过将混凝土桩或钢桩等材料嵌入地下,以增加地基的承载能力和稳定性。
在设计和施工过程中,我们需要掌握一定的理论知识和技巧。
下面,我将为大家提供一些桩基础的习题及答案,希望能对大家的学习和实践有所帮助。
习题一:桩基础的分类1. 桩基础按照桩身材料的不同可分为哪几类?答案:桩基础可分为混凝土桩、钢桩、木桩和复合桩等几类。
2. 桩基础按照桩身形状的不同可分为哪几类?答案:桩基础可分为圆形桩、方形桩、多边形桩和特殊形状桩等几类。
习题二:桩基础的设计1. 桩基础的设计应考虑哪些因素?答案:桩基础的设计应考虑地基的承载能力、沉降控制、抗倾覆能力、抗浮托能力、抗震能力等因素。
2. 桩基础的承载力如何计算?答案:桩基础的承载力可通过静力试验、动力试验、静力触探等方法进行测定和计算。
习题三:桩基础的施工1. 桩基础的施工顺序是什么?答案:桩基础的施工顺序一般为:桩基础的布置→桩身的预制或钻孔→桩身的安装→桩顶的处理。
2. 桩基础的施工中需要注意哪些问题?答案:桩基础的施工中需要注意桩身的垂直度、桩顶的水平度、桩身的质量等问题。
习题四:桩基础的检测和验收1. 桩基础的检测方法有哪些?答案:桩基础的检测方法主要包括静载试验、动载试验、无损检测等。
2. 桩基础的验收标准是什么?答案:桩基础的验收标准一般包括桩顶标高、桩身的垂直度、桩身的质量等指标。
以上是一些关于桩基础的习题及答案,希望对大家的学习和实践有所帮助。
在实际工程中,桩基础的设计和施工需要根据具体情况进行合理选择和操作,同时也需要结合相关的规范和标准进行参考。
通过不断的学习和实践,我们可以更好地掌握桩基础的理论和技术,提高工程的质量和安全性。
P180 第4章 习题答案4-1 桩端支撑在中等风化的硬质岩石上,为端承桩。
忽略侧阻影响,则桩所受轴力均匀,等于桩顶传来竖向压力值800KN .桩的沉降量即等于桩发生的弹性压缩变形(单位都统一换算成 N ,mm )S=mm l EA N 67.11010103400108003423=⨯⨯⨯⨯⨯= 4-2 此题练习使用单桩竖向承载力特征值的规范经验公式∑+=i sia p p pa a l q u A q R承台埋深1.0m ,桩端进入中密中砂为1.0 m, 则桩长为(3+6+1)—1=9m 。
KNR a 7.5952.2775.318 )130620224(35.0435.026002=+=⨯+⨯+⨯⨯⨯+⨯=单桩承载力特征值为595.7KN4-3 此题练习应用分配桩顶荷载计算公式(1) 确定承台埋深。
根据题意,第一层土为杂填土,厚度1.0m ,此土层强度低,变形大,埋深大于等于此土层厚度。
埋深确定为1m ,满足规范最小埋深0.5m 要求。
(2) 计算单桩竖向承载力特征值。
初步确定桩进入粉质粘土层1m ,计算桩承载力。
如不满足则再增加桩长,直到满足。
如开始就取很长桩长,承载力很大,则会造成较大浪费。
去掉承台埋深1m ,则桩长为6.5+1=7.5mKNl q u A q R isia p p pa a 1.3316.1105.220 )1405.66(35.0435.01800 2=+=⨯+⨯⨯+⨯=+=∑(3)初步选定桩数,确定承台尺寸,布桩。
桩数 6.51.331/1850==>ak R F n ,取6根。
桩距m b s p 05.135.00.30.3=⨯==按照常规经验,桩距一般3~4倍范围内。
此题可以在这个范围调整桩距,建议取整数,例如1.1m ,1.2m 等,这样便于施工。
如果只是按照书中例题步骤模仿做题,则取桩距1.05m承台边长 8.2)05.135.0(2=+⨯=amm b 9.1)6.035.0(2=+⨯=实际这是最低限要求,可以在此基础上调整,如取0.20.3⨯,0.28.2⨯。
桩基础课后习题答案桩基础课后习题答案桩基础作为土木工程中的重要组成部分,是建筑物的基础支撑结构,对于建筑的稳定性和安全性起着关键作用。
在学习桩基础的过程中,我们不可避免地会遇到一些习题,下面是一些常见的桩基础课后习题及其答案。
1. 什么是桩基础?请简要描述桩基础的作用和分类。
答:桩基础是指通过将桩体嵌入地下,利用桩体的承载力将建筑物的荷载传递到地下的一种基础形式。
桩基础的作用是分散建筑物荷载,保证建筑物的稳定性和安全性。
根据桩体与地面之间的相互作用方式,桩基础可分为摩擦桩和端承桩两种类型。
2. 请简要介绍摩擦桩和端承桩的特点及适用情况。
答:摩擦桩是指通过桩体与土壤之间的摩擦力来承担建筑物荷载的一种桩基础形式。
摩擦桩适用于土层较为均匀、稳定的情况下,可以有效地分散建筑物荷载。
端承桩是指通过桩体底部承担建筑物荷载的一种桩基础形式。
端承桩适用于土层较为坚硬、承载力较高的情况下,能够有效地承担建筑物的荷载。
3. 请简要描述桩基础的施工过程。
答:桩基础的施工过程一般包括以下几个步骤:首先是桩基础的设计,确定桩的类型、尺寸和布置方式;其次是桩基础的准备工作,包括场地的清理、标定桩位等;然后是桩的施工,根据设计要求进行桩的钻孔或打入工作;最后是桩基础的验收和监测,对桩基础进行质量检测和监测,确保其稳定性和安全性。
4. 桩基础的设计参数有哪些?请简要介绍其含义和影响因素。
答:桩基础的设计参数包括桩的直径、长度、间距和承载力等。
桩的直径和长度决定了桩的承载能力,直径越大、长度越长,承载能力越大;桩的间距决定了桩基础的分布情况,间距越小,承载能力越大;桩的承载力受土壤的性质、桩的类型和桩身的摩擦力等因素影响。
5. 桩基础的质量如何保证?请简要介绍桩基础的质量控制措施。
答:桩基础的质量保证需要从桩的设计、施工和验收等方面进行控制。
首先是桩的设计,根据建筑物的荷载和土壤的承载能力进行合理的设计;其次是桩的施工,要严格按照设计要求进行施工,确保桩的质量和稳定性;最后是桩的验收,对桩基础进行质量检测和监测,确保其符合设计要求。
题目:01.桩基础是通过承台把若干根桩的顶部连成整体,共同承受上部荷载的一种深基础,简称()选项A:刚基选项B:桩选项C:桩基选项D:基桩答案:桩基题目:02.下列情况不适用于采用桩基础的是()选项A:当建筑物荷载较大,地基上部土层软弱,适宜的地基持力层位置较深选项B:高耸建筑物或构筑物受水平力作用较大,为防止倾覆或产生较大倾斜选项C:水中建筑物如桥梁、采油平台等,当水位很高,采用其它基础形式施工困难时选项D:高耸建筑物或构筑物受水平力作用较大,为防止倾覆或产生较大倾斜答案:高耸建筑物或构筑物受水平力作用较大,为防止倾覆或产生较大倾斜题目:03.桩基应根据具体条件分别进行承载能力计算和稳定性验算,当桩端平面以下存在软弱下卧层时,应进行()选项A:软弱下卧层承载力验算选项B:抗震承载力验算选项C:基桩和群桩的抗拔承载力计算选项D:应进行整体稳定性验算题目:04.根据承台与地面的相对位置,桩基础一般可以分为()选项A:低承台桩和高承台桩选项B:摩擦桩和端承桩选项C:灌注桩和预制桩选项D:挤土桩和非挤土桩答案:低承台桩和高承台桩题目:05. 摩擦型桩是指()选项A:承台底面位于地面(或冲刷线)以上的桩选项B:承台底面位于地面(或冲刷线)以下的桩选项C:桩顶荷载主要由桩端阻力承受的桩选项D:桩顶荷载主要由桩侧阻力承受的桩答案:桩顶荷载主要由桩侧阻力承受的桩题目:06. 下列是按桩身材料分类的一组是()选项A:灌注桩和预制桩选项B:挤土桩和非挤土桩选项C:木桩和钢桩选项D:高承台桩和低承台桩答案:木桩和钢桩题目:07.摩擦型桩根据桩端阻力是否可以忽略不计分为()选项A:端承挤土桩和端承摩擦桩选项B:端承桩和端承摩擦桩选项C:摩擦挤土桩和端承摩擦桩选项D:摩擦桩和端承摩擦桩答案:摩擦桩和端承摩擦桩题目:08.桩端阻力与土的性质、持力层上覆荷载、桩径、桩底作用力、时间及桩底端进入持力层深度等因素有关,但其最主要影响因素为()选项A:持力层上覆荷载选项B:桩底土的性质选项C:桩径选项D:桩底端进入持力层深度答案:桩底土的性质题目:09.单桩在竖向荷载作用下,其破坏模式主要取决于()选项A:桩顶荷载大小选项B:桩径大小选项C:桩侧阻力大小和桩身强度选项D:桩周岩土的支承能力和桩身强度答案:桩周岩土的支承能力和桩身强度题目:10.压屈破坏时,桩基础单桩的承载力取决于()选项A:桩身的材料强度选项B:桩径大小选项C:桩端土的支承力选项D:桩顶荷载大小答案:桩身的材料强度题目:11.一般情况下,桩在荷载作用下,桩相对周围土体产生向下的位移,土对桩侧产生向上的摩阻力,称之为()选项A:负摩阻力选项B:正摩阻力选项C:侧摩阻力选项D:中性摩阻力答案:正摩阻力题目:12.桩基础上摩阻力为零的点称为()选项A:中性点选项B:零点选项C:中心点选项D:摩阻力点答案:中性点题目:13.下列关于单桩竖向极限承载力相关说法错误的一项是()选项A:设计等级为甲级的建筑桩基,单桩竖向极限承载力标准值应通过单桩静载试验确定选项B:竖向承载力又分为竖向受压承载力和受拉承载力选项C:设计等级为丙级的建筑桩基,单桩竖向极限承载力标准值可根据原位测试确定选项D:单桩竖向极限承载力的大小取决于桩径大小答案:单桩竖向极限承载力的大小取决于桩径大小题目:14.单桩竖向荷载作用下,到达破坏状态前或出现不适于继续承载的变形时所对应的最大荷载称为()选项A:单桩竖向极限承载力选项B:单桩横向极限承载力选项C:单桩水平极限承载力选项D:单桩纵向极限承载力答案:单桩竖向极限承载力题目:15. 在同一条件下的试桩数量,不宜少于总桩数的1%,且不应少于()选项A:5根选项B:3根选项C:9根选项D:7根答案:3根题目:16. 确定单桩竖向承载力的最可靠的方法是()选项A:经验公式法选项B:静载荷试验选项C:单桥探头静力触探选项D:不能确定答案:静载荷试验题目:17.下列关于换填法相关说法有误的一项是()选项A:换填法适用于深层地基处理,浅层地基处理很少采用选项B:换填法用于膨胀土地基可消除地基土的胀缩作用选项C:经过换填法处理的人工地基或垫层,可以把上部荷载扩散传至下面的下卧层选项D:换土垫层与原土相比,具有承载力高、刚度大、变形小等优点答案:换填法适用于深层地基处理,浅层地基处理很少采用题目:18. 利用换填法进行地基处理,换土垫层的作用不包括()选项A:防止冻胀选项B:加速软弱土层的排水固结选项C:增加沉降量选项D:提高地基承载力答案:增加沉降量选项A:垫层的宽度选项B:垫层的厚度选项C:承载力和沉降选项D:吸水率答案:吸水率题目:20.下列关于垫层施工中常见的质量问题及预防处理措施相关说法有误的一项是()选项A:在垫层的施工中,填料质量的好坏、是直接影响垫层施工质量的关键因素选项B:预防和处理办法,要针对不同的质量不合格原因,采取相应的措施选项C:砂和砂石垫层采用的施工机具和方法对垫层的施工质量不太重要选项D:机械开挖基坑时,出现超挖现象,使垫层的下卧土层发生扰动,降低了基底软土的强度答案:砂和砂石垫层采用的施工机具和方法对垫层的施工质量不太重要题目:01.桩基础如设计正确,施工得当,则它具有承载力高、稳定性好、沉降量小而均匀、抗震性能强、便于机械化施工、适用性强等突出优点。
习题【4-1】表4-16给出一钻孔灌注桩试桩结果,请完成以下工作:①绘制Q-s曲线;②在半对数纸上,绘制s-lg t曲线;③判定试桩的极限承载力Q u,并简要说明理由;④根据试桩曲线及桩型判别该试桩破坏模式。
表4-16 钻孔灌注桩试桩结果静载荷试验结果汇总表工程名称:习题4-1 试验桩号:Q-s曲线极限承载力确定:1. 由静载荷试验结果汇总表可知Δs8=2.53,Δs9=7.01,Δs10=38.98 则56.501.798.3858.253.201.791089>==∆∆<==∆∆s s s s , 所以 4800kN 为破坏荷载,其前一级荷载4400kN 为单桩极限承载力。
2.Q -s 曲线为陡降型曲线,由Q -s 曲线可见,在荷载4400kN 处发生明显陡降, 其明显陡降起始点对应的荷载4400kN 为单桩极限承载力3.由s -lgt 曲线可见,在当加载到4800kN 时,s -lgt 曲线尾部明显向下弯曲,因此 其前一级荷载值4400kN 即为单桩极限承载力。
【4-2】有一根悬臂钢筋混凝土预制方桩(图4-42),已知:桩的边长b =40cm ,入土深度h =10m ,桩的弹性模量(受弯时)E =2×107kPa ,桩的变形系数α=0.5 m -1,桩顶A 点承受水平荷载Q =30kN 。
试求:桩顶水平位移x A ,桩身最大弯矩M max 与所在位置。
如果承受水平力时,桩顶弹性嵌固(转角φ=0,但水平位移不受约束),桩顶水平位移x A 又为多少?图4-42 习题4-2图解:1)αh =0.5×10=5>4.0,可查附表。
34247252110.40.21331012122100.2133100.426710I b h m EI kN m --=⋅⋅=⨯=⨯=⨯⨯⨯=⨯⋅ 5635.45.00.15.010==⨯=x A l αmmm B EIMA EI H x x x A 67.2502567.005635.4104267.05.030532311==+⨯⨯⨯=+αα=地面处:)(300kN H H ==)(3013000m kN l H M ⋅=⨯=⋅=5.030305.00=⨯==H M C H α,得αz =1.1,Z max =1.1/0.5=2.2(m) 对应的K H=1.1566,)(4.691566.15.030M 0max m kN K H H ⋅=⨯=⋅=α2)桩顶弹性嵌固时⎪⎪⎩⎪⎪⎨⎧+==⎪⎭⎫ ⎝⎛+-=12131120x x A A B EI M A EI H X B EI M A EI H ααααφφφ由5.00.15.00=⨯=l α,查表4-12得:5635.42506.26263.21111====x x A B B A φφ由φA =0,得桩顶的反弯弯矩:)(0.702506.25.06263.23011m kN B A H M ⋅-=⨯⨯-=⋅⋅-=φφαmm m B EI MA EI H x x xA 44.81044.801723.002567.06263.2104267.05.00.705635.4104267.05.030352532311=⨯=-=⨯⨯⨯-+⨯⨯⨯=+-αα=【4-3】按例题4-3所给的条件,求在横向荷载作用下,多排桩的桩顶位移和桩顶荷载及桩身的最大弯距。
习题4-1截面边长为400mm的钢筋混凝土实心方桩,打入10m深的淤泥和淤泥质土后,支承在中风化的硬质岩石上。
已知作用在桩顶的竖向压力为800kN,桩身的弹性模量为3×104N/mm2。
试估算该桩的沉降量。
〔解〕该桩属于端承桩,桩侧阻力可忽略不计,桩端为中风化的硬质岩石,其变形亦可忽略不计。
因此,桩身压缩量即为该桩的沉降量,即习题4-2某场区从天然地面起往下的土层分布是:粉质粘土,厚度l1=3m,q s1a=24kPa;粉土,厚度l2=6m,q s2a=20kPa;中密的中砂,q s3a=30kPa,q pa=2600kPa。
现采用截面边长为350mm×350mm的预制桩,承台底面在天然地面以下1.0m,桩端进入中密中砂的深度为1.0m,试确定单桩承载力特征值。
〔解〕习题4-3某场地土层情况(自上而下)为:第一层杂填土,厚度1.0m;第二层为淤泥,软塑状态,厚度6.5m,q sa=6kPa;第三层为粉质粘土,厚度较大,q sa=40kPa;q pa=1800kPa。
现需设计一框架内柱(截面为300mm×450mm)的预制桩基础。
柱底在地面处的荷载为:竖向力F k=1850kN,弯矩M k=135kN·m,水平力H k=75kN,初选预制桩截面为350mm×350mm。
试设计该桩基础。
〔解〕(1)确定单桩竖向承载力特征值设承台埋深1.0m,桩端进入粉质粘土层4.0m,则结合当地经验,取R a=500kN。
(2)初选桩的根数和承台尺寸取桩距s=3b p=3×0.35=1.05m,承台边长:1.05+2×0.35=1.75m。
桩的布置和承台平面尺寸如图11-12所示。
暂取承台厚度h=0.8m,桩顶嵌入承台50mm,钢筋网直接放在桩顶上,承台底设C10混凝土垫层,则承台有效高度h0=h-0.05=0.8-0.05=0.75m。
采用C20混凝土,HRB335级钢筋。
习题4-1截面边长为400mm得钢筋混凝土实心方桩,打入10m深得淤泥与淤泥质土后,支承在中风化得硬质岩石上。
已知作用在桩顶得竖向压力为800kN,桩身得弹性模量为3×104N/mm2。
试估算该桩得沉降量。
〔解〕该桩属于端承桩,桩侧阻力可忽略不计,桩端为中风化得硬质岩石,其变形亦可忽略不计。
因此,桩身压缩量即为该桩得沉降量,即习题4-2某场区从天然地面起往下得土层分布就是:粉质粘土,厚度l1=3m,q s1a=24kPa;粉土,厚度l2=6m,q s2a=20kPa;中密得中砂,q s3a=30kPa,q pa=2600kPa。
现采用截面边长为350mm×350mm得预制桩,承台底面在天然地面以下1、0m,桩端进入中密中砂得深度为1、0m,试确定单桩承载力特征值。
〔解〕习题4-3某场地土层情况(自上而下)为:第一层杂填土,厚度1、0m;第二层为淤泥,软塑状态,厚度6、5m,q sa=6kPa;第三层为粉质粘土,厚度较大,q sa=40kPa;q pa=1800kPa。
现需设计一框架内柱(截面为300mm×450mm)得预制桩基础。
柱底在地面处得荷载为:竖向力F k=1850kN,弯矩M k=135kN·m,水平力H k=75kN,初选预制桩截面为350mm×350mm。
试设计该桩基础。
〔解〕(1)确定单桩竖向承载力特征值设承台埋深1、0m,桩端进入粉质粘土层4、0m,则结合当地经验,取R a=500kN。
(2)初选桩得根数与承台尺寸取桩距s=3b p=3×0、35=1、05m,承台边长:1、05+2×0、35=1、75m。
桩得布置与承台平面尺寸如图11-12所示。
暂取承台厚度h=0、8m,桩顶嵌入承台50mm,钢筋网直接放在桩顶上,承台底设C10混凝土垫层,则承台有效高度h0=h-0、05=0、8-0、05=0、75m。
采用C20混凝土,HRB335级钢筋。
根据《建筑基坑支护技术规程》的规定,基坑支护结构设计应采用回答分项系以表示的回答极限状设计表达式进行设计。
题目2正确获得2.00分中的2.00分标记题目支护工程勘察范围应根据回答开挖深及场地的岩土回答工程条确定。
题目3部分正确获得2.00分中的1.00分标记题目支护工程勘察的勘探点深度应根据基坑支护结构回答设计要求,且不宜小于回答 1 倍开挖深度。
题目4不正确获得2.00分中的0.00分标记题目支护工程勘察的勘探点间距应视回答地层而定。
可在回答15~30m内选择。
题目5部分正确获得3.00分中的2.00分标记题目深基坑工程勘察内容主要是回答水文地勘察、回答岩土勘察及回答基坑周边环等。
题目6正确获得3.00分中的3.00分标记题目深基坑支护结构应具有回答挡土、回答挡水和回答保护环的作用。
题目7部分正确获得4.00分中的3.00分标记题目支护结构按照其工作机理和围护墙形式分为:回答水泥土挡墙、回答排桩与板、回答边坡稳定和回答逆作拱墙。
题目8正确获得2.00分中的2.00分标记题目水泥土墙式支护结构分为回答深层搅拌水泥和回答高压旋喷两种。
题目9正确获得3.00分中的3.00分标记题目基坑支护结构计算方法主要有回答经典法、回答弹性地基梁和回答有限元。
题目12在有支护开挖的情况下,基坑工程包括哪些内容?反馈一般包括:①基坑工程勘察;②基坑支护结构的设计与施工;③控制基坑地下水位;④基坑土方工程的开挖与运输;⑤基坑土方开挖过程中的工程监测;⑥基坑周围的环境保护。
题目13支护结构设计的原则是什么?反馈(1)要满足强度、稳定和变形的要求,确保基坑施工及周围环境的安全。
(2)经济合理在支护结构的安全可靠的前提下,从造价、工期及环境保护等方面经过技术经济比较,具有明显优势的方案。
(3)在安全经济合理的原则下,要考虑施工的可能性和方便施工题目14什么是基坑支护结构承载能力极限状态?反馈承载能力极限状态对应于支护结构达到最大承载能力或基坑底失稳、管涌导致土体或支护结构破坏,内支撑压屈失稳。
-
习题4-1截面边长为400mm的钢筋混凝土实心方桩,打入10m深的淤泥和淤
泥质土后,支承在中风化的硬质岩石上。
已知作用在桩顶的竖向压力为800kN,
桩身的弹性模量为3×104N/mm2。
试估算该桩的沉降量。
〔解〕该桩属于端承桩,桩侧阻力可忽略不计,桩端为中风化的硬质岩石,
其变形亦可忽略不计。
因此,桩身压缩量即为该桩的沉降量,即
习题4-2某场区从天然地面起往下的土层分布是:粉质粘土,厚度l1=3m,q
=24kPa;粉土,厚度l2=6m,q s2a=20kPa;中密的中砂,q s3a=30kPa,q pa=2600kPa。
s1a
现采用截面边长为350mm×350mm的预制桩,承台底面在天然地面以下,桩端进
入中密中砂的深度为,试确定单桩承载力特征值。
〔解〕
;
习题4-3某场地土层情况(自上而下)为:第一层杂填土,厚度;第二层为
淤泥,软塑状态,厚度,q sa=6kPa;第三层为粉质粘土,厚度较大,q sa=40kPa;q
=1800kPa。
现需设计一框架内柱(截面为300mm×450mm)的预制桩基础。
柱pa
底在地面处的荷载为:竖向力F k=1850kN,弯矩M k=135kN·m,水平力H k=75kN,
初选预制桩截面为350mm×350mm。
试设计该桩基础。
〔解〕(1)确定单桩竖向承载力特征值
设承台埋深,桩端进入粉质粘土层,则
结合当地经验,取R a=500kN。
(2)初选桩的根数和承台尺寸
!
取桩距s=3b p=3×=,承台边长:+2×=。
桩的布置和承台平面尺寸如图11-12所示。
暂取承台厚度h=,桩顶嵌入承台50mm,钢筋网直接放在桩顶上,承台底设C10混凝土垫层,则承台有效高度h0==。
采用C20混凝土,HRB335级钢筋。
(3)桩顶竖向力计算及承载力验算
(4)计算桩顶竖向力设计值
扣除承台和其上填土自重后的桩顶竖向
)
力设计值为:
(5)承台受冲切承载力验算
1)柱边冲切
a
=525-225-175=125mm, a0y=525-150-175=200mm
0x
~
2)角桩冲切
c
=c2=, a1x= a0x=, a1y= a0y=,λ1x=λ0x=, λ1y=λ0y=
1
、
(6)承台受剪切承载力计算
对柱短边边缘截面:
λ
=λ0x=<,取λx=
x
对柱长边边缘截面:
λ
=λ0y=<,取λy=
y
,
(7)承台受弯承载力计算
M
=∑N i y i=2××=·m
x
选用16φ14,A s=2460mm2,平行于y轴方向均匀布置。
M
=∑N i x i=2××=·m
y
选用15φ14,A s=2307mm2,平行于x轴方向均匀布置。
配筋示意图略。
—
习题4-4(1)如图所示为某环形刚性承台下桩基平面图的1/4。
如取对称轴为坐标轴,荷载偏心方向为x轴,试由式(11-4)导出单桩桩顶竖向力计算公式如下:
式中M k――竖向荷载F k+G k对y轴的力矩,M k=
(F k+G k)·e;
e――竖向荷载偏心距;
n
――半径为r j的同心圆圆周上的桩数。
j
—
(2)图中桩基的总桩数n=60,设竖向荷载F k+G k=12MN,其偏心距e=;分别处于半径r1=,r2=,r3=的同心圆圆周上的桩数目n1=12,n2=20,n3=28,求最大和最小的单桩桩顶竖向力Q kmax和Q kmin。
〔解〕(1)
所以
(2)。