矿产资源储量规模划分标准
- 格式:doc
- 大小:238.50 KB
- 文档页数:9
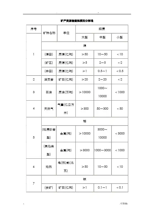
小型中型煤(煤田)原煤(亿吨)<1010~50(矿区)原煤(亿吨)<22~5(井田)原煤(亿吨)<0.50.5~12油页岩矿石(亿吨)<22~203石油原油(万吨)<10001000~100004天然气气量(亿立方米)<5050~300铀(地浸砂岩型)金属(吨)<30003000~10000(其他类型)金属(吨)<10001000~30006地热电(热)能(兆瓦)<1010~50铁(贫矿)矿石(亿吨)<0.10.1~1(富矿)矿石(亿吨)<0.050.05~0.58锰矿石(万吨)<200200~20009铬铁矿矿石(万吨)<100100~50010钒V 2O 5(万吨)<1010~100钛(金红石原生矿)TiO 2(万吨)<55~20(金红石砂矿)矿物(万吨)<22~10(钛铁矿原生矿)TiO 2(万吨)<5050~500(钛铁矿砂矿)矿物(万吨)<2020~10012铜金属(万吨)<1010~5013铅金属(万吨)<1010~5014锌金属(万吨)<1010~5015铝土矿矿石(万吨)<500500~200016镍金属(万吨)<22~1017钴金属(万吨)<0.20.2~218钨WO 3(万吨)<11~519锡金属(万吨)<0.50.5~420铋金属(万吨)<11~521钼金属(万吨)<11~1022汞金属(吨)<500500~200023锑金属(万吨)<11~10镁(冶镁白云岩)(冶镁菱镁矿)25铂族金属(吨)<22~10金751序号规模24<10001000~5000矿产资源储量规模划分标准11矿石(万吨)矿种名称单位(岩金)金属(吨)<55~50(砂金)金属(吨)<22~827银金属(吨)<200200~1000铌(原生矿)Nb 2O 5(万吨)<11~10(砂矿)矿物(吨)<500500~2000钽(原生矿)Ta2O5(吨)<500500~1000(砂矿)矿物(吨)<100100~50030铍BeO(吨)<20002000~10000锂(矿物锂矿)Li 2O(万吨)<11~10(盐湖锂矿)LiCl(万吨)<1010~5032锆(锆英石)矿物(万吨)<55~2033锶(天青石)S r SO 4(万吨)<55~2034铷(盐湖中的铷另计)Rb 2O(吨)<500500~200035铯Cs 2O(吨)<500500~2000稀土独居石(吨)<10001000~10000磷钇矿(吨)<500500~5000(原生矿)TR 2O 3(万吨)<55~50(风化壳矿床)(铈族氧化物)(万吨)<11~10(风化壳矿床)(钇族氧化物)(万吨)<0.50.5~537钪Sc(吨)<22~1038锗Ge(吨)<5050~20039镓Ga(吨)<400400~200040铟In(吨)<100100~50041铊Tl(吨)<100100~50042铪Hf(吨)<100100~50043铼Re(吨)<55~5044镉Cd(吨)<500500~300045硒Se(吨)<100100~50046碲Te(吨)<100100~500金刚石(原生矿)矿物(万克拉)<2020~100(砂矿)矿物(万克拉)<1010~50石墨(晶质)矿物(万吨)<2020~100(隐晶质)矿石(万吨)<100100~100049磷矿矿石(万吨)<500500~500050自然硫S(万吨)<100100~50051硫铁矿矿石(万吨)<200200~3000钾盐(砂矿)29312628474836(固态)KCl(万吨)<100100~1000(液态)KCl(万吨)<500500~500053硼(内生硼矿)B 2O 3(万吨)<1010~50水晶(压电水晶)单晶(吨)<0.20.2~2(熔炼水晶)矿物(吨)<1010~100(光学水晶)矿物(吨)<0.050.05~0.5(工艺水晶)矿物(吨)<0.050.05~0.555刚玉矿物(万吨)<0.10.1~156蓝晶石矿物(万吨)<5050~20057硅灰石矿物(万吨)<2020~10058钠硝石NaNO 3(万吨)<100100~50059滑石矿石(万吨)<100100~500石棉(超基性岩型)矿物(万吨)<5050~500(镁质碳酸盐型)矿物(万吨)<1010~5061蓝石棉矿物(吨)<100100~100062云母工业原料云母(吨)<200200~100063钾长石矿物(万吨)<1010~10064石榴子石矿物(万吨)<5050~50065叶蜡石矿石(万吨)<5050~20066蛭石矿石(万吨)<2020~10067沸石矿石(万吨)<500500~500068明矾石矿物(万吨)<200200~1000芒硝Na 2SO 4(万吨)<100100~1000(钙芒硝)Na 2SO 4(万吨)<10001000~1000070石膏矿石(万吨)<10001000~300071重晶石矿石(万吨)<200200~100072毒重石矿石(万吨)<200200~100073天然碱(Na 2CO 3+NaHCO 3)(万吨)<200200~100074冰洲石矿物(吨)<0.10.1~175菱镁矿矿石(亿吨)<0.10.1~0.5萤石(普通萤石)CaF 2(万吨)<2020~100(光学萤石)矿物(吨)<0.10.1~1石灰岩(电石用灰岩)(制碱用灰岩)(化肥用灰岩)(熔剂用灰岩)(玻璃用灰岩)(制灰用灰岩)(水泥用灰岩,包括白垩)矿石(亿吨)<0.150.15~0.8695460520.02~0.17677矿石(亿吨)0.1~0.5矿石(亿吨)<0.1<0.0278泥灰岩矿石(亿吨)<0.10.1~0.579含钾岩石(包括含钾砂页岩)矿石(亿吨)<0.20.2~1白云岩(冶金用)(化肥用)(玻璃用)硅质原料(包括石英岩、砂岩、天然石英砂、脉石英、粉石英)(冶金用)(水泥配料用)(水泥标准砂)(玻璃用)矿石(万吨)<200200~1000(铸型用)矿石(万吨)<100100~1000(砖瓦用)矿石(万立方米)<500500~2000(建筑用)矿石(万立方米)<10001000~5000(化肥用)矿石(万吨)<20002000~10000(陶瓷用)矿石(万吨)<2020~10082天然油石矿石(万吨)<1010~10083硅藻土矿石(万吨)<200200~1000页岩(砖瓦用)矿石(万立方米)<200200~2000(水泥配料用)矿石(万吨)<500500~500085高岭土(包括陶瓷土)矿石(万吨)<100100~50086耐火粘土矿石(万吨)<200200~100087凹凸棒石矿石(万吨)<100100~500海泡石粘土(包括伊利石粘土、累托石粘土)89膨润土矿石(万吨)<500500~500090铁矾土矿石(万吨)<200200~1000其他粘土(铸型用粘土)矿石(万吨)<200200~1000(砖瓦用粘土)矿石(万吨)<500500~2000(水泥配料用粘土)(水泥配料用红土)(水泥配料用黄土)(水泥配料用泥岩)(保温材料用粘土)矿石(万吨)<5050~20092橄榄岩(化肥用)矿石(亿吨)<0.10.1~1蛇纹岩(化肥用)矿石(亿吨)<0.10.1~1(熔剂用)矿石(亿吨)<0.10.1~0.594玄武岩(铸石用)矿石(万吨)<200200~1000辉绿岩(铸石用)矿石(万吨)<200200~100080500~200088矿石(万吨)100~5008481矿石(万吨)200~2000<500939591矿石(万吨)<200<100矿石(亿吨)0.1~0.5<0.1(水泥用)矿石(万吨)<200200~2000水泥混合材(安山玢岩)(闪长玢岩)97建筑用石材矿石(万立方米)<10001000~500098饰面用石材矿石(万立方米)<200200~100099珍珠岩(包括黑曜岩、松脂岩)矿石(万吨)<500500~2000100浮石矿石(万吨)<5050~300粗面岩(水泥用)(铸石用)凝灰岩(玻璃用)矿石(万吨)<200200~1000(水泥用)矿石(万吨)<200200~1000大理石(水泥用)矿石(万吨)<200200~2000(玻璃用)矿石(万吨)<10001000~5000104板岩(水泥配料用)矿石(万吨)<200200~2000105泥炭矿石(万吨)<100100~1000106矿盐(包括地下卤水)NaCl(亿吨)<11~10107镁盐MgCl 2/MgSO 4(万吨)<10001000~5000108碘碘(吨)<500500~5000109溴溴(吨)<50005000~50000110砷砷(万吨)<0.50.5~5111地下水允许开采量(立方米/日)<1000010000~100000112矿泉水允许开采量(立方米/日)<500500~5000113二氧化碳气气量(亿立方米)<5050~300说明:1.确定矿产资源储量规模依据的单元:(1)石油:油田天然气、二氧化碳气:气田(2)地势:地热田;(3)固体矿产(煤除外):矿床;(4)地下水、矿泉水:水源地。
矿山储量规模划分标准一、矿产资源储量规模划分标准根据矿产资源的规模和开采方式,将矿产资源储量划分为以下五个类别:1.大型矿床:储量大于或等于1亿吨;2.中型矿床:储量介于1000万吨至1亿吨之间;3.小型矿床:储量介于100万吨至1000万吨之间;4.矿点:储量介于10万吨至100万吨之间;5.矿化点:储量小于10万吨。
二、矿山生产规模划分标准根据矿山的生产能力和服务年限,将矿山生产规模划分为以下四个类别:1.大中型矿山:生产能力大于或等于10万吨/年;2.中小型矿山:生产能力介于5万吨至10万吨/年之间;3.小型矿山:生产能力介于1万吨至5万吨/年之间;4.矿点:生产能力小于1万吨/年。
三、矿山服务年限划分标准根据矿山的生产规模和服务需求,将矿山服务年限划分为以下四个类别:1.长服务年限:服务年限大于或等于50年;2.中服务年限:服务年限介于30年至50年之间;3.短服务年限:服务年限介于10年至30年之间;4.临时服务年限:服务年限小于10年。
四、矿山安全生产标准根据国家相关法规和行业标准,将矿山安全生产标准划分为以下四个方面:1.安全管理体系:建立完善的安全管理体系,明确各级责任,确保安全生产工作的有效实施;2.安全设施设备:按照相关标准配备安全设施设备,确保其完好性和可靠性;3.安全培训与教育:对员工进行安全生产教育和培训,提高员工的安全意识和技能水平;4.安全检查与隐患排查:定期进行安全检查和隐患排查,及时发现和处理存在的安全问题。
五、矿山环境保护与生态修复标准根据国家相关法规和环保要求,将矿山环境保护与生态修复标准划分为以下四个方面:1.环境保护设施:建立完善的环保设施,确保废水、废气、废渣等污染物的处理和排放符合相关标准;2.生态修复措施:采取有效的生态修复措施,包括土地复垦、植被恢复、水土保持等,以恢复矿山生态环境;3.环境影响评估:进行环境影响评估,分析矿山开发对环境的影响,并提出相应的环境保护措施;4.环境监管与监测:加强环境监管和监测,确保矿山开发过程中的环境保护工作得到有效落实。
关于印发《矿产资源储量规模划分标准》的通知(国土资发[2000]133号)《矿产资源储量规模划分标准》关于印发《矿产资源储量规模划分标准》的通知(国土资发〔2000〕133号)各省、自治区、直辖市地质矿产厅(局)、资源(储)委:根据中华人民共和国矿产资源法第十六条第六款规定,我部组织制定了《矿产资源储量规模划分标准》,现予印发执行。
二○○○年四月二十四日附件:关于印发《矿产资源储量规模划分标准》的通知附件附件:矿产资源储量规模划分标准序号矿种名称 单位 规模1大型中型小型煤 (煤田)原煤(亿吨) ≥50 10~50 <10 (矿区) 原煤(亿吨) ≥5 2~5<2(井田) 原煤(亿吨) ≥1 0.5~1 <0.5 2 油页岩 矿石(亿吨) ≥20 2~20 <2 3 石油 原油(万吨) ≥10000 1000~10000<10004天然气 气量(亿立方米)≥30050~300 <505铀 (地浸砂岩型) 金属(吨) ≥10000 3000~10000 <3000 (其他类型)金属(吨) ≥30001000~3000<10006 地热电(热)能(兆瓦)≥50 10~50 <107 铁(贫矿)矿石(亿吨)≥1 0.1~1 <0.1 (富矿)矿石(亿吨)≥0.50.05~0.5<0.058 锰矿石(万吨)≥2000200~2000<2009 铬铁矿矿石(万吨)≥500 100~500 <10010 钒V2O5(万吨)≥100 10~100 <1011 钛(金红石原生矿)TiO2(万吨)≥20 5~20 <5续表序号矿种名称单位规模大型中型小型11 (金红石砂矿)矿物(万吨)≥10 2~10 <2(钛铁矿TiO2(万≥500 50~500 <50原生矿) 吨)(钛铁矿砂矿) 矿物(万吨)≥100 20~100 <2012 铜金属(万吨)≥50 10~50 <1013 铅金属(万吨)≥50 10~50 <1014 锌金属(万吨)≥50 10~50 <1015 铝土矿矿石(万吨)≥2000500~2000<50016 镍金属(万吨)≥10 2~10 <217 钴金属(万吨)≥2 0.2~2 <0.218 钨WO3(万吨)≥5 1~5 <119 锡金属(万吨)≥4 0.5~4 <0.520 铋金属(万吨)≥5 1~5 <121 钼金属(万≥10 1~10 <1吨)22 汞金属(吨)≥2000500~2000<50023 锑金属(万吨)≥10 1~10 <124 镁(冶镁白云岩)(冶镁菱镁矿)矿石(万吨)≥50001000~5000<100025 铂族金属(吨)≥10 2~10 <226 金(岩金)金属(吨)≥20 5~50 <5 (砂金)金属(吨)≥8 2~8 <227 银金属(吨)≥1000200~1000<20028 铌(原生矿)Nb2O5(万吨)≥10 1~10 <1(砂矿) 矿物(吨)≥2000500~2000<50029 钽(原生矿)Ta2O5(吨)≥1000500~1000<500 (砂矿)矿物(吨)≥500 100~500 <10030 铍BeO(吨) ≥10000 2000~10000<200031 锂(矿物锂矿)Li2O(万吨)≥10 1~10 <1 (盐湖锂矿)LiCl(万吨)≥50 10~50 <1032 锆(锆英石)矿物(万吨)≥20 5~20 <5继表序号矿种名称单位规模大型中型小型33 锶(天青石)SrSO4(万吨)≥20 5~20 <534 铷(盐湖Rb2O(吨) ≥2000 500~<500中的铷另计)200035 铯Cs2O(吨) ≥2000500~2000<50036 稀土(砂矿)独居石(吨)≥100001000~10000<1000 磷钇矿(吨)≥5000500~5000<500 (原生矿)TR2O3(万吨)≥50 5~50 <5(风化壳矿床)(铈族氧化物)(万吨)≥10 1~10 <1(风化壳矿床)(钇族氧化物)(万吨)≥5 0.5~5 <0.537 钪Sc(吨) ≥10 2~10 <238 锗Ge(吨) ≥200 50~200 <5039 镓Ga(吨) ≥2000 400~<400200040 铟In(吨) ≥500 100~500 <10041 铊Tl(吨) ≥500 100~500 <10042 铪Hf(吨) ≥500 100~500 <10043 铼Re(吨) ≥50 5~50 <544 镉Cd(吨) ≥3000 500~3000<50045 硒Se(吨) ≥500 100~500 <10046 碲Te(吨) ≥500 100~500 <10047 金刚石(原生矿)矿物(万克拉)≥100 20~100 <20 (砂矿)矿物(万克拉)≥50 10~50 <1048 石墨(晶质)矿物(万吨)≥100 20~100 <20 (隐晶质)矿石(万吨)≥1000100~1000<10049 磷矿矿石(万吨)≥5000500~5000<50050 自然硫S(万吨) ≥500 100~500 <10051 硫铁矿矿石(万吨)≥3000200~3000<20052 钾盐(固态)KCl(万吨)≥1000100~1000<100 (液态)KCl(万吨)≥5000500~5000<500续表序号矿种名称单位规模大型中型小型53 硼(内生硼矿)B2O3(万吨)≥50 10~50 <1054 水晶(压电水晶)单晶(吨) ≥2 0.2~2 <0.2 (熔炼水晶)矿物(吨) ≥100 10~100 <10 (光学水晶)矿物(吨) ≥0.50.05~0.5<0.05 (工艺水晶)矿物(吨) ≥0.50.05~0.5<0.0555 刚玉矿物(万≥1 0.1~1 <0.1吨)56 蓝晶石矿物(万吨)≥200 50~200 <5057 硅灰石矿物(万吨)≥100 20~100 <2058 钠硝石NaNO3(万吨)≥500100~500<10059 滑石矿石(万吨)≥500100~500<10060 石棉(超基性岩型)矿物(万吨)≥500 50~500 <50 (镁质碳酸盐型)矿物(万吨)≥50 10~50 <1061 蓝石棉矿物(吨) ≥1000 100~1000<10062 云母工业原料云母(吨)≥1000200~1000<20063 钾长石矿物(万吨)≥100 10~100 <1064 石榴子石矿物(万吨)≥500 50~500 <5065 叶蜡石矿石(万吨)≥200 50~200 <5066 蛭石矿石(万吨)≥100 20~100 <2067 沸石矿石(万吨)≥5000500~5000<50068 明矾石矿物(万吨)≥1000200~1000<20069 芒硝Na2SO4(万吨)≥1000100~1000<100 (钙芒硝)Na2SO4(万吨)≥100001000~10000<100070 石膏矿石(万吨)≥30001000~3000<100071 重晶石矿石(万吨)≥1000200~1000<20072 毒重石矿石(万吨)≥1000200~1000<20073 天然碱(Na2CO3+NaHCO3)(万吨)≥1000200~1000<20074 冰洲石矿物(吨) ≥1 0.1~1 <0.175 菱镁矿矿石(亿吨)≥0.50.1~0.5<0.1续表序号矿种名称单位规模大型中型小型76 萤石(普通萤石)CaF2(万吨)≥100 20~100 <20 (光学萤石)矿物(吨)≥1 0.1~1 <0.177 石灰岩(电石用灰岩)(制碱用灰岩)(化肥用灰岩)(熔剂用灰岩)矿石(亿吨)≥0.5 0.1~0.5 <0.1(玻璃用灰岩)矿石(亿吨)≥0.10.02~0.1<0.02(制灰用灰岩)(水泥用灰岩,包括白垩) 矿石(亿吨)≥0.80.15~0.8<0.1578 泥灰岩矿石(亿吨)≥0.5 0.1~0.5 <0.179 含钾岩石(包括含钾砂页岩)矿石(亿吨)≥1 0.2~1 <0.280 白云岩(冶金用)(化肥用)(玻璃用)矿石(亿吨)≥0.5 0.1~0.5 <0.181 硅质原料(包括石英岩、砂岩、天然石英砂、脉石英、粉石英)(冶金用)(水泥配料用)(水泥标准砂)矿石(万吨)≥2000200~2000<200(玻璃用) 矿石(万吨) ≥1000 200~1000 <200(铸型用) 矿石(万吨) ≥1000 100~1000 <100(砖瓦用) 矿石(万立方米) ≥2000 500~2000 <500(建筑用) 矿石(万立方米) ≥5000 1000~5000 <1000(化肥用) 矿石(万吨) ≥10000 2000~10000 <2000(陶瓷用) 矿石(万吨) ≥10020~100 <20 82 天然油石 矿石(万吨) ≥10010~100 <10 83硅藻土 矿石(万吨)≥1000200~1000<20084页岩 (砖瓦用) 矿石(万立方米) ≥2000 200~2000 <200(水泥配料用) 矿石(万吨)≥5000500~5000<500续表序号矿种名称单位规模大型中型小型85 高岭土(包括陶瓷土)矿石(万吨)≥500 100~500 <10086 耐火粘土矿石(万吨)≥1000200~1000<20087 凹凸棒石矿石(万吨)≥500 100~500 <10088 海泡石粘土(包括伊利石粘土、累托石粘土)矿石(万吨)≥500 100~500 <10089 膨润土矿石(万吨)≥5000500~5000<50090 铁矾土矿石(万吨)≥1000200~1000<20091 其他粘土(铸型用矿石(万≥1000 200~<200粘土) 吨) 1000 (砖瓦用粘土) 矿石(万吨)≥2000500~2000<500(水泥配料用粘土)(水泥配料用红土) (水泥配料用黄土) (水泥配料用泥岩)矿石(万吨) ≥2000500~2000<500(保温材料用粘土) 矿石(万吨) ≥200 50~200 <50 92橄榄岩(化肥用) 矿石(亿吨)≥10.1~1 <0.193 蛇纹岩(化肥用) 矿石(亿吨)≥1 0.1~1 <0.1 (熔剂用) 矿石(亿吨) ≥0.50.1~0.5 <0.1 94玄武岩(铸石用) 矿石(万吨)≥1000200~1000<20095 辉绿岩(铸石用)矿石(万吨)≥1000200~1000<200 (水泥用)矿石(万吨)≥2000200~2000<20096 水泥混合材(安山玢岩)(闪长玢岩)矿石(万吨)≥2000200~2000<20097 建筑用石材矿石(万立方米)≥50001000~5000<100098 饰面用石材矿石(万立方米)≥1000200~1000<20099 珍珠岩(包括黑曜岩、松脂岩)矿石(万吨)≥2000500~2000<500100 浮石矿石(万吨)≥300 50~300 <50续表序号矿种名称单位规模大型中型小型101 粗面岩(水泥用)(铸石用)矿石(万吨)≥1000200~1000<200102 凝灰岩(玻璃用)矿石(万吨)≥1000200~1000<200 (水泥用)矿石(万吨)≥2000200~1000<200103 大理石(水泥用)矿石(万吨)≥2000200~2000<200 (玻璃用)矿石(万吨)≥50001000~5000<1000104 板岩(水泥配料用)矿石(万吨)≥2000200~2000<200105 泥炭矿石(万吨)≥1000100~1000<100106 矿盐(包括地下卤水)NaCl(亿吨)≥10 1~10 <1107 镁盐MgCl2/MgSO4(万吨)≥50001000~5000<1000108 碘碘(吨) ≥5000 500~5000<500109 溴溴(吨) ≥50000 5000~50000<5000110 砷砷(万吨) ≥5 0.5~5 <0.5111 地下水允许开采量(立方米/日)≥10000010000~100000<10000112 矿泉水允许开采量(立方米/日)≥5000500~5000<500113 二氧化碳气气量(亿立方米)≥300 50~300 <50说明:1.确定矿产资源储量规模依据的单元:(1)石油:油田天然气、二氧化碳气:气田(2)地势:地热田;(3)固体矿产(煤除外):矿床;(4)地下水、矿泉水:水源地。
. -
矿产资源储量规模划分标准
- .可修编-
续表
. -
- .可修编-
继表
. -
- .可修编-
续表
. -
- .可修编-
续表
. -
- .可修编-
. -
续表
- .可修编-
. -
续表
- .可修编-
. -
说明:
1. 确定矿产资源储量规模依据的单元:
(1) 石油:油田
天然气、二氧化碳气:气田
(2) 地势:地热田;
(3) 固体矿产(煤除外):矿床;
(4) 地下水、矿泉水:水源地。
2. 确定矿产资源储量规模依据的矿产资源储量:
(1) 石油、天然气、二氧化碳气:地质储量;
(2) 地热:电(热)能;
(3) 固体矿产:基础储量+资源量(仅限331、332、333),相当于《固体矿产地质勘探规总则》(GB13908 92)中的A+B+C+D+E级(表)储量;
(4) 地下水、矿泉水:允许开采量。
3. 存在共生矿产的矿区,矿产资源储量规模以矿产资源储量规模最大的矿种确定。
4. 中型及小型规模不含其上限数字。
- .可修编-。
中国矿权网矿区矿产资源储量规模划分标准
说明:
1.确定矿产资源储量规模依据的单元:
(])石油:油田;天然气、二氧化碳气:气田
(2)地热:地热田;
(3)固体矿产(煤除外):矿床;
(4)地下水、矿泉水:水源地。
2.确定矿产资源储量规模依据的矿产资源储量:
(1)石油、天然气、二氧化碳气:地质储量;
(2)地热:电(热)能;
(3)固体矿产:基础储量+资源量(仅限331、332、333)(相当于《固体矿产地质勘探规范总则》GBl3908—92)中的A+B+C+D级(表内)储量;
(4)地下水、矿泉水:允许开采量。
3.存在共生矿产的矿区,矿产资源测量规模以矿产资源储量规模最大的矿种确
定。
4.中型及小型规模不含其上限数字。
来源:国土资源部国土资发[2000]133号文《关于印发矿产资源储量规模划分标准的通知》。
矿产资源储量规模划分标准
矿产资源储量规模划分标准是指对于不同类型的矿产资源,按照一定的指标和方法进行划分和分类,确定其储量规模的大小和潜力。
一般来说,矿产资源储量规模划分标准主要基于以下几个方面: 1. 矿产资源种类:不同种类的矿产资源,其储量规模的划分标准也会有所不同,例如金属矿、非金属矿、能源矿等。
2. 矿石品位和矿物含量:矿石品位和矿物含量是影响矿产资源储量规模的重要因素,品位和含量越高,储量规模也就相对较大。
3. 矿床类型:不同类型的矿床,其储量规模也会有所差异,如矽卡岩型、铜金矿化带型、沉积岩型等。
4. 储量估算方法:矿产资源储量的估算方法也会对储量规模的划分产生影响,常见的方法包括地质勘探、资源评估、采矿量统计等。
5. 国际行业标准:国际上也有很多行业标准可以作为矿产资源储量规模划分的依据,例如储量分类法、资源分类法等。
综上所述,矿产资源储量规模划分标准包括多个方面因素的综合考虑,依据不同的矿产资源种类和储量估算方法,制定出一套完整的划分标准,有利于准确评估和开发矿产资源。
- 1 -。
《矿产资源储量规模划分标准》
关于印发《矿产资源储量规模划分标准》的通知
(国土资发〔2000〕133号)
各省、自治区、直辖市地质矿产厅(局)、资源(储)委:
根据中华人民共和国矿产资源法第十六条第六款规定,我部组织制定了《矿产资源储量规模划分标准》,现予印发执行。
二○○○年四月二十四日附件:关于印发《矿产资源储量规模划分标准》的通知附件
附件:
矿产资源储量规模划分标准
继表
续表
续表
续表
说明:
1.确定矿产资源储量规模依据的单元:
(1)石油:油田
天然气、二氧化碳气:气田
(2)地势:地热田;
(3)固体矿产(煤除外):矿床;
(4)地下水、矿泉水:水源地。
2.确定矿产资源储量规模依据的矿产资源储量:
(1)石油、天然气、二氧化碳气:地质储量;
(2)地热:电(热)能;
(3)固体矿产:基础储量+资源量(仅限331、332、333),相当于《固体矿产地质勘探规
范总则》(GB1390892)中的A+B+C+D+E级(表内)储量;
(4)地下水、矿泉水:允许开采量。
3.存在共生矿产的矿区,矿产资源储量规模以矿产资源储量规模最大的矿种确定。
4.中型及小型规模不含其上限数字。
矿产资源储量规模划分标准2022随着经济的发展和技术的进步,矿产资源变得越来越重要,也变得越来越稀缺。
为了更好地管理矿产资源,确保其有效地使用,进一步满足我国经济建设和发展的需要,根据我国《矿产资源管理法》(2010年修订),现就矿产资源储量规模划分标准作出如下规定:一、储量规模划分标准1.储量大于2亿吨,划定为大型储量。
2.储量介于100万吨至2亿吨,划定为中型储量。
3.储量小于100万吨,划定为小型储量。
二、储量规模计算方法根据《中华人民共和国矿产资源储量计算法》,矿产资源储量规模应按以下方法计算:1.产资源的储量规模,应以其资源量、平均分布状况、储量结存质量等因素综合考虑,结合实际情况,以资源量及其含量大小划分为储量规模。
2.量按资源量及含量计算,以资源量和含量之积为准。
其计算公式为:资源量(吨)×量(%)/100 =量规模(万吨)三、储量评价标准1.源量:指矿产资源的地质找矿可能性指数(GPI),根据GPI设定矿产资源量评价标准:A. GPI大于1.5的为高等级资源;B. GPI介于1.0至1.5的为中等级资源;C. GPI介于0.8至1.0的为低等级资源;2.量:指矿产资源中有效元素的含量,不同有效元素的含量标准有所不同,在若干元素具有有效含量时,取含量最高者作为评价标准。
四、储量类型划分标准根据矿产资源储量结存形式和资源开采技术类型,将储量划分为矿产资源型、工业矿石型、金属矿型、电石炉煤型及其他矿产资源型: 1.产资源型:指普通型碱性、半碱性、酸性矿床及其他矿产资源,分为金属类、非金属类和稀土类。
2.业矿石型:指工业原料、矿渣及其他非金属矿石,可分为非金属类和找矿原料类。
3.属矿型:指含金属的软化矿、金属矿、超硬及硬质矿物等,分为稀有金属类和非稀有金属类。
4.石炉煤型:指炉煤、焦炭、煤泥等,可分为炉煤类和焦炭类。
5.其他矿产资源型:指土砂石、滑石、粗面磨石等。
五、储量划分标准的其他规定1.储量的分布规模、储量类型、储量质量、储量运输成本、储量综合经济价值等因素考虑在内,进一步确定矿产资源储量规模划分标准。
矿产资源储量规模划分标准(2000年4月24日国土资源部国土资发[2000]133号)序号规模矿种名称单位大型中型小型煤(煤田)原煤(亿吨)≥5010~50<10(矿区)原煤(亿吨)≥52~5<2 1(井田)原煤(亿吨)≥10.5~1<0.5 2油页岩矿石(亿吨)≥202~20<2 3石油原油(万吨)≥100001000~10000<10004天然气气量(亿立方米)≥30050~300<50铀(地浸砂岩型)金属(吨)≥100003000~10000<30005(其他类型)金属(吨)≥30001000~3000<10006地热电(热)能(兆瓦)≥5010~50<10铁(贫矿)矿石(亿吨)≥10.1~1<0.17(富矿)矿石(亿吨)≥0.50.05~0.5<0.058锰矿石(万吨)≥2000200~2000<2009铬铁矿矿石(万吨)≥500100~500<10010钒V2O5(万吨)≥10010~100<10钛11(金红石原生矿)TiO2(万吨)≥205~20<5续表规模序号矿种名称单位大型中型小型(金红石砂矿)矿物(万吨)≥102~10<2(钛铁矿原生矿)TiO2(万吨)≥50050~500<5011(钛铁矿砂矿)矿物(万吨)≥10020~100<20 12铜金属(万吨)≥5010~50<10 13铅金属(万吨)≥5010~50<10 14锌金属(万吨)≥5010~50<1015铝土矿矿石(万吨)≥2000500~2000<500 16镍金属(万吨)≥102~10<2 17钴金属(万吨)≥20.2~2<0.2 18钨WO3(万吨)≥51~5<1 19锡金属(万吨)≥40.5~4<0.5 20铋金属(万吨)≥51~5<1 21钼金属(万吨)≥101~10<1 22汞金属(吨)≥2000500~2000<500 23锑金属(万吨)≥101~10<124镁(冶镁白云岩)(冶镁菱镁矿)矿石(万吨)≥50001000~5000<100025铂族金属(吨)≥102~10<2金(岩金)金属(吨)≥205~50<526(砂金)金属(吨)≥82~8<227银金属(吨)≥1000200~1000<200铌(原生矿)Nb2O5(万吨)≥101~10<128(砂矿)矿物(吨)≥2000500~2000<500钽(原生矿)Ta2O5(吨)≥1000500~1000<50029(砂矿)矿物(吨)≥500100~500<10030铍BeO(吨)≥100002000~10000<2000锂(矿物锂矿)Li2O(万吨)≥101~10<131(盐湖锂矿)LiCl(万吨)≥5010~50<1032锆(锆英石)矿物(万吨)≥205~20<5继表规模序号矿种名称单位大型中型小型33锶(天青石)S r SO4(万吨)≥205~20<534铷(盐湖中的铷另计)Rb2O(吨)≥2000500~2000<50035铯Cs2O(吨)≥2000500~2000<500稀土独居石(吨)≥100001000~10000<1000 (砂矿)磷钇矿(吨)≥5000500~5000<500 36(原生矿)TR2O3(万吨)≥505~50<5(风化壳矿床)(铈族氧化物)(万吨)≥101~10<1(风化壳矿床)(钇族氧化物)(万吨)≥50.5~5<0.537钪Sc(吨)≥102~10<238锗Ge(吨)≥20050~200<5039镓Ga(吨)≥2000400~2000<40040铟In(吨)≥500100~500<10041铊Tl(吨)≥500100~500<10042铪Hf(吨)≥500100~500<10043铼Re(吨)≥505~50<544镉Cd(吨)≥3000500~3000<50045硒Se(吨)≥500100~500<10046碲Te(吨)≥500100~500<100金刚石(原生矿)矿物(万克拉)≥10020~100<2047(砂矿)矿物(万克拉)≥5010~50<10石墨(晶质)矿物(万吨)≥10020~100<2048(隐晶质)矿石(万吨)≥1000100~1000<10049磷矿矿石(万吨)≥5000500~5000<50050自然硫S(万吨)≥500100~500<10051硫铁矿矿石(万吨)≥3000200~3000<200钾盐(固态)KCl(万吨)≥1000100~1000<10052(液态)KCl(万吨)≥5000500~5000<500续表规模序号矿种名称单位大型中型小型53硼(内生硼矿)B2O3(万吨)≥5010~50<10水晶(压电水晶)单晶(吨)≥20.2~2<0.2 (熔炼水晶)矿物(吨)≥10010~100<10 (光学水晶)矿物(吨)≥0.50.05~0.5<0.0554(工艺水晶)矿物(吨)≥0.50.05~0.5<0.05 55刚玉矿物(万吨)≥10.1~1<0.1 56蓝晶石矿物(万吨)≥20050~200<50 57硅灰石矿物(万吨)≥10020~100<20 58钠硝石NaNO3(万吨)≥500100~500<100 59滑石矿石(万吨)≥500100~500<100石棉(超基性岩型)矿物(万吨)≥50050~500<5060(镁质碳酸盐型)矿物(万吨)≥5010~50<10 61蓝石棉矿物(吨)≥1000100~1000<100 62云母工业原料云母(吨)≥1000200~1000<200 63钾长石矿物(万吨)≥10010~100<10 64石榴子石矿物(万吨)≥50050~500<50 65叶蜡石矿石(万吨)≥20050~200<50 66蛭石矿石(万吨)≥10020~100<20 67沸石矿石(万吨)≥5000500~5000<500 68明矾石矿物(万吨)≥1000200~1000<200芒硝Na2SO4(万吨)≥1000100~1000<100 69(钙芒硝)Na2SO4(万吨)≥100001000~10000<1000 70石膏矿石(万吨)≥30001000~3000<1000 71重晶石矿石(万吨)≥1000200~1000<200 72毒重石矿石(万吨)≥1000200~1000<20073天然碱(Na2CO3+NaHCO3)(万吨)≥1000200~1000<20074冰洲石矿物(吨)≥10.1~1<0.1 75菱镁矿矿石(亿吨)≥0.50.1~0.5<0.1续表规模序号矿种名称单位大型中型小型萤石(普通萤石)CaF2(万吨)≥10020~100<2076(光学萤石)矿物(吨)≥10.1~1<0.1石灰岩(电石用灰岩)(制碱用灰岩)(化肥用灰岩)(熔剂用灰岩)矿石(亿吨)≥0.50.1~0.5<0.1(玻璃用灰岩) (制灰用灰岩)矿石(亿吨)≥0.10.02~0.1<0.0277(水泥用灰岩,包括白垩)矿石(亿吨)≥0.80.15~0.8<0.15 78泥灰岩矿石(亿吨)≥0.50.1~0.5<0.179含钾岩石(包括含钾砂页矿石(亿吨)≥10.2~1<0.2岩)80白云岩(冶金用)(化肥用)(玻璃用)矿石(亿吨)≥0.50.1~0.5<0.1硅质原料(包括石英岩、砂岩、天然石英砂、脉石英、粉石英) (冶金用)(水泥配料用)(水泥标准砂)矿石(万吨)≥2000200~2000<200 (玻璃用)矿石(万吨)≥1000200~1000<200 (铸型用)矿石(万吨)≥1000100~1000<100 (砖瓦用)矿石(万立方米)≥2000500~2000<500 (建筑用)矿石(万立方米)≥50001000~5000<1000 (化肥用)矿石(万吨)≥100002000~10000<200081(陶瓷用)矿石(万吨)≥10020~100<2082天然油石矿石(万吨)≥10010~100<1083硅藻土矿石(万吨)≥1000200~1000<200页岩(砖瓦用)矿石(万立方米)≥2000200~2000<20084(水泥配料用)矿石(万吨)≥5000500~5000<500续表规模序号矿种名称单位大型中型小型85高岭土(包括陶瓷土)矿石(万吨)≥500100~500<10086耐火粘土矿石(万吨)≥1000200~1000<200 87凹凸棒石矿石(万吨)≥500100~500<10088海泡石粘土(包括伊利石粘土、累托石粘土)矿石(万吨)≥500100~500<10089膨润土矿石(万吨)≥5000500~5000<500 90铁矾土矿石(万吨)≥1000200~1000<200其他粘土(铸型用粘土)矿石(万吨)≥1000200~1000<200 91(砖瓦用粘土)矿石(万吨)≥2000500~2000<500(水泥配料用粘土)(水泥配料用红土)(水泥配料用黄土)(水泥配料用泥岩)矿石(万吨)≥2000500~2000<500(保温材料用粘土)矿石(万吨)≥20050~200<50 92橄榄岩(化肥用)矿石(亿吨)≥10.1~1<0.1蛇纹岩(化肥用)矿石(亿吨)≥10.1~1<0.1 93(熔剂用)矿石(亿吨)≥0.50.1~0.5<0.194玄武岩(铸石用)矿石(万吨)≥1000200~1000<200辉绿岩(铸石用)矿石(万吨)≥1000200~1000<20095(水泥用)矿石(万吨)≥2000200~2000<20096水泥混合材(安山玢岩)(闪长玢岩)矿石(万吨)≥2000200~2000<20097建筑用石材矿石(万立方米)≥50001000~5000<100098饰面用石材矿石(万立方米)≥1000200~1000<20099珍珠岩(包括黑曜岩、松脂岩)矿石(万吨)≥2000500~2000<500100浮石矿石(万吨)≥30050~300<50续表规模序号矿种名称单位大型中型小型101粗面岩(水泥用)(铸石用)矿石(万吨)≥1000200~1000<200凝灰岩(玻璃用)矿石(万吨)≥1000200~1000<200102(水泥用)矿石(万吨)≥2000200~1000<200大理石103(水泥用)矿石(万吨)≥2000200~2000<200(玻璃用)矿石(万吨)≥50001000~5000<1000104板岩(水泥配料用)矿石(万吨)≥2000200~2000<200105泥炭矿石(万吨)≥1000100~1000<100106矿盐(包括地下卤水)NaCl(亿吨)≥101~10<1107镁盐MgCl2/MgSO4(万吨)≥50001000~5000<1000108碘碘(吨)≥5000500~5000<500 109溴溴(吨)≥500005000~50000<5000 110砷砷(万吨)≥50.5~5<0.5111地下水允许开采量(立方米/日)≥10000010000~100000<10000112矿泉水允许开采量(立方米/日)≥5000500~5000<500113二氧化碳气气量(亿立方米)≥30050~300<50说明:1. 确定矿产资源储量规模依据的单元:(1) 石油:油田天然气、二氧化碳气:气田(2) 地势:地热田;(3) 固体矿产(煤除外):矿床;(4) 地下水、矿泉水:水源地。
关于印发《矿产资源储量规模划分标准》的通知
国土资发〔2000〕133号
各省、自治区、直辖市地质矿产厅(局)、资源(储)委:
根据中华人民共和国矿产资源法第十六条第六款规定,我部组织制定了《矿产资源储量规模划分标准》,现予印发执行。
国土资源部
二○○○年四月二十四日
矿区矿产资源储量规模划分标准
说明:
1.确定矿产资源储量规模依据的单元:
(1)石油:油田,
天然气、二氧化碳气:气田;
(2)地热:地热田;
(3)固体矿产(煤除外):矿床;
(4)地下水、矿泉水:水源地。
2.确定矿产资源储量规模依据的矿产资源储量:
(1)石油、天然气、二氧化碳气:地质储量;
(2)地热:电(热)能;
(3)固体矿产:基础储量+资源量(仅限331、332、333),相当于《固体矿产地质勘探规范总则》(GB13908—92)中的A+B+C+D+E级(表内)储量;
(4)地下水、矿泉水:允许开采量。
3.存在共生矿产的矿区,矿产资源储量规模以矿产资源储量规模最大的矿种确定。
4.中型及小型规模不含其上限数字。
矿山生产建设规模分类一览表
矿山生产建设规模分类一览表
资讯来源:发布人:中国矿产行业信息网。
矿区矿产资源储量规模划分标准
说明:
1.确定矿产资源储量规模依据的单元:
(])石油:油田;天然气、二氧化碳气:气田
(2)地热:地热田;
(3)固体矿产(煤除外):矿床;
(4)地下水、矿泉水:水源地。
2.确定矿产资源储量规模依据的矿产资源储量:
(1)石油、天然气、二氧化碳气:地质储量;
(2)地热:电(热)能;
(3)固体矿产:基础储量+资源量(仅限331、332、333)(相当于《固体矿产地质勘探规范总则》GBl3908―92)中的A+B+C+D级(表内)储量;
(4)地下水、矿泉水:允许开采量。
3.存在共生矿产的矿区,矿产资源测量规模以矿产资源储量规模最大的矿种确定。
4.中型及小型规模不含其上限数字。
矿产资源储量规模划分标准矿产资源储量规模划分标准序号矿种名称单位规模1大型中型小型煤(煤田) 原煤(亿吨) ≥50 10~50 <10 (矿区) 原煤(亿吨) ≥5 2~5 <2 (井田)原煤(亿吨) ≥1 0.5~1 <0.5 2 油页岩矿石(亿吨) ≥20 2~20 <2 3 石油原油(万吨) ≥10000 1000~10000 <1000 4 天然气气量(亿立方米)≥30050~300<505 铀(地浸砂岩型) 金属(吨) ≥10000 3000~10000 <3000 (其他类型) 金属(吨) ≥3000 1000~3000 <1000 6 地热电(热)能(兆瓦) ≥5010~50<107 铁 (贫矿) 矿石(亿吨) ≥1 0.1~1 <0.1 (富矿) 矿石(亿吨) ≥0.5 0.05~0.5 <0.05 8 锰矿石(万吨) ≥2000 200~2000 <200 9 铬铁矿矿石(万吨) ≥500 100~500 <100 10 钒 V 2O 5(万吨)≥10010~100<1011钛(金红石原生矿)TiO2(万吨)≥205~20<5续表序号矿种名称单位规模大型中型小型11 (金红石砂矿)矿物(万吨) ≥10 2~10 <2 (钛铁矿原生矿) TiO 2(万吨) ≥500 50~500 <50 (钛铁矿砂矿) 矿物(万吨) ≥100 20~100 <20 12 铜金属(万吨) ≥50 10~50 <10 13 铅金属(万吨) ≥50 10~50 <10 14 锌金属(万吨) ≥50 10~50 <10 15 铝土矿矿石(万吨) ≥2000 500~2000 <500 16 镍金属(万吨) ≥10 2~10 <2 17钴金属(万吨)≥20.2~2<0.218 钨WO3(万吨) ≥51~5 <119 锡金属(万吨) ≥40.5~4 <0.520 铋金属(万吨) ≥51~5 <121 钼金属(万吨) ≥101~10 <122 汞金属(吨) ≥2000500~2000 <50023 锑金属(万吨) ≥101~10 <124 镁(冶镁白云岩)(冶镁菱镁矿)矿石(万吨) ≥50001000~5000 <100025 铂族金属(吨) ≥102~10 <226 金(岩金) 金属(吨) ≥205~20 <5 (砂金) 金属(吨) ≥82~8 <227 银金属(吨) ≥1000200~1000 <20028 铌(原生矿) Nb2O5(万吨) ≥101~10 <1 (砂矿) 矿物(吨) ≥2000500~2000 <50029 钽(原生矿) Ta2O5(吨) ≥1000500~1000 <500 (砂矿) 矿物(吨) ≥500100~500 <10030 铍BeO(吨) ≥100002000~10000 <200031 锂(矿物锂矿) Li2O(万吨) ≥101~10 <1 (盐湖锂矿) LiCl(万吨) ≥5010~50 <1032 锆(锆英石) 矿物(万吨) ≥205~20 <5继表序号矿种名称单位规模大型中型小型33 锶(天青石) S r SO4(万吨) ≥205~20 <534 铷(盐湖中的铷另计)Rb2O(吨) ≥2000500~2000 <50035 铯Cs2O(吨) ≥2000500~2000 <50036 稀土(砂矿)独居石(吨) ≥100001000~10000 <1000磷钇矿(吨) ≥5000500~5000 <500 (原生矿) TR2O3(万吨) ≥505~50 <5(风化壳矿床) (铈族氧化物)(万吨)≥101~10 <1(风化壳矿床) (钇族氧化物)(万吨)≥50.5~5 <0.537 钪Sc(吨) ≥102~10 <238 锗Ge(吨) ≥20050~200 <5039 镓Ga(吨) ≥2000400~2000 <40040 铟In(吨) ≥500100~500 <10041 铊Tl(吨) ≥500100~500 <10042 铪Hf(吨) ≥500100~500 <10043 铼Re(吨) ≥505~50 <544 镉Cd(吨) ≥3000500~3000 <50045 硒Se(吨) ≥500100~500 <10046 碲Te(吨) ≥500100~500 <10047 金刚石(原生矿) 矿物(万克拉) ≥10020~100 <20 (砂矿) 矿物(万克拉) ≥5010~50 <1048 石墨(晶质) 矿物(万吨) ≥10020~100 <20 (隐晶质) 矿石(万吨) ≥1000100~1000 <10049 磷矿矿石(万吨) ≥5000500~5000 <50050 自然硫S(万吨) ≥500100~500 <10051 硫铁矿矿石(万吨) ≥3000200~3000 <20052 钾盐(固态) KCl(万吨) ≥1000 100~1000 <100(液态) KCl(万吨) ≥5000500~5000 <500续表序号矿种名称单位规模大型中型小型53 硼(内生硼矿) B2O3(万吨) ≥5010~50 <1054 水晶(压电水晶) 单晶(吨) ≥20.2~2 <0.2 (熔炼水晶) 矿物(吨) ≥10010~100 <10 (光学水晶) 矿物(吨) ≥0.50.05~0.5 <0.05 (工艺水晶) 矿物(吨) ≥0.50.05~0.5 <0.0555 刚玉矿物(万吨) ≥10.1~1 <0.156 蓝晶石矿物(万吨) ≥20050~200 <5057 硅灰石矿物(万吨) ≥10020~100 <2058 钠硝石NaNO3(万吨) ≥500100~500 <10059 滑石矿石(万吨) ≥500100~500 <10060 石棉(超基性岩型) 矿物(万吨) ≥50050~500 <50 (镁质碳酸盐型) 矿物(万吨) ≥5010~50 <1061 蓝石棉矿物(吨) ≥1000100~1000 <10062 云母工业原料云母(吨) ≥1000200~1000 <20063 钾长石矿物(万吨) ≥10010~100 <1064 石榴子石矿物(万吨) ≥50050~500 <5065 叶蜡石矿石(万吨) ≥20050~200 <5066 蛭石矿石(万吨) ≥10020~100 <2067 沸石矿石(万吨) ≥5000500~5000 <50068 明矾石矿物(万吨) ≥1000200~1000 <20069 芒硝Na2SO4(万吨) ≥1000 100~1000 <100 (钙芒硝) Na2SO4(万吨) ≥100001000~10000 <100070 石膏矿石(万吨) ≥30001000~3000 <100071 重晶石矿石(万吨) ≥1000200~1000 <20072 毒重石矿石(万吨) ≥1000200~1000 <20073 天然碱(Na2CO3+NaHCO3)(万吨)≥1000200~1000 <20074 冰洲石矿物(吨) ≥10.1~1 <0.175 菱镁矿矿石(亿吨) ≥0.50.1~0.5 <0.1续表序号矿种名称单位规模大型中型小型76 萤石(普通萤石) CaF2(万吨) ≥10020~100 <20 (光学萤石) 矿物(吨) ≥10.1~1 <0.177 石灰岩(电石用灰岩)(制碱用灰岩)(化肥用灰岩)(熔剂用灰岩)矿石(亿吨) ≥0.50.1~0.5 <0.1(玻璃用灰岩)(制灰用灰岩)矿石(亿吨) ≥0.10.02~0.1 <0.02(水泥用灰岩,包括白垩)矿石(亿吨) ≥0.80.15~0.8 <0.15 78 泥灰岩矿石(亿吨) ≥0.50.1~0.5 <0.179 含钾岩石(包括含钾砂页岩)矿石(亿吨) ≥10.2~1 <0.280 白云岩(冶金用)(化肥用)(玻璃用)矿石(亿吨) ≥0.50.1~0.5 <0.181 硅质原料(包括石英岩、砂岩、天然石英砂、脉石英、粉石英)(冶金用)(水泥配料用)(水泥标准砂)矿石(万吨) ≥2000200~2000 <200 (玻璃用) 矿石(万吨) ≥1000200~1000 <200 (铸型用) 矿石(万吨) ≥1000100~1000 <100 (砖瓦用) 矿石(万立方米) ≥2000500~2000 <500 (建筑用) 矿石(万立方米) ≥50001000~5000 <1000 (化肥用) 矿石(万吨) ≥100002000~10000 <2000 (陶瓷用) 矿石(万吨) ≥10020~100 <2082 天然油石矿石(万吨) ≥10010~100 <1083 硅藻土矿石(万吨) ≥1000200~1000 <20084 页岩(砖瓦用) 矿石(万立方米) ≥2000200~2000 <200(水泥配料用) 矿石(万吨) ≥5000500~5000 <500续表序号矿种名称单位规模大型中型小型85 高岭土(包括陶瓷土)矿石(万吨) ≥500100~500 <10086 耐火粘土矿石(万吨) ≥1000200~1000 <20087 凹凸棒石矿石(万吨) ≥500100~500 <10088 海泡石粘土(包括伊利石粘土、累托石粘土)矿石(万吨) ≥500100~500 <10089 膨润土矿石(万吨) ≥5000500~5000 <50090 铁矾土矿石(万吨) ≥1000200~1000 <20091 其他粘土(铸型用粘土) 矿石(万吨) ≥1000200~1000 <200 (砖瓦用粘土) 矿石(万吨) ≥2000500~2000 <500 (水泥配料用粘土)(水泥配料用红土)(水泥配料用黄土)(水泥配料用泥岩)矿石(万吨) ≥2000500~2000 <500 (保温材料用粘土) 矿石(万吨) ≥20050~200 <5092 橄榄岩(化肥用) 矿石(亿吨) ≥10.1~1 <0.193 蛇纹岩(化肥用) 矿石(亿吨) ≥10.1~1 <0.1 (熔剂用) 矿石(亿吨) ≥0.50.1~0.5 <0.194 玄武岩(铸石用) 矿石(万吨) ≥1000200~1000 <20095 辉绿岩(铸石用) 矿石(万吨) ≥1000200~1000 <200 (水泥用) 矿石(万吨) ≥2000200~2000 <20096 水泥混合材(安山玢岩)(闪长玢岩)矿石(万吨) ≥2000200~2000 <20097 建筑用石材矿石(万立方米) ≥50001000~5000 <100098 饰面用石材矿石(万立方米) ≥1000200~1000 <20099 珍珠岩(包括黑曜岩、松脂岩)矿石(万吨) ≥2000500~2000 <500100 浮石矿石(万吨) ≥30050~300 <50续表序号矿种名称单位规模大型中型小型101 粗面岩(水泥用)(铸石用)矿石(万吨) ≥1000 200~1000 <200102 凝灰岩(玻璃用) 矿石(万吨) ≥1000200~1000 <200 (水泥用) 矿石(万吨) ≥2000200~1000 <200103 大理石(水泥用) 矿石(万吨) ≥2000200~2000 <200 (玻璃用) 矿石(万吨) ≥50001000~5000 <1000104 板岩(水泥配料用) 矿石(万吨) ≥2000200~2000 <200 105 泥炭矿石(万吨) ≥1000100~1000 <100106 矿盐(包括地下卤水)NaCl(亿吨) ≥101~10 <1107 镁盐MgCl2/MgSO4(万吨)≥50001000~5000 <1000108 碘碘(吨) ≥5000500~5000 <500 109 溴溴(吨) ≥500005000~50000 <5000 110 砷砷(万吨) ≥50.5~5 <0.5 111 地下水允许开采量(立方米/日)≥10000010000~100000 <10000112 矿泉水允许开采量(立方米/日)≥5000 500~5000 <500113 二氧化碳气气量(亿立方米) ≥30050~300 <50说明:1. 确定矿产资源储量规模依据的单元:(1) 石油:油田天然气、二氧化碳气:气田(2) 地势:地热田;(3) 固体矿产(煤除外):矿床;(4) 地下水、矿泉水:水源地。