(完整版)基坑计算表(支锚刚度)
- 格式:xls
- 大小:36.02 KB
- 文档页数:2
基坑支护设计计算书设计方法原理及分析软件介绍基坑开挖深度为6m,采用板桩作围护结构,桩长为12m,桩顶标高为-1m。
采用《同济启明星2006版》进行结构计算。
5.1 明开挖,6m坑深支护结构计算(1)工程概况基坑开挖深度为6m,采用板桩作围护结构,桩长为12m,桩顶标高为-1m。
q=0(1b 素填土)1.3hw=1(4 粘土)D=7H=6(6b 淤泥质粘土)(6c 粉质粘土)板桩共设1道支撑,见下表。
2中心标高(m) 刚度(MN/m) 预加轴力(kN/m)-1.3 30基坑附近有附加荷载如下表和下图所示。
h 1x 1s 45(2)地质条件场地地质条件和计算参数见表1。
地下水位标高为-1m。
渗透压缩层厚重度43) k(kN/m) c(kPa) m(kN/m土层 ,(:) 系数模量 max3(m) (kN/m) (m/d) (MPa)1.3 19 9.28 14.88 1500 1b 素填土2.7 18.4 12 17 3500 4 粘土7.5 17.8 5 10 1000 6b 淤泥质粘土3.5 18.9 15.5 13 3000 6c 粉质粘土2 19.7 18.5 14.5 5000 7 粉质粘土8 粉质粘土 13 20.4 19 18 7000(3)工况支撑刚度预加轴力工况编号工况类型深度(m) 支撑编号 2(MN/m) (kN/m)1 1.5 开挖2 1.3 30 1 加撑3 6 开挖4 2.5 1000 换撑5 1 拆撑工况简图如下:1.31.52.56工况 1工况 2工况 3工况 4工况 5(4)计算Y整体稳定验算O(1b 素填土)X(4 粘土)76(6b 淤泥质粘土)(6c 粉质粘土)(7 粉质粘土)(8 粉质粘土)安全系数 K=1.56 ,圆心 O( 1.19 , 1.45 ) 墙底抗隆起验算(1b 素填土)1(4 粘土)76(6b 淤泥质粘土)(6c 粉质粘土)(7 粉质粘土)(8 粉质粘土)Prandtl: K=2.83Terzaghi: K=3.23(1b 素填土)1.3m1(4 粘土)76(6b 淤泥质粘土)(6c 粉质粘土)(7 粉质粘土)(8 粉质粘土)坑底抗隆起验算 K=1.81抗倾覆验算(水土合算)(1b 素填土)1.3O1(4 粘土)76(6b 淤泥质粘土) 9924.610.8 914.3(6c 粉质粘土)(7 粉质粘土)Kc=1.22抗管涌验算: 159#按砂土,安全系数K=2.25按粘土,安全系数K=3.054包络图 (水土合算, 矩形荷载)500-502001000-100-200100500-50-100000 110.2kN/m222444666888101010121212141414深度(m)深度(m)深度(m)水平位移(mm)弯矩(kN*m)剪力(kN) Max: 42.8-8.3 ~ 183.2-46.6 ~ 66.2(5)工字钢强度验算: 159#基本信息计算目标:截面验算截面受力状态:绕X轴单向受弯材料名称:Q2352 材料抗拉强度(N/mm):215.02 材料抗剪强度(N/mm):125.0弯矩Mx(kN-m):229.000 截面信息截面类型:工字钢(GB706-88):xh=I40b(型号)截面抵抗矩33 Wx(cm): 1140.000 Wx(cm): 1140.000 1233 Wy(cm): 96.200 Wy(cm): 96.200 12截面塑性发展系数γx: 1.05 γx: 1.05 12γy: 1.20 γy: 1.20 12截面半面积矩33 S(cm): 678.600 S(cm): 92.704 xy13S(cm):84.891 y2 截面剪切面积22 A(cm): 94.110 A(cm): 94.110 xy截面惯性矩44 I(cm): 22800.000 I(cm): 692.000 xy截面附加参数参数名参数值x: I40b(型号) h分析结果2 最大正应力σ:191.312(N/mm)2 |σ= 191.3|?f = 215.0(N/mm) |f / σ|=1.124满足水平支撑系统验算:水平支撑系统位移图(单位:mm)水平支撑系统弯矩图(单位:kN.M)水平支撑系统剪力图(单位:kN)水平支撑系统轴力图(单位:kN) (6)钢腰梁强度验算:基本信息计算目标:截面验算截面受力状态:绕X轴单向受弯材料名称:Q2352 材料抗拉强度(N/mm):215.02 材料抗剪强度(N/mm):125.0弯矩Mx(kN-m):115.700 截面信息截面类型:工字钢组合Π形截面(GB706-88):xh=I40b(型号) 截面抵抗矩33 W(cm): 2280.000 W(cm): 2280.000 x1x233 W(cm): 2389.732 W(cm): 2389.732 y1y2截面塑性发展系数γ: 1.05 γ: 1.05 x1x2γ: 1.00 γ: 1.00 y1y2截面半面积矩33 S(cm): 1357.200 S(cm): 1646.925 xy截面剪切面积22 A(cm): 188.220 A(cm): 188.220 xy截面惯性矩44 I(cm): 45600.001 I(cm): 59026.381 xy截面附加参数参数名参数值x: I40b(型号) hw: 350(mm)分析结果2最大正应力σ:48.329(N/mm)2 |σ= 48.3|?f = 215.0(N/mm) |f / σ|=4.449满足(7)钢对撑强度及稳定性验算:基本输入数据构件材料特性材料名称:Q235构件截面的最大厚度:8.00(mm)2 设计强度:215.00(N/mm)2 屈服强度:235.00(N/mm)截面特性截面名称:无缝钢管:d=133(mm)无缝钢管外直径[2t?d]:133 (mm)无缝钢管壁厚[0,t?d/2]:8 (mm)缀件类型:构件高度:4.000(m)容许强度安全系数:1.00容许稳定性安全系数:1.00荷载信息轴向恒载设计值: 447.800(kN)连接信息连接方式:普通连接截面是否被削弱:否端部约束信息X-Z平面内顶部约束类型:简支X-Z平面内底部约束类型:简支X-Z平面内计算长度系数:1.00Y-Z平面内顶部约束类型:简支Y-Z平面内底部约束类型:简支Y-Z平面内计算长度系数:1.00 中间结果截面几何特性2 面积:31.42(cm)4 惯性矩I:616.11(cm) x3 抵抗矩W:92.65(cm) x回转半径i:4.43(cm) x4 惯性矩I:616.11(cm) y3 抵抗矩W:92.65(cm) y回转半径i:4.43(cm) y塑性发展系数γ1:1.15x塑性发展系数γ1:1.15y塑性发展系数γ2:1.15x塑性发展系数γ2:1.15y材料特性2 抗拉强度:215.00(N/mm)2 抗压强度:215.00(N/mm)2 抗弯强度:215.00(N/mm)2 抗剪强度:125.00(N/mm)2 屈服强度:235.00(N/mm)3 密度:785.00(kg/m)稳定信息绕X轴弯曲:长细比:λ=90.32 x轴心受压构件截面分类(按受压特性): a类轴心受压整体稳定系数: φ=0.711 x最小稳定性安全系数: 1.07最大稳定性安全系数: 1.07最小稳定性安全系数对应的截面到构件顶端的距离:0.000(m)最大稳定性安全系数对应的截面到构件顶端的距离:0.000(m)绕X轴最不利位置稳定应力按《钢结构规范》公式(5.1.2-1) N4478002,,200.3857N/mmA0.711,3142 x绕Y轴弯曲:长细比:λ=90.32 y轴心受压构件截面分类(按受压特性): a类轴心受压整体稳定系数: φ=0.711 y最小稳定性安全系数: 1.07最大稳定性安全系数: 1.07最小稳定性安全系数对应的截面到构件顶端的距离:0.000(m)最大稳定性安全系数对应的截面到构件顶端的距离:0.000(m)绕X轴最不利位置稳定应力按《钢结构规范》公式(5.1.2-1) N4478002,,200.3857N/mmA0.711,3142 y强度信息最大强度安全系数: 1.51最小强度安全系数: 1.51最大强度安全系数对应的截面到构件顶端的距离: 0.000(m)最小强度安全系数对应的截面到构件顶端的距离: 0.000(m)计算荷载: 447.80kN受力状态:轴压最不利位置强度应力按《钢结构规范》公式(5.1.1-1)分析结果构件安全状态: 稳定满足要求,强度满足要求。
基坑支护的原始数据本工程基坑深7m ,坑外地下水在地面下0.8m ,坑内地下水在坑底面,坑边满布地面超载q=15kN/m ²,锚杆位于地面下2.5m ,土锚的倾角13°,间距=2桩距,设计桩身直径d=800mm ,桩中心距1000mm ,钢铰线f py =1170Mpa , f rb =50kpa ,fb=2.95Mpa ,10=γ。
等值梁法求桩设计嵌入深度、m ax M ,设计土锚的钢筋截面积、锚固段长、自由段长;桩配筋。
基坑支护设计参数表 层号 岩土层名土的 重度 直剪固快 渗透系数 土层厚度γ c Φ Kv Kh (KN/m 3)(KPa) (度) ×10-6(cm/s ) ×10-6(cm/s ) (m) 1 杂填土 (18.0) 0 0 (40) (40) 0.8 2 粉质粘土 19 21 19 0.716 32.6 3.8 3 粉质粘土夹粉土2123 19 67.1 3.98 9.8 4粉质粘土夹粉砂19.921.014.055.131.812.0注:()内为经验值,重度为平均值,直剪固快为标准值。
1.采用水土合算法的荷载坑外地下水位以上主动土压力:=18*h 0=18h 0设临界深度在坑外地下水位以下x(m),令0=aik e ,(1830.8+19x)·tan 2 (45°-19°/2)—2*21* tan(45°-19°/2) =0x=2.33m地面下深度3.13m <z ≤4.6m 处土所产生的主动土压力=[18*0.8+19(z-0.8)]tan2 (45°-19°/2)-2*21*tan(45°-19°/2)= 9.67z-30.23kPa地面下深度4.6m <z≤14.4m处土所产生的主动土压力=[18*0.8+19*3.8+21*(z-4.6)]tan2 (45°-19°/2)-2*23*tan(45°-19°/2)= 10.68z-37.90kPa地面超载所产生的主动土压力:坑外深度0~0.8m,qK ai=15* tan2 (45°-0°/2)=15Kpa;坑外深度0.8m~4.6m, qK ai=15* tan2 (45°-19°/2)=7.63 Kpa;坑外深度4.6m~14.4m, qK ai=15* tan2 (45°-19°/2)=7.63Kpa;坑内坑底下深度y处被动土压力:=21y tan2 (45°+19°/2)+ 2*23*tan(45°+19°/2)=41.27 y+64.49 kPa图2-1支护结构的荷载标准分布2.求反弯点位置设反弯点在坑内坑底深度0y 处 41.270y +64.49=10.68z-37.9+7.63 z=0y +70 y ,所以反弯点位置即坑底处。
桩 锚 设 计 计 算 书一、计算原理1.1 土压力计算土压力采用库仑理论计算1.1.1 主动土压力系数 ()2sin sin cos cos ⎥⎥⎦⎤⎢⎢⎣⎡++=φδφδφa K 1.1.2 被动土压力系数 ()2sin sin cos cos ⎥⎥⎦⎤⎢⎢⎣⎡+-=φδφδφp K 1.1.3 主动土压力强度 aa ajk K C hK e 2-=γ 1.1.4 被动土压力强度p p pjk K C hK e 2+=γ1.2 桩锚设计计算1.2.1单排锚杆嵌固深度按照下式设计计算:02.1)(011≥-++∑∑ai a d T c pj p E h h h T E h γ式中,h p 为合力∑E pj 作用点至桩底的距离,∑E pj 为桩底以上基坑内侧各土层水平抗力标准值的合力之和,T c1为锚杆拉力,h T1为锚杆至基坑底面距离,h d 为桩身嵌固深度, γ0为基坑侧壁重要性系数,h a 为合力∑E ai 作用点至桩底的距离,∑E ai 为桩底以上基坑外侧各土层水平荷载标准值的合力之和。
1.2.2 多排锚杆采用分段等值梁法设计计算,对每一段开挖,将该段状上的上部支点和插入段弯矩零点之间的桩作为简支梁进行计算,上一段梁中计算出的支点反力假定不变,作为外力来计算下一段梁中的支点反力,该设计方法考虑了实际施工情况。
1.3 配筋计算公式为:钢筋笼配筋采用圆形截面常规配筋,并根据桩体实际受力情况,适当减少受压面的配筋数。
s y cm cm s y A f A f A f A f 32/2sin 25.1++=ππαα()t s y cm s r f Ar f KSM A παπαπππαsin sin sin 323+-= αα225.1-=t式中,K 为配筋安全系数,S 为桩距,M 为最大弯矩,r 为桩半径,f cm 和fy 分别为混凝土和钢筋的抗弯强度,As 为配筋面积,A 为桩截面面积,α对应于受压区混凝土截面面积的圆心角与2π的比值,用叠代法计算As 。
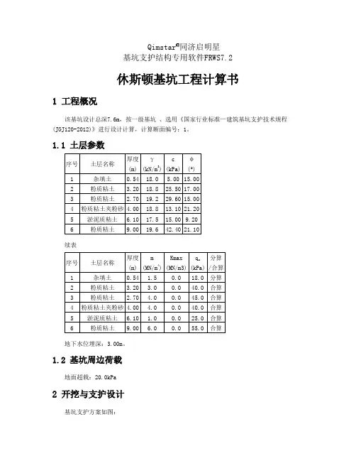
Qimstar同济启明星基坑支护结构专用软件FRWS7.2休斯顿基坑工程计算书1 工程概况该基坑设计总深7.6m,按一级基坑、选用《国家行业标准—建筑基坑支护技术规程(JGJ120-2012)》进行设计计算,计算断面编号:1。
1.1 土层参数续表地下水位埋深:3.00m。
1.2 基坑周边荷载地面超载:20.0kPa2 开挖与支护设计基坑支护方案如图:休斯顿基坑工程基坑支护方案图2.1 挡墙设计·挡墙类型:SMW工法;·嵌入深度:11.900m;·露出长度:0.500m;·搅拌桩直径:850mm;·搅拌桩排数:1排;·搭接长度:250mm;·型钢型号:700*300*13*24;·型钢布置方式:插一跳一;水泥土物理指标:·重度:19.00kN/m3;·弹性模量:300000.00kPa;·无侧限抗压强度标准值:800.00kPa;2.2 放坡设计2.2.1 第1级放坡设计坡面尺寸:坡高2.00m;坡宽2.00m;台宽1.50m。
放坡影响方式为:一。
2.3 支撑(锚)结构设计本方案设置1道支撑(锚),各层数据如下:第1道支撑(锚)为锚杆,距墙顶深度0.800m,工作面超过深度0.300m,预加轴力0.00kN/m。
该道锚杆具体数据如下:·长度:18.000m;·自由段长度:5.000m;·水平间距:2.400m;·水平倾角:15.000°;·孔径:250mm;·筋体类型:ΦS15.2-1320;·筋体数量:2根;计算点位置系数:0.000。
2.4 换(拆)撑设计2.5 工况顺序该基坑的施工工况顺序如下图所示:3 内力变形计算3.1 计算参数水土计算(分算/合算)方法:按土层分/合算;水压力计算方法:静止水压力,修正系数:1.0;主动侧土压力计算方法:朗肯主动土压力,分布模式:矩形,调整系数:1.0,负位移不考虑土压力增加;被动侧基床系数计算方法: "m"法,土体抗力不考虑极限土压力限值;墙体抗弯刚度折减系数:1.0,水泥土发挥系数:1.0。
立体停车库基坑底板锚杆计算1、底板标高m(绝对标高H1) 61.05-0.8=60.25m2、抗浮设计水位m(绝对标高H2) 72.0 m3、锚杆孔直径Dmm 1504、锚杆采用HRB400级钢筋fyk(N/mm2) 4005、土与锚固体粘结强度特征值f(Mpa)6、底板厚度h1(m) 0.81、抗浮计算水浮力F=10*(H2-H1)=10*(72.0-60.25)=117.5 KN/m2净水浮力F'=F-25*h1 =117.5-0.9*25*0.8=99.5 KN/m22、锚杆杆体截面面积计算锚杆横向间距S1=1.5锚杆竖向间距S1 =1.5锚杆的轴向拉力标准值Ntk=F*S1*S2 (KN) =99.5*1.2*1.2=144 KN锚杆的轴向拉力设计值Nt=(1.20*F-0.9*25*h1)*S1*S2 (KN)=(1.20*117.5-0.9*25*0.8)*1.2*1.2=178 KN 根据《岩土锚杆技术规程》公式7.4.1 As=kt*Nt/fyk = 1.6*178*1000/400=712 mm2选用2根22(As=760mm2)>7123、锚固段长度计算(取7米长度)根据《岩土锚杆技术规程》公式7.5.1-1 La*(3.14*D*f*¢)>k*Nt(2*160+5*200)*3.14*0.15*1.0=620>2*178=356 KN公式7.5.1-2 2*3.14*25*0.85*2.0*1.0*7=1868> k*Nt=2*178=356 KN根据《地基基础设计规范》公式8.6.3 Rt<0.8*3.14*D*f*l*fRt =144 KN<0.8*3.14*0.15*(2*160+5*200)/2=248 KN4、锚杆极限承载力特征值Rt =144KN,施工图实际取144KN锚杆极限承载力极限值R=2*Rt =2*144=288KNAs =R/fstkAs=288*1000/540=533 mm2选用2根22做最大荷载试验锚杆孔直径D=150mm,锚筋2根22,锚固段长度为7m,单根锚杆抗拔承载力特征值为144kN,锚杆间距1.2mx1.2m。
钢板桩支护计算书以桩号2C0+390处的开挖深度,4C0+001.5处的开挖宽度为准(本相目的最大开挖深度和宽度)一设计资料1桩顶高程H: 4.100m施工水位H2:3.000m2 地面标咼H0: 4.350m开挖底面标咼H3: -3.400m开挖深度H: 7.7500m3 土的容重加全平均值丫1:18.3KN/R?卜工TTTTb 皿土浮容重丫’:10.0KN/m3内摩擦角加全平均值①:20.10均布荷q:20.0KN/m i基坑开挖长a=20.0m基坑开挖宽b=9.0m外力计算作用于板桩上的土压力强度及压力分布图a=tg 2(45 - © /2)=tg 2(45-20.10/2)=0.49p=tg 2(45 +© /2)=tg 2(45+20.10/2)=2.05rm 板桩外侧均布荷载换算填土高度h=q/r=20.0/18.3=1.09m桩顶以上土压力强度PQPa i=r x( h+0.25)Ka=18.3 x (1.09+0.25) x 0.49=12.0KN/m2 水位土压力强度Pa2Pa 2=r x (h+4.35 -3.00 )Ka=18.3 x (1.09+4.35 -3.00 ) x 0.49=21.8KN/m开挖面土压力强度Pa3Pa 3=[r x (h+4.35 -3.00 )+(r-rw)(3.00 +3.40)}Ka=[18.3 x (1.09+4.35 -3.00 )+(18.3-10) x (3.00+3.40)] x 0.49=47.8KN/m2开挖面水压力( 围堰抽水后)Pa4:2Pa 4=Y (3.00+3.40)=10 x (3.00+3.40)=64.0KN/m三确定内支撑层数及间距按等弯距布置确定各层支撑的皿型钢板桩能承受的最大弯距确定板桩顶悬臂端的最大允许跨度h:弯曲截面系VZ0=0.001350m i,折减系数B =0.7采用值W= B W=0.00135 x 0.7 = 0.000945m?容许抗拉强[(T ]= 200000.0KPa由公式。
FGH段地层信息:基坑深7.3m , 桩锚支护,第一排锚杆2.2m, 第二排在4.7m处,角度30°。
一、)基坑示意图:1)基坑外侧主动土压力计算如下:(1)填土:填土顶部主动土压力强度:p上a1=q k a1 - 2c1√ka1 =20x0.6558-2x12x0.8098=-6.32Kpa填土底部的主动土压力强度:p下a1=(r1ℎ1+q)k a1-2c1√ka1 ==(18.3x10.5+20)x0.6558-2x12x0.8098=119.69kpa (2)粉质粘土:粉质粘土顶部的主动土压力强度:p a2上= (r 1*ℎ1+q )k a2 -2c 2√ka2 ==(18.3x10.5+20)x0.5278-2x12x0.7265=94.54kpa粉质粘土底部的主动土压力强度:p a2下=(r 1*ℎ1+r 2*ℎ2+q )k a2-2c 2√ka2 ==(18.3x10.5+19.8x1.8+20)x0.5278-2x12x0.7265=113.35kpa (3) 临界深度:Z o =2c 1/ r 1√ka1 – q/r 1=2x12/18.3x0.8098-20/18.3=0.53m2)第一层锚杆计算:基坑开挖到5.2m ,设置第一排锚杆的水平分力为T1。
1) 此时基坑开挖深度为h =5.2m , 基坑外侧底部的主动土压力强度:p a1坑底=(r 1*ℎ+q )k a1-2c 1√ka1 =(18.3x5.2+20)x0.6558-2x12x0.8098=56.09kpa基坑内侧的被动土压力强度:p p1坑底= 2c 1√kp1=2x12x1.2350=29.64kpa.p p1下=r 1(ℎ1- ℎ)k p1+2c 1√kp1= 18.3x(10.5-5.2)x1.5252+2x12x1.2350=177.57kpa.知:p a1下 < p p1下 , p p1坑底 < p a1坑底知铰点位于坑底与填土层间:设铰点为o, 距离坑底y m.p po =p aop po = r 1y k p1+2c 1√kp1 = y18.3x1.5252+2x12x1.2350=27.91y+29.64p ao = [q+r 1(h+y)] k a1-2c 1√ka1= [20+18.3(5.2+y)]x0.6558-2x12x0.8098=12y+56.08解得: y=1.66m2)设置第一排锚杆的水平分力为T1,铰点以上土层及锚杆力对铰点起矩平衡。
一期基坑支护工程量计算一.钢管护栏钢管护栏长度=基坑顶部护栏+中间平台护栏+负二负三层交界面长度=651.1米基坑顶部护栏长度=89.654+72.374+90.511+58.935=311.474米中间平台长度=58.935+89.654=148.589米负二负三层交界面长度=191米护栏高度=1.2米每米护栏钢管长度=(1.2+0.3+2.5+2.5)/2.5=2.6米(采用D48钢管,壁厚3.5)总的钢管长度=1692.8米每米护栏安全网面积=1.2平方米总的安全网面积=781.3平方米二.排水沟和雨水明沟及集水井1、排水沟长度=坑底长度+坑顶长度+负二负三层基坑交界长度*2=1004.9米坑底长度=坑顶长度=311.474米负二负三层交界长度=191米2、集水井个数=排水沟长度/50=203、雨水明沟长度由CAD图纸可得301.7米4、排水沟每米长度的用料砖=0.24*0.3*1=0.072立方米总的砖C15素砼=0.54*0.06*1=0.0324立方米1:.2.5水泥砂浆=0.3*1*0.02*3=0.018立方米5、每个集水井的用料砖=0.36*0.8*1=0.288立方米C15素砼=1.36*0.1*1=0.136立方米1:5水泥砂浆=0.8*1*0.02*3=0.048立方米三.基坑底部和顶部地面硬化硬化面积=(基坑底部长+基坑顶部长度+负二负三层交界面长度*2)*0.5+中间平台面积=799.628平方米中间平台面积=297.178平方米单位面积内C20的量=1*0.1=0.1立方米总的C20量=立方米四.喷砼面层顶部插筋以及钢筋网喷砼面层顶部长度=坑顶长度+中间平台长度+负二负三层交界面长度=651.1米每米长度内所需插筋长度=(1/1.5)*1=0.667米(钢筋20mm)插筋总长度=434.284米每米长度内所需钢筋网面积=1*0.5=0.5平方米总面积=325.55平方米总重量=325.55*5.26=1.712t五.喷砼量喷砼量=喷砼面积*0.1=334.0094立方米喷砼面积=基坑斜坡面积+负二负三层交界垂直面积=3340.094平方米基坑斜坡面积=斜坡段立面图面积*2/1.732=(939.457+238.182+408.069+479.783)*(2/1.732)=2385.094平方米负二负三层交界垂直面面积=交界面长度*5=955平方米六.钢筋网量钢筋网量=喷砼面积=3340.094平方米查表知道钢筋网理论重量为5.26kg/m²即钢筋网总重量=17.569t 七.泄水管泄水管量=泄水孔个数*0.4455= 265.96米泄水孔个数=斜坡面喷砼面积/4=596.3取整为597个八.土钉量和水平加强筋量以及钢筋土钉对中支架量、锁定筋土钉数量=各段土钉数量之和=1901个水平加强筋的长度=(土钉数量-土钉排数)*1.2*2=4531.2米直径20mm的钢筋理论重量为2.47kg/m 水平加强筋的总量为11.19 钢筋土钉对中支架数量=(土钉总长度/1.5)*2=14364/0.75=19152个钢筋土钉对中支架长度=支架数量*0.2=3830.4米(支架为8钢筋为0.395kg/m)锁定筋总长=土钉数量*2*0.1=380.2米(20mm钢筋)Aa-Ba段上层4排,下层4排,上层:第一排数量=坑顶下降0.5m后的段面长度/1.2=69.005/1.2取整数57个总长度=57*9=513米第二排数量=第一排下降1.2m后的段面长度/1.2=77.209/1.2 取整数64个总长度=64*9=576米第三排数量=第二排下降1.2m后的段面长度/1.2=85.524/1.2 取整数71个总长度=71*9=639米第四排数量=第三排下降1.2m后的段面长度/1.2=89.654/1.2取整数74个总长度=74*9=666米下层:从图纸上可以看出下层四排的每排的数量是一样的=89.654/1.2取整数74个总长度=74*6=444米Ba-Ca段从图中看出有四排,按上述方法计算可得:第一排数量=6.701/1.2取整数为5个,总长度=5*9=45米第二排数量=22.784/1.2取整数为18个总长度=18*6=108米第三排数量=38.868/1.2取整数为32个总长度=32*6=192米第四排数量=54.951/1.2取整数为45个总长度=45*6=270米Da-Ea段从图纸上看有四排,按上述计算方法计算可得:第一排数量=12.052/1.2取整数为10个总长度=10*9=90米第二排数量=40.975/1.2取整数为34个总长度=34*9=306米第三排数量=90.511/1.2取整数为75个总长度=75*6=450米第四排数量=90.511/1.2取整数为75个总长度=75*6=450米Ea-Aa段从图纸上看分两层,上层为三排、下层为四排,按上述计算方法计算可得:上层;第一排数量=6.557/1.2取整数为5个总长度=5*12=60米第二排数量=22.281/1.2取整数为18个总长度=18*12=216米第三排数量=38.005/1.2取整数为31个总长度=31*12=372米下层;从图中可以看出每排的数量相等=58.935/1.2取整数为49个第一排总长度=49*12=588米其他三排每排的总长度=49*9=441米负二负三层交界面根据图纸可知土钉为五排每排数量相等=191/1.2取整数为159个第一排总长度=159*9=1431米第二排总长度=159*9=1431米第三排总长度=159*6=954米第四排总长度=159*6=954米第五排总长度=159*6=954米土钉数量=1901个,土钉总长度=14364米九.微型钢管桩微型钢管桩数量=负二负三层交界面长度/1+1微型钢管桩总长度=微型钢管桩数量*6=1152米所以交界面长度=191米。
FGH段地层信息:基坑深7.3m , 桩锚支护,第一排锚杆2.2m, 第二排在4.7m处,角度30°。
一、)基坑示意图:1)基坑外侧主动土压力计算如下:(1)填土:=q p p1- 填土顶部主动土压力强度:p上p12p1√pp1=20x0.6558-2x12x0.8098=-6.32Kpa=(p1ℎ1+q)p p1-2p1√pp1= 填土底部的主动土压力强度:p下p1=(18.3x10.5+20)x0.6558-2x12x0.8098=119.69kpa(2)粉质粘土:粉质粘土顶部的主动土压力强度:p p2上= (p 1*ℎ1+q )p p2 -2p 2√pp2 = =(18.3x10.5+20)x0.5278-2x12x0.7265=94.54kpa粉质粘土底部的主动土压力强度:p p2下=(p 1*ℎ1 +p 2*ℎ2+q )p p2-2p 2√pp2 ==(18.3x10.5+19.8x1.8+20)x0.5278-2x12x0.7265=113.35kpa (3) 临界深度:Z p =2p 1/ p 1√pp1 – q/p 1=2x12/18.3x0.8098-20/18.3=0.53m2)第一层锚杆计算:基坑开挖到5.2m ,设置第一排锚杆的水平分力为T1。
1) 此时基坑开挖深度为h =h .hh , 基坑外侧底部的主动土压力强度:p p1坑底=(p 1*ℎ+q )p p1-2p 1√pp1 =(18.3x5.2+20)x0.6558-2x12x0.8098=56.09kpa基坑内侧的被动土压力强度:p p1坑底= 2p 1√pp1=2x12x1.2350=29.64kpa.p p1下=p 1(ℎ1- ℎ)p p1+2p 1√pp1= 18.3x(10.5-5.2)x1.5252+2x12x1.2350=177.57kpa.知:p p1下 < p p1下 , p p1坑底 < p p1坑底知铰点位于坑底与填土层间:设铰点为o, 距离坑底y m.h hh =h hhh hh = p 1y p p1+2p 1√pp1 = y18.3x1.5252+2x12x1.2350=27.91y+29.64 h hh=[q+p 1(h+y)]p p1-2p 1√pp1=[20+18.3(5.2+y)]x0.6558-2x12x0.8098=12y+56.08解得: y=1.66m2)设置第一排锚杆的水平分力为T1,铰点以上土层及锚杆力对铰点起矩平衡。
表1 常用混凝土、钢材料力学参数简表表2-2 常用型钢几何参数简表注:表中设计轴力、设计弯矩均为纯压或纯弯构件,作为型钢位檩使用时,双拼其值均乘2。
表2-4 常用型钢立柱、钢管支撑几何参数简表说明:1、灌注桩强度为水下C25、C30(实际计算按水下C25);2、采用均匀配筋;3、钢筋采用Ⅱ级,保护层厚度为50mm;4、弯矩值为灌注桩单根分担的弯矩配筋计算;。
5、含钢量约为110~130kg/m3。
注:表格中上排为计算配筋面积,下排为建议配筋;说明:1、混凝土强度为C30、C35(实际计算按C30);2、采用双面均匀配筋;3、钢筋采用Ⅱ级,保护层厚度为35mm;4、配筋弯矩为①、②中大者。
①按受弯构件计算:β×=计算弯矩弯矩 (1)式(1)中:计算弯矩为支撑平面计算弯矩的最大值;β,支撑体系为开口时取1.13,其余按下式计算, β=1.07(支座/跨中)×0.85(计算长度/实际长度)×1.25(荷载分项系数)×0.80(压弯/纯弯,约为0.7,此处取为0.8)=0.9(实际计算时不得低于0.8);②按压弯构件计算:弯距=计算弯矩×1.25,压力=计算弯距x0.55、含钢量约为120~140kg/m3。
6、钢筋最小净间距不宜小于1.5d(d为主筋直径)。
说明:1、混凝土强度为C30、C35(实际计算按C30);2、采用对称均匀配筋;3、钢筋采用Ⅱ级,保护层厚度为35mm;4、轴力值为支撑的计算值;(除按抗弯构件验算外,按纯压构件及压弯构件双向控制进行设计,计算弯矩的偏心矩按支撑宽度的10%,配筋率按0.8~1.2%,含钢量80~115Kg/m3考虑)。
(稳定系数为0.75考虑,整体安全度大于2.3)。
5、表中()内数值表示该种截面支撑所能承担的轴力标准值。