土木课程设计框架抗侧移总刚度计算表
- 格式:xlsx
- 大小:90.22 KB
- 文档页数:2
第五章框架、剪力墙、框架-剪力墙结构的近似计算方法与设计概念5.1 计算基本假定1、基本假定(1)一片框架或一片剪力墙可以抵抗在本身平面内的侧向力,而在平面外的刚度很小,可以忽略。
因而整个结构可以划分成若干个平面结构共同抵抗与平面结构平行的侧向荷载,垂直于该方向的结构不参加力。
(2)楼板在其自身平面内刚度无限大,楼板平面外刚度很小,可以忽略。
因而在侧向力作用下,楼板可作剐体平移或转动,各个平面抗侧力结构之间通过楼板互相联系并协同工作。
¾弹性工作状态假定¾平面抗侧力结构和刚性楼板假定¾水平荷载的作用方向¾框架结构计算方法分类平面抗侧力结构和刚性楼板假定¾平面抗侧力结构假定¾(a)结构平面¾(b)y方向抗侧力结构¾(c)x方向抗侧力结构¾刚性楼板假定结构→构件→截面→材料2、框架结构计算方法分类框架计算方法精确法渐进法近似法位移法力法力矩分配法迭代法无剪力分配法分层法反弯点D 值法5.2 框架结构的近似计算方法5.2.1 竖向荷载下的近似计算——分层力矩分配法基本假定多层多跨框架在竖向荷载作用下,侧向位移比较小,计算时可忽略侧移的影响;本层横梁上竖向荷载对其他各层横梁内力的影响很小,计算时也可忽略,因此可将多层框架分解成一层一层的单层框架,分别进行计算。
分层法示意图计算要点¾分层方法:将多层框架分层,每层梁与上下柱构成的单层框架作为计算单元,柱远端假定为固端;¾各计算单元按弯矩分配法计算内力;¾分层计算所得的横梁的弯矩即为其最后的弯矩,每一柱(底层柱除外)属于上下两层,所以柱的弯矩为上下两层柱的弯矩叠加;¾因为分层计算时,假定上下柱的远端为固定端,而实际上是弹性支承,为了反映这个特点,减小误差,除底层柱外,其他层各柱的线刚度乘以折减系数0.9;楼层柱弯矩传递系数为1/3,底层柱为1/2;¾分层计算法所得的结果,在刚结点上诸弯矩可能不平衡,但误差也不致很大,如有需要,可对结点不平衡弯矩再进行一次分配。
钢筋混凝土课程设计三钢筋混凝土多层框架结构设计1. 设计资料(1)基本资料南方某高校拟建一四层教学楼,采用整体式钢筋混凝土框架结构,现浇双向板肋梁楼盖,楼板厚均按100㎜设计,屋面板按120㎜设计。
建筑总高19.0m,每层层高3.9m,室内外高差0.45m。
基础顶面标高定位-1.0m。
抗震设防烈度为7度,Ⅱ类场地土,特征周期分区为第三组。
基本风压w0=0.35kN/㎡,地面粗糙度为B类。
基本雪压s0=0.25 kN/㎡。
活荷载:内走道及卫生间:2.5 kN/㎡,其余房间:2.0 kN/㎡。
楼梯间荷载:10 kN/㎡(恒+活),一般取恒荷载为7.5 kN/㎡,活荷载为2.5 kN/㎡。
上人屋面活荷载:2.0 kN/㎡;不上人屋面活荷载:0.5 kN/㎡。
(2)建筑构造楼面面层做法:水磨石楼面(0.76 kN/㎡);顶棚抹灰:20㎜厚混合砂浆刷乳胶漆(γ=17 kN/㎥);内墙做法:190厚小型空心砌块(2.28 kN/㎡);外墙做法:249厚小型空心砌块(2.88 kN/㎡);内外墙装修一律采用20㎜厚混合砂浆找平后刷外墙漆。
(3)材料选用混凝土:底层采用C30;二层以上采用C30。
钢筋:梁、柱中受力纵筋均采用HRB335,箍筋及构造钢筋采用HPB235。
2. 结构布置及计算简图(1)抗震等级确定:框架结构,高度H=19m<30m,设防烈度为7度,抗震等级为三级。
(2)框架结构梁、柱截面尺寸确定①横向框架梁截面尺寸确定边跨:hb=l0 =×6600=660㎜,取hb=600㎜,取bb=hb=×600=300㎜,取bb=250㎜,l0/hb=6600/600=11>4。
中间跨:hb=l0/8=3000/8=375㎜,取hb=400㎜,bb=hb/2=400/2=200㎜,取bb=250㎜,l0/h0=3000/400=7.5>4。
次梁:hb₂=l0/12=6000/12=500㎜,取hb₁=450㎜,bb₂=hb₂/2=450/2=225㎜,取bb₂=250㎜,l0/hb₂=6000/450=13.3>4。
摘要m,建设地点在贵阳市,抗毕业设计题目为贵阳市中学教学楼结构设计,建筑面积55172震设防烈度为6度;上部结构采用钢筋混凝土框架结构,框架抗震等级为三级;基础采用柱下独立基础。
毕业设计包括建筑设计、结构设计两部分。
结构设计是重点。
结构设计内容包括:构件截面尺寸的确定、竖向和水平荷载计算、框架内力及侧移计算、内力组合、框架梁柱截面配筋以及楼板、楼梯和基础设计。
严格按有关结构设计规范或规程进行结构设计,并且考虑了抗震计算和有关构造要求。
在计算方法上,水平地震作用采用“底部剪力法”,风荷载和水平地震作用下框架内力计算采用D值法,竖向荷载作用下框架内力计算采用分层法。
结构设计算重点是手算,并利用PKPM软件包中Satwe软件检验手算结果。
关键词:教学楼、混凝土、框架结构、内力计算、配筋前言毕业设计是土木工程专业本科教学计划的最后一个重要环节,是对学生综合素质与工程实践能力的一次检验;毕业设计能培养学生综合应用所学的基础课、专业基础课、专业课和相应技能,更能提高学生的综合素质和分析处理工程问题的能力。
m,建筑地点在贵阳市,抗震设防毕业设计为四层教学楼,建筑面积达 55172烈度为6度,上部结构为框架结构,基础为预应力桩。
本题目建筑结构绘图不算很复杂,但结构计算上也有一些难点。
本毕业设计主要分为建筑设计、上部结构设计、下部结构设计、楼板结构设计、楼梯结构设计和分析与总结六大章。
第一章主要是建筑方案与建筑施工图设计说明,第二章是设计的重点,主要是结构方案选型、框架截面尺寸初选、荷载计算、侧移验算、内力分析和组合、框架梁柱配筋计算。
第三、四、五章主要是地基,楼板,楼梯的方案选型、尺寸初选和配筋计算。
第六章主要是电算与手算的分析比较。
1 建筑设计1.1设计资料1.1.1工程概况拟在贵阳市新中学教学楼,总建筑面积为5517 m2。
此教学楼为四层现浇钢筋混凝土框架结构,建筑高度为16.8m。
1.1.2设计原始资料1)地段平面:L形,东西长69.6m,长边南北宽25.8m,短边南北宽18m。
摘要本设计为汇锦集团写字楼(B座)设计,设计层数为7层,结构形式选用多层混凝土框架结构,建筑总面积5987.522m。
钢筋混凝土多层框架结构作为一种常用的结构形式, 具有传力明确、结构布置灵活、抗震性和整体性好的优点, 目前已被广泛地应用于各类多层的工业与民用建筑中。
建筑设计部分包括平面设计、立面设计、剖面设计,楼梯设计,屋面设计及建筑构造。
本设计为商务写字楼设计,一层除设门厅、办公室外,还设有消防控制室、打印室、配电室、电话总机房等功能房间;二层以上多为办公室、配有资料室、茶水休息间、一般会议室及功能会议室,每层设有两部双跑普通楼梯、两部消防电梯等,并要满足防火要求。
屋面为上人屋面。
结构计算部分包括横向水平地震作用下的框架设计和基础设计。
在确定框架布局之后,先进行了层间荷载代表值的计算,接着利用顶点位移法求出自振周期,进而按底部剪力法计算水平地震荷载作用下大小,进而求出在水平荷载作用下的结构弯矩、剪力、轴力。
接着计算竖向恒载及活荷载作用下的结构内力,找出最不利的一组或几组内力组合,内力的组合可以使用excel、力学计算器软件计算。
选取最安全的结果计算配筋并绘图。
梁的配筋尽量一致,柱的配筋尽量一致。
结合本设计结构的实际特点,基础选用桩基础,楼梯则采用板式楼梯。
通过本积极、独立的完成本次毕业设计使我能系统地总结,综合地运用所学的理论知识和专业知识来解决实际的工程设计问题,并能进一步加强我的建筑设计和结构设计的能力,是为今后的实际工作做出的必要的准备。
关键词:商务写字楼;钢筋混凝土;框架结构;抗震设计ABSTRACTThis design is the Huijin Group’s Office Building ,it is 7-floor. The total architectural area is about 6000 square meters and the structure of this building is steel reinforced concrete frame structure.Multi-storey reinforced concrete frame structure is a common structure form, has definite force transmission structure, flexible layout, seismic resistance and good integrity advantages, industrial and civil construction has been widely used in various layers of.During the architectural design stage, the plane design, vertical plane design, the cross-section design, the stair design, the roof design and architect structure are made. his design is business office design, a layer except set Hall, and Office outside, also has fire control room, and print room, and distribution room, and phone switchboard room, features Room; II layer above more is Office, and enjoy has library, and tea rest between, and General room and the features room, each layer has two Department double run General stairs, and two Department fire elevator,, and to meet fire requirements. Roofing is can touch the roof.The structural calculation and design part includes the calculation and design of one floor concrete plate namely beam and column, one staircase and foundation. When the direction of the frames is determined, firstly the weight of each floor is calculated. Then the vibrate cycle is calculated by utilizing the peak- displacement method, then the amount of the horizontal seismic force can be got by way of the bottom-shear force method. The seismic force can be assigned according to the shearing stiffness of the frames of the different axis. Then the internal bending moment, shearing force and axial force in the structure under the horizontal loads can be easily calculated. After thedetermination of the internal force under the dead and live loads, the combination of internal force can be made by using the Excel software,Mechanical calculator, whose purpose is to find one or several sets of the most adverse internal force of the wall limbs and the coterminous girders, which will be the basis of protracting the reinforcing drawings of the components. The steel design of beams and columns are adjusted to be the same as soon as possible. According to the structural characteristic of this building, the strip foundation is used because of its good integrity. The stair case adopts concrete plate stair case.Through the active, independent completion of the graduation design, so that I can systematically summarized, design to solve the problem of the practical application of the theory of knowledge and expertise in engineering comprehensively, and to further strengthen the capacity building design and structure design of mine, was made for practical work in the future the necessary preparations.KEY WORDS:Commercial Office;reinforced concrete structure;frame structure目录前言 (1)第1节建筑设计总说明 (2)1.1 工程概况 (2)1.2设计依据 (2)1.3 模型初设 (3)1.4 门窗设计 (4)1.5 装饰做法 (5)1.5.1屋面做法 (5)1.5.2 楼面做法 (5)1.5.3 墙面装饰 (6)第2节结构设计 (7)2.1 设计条件 (7)2.2 设计依据 (7)2.3 结构选型 (7)2.4 承重方案 (8)2.5 施工方法 (9)2.6 结构布置 (10)第3节荷载计算 (12)3.1 荷载标准值 (12)3.1.1 屋面荷载 (12)3.1.2 楼面荷载 (13)3.1.3 墙荷载 (14)3.1.4 梁柱自重 (15)3.1.5门窗自重 (15)3.2 面积计算 (15)3.2.1上人屋顶 (15)3.2.2 三至七层 (16)3.2.3 二层 (17)3.2.4 一层 (18)3.3 重力荷载代表值确定 (19)3.3.1 顶层 (19)3.3.2 三至六层 (20)3.3.3 二层 (20)3.3.4 一层 (20)3.3.5 重力荷载代表值示意图 (21)3.4梁、柱的线刚度 (21)3.4.1 梁的线刚度 (21)3.4.2 柱线刚度 (22)第4节 框架自振周期及位移计算 (26)4.1 横向框架顶点位移 (26)4.1.1 位移计算 (26)4.1.2风荷载计算 (28)4.2 水平地震作用下框架柱剪力和弯矩计算 (28)4.2.2 柱端弯矩c M 计算 (30)4.2.3 梁端弯矩b M 、剪力b V 、柱轴力N 计算 (32)第5节 框架在竖向荷载作用下的内力分析 (36)5.1 计算方法 (36)5.2 荷载传递路线示意图 (36)5.3 竖向荷载标准值计算 (37)5.4 次梁荷载计算 (38)5.4.1 受均布荷载作用 (39)4.4.2 受均布荷载和集中力作用 (40)5.5 主梁计算 (42)5.5.1 屋面主梁 (42)5.5.2 楼面主梁(二至六层) (43)5.5.3 楼面主梁(一层) (43)第6节梁固端弯矩计算 (48)6.1 固端弯矩计算规则 (48)6.2 弯矩分配系数 (49)6.3 恒载产生弯矩分配与传递 (50)第7节内力组合 (58)7.1 梁端剪力 (58)7.2 柱端轴力 (59)7.3 内力组合 (60)7.3.1 弯矩调幅 (60)第8节截面设计 (80)8.1 框架梁截面设计 (80)8.1.1 支座处正截面承载力计算 (81)8.1.2 梁跨中的正截面承载力计算 (82)8.1.3 梁斜截面受压承载力计算 (83)8.2 框架柱截面设计 (95)8.2.1轴压比验算 (95)8.2.2 正截面承载力计算 (97)第9节楼梯设计计算 (115)9.1 楼梯结构布置 (115)9.2 楼梯板设计 (115)9.3 平台板设计 (116)9.4 平台梁设计 (117)第10节桩基础设计 (119)10.1 设计依据 (119)10.2 计算信息 (119)10.2.1 几何参数 (120)1 0.2.2 材料信息 (120)10.2.3 计算信息 (120)10.3 计算参数 (120)10.4 内力计算 (121)10.5 承台的冲切验算 (122)10.5.1 柱对承台的冲切验算 (122)10.5.2 角桩对承台的冲切验算 (122)10.5.3 承台斜截面受剪验算 (123)10.7 其他验算 (126)附录 (127)1 总信息 (127)2 周期、地震力与振型输出文件 (131)3 结构位移 (135)小结 (149)致谢 (150)参考文献 (151)前言毕业设计是一个总结性的教学环节,是学生全面系统地融汇所学理论知识和专业技能并运用于解决实际问题的过程。
2.前 言结构设计是土木工程毕业设计的重要阶段,是毕业前的综合学习阶段,是深化、拓宽、综合教和学的重要过程,是对大学期间所学专业知识的全面总结。
本组毕业设计题目为《内蒙古科技大学办公楼扩建工程》。
在结构前期,我温习了《结构力学》、《土力学与基础工程》、《混凝土结构》、《建筑结构抗震设计》等知识,并借阅了《抗震规范》、《混凝土规范》、《荷载规范》、《砌体规范》、《地基规范》等规范。
在网上搜集了不少资料,并做了笔记。
在结构设计中期,我们通过所学的基本理论、专业知识和基本技能进行计算和分析。
本组在成员齐心协力,发挥了大家的团队精神。
在结构设计后期,主要进行设计手稿的电脑输入和PKPM计算出图(并有一张手画基础图),并得到老师的审批和指正,使我圆满的完成了任务,在此表示衷心的感谢。
结构设计的八周里,在指导老师的帮助下,经过资料查阅、设计计算、以及外文的翻译,加深了对新规范、规程、手册等相关内容的理解。
巩固了专业知识、提高了综合分析、解决问题的能力。
在进行内力组合的计算时,进一步了解了Excel;在绘图时熟练掌握了AutoCAD,PKPM等专业软件。
以上所有这些从不同方面达到了毕业设计的目的与要求。
框架结构设计的计算工作量很大,在计算过程中以手算为主,辅以一些计算软件的校正。
由于自己水平有限,难免有不妥和疏忽之处,敬请各位老师批评指正。
许宝勤二零零六年五月3.设计任务书3.1工程概况工程地点在昆区阿尔丁大街七号街坊,建筑面积4800平方米。
拟建建筑物层数为五层,框架结构,型式应与原有办公楼协调统一。
外装修采用外墙涂料及石材,窗户采用平开铝合金窗,门采用实木门。
建筑物应设计为智能化、节能化建筑。
3.2地质、水文及气象资料地形:地形较为平坦。
自然地坪以下1.9m~2.3m为细砂层,承载能力标准值f=180kpa;2.3m~3.9m为砾砂层,承载能力标准值f=210kpa;3.9m~6.9m为圆砾层,承载能力标准值f=350kpa,二类场地。
第六章竖向荷载(恒载 +活载作用下框架内力计算第一节框架在恒载作用下的内力计算本设计用分层法计算内力,具体步骤如下:①计算各杆件的固端弯矩②计算各节点弯矩分配系数③弯矩分配④调幅并绘弯矩图⑤计算跨中最大弯矩、剪力和轴力并绘图一、恒载作用下固端弯矩计算(一恒载作用下固端弯矩恒载作用下固端弯矩计算 (单位:KN ·m 表 6.1恒载作用下梁固端弯矩计算统计表 6.2(二计算各节点弯矩分配系数用分层法计算竖向荷载, 假定结构无侧移, 计算时采用力矩分配法, 其计算要点是:①计算各层梁上竖向荷载值和梁的固端弯矩。
②将框架分层,各层梁跨度与柱高与原结构相同,柱端假定为固端。
③计算梁、柱线刚度。
对于柱,假定分层后中间各层柱柱端固定与实际不符,因而,除底层外,上层柱各层线刚度均乘以 0.9修正。
有现浇楼面的梁,宜考虑楼板的作用。
每侧可取板厚的 6倍作为楼板的有效作用宽度。
设计中,可近似按下式计算梁的截面惯性矩:一边有楼板:I=1.5Ir两边有楼板:I=2.0Ir④计算和确定梁、柱弯矩分配系数和传递系数。
按修正后的刚度计算各结点周围杆件的杆端分配系数。
所有上层柱的传递系数取 1/3,底层柱的传递系数取 1/2。
⑤按力矩分配法计算单层梁、柱弯矩。
⑥将分层计算得到的、但属于同一层柱的柱端弯矩叠加得到柱的弯矩。
(1计算梁、柱相对线刚度图 6.1 修正后梁柱相对线刚度(2计算弯矩分配系数结构三层①梁μB3C3=5.37÷(5.37+1.18=0.820μC3B3=5.37÷(5.37+3.52+1.18=0.533 μC3D3=3.52÷(5.37+3.52+1.18=0.350 μD3C3=3.52÷(3.52+1.18=0.749②柱μB3B2=1.18÷(5.37+1.18=0.180μC3C2=1.18÷(5.37+3.52+1.18=0.117 μD3D2=1.18÷(3.52+1.18=0.251结构二层①梁μB2C2=5.37÷(1.18+1.18+5.37=0.695 μC2B2=5.37÷(1.18+1.18+5.37+3.52=0.477 μC2D2=3.52÷(1.18+1.18+5.37+3.52=0.313 μD2C2=3.52÷(1.18+1.18+3.52=0.5986②柱μB2B3=1.18÷(1.18+1.18+5.37=0.1525μB2B1=1.18÷(1.18+1.18+5.37=0.1525μC2C3=1.18÷(1.18+1.18+5.37+3.52=0.105 μC2C1=1.18÷(1.18+1.18+5.37+3.52=0.105μD2D3=1.18÷(1.18+1.18+3.52=0.2007μD2D1=1.18÷(1.18+1.18+3.52=0.2007 结构一层①梁μB1C1=5.37÷(1.18+1+5.37=0.711μC1B1=5.37÷(1.18+1+5.37+3.52=0.485μC1D1=3.52÷(1.18+1+5.37+3.52=0.318μD1C1=3.52÷(1.18+1+3.52=0.618②柱μB1B2=1.18÷(1.18+1+5.37=0.156μB1B0=1÷(1.18+1+5.37=0.133μC1C2=1.18÷(1.18+1+5.37+3.52=0.107 μC1C0=1÷(1.18+1+5.37+3.52=0.090μD1D2=1.18÷(1.18+1+3.52=0.207μD1D0=1÷(1.18+1+3.52=0.175(三分层法算恒载作用下弯矩恒载作用下结构三层弯矩分配表 6.3 B C D 上柱偏心弯矩分配系数 0固端弯矩分配传递分配传递分配传递分配传递分配传递分配传递分配传递合计一次分配 14.650 -13.883 226.915 20.861 -251.346 84.509 -112.810 二次分配14.512 -14.512 228.818 21.278 -250.096 105.707 -105.707恒载作用下结构二层弯矩分配表 6.40.768 12.717 -28.301↑ ↑ ↑B C D偏心弯矩分配系数固端弯矩分配传递分配传递分配传递分配传递分配传递分配传递分配传递合计一次分配 6.931 4.431 -4.607 308.811 46.295 47.232 -385.113 169.804 -113.072 -92.837 二次分配 5.901 3.401 -9.302 300.595 44.486 45.423 -390.504 191.416 -105.826 -85.591恒载作用下结构一层弯矩分配表 6.5 2.127 9.081 -7.935↑ ↑ ↑B C D偏心弯矩分配系数固端弯矩分配传递分配传递分配传递分配传递分配传递分配传递分配传递合计一次二次 7.030 5.338 -12.368 267.469 35.352 22.097 -324.919 357.349 -46.247 -15.172 -295.930图 6.2 弯矩再分配后恒载作用下弯矩图(KN ·m(四框架梁弯矩塑性调幅为了减少钢筋混凝土框架梁支座处的配筋数量, 在竖向荷载作用下可以考虑竖向内力重分布,主要是降低支座负弯矩,以减小支座处的配筋,跨中则应相应增大弯矩。
第一部分建筑设计第一章建筑部分一工程简介及设计依据(一) 工程简介本工程地处烟台市,首层为半地下室,作为住户储物仓库。
地上十层为住宅楼。
建筑高度为35.5 m,建筑类别为二类,耐火等级为二级,抗震设防烈度为7度近震,层高均为3.0m。
建筑面积为3400m2。
顶层12层塔楼为电梯机房,高2.5 m。
(二)设计依据1.《民用建筑设计通则》(JGJ37-87)2.《住宅设计规范》(GB 50096—99)3.《高层民用建筑设计防火规范》(GB50045-95)(三)设计要求及方案特点1.建筑平面:建筑平面接近正方形17.5×18m22. 防火要求:在设计中充分考虑了高层建筑防火要求,采用一个防火楼梯,做为放火疏散之用,楼梯为封闭式,楼梯门为一级防火门。
电梯采用一部,可以兼作消防作用。
设计满足疏散距离。
此设计满足“适用、经济、美观的总体要求,建筑平面简洁、明快、体现时代待征,结构方案合理,体系选择准备、技术先进、利于施工,装饰简洁适用、经济。
二建筑立面设计结构布置对称、均匀,在立面上给人简洁、明快的感觉。
三装修处理外墙面粘乳白色陶瓷锦砖楼地面:采用天然大理石饰面、卫生间、更衣室等房间采用花岗岩地面。
墙面:内墙面采用高级涂料顶彬:除底层仓库用房为普通抹灰外,均做矿棉板吊顶。
门窗:外入户门为防盗门,内入户门为钢门,屋内门为木质门。
窗为铝合金窗。
四工程做法:卷材1.层面为SBS卷材防水层,膨胀珍珠岩保温。
2.墙体采用200mm厚蒸压粉煤灰加气砼砌块。
3.屋面做法:SBS卷材防水层20mm厚1:3水泥砂浆找平层40—220mm厚膨胀珍珠岩(2.5%找坡)20mm厚1:3水泥砂浆找平层100mm厚砼现硗板20mm厚板底抹灰板下矿棉板吊顶4.楼面做法:20mm水泥砂浆面层100mm厚砼现浇板20mm厚板底抹灰板下矿棉板吊顶第二章结构部分一设计规范1.《建筑结构荷载规范》(GBJ9-87)2.《建筑抗震设计规范》(GBJ11-89)3.《砼结构设计规范》(GBJ10-89)4.《钢筋砼高层建筑结构设计与规程》(JGJ3-91)5.《建筑结构制图标准》(GBJ105-87)6.《高层民用建筑设计防火规范》(GB50045-95)7.《高层建筑混凝土结构技术规程》(JGJ 3—2002)二自然条件1.基本风压:0.55KN/m2,基本雪压:0.40KN/m22.抗震设防烈度:7度3.场地土的类别:二类.4.地面粗糙程度:B类三楼层使用荷载(活荷)卫生间、厨房、楼梯间2.0KN/m2,电梯间6.0KN/m2,上人屋面2.0KN/m2.四结构形式工程主体结构共11层,总高为35.5m,突出屋面的塔楼为电梯机房。
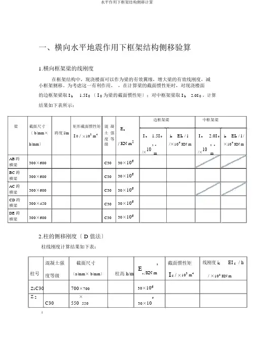
一、横向水平地震作用下框架结构侧移验算1.横向框架梁的线刚度在框架结构中,现浇楼面可以作为梁的有效翼缘,增大梁的有效线刚度,减小框架侧移。
为考虑这一有利作用, ,在计算梁的截面惯性矩时,对现浇楼面的边框架梁取 I b1.5I 0 〔 I 0 为梁的截面惯性矩〕;对中框架梁取 I b2.0I 0 ,计算结果如下表所示:边框架梁中框架梁梁截面尺寸矩形截面惯性矩 混 凝E c〔 b/mm ×跨度 l/m土 强i b EI b / li b EI b / l /I 0 / ×103 m4I b1.5I 0I b 2.0I 0h/mm 〕度 等/ KN m2/×104KN m×104KN m级3 4/×103 4/×10mmAB 跨 300×600C3030×106横梁BC 跨 300×600C3030×106横梁AC 跨 300×600C30 30×106横梁CD 跨 300×450C3030×106横梁DE 跨 300×600C3030×106横梁2.柱的侧移刚度〔 D 值法〕柱线刚度计算结果如下表:混凝土强 截面尺寸2截面惯性矩线刚度 i c EI c / h柱号度等级〔a/mm × b/mm 〕柱高 h/mEc/KN mIc / ×103 m 4/ ×104 KN mZ 1C30 700×70030×106Z 2C30 ×6550 55030×10:楼层横向框架柱侧移刚度〔 D 值〕计算如下表所示:Ki b K(一般层 )(一般层 )2i c K12柱类型Dic h 2根数i b/ 104KN / mK K(底层 )2(底层 )i c K一层其他层边框架边柱边框架中柱中框架边柱中框架中柱D边框架边柱边框架中柱中框架边柱中框架中柱DA 轴2E 轴2C 轴2D 轴2A 轴2B 轴4E 轴6B 轴2C 轴6D 轴6653520KN/mA 轴2E 轴2C 轴2D 轴2A 轴2B 轴4E 轴6B 轴2C 轴6D 轴6794540KN/m3.横向框架自振周期结构自振周期按顶点位移法计算,将各楼层面处的重力荷载代表值G i作为水平荷载作用在各楼层标高处,按弹性方法求得结构顶点的假想侧移,并考虑填充墙对框架的影响取折减系数r,计算结果如下表结构顶点的假想侧移G/KN nG i/KND i / KN m 1i / mm i / mm楼层V Gii 16999099907945405114582144879454041145832906794540311458443647945402114585582279454011241563237653520T1T T4.横向水平地震作用及楼层地震剪力计算本结构重量和刚度沿高度方向分布比拟均匀,高度不超过40m,变形以剪切变形为主,故水平地震作用采用底部剪力法计算。
框架侧移刚度计算在框架结构中,现浇楼面可以作为梁的有效翼缘,增大梁的有效刚度、减少侧移,对于现浇楼面,考虑到这一有利作用,在设计梁的截面的惯性矩时,对现浇板的b 0b 02.0 1.5I I I I ==中框架梁,边框架梁。
本设计中框架柱采用C35混凝土,梁、板采用C30混凝土,海南三亚地区防震烈度7度,基本地震加速度0.1g 。
C30混凝土 E c =3.0×104N/mm 2框架柱1-5层均采用C35混凝土 E c =3.15×104N/m m 2横梁线刚度计算横梁线刚度i b 计算注:0I 为横梁的截面惯性矩 柱线刚度计算柱的侧移刚度D 值法计算 (1) 计算方法柱的侧移刚度按下式计算。
根据梁柱线刚度比K 的不同,结构平面布置图,可分为中框架中柱、边柱,边框架中柱、边柱和楼梯柱,其中楼梯柱的计算在楼梯配筋计算。
柱的侧移刚度D 值计算hiccD 212α=c α:柱侧移刚度修正系数,对不同情况按下式计算,K 表示墙柱线刚度比。
修正系数c α值计算公式(2)框架侧移刚度值计算底层:框架中柱(B1、C1、B2、C2、B 3、C3、B4、C4、B5、C5、B6、C6点处的柱12根)K =ici i 21+=1025.3104.11108.4101010⨯⨯⨯+=4.9825.0++=K Kc α=0.785 hiccD 212α==33001025.321012785.0⨯⨯=28112.95 N/mm Di=∑D=12D=12×28112.95=337355.37 N/mm框架边柱纵向(A1、D1、A2、D2、A3、D 3、A4、D4、A5、D5、A6、D6、共12根)ici K 2==1025.3108.41010⨯⨯=1.4825.0++=K Kc α=0.57 hiccD 212α==33001025.32101257.0⨯⨯=20413.22 N/mmDi=∑D=12Di=12×20413.22=244958.68 N /mm框架边柱横向(A 、B 、C 、D 、A7、B7、C7、D7共8根)ici K 2==1025.3104.111010⨯⨯=3.5125.0++=K Kc α=0.73 hiccD 212α==33001025.32101273.0⨯⨯=26143.25 N/mm Di=∑D=8Di=8×26143.25=209146.01 N/m m2~5层:框架中柱(B1、C1、B2、C2、B3、C3、B 4、C4、B5、C5、B6、C6点处的柱12根)K =12342ci i i ii +++=()1025.32104.11108.41010102⨯⨯⨯⨯⨯+=4.98c α=2KK+=0.71h ic c D 212α==33001025.32101271.0⨯⨯=25427.00 N/mm Di=∑D=12D=12×25427.00=305124.00 N/mm框架边柱纵向(A1、D1、A2、D2、A3、D 3、A4、D4、A5、D5、A6、D6、共12根)ici i K 242+==1025.32108.421010⨯⨯⨯⨯=1.48c α=2KK+=0.43 h icc D 212α==33001025.32101243.0⨯⨯=15399.45 N/mm Di=∑D=12Di=12×15399.45=184793.39 N /mm框架边柱横向(A 、B 、C 、D 、A7、B7、C7、D7共8根)ici i K 242+==1025.32104.1121010⨯⨯⨯⨯=3.51c α=2KK+=0.64 hiccD 212α==33001025.32101264.0⨯⨯=22920.11 N/mmDi=∑D=8Di=8×22920.11=183360.88 N/m m 4)各楼层框架柱总的侧移刚度框架侧移刚度D 值(N/mm )将上述不同情况下同层框架侧移刚度相同,即得框架柱各层层间侧移刚度∑D i各层层间侧移刚度(N/mm)∑D1/∑D2=791460.06/673278.27=1.18>0.7,故该框架为规则框架。
框架侧移刚度的计算根据规范可知,对于现浇楼板其梁的线刚度应进行修正:边框架梁I=1.5I中框架梁I=2I取结构图中11号轴线的一榀框架进行计算4.1 横梁线刚度i b的计算表4-1 横梁线刚度i b计算表类别E c(N/mm2)b(mm)h(mm)I0(mm4)l(mm)E c I0/l(kN·m)1.5E c I0/l(kN·m)2E c I0/l(kN·m)AB跨 3.0⨯104250 400 1.3⨯1092400 2.25⨯1010 4.5⨯1010 BC跨 3.0⨯104300 700 10.5⨯1097500 4.2⨯1010 6.3⨯1010 4.2 柱线刚度i c的计算表4-2 柱线刚度i c计算表层次E c(N/mm2)b(mm)h(mm)h c(mm)I c(mm4)E c I o/l(kN·m)1~2 3.0⨯104400 400 4500 2.1⨯109 1.4⨯1010 3~5 3.0⨯104400 400 3700 2.1⨯109 1.7⨯10106 3.0⨯104400 400 3300 2.1⨯109 1.9⨯10104.3各层横向侧移刚度计算4.3.1 底层A、D柱i=2.37αc=(0.5+i)/(2+i)=0.66D11=αc×12×i c/h2=0.66×12×1.9×1010/33002=13818B,C柱i=(4.5+3.2)/1.9=6.18αc=(0.5+i)/(2+i)=0.82D12=αc×12×i c/h2=0.82×12×1.9×1010/33002=171684.3.2 第二层1,4号柱i=4.5×2/(1.9×2)=2.37αc=i/(2+i)=0.54D21=αc×12×i c/h2=0.54×12×1.9×1010/33002=113052,3号柱i=4.5×2+3.2×2/(1.9×2)=4.05αc=i/(2+i)=0.67D22=αc×12×i c/h2=0.67×12×1.9×1010/33002=140284.3.3 三、四、五层三层,四层和五层的计算结果与二层相同D31=D34=11305D32=D33=14028D41=D44=11305D42=D43=14028D51=D54=11305D52=D53=14028表4-3横向侧移刚度统计表层次 1 2 3 4 5∑D i (N/mm )61972×15=929580 50666×15=759990 759990 759990 759990该框架为横向承重框架,不计算纵向侧移刚度。
3 重力荷载代表值计算及框架侧移刚度计算楼层重力荷载代表值=全部的恒载+50%的楼面活荷载屋面重力荷载代表值=全部的恒载+50%的屋面雪荷载3.1 恒载标准值计算3.1.1 屋面楼面恒载计算屋面永久荷载标准值(上人):C细石混凝土 1.0 kN/m2 40厚201.2厚高分子卷材 0.15 kN/m225厚1:3水泥砂浆 20×0.025=0.5k N/m2 90厚水泥珍珠岩板2×0.09=0.18kN/m2最薄处15厚水泥焦渣 13×0.015=1.95kN/m2 120厚钢筋混凝土板25×0.12=3kN/m2合计 6.797kN/m2屋面永久荷载标准值(不上人):20厚水泥砂浆 20×0.02=0.4 kN/m21.2厚合成高分子防水卷材 0.15 kN/m225厚水泥砂浆 20×0.025=0.5k N/m2 65厚聚苯乙烯保温板 0.2×0.065=0.013kN/m2最薄处15厚1:6水泥焦渣 13×0.015=1.95kN/m2 120厚钢筋混凝土板25×0.12=3kN/m2合计 6.183kN/m2楼面永久荷载标准值:普通楼面8厚瓷面砖19.8×0.008=0.16kN/m2 30厚1:3水泥砂浆20×0.03=0.6kN/m2 30厚聚苯乙烯泡沫板保温层0.2×0.03=0.006kN/m2 10厚1:3水泥砂浆 20×0.01=0.2kN/m2 120厚钢筋混凝土板25×0.12=3kN/m2合计 4.136kN/m2卫生间楼面8厚瓷面砖19.8×0.008=0.16kN/m2 50厚1:3水泥砂浆20×0.05=1kN/m21.5厚合成高分子 0.15kN/m2100厚钢筋混凝土板25×0.1=2.5kN/m2 10厚水泥石灰膏砂浆0.01×17=0.17kN/m2 合计 3.98 kN/m2一层地面永久荷载标准值: 普通楼面8厚地砖地面 19.8×0.008=0.16kN/m 25厚石灰砂浆 20×0.005=0.1kN/m 2 20厚1:3水泥砂浆 20×0.02=0.4kN/m2 60厚混土垫层 25×0.06=1.5kN/m 23:7灰土 17.5×0.15=2.625kN/m 2合 计 4.695kN/m 2 卫生间地面8厚地砖 0.008×19.8=0.16kN/m 2 30厚1:3水泥砂浆 20×0.03=0.6kN/m 2 1.5厚合成高分子 0.15kN/m 2 1:3水泥砂浆最薄处20厚 20×0.02=0.4kN/m 2 10厚水泥石灰膏砂浆 0.01×17=0.17kN/m 2合 计 2.81kN/m23.1.2 第一层结构构件自重计算取基础埋深为2.5m ,基础高为1m ,则一层柱高为1 3.6 2.5 1.00.45 5.55h m =+-+=,故取一层柱高为1h 5.6m =表3-1 梁、柱自重重力荷载代表值计算及框架侧移刚度计算墙体为填充墙,材料为蒸压粉煤灰加气混凝土砌块,电梯间填充墙为普通砖墙318KN /m ,外墙厚300mm ,内墙厚为200mm 。
毕业设计计算书Guang Xi university of technology 第四章结构(构件)刚度计算和荷载基本信息现浇框架柱和剪力墙的混凝土强度等级采用C40,现浇混凝土楼盖及框架梁和主梁的等级选用C30。
为简化计算,计算剪力墙的内力和位移时,忽略纵横墙的共同工作。
把计算方向上的剪力墙作为“一”字形截面剪力墙。
第一节框架刚度计算一、框架梁线刚度计算现浇混凝土结构框架梁的转动刚度应考虑楼板的影响。
框架梁的线刚度计算见表4-1-1。
表4-1-1框架梁线刚度注:主梁截面惯性矩考虑楼板平面外刚度影响,按《高规》第5.2.2条乘以放大系数计算。
其计算公式如下中跨:32212bhI I⨯==,边跨:31.51.512bhI I⨯==,线刚度:EIil=。
二、框架柱刚度计算(一)框架柱线刚度计算框架柱抗弯刚度见表4-1-2。
毕业设计计算书Guang Xi university of technology表4-1-2 框架柱线刚度(二)框架柱抗侧刚度和抗推刚度计算对于高宽比小于50m,且高宽比小于4的建筑物,仅考虑梁柱弯曲变形引起的柱侧移刚度,忽略柱的轴向变形。
框架柱的抗侧刚度应考虑与其相连的框架梁的影响,以梁、柱线刚度的比值K和抗侧刚度修正系数α来衡量。
柱的抗侧刚度和抗推刚度计算见表4-1-3。
表4-1-3 框架柱抗侧刚度(D值)注:1.系数K 为梁柱线刚度比,其值为2b c i K i ∑=(一般层),bci K i ∑=(底层)。
b i 为计算平面内与柱子两端刚接的梁的线刚度。
2.修正系数α的值计算如下:2K K α=+(一般层),0.5K Kα+=(底层)。
3.H 为层高。
三、框-剪抗侧力模型中框架刚度框剪结构协同工作中框架抗推刚度可取各层延高度的加权平均值,即NHhCC iFi F 9910563.3104.415.3175.345.3385.34.3645.34.374.322.4478.32.449.35.4446.4⨯=⨯⨯+⨯⨯+⨯+⨯+⨯⨯+⨯+⨯==∑第二节 剪力墙刚度计算剪力墙的等效抗侧刚度计算采用连梁连续化的假定,即假定:1)连梁是延整片墙高度连续均匀分布的,且忽略连梁的轴向变形;2)剪力墙的截面几何特征和材料性能延高度无变化;3)结构各层层高均匀相等。