华为基站(3G)系统操作指南
- 格式:pdf
- 大小:5.28 MB
- 文档页数:20
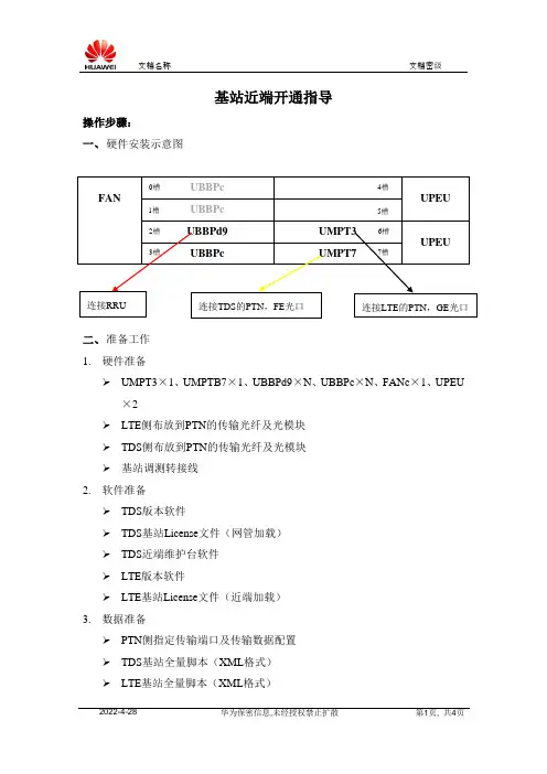
基站近端开通指导操作步骤:一、硬件安装示意图二、准备工作1.硬件准备➢UMPT3×1、UMPTB7×1、UBBPd9×N、UBBPc×N、FANc×1、UPEU ×2➢LTE侧布放到PTN的传输光纤及光模块➢TDS侧布放到PTN的传输光纤及光模块➢基站调测转接线2.软件准备➢TDS版本软件➢TDS基站License文件(网管加载)➢TDS近端维护台软件➢LTE版本软件➢LTE基站License文件(近端加载)3.数据准备➢PTN侧指定传输端口及传输数据配置➢TDS基站全量脚本(XML格式)➢LTE基站全量脚本(XML格式)三、调测操作流程1.记录基站的ESN,并反馈给后台人员,TDS侧与LTE侧使用同一ESN。
2.TDS侧版本检查与数据配置1)将PC与TDS主控板UMPTb7的USB口通过网线连接,PC的IP配置成“192.168.0.51”, “华为本地维护终端”登陆基站,IP为192.168.0.49。
用户名admin,密码hwbs@com。
2)登陆后可检查相关配置。
3)TDS侧数据由OMC督导远程加载3.LTE侧软件版本检查与数据配置1)使用网线连接UMPTb3单板的USB端口(ETH转USB转换线在辅料包中可以找到)2)将电脑IP设置为192.168.0.513)打开IE,登陆192.168.0.49页面,用户名admin,密码hwbs@com4)执行LST VER:;命令,并记录查询结果5)执行链路故障恢复开关命令:SET TLFRSWITCH:TLFRSWITCH=DISABLE;6)打开FTP工具操作步骤1.下载FTP服务器软件。
(可选,如果本地没有FTP服务器,才下载FTP服务器软件。
)a.在LMT的右上角,单击“FTP工具”选项。
弹出“文件下载-安全警告”对话框。
b.单击“保存”,将FTP服务器软件SFTPServer.exe保存在本地。
LTE后台常⽤操作指导书(华为)LTE后台操作指导书⽬录⼀、常⽤指令: (1)⼆、提取CHR⽂档: (6)三、制作批处理脚本⽂档 (7)3.1加扰测试脚本: (7)3.2⽇常告警全⽹TDL&TDS基站状态&告警查询-XXXX脚本 (8)3.3基站⼩区去激活脚本 (8)3.4基站⼩区邻区数据修改脚本 (8)四、集中任务管理安全操作: (9)4.1⽇常告警全⽹TDL&TDS基站状态&告警查询 (9)4.2基站⼩区去激活 (12)4.3基站⼩区邻区数据修改 (12)五、LTE常⽤信令(问题)跟踪Check List V1.0 (12)5.1 端到端虚⽤户跟踪 (12)5.2 CELL DT (14)5.3 IFTS (15)5.4 ⼀键式⽇志(BRDLOG)采集⽅法 (19)5.5 接⼊类问题分析数据 (19)5.6 切换类问题分析数据 (19)5.7 业务性能问题分析数据 (20)5.8 ⼲扰问题分析数据 (20)六、经验总结 (20)6.1深圳LTE-FTP服务器操作指导书-朱占磊(hw) (20)6.2 LTE站点天线权值添加指引-张海春 (20)6.3 LTE站点在集中任务管理模块实现⼩区级批处理操作-林界滨 (20)6.4 LTE KPI指标监控⽇报撰写-李三明 (21)6.5 LTE虚⽤户跟踪流程及注意事项-马志磊 (21)6.6 LTE灌包操作及问题定位指导-余世坛 (21)⼀、常⽤指令:TDL站点状态查询指令:LST CELL:; 查询⼩区静态参数DSP CELL:; 查询⼩区动态参数LST ALMAF:; 查询当前告警LST BFANT:;查询天线配置信息(静态)DSP BFANT:;查询天线配置信息(动态)LST PDSCHCFG:;(参考信号功率)LST CELLPDCCHALGO:;(公共控制信令聚集级别)LST CELLDLPCPDSCHPA:;(pdsch功率控制PA调整开关)LST EUTRANINTRAFREQNCELL:; (查询EUTRAN同频邻区关系)LST EUTRANEXTERNALCELL:; (查询EUTRAN外部⼩区)LST GPS:; (查询⼩区的经纬度)LST ALMLOG:ALMTP=ALL;(查询历史告警)激活/解闭塞⼩区:ACT CELL:LOCALCELLID=1;ACT CELL:LOCALCELLID=2;ACT CELL:LOCALCELLID=3;UBL CELL:LOCALCELLID=1;UBL CELL:LOCALCELLID=2;UBL CELL:LOCALCELLID=3;去激活/闭塞⼩区:DEA CELL:LOCALCELLID=1;DEA CELL:LOCALCELLID=2;DEA CELL:LOCALCELLID=3;BLK CELL:LOCALCELLID=1,CELLADMINSTATE=CELL_HIGH_BLOCK; BLKCELL:LOCALCELLID=2,CELLADMINSTATE=CELL_HIGH_BLOCK; BLKCELL:LOCALCELLID=3,CELLADMINSTATE=CELL_HIGH_BLOCK;闭塞/解闭塞RRUBLK BRD:CN=0,SRN=200,SN=0,BLKTP=IMMEDIATE;UBL BRD:CN=0,SRN=202,SN=0;修改RRU通道:DSP TXBRANCH:;(发射通道硬件最⼤输出功率、驻波⽐等,或:DSP VSWR:查询驻波⽐)DSP RXBRANCH:;(接收通道状态)MOD TXBRANCH:CN=0,SRN=202,SN=0,TXNO=1,TXSW=OFF;(关)MOD TXBRANCH:CN=0,SRN=202,SN=0,TXNO=1,TXSW=ON; (开)MOD RXBRANCH:CN=0,SRN=202,SN=0,RXNO=1,RXSW=OFF; (关)MOD RXBRANCH:CN=0,SRN=202,SN=0,RXNO=1,RXSW=ON; (开)修改基站⼩区PCI:(注:同时要求修改邻区数据库相应的⼩区的PCI,不然影响切换) MODCELL:LOCALCELLID=3,PHYCELLID=131;MOD CELL:LOCALCELLID=2,PHYCELLID=132;MOD CELL:LOCALCELLID=1,PHYCELLID=133;MODEUTRANEXTERNALCELL:MCC="460",MNC="08",ENODEBID=10072,CELLI D=3,PHYCELLID=131; MODEUTRANEXTERNALCELL:MCC="460",MNC="08",ENODEBID=10072,CELLI D=2,PHYCELLID=132; MODEUTRANEXTERNALCELL:MCC="460",MNC="08",ENODEBID=10072,CELLI D=3,PHYCELLID=133;单验报告需要操作的内容:LST CELL:;LST PDSCHCFG:;LST CELLPDCCHALGO:;LST CELLDLPCPDSCHPA:;DSP CELL:;DSP LICENSE:;LST LICENSE:;LST CELLALGOSWITCH:;LST BFMIMOADAPTIVEPARACFG:;LST MIMOADAPTIVEPARACFG:;LTE加天线权值:LST BFANT:;DSP BFANT:;RMV BFANT: DEVICENO=0;RMV BFANT: DEVICENO=1;RMV BFANT: DEVICENO=2;DLDBFANTDB:IP="188.2.31.4",USR="ftpuser",PWD="Changeme_123",SRCF="O DS-090R15NT.xml";DLDBFANTDB:IP="10.201.127.83",USR="ftpuser",PWD="ftpuser",SRCF="ODS-090R15NT.xml";ACT BFANTDB:OPMODE=DLDFILE;ADDBFANT:DEVICENO=0,CONNSRN=60,MODELNO="ODS-09OR15NT",TILT=3 ,BEAMWIDTH=65,BAND=39; ADDBFANT:DEVICENO=1,CONNSRN=62,MODELNO="ODS-09OR15NT",TILT=3 ,BEAMWIDTH=65,BAND=39; ADDBFANT:DEVICENO=2,CONNSRN=82,MODELNO="ODS-09OR15NT",TILT=3,BEAMWIDTH=65,BAND=39;LST BFANT:;DSP BFANT:;查询BF开关:LST CELLALGOSWITCHTM2\3 BF:关TM2\3\7 BF:开修改BF算法开关:修改BF开关为开:MOD CELLALGOSWITCH:LOCALCELLID=1(⼩区号),BFALGOSWITCH=BfSwitch-1;修改BF开关为关:MOD CELLALGOSWITCH:LOCALCELLID=1(⼩区号),BFALGOSWITCH=BfSwitch-0;修改基站(业务信道)加扰(0~9):(模已)ADD CELLSIMULOAD:LOCALCELLID=1,SIMLOADCFGINDEX=7(加扰为80%); ADD CELLSIMULOAD:LOCALCELLID=2,SIMLOADCFGINDEX=7;ADD CELLSIMULOAD:LOCALCELLID=3,SIMLOADCFGINDEX=7;RMV CELLSIMULOAD:LOCALCELLID=1;(去加扰)RMV CELLSIMULOAD:LOCALCELLID=2;RMV CELLSIMULOAD:LOCALCELLID=3;相关脚本:(注意:百站⽹的本地⼩区ID是0、1、2)所以在百站⽹执⾏脚本需改⼀下以下的LOCALCELLID 加扰50%:ADD CELLSIMULOAD:LOCALCELLID=1; (SIMLOADCFGINDEX=4为默认值)ADD CELLSIMULOAD:LOCALCELLID=2;ADD CELLSIMULOAD:LOCALCELLID=3;去加扰:RMV CELLSIMULOAD:LOCALCELLID=1;RMV CELLSIMULOAD:LOCALCELLID=2;RMV CELLSIMULOAD:LOCALCELLID=3;加扰100%ADD CELLSIMULOAD,然后配置索引那⾥填9就可以了。
1.闭/激活小区:MML——》命令输入:DEA/ACT GCELL---》辅助:索引类型(按照名称),小区名称(XXX):闭/激活载波:MML——》命令输入:DEA/ACT GTRX---》辅助:载频索引(XXX):查看干扰:设备维护——》站点名称点击右键——》监控信道干扰带:查看现网告警:告警/事件——》浏览活动告警/事件:查看历史告警:告警/事件——》查询告警/事件日志——》设置查询条件:一般选项:发生时间(设置查询历史告警的时间范围),基站过滤(筛选要查询的基站):6.查询/设置功率:查询:MML——》命令输入:LST GTRXDEV——》辅助:索引类型(按照名称),小区名称(XXX):设置:MML——》命令输入:SET GTRXDEV——》辅助:载频索引(XXX),功率等级(XXX),功率类型(XXX):现网站点类型多为BTS3012和BTS3900:BTS3012支持功率类型为40W和60W。
BTS3900一块MRFU最大功率为80W,根据小区载频数合理配置功率类型。
功率等级与功率类型的关系;监控信道状态设备维护——》小区名称点击右键——》监控信道状态:查询小区频点:MML——》命令输入:LST GTRX——》辅助:索引类型(按照名称),小区名称(XXX)修改小区频点:小区先增加目标频点:指令ADD GCELLFREQ修改载频频点小区删除原频点:指令RMV GCELLFREQ查询小区载频信道信息:MML——》命令输入:LST GTRXCHAN——》辅助:索引类型(按照名称),小区名称(XXX)加SD信道:MML——》命令输入:SET GTRXCHAN——》辅助:载频索引(XXX),信道号(XXX),信道类型SDCCH8(SDCCH8):加静态FPDCH信道:MML——》命令输入:SET GTRXCHAN——》辅助:载频索引(XXX),信道号(XXX),信道类型PDTCH(PDTCH),PDCH信道优选类型EGPRSNORCH(EGPRS普通信道)加CCCH信道:MML——》命令输入:SET GTRXCHAN——》辅助:载频索引(主频载频索引),信道号(只能是2,4,6信道),信道类型BCH(BCH):查看基站传输设备维护——》基站名称点击右键——》基站传输状态查询:查询/设置基站空闲时隙:MML——》命令输入:LST BTSIDLETS——》索引类型(按照名称),基站名称(XXX)MML——》命令输入:SET BTSIDLETS——》索引类型(按照名称),基站名称(XXX),柜组号(XXX),空闲时隙数(XXX)跳频查询小区跳频类型:指令LST GCELLHOPTP开跳频:MML——》命令输入:SET GCELLHOPQUICKSETUP——》索引类型(按照名称),小区名称(XXX),跳频模式BaseBand_FH(基带跳频),主B载频的跳频类型NO_Hop(不跳频):关跳频:MML——》命令输入:SET GCELLHOPQUICKSETUP——》索引类型(按照名称),小区名称(XXX),跳频模式:NO_FH(不跳频)功控查询小区是否开了功控:指令LST GCELLBASICPARA开功控:MML——》命令输入:SET GCELLBASICPARA——》辅助:索引类型(按照名称),小区名称(XXX),上行功率控制允许YES(是),下行功率控制允许YES(是):关功控:MML——》命令输入:SET GCELLBASICPARA——》辅助:索引类型(按照名称),小区名称(XXX),上行功率控制允许NO(否),下行功率控制允许NO(否):层、层间切换门限小区所在层:命令LST GCELLBASICPARA层间切换门限:命令LST GCELLHOBASIC空闲参数MS最小接收信号等级(ACCMIN)MML——》命令输入:LST GCELLBASICPARA——》辅助:索引类型(按照名称),小区名称(XXX)小区重选惩罚时间(PT)MML——》命令输入:LST GCELLIDLEAD——》辅助:索引类型(按照名称),小区名称(XXX)小区重选偏移(CRO)MML——》命令输入:LST GCELLIDLEBASIC——》辅助:索引类型(按照名称),小区名称(XXX)小区重选滞后参数(CRH)MML——》命令输入:LST GCELLIDLEBASIC——》辅助:索引类型(按照名称),小区名称(XXX)邻区注意:华为增加删除邻区关系,均不用增加删除测量频点,测量频点会自动添加删除。
CSFB互操作配置指导手册书——华为分册一、LTE CSFB功能脚本1.检查eNodeB侧license是否支持CSFB功能:2.打开重定向算法与CSFB开关。
MOD ENODEBALGOSWITCH: HoAlgoSwitch=GeranCsfbSwitch-1,HoModeSwitch= GeranPsHoSwitch-0&GeranRedirectSwitch-1&BlindHoSwitch-1;3.打开REDIRECTION开关。
MOD INTERRATPOLICYCFGGROUP: InterRatPolicyCfgGroupId=3,GeranGprsEdgeHoCfg= PS_HO-0&NACC_HO-0&CCO_HO-0&REDIRECTION-1;4.设置S1接口MME协议版本号为R8DSP S1INTERFACE:;查询MME协议版本号是Release 8则不需要执行MOD S1INTERFACE: S1InterfaceId=0, MmeRelease=Release_R8; (要重建S1链路)5.设置盲切换最高优先级异系统为GERANMOD CSFALLBACKBLINDHOCFG: CnOperatorId=0, InterRatHighestPri=GERAN, InterRatSecondPri=UTRAN, InterRatLowestPri=CDMA2000;6.添加GSM频点组。
1个小区最多配16个频点组ADD GERANNFREQGROUP:LOCALCELLID=1,BCCHGROUPID=0,GERANVERSION=EDGE, STARTINGARFCN=41,BANDINDICATOR=GSM_dcs1800,CELLRESELPRIORITYCFGIND=CFG,CELLRESE LPRIORITY=1,PMAXGERANCFGIND=NOT_CFG,CONNFREQPRIORITY=8;注释:BCCHGROUPID根据需要添加的组从0开始累加;STARTINGARFCN取该频点组中所有频点最小的频点,CONNFREQPRIORITY不能为0.7.GSM频点组添加频点每个小区同一频点组最多配31个频点,一个小区最大允许配置的频点为64 。
华为新建基站(CME方式)-----------以新建站3个扇区,配置2+3+3,并且交换数据已经完成为例步骤1创建PLAN 区由IM2000进入CME说明1,基站拓扑连接展示主界面,主要显示ABIS接口板和基站对象及其之间的连接关系。
2,小区面板区域,用于展现一个基站下的小区和载频分配情况。
,3,信息提示区域,用于展示当前选中对象的一些基本信息,该显示框有固定,隐藏两种显示方式。
4,上下文关联工具条,主要是当前选中对象所关联,其功能和相关对象的右键菜单是一致的。
,5,TOPO显示类型切换区域,用于切换BSC接口板和TGW下的基站TOPO。
6,ABIS接口板切换区域,提供了所有ABIS接口板的定位信息,提供切换接口板后自动刷新显示界面,7,通用工具条区域,目前提供定位基站、手动刷新、显示图例,显示建站步骤指导等功能。
8,建站步骤指导信息栏,主要用于提示用户基本的建站步骤。
步骤2 选择接口板根据传输分配情况选择接口板24步骤3配置基站属性1,在拓扑图上新建基站时,右击接口板,选择增加基站,在弹出的对话框中填写基站的属性,包括基站索引,基站名称,基站类型,承载模式,基站模板等,最后点击确认开始增加基站。
在此选择淅川香严寺模板,并完成类似于诺基亚的相关参数配置。
2,增加基站物理单板,这个是可选操作,如果基站模板中已经携带有基站的物理单板信息,用户就不必手动添加了,后期扩容才会需要使用。
在右键基站的菜单中选择配置物理逻辑单板选项可以进到基站配置面板界面,在此界面可以对基站的面板进行删除和增加操作。
下图即为基站配置面板,右击其中的框槽,可以新增需要的面板。
3,增加小区,并配置小区属性,LAC,CI,NCC,BCC,小区名称,小区频点,邻区等参数。
如下图步骤4配置小区属性基站逻辑载频添加并和物理载频板进行绑定。
开始配置载频,点击绑定载频,进入到配置载频属性界面,此界面可以对基站进行逻辑载频添加并和物理载频板进行绑定。
1.华为RNC的型号为BSC6800,他的标准接口有(Iub、Iur、Iu-CS、Iu-PS和Iu-BC)。
2.BSC6800的硬件结构是由(交换机柜)、(业务机柜)、(LMT)和(告警箱)等组成。
3.BSC6800机柜分为交换机柜和业务机柜两种,交换机柜只有一个,业务机柜的个数可以为0~5。
(判断题)4.交换插框(WRSS)只配置在交换机柜中,是BSC6800的重要功能插框之一,该插框中安装了(WMPU主处理板)、(WLPU线路处理板)、(WNET交换网板)、(WHPU高速分组业务处理板)等单板。
5.BSC6800系统主要由以下逻辑功能子系统组成:(业务处理子系统)、(交换子系统)和(操作维护子系统),另外还包括(环境监控子系统)和(时钟同步子系统)。
6.WINT包括(WBIE)、(WOSE)两种类型接口板。
7.(WMUX)配置在业务插框中,每框插两块,固定插在第7、8号槽位构成主备用关系。
8.WMUX板是由(主板)和(光扣板)两部分组成。
9.(WNET)板和(WNETc)板均为BSC6800的交换网板,配置在交换插框中,每框插两块,固定插在第7、8号槽位,WNET和WNETc可以混插。
10.WNET板和WNETc板均由(主板)和(时钟扣板)两部分组成,其中主板工作在双平面方式与时钟扣板构成主备用关系。
11.BAM是操作维护系统的服务器,安装了(Windows2000)和(SQL Server2000数据库)。
12.外网是指(BAM)和操作维护终端所构成的逻辑网络,内网是指(BAM)和(WMPU)之间所构成的逻辑网络。
13.BSC6800供电系统可分为两部分:(电源引入部分)和(电源分配部分)。
14.直流电源柜为BSC6800机柜提供两路独立的(-48V工作电源)、(工作接地)和(一路保护接地)。
15.BSC6800系统的时钟源可以是(BITS时钟)、(从Iu接口提取的时钟)、(卫星同步时钟)、(本地自由振荡时钟)。
1.闭/激活小区:MML——》命令输入:DEA/ACT GCELL—-—》辅助:索引类型(按照名称),小区名称(XXX):2.闭/激活载波:MML——》命令输入:DEA/ACT GTRX--—》辅助:载频索引(XXX):3.查看干扰:设备维护--》站点名称点击右键-—》监控信道干扰带:4.查看现网告警:告警/事件——》浏览活动告警/事件:5.查看历史告警:告警/事件——》查询告警/事件日志——》设置查询条件:一般选项:发生时间(设置查询历史告警的时间范围),基站过滤(筛选要查询的基站):6.查询/设置功率:查询:MML——》命令输入:LST GTRXDEV——》辅助:索引类型(按照名称),小区名称(XXX):设置:MML—-》命令输入:SET GTRXDEV——》辅助:载频索引(XXX),功率等级(XXX),功率类型(XXX):现网站点类型多为BTS3012和BTS3900:BTS3012支持功率类型为40W和60W。
BTS3900一块MRFU最大功率为80W,根据小区载频数合理配置功率类型。
功率等级与功率类型的关系;7.监控信道状态设备维护-—》小区名称点击右键-—》监控信道状态:8.查询小区频点:MML——》命令输入:LST GTRX——》辅助:索引类型(按照名称),小区名称(XXX)9.修改小区频点:小区先增加目标频点:指令ADD GCELLFREQ修改载频频点小区删除原频点:指令RMV GCELLFREQ10.查询小区载频信道信息:MML-—》命令输入:LST GTRXCHAN—-》辅助:索引类型(按照名称),小区名称(XXX)11.加SD信道:MML——》命令输入:SET GTRXCHAN—-》辅助:载频索引(XXX),信道号(XXX),信道类型SDCCH8(SDCCH8):12.加静态FPDCH信道:MML——》命令输入:SET GTRXCHAN--》辅助:载频索引(XXX),信道号(XXX),信道类型PDTCH(PDTCH),PDCH信道优选类型EGPRSNORCH(EGPRS普通信道)13.加CCCH信道:MML——》命令输入:SET GTRXCHAN——》辅助:载频索引(主频载频索引),信道号(只能是2,4,6信道),信道类型BCH(BCH):14.查看基站传输设备维护-—》基站名称点击右键——》基站传输状态查询:15.查询/设置基站空闲时隙:MML--》命令输入:LST BTSIDLETS——》索引类型(按照名称),基站名称(XXX)MML—-》命令输入:SET BTSIDLETS-—》索引类型(按照名称),基站名称(XXX),柜组号(XXX),空闲时隙数(XXX)16.跳频查询小区跳频类型:指令LST GCELLHOPTP开跳频:MML——》命令输入:SET GCELLHOPQUICKSETUP——》索引类型(按照名称),小区名称(XXX),跳频模式BaseBand_FH(基带跳频),主B载频的跳频类型NO_Hop(不跳频):关跳频:MML-—》命令输入:SET GCELLHOPQUICKSETUP——》索引类型(按照名称),小区名称(XXX),跳频模式:NO_FH(不跳频)17.功控查询小区是否开了功控:指令LST GCELLBASICPARA开功控:MML——》命令输入:SET GCELLBASICPARA——》辅助:索引类型(按照名称),小区名称(XXX),上行功率控制允许YES(是),下行功率控制允许YES(是):关功控:MML—-》命令输入:SET GCELLBASICPARA—-》辅助:索引类型(按照名称),小区名称(XXX),上行功率控制允许NO(否),下行功率控制允许NO(否):18.层、层间切换门限小区所在层:命令LST GCELLBASICPARA层间切换门限:命令LST GCELLHOBASIC19.空闲参数MS最小接收信号等级(ACCMIN)MML-—》命令输入:LST GCELLBASICPARA——》辅助:索引类型(按照名称),小区名称(XXX)小区重选惩罚时间(PT)MML——》命令输入:LST GCELLIDLEAD——》辅助:索引类型(按照名称),小区名称(XXX)小区重选偏移(CRO)MML——》命令输入:LST GCELLIDLEBASIC--》辅助:索引类型(按照名称),小区名称(XXX)小区重选滞后参数(CRH)MML--》命令输入:LST GCELLIDLEBASIC—-》辅助:索引类型(按照名称),小区名称(XXX)20.邻区注意:华为增加删除邻区关系,均不用增加删除测量频点,测量频点会自动添加删除.华为的邻区关系均为单向,故同BSC内增加删除邻区关系,都要双向增删。
Android操作系统WCDMA手机3G上网设置教程(三)android一词的本义指“机器人”,同时也是Google于2007年11月5日宣布的基于Linux平台的开源手机操作系统的名称,该平台由操作系统、中间件、用户界面和应用软件组成,号称是首个为移动终端打造的真正开放和完整的移动软件。
2008年9月22日,美国运营商T-Mobile USA在纽约正式发布第一款Google手机—T-Mobile G1。
该款手机为台湾宏达电(HTC)代工制造,是世界上第一部使用Android操作系统的手机,支持WCDMA/HSPA网络,理论下载速率7.2Mbps,并支持Wi-Fi。
Android操作系统是开源的操作系统,致使更多的开发人员将精力投入到这上面,他的适用范围更广,软件更新速度更快,目前中移动、联通都已加入到了谷歌联盟,并且基于Android操作系统的上网本已经在开发不久将会面市,Android操作系统的出现可以说是手机智能操作系统的一次革命,相信不久的将来更多基于Android操作系统的手机将会陆续呈现到您的面前。
他带给您的将是全新的网络体验。
Android操作系统手机区别于其他操作系统手机的最大特点是,该系统手机需绑定指定账户(Gmail邮箱)才能使用网络功能。
和IPHONE一样Android系统手机也有自己的网上商店(Market),并且网上商店的软件非常丰富而且进行了分类,而且绝大多数都是免费的,你完全可以通过手机上网上商店下载应用软件直接安装,省去了通过电脑下载同步安装的麻烦。
Android操作系统手机的另一优势在于可以进行多任务处理,其实WM操作系统手机也可以进行多任务处理,但Android操作系统得多任务处理非常出色,同时打开多个应用程序速度非常快,没有一点拖泥带水的感觉。
用G2手机通过3G网络上网和电脑上网的感觉很像,即使是WEB网站也非常之快。
本设置指南所有截图均来至HTC G2(MAGIC)账户绑定方法:1.在申请一个邮箱账号(免费)。
1.先确定该基站挂在BSC哪个机框哪个槽位哪个端口,比如挂在BSC100下面2框18槽位
39和40端口,该2个端口表示该基站存在2条传输.
2.在该板子下增加基站
3.修改基站信息(基站索引自动设置,基站名称建议参照现网统一规划)
4.新增加一个端口
5.增加小区
6.对小区属性进行修改
7.增加载频
8.激活基站
8.导出MML
9.最后把MML在相应BSC中导入,或者直接在CME中进行尽力而为的操作.
10.和基站现场人员确认传输是否OK.如果基站侧环BSC,BSC侧看到端口正常,就表示BSC到BTS之间传输OK;如果BTS侧自环,对应LIU灯灭掉就表示基站侧传输正常.传输正常后激活基站.
11.等到基站起来后进行基站加载软件,先加载GTMU软件
12.随后加载MRFU软件
13.加载完毕后需要激活基站软件,首先激活MRFU
14.随后激活GTMU
15.绑定基站空闲时隙,一般一块载频占用10TS,一条传输能够提供120TS
16.测试VSWR,一般VSWR大于3.0会导致基站退服,小于3.0在OMCR上会存在告警,其告警分次要驻波告警和重要驻波告警,对应门限分别为2.0和3.0
注意:在测试VSWR中会让你选择测试A还是B口.
因为:
BTS3900 A口收发都有,B口只负责收.因此测试VSWR中只会显示A口的VSWR DBS3900 A口收发都有,B口收发都有.因此测试VSWR中会显示A/B口的VSWR 至于其他的选择比如说测试频点甚么的一般不要去选择.
17.测试基站互调干扰:
对互调测试完毕后一定要关闭空闲时隙的测试
18.添加邻区,观察KPI。
2G邻区添加BSC内邻区源小区目标小区MML1(正向)MML1(反向)19928ADD G2GNCELL: IDTY ADD G2GNCELL: IDTYPE=BYID, SRC2GNCELLID=28, NBR2GNCELLID=199, NCELLT外部邻区(跨BSC)1、查询外部小区索引,可以根据名字模糊查询,得到外部小区索引LST GEXT2GCELL2、添加邻区源小区目标小区MML1(正向)1992233ADD G2GNCELL: IDTYPE=BYID, SRC2GNCELLID=199, NBR2GNCELLID=2233, NCELLTYPE=HANDOVERNCELL, SRC 修改切换门限1、查询邻区LST G2GNCELL2\按照输入界面填上主小区和邻小区索引,并修改相关选项MOD G2GNCELL3G邻区添加3G邻区都是虚拟邻区,所有小区都是8个邻区1、查询虚拟邻区LST GEXT3GCELL2、添加3G邻区,需要加哪个频点就加哪个源小区索引TD邻区索引MML575051ADD G3GNCELL:IDTYPE=BYID,SRC3GNCELLID=57,NBR3GNCELLID=5051;4G邻区添加4G邻区也是虚拟邻区,现在全网有4个1、查询虚拟邻区LST GEXTLTECELL2、添加LTE邻区,根据虚拟邻区频点,需要加那个频点就加对应的小区索引源小区索引LTE邻区索MML110000ADD GLTENCELL:IDTYPE=BYID,SRCLTENCELLID=1,NBRLTENCELLID=10000,SPTRESEL=SUPPO 功率修改1、查询现在功率小区索引MML22LST GTRXDEV:IDTYPE=BYID,CELLID=22,TRXIDTYPE=BYID;2、查询RRU数量,根据查询板件数确定RRU型号和数目小区索引MML22LST TRXBIND2PHYBRD:IDTYPE=BYID,CELLID=22;3、根据华为功率设置规范查询是否可以提升功率,但一定要保证每块载波功率一致4、修改功率载频索引功率修改值MML2213SET GTRXDEV:IDTYPE=BYID,TRXID=22,POWT=13W,POWTUNIT=W;话务忙门限调整(半速率),越小半速率话务越高1、查询现网设置小区索引MML22LST GCELLCHMGAD:IDTYPE=BYID,CELLID=22;2、修改门限小区索引话务忙门限AMR话务忙门限MML225049SET GCELLCHMGAD:IDTYPE=BYID,CELLID=22,TCHBUSYTHRES=50,AMRTCHHPR 3、查询载波是否支持半速率小区索引MML22LST GTRXDEV:IDTYPE=BYID,CELLID=22,TRXIDTYPE=BYID;4、有载波不支持半速率,可以开启载频索引MML22SET GTRXDEV:IDTYPE=BYID,TRXID=22,TCHAJFLAG=YES,POWTUNIT=W;CRO调整(小区偏置,基准值是55,每大1增加2DB的偏置,越大越偏向1、查询现网设置小区索引MML22LST GCELLIDLEBASIC:IDTYPE=BYID,CELLID=22;2、修改门限小区索引CRO MML2257SET GCELLIDLEBASIC:IDTYPE=BYID,CELLID=22,PI=YES,CRO=57;信道调整1、查询信道设置小区索引MML22LST GTRXCHAN:IDTYPE=BYID,CELLID=22,TRXIDTYPE=BYID;2、确定需要调整的信道所在的载频,时隙号,并修改载频索引时隙MML220SET GTRXCHAN:IDTYPE=BYID,TRXID=22,CHNO=0,CHTYPE=SDCCH8;220SET GTRXCHAN:IDTYPE=BYID,TRXID=22,CHNO=0,CHTYPE=TCHFR;220SET GTRXCHAN:IDTYPE=BYID,TRXID=22,CHNO=0,CHTYPE=PDTCH;改频点1、查询载频频点,确定需要修改的频点的载频索引小区索引MML22LST GTRX:IDTYPE=BYID,CELLID=22;2、查询跳频组号,查不到说明没开小区索引MML新频点跳频序列号MML22LST GCELLMAGRP:IDTYPE=BYID3361SET GCELLHOPQUICKSETUP:IDTYPE=BYID,C 2、修改频点(没跳频只需2,3,4步骤,有跳频需全部)2ADD GCELLFREQ:IDTYPE=BYID,CELLID=22,小区索引载频索引原频点3MOD GTRX:IDTYPE=BYID,TRXID=11,FREQ=3 2211554RMV GCELLFREQ:IDTYPE=BYID,CELLID=22,5SET GCELLHOPQUICKSETUP: IDTYPE=BYID,6MOD GCELLMAGRP:IDTYPE=BYID,CELLID=22空闲时隙1、查询空闲时隙(注意是以基站为单位的,填站点索引)基站索引MML22LST BTSIDLETS:IDTYPE=BYID,BTSID=22;2、修改空闲时隙数目基站索引空闲时隙数MML22222SET BTSIDLETS:IDTYPE=BYID,BTSID=22,CGN=0,TSCOUNT=222;CELLTYPE=HANDOVERNCELL, SRCHOCTRLSWITCH=HOALGORITHM1; TYPE=HANDOVERNCELL, SRCHOCTRLSWITCH=HOALGORITHM1;0000,SPTRESEL=SUPPORT;50,AMRTCHHPRIORALLOW=ON,AMRTCHHPRIORLOAD=49;置,越大越偏向于占用本小区)SETUP:IDTYPE=BYID,CELLID=22,FHMODE=NO_FH;YPE=BYID,CELLID=22,FREQ1=33;YID,TRXID=11,FREQ=33;YPE=BYID,CELLID=22,FREQ1=55;SETUP: IDTYPE=BYID, CELLID=22, FHMODE=BaseBand_FH, BCCHTRXHP=NO_Hop, TRXIDTYPE=BYID; TYPE=BYID,CELLID=22,HOPINDEX=0,HSN=6;。
3G时间服务器V30使用说明书V10(2月15日)3G时间服务器V3.0 使用说明书光通信产品部目录1 概述 (1)2 3G时间服务器V3.0功能概述 (2)2.1 结构介绍 (3)2.2 系统功能原理 (4)定时参考输入 (4)接收卫星的定时信息 (5)地面传送的参考信号 (6)主受控时钟 (6)备受控铷钟.............. 错误!未定义书签。
内置DDS直接数字合成器 .. 错误!未定义书签。
定时输出 (7)定时输出信号 (7)定时输出信号 (7)盘输出信号 (7)输出信号 (8)管理控制单元 (8)2.3 系统的配置 (8)系统配置表 (8)槽位分布图(前视) (10)槽位分布图(后视) (10)参考输入配置 (10)参考(卫星及地面链路)的倒换设置及优先设定逻辑 (11)受控时钟 (11)定时输出配置 (12)电源输入盘配置 (12)2.4 面板显示介绍 (13)2.5 输入输出接口介绍 (16)3 主要技术指标 (18)3.1 接口指标 (18)参考定时输入信号接口 (18)卫星信号输入接口指标 (18)地面链路信号输入接口指标 (19)定时信号输出接口指标 (19)定时信号输出接口 (19)定时信号输出接口 (20)3.2 内部时钟 (21)内部振荡器输出特性 (21)3.3 1PPS+TOD时间输出性能 (22)3.4 P TP时间输出性能 (23)4 单盘功能介绍 (25)4.1 电源盘 (25)面板框图 (25)物理接口 (25)4.2 M CP盘 (25)面板框图 (26)物理接口 (26)4.3 G BTP盘 (26)面板框图 (27)物理接口 (27)4.4 R B盘 (28)面板框图 (28)物理接口 (29)4.5 P TP4盘 (30)面板框图 (31)物理接口 (31)4.6 P GE4盘 (32)面板框图 (32)物理接口 (32)4.7 T P16盘 (33)面板框图 (33)物理接口 (34)4.8 O UT16盘 (34)面板框图 (34)物理接口 (34)1概述随着3G网络的大规模部署,特别是TD-SCDMA 的网络特点,运营商在时间同步上的需求也越来越明显,并且变得必不可少。
HUAWEI GSM mRFU V2载频上网应用操作指导书(仅供内部使用)拟制:BTS3900开发组日期:2009-12-28 审核:日期:批准:日期:华为技术有限公司Huawei Technologies Co., Ltd.版权所有侵权必究修订记录HUAWEI GSM mRFU V2载频上网应用操作指导书内部公开目录1 mRFU V2载频模块特性说明 (4)1.1 mRFU V2载频开发背景 (4)1.2 mRFU V2模块的主要规格 (4)1.2.1 瞬时带宽扩展 (4)1.2.2 支持频段增强 (5)1.2.3 功率支持能力增强 (6)1.3 mRFU V2模块重点功能介绍 (9)1.3.1 跨模块功率共享 (9)1.3.2 跨模块射频跳频 (9)2 mRFU V2模块与V1的区分与识别 (10)2.1 模块编码和名称区别 (10)2.2 硬件识别方式 (11)2.2.1 前面板区别 (11)2.2.2 侧面板区别 (14)2.2.3 尺寸大小区别 (15)2.3 软件识别方式 (16)2.3.1 如何通过维护台区别V2和V1模块 (16)3 mRFU V2载频模块与V1的混插和即插即用 (26)4 mRFU V2载频模块的数据配置变化 (27)5 mRFU V2载频模块的版本配套关系 (28)●mRFU V2载频模块特性说明⏹mRFU V2载频开发背景mRFU V2载频是基于mRFU V1模块的降成本模块,不是由于V1模块的缺陷和问题而引入的优化单板。
mRFU V2的对外接口类型以及环境适应性(包括工作温度、湿度、机械等)都与原V1模块保持一致。
V2完全继承V1的槽位和连线原则,能够在现有BTS3900 /BTS3900A / BTS3900L 机柜内正常使用。
功能上完全继承V1模块,只是在带宽和功率规格上有所增强。
⏹mRFU V2模块的主要规格◆瞬时带宽扩展相对于V1载频模块的15M下行瞬时带宽和25M上行瞬时带宽的规格,V2 载频下行瞬时带宽增加至20M,上行瞬时带宽增加至35M。
本文部分内容来自网络整理,本司不为其真实性负责,如有异议或侵权请及时联系,本司将立即删除!== 本文为word格式,下载后可方便编辑和修改! ==华为基站指导书篇一:华为TD-LTE 基站设备维护指导手册(试用版V2.0)To him that does everything in its proper time,one day is worth three.目录1、华为TD-LTE基站介绍 .................................................................. ..................................................................... (2)1.1 基站介绍 .................................................................. ..................................................................... ..................... 2 1.2 机柜配置 .................................................................. ..................................................................... ..................... 2 2、eNode B前台维护工具使用(LMT-B) ................................................................. (3)2.1 eNode B LMT简介3 2.2 基站维护方式3 2.3 eNode B MML命令介绍42.4 面向eNode B 单板操作5 2.4 管理eNode B 告警和设备7 3、常见告警处理方法83.1 IP传输告警9 3.2 小区服务能力下降告警9 3.2 GPS类告警11 4、MML查询命令(附图) .124.1 查询单板状态:DSP BRD12 4.2 查询GPS:DSP GPS13 4.3 查询 RRU:14 4.4 15 4.516 .................................................................. ............................................ 17 4.7 LBBP单板):DSP SFP ................................................................. ................................ 18 4.8 查询查询光模块收发光(RRU单板):DSPSFP ................................................................. .......................... 19 4.9 查询S1接口:DSPS1INTERFACE ......................................................... (20)1 / 211、华为TD-LTE基站介绍1.1 基站介绍? TDSCDMA-LTE基站系统由产品功能模块(BBU、RRU)和配套设备(天馈系统、机柜、电源系统、监控单元等)组成。
Wireless Marketing华为技术Huawei Technologies CO., LTD1.什么是第三代移动通信系统12.IMT-2000标准组织简要介绍13.3GPP协议版本的发展路线24.3GPP各个版本的主要特点是什么25.3GPP R99和R4版本的主要区别26.3GPP R4版本为什么使用BICC协议而不是SIP-T?37.在R4中使用的扩展的H.248与H.248有什么不同?48.3GPP R99和R4核心网电路域差异49.承载与控制分离的结构有什么好处?610.3GPP R4相对于R99的优势711.3GPP R5版本为什么要引入IMS域912.国际上3G专利的形势和进展1013.华为公司在3G专利方面的进展1114.华为公司在3GPP中的地位和作用1115.中国IMT-2000频谱分配1116.3G频段Operating Band有哪些?1217.CDMA2000标准演进1218.IS-95A/B演进到CDMA20001x有什么变化?1319.如何从CDMA2000 1X到CDMA2000 1x EV的平滑演进1320.IS-95的技术特点是什么?1421.CDMA20001X有什么技术特点?1422.CDMA2000 1x EV-DO有什么技术特点?1523.CDMA20001x EV-DO如何进行网络部署?1624.CDMA2000 1X EV-DV有什么特点?16二.原理篇1725.什么是CDMA技术1726.CDMA技术的起源1827.CDMA的软容量是指什么1828.CDMA短码和长码1829.为什么功率控制在CDMA系统中非常重要1930.为什么CDMA手机能保持低的发射功率1931.什么是CDMA软切换?它与硬切换有什么分别1932.什么是CDMA的"更软切换" 2033.CDMA系统的UIM卡介绍2034.IMSI(MIN)介绍2135.MDN号码的介绍2236.TLDN号码的介绍2337.CDMA为什么要加密和鉴权2338.什么是机卡一体,机卡分离2439.为什么EIR在国内没有开通2440.CDMA系统如何保护A_key安全性2441.天线增益、水平/垂直波束宽度、单/双极化的概念?2542.接收机底噪、接收机增益、接收灵敏度、移动台的热噪声功率2543.GOS、RSSI、Eb/No、Eb/Io的概念2644.db、dBi、dBm分别是什么单位,有何区别?2645.基站侧信号处理,比如交织、复用后同原来相比什么区别2746.I、Q信号是如何产生的,I、Q信号复用的作用2747.3G系统采用了什么语音编码技术?2748.3G系统采用了什么信道编码技术?2849.什么是HARQ技术2850.CPCH是否能够提高上行速率容量,该信道相关功能2851.WCDMA承载分组数据的传输信道有哪些2952.WCDMA系统中物理信道的功率分配方式2953.AAL2/AAL5等ATM连接的区别3154.单模光纤和多模光纤简要介绍3155.什么是无线资源管理,主要的技术有哪些?3256.WCDMA终端是如何实现与系统的同步的?3257.WCDMA系统是如何完成寻呼过程的?3358.WCDMA系统在切换时需要测量哪些参数?3359.什么是TD-SCDMA系统中的接力切换技术?3460.WCDMA无线接入网络都有哪些接口?3461.WCDMA终端有哪些工作模式?3462.为什么CDMA需要对整个网络同步3563.WCDMA的同步方式,以及与cdma2000在同步上的区别3564.相对与同步切换,异步切换会对切换掉话率有多少影响3665.3G中都采用了哪些分集技术?3666.基站发射分集的实现方式以及带来的增益、投资成本3767.什么是高速下行分组接入技术(HSDPA)?3968.智能天线波束宽度是多大? 多径条件下如何跟踪用户?3969.GGSN和SGSN是否和GPRS中的设备相同?4070.3G电路域和分组域网络鉴权和认证基本要求4071.2G系统和3G系统中对用户的鉴权有哪些区别?4072.相对2G系统,3G在信息安全措施上有哪些改进?4073.七号信令传输如何变为MPLS,也就是如何用IP承载?4174.R4如何和PSTN网络互通?4175.路由器支持哪些安全协议,启用后对路由器的性能影响?4176.移动网络中信令寻址方式有哪些?各有什么优缺点?4277.什么是APN?4278.什么是SIGTRAN?4379.什么是TFO、TrFO,各有什么优点?4380.R4的承载方式有哪些及其各自优缺点?4381.3G用户是如何访问外部数据网的?4482.MIP技术简单介绍,及技术实现方案44三.产品篇4583.华为公司系列NodeB产品的规格4584.华为NodeB容量的计算方法,CE配置和共享方式4585.华为NodeB基带单板的配置方法4686.基站靠墙安装、散热和工作环境的考虑4787.华为NodeB的内部结构和单板介绍4788.WCDMA对功放的线性要求,功放规格4989.华为NodeB采用的同步方式,失去同步源后可以保持的时间4990.RNC的容量、处理能力和最大端口配置数量4991.华为RNC容量(用户数)的估算方法,基于的话务模型5092.RNC容量指标定义,话音与数据业务量资源共享法则5093.频间硬切换实现的机制,以及对RNC性能的影响5194.华为MSC产品容量,处理能力和端口数量5195.华为MGW产品介绍,与其它厂家RNC的连接方案5296.RNC IuCS和IuPS能否通过同一物理链路到MSC再到SGSN 5297.华为SGSN产品规格,受影响的因素5398.华为GGSN产品规格,主要特点5399.华为分组域设备IP地址如何规划53100.关于虚拟HLR的概念,华为是否支持54 101.CG灵活计费的方式有哪些?(时长、流量……)54 102.3G计费的问题变得很复杂,华为公司的计费是怎样实现的54 103.3G业务的计费有何特点?55 104.Ga接口和GTP’协议是什么?56105.3G计费与2G计费的差异何在?56 106.TMSC/GMSC是否有计费功能,长途呼叫采用什么方式接入57 107.关于计费信息中QoS映像方式57 108.电路域业务和分组域业务中的一些计费原则57 109.3G条件下,计费信息在安全性上有些什么要求57 110.全国和省级3G网管中心的设置原则及其连接方式57 111.3G网元管理在网管体系中的作用?58 112.什么是IRP? 58 113.3G网络管理的内容和特点?与2G和固网网管相比有何不同?59 114.华为WCDMA操作维护网元之间的时间如何同步60 115.3G终端有哪些关键技术?60 116.移动终端的操作系统都有哪些种类?61 117.什么是移动终端应用开发平台?62 118.如何比较JAVA和BREW的安全性?63 119.3G终端产品上有哪些主流的第三方浏览器产品?63 120.什么是终端的OTA参数预配置(OTA-Provisioning)如何实现?63 121.华为公司3G手机研发情况报告64 122.华为公司WCDMA芯片研发进展情况?64三.业务篇65123.什么是3G业务网络?它主要包含哪些网元?65 124.3G是业务驱动的,华为公司的OSA构架如何提供业务?65 125.介绍一下3G业务平台的建设方案?66 126.WCDMA业务平台(或者说业务网关)具有哪些功能66 127.介绍一下3G业务平台的界面规范?67 128.业务管理平台对用户门户有哪些功能要求?67 129.会议电视和可视电话的区别?可视电话的工作过程?68 130.MultiCALL与多方通话关系如何?68 131.综合预付费业务的主要功能和实现方式?69 132.预付费漫游怎样实现机制如何?69 133.移动智能网和固网智能网的主要区别?69 134.主要的3G智能网协议有那些?70 135.3G智能网相比2G智能网而言,新增了什么业务能力?70 136.CAMEL在R4和R5阶段有何区别?71 137.移动定位业务(LCS业务)采用哪三种移动定位技术?72 138.初期定位业务主要有哪些?这些业务对定位精度有什么要求?72 139.通过Cell-ID方式的定位过程中HLR如何找到了MS 73 140.针对3G的商用定位业务是否与2G有不同?74 141.运营商开展定位业务的盈利模式是什么?74 142.提供详细的Video Streaming解决方案74 143.移动流媒体业务有哪些类型的应用?75 144.影响移动流媒体应用的因素有哪些?75 145.移动流媒体业务有哪几种传输方式?76 146.移动流媒体业务使用哪些特有的应用和控制协议?76 147.电路域视频业务的业务流程。