药物警戒组织机构
- 格式:pdf
- 大小:80.58 KB
- 文档页数:2
公司
文件编码 SMP-00-000-00
1/2 文件名称 颁发部门 颁发日期 生效日期 分发部门
药物警戒组织结构
制定人 页数 日期 日期 日期
年 月 日 年 月 日 年 月 日
年 月 日 年 月 日
审核人 批准人
药物警戒部、物控部、质量部、生产部、销售部等
一、目的:规范公司药物警戒组织机构设置。
二、责任:人力资源部、药物警戒部。
三、范围:适用于本公司药物警戒部组织机构设置。
四、内容: 1、设置原则
根据 GMP 要求,建立与企业药品生产相适应的药物警戒管理机构,规范企业管 理,确保药物警戒工作的正常实施。
1.1 公司实行总经理领导下的部门负责人负责制。
1.2 人力资源部负责组织机构的设置,由总经理审批。
1.3 部门设岗由部门负责人依据生产、质量、经营、管理为标准拿出方案,因 岗设人,报人力资源部后由总经理审批。
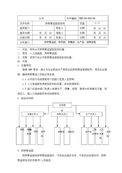
2、组织结构图
总经理
质量负责人 销售负责人 生产负责人
药物 质部量
工程 人力
研发 医学 销售部 招商部 生产部
财务 部
管理
设备部 资源
部
部
3、药物警戒部
药物警戒部由药物警戒部部长、不良反应报告专员、不良反应处理专员、药物
警戒研究评价员等 PV 人员组成。
药物警戒组织结构
文件名称
文件编码SMP-00-000-00 页数2/2 五、文件变更理由
版本号修订日期修订原因主要修订内容。
药物警戒管理制度范本第一章总则第一条为了加强药物警戒管理,保障公众用药安全,根据《中华人民共和国药品管理法》、《中华人民共和国疫苗管理法》、《药品不良反应报告和监测管理办法》等有关法律法规,制定本制度。
第二条本制度适用于药品上市许可持有人、药品生产企业、药品经营企业、医疗机构等相关单位开展药物警戒活动的管理和监督。
第三条药物警戒是指对药品使用过程中出现的不良反应和其他与用药有关的有害反应进行监测、识别、评估和控制的活动。
第四条国家药品监督管理局负责全国药物警戒工作的统筹规划和监督管理,地方药品监督管理部门负责本行政区域内药物警戒工作的监督管理。
第二章组织管理第五条药品上市许可持有人、药品生产企业、药品经营企业和医疗机构应当设立药物警戒机构,明确药物警戒管理职责,配备专业人员,保障药物警戒工作得以有效实施。
第六条药物警戒机构应当建立健全药物警戒管理制度,制定药物警戒工作规程和操作流程,确保药物警戒活动规范进行。
第七条药品上市许可持有人、药品生产企业、药品经营企业和医疗机构应当加强对药物警戒工作人员的培训和指导,提高药物警戒工作水平。
第三章不良反应监测第八条药品上市许可持有人、药品生产企业、药品经营企业和医疗机构应当建立健全药品不良反应监测制度,及时发现和报告药品不良反应。
第九条药品上市许可持有人、药品生产企业、药品经营企业和医疗机构应当设立药品不良反应监测机构,负责药品不良反应的收集、整理、分析和报告工作。
第十条药品上市许可持有人、药品生产企业、药品经营企业和医疗机构应当根据药品不良反应监测结果,及时修订药品说明书,合理调整药品使用范围和剂量。
第四章不良反应评估与控制第十一条药品上市许可持有人、药品生产企业、药品经营企业和医疗机构应当建立健全药品不良反应评估与控制制度,对发生的药品不良反应进行评估和控制。
第十二条药品上市许可持有人、药品生产企业、药品经营企业和医疗机构应当对药品不良反应进行调查,分析药品不良反应的原因、特点和规律,采取有效措施,防止药品不良反应的再次发生。
药物警戒管理制度模板一、目的为确保药品安全,提高药品质量,保护患者权益,依据《药品管理法》、《药品不良反应报告和监测管理办法》等相关法律法规,制定本制度。
二、适用范围本制度适用于本企业在药品研发、生产、经营、使用等过程中的药物警戒管理工作。
三、组织架构1. 设立药品安全委员会,负责建立健全药物警戒管理制度,完善药物警戒管理体系,指导药物警戒工作的开展。
2. 药品安全委员会下设药物警戒部门,负责具体实施药物警戒管理工作。
四、药物警戒职责1. 药物警戒部门职责:(1)负责药品不良反应信息的收集、整理、分析及上报;(2)负责药品风险评估和风险控制策略的制定;(3)负责药品安全性更新信息的收集和评估;(4)负责药物警戒相关文件的制定和培训;(5)负责药物警戒系统的建立和维护。
2. 研发部门职责:(1)负责药品研发过程中不良反应的监测和上报;(2)负责药品研发过程中安全性评价的资料整理和归档。
3. 生产部门职责:(1)负责药品生产过程中的质量控制和不良反应的监测;(2)负责药品生产过程中安全性更新信息的收集和评估。
4. 销售部门职责:(1)负责药品销售过程中的不良反应信息收集和上报;(2)负责药品销售过程中安全性更新信息的收集和评估。
5. 医疗机构职责:(1)负责药品使用过程中的不良反应信息收集和上报;(2)负责药品使用过程中安全性更新信息的收集和评估。
五、药物警戒流程1. 药品不良反应报告:(1)发现药品不良反应的部门或个人应立即填写《药品不良反应报告表》并上报药物警戒部门;(2)药物警戒部门对收集到的药品不良反应信息进行整理、分析,并及时上报药品安全委员会。
2. 药品风险评估:(1)药物警戒部门负责组织对药品风险进行评估;(2)药品风险评估依据药品不良反应报告、药品安全性更新信息等因素进行;(3)药品风险评估结果应及时报告药品安全委员会。
3. 风险控制策略制定:(1)药品安全委员会根据药品风险评估结果,制定相应的风险控制策略;(2)风险控制策略包括但不限于药品召回、警示信息发布、培训等。
药物警戒部工作职责药物警戒部是医疗机构中一个非常重要的部门,它负责监测药物使用的安全性和有效性,以及及时探测和报告任何可能对患者造成危害的药物相关事件。
药物警戒部的工作对医疗机构的安全和公共卫生至关重要,下面就是关于药物警戒部的工作职责的详细介绍。
一、监测药物使用安全性和有效性作为医疗机构中的专业部门,药物警戒部负责监测药物的使用安全性和有效性。
药物警戒部需要收集和分析各种来源的数据,包括但不限于临床试验数据、患者报告、医生建议和药品生产商提供的数据等。
通过对这些数据的分析,药物警戒部能够及时发现在药物使用中出现的安全问题和有效性问题,并向医疗机构的其他部门提供建议和决策支持。
二、探测和报告药物相关事件药物警戒部需要及时探测和报告任何可能对患者造成危害的药物相关事件,包括但不限于药物不良反应、药物错误使用、药物过量等。
药物警戒部通过定期与医疗机构的其他部门进行沟通和合作,确保对药物相关事件的探测和报告是及时、准确的。
药物警戒部还需要向相关监管机构和药品生产商报告药物相关事件,以便及时采取措施保障患者的安全。
三、提供药物使用指导与培训药物警戒部需要为医疗机构的医生、护士和其他医护人员提供关于药物使用的指导与培训。
这些指导和培训内容包括但不限于药物的正确使用方法、不良反应的识别与处理、药物与其他药物的相互作用等。
通过这些指导与培训,药物警戒部能够提高医护人员对药物使用安全性和有效性的认识,从而减少药物相关事件的发生。
四、参与药品选择与采购工作药物警戒部需要参与医疗机构的药品选择与采购工作。
药物警戒部通过对药物的安全性和有效性进行评估,向医疗机构的采购部门提供建议和意见,帮助医疗机构选择和采购符合安全有效标准的药物。
药物警戒部还需要密切关注药品市场上新药的情况,及时了解和评估新药对患者的影响,并向医疗机构的管理层提供决策支持。
五、开展药物安全宣传教育工作药物警戒部需要开展药物安全宣传教育工作,向医疗机构的患者和家属、医护人员等群体普及药物安全知识,提高他们对药物使用的安全意识。
一、总则为加强医院药物警戒工作,保障患者用药安全,提高医疗质量,根据《中华人民共和国药品管理法》、《医疗机构药事管理规定》等相关法律法规,结合我院实际情况,特制定本制度。
二、组织机构与职责1. 医院成立药物警戒工作领导小组,负责制定、实施、监督和评价药物警戒管理制度,协调解决药物警戒工作中的重大问题。
2. 药物警戒工作领导小组下设药物警戒办公室,负责具体组织实施药物警戒工作,包括药品不良反应监测、风险管理、信息报送等。
三、药物警戒工作内容1. 药品不良反应监测(1)建立药品不良反应监测系统,定期收集、整理、分析药品不良反应信息。
(2)对收集到的药品不良反应信息进行分类、评估,及时上报至国家药品不良反应监测中心。
(3)对严重药品不良反应病例进行调查、核实,并采取相应措施。
2. 药品风险管理(1)对高风险药品进行重点监控,制定风险管理计划。
(2)定期对药品不良反应监测结果进行分析,评估药品风险,及时调整用药方案。
(3)开展药物警戒培训,提高医护人员对药品不良反应的认识和警惕性。
3. 信息报送(1)按照国家药品不良反应监测中心的要求,及时、准确、完整地报送药品不良反应信息。
(2)对药品不良反应信息进行保密,确保患者隐私。
四、药物警戒工作要求1. 医院全体医护人员应高度重视药物警戒工作,认真履行职责,确保患者用药安全。
2. 药剂科负责药品不良反应监测系统的建立、维护和运行,定期对监测数据进行统计分析。
3. 临床科室应积极配合药物警戒工作,及时报告药品不良反应,并采取措施防范风险。
4. 药物警戒办公室应定期对药物警戒工作进行总结、评价,不断改进工作方法,提高工作效率。
五、奖惩措施1. 对在药物警戒工作中表现突出的个人和集体给予表彰和奖励。
2. 对未履行药物警戒职责、造成严重后果的个人和集体,依法依规追究责任。
六、附则本制度自发布之日起施行,原有相关规定与本制度不一致的,以本制度为准。
医院药物警戒工作领导小组可根据实际情况对本制度进行修订。
医院药物警戒工作制度内容一、总则1.1 为了加强医院药物警戒工作,保障患者用药安全,根据《医疗机构药物管理暂行办法》、《医疗机构药物警戒工作指南》等有关规定,制定本制度。
1.2 本制度适用于我院药物警戒工作的组织、实施、监督和管理。
1.3 药物警戒工作应贯穿于药物使用的全周期,包括药物选择、采购、储存、配送、处方、给药、监测、评价等环节。
二、组织机构与职责2.1 成立药物警戒工作领导小组,组长由院长担任,副组长由药剂科主任担任,成员包括医务科、护理部、临床科室等相关人员。
2.2 药物警戒工作领导小组负责医院药物警戒工作的领导、组织、协调和监督。
2.3 药剂科负责药物警戒工作的具体实施,包括药物信息收集、评估、预警、培训、统计等工作。
2.4 临床科室负责本科室药物警戒工作的实施,及时报告药物不良反应和药品事件。
2.5 医务科、护理部等相关部门应在各自职责范围内,协助做好药物警戒工作。
三、药物警戒工作内容3.1 药物选择与评价3.1.1 临床科室在选择药物时,应根据患者病情、药物疗效、安全性、费用等因素进行综合评价,合理选用药物。
3.1.2 药剂科应定期对药品使用情况进行评价,对药品不良反应进行监测,对不合理用药情况进行分析,并提出改进措施。
3.2 药物采购与储存3.2.1 药剂科应根据药物需求、药品质量、价格等因素,合理采购药物。
3.2.2 药剂科应建立健全药物储存管理制度,确保药物质量安全。
3.3 药物配送与处方3.3.1 药剂科应建立健全药物配送制度,确保药物及时、准确、安全地送达临床科室。
3.3.2 临床科室应根据药物特点和患者需求,合理开具处方,避免不必要的药物使用。
3.4 药物监测与评估3.4.1 临床科室应密切观察患者用药情况,发现药物不良反应及时报告药剂科。
3.4.2 药剂科应定期对药物不良反应进行统计、分析,评估药物安全性。
3.5 药物警戒培训与宣传3.5.1 药物警戒工作领导小组应定期组织药物警戒培训,提高医务人员药物警戒意识。
国家药品监督管理局关于发布《药物警戒质量管理规范》的公告文章属性•【制定机关】国家药品监督管理局•【公布日期】2021.05.07•【文号】国家药品监督管理局公告2021年第65号•【施行日期】2021.12.01•【效力等级】部门规范性文件•【时效性】现行有效•【主题分类】药政管理正文国家药品监督管理局公告2021年第65号国家药监局关于发布《药物警戒质量管理规范》的公告根据《中华人民共和国药品管理法》《中华人民共和国疫苗管理法》,为规范和指导药品上市许可持有人和药品注册申请人的药物警戒活动,国家药监局组织制定了《药物警戒质量管理规范》,现予以公布,并就实施《药物警戒质量管理规范》有关事宜公告如下:一、《药物警戒质量管理规范》自2021年12月1日起正式施行。
二、药品上市许可持有人和药品注册申请人应当积极做好执行《药物警戒质量管理规范》的准备工作,按要求建立并持续完善药物警戒体系,规范开展药物警戒活动。
三、药品上市许可持有人应当自本公告发布之日起60日内,在国家药品不良反应监测系统中完成信息注册。
四、各省级药品监督管理部门应当督促本行政区域内的药品上市许可持有人积极做好相关准备工作,配合做好有关宣贯和解读,通过加强日常检查等工作监督和指导药品上市许可持有人按要求执行《药物警戒质量管理规范》,及时收集和反馈相关问题和意见。
五、国家药品不良反应监测中心统一组织和协调《药物警戒质量管理规范》的宣贯培训和技术指导工作,在官方网站开辟《药物警戒质量管理规范》专栏,及时解答相关问题和意见。
特此公告。
附件:药物警戒质量管理规范国家药监局2021年5月7日附件药物警戒质量管理规范第一章总则第一条为规范药品全生命周期药物警戒活动,根据《中华人民共和国药品管理法》《中华人民共和国疫苗管理法》等有关规定,制定本规范。
第二条本规范适用于药品上市许可持有人(以下简称“持有人”)和获准开展药物临床试验的药品注册申请人(以下简称“申办者”)开展的药物警戒活动。
第一章总则第一条为加强医院药物警戒工作,保障患者用药安全,提高医疗质量,根据《中华人民共和国药品管理法》、《药品不良反应监测和评价管理办法》等相关法律法规,结合我院实际情况,制定本制度。
第二条本制度适用于我院所有药品使用环节,包括药品采购、储存、调配、使用、监测和报告等。
第三条我院药物警戒工作实行统一领导、分级负责、全员参与的原则。
第二章组织机构与职责第四条成立医院药物警戒工作领导小组,负责组织、协调、监督药物警戒工作的开展。
第五条药物警戒工作领导小组职责:(一)制定药物警戒工作计划,组织实施药物警戒活动;(二)组织药物警戒相关培训,提高医务人员药物警戒意识;(三)建立健全药物警戒制度,完善药物警戒流程;(四)对药物警戒工作进行监督、检查和评估;(五)协调处理药物警戒工作中的重大问题。
第六条设立药物警戒办公室,负责药物警戒工作的日常管理。
第七条药物警戒办公室职责:(一)负责药物警戒信息的收集、整理、分析、报告和反馈;(二)组织药品不良反应监测和评价工作;(三)负责药物警戒培训、宣传和沟通;(四)建立健全药物警戒档案;(五)协助药物警戒工作领导小组开展工作。
第八条各科室设立药物警戒联络员,负责本科室药物警戒工作的具体实施。
第九条药物警戒联络员职责:(一)负责本科室药品不良反应的监测、报告和调查;(二)组织科室药物警戒培训;(三)协助药物警戒办公室开展工作。
第三章药物警戒工作内容第十条药物警戒工作内容包括:(一)药品不良反应监测:收集、报告、评价药品不良反应信息;(二)药品安全性信息收集:收集药品说明书、标签、广告等安全性信息;(三)药物警戒信息分析:对收集到的药物警戒信息进行分析、评估和反馈;(四)药物警戒培训:组织、实施药物警戒相关培训;(五)药物警戒宣传:宣传药物警戒知识,提高医务人员药物警戒意识。
第十一条药品不良反应报告与处理:(一)医务人员在诊疗过程中发现药品不良反应,应立即向患者说明,并填写《药品不良反应/事件报告表》;(二)药物警戒办公室对报告的药品不良反应进行初步审核,必要时进行调查;(三)对严重、罕见或新的药品不良反应,应立即上报国家药品不良反应监测中心;(四)对药物不良反应报告进行统计分析,定期向医院药物警戒工作领导小组报告。
药物警戒制度模板一、引言药物警戒制度是为了规范药物警戒工作,确保药品风险效益平衡,保障公众用药安全有效而制定的。
本制度模板根据《中华人民共和国药品管理法》、《中华人民共和国药品管理法实施条例》等相关法律法规制定,适用于我国药品研发、生产、经营和使用等各个环节。
二、药物警戒组织机构与人员1. 药品上市许可持有人(MAH)应当设立药物警戒部门,负责药物警戒工作。
2. 药物警戒部门应当具备足够的专业人员,负责药品不良反应及其他与用药有关的有害反应的监测、识别、评估和控制。
3. 药品上市许可持有人应当确保药物警戒部门人员的专业素质和业务能力,定期进行培训和考核。
三、药物警戒制度与规程文件1. 药品上市许可持有人应当制定药物警戒制度,明确药物警戒工作的目标、任务、职责、工作流程等。
2. 药品上市许可持有人应当制定药物警戒规程文件,包括药品不良反应监测、评估、报告、处理等各个环节的具体操作规程。
3. 药品上市许可持有人应当定期对药物警戒制度与规程文件进行修订和完善,以适应药品监管要求的变化和企业发展需要。
四、药物警戒体系建设1. 药品上市许可持有人应当建立健全药物警戒体系,涵盖药品全生命周期,包括研发、生产、经营、使用等各个环节。
2. 药品上市许可持有人应当配备先进的药物警戒设备和设施,确保药物警戒工作的顺利进行。
3. 药品上市许可持有人应当建立药物警戒信息化管理系统,提高药物警戒工作的效率和质量。
五、个例安全性报告(ICSR)递交1. 药品上市许可持有人应当对药品不良反应及其他与用药有关的有害反应进行监测,并及时收集、整理、分析相关信息。
2. 药品上市许可持有人应当根据国内外医药企业在ICSR递交中面临的挑战,建立完善的个例安全性报告递交质量保证体系。
3. 药品上市许可持有人应当确保个例安全性报告递交的真实性、准确性和完整性,及时向监管部门报告药品安全风险。
六、药物警戒能力提升1. 药品上市许可持有人应当加强药物警戒能力建设,提高药品安全风险识别、评估和控制的能力。
一、目的为加强药物警戒工作,保障患者用药安全,提高医疗机构应对药物不良反应的能力,特制定本预案。
二、适用范围本预案适用于医疗机构内药物警戒工作的应急处理。
三、指导原则1. 预防为主:加强药物警戒知识宣传,提高医务人员对药物不良反应的认识,预防不良反应的发生。
2. 及时报告:发现药物不良反应,应及时向药品不良反应监测中心报告。
3. 快速反应:对发生药物不良反应的患者,应立即采取有效措施进行救治。
4. 协同处置:各部门协同合作,共同应对药物不良反应事件。
四、组织机构1. 成立药物警戒应急小组,负责药物警戒工作的组织实施。
2. 设立药物警戒联络员,负责收集、整理、上报药物不良反应信息。
五、应急措施1. 发现药物不良反应(1)医务人员在诊疗过程中,发现患者出现药物不良反应,应立即向药物警戒应急小组报告。
(2)药物警戒应急小组接到报告后,立即进行调查核实,了解患者的基本信息、用药史、不良反应症状等。
2. 报告药品不良反应(1)药物警戒联络员按照药品不良反应监测中心的要求,及时、准确、完整地填写《药品不良反应/事件报告表》,并上报。
(2)对严重、罕见或新的不良反应,应立即报告药品不良反应监测中心。
3. 救治措施(1)对发生药物不良反应的患者,应立即采取以下措施:- 停止使用引起不良反应的药物;- 给予对症治疗;- 密切观察患者的病情变化;- 必要时转诊至上级医院。
(2)对疑似药物不良反应的患者,应进行以下调查:- 药物使用史;- 病情发展过程;- 既往病史;- 家庭史。
4. 信息处理(1)药物警戒应急小组对收集到的药物不良反应信息进行分析、评估,并提出预防措施。
(2)对疑似药物不良反应的病例,应及时向药品不良反应监测中心报告。
六、应急演练1. 定期组织药物警戒应急演练,提高医务人员的应急处置能力。
2. 演练内容包括:发现药物不良反应、报告、救治、信息处理等。
七、附则1. 本预案自发布之日起实施。
2. 本预案由药物警戒应急小组负责解释。
医疗机构中药药物警戒体系建设指南在医疗领域,中药的运用如同一把双刃剑,既能治愈疾病,也可能带来风险。
因此,构建一个科学、严密的中药药物警戒体系显得尤为重要。
这一体系就如同一座坚固的城堡,守护着患者的安全与健康。
首先,我们要明确这座“城堡”的核心——药物警戒。
药物警戒不仅仅是对药物不良反应的监测和报告,更是对整个药物使用过程的全面监控和管理。
它涉及到药物的研发、生产、流通、使用等各个环节,旨在最大限度地减少药物使用的风险。
在这座“城堡”中,医疗机构扮演着重要的角色。
作为药物使用的前沿阵地,医疗机构需要建立一套完善的中药药物警戒体系,确保患者在使用中药时的安全与有效。
那么,如何建设这座“城堡”呢?我们需要从以下几个方面着手:一、建立健全的药物警戒组织机构。
医疗机构应设立专门的药物警戒部门或指定专人负责,形成一套完整的药物警戒工作制度和流程。
这就如同为城堡筑起高墙,确保其稳固与安全。
二、加强中药不良反应的监测与报告。
医疗机构应建立中药不良反应的主动监测机制,及时发现并处理不良反应事件。
同时,要加强对医务人员的培训和宣传,提高他们对中药不良反应的认识和报告意识。
这就如同在城堡中设置瞭望塔,随时观察敌情,做好应对准备。
三、完善中药的临床应用管理。
医疗机构应加强对中药处方的审核和管理,确保中药的合理使用。
同时,要加强对患者的用药指导和随访,提高患者的用药依从性和安全性。
这就如同在城堡内部进行严格的管理和训练,确保每个士兵都能忠诚地执行任务。
四、加强与相关部门的合作与交流。
医疗机构应积极与药品监管部门、中医药管理部门等相关部门合作,共同推进中药药物警戒体系的建设和完善。
这就如同与其他城堡结盟,共同抵御外敌的入侵。
五、注重科研与创新。
医疗机构应积极开展中药药物警戒相关的科研工作,探索新的监测方法和管理模式,不断提高中药药物警戒的科学性和有效性。
这就如同不断升级城堡的防御设施和技术,使其更加坚不可摧。
总之,建设医疗机构中药药物警戒体系是一项长期而艰巨的任务。
一、目的为加强本部门对药品不良反应及其他与用药有关的有害反应的监测、识别、评估和控制工作,保障公众用药安全,依据《中华人民共和国药品管理法》、《中华人民共和国疫苗管理法》、《药品不良反应报告和监测管理办法》、《药物警戒质量管理规范》等法律法规,特制定本制度。
二、适用范围本制度适用于本部门全体员工及参与药物警戒活动的相关人员。
三、组织机构与职责1. 药物安全委员会药物安全委员会为本部门最高决策机构,负责制定药物警戒工作的总体方针、政策和制度,对药物警戒工作进行全面监督和指导。
2. 药物警戒部门药物警戒部门为本部门执行机构,负责组织实施药物警戒工作,具体职责如下:(1)建立和完善药物警戒管理制度,确保药物警戒工作的规范化、标准化。
(2)组织开展药品不良反应及其他与用药有关的有害反应的监测、识别、评估和控制工作。
(3)收集、整理、分析药品不良反应及其他与用药有关的有害反应信息,为药品监管部门提供决策依据。
(4)及时、准确、完整地报告所发现的药品不良反应及其他与用药有关的有害反应。
(5)配合药品监管部门开展调查、处理和评估工作。
(6)开展药物警戒相关培训和宣传教育。
3. 药物警戒相关部门(1)质管科:负责药品质量监督和检验,确保药品质量符合国家规定。
(2)临床科室:负责临床用药的监督和管理,及时发现并报告药品不良反应。
(3)药剂科:负责药品采购、储存、分发和使用,确保药品安全。
四、工作流程1. 药品不良反应及其他与用药有关的有害反应的监测(1)建立药品不良反应监测系统,对上市药品进行持续监测。
(2)通过临床科室、质管科、药剂科等部门收集药品不良反应信息。
(3)对收集到的药品不良反应信息进行初步筛选、整理和分析。
2. 药品不良反应及其他与用药有关的有害反应的识别(1)对监测到的药品不良反应及其他与用药有关的有害反应进行识别,确定其与用药的相关性。
(2)对疑似药品不良反应及其他与用药有关的有害反应进行进一步调查和评估。
药物警戒工作制度及操作规程规定一、制度建设1.确定组织机构:设立药物警戒工作领导小组,明确工作分工和责任,建立相应的机构编制。
2.制定药物警戒工作制度:明确药物警戒工作的基本原则、目标和任务,规定工作流程和操作规程,并向相关人员进行培训和宣传。
3.建立宣传教育制度:制定药物警戒相关知识的宣传教育计划,并组织相关人员进行培训,提高他们的药物警戒意识和能力。
4.建立信息管理制度:建立完善的药物信息管理系统,对药品进销存、配送、使用等环节进行监控和管理,及时发现和处置异常情况。
二、操作规程1.药品采购管理(1)明确采购流程:制定采购程序,规定采购人员的职责和权限,确保采购过程的透明和规范。
(3)建立药品采购档案:建立供应商档案和采购档案,记录采购过程中的各项信息,包括药品名称、批号、产地、单位价格等。
2.药品配送和入库管理(1)规范配送程序:规定配送人员的操作流程,包括验收、装箱、封箱等,确保药品的完整性和真实性。
(2)建立药品入库记录:建立药品入库登记表,记录药品的批号、数量、有效期等信息,并配备封条,确保药品的安全性和有效性。
(3)分级管理药品库房:根据药品的特性和重要程度,进行分类管理,对特殊药品进行封存,加强特殊药品的管控和监督。
3.药品使用管理(1)医师责任制:规定医师临床用药时的负责制,确保用药的合理性和安全性。
(2)医嘱审核制度:建立医嘱审核制度,由药学专业人员审核医嘱的合理性和准确性,避免用药错误和不必要的药物风险。
(3)药师药品核对:在药品发放过程中,药师负责核对药品的名称、剂量、批号等,确保用药的准确性和安全性。
(4)药品存储管理:建立药品存储管理制度,规定药品的存放位置、温度要求等,确保药品在储存过程中质量不受损害。
4.药品报损处理(1)建立报损记录:建立药品报损登记表,记录报损药品的品名、批号、数量、原因等信息,并将报损情况及时告知上级主管部门。
(2)规范报损程序:明确报损的程序和相关责任人,对报损原因进行分析和总结,及时整改和改进。
类别:SMP 编号:SMP-PV-0001-01 起草部门:药物警戒部页码:共 10 页药物警戒主体文件(PSMF)-药物警戒指导原则管理规程授权:现授权下列部门拥有并执行本文件(复印数: 4 份)**一、目的为加强对药品安全性的管理,根据《中华人民共和国药品管理法》、《药品不良反应报告和监测管理办法》(81号令)、《国家药品监督管理局关于药品上市许可持有人直接报告不良反应事宜的公告(2018年第66号)》、《药物警戒委托协议撰写指导原则(试行)》、《药物警戒质量管理规范》、《药品上市许可持有人药物警戒检查指南(征求意见稿)》等相关法律法规的要求,规范药品上市前后药品安全性事件的监测和报告,及时开展药品风险获益评估,有效控制药品风险,保障患者用药安全。
本管理规程用于规范持有人撰写药物警戒体系主文件(pharmacovigilance systemmaster file(PSMF),以下简称PSMF)。
二、范围本文件适用于全公司所持有的药品所涉及的药物警戒活动。
适用于持有人对PSMF 的撰写、修订、审核、批准、发放、保存等过程。
1 PSMF 一般要求PSMF 是动态的、独立的文件,应在药品的整个生命周期内定期评价和更新,对于药品监督管理部门要求的,应按要求提交PSMF。
为确保PSMF 的内容能够实时反映药物警戒工作开展情况,需确保PSMF为最新的版本,PSMF 及其附件应有版本号管理,保证可以清晰获得各部分更新情况。
单个上市授权持有者可以建立多个药物警戒系统,如特定类型产品(疫苗,消费者健康等)的特定系统,或者药物警戒系统可能包括1 个及以上上市授权持有人。
无论上述哪种情况,都应该有一个单独的具体PSMF 来描述每个系统。
2 PSMF 的内容应包括以下几部分:2.1 组织机构:描述与药物警戒活动有关的组织架构、职责及相互关系等;2.2 药物警戒负责人的基本信息:包括居住地区、联系方式、简历、职责等;2.3 专职人员配备情况:包括专职人员数量、相关专业背景、职责等;2.4 疑似药品不良反应信息来源:描述疑似药品不良反应信息收集的主要途径、方式等;2.5 信息化工具或系统:描述用于开展药物警戒活动的信息化工具或系统;2.6 管理制度和操作规程:提供药物警戒管理制度的简要描述和药物警戒管理制度及操作规程目录;2.7 药物警戒体系运行情况:描述药品不良反应监测与报告,药品风险的识别、评估和控制等情况;2.8 药物警戒活动委托:列明委托的内容、时限、受托单位等,并提供委托协议清单;2.9 质量管理:描述药物警戒质量管理情况,包括质量目标、质量保证系统、质量控制指标、内审等;2.10 附录:包括制度和操作规程文件、药品清单、委托协议、内审报告、主文件修订日志等。
药物警戒体系统主文件目录1 目的2 范围3 定义4 职责5 引用标准6 材料7 内容7.1药物警戒组织机构7.2 药物警戒负责人的基本信息7.2.1工作职责7.2.2简历及联系方式7.3药物警戒专职人员配备情况7.4疑似药品不良反应信息来源7.5管理制度和操作规程7.6药物警戒体系运行情况7.7质量管理8 注意事项9 EHS10 派生记录11 相关文件12 变更历史1. 目的为加强我公司对药品安全性的管理,根据《药品管理法》、《药品不良反应报告和监测管理办法》(81号令)、《国家药品监督管理局关于药品上市许可持有人直接报告不良反应事宜的公告(2018年第66号)》、《药物警戒质量管理规范》、《药物警戒体系主文件撰写指南》等相关法律法规的要求,制定药物警戒质量目标以及质量控制指标,规范药品上市后药品安全性事件的监测和报告,及时开展药品风险-获益评估,有效控制药品风险,保障患者用药安全,制定本规程。
2. 范围本规程适用于公司国产药品与出口药品所涉及的药物警戒活动。
3. 定义N/A4. 职责4.1 药物警戒部门负责组织和维护药物警戒系统的运行和相关活动,包括药物警戒数据(纸质数据与电子数据)管理、药品不良反应(ADR)/事件(AE)报告的录入和报告、文献检索策略的制定和落实,药品风险信号的监测和评估、药品定期安全性更新报告(PSUR)的提交、药品风险管理计划(RMP)的准备,与安全问题相关监管活动的响应,药物警戒培训的组织等。
4.2 其他部门配合相关活动的实施和执行。
5. 引用标准5.1 《药品管理法》5.2 5.3 5.4 5.5 《药品不良反应报告和监测管理办法》(卫生部令第81号)《关于药品上市许可持有人直接报告不良反应事宜的公告》(2018年第66号)《药物警戒质量管理规范》《药物警戒体系主文件撰写指南》6. 材料N/A 7. 内容7.1 7.1.1 药物警戒组织架构设置公司设立药品安全委员会,由法定代表人、总经理、药物警戒负责人、药物警戒部、质量部、销售部、生产部等负责人组成,是公司最高层药物警戒管理机构,7.1.27.2 7.2.17.2.27.3 7.3.1 是评估产品持续风险收益的主要组织,监测药物警戒活动的遵守情况,并对公司内部涉及的药品安全性问题进行商讨、决策并采取措施的一个组织。
1 目的:规范公司药物警戒组织结构设置。
2 责任:综合管理部、药物警戒管理委员会。
3 范围:适用于本公司药物警戒管理委员会组织结构设置。
4 内容:
4.1 药物警戒管理委员会的设置
4.1.1 管理委员会的设置原则:根据《中华人民共和国药品管理法》、《中华人民共和国药品管理法实施条例》等法律法规以及药物警戒相关文件制定本机构,确保药物警戒工作的正常实施。
4.1.2 管理委员会的组成:公司实行董事长授权,总经理领导下的相关多部门负责人负责制。
4.1.3 管理委员会的职责:
1)负责商议和决策重大药品安全性事件及其他药物警戒重大活动事项。
2)建立相关药物警戒活动事项的处理机制并依照执行。
3)建立药物警戒管理委员会档案并记录相关活动事项的处理过程。
4.2 组织结构图
综合办公室负责组织结构(见附图1)的设置,由总经理审批。
药物警戒管理委员会组织结构图及责任制度第2页共2页
附图:1
XXXXXXXXXXXX有限公司药物警戒安全委员会组织机构图。
公司
文件编码SMP-00-000-00 文件名称 药物警戒组织结构
页数
1/2 颁发部门
制定人 日期 年 月 日 颁发日期 年 月 日 审核人 日期 年 月 日 生效日期 年 月 日 批准人
日期
年 月 日
分发部门
药物警戒部、物控部、质量部、生产部、销售部等
一、目的:规范公司药物警戒组织机构设置。
二、责任:人力资源部、药物警戒部。
三、范围:适用于本公司药物警戒部组织机构设置。
四、内容: 1、设置原则
根据GMP 要求,建立与企业药品生产相适应的药物警戒管理机构,规范企业管理,确保药物警戒工作的正常实施。
1.1 公司实行总经理领导下的部门负责人负责制。
1.2 人力资源部负责组织机构的设置,由总经理审批。
1.3 部门设岗由部门负责人依据生产、质量、经营、管理为标准拿出方案,因岗设人,报人力资源部后由总经理审批。
2、组织结构图
3、药物警戒部
药物警戒部由药物警戒部部长、不良反应报告专员、不良反应处理专员、药物警戒研究评价员等PV 人员组成。
文件名称 药物警戒组织结构
文件编码 SMP-00-000-00 页数 2/2
五、文件变更理由
版本号修订日期修订原因主要修订内容。