洛阳物理第十二章 机械能和内能中考真题汇编[解析版]
- 格式:doc
- 大小:247.00 KB
- 文档页数:17
物理九年级上册第十二章机械能和内能单元综合测试(Word版含答案)一、初三物理第十二章机械能和内能易错压轴题提优(难)1.李华同学发现建筑工人在铺设水泥路时,有时要在水泥里面掺入少量纤维材料.他想通过实验来探究在水泥中掺入纤维材料是否会影响水泥路面的牢固程度.关于水泥路面的牢固程度与哪些因素有关,和同学们讨论后,他们提出了以下猜想:猜想1:与是否掺入纤维有关;猜想2:与纤维掺入量有关;猜想3:与纤维材料的种类有关。
经过思考后,他们利用图中装置,将铁锤通过电磁铁从某一高度处由静止释放,对水泥样品进行连续撞击,直至水泥样品断裂,收集的数据记录在下表中。
(1)铁锤撞击水泥样品时的动能是由________转化来的。
实验时通过__________________来比较水泥样品的牢固程度。
(2)比较实验序号1、2的两组数据,可得出的结论是:水泥路面的牢固程度与是否掺入纤维________(选填“有关”或“无关”)。
(3)比较序号2、3、4三组数据,可得出的结论是:在水泥中掺入适量纤维时,掺入纤维材料越多,水泥路面越________(选填“牢固”或“不牢固”)。
(4)比较序号2、5、6的三组数据,________(选填能或不能)比较得出:在水泥中掺入等量不同纤维材料,掺入C纤维材料水泥路面最牢固,你判断的理由是______(5)为缩短上述样品的实验时间,需减少碰撞次数,可采用的方法是_____【答案】重力势能水泥样品断裂时所承受的撞击次数有关牢固能在水泥中掺入C 纤维材料,水泥样品断裂时所承受的撞击次数最多,说明该水泥路面最牢固增加铁锤下落时的高度或增加铁锤质量【解析】【分析】【详解】(1)[1]铁锤下落过程中,重力势能转化为动能,所以铁锤撞击水泥样品时的动能由重力势能转化而来。
[2]实验通过水泥样品断裂时所承受的撞击次数反映水泥样品的牢固程度。
断裂时承受的撞击次数越多水泥样品越牢固。
(2)[3]比较实验序号1、2的两组数据,水泥样品厚度、水泥样品面积、铁锤高度相同,但第一次实验不参入纤维,第二次实验参入纤维,第二次承受的撞击次数多,可知水泥路面的牢固程度与是否掺入纤维有关。
内能的利用中考真题汇编[解析版]一、初三物理内能的利用易错压轴题(难)1.(实验探究)小军设计了一个实验来探究煤油和菜籽油的热值大小关系,他组装了如图所示的两套规格完全相同的装置,并每隔lmin记录了杯中水的温度;加热时间/min0123456甲杯水温/℃25272932343638乙杯水温/℃25262728293031(进行实验)(1)在安装、调整实验器材时,科学合理的顺序(如图甲中):先调整固定_______的位置,再调整固定______的位置(选填“A”成“B”);(2)为了保证实验结论的可靠,实验时应控制两套装置中水的________和________相同,加热时间也相同;同时,还要保证煤油和菜籽油的__________相同;(分析论证)(3)通过表中记录的数据,你认为煤油和菜籽油两种燃料中,热值较大的是______;说明理由:_______。
【答案】B A质量初温质量煤油详见解析【解析】【分析】【详解】(1)[1][2]为了利用酒精灯的外焰给烧杯充分加热,安装器材时需要先固定B的位置,然后再调整A的位置,并且温度计不要碰到烧杯壁和烧杯底。
(2)[3][4][5]为了保证实验的可靠性,需要控制水的质量和水的初温相同,并且油灯的加热时间也要相同;同时还应控制两套装置中燃料的质量相同,比较放出热量的多少;这样才符合控制变量法的要求。
(3)[6][7]分析表格数据可知,甲杯的水温度升高的较快,即煤油灯燃烧产生的热量多,所以=知,末温高的其热值大。
理由:甲、乙两个装置中,水的质量和初温相同,由Q cmΔt=知,吸收的热量较多;在相同的加热设备下,相同时间内,消耗的燃料相同,由Q qm水温上升高的,对应的燃料的热值较大。
2.小红同学学习了燃料的热值后,自己设计了一个实验来探究煤油和菜籽油的热值大小关系。
她实验时组装了如图所示的两套规格完全相同的装置,并每隔1min记录了杯中水的温度。
(1)在安装、调整实验器材时科学合理的顺序是(甲图中):先固定________的位置,再调整固定的________位置(选填“A”或“B”)。
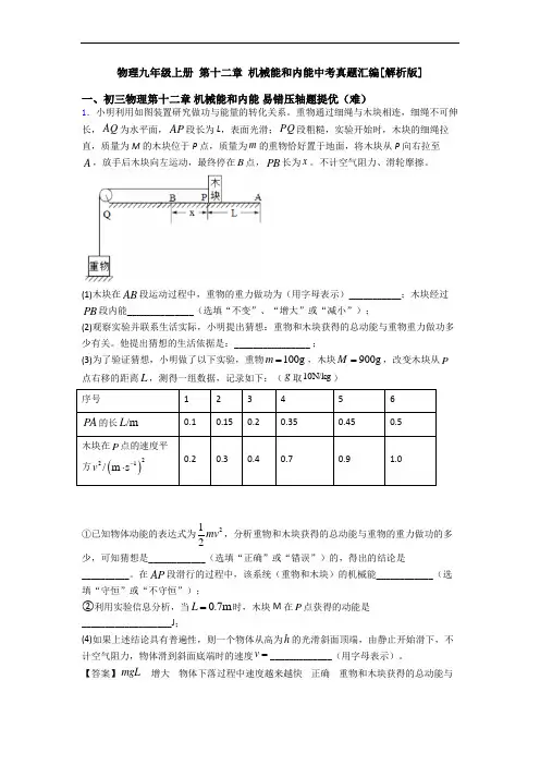
物理九年级上册 第十二章 机械能和内能中考真题汇编[解析版]一、初三物理第十二章 机械能和内能 易错压轴题提优(难)1.小明利用如图装置研究做功与能量的转化关系。
重物通过细绳与木块相连,细绳不可伸长,AQ 为水平面,AP 段长为L ,表面光滑;PQ 段粗糙,实验开始时,木块的细绳拉直,质量为M 的木块位于P 点,质量为m 的重物恰好置于地面,将木块从P 向右拉至A ,放手后木块向左运动,最终停在B 点,PB 长为x 。
不计空气阻力、滑轮摩擦。
(1)木块在AB 段运动过程中,重物的重力做功为(用字母表示)___________;木块经过PB 段内能______________(选填“不变”、“增大”或“减小”);(2)观察实验并联系生活实际,小明提出猜想:重物和木块获得的总动能与重物重力做功多少有关。
他提出猜想的生活依据是:________________ ;(3)为了验证猜想,小明做了以下实验,重物100g m =,木块900g M =,改变木块从P 点右移的距离L ,测得一组数据,记录如下:(g 取10N/kg ) 序号 1 2 3 4 5 6 PA 的长/m L0.1 0.15 0.2 0.35 0.45 0.5 木块在P 点的速度平方()221/m s v -⋅ 0.2 0.3 0.4 0.7 0.9 1.0①已知物体动能的表达式为212mv ,分析重物和木块获得的总动能与重物的重力做功的多少,可知猜想是____________(选填“正确”或“错误”)的,得出的结论是__________。
在AP 段滑行的过程中,该系统(重物和木块)的机械能____________(选填“守恒”或“不守恒”);②利用实验信息分析,当0.7m L =时,木块M 在P 点获得的动能是___________________J ;(4)如果上述结论具有普遍性,则一个物体从高为h 的光滑斜面顶端,由静止开始滑下,不计空气阻力,物体滑到斜面底端时的速度v =_____________(用字母表示)。
九年级上册物理第十二章机械能和内能单元综合测试(Word版含答案)一、初三物理第十二章机械能和内能易错压轴题提优(难)1.李华同学发现建筑工人在铺设水泥路时,有时要在水泥里面掺入少量纤维材料.他想通过实验来探究在水泥中掺入纤维材料是否会影响水泥路面的牢固程度.关于水泥路面的牢固程度与哪些因素有关,和同学们讨论后,他们提出了以下猜想:猜想1:与是否掺入纤维有关;猜想2:与纤维掺入量有关;猜想3:与纤维材料的种类有关。
经过思考后,他们利用图中装置,将铁锤通过电磁铁从某一高度处由静止释放,对水泥样品进行连续撞击,直至水泥样品断裂,收集的数据记录在下表中。
(1)铁锤撞击水泥样品时的动能是由________转化来的。
实验时通过__________________来比较水泥样品的牢固程度。
(2)比较实验序号1、2的两组数据,可得出的结论是:水泥路面的牢固程度与是否掺入纤维________(选填“有关”或“无关”)。
(3)比较序号2、3、4三组数据,可得出的结论是:在水泥中掺入适量纤维时,掺入纤维材料越多,水泥路面越________(选填“牢固”或“不牢固”)。
(4)比较序号2、5、6的三组数据,________(选填能或不能)比较得出:在水泥中掺入等量不同纤维材料,掺入C纤维材料水泥路面最牢固,你判断的理由是______(5)为缩短上述样品的实验时间,需减少碰撞次数,可采用的方法是_____【答案】重力势能水泥样品断裂时所承受的撞击次数有关牢固能在水泥中掺入C 纤维材料,水泥样品断裂时所承受的撞击次数最多,说明该水泥路面最牢固增加铁锤下落时的高度或增加铁锤质量【解析】【分析】【详解】(1)[1]铁锤下落过程中,重力势能转化为动能,所以铁锤撞击水泥样品时的动能由重力势能转化而来。
[2]实验通过水泥样品断裂时所承受的撞击次数反映水泥样品的牢固程度。
断裂时承受的撞击次数越多水泥样品越牢固。
(2)[3]比较实验序号1、2的两组数据,水泥样品厚度、水泥样品面积、铁锤高度相同,但第一次实验不参入纤维,第二次实验参入纤维,第二次承受的撞击次数多,可知水泥路面的牢固程度与是否掺入纤维有关。
苏科版九年级物理上册第十二章机械能和内能专项训练考试时间:90分钟;命题人:物理教研组考生注意:1、本卷分第I卷(选择题)和第Ⅱ卷(非选择题)两部分,满分100分,考试时间90分钟2、答卷前,考生务必用0.5毫米黑色签字笔将自己的姓名、班级填写在试卷规定位置上3、答案必须写在试卷各个题目指定区域内相应的位置,如需改动,先划掉原来的答案,然后再写上新的答案;不准使用涂改液、胶带纸、修正带,不按以上要求作答的答案无效。
第I卷(选择题 30分)一、单选题(10小题,每小题3分,共计30分)1、下面关于汽油机和柴油机的说法中,错误的是()A.汽油机和柴油机使用的燃料不同B.柴油机和汽油机做功冲程都是将内能转化为机械能C.柴油机汽缸顶部有个喷油嘴,汽油机汽缸顶部有个火花塞D.汽油机和柴油机的效率没有差别,完全相同2、如图所示,在试管内装适量的水,用橡皮塞塞紧管口,加热一段时间后橡皮塞冲出,同时管口附近产生“白气”。
以下分析不正确的是()A.水温上升时,水的内能增加B.加热时管内的水不断汽化C.管内气体对橡皮塞做功,其内能减少D.试管口的“白气”是水蒸气3、如图所示为小艳家新买的一辆小汽车。
周末,爸爸开车带着小艳出去游玩,途中,这辆汽车在1h的时间内,在水平路面上匀速行驶了72km,消耗汽油6kg。
若已知该汽车发动机的功率(即牵引力的功率)为23kW,汽油的热值为4.6×107J/kg,g=10N/kg。
则关于上述lh的行驶过程,不考虑流体压强的条件,下列分析正确的是()A.该汽车对路面的压力大于1.5×104N B.该汽车克服阻力做的功是2.3×104JC.该汽车的牵引力是1.5×103N D.该汽车发动机的效率是30%4、如图所示,在试管内装适量的水,用橡皮塞塞紧管口,加热一段时间后橡皮塞冲出,同时管口附近产生“白气”。
以下分析正确的是()A.水温上升时,水的内能不变B.试管口的“白气”是水蒸气液化形成的小水滴C.管内气体对橡皮塞做功,气体内能增加D.加热时水变成水蒸气的物态变化是升华5、如图是单缸四冲程内燃机的四个冲程的示意图,下列四组关于这种内燃机一个工作循环中四个冲程的顺序排列,正确的是()A.丙、丁、乙、甲B.乙、丁、甲、丙C.乙、甲、丁、丙D.甲、乙、丙、丁6、关于下列四幅图片的表述,正确的是()A.用电加热器烧开水,水的温度升高是通过热传递实现的B.迅速下压活塞时,筒中的硝化棉会燃烧,硝化棉内能增加是通过做功的方式实现的C.活塞被冲出的瞬间,瓶内出现白雾,是空气对瓶塞做功内能减小汽化而形成的D.冰山的温度很低,所以冰山不具有内能7、如图所示,小明在烧瓶内加入少量水,塞紧瓶塞并往瓶内打气,当瓶塞跳出时,可以看到瓶内出现白雾。
九年级物理第十二章机械能和内能中考真题汇编[解析版]一、初三物理第十二章机械能和内能易错压轴题提优(难)1.小华骑自行车下坡时,想到一个问题:“从斜面下滑物体的快慢与哪些因素有关呢?”回家后她找来了小车、停表、刻度尺和充当斜面的木板进行探究,如图所示。
首先对影响小车下滑快慢的因素做出以下猜想,猜想一:与小车的质量有关;猜想二:与斜面的高度有关;猜想三:与斜面的长度有关。
(1)根据所学知识,物体下滑时的动能是由重力势能转化而来的,而同一物体质量不变,高度越大势能越大,下滑速度________(选填越大或越小),断定猜想二是正确的。
(2)为了验证猜想一,小华设计的方案是在小车内放置不同数量的钩码,分别从高度相同的同一斜面的顶端由静止释放,用停表测出小车由顶端下滑到底端的时间.小华测量的结果如下表,她怀疑第三次测量错误,这时她想起释放时推了一下小车,对此她进行了反思:释放时推了一下小车,小车的动能________,下滑时间缩短.于是修正了这一错误并进行了重新测量,发现时间仍为2.5秒。
表中四个数据的下滑路程和时间都相同,即速度相同,说明从斜面下滑物体的快慢跟质量________(选填有关或无关),猜想一是________(选填正确或错误)的。
实验次数1234小车内放置钩码的质量m/g050100150时间t/s 2.5 2.5 2.0 2.5(3)为了验证猜想三,小华设计的方案是将同一小车分别从高度相同、长度不同的不同斜面的顶端由静止释放,用停表测出下滑到底端的时间。
她通过测量发现下滑的时间不同,于是得出速度不同、猜想三是正确的结论。
请对小华这一探究作出评价,指出她“速度不同”判断错误的原因是路程________(选填“相同”或“不同”),不能只比较时间。
正确的方法是计算出每次下滑的速度,才能下结论。
(4)小华又作出:“小车下滑的快慢还与斜面倾角有关”的猜想,你认为在斜面长度相同的条件下,她________(选填“需”或“不需”)要对这一猜想进行探究,原因是倾角是指斜面与水平面之间的夹角,夹角大小代表斜面陡与平的程度,倾角越大高度____________。
九年级物理上册第十二章机械能和内能章末训练(Word版含解析)一、初三物理第十二章机械能和内能易错压轴题提优(难)1.某兴趣小组将一张硬卡片对折,在开口的一边剪两个小豁口A和B,然后套上橡皮筋,做成了一个会跳的卡片(如图所示)。
为了探究卡片跳起的高度与哪些因素有关,该兴趣小组提出了以下猜想:A.与卡片的质量有关B.与橡皮筋的形变量有关C.与橡皮筋的条数有关为了验证猜想,小组选用几根相同的橡皮筋和几张相同的卡片进行实验。
(1)小明将图中的卡片反过来,把它放在桌面上用手向下压,使橡皮筋伸长,迅速松开手,观察到的现象是________,这个现象说明:发生弹性形变的橡皮筋能对卡片________,因此它具有________能。
(2)为了探究卡片跳起高度与质量是否有关,应选择质量不同的卡片,控制其他实验条件相同,操作中将卡片反过来,每次把它在桌面上用手压平的目的是____________________________,实验中若观察到不同质量的卡片跳起的高度不同,则说明跳起高度与质量________(选填有关或无关)。
(3)探究卡片跳起高度与橡皮筋形变量是否有关,请你为该小组提供使橡皮筋的形变量不同的两种方法:①____________;②____________。
【答案】卡片跳起做功弹性势使每次橡皮筋的形变量相同有关分别压两个卡片时将一个卡片压平,另一个不压平使小豁口A、B的间距不相同【解析】【分析】【详解】(1)[1]橡皮筋伸长说明橡皮筋发生了弹性形变,发生弹性形变的物体想要恢复原状,就会对使它发生形变的物体施加力的作用,所以橡皮筋对硬卡片施加力,使它弹起。
[2]橡皮筋对卡片施加力,卡片弹起即在力的方向上运动了,所以橡皮筋对卡片做功。
[3]做功会引起能量的转化,橡皮筋的弹性势能转化为卡片的动能,因此橡皮筋具有弹性势能。
(2)[4]探究跳起的高度与质量是否有关,应选择质量不同的卡片,控制其它的实验条件相同,操作中将卡片反过来,根据控制变量法,每次把它在桌面上用手压平的目的是控制橡皮筋的形变量相同。
上海文来中学物理第十二章机械能和内能中考真题汇编[解析版]一、初三物理第十二章机械能和内能易错压轴题提优(难)1.李华同学发现建筑工人在铺设水泥路时,有时要在水泥里面掺入少量纤维材料.他想通过实验来探究在水泥中掺入纤维材料是否会影响水泥路面的牢固程度.关于水泥路面的牢固程度与哪些因素有关,和同学们讨论后,他们提出了以下猜想:猜想1:与是否掺入纤维有关;猜想2:与纤维掺入量有关;猜想3:与纤维材料的种类有关。
经过思考后,他们利用图中装置,将铁锤通过电磁铁从某一高度处由静止释放,对水泥样品进行连续撞击,直至水泥样品断裂,收集的数据记录在下表中。
(1)铁锤撞击水泥样品时的动能是由________转化来的。
实验时通过__________________来比较水泥样品的牢固程度。
(2)比较实验序号1、2的两组数据,可得出的结论是:水泥路面的牢固程度与是否掺入纤维________(选填“有关”或“无关”)。
(3)比较序号2、3、4三组数据,可得出的结论是:在水泥中掺入适量纤维时,掺入纤维材料越多,水泥路面越________(选填“牢固”或“不牢固”)。
(4)比较序号2、5、6的三组数据,________(选填能或不能)比较得出:在水泥中掺入等量不同纤维材料,掺入C纤维材料水泥路面最牢固,你判断的理由是______(5)为缩短上述样品的实验时间,需减少碰撞次数,可采用的方法是_____【答案】重力势能水泥样品断裂时所承受的撞击次数有关牢固能在水泥中掺入C 纤维材料,水泥样品断裂时所承受的撞击次数最多,说明该水泥路面最牢固增加铁锤下落时的高度或增加铁锤质量【解析】【分析】【详解】(1)[1]铁锤下落过程中,重力势能转化为动能,所以铁锤撞击水泥样品时的动能由重力势能转化而来。
[2]实验通过水泥样品断裂时所承受的撞击次数反映水泥样品的牢固程度。
断裂时承受的撞击次数越多水泥样品越牢固。
(2)[3]比较实验序号1、2的两组数据,水泥样品厚度、水泥样品面积、铁锤高度相同,但第一次实验不参入纤维,第二次实验参入纤维,第二次承受的撞击次数多,可知水泥路面的牢固程度与是否掺入纤维有关。
九年级物理上册第十二章机械能和内能章末训练(Word版含解析)一、初三物理第十二章机械能和内能易错压轴题提优(难)1.(提出问题)水和空气哪种物质的导热性能好?(猜想与假设)小明进行了如下猜想:猜想一:水的导热性能好;猜想二:空气的导热性能好(设计与进行实验)小明用两个相同的牛奶瓶,都装入热牛奶,一个放在温度与室温相同的水中,另一个放在空气中,为了尽量减少其他因素的影响,他把两个瓶都用木块垫起来,放在同一个桌面上,如上图所示,实验时他每隔一定的时间记录一次甲、乙两温度计的示数,得到的数据如下表:(实验结论)(1)分析表中数据,可得出结论:_____(评估与交流)(2)对甲、乙两个瓶中的牛奶,除了要控制它们的初温相同外,还要控制它们的_____相同(3)热牛奶放在水中温度下降是通过_____方式来_____(选填“增加”或“减少”)内能(4)进一步分析表中甲的示数,小明又发现,在冷却过程中,牛奶冷却的快慢前后并不一致,是越来越___的(实验拓展)(5)如果有一天,你要喝一杯奶茶,下列两种冷却方法中,效果较好的是_____A.将滚烫的热茶冷却5分钟,然后加适量冷牛奶B.先将适量的冷牛奶加进滚烫的热茶中,然后冷却5min(6)物理学中我们用速度来表示物体运动的快慢,若小明用“冷却速度”来表示物体冷却快慢,则“冷却速度”可定义为:质量为1千克的物体,_____叫做冷却速度【答案】在水中冷却比在空气中冷却效果要好质量热传递减少慢A单位时间内降低的温度【解析】【详解】(1)分析可知,在相同时间内水中冷却速度更快,所以在水中比空气中冷却效果更好;(2)在研究空气和水的导热性时,应该保证其它条件相同,除了水的初温外还要保证水的质量相等;(3)由于水与牛奶瓶有温度差,所以要发生热传递,即牛奶温度下降是由于热量传递减少其内能;(4)这是由于随着牛奶温度下降,周围水的温度在升高,使牛奶冷却的速度变慢,因此牛奶冷却的快慢还会受到温度的影响.所以当实验时间较长时,相同时间内牛奶降温的速度逐渐变慢,就是指冷却速率变慢.(5)根据(4)中的结论,物体冷却随时间推移是先快后慢,本质原因是温差逐渐缩小,奶茶热的时候温度下降得快,开始快后来越来越慢,开始先让它保持较高的温度,可以在五分钟内放出更多的热量,然后加入冷牛奶,利用热传递使其再次降温。
洛阳物理内能的利用中考真题汇编[解析版]一、初三物理内能的利用易错压轴题(难)1.小明同学学习了燃料的热值后,考虑到燃料燃烧放出的热量会被水吸收,而水的比热已知.(注:燃料完全燃烧放热用Q放=qm计算,某燃料的热值用q表示;其质量用m表示).自己设计一个实验来探究煤油和菜籽油的热值的大小关系.他组装了如图所示的装置进行实验,记录结果见下表:燃料加热前的水温/℃燃料燃尽后水温/℃煤油2544菜籽油2534(1)为了保证实验结论的可靠,小明同学选择了两套相同装置,在实验中还应控制:煤油和菜籽油的_____相同、及_______相同.(2)分析得出:煤油和菜籽油两种燃料中,热值较大的是_______.(3)小明同学还想利用这种实验方案计算出煤油和菜籽油的热值,那么小明还需要补充的实验仪器是:______.利用此实验方法计算出的热值将比真实值_____(偏大/偏小).说说你的看法________ .【答案】质量水的质量煤油天平偏小燃烧放出的热会散失到空气中,又或被烧杯等实验装置吸了热,使Q放大于Q吸【解析】【分析】本题主要考查利用控制变量法和转换法设计实验的能力,由于燃料的热值不能直接测量,所以通过水温升高的度数大小来体现燃料的热值大小,又由于燃料燃烧释放的热量既与燃料的质量多少有关,又与燃料的热值大小有关,所以在设计实验时应控制质量相同.【详解】(1)因燃料放出的热量与质量有关,必须控制燃料的质量相等,由于水吸收热量后升高的温度受水的质量的影响,所以在实验中应控制水的质量相等;(2)由图表数据可知在相同时间内甲杯中的水温度升高的快,所以煤油的热值较大;(3)要控制质量相等,需要用天平来测量;由于燃料并不可能完全燃烧,燃料燃烧放出的热会散失到空气中,又或被烧杯等实验装置吸了热,使Q放大于Q吸,依此计算出煤油和菜籽油的热值比实际要偏小些.2.为比较酒精和汽油热值的大小,小华制定了以下实验方案:(1)取质量_____(选填“相等”或“不等”)的酒精和汽油作燃料,制成酒精灯和汽油灯;(2)两灯同时点燃后分别给两杯质量和初温都相等的水加热(两个烧杯完全相同)如图所示;(3)通过观察水温的变化,判断两种燃料热值的大小。
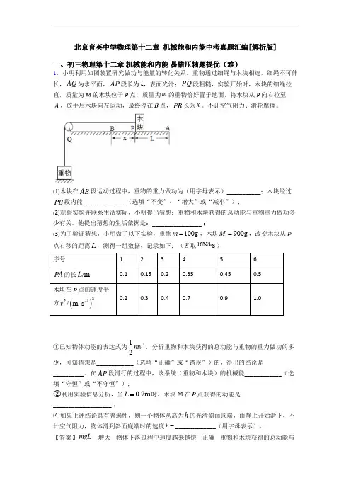
北京育英中学物理第十二章 机械能和内能中考真题汇编[解析版]一、初三物理第十二章 机械能和内能 易错压轴题提优(难)1.小明利用如图装置研究做功与能量的转化关系。
重物通过细绳与木块相连,细绳不可伸长,AQ 为水平面,AP 段长为L ,表面光滑;PQ 段粗糙,实验开始时,木块的细绳拉直,质量为M 的木块位于P 点,质量为m 的重物恰好置于地面,将木块从P 向右拉至A ,放手后木块向左运动,最终停在B 点,PB 长为x 。
不计空气阻力、滑轮摩擦。
(1)木块在AB 段运动过程中,重物的重力做功为(用字母表示)___________;木块经过PB 段内能______________(选填“不变”、“增大”或“减小”);(2)观察实验并联系生活实际,小明提出猜想:重物和木块获得的总动能与重物重力做功多少有关。
他提出猜想的生活依据是:________________ ;(3)为了验证猜想,小明做了以下实验,重物100g m =,木块900g M =,改变木块从P 点右移的距离L ,测得一组数据,记录如下:(g 取10N/kg ) 序号 1 2 3 4 5 6 PA 的长/m L0.1 0.15 0.2 0.35 0.45 0.5 木块在P 点的速度平方()221/m s v -⋅ 0.2 0.3 0.4 0.7 0.9 1.0①已知物体动能的表达式为212mv ,分析重物和木块获得的总动能与重物的重力做功的多少,可知猜想是____________(选填“正确”或“错误”)的,得出的结论是__________。
在AP 段滑行的过程中,该系统(重物和木块)的机械能____________(选填“守恒”或“不守恒”);②利用实验信息分析,当0.7m L =时,木块M 在P 点获得的动能是___________________J ;(4)如果上述结论具有普遍性,则一个物体从高为h 的光滑斜面顶端,由静止开始滑下,不计空气阻力,物体滑到斜面底端时的速度v =_____________(用字母表示)。
九年级物理上册 第十二章 机械能和内能(提升篇)(Word 版 含解析)一、初三物理第十二章 机械能和内能 易错压轴题提优(难)1.小明利用如图装置研究做功与能量的转化关系。
重物通过细绳与木块相连,细绳不可伸长,AQ 为水平面,AP 段长为L ,表面光滑;PQ 段粗糙,实验开始时,木块的细绳拉直,质量为M 的木块位于P 点,质量为m 的重物恰好置于地面,将木块从P 向右拉至A ,放手后木块向左运动,最终停在B 点,PB 长为x 。
不计空气阻力、滑轮摩擦。
(1)木块在AB 段运动过程中,重物的重力做功为(用字母表示)___________;木块经过PB 段内能______________(选填“不变”、“增大”或“减小”);(2)观察实验并联系生活实际,小明提出猜想:重物和木块获得的总动能与重物重力做功多少有关。
他提出猜想的生活依据是:________________ ;(3)为了验证猜想,小明做了以下实验,重物100g m =,木块900g M =,改变木块从P 点右移的距离L ,测得一组数据,记录如下:(g 取10N/kg ) 序号 1 2 3 4 5 6 PA 的长/m L0.1 0.15 0.2 0.35 0.45 0.5 木块在P 点的速度平方()221/m s v -⋅ 0.2 0.3 0.4 0.7 0.9 1.0①已知物体动能的表达式为212mv ,分析重物和木块获得的总动能与重物的重力做功的多少,可知猜想是____________(选填“正确”或“错误”)的,得出的结论是__________。
在AP 段滑行的过程中,该系统(重物和木块)的机械能____________(选填“守恒”或“不守恒”);②利用实验信息分析,当0.7m L =时,木块M 在P 点获得的动能是___________________J ;(4)如果上述结论具有普遍性,则一个物体从高为h 的光滑斜面顶端,由静止开始滑下,不计空气阻力,物体滑到斜面底端时的速度v =_____________(用字母表示)。
九年级物理上册第十二章机械能和内能(提升篇)(Word版含解析)一、初三物理第十二章机械能和内能易错压轴题提优(难)1.某兴趣小组将一张硬卡片对折,在开口的一边剪两个小豁口A和B,然后套上橡皮筋,做成了一个会跳的卡片(如图所示)。
为了探究卡片跳起的高度与哪些因素有关,该兴趣小组提出了以下猜想:A.与卡片的质量有关B.与橡皮筋的形变量有关C.与橡皮筋的条数有关为了验证猜想,小组选用几根相同的橡皮筋和几张相同的卡片进行实验。
(1)小明将图中的卡片反过来,把它放在桌面上用手向下压,使橡皮筋伸长,迅速松开手,观察到的现象是________,这个现象说明:发生弹性形变的橡皮筋能对卡片________,因此它具有________能。
(2)为了探究卡片跳起高度与质量是否有关,应选择质量不同的卡片,控制其他实验条件相同,操作中将卡片反过来,每次把它在桌面上用手压平的目的是____________________________,实验中若观察到不同质量的卡片跳起的高度不同,则说明跳起高度与质量________(选填有关或无关)。
(3)探究卡片跳起高度与橡皮筋形变量是否有关,请你为该小组提供使橡皮筋的形变量不同的两种方法:①____________;②____________。
【答案】卡片跳起做功弹性势使每次橡皮筋的形变量相同有关分别压两个卡片时将一个卡片压平,另一个不压平使小豁口A、B的间距不相同【解析】【分析】【详解】(1)[1]橡皮筋伸长说明橡皮筋发生了弹性形变,发生弹性形变的物体想要恢复原状,就会对使它发生形变的物体施加力的作用,所以橡皮筋对硬卡片施加力,使它弹起。
[2]橡皮筋对卡片施加力,卡片弹起即在力的方向上运动了,所以橡皮筋对卡片做功。
[3]做功会引起能量的转化,橡皮筋的弹性势能转化为卡片的动能,因此橡皮筋具有弹性势能。
(2)[4]探究跳起的高度与质量是否有关,应选择质量不同的卡片,控制其它的实验条件相同,操作中将卡片反过来,根据控制变量法,每次把它在桌面上用手压平的目的是控制橡皮筋的形变量相同。
专题12 机械能及能量守恒定律(原卷版)(第1期)一、选择题1.(2022·四川自贡)在2022年北京冬奥会自由式滑雪比赛中,我国运动员谷爱凌获得冠军,她在雪道上自由下滑的过程中,如果不计雪道阻力和空气阻力,下列说法中正确的是()。
A. 动能不变,重力势能不变,机械能不变;B. 动能增大,重力势能增大,机械能不变;C. 动能增大,重力势能减少,机械能不变;D. 动能减少,重力势能减少,机械能减少2.(2022·四川南充)掷实心球是南充中考体育项目之一,如图所示是某同学掷出的实心球的运动轨迹,O点是实心球刚离开手的位置,A点是实心球运动到最高点的位置,B点是实心球落地前瞬间的位置,不计空气阻力,下列说法正确的是()。
A. 实心球离开手后受到重力和惯性力的作用;B. 实心球在最高点A时处于平衡状态;C. 实心球从O运动到B的动能先减小后增大;D. 实心球在O点的机械能大于在B点的机械能3.(2022·安徽省)如图,在2022年北京冬奥会开幕式上,质量约为3t的奥运五环缓缓升起。
若将升起过程看成匀速直线运动,则该过程中奥运五环的()。
A. 重力势能不变B. 动能增大C. 机械能不变D. 机械能增大4.(2022·山东泰安)如图所示,物理项目化学习小组在空旷的室外测试某型号无人机负重飞行能力。
测试时将重20N的物体A固定在无人机上,并控制无人机完成以3m/s的速度匀速上升、在空中悬停、以2m/s的速度匀速下降三个阶段的测试项目,同时利用系统软件记录多次测量的相关信息,并做出测评报告。
下列说法中()。
①匀速上升阶段,物体A相对于地面是运动的;②匀速上升阶段,物体A的机械能不变;③匀速下降阶段,物体A的重力势能转化为动能;④物体A匀速下降阶段的动能小于匀速上升阶段的动能。
A. 只有①③正确B. 只有②④正确C. 只有①④正确D. 只有①②③正确5.(2022·云南省)关于图所示的热现象,说法正确的是()。
九年级上册物理第十二章机械能和内能中考真题汇编[解析版]一、初三物理第十二章机械能和内能易错压轴题提优(难)1.小明家买了一台太阳能热水器,他发现真空管是太阳能热水器的核心部件,那热水器内水吸收热量的多少与什么因素有关呢?他把问题告诉物理小组的成员,大家一起做出了如下猜想:猜想一:热水器内水吸收的热量多少与环境温度有关;猜想二:热水器内水吸收的热量多少与光照强度有关;猜想三:热水器内水吸收的热量多少与真空管的材料有关。
(1)经查阅资料发现,真空管在内玻璃管的表面上涂有吸收涂层,用来吸收太阳辐射,其中太阳能属于________(选填“可再生”或“不可再生”)能源。
经阳光照射,太阳能转化成内能,水从涂层吸收热量,水温升高,质量________,密度________(后两空均选填“变大”“变小”或“不变”),热水向上运动。
(2)实验小组在两根完全相同的真空管内装入初温、质量________的水,分别面对太阳光放入光照强度相同但温度不同的环境中,经过相同时间后测量水温,发现水温几乎相等。
由此得出猜想一是______(选填正确或错误)的。
(3)小组成员联系实际,想到夏天如果没有阳光,热水器的水温就较低,而冬天如果有太阳,热水器内水温就很热,于是他们得出结论:热水器内水吸收热量的多少与光照强度________(选填“无关”或“有关”)。
(4)在探究猜想三的实验中,该小组找到了三根外形相同但材料不同的真空管,给管内灌满水,面对阳光,每隔相同的时间检测罐内水的温度,得到的实验数据如下表所示,为了更好地利用太阳能,你建议他家应选择________制成的热水器。
【答案】可再生不变变小相同错误有关紫金管【解析】【分析】【详解】(1)[1]再生能源是不需人为参与,可以循环再生的能源,如太阳能、水能、风能、潮汐能、地热能等。
[2][3]水从涂层吸收热量,水温升高,水的多少没有变化,所以睡得质量不变,但由于水吸收热量,水的体积会增大,所以水的密度会变小。
物理九年级上册第十二章机械能和内能(培优篇)(Word版含解析)一、初三物理第十二章机械能和内能易错压轴题提优(难)1.(提出问题)水和空气哪种物质的导热性能好?(猜想与假设)小明进行了如下猜想:猜想一:水的导热性能好;猜想二:空气的导热性能好(设计与进行实验)小明用两个相同的牛奶瓶,都装入热牛奶,一个放在温度与室温相同的水中,另一个放在空气中,为了尽量减少其他因素的影响,他把两个瓶都用木块垫起来,放在同一个桌面上,如上图所示,实验时他每隔一定的时间记录一次甲、乙两温度计的示数,得到的数据如下表:(实验结论)(1)分析表中数据,可得出结论:_____(评估与交流)(2)对甲、乙两个瓶中的牛奶,除了要控制它们的初温相同外,还要控制它们的_____相同(3)热牛奶放在水中温度下降是通过_____方式来_____(选填“增加”或“减少”)内能(4)进一步分析表中甲的示数,小明又发现,在冷却过程中,牛奶冷却的快慢前后并不一致,是越来越___的(实验拓展)(5)如果有一天,你要喝一杯奶茶,下列两种冷却方法中,效果较好的是_____A.将滚烫的热茶冷却5分钟,然后加适量冷牛奶B.先将适量的冷牛奶加进滚烫的热茶中,然后冷却5min(6)物理学中我们用速度来表示物体运动的快慢,若小明用“冷却速度”来表示物体冷却快慢,则“冷却速度”可定义为:质量为1千克的物体,_____叫做冷却速度【答案】在水中冷却比在空气中冷却效果要好质量热传递减少慢A单位时间内降低的温度【解析】【详解】(1)分析可知,在相同时间内水中冷却速度更快,所以在水中比空气中冷却效果更好;(2)在研究空气和水的导热性时,应该保证其它条件相同,除了水的初温外还要保证水的质量相等;(3)由于水与牛奶瓶有温度差,所以要发生热传递,即牛奶温度下降是由于热量传递减少其内能;(4)这是由于随着牛奶温度下降,周围水的温度在升高,使牛奶冷却的速度变慢,因此牛奶冷却的快慢还会受到温度的影响.所以当实验时间较长时,相同时间内牛奶降温的速度逐渐变慢,就是指冷却速率变慢.(5)根据(4)中的结论,物体冷却随时间推移是先快后慢,本质原因是温差逐渐缩小,奶茶热的时候温度下降得快,开始快后来越来越慢,开始先让它保持较高的温度,可以在五分钟内放出更多的热量,然后加入冷牛奶,利用热传递使其再次降温。
一、选择题1.如图,用滑轮组提升重物时,重100N的物体在10s内匀速上升了1m,已知拉绳子的力F为40N,则提升重物的过程中下列说法正确的是()A.绳子自由端移动速度是0.1m/sB.该滑轮组提升重物相当于一个费力杠杆C.滑轮组的机械效率是83.3%D.拉力F的功率是16W2.如图所示,斜面高h=1m,长s=5m,小车重50N,用沿斜面方向的拉力F,将小车从斜面底端匀速拉到顶端,不计斜面和小车之间的摩擦,下列说法错误的是()A.拉力F做的功大小等于50JB.斜面对小车支持力做的功大小等于50JC.斜面是一种省力的简单机械D.斜面一定不能省功3.如图所示,甲、乙两个物体的体积相等,甲的质量是乙质量的 2 倍,现杠杆处于水平平衡状态。
若将甲、乙二物体同时浸没在水中,则杠杆将A.左端下沉B.右端下沉C.仍然保持水平状态D.无法确定4.某人用同一滑轮组分别将重100N和200N的物体匀速提升5m,动滑轮重20N,绳重及摩擦不计,则以下说法错误..的是A.人做的额外功两次相等B.由于物体重量不同,因此两次滑轮组的机械效率不同C.两次人所做的总功相同D.前后两次绳自由移动的距离相等5.科学方法是科学思想的具体体现,初中物理中常常用到“控制变量法”、“等效替代法”、“模型法”、“类比法”等方法,下面是几个研究实例:①研究光的传播时,引入“光线”;②研究动能与速度的关系时,让物体的质量保持不变;③研究功率时把它与速度相比;④将撬棒抽象为绕某一固定点转动的硬棒;其中,采用了相同研究方法的是()A.①和②B.①和④C.②和③D.③和④6.如图所示,均匀杠杆上的每一个小格长度都相等,每一个钩码的质量都为m。
杠杆处于平衡状态。
下面说法正确的是A.左、右各摘去一个钩码,杠杆仍然平衡B.左、右钩码都向支点移动一小格,杠杆仍然平衡C.左侧钩码向右移动四小格,右侧钩码向左移动两小格,杠杆仍然平衡D.只摘掉左侧所有钩码,在a点用力拉杠杆,当拉力F≥2mg时,杠杆有可能平衡7.如图所示是小刚同学在“测量滑轮组的机械效率”实验中使用的实验装置,得到的数据记录在下方表格中.关于小刚的实验,忽略绳重和摩擦,下列说法不正确的是()实验次数123钩码重G/N446钩码上升高度h/m0.10.10.1绳端拉力F/N 1.8 1.4 2.4绳端移动距离S/m0.30.50.3机械效率η74%57%83%A.由表中数据可知,第1次实验是使用甲图做的实验B.由表中数据可知,第2次实验是使用乙图做的实验C.由第1、2次数据可知,滑轮组的机械效率与动滑轮的自重有关D.由第2、3次数据可知,滑轮组的机械效率与被提升的钩码的重力有关8.如图所示,分别用一定滑轮和一动滑轮提起同一物体,利用定滑轮的拉力是F甲,对应的机械效率是η甲;利用动滑轮的拉力是F乙,对应的机械效率是η乙;(忽略机械摩擦和绳重,动滑轮重小于物重)下列说法正确的是()A.F甲>F乙η甲<η乙B.F甲>F乙η甲>η乙C.F甲<F乙η甲>η乙D.F甲<F乙η甲<η乙9.如图,是生活中经常使用的工具,其中属于省力杠杆的是()A.钓鱼竿钓鱼B.食品夹夹面包C.起子开瓶盖D.筷子夹菜10.我国发射了神舟宇宙飞船,为载人飞行进行了仿真人实验。
洛阳物理第十二章机械能和内能中考真题汇编[解析版]一、初三物理第十二章机械能和内能易错压轴题提优(难)1.如图所示,甲、乙、丙图中装置完全相同,燃料的质量都是10g,烧杯内的液体初温相同。
(1)比较不同燃料的热值,应选择____两图进行实验;比较不同物质的比热容,应选择____两图进行实验;在实验中,三个烧杯中a、b液体的质量必须___(填“相等”或“不相等”);(2)在研究不同燃料热值实验时,记录数据如下表:燃料加热前液体温度/℃燃料燃尽时液体温度/℃燃料的热值/(J/kg)12040 2.4×10622030根据表中数据计算:完全燃烧20g燃料1放出的热量为_____J,燃料2的热值是____J/kg;(3)比较不同物质的比热容实验时,记录数据如下表:加热时间/min0123456液体a25262728293031液体b25272932343638可知道:对液体a和液体b都加热6min,液体a吸收热量________(选填“大于”或“小于”或“等于”),比热容较大的是__________。
【答案】甲乙甲丙相等 4.8×104 1.2×106等于液体a【解析】【分析】【详解】(1)[1]比较不同燃料的热值,应用不同的燃料给相同的液体加热,所以应选择甲乙两图进行实验。
[2]比较不同物质的比热容,应用相同的燃料给不同的液体加热,所以应选择甲丙两图进行实验。
[3]在实验中用上控制变量法进行探究,所以要探究不同燃料的热值,除了燃料种类不同,其它物理量要控制相同,即液体的种类及其质量、初温要相同;同理要探究不同物质的比热容时,除了液体种类不同,其它物理量要相同,即热源、燃料的质量要相同。
(2)[4]由表格数据知,完全燃烧20g燃料1放出的热量Q放=m1q1=0.02kg×2.4×106J/kg=4.8×104J[5]完全燃烧10g燃料1放出的热量4414.8101J2J122.410Q Q===⨯⨯⨯放放而甲图中,液体a吸收的热量等于燃料燃烧放出的热量,设液体的质量为m,据Q吸=cm(t-t0)得,液体a的比热容()34110J22.4 1.210J()(0)40QQcm t t m t t m m⨯====--⋅⨯-吸放℃℃乙图中,燃料燃烧放出的热量Q放2 =Q吸2=cm(t'-t0')=341.210J(3020) 1.210Jmm⋅-=⨯⨯⋅℃℃则燃料2的热值4621.210J1.210J/kg0.01kgQqm⨯===⨯放2燃料(3)[6][7]在甲和丙中,用相同的热源给液体加热,在相同的时间内放出的热量相同,则a、b液体吸收的热量相同。
分析表格数据知,吸收相同的热量,液体a升温慢,其比热容较大。
2.(提出问题)水和空气哪种物质的导热性能好?(猜想与假设)小明进行了如下猜想:猜想一:水的导热性能好;猜想二:空气的导热性能好(设计与进行实验)小明用两个相同的牛奶瓶,都装入热牛奶,一个放在温度与室温相同的水中,另一个放在空气中,为了尽量减少其他因素的影响,他把两个瓶都用木块垫起来,放在同一个桌面上,如上图所示,实验时他每隔一定的时间记录一次甲、乙两温度计的示数,得到的数据如下表:(实验结论)(1)分析表中数据,可得出结论:_____(评估与交流)(2)对甲、乙两个瓶中的牛奶,除了要控制它们的初温相同外,还要控制它们的_____相同(3)热牛奶放在水中温度下降是通过_____方式来_____(选填“增加”或“减少”)内能(4)进一步分析表中甲的示数,小明又发现,在冷却过程中,牛奶冷却的快慢前后并不一致,是越来越___的(实验拓展)(5)如果有一天,你要喝一杯奶茶,下列两种冷却方法中,效果较好的是_____A.将滚烫的热茶冷却5分钟,然后加适量冷牛奶B.先将适量的冷牛奶加进滚烫的热茶中,然后冷却5min(6)物理学中我们用速度来表示物体运动的快慢,若小明用“冷却速度”来表示物体冷却快慢,则“冷却速度”可定义为:质量为1千克的物体,_____叫做冷却速度【答案】在水中冷却比在空气中冷却效果要好质量热传递减少慢A单位时间内降低的温度【解析】【详解】(1)分析可知,在相同时间内水中冷却速度更快,所以在水中比空气中冷却效果更好;(2)在研究空气和水的导热性时,应该保证其它条件相同,除了水的初温外还要保证水的质量相等;(3)由于水与牛奶瓶有温度差,所以要发生热传递,即牛奶温度下降是由于热量传递减少其内能;(4)这是由于随着牛奶温度下降,周围水的温度在升高,使牛奶冷却的速度变慢,因此牛奶冷却的快慢还会受到温度的影响.所以当实验时间较长时,相同时间内牛奶降温的速度逐渐变慢,就是指冷却速率变慢.(5)根据(4)中的结论,物体冷却随时间推移是先快后慢,本质原因是温差逐渐缩小,奶茶热的时候温度下降得快,开始快后来越来越慢,开始先让它保持较高的温度,可以在五分钟内放出更多的热量,然后加入冷牛奶,利用热传递使其再次降温。
故选A;(6)根据题意可定义冷却速度为:质量为1千克的物体在单位时间内降低的温度。
3.小华骑自行车下坡时,想到一个问题:“从斜面下滑物体的快慢与哪些因素有关呢?”回家后她找来了小车、停表、刻度尺和充当斜面的木板进行探究,如图所示。
首先对影响小车下滑快慢的因素做出以下猜想,猜想一:与小车的质量有关;猜想二:与斜面的高度有关;猜想三:与斜面的长度有关。
(1)根据所学知识,物体下滑时的动能是由重力势能转化而来的,而同一物体质量不变,高度越大势能越大,下滑速度________(选填越大或越小),断定猜想二是正确的。
(2)为了验证猜想一,小华设计的方案是在小车内放置不同数量的钩码,分别从高度相同的同一斜面的顶端由静止释放,用停表测出小车由顶端下滑到底端的时间.小华测量的结果如下表,她怀疑第三次测量错误,这时她想起释放时推了一下小车,对此她进行了反思:释放时推了一下小车,小车的动能________,下滑时间缩短.于是修正了这一错误并进行了重新测量,发现时间仍为2.5秒。
表中四个数据的下滑路程和时间都相同,即速度相同,说明从斜面下滑物体的快慢跟质量________(选填有关或无关),猜想一是________(选填正确或错误)的。
(3)为了验证猜想三,小华设计的方案是将同一小车分别从高度相同、长度不同的不同斜面的顶端由静止释放,用停表测出下滑到底端的时间。
她通过测量发现下滑的时间不同,于是得出速度不同、猜想三是正确的结论。
请对小华这一探究作出评价,指出她“速度不同”判断错误的原因是路程________(选填“相同”或“不同”),不能只比较时间。
正确的方法是计算出每次下滑的速度,才能下结论。
(4)小华又作出:“小车下滑的快慢还与斜面倾角有关”的猜想,你认为在斜面长度相同的条件下,她________(选填“需”或“不需”)要对这一猜想进行探究,原因是倾角是指斜面与水平面之间的夹角,夹角大小代表斜面陡与平的程度,倾角越大高度____________。
【答案】越大增大无关错误不同不需越大【解析】【分析】【详解】(1)[1]同一物体质量不变,高度越大势能越大,下滑时转化的动能越大,速度越大。
(2)[2]释放时推了一下小车,使小车的初速度增大,增大了物体的动能。
[3][4]由表中数据可知,当质量不同时,小车滑到低端的时间相同,速度相同,说明从斜面下滑物体的快慢跟质量无关,所以猜想一是错误的。
(3)[5]小华设计的方案中,小车运动的路程不同,不能通过相同路程比时间的方法来比较运动的快慢。
(3)[6][7]倾角是斜面与水平面之间的夹角,夹角大小代表斜面倾斜程度,倾角越大高度越大,所以不需要探究小车下滑的快慢还与斜面倾角的关系。
4.甲同学用如图所示的实验装置探究阻力对小车运动的影响。
他在水平桌面上分别铺上毛巾、棉布、木板,让小车从斜面上的同一位置由静止滑下,在水平面上分别标记出小车停下的位置。
(1)标记③是小车在_______表面上停下的位置;(2)分析可知:水平表面越光滑,小车受到的阻力越小,速度减小得越_______。
(选填“快”或“慢”)推理可知:运动小车如果不受阻力作用,它将_______;(3)乙同学用此装置让同一小车从不同高度处滑下,均在铺有木板的水平面上滑行,发现高度越高,小车在水平面上滑行距离_______,由此可知:小车重力势能的大小与小车所处_______有关。
【答案】木板慢一直做匀速直线运动越远高度【解析】【分析】【详解】(1)[1]小车在水平桌面上所受的阻力越小,移动的距离越大,而水平桌面上铺上毛巾、棉布、木板时,小车在木板上受到的阻力最小,则移动的距离最大,故标记③是小车在木板表面上停下的位置。
(2)[2]水平表面越光滑,小车受到的阻力越小,速度减小得越慢。
[3]由以上实验探究知,小车在水平桌面上受到的阻力越小,移动的距离就越小,由此可知,运动小车如果不受阻力作用,它将一直做匀速直线运动。
(3)[4]小车从此装置的不同高度滑下,则到达水平面时的速度不同,而小车与水平面接触的粗糙程度相同,即小车所受的阻力相同,那么小车所处的高度越高,到达水平面的速度就越大,小车在水平面上滑行的距离越远。
[5]小车在斜面上的高度越高,到达水平面时的速度就越大,即动能就越大,而动能是由重力势能转化来的,那么小车的动能越大,其重力势能也越大,所以小车重力势能的大小与小车所处的高度有关。
5.为了比较水和沙子吸热的规律,某小组做了如图所示的实验:在两个相同的烧杯中,分别装有质量、初温都相同的水和沙子,用两个相同的酒精灯对其加热,实验数据记录如下表:质量/g升温10°C所需时间/s升温20°C所需时间/s升温30°C所需时间/s沙子306492124水3092163220(1)在此实验中用_____________表示水和沙子吸热的多少;(2)分析表中的实验数据可知:当物体温度变化量和____________相同时,水吸收的热量____________(选填“大于”或“小于”或“等于”)沙子吸收的热量;(3)请你写出比较水和沙子吸热能力的另外一种方法:__________。
【答案】酒精灯加热时间质量大于在两个相同的金属盒,加入质量相同的水和沙子,用酒精灯加热相同的时间,比较它们的末温,末温低的吸热能力大【解析】【分析】【详解】(1)[1]采用相同的酒精灯对其加热,加热时间越长,沙子和水吸收的热量越多,因此实验中用酒精灯加热时间表示水和沙子吸热的多少。
(2)[2][3]分析表中的实验数据可知:水和沙子质量相同,升高温度相同时,即温度变化量和质量相同时,水所需加热的时间比沙子更长,所以水吸收的热量大于沙子吸收的热量。