肋梁楼盖课程设计任务书讲义
- 格式:doc
- 大小:430.50 KB
- 文档页数:9
单向板肋梁楼盖设计任务书1、课程设计目的(1)了解单向板肋梁楼盖的荷载传递关系及其计算简图的确定;(2)通过板及次梁的计算,熟练掌握考虑塑性内力重分布的计算办法;(3)通过主梁的计算,熟练掌握按弹性理论分析内力的方法,并熟练内力包络图和材料图的绘制方法;(4)了解并熟悉现浇梁板的有关构造要求;(5)掌握钢筋混凝土结构施工图的表达方式和制图规定,进一步提高制图的基本技能;2、设计资料某多层厂房采用钢筋混凝土现浇单向板肋梁楼盖,其中平面图如图1-1所示,楼面做法见图1-2,楼面荷载、材料及构造等设计资料如下:(q=8kN/m2;1)楼面活荷载标准值k(2)楼面面层用20mm厚水泥砂浆抹面(γ=20 kN/m3),板底及梁用15mm厚石灰砂浆抹底(γ=17 kN/m3);(3)混凝土强度等级采用C25,钢筋采用HPB300、HRB335、HRB400;(4)板伸入墙内120mm,次梁伸入墙内240mm,主梁伸入墙内370mm;柱的截面尺寸b×h=400mm×400mm。
3、设计内容和要求(1)板和次梁按考虑塑性内力重分布方法计算内力;主梁按弹性理论计算内力。
(2)绘制楼盖结构施工图①楼面结构平面布置图(标注墙、柱定位轴线编号和梁、柱定位尺寸及构件编号)。
(比例1﹕100~1﹕200);②板配筋平面图(标注板厚、板中钢筋的直径、间距、编号及其定位尺寸)(比例1﹕100~1﹕200);③次梁配筋图(标注次梁截面尺寸及几何尺寸、钢筋的直径、根数、编号及其定位尺寸)(比例1﹕50,剖面图比例1﹕15~1﹕30);④梁配筋图(标注主梁截面尺寸及几何尺寸、钢筋的直径、根数、编号及其定位尺寸);(比例1﹕50,剖面图比例1﹕15~1﹕30);⑤在图中表明有关设计说明,如混凝土强度等级、钢筋的种类、混凝土保护层厚度等。
图1—1。
钢筋混凝⼟单向板肋梁楼盖课程设计任务书钢筋混凝⼟单向板肋梁楼盖设计计算书1、楼盖梁格布置及截⾯尺⼨确定确定主梁的跨度为6.0m ,次梁的跨度为6.6m ,主梁每跨内布置两根次梁,板的跨度为2.0m 。
楼盖结构的平⾯布置图如图所⽰。
1.基本设计资料(1)材料C25混凝⼟:2c /9.11f mm N =,2t /27.1fmm N =,2tk /78.1f mm N = 钢筋:HPB235(2y/210f mm N =),HRB335(2y /300f mm N =,55.0b =ξ)(2)荷载标准值仓库活荷载标准值:2k mm /0.6q 、KN⽔磨⽯地⾯:2m /65.0 KN ,钢筋混凝⼟:3m /25 KN ,混合砂浆:3m /17 KN2.板的设计(按塑性理论⽅法)按⾼跨⽐条件要求板的厚度h ≥l/40=2000/40=50㎜,对⼯业建筑的楼板,要求h ≥80㎜,所以板厚取h=80㎜。
次梁截⾯⾼度应满⾜(1/18 ~ 1/12)l=(1/18 ~ 1/12)×6600=330 ~550mm ,取h=500mm ,截⾯宽b=(1/3 ~ 1/2)h=(1/3 ~ 1/2) ×500=167 ~250mm ,取b=200mm 。
主梁截⾯⾼度应满⾜h=(1/14 ~ 1/8 )l=(1/14 ~ 1/8) ×6000=429~750mm,取h=650mm ,截⾯宽度b=(1/3 ~ 1/2)h=(1/3 ~ 1/2) ×650=217 ~ 325mm,取b=300mm 。
(1)、荷载计算恒荷载标准值楼⾯⾯层: 0.65 kN/㎡板⾃重:0.08×25=2.0 kN/㎡板底抹灰:0.015×17=0.255 kN/㎡恒荷载:1.2×2.095=3.49 kN/㎡活荷载:1.3×6=7.8 kN/㎡g+q=3.49+7.8=11.29 kN/㎡q/g=7.8/3.49=2.23<3(2)、计算简图取1m 板宽作为计算单元,板的实际结构如图所⽰,由图可知:次梁截⾯宽为b=200mm ,现浇板在墙上的⽀承长度为a=mm 120,则按塑性内⼒重分布设计,板的计算跨度为:边跨按以下⼆项较⼩值确定:l 01=ln+h/2=(2000-120-200/2)+80/2=1820mml 011=ln+a/2=(2000-120-200/2)+120/2=1840mm故边跨板的计算跨度取lo1=1820mm中间跨: l 02=ln=2000-200=1800mm板的计算简图如图所⽰。
钢筋混凝土肋梁楼盖课程设计第一部分:课程介绍1.1课程名称:钢筋混凝土肋梁楼盖设计1.2课程目的:本课程旨在帮助学生掌握钢筋混凝土肋梁楼盖的设计原理、计算方法和实际应用技能,为学生今后的工程实践提供基础支持。
1.3课程对象:本课程适合建筑工程、土木工程和相关专业的本科生或研究生,以及从事相关工程设计和施工的工程师、技术人员。
第二部分:课程大纲2.1基础知识介绍2.1.1钢筋混凝土结构概述2.1.2肋梁楼盖的定义和特点2.2肋梁楼盖结构原理2.2.1肋梁楼盖的受力特点2.2.2肋梁楼盖的结构构造2.3肋梁楼盖设计规范2.3.1钢筋混凝土设计规范概述2.3.2肋梁楼盖设计的相关规范和标准2.4肋梁楼盖结构计算方法2.4.1荷载计算原理2.4.2钢筋混凝土构件受力分析2.4.3肋梁楼盖设计的计算方法2.5肋梁楼盖实例分析2.5.1典型肋梁楼盖设计案例分析2.5.2肋梁楼盖结构设计的实际问题解决2.6肋梁楼盖设计软件应用2.6.1计算软件介绍2.6.2肋梁楼盖设计软件的操作和应用技巧第三部分:教学方法3.1理论教学和实践相结合3.1.1理论课程讲解3.1.2实例分析和案例教学3.1.3软件应用实践3.2学生参与式教学3.2.1学生独立或小组完成设计案例分析3.2.2班级讨论和分享3.3培养学生综合分析和解决问题的能力3.3.1强调案例分析和问题解决3.3.2激发学生的创新意识和工程实践能力第四部分:教学内容详细介绍4.1基础知识介绍4.1.1钢筋混凝土结构概述钢筋混凝土结构的组成和特点4.1.2肋梁楼盖的定义和特点肋梁楼盖的结构形式和用途4.2肋梁楼盖结构原理4.2.1肋梁楼盖的受力特点肋梁楼盖受力特点的分析和理解4.2.2肋梁楼盖的结构构造肋梁楼盖结构构造的要点和设计原则4.3肋梁楼盖设计规范4.3.1钢筋混凝土设计规范概述钢筋混凝土设计规范的基本内容和适用范围4.3.2肋梁楼盖设计的相关规范和标准肋梁楼盖设计的规范和标准要求4.4肋梁楼盖结构计算方法4.4.1荷载计算原理肋梁楼盖设计中荷载计算的基本原理4.4.2钢筋混凝土构件受力分析钢筋混凝土构件受力分析的基本方法和步骤4.4.3肋梁楼盖设计的计算方法肋梁楼盖设计计算的相关方法和步骤4.5肋梁楼盖实例分析4.5.1典型肋梁楼盖设计案例分析典型肋梁楼盖设计案例的分析和讨论4.5.2肋梁楼盖结构设计的实际问题解决肋梁楼盖设计中的实际问题及解决方法分析4.6肋梁楼盖设计软件应用4.6.1计算软件介绍目前常用的肋梁楼盖设计计算软件的介绍4.6.2肋梁楼盖设计软件的操作和应用技巧肋梁楼盖设计软件的基本操作方法和应用技巧第五部分:课程实践5.1设计案例实操5.1.1根据教师提供的实际案例,学生独立或小组完成肋梁楼盖设计5.1.2学生对设计结果进行讨论和分析5.2现场考察与实习5.2.1参观相关工程实践现场观摩相关肋梁楼盖工程实践现场,了解实际施工情况5.2.2实习实践学生参与相关工程实践,了解设计与施工现场的实际操作第六部分:考核与评估6.1平时成绩6.1.1课堂参与度6.1.2作业完成情况6.1.3课堂小测验成绩6.2期中考核6.2.1设计案例分析报告6.2.2考试成绩6.3期末考核6.3.1综合项目设计报告6.3.2实际操作能力评估第七部分:课程材料7.1参考书目7.1.1教材:《钢筋混凝土结构设计原理》7.1.2辅助教材:《钢筋混凝土设计手册》7.1.3专业期刊:《土木工程学报》7.2教学案例7.2.1肋梁楼盖设计实例资料7.2.2相关工程实践现场资料7.3软件操作指南7.3.1钢筋混凝土设计软件操作手册7.3.2肋梁楼盖设计软件使用指导第八部分:课程总结8.1学生学习效果总结8.1.1对课程内容的理解和掌握程度8.1.2实际操作能力的提升情况8.2教学反思和改进8.2.1学生反馈意见整理8.2.2教师教学方法总结与反思8.3课程展望8.3.1对学生今后工程实践的指导与建议8.3.2对相关课程的拓展与发展建议以上为钢筋混凝土肋梁楼盖课程设计大纲,希望对您的学习和工作有所帮助。
钢筋混凝土单向板肋梁楼盖课程设计任务书
一、班级: 土木工程双学位班
二、设计题目
设计某多层工业建筑(某生产车间)的中间楼面(采用现浇钢筋混凝土单向板肋梁楼盖)
三、设计内容
1.结构平面布置图: 柱网、主梁、次梁及板的布置
2.板的强度计算(按塑性内力重分布计算)
3.次梁强度计算(按塑性内力重分布计算)
4.主梁强度计算(按弹性理论计算)
5.绘制结构施工图
(1)、结构平面布置图(1: 200)
(2)、板的配筋图(1: 50)
(3)、次梁的配筋图(1: 50;1: 25)
(4)、主梁的配筋图(1: 40;1: 20)及弯矩M、剪力V的包络图(5)、钢筋明细表及图纸说明
四、设计资料
1.题号:
第n题(见表一, 表中有30道题目, 学生按学号选择不同的题目, 表中长度单位为米)
2、生产车间的四周外墙均为240mm承重砖墙, 内设钢筋混凝土柱, 其截面尺寸为350mm×350mm。
(1)、楼面活荷载, 单位为(见表一)(2)、楼面面层: 水磨石地面
(3)、楼盖自重: 钢筋混凝土容重(4)、平顶粉刷:
4、材料
(1)、混凝土: C20或C25。
钢筋混凝土肋梁楼盖课程设计任务书一、设计资料某设计使用年限为50年工业厂房楼盖,采用整体式钢筋混凝土结构,楼盖梁格布置如下图所示。
1、楼面构造层做法:20m m厚找平层,30m m厚水磨石面层,20m m厚混合砂浆板底及梁抹灰。
2、活荷载:标准值为27k N/m。
3、材料选用:混凝土:采用C30钢筋:梁纵向主受力筋采用HRB400级钢筋,其余采用HPB235级钢筋。
二、设计内容和要求1、板和次梁按考虑塑性内力重分布方法计算内力;主梁按弹性理论计算内力。
2、绘制楼盖结构施工图(绘制2张2#图),内容包括:●梁板结构布置图;●板配筋图;●次梁配筋图;●主梁配筋图。
三、课程设计的目的1、了解单向肋形楼盖的荷载传递关系及其简图的确定。
2、通过板及次梁的计算,掌握按考虑塑性内力重分布的计算方法。
3、通过主梁的计算,掌握按弹性理论分析内力的方法。
4、了解并熟悉现浇梁板的有关构造要求。
5、掌握钢筋混凝土结构施工图的表达方式、制图规定,进一步提高制图的基本技能。
钢筋混凝土肋梁楼盖课程设计指导书一、本课程设计要求与目的本课程设计系根据给出的平面示意图,选择结构布置方案,选定柱网及主梁,次梁的位置,并进行连续梁板的计算及绘制配筋详图,要求同学能通过本课程设计,掌握进行结构平面布置的方法,掌握连续梁板的两类不同计算方法(弹性,塑性),掌握梁板基本构件的截面设计方法,掌握结构图的绘制方法,为毕业设计打下基础。
二、计算内容指示1、结构平面布置在计算书上绘制三种结构布置方案草图(纵向布置方案,横向布置方案、混合布置方案)并比较优缺点后,选择其中一种作为设计计算依据。
2、板的计算连续板按考虑塑性变形的内力重分布的方法计算步骤如下: (1) 绘连续板的计算草图; (2) 确定板的计算跨度;(3) 估计板的厚度(按构造要求最小容许厚度及140h l≥);(4) 统计计算板的荷载设计值; (5) 求跨中及支座的弯矩设计值; (6) 根据弯距计算钢筋的数量(配筋); (7) 绘出板的配筋草图。
混凝土结构设计课程设计–整体式单向板肋梁楼盖1. 课程设计概述本次课程设计的任务是设计一个混凝土结构的整体式单向板肋梁楼盖。
该楼盖包括两个部分:一层地面的停车场和上方的公寓。
整个楼盖跨度较大,需要考虑选用何种材料和结构形式。
设计任务涉及到多方面的知识,包括荷载计算、结构形式的选择、截面设计等内容。
2. 设计荷载设计荷载是指在设计结构时需要承载的外部荷载,也是本次课程设计的重点之一。
荷载的计算需要考虑多种因素,包括自重、雪荷载、风荷载、人员活载和车辆荷载等。
在本次设计中,我们假设设计地区为中国南方地区,按照国家标准《建筑结构荷载标准》(GB50009-2012)中的规定进行荷载计算。
设计荷载的详细计算过程在此不作过多赘述。
3. 结构形式的选择在本次课程设计中我们选用整体式单向板肋梁结构。
这种结构形式具有结构高度低、选用方便等特点,适用于跨度较大的建筑物。
在选定结构形式之后,我们需要进行截面设计,以确保结构的强度、刚度和稳定性。
4. 截面设计整体式单向板肋梁结构的截面设计涉及到板、肋、梁的尺寸和配筋参数等内容。
在本设计中,为了实现截面的合理设计,我们采用了软件进行结构分析和计算,最终输出设计结果。
具体的设计细节和流程如下。
4.1. 整体式单向板设计板是整体式单向板肋梁结构中的主要构件之一,其设计需要考虑荷载、结构高度等因素。
在本设计中,板厚度选用10cm,混凝土等级为C30,钢筋混凝土板配筋率为0.5%。
4.2. 肋设计肋的设计主要考虑肋高度和肋跨度两个因素。
在本设计中,肋高度选用25cm,肋跨度选用4m。
钢筋混凝土肋配筋率为1.5%。
4.3. 梁设计梁是整体式单向板肋梁结构中的次要构件,其设计主要考虑梁高度和梁跨度。
在本设计中,梁高度选用40cm,梁跨度选用7m。
梁采用双筋矩形截面设计,钢筋混凝土梁配筋率为2%。
5. 梁柱节点设计梁柱节点是指梁与柱之间连接的部分,其设计需要考虑梁、柱的受力情况。
本设计中采用钢筋混凝土柱,柱径选用45cm,钢筋混凝土柱配筋率为2%。
整体式单向板肋梁楼盖设计计算书目录目录 (1)一.设计任务书 (3)二.设计计算书 (4)(一)设计资料 (4)(二)楼盖的结构平面布置 (4)(三)板的设计 (5)(四)次梁的设计 (7)(五)主梁的设计 (10)(六)关于计算书和图纸的几点说明 (16)整体式单向板肋梁楼盖设计任务书(一)整体式单向板题目市区某多层工业厂房的楼盖,采用整体式钢筋混凝土单向板肋梁楼盖结构形式。
其楼面构造层自上而下的做法为:10 mm厚水磨石面层(25kN/m3)、20 mm厚水泥砂浆找平层(20kN/m3)、现浇混凝土楼板(厚度由设计者自定,25kN/m3)和20 mm厚混合砂浆天棚抹灰(17kN/m3)。
混凝土采用C25或C30级,梁中的纵向受力钢筋和弯起钢筋采用HRB335,其他钢筋采用HPB300。
活载组合值系数取0.7。
(二)计算内容(1) 结构平面布置图:柱网、板、次梁及主梁的布置。
(2) 板的强度计算(按塑性内力重分布计算)。
(3) 次梁强度计算(按塑性内力重分布计算)。
(4) 主梁强度计算(按弹性理论计算)。
(5) 绘制结构施工图:1)结构平面布置图(1:200或1:100)。
2)板的配筋图(1:50)。
3)次梁的配筋图(1:50或1:30)。
4)主梁的配筋图(1:50或1:20)及弯矩M、剪力V的包络图。
5)钢筋明细表及图纸说明。
(三)荷载(1)楼面活荷载:第二组,露面活荷载标准值4.0 kN/m2(2)楼面面层:水磨石地面0.65kN/m2。
(3)钢筋混凝土容重:γ=24~25kN/m3。
(4)混合砂浆容重:γ=17kN/m3。
(5)水泥砂浆容重:γ=20kN/m3。
(一)设计资料(1)楼面做法:mm 10厚水磨石面层mm 20厚水泥砂浆找平层 钢筋混凝土现浇板mm 20厚混凝土砂浆天棚抹灰(2)材料:混凝土强度等级30C梁中纵向弯起335HRB ,其他300HPB(二)楼盖的结构平面布置主梁沿横向布置,次梁沿纵向布置。
肋梁楼盖课程设计一、教学目标本节课的教学目标是让学生掌握肋梁楼盖的基本概念、结构形式和受力特点。
具体来说,知识目标包括:了解肋梁楼盖的定义、分类和构造;掌握肋梁楼盖的受力机理和计算方法。
技能目标包括:能够分析肋梁楼盖的结构特点;能够运用所学知识进行简单的肋梁楼盖设计。
情感态度价值观目标包括:培养学生的创新意识和团队合作精神;增强学生对建筑结构安全的认识。
二、教学内容本节课的教学内容主要包括肋梁楼盖的基本概念、结构形式和受力特点。
首先,介绍肋梁楼盖的定义、分类和构造,使学生了解其基本概念。
其次,讲解肋梁楼盖的受力机理和计算方法,让学生掌握其结构形式和受力特点。
最后,通过案例分析,使学生能够将所学知识运用到实际工程中。
三、教学方法为了达到本节课的教学目标,将采用多种教学方法相结合的方式进行教学。
首先,采用讲授法,向学生讲解肋梁楼盖的基本概念、结构形式和受力特点。
其次,采用案例分析法,让学生通过分析实际工程案例,加深对肋梁楼盖的理解。
此外,还将学生进行小组讨论和实验操作,以培养学生的创新意识和团队合作精神。
四、教学资源为了支持本节课的教学内容和教学方法的实施,将准备以下教学资源:教材、参考书、多媒体资料、实验设备。
教材和参考书将用于为学生提供系统的理论知识;多媒体资料将用于直观展示肋梁楼盖的结构形式和受力特点;实验设备将用于让学生亲身体验肋梁楼盖的受力性能。
通过这些教学资源的使用,将丰富学生的学习体验,提高学生的学习效果。
五、教学评估本节课的教学评估将采用多元化的评估方式,以全面、客观地评价学生的学习成果。
评估方式包括平时表现、作业和考试。
平时表现将根据学生在课堂上的参与程度、提问和回答问题的表现进行评估。
作业包括课堂练习和课后作业,将根据学生的完成质量和创新性进行评估。
考试包括期中和期末考试,将根据学生的考试成绩进行评估。
此外,还将定期进行小组讨论和实验操作的评估,以全面考察学生的综合素质。
六、教学安排本节课的教学安排将根据课程目标和学生的实际情况进行制定。
单向板肋梁楼盖课程设计任务书(2)
一、题目
钢筋混凝土现浇单向板肋梁楼盖设计
二、目的要求
1.掌握楼盖结构布置原则;
2.了解单向板肋梁楼盖的荷载传递关系及其计算简图的确定;
3.掌握钢筋混凝土连续梁板设计方法;
4.了解并熟悉现浇梁板的构造要求;
5.进行结构施工图绘制的训练。
三、内容
1.进行楼盖结构平面布置。
2.完成计算书一份
①板、次梁按塑性内力重分布计算;
②主梁按弹性方法计算
3.绘制施工图(1号图纸一张或2号图纸二张)
①楼盖结构平面布置图;
②板、次梁配筋图;
③主梁配筋图(包括弯矩包络图和抵抗弯矩图)
四、设计资料
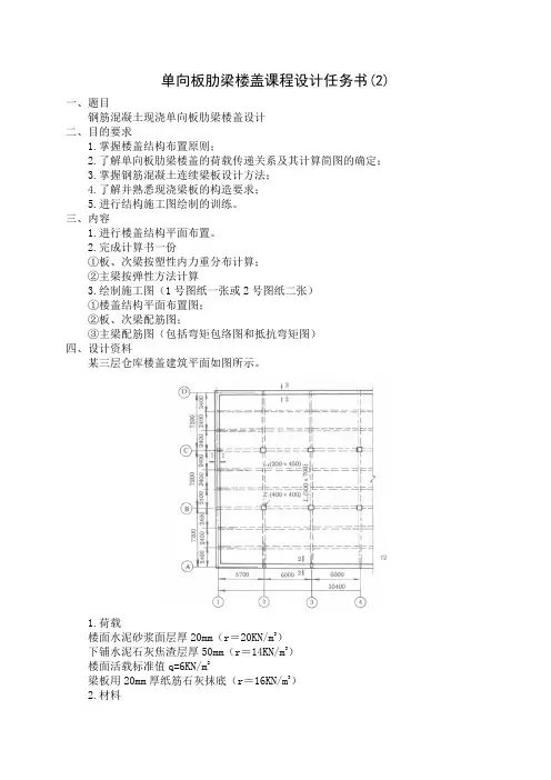
某三层仓库楼盖建筑平面如图所示。
1.荷载
楼面水泥砂浆面层厚20mm(r=20KN/m3)
下铺水泥石灰焦渣层厚50mm(r=14KN/m3)
楼面活载标准值q=6KN/m2
梁板用20mm厚纸筋石灰抹底(r=16KN/m3)
2.材料
混凝土:采用C20
钢筋:板——HPB235级钢筋;
梁——受力筋用HRB335级钢筋;箍筋、架立筋用HPB235级钢筋。
3.有关支承情况
板支承次梁支承主梁支承
五、其他
1.计算书格式及书写步骤参阅钢筋混凝土结构(下)教材第十一章P17单向板肋梁楼盖设计例题。
2.计算书要求字迹端正、清晰,要有必要的计算图形。
3.施工图要求图面匀称美观、线条清楚、字体端正。
尺寸详细,符合施工图要求。
钢筋混凝土肋梁楼盖课程设计任务书某多层厂房平面楼盖的楼面平面定位轴线尺寸为:长30m,宽15m。
使用上,要求在纵墙方向开一扇大门,宽为3m,开四扇窗,每扇宽为3m。
试按单向板整体式肋梁楼盖设计二层楼面。
一、设计资料1、构造层高:底层高4.8米,其余各层高为2.4米;外墙厚:一、二层一砖半(370mm),以上各层一砖(240mm);钢精混凝土柱的截面尺寸:350mm×350mm。
板在墙体的搁置长度:a=120mm(半砖)。
次梁在墙体的搁置长度:a=240mm(1砖)。
主梁在墙体的搁置长度:a=370mm(1砖半)。
楼面面层水泥浆找平,厚为140mm。
楼面底面石灰砂浆粉刷,厚为15mm。
2、荷载(1)楼面可变荷载标准值:2=+为学生的学号)(40.1)/(p n kN m n(2)永久荷载标准值:钢筋混凝土容重2kN m;水泥砂浆容重25/2kN m17/kN m;石灰砂浆容重220/3、材料(1)混凝土:C25级。
(2)钢筋:梁的纵向受力筋用HRB335级钢,其余均用HPB300级钢。
二、设计要求1、设计计算内容(1)作出二层楼面结构布置方案(对各梁、板、柱进行编号)。
(2)连续板及其配筋布置(按塑性内力重分布方法计算)。
(3)连续次梁及其配筋布置(按塑性内力重分布方法计算)。
(4)连续主梁及其配筋布置(按弹性内力重分布方法计算)。
2、绘图1)楼面结构布置及楼板配筋布置图(2号图纸1张)2)次梁施工图(要求分离配筋,2号图纸1张)3)主梁施工图(要求分离配筋,2号图纸1张)。
双向板肋梁楼盖课程设计任务书
设计资料:
某厂房拟采用双向板肋梁楼盖,结构平面布置如图11-44所示,支撑梁截面取为200mm×500mm,板厚取为100mm。
环境类别为一类;楼面活荷载q k=10kN/m2,板自重加上面层、粉刷层等,恒荷载g k=3.24kN/m2;采用C30混凝土,板中钢筋采用HRB400钢筋。
设计内容与要求
1、画出结构平面布置图:柱网、梁及板的布置
2、板的强度计算
3、梁强度计算
4、绘制结构施工图(比例以能看清为准)
✧结构平面布置图
✧板的尺寸及配筋图
✧梁的尺寸及配筋图(主梁要有M与V包络图,抵抗弯矩图)成果
1. 编写设计计算书:
设计计算书要求准确、层次清楚、具体,必要时注意给出文字解释与说明),可以手写或打印。
书写工整;打印格式应符合学院关于课程设计说明书的规范化要求。
设计计算书应加封面装订成册,封面上有学生和指导教师姓名,首页有目录,正文应编页。
每个图都要有标题,下面用单线标志,以区别图纸其它文字。
注意:图纸与计算书分别对待,图纸独立于计算书,计算书中用到的图不算作图纸的内容。
2. 图纸以附文形式放在计算书后面,计算书中写上:见附文xx。
结构施工图应达到交付施工的程度,按《制图标准》绘制。
注:答辩时间在第17周周五上午1,2节开始,要带笔和纸。
混凝土结构课程设计现浇钢筋混凝土肋梁楼盖设计任务书一、设计目的1、了解钢筋混凝土结构设计的一般程序和内容;2、进一步理解单向板及双向板肋梁楼盖的荷载传递途径和计算简图;3、掌握塑性及弹性设计方法;4、对于单向板肋梁楼盖:掌握内力包络图及材料图的绘制方法;5、对于双向板肋梁楼盖:掌握内力计算的塑性铰线法;6、掌握现浇钢筋混凝土结构的施工图表达方式及制图规定;7、学会编制钢筋材料表。
二、设计资料某三层仓库,内无侵蚀性介质,采用钢筋混凝土现浇楼盖,结构平面及剖面如图1 所示。
1、尺寸数据见表1;2、屋面及楼面构造做法见图2;3、楼面活荷载见表2;4、材料:板、梁混凝土强度等级为C25,柱为C30。
柱截面尺寸见表2。
5、板钢筋为HRB300 级钢,梁、柱主筋为HRB400 级钢,梁、柱箍筋为HPB300 级钢。
三、设计内容与要求计算书部分:1、选定柱网及梁格布置;2、对于单向板肋梁楼盖:板、次梁按塑性理论计算,主梁按弹性理论计算。
对于双向板肋梁楼盖:板按弹性及塑性理论计算、梁按塑性理论计算。
柱按普通箍筋轴压柱计算。
3、计算书要求字迹工整,步骤清晰完整,准确无误,并装订成册。
图纸部分:对于单向板肋梁楼盖:绘制板、梁布置图及板、次梁配筋图;对于单向板肋梁楼盖:绘制主梁弯矩包络图及配筋图;对于双向板肋梁楼盖:绘制板和梁的配筋图;做全部构件钢筋材料表;四、时间安排课程设计:1周表1 平面尺寸---- 改性沥青防水层___ 20m水泥砂浆找平层____ 炉渣找坡层,最薄处50mm ___ 120m苯板保温层---- 钢筋混凝土板(按设计)___ 20mr混合砂浆天花抹面20m水泥砂浆地面面层钢筋混凝土楼板(按设计)20m混合砂浆天花抹面混凝土结构课程设计现浇钢筋混凝土单向板肋梁楼盖设计指导书一、设计目的通过本课程设计,使学生加深对所学知识的理解和运用。
掌握塑性内力重分布的概念和弯矩调幅法的实质,掌握超静定结构最不利活荷载组合方法,掌握内力包络图及材料图的绘制方法,掌握单向板肋梁楼盖的设计方法,让学生在计算、绘图、应用图表及规范等方面获得必要的训练,并达到一定的熟练程度,是学生基本技能训练的重要实践环节。
钢筋混凝土肋梁楼盖课程设计任务书土木系05级建筑工程技术、土木工程专业适用2007年6月钢筋混凝土肋梁楼盖课程设计任务书一、设计资料某多层仓库楼盖结构平面布置如图,采用钢筋混凝土现浇楼盖。
1、楼面做法:20mm厚水泥砂浆面层钢筋混凝土现浇板12mm厚纸筋石灰抹底2、材料:混凝土:采用C20钢筋:梁中受力钢筋采用HRB335级钢筋,其它钢筋采用HPB235级钢筋荷载:恒载:包括梁、板及构造层自重钢筋混凝土容重25KN/m3 ,水泥砂浆容重20KN/m3,石灰砂浆容重17KN/m3,分项系数γ=1.2g活载:楼面均布荷载标准值6 KN/m2,分项系数γ=1.4g二、截面尺寸选择按不需作挠度验算的条件考虑。
板:h≥l/40次梁:h=(1/18 ~1/12)lb=(1/2 ~1/3)h主梁:h=(1/14 ~1/8)lb=(1/2 ~1/3)h柱:b×h=300×300 mm三、计算步骤1、根据建筑平面图并考虑支承结构的合理性确定主、次梁的梁格布置方案。
并确定板的厚度和主、次梁的截面尺寸。
2、板厚和主次梁截面尺寸确定后,宜由指导教师检查后再进行下一步计算。
3、按照考虑塑性内力重分布的方法进行板的内力和配筋的计算。
4、按照考虑塑性内力重分布的方法进行次梁的内力和配筋的计算。
5、按照弹性理论进行主梁的内力和配筋的计算。
6、计算步骤可参阅教材。
四、设计要求1、完成板梁系统的结构计算书一份内容包括:(1)板的内力与配筋计算(2)次梁的内力与配筋计算(3)主梁的内力与配筋计算2、完成板梁系统一号图一张内容包括:(1)楼面结构平面布置图及板的配筋图(2)次梁配筋图(3)主梁配筋图(4)说明五、时间安排1、确定现浇楼盖尺寸及梁板布置、绘制梁板布置草图0.5天2、板的荷载、内力计算及配筋1天3、次梁荷载、内力计算及配筋1天4、主梁荷载、内力计算及配筋1天5、正式成图1.5天六、参考资料1、建筑结构荷载规范GB50009-20012、混凝土结构设计规范GB50010-20023、房屋建筑制图统一标准GB50001-20014、《钢筋混凝土结构》教材5、混凝土结构设计手册。
一、设计资料某工业厂房房屋, 层高3.6m, 总长25.24m, 总宽18.24m, 楼盖采用现浇整体式钢筋混凝土肋梁楼盖, 楼面活荷载标准值6.0 kN/m2, 楼面面层为20㎜厚水泥砂浆面层, 15㎜厚混合砂浆天棚抹灰。
梁、板混凝土均采用C20级;主、次梁受力钢筋采用HRB335级钢, 其他采用HPB300级钢。
二、结构布置楼盖采用单向板肋梁楼盖方案, 其构件尺寸: 板厚80㎜, 次梁截面为b×h=200㎜×400㎜,主梁截面为b×h=250㎜×600㎜, 柱截面为b×h=400㎜×400㎜梁板布置如下图:三、板的计算(板按塑性内力重分布方法计算, 取每米宽板带为计算单元)1.荷载20㎜厚水泥砂浆面层: 20×0.02=0.4 kN/m280㎜厚钢筋混凝土板: 25×0.08=2.0 kN/m215㎜厚混合砂浆抹灰: 17×0.015=0.26 kN/m2恒载标准值: gk=0.4+2.0+0.26=2.66 kN/m2a.活载标准值: pk=6.0 kN/m2b.由可变荷载效应控制的组合: q=1.2×2.66+1.3×6.0=10.99 kN/m2由永久荷载效应控制的组合: q=1.35×2.66+0.7×1.3×6.0=9.05 kN/m2每米板宽: q=10.99 kN/m2.计算简图计算跨度中间跨l0=l n=2000-200=1800㎜边跨l0=l n+(h/2)=2000-120-100+(80/2)=1820㎜l0=l n+(a/2)=1780+(120/2)=1840㎜取l0=1820㎜跨度差(1820-1800)/2=1.1%﹤10%故板可按等跨连续板计算内力。
3.内力计算板的弯矩计算如下表:4.配筋计算b=1000㎜ h=80㎜ h0=80-20=60㎜ f c=9.6 N/㎜2 f y=270 N/㎜2正截面强度计算如下表:截面位置 边跨中第一内支座 中间跨跨中中间跨支座M(kN ·m)3.31﹣3.312.232.23×0.8﹣2.54﹣2.54×0.80.096 0.096 0.065 0.052 0.073 0.0590.1010.101 0.067 0.053 0.076 0.061 0bh A f f ξ=215215 143113162130选用钢筋实配面积(㎜2)251251189189189189注: 对于轴线 间板带, 其中间支座和中间跨中截面弯矩设计值可折减20%实际配筋:min 196 1.10.24%0.2%45450.18%100080270s t y A f bh f ρρ===>=⨯=⨯=⨯及 符合要求根据计算结果及板的构造要求, 画出配筋图, 如图所示。
南昌工程学院课程设计指导书课程名称:水工钢筋混凝土结构学时学分:2周、1学分课程编号:5102140学生班级:水利水电建筑工程1,2,3指导教师:孙笑制订日期:2014年12月归口单位:水利与生态工程学院钢筋混凝土单向板肋梁楼盖课程设计指导书在现浇钢筋混凝土单向板肋梁楼盖中,板、次梁、主梁的计算模型为连续板或连续梁,其中,次梁是板的支座,主梁是次梁的支座。
柱或墙是主梁的支座。
为了简化计算,通常作如下简化假定: (1)支座可以自由转动,但没有竖向位移。
(2)不考虑薄膜效应对板内力的影响。
(3)在确定板传给次梁的荷载以及次梁传给主梁的荷载时,分别忽略板、次梁的连续性按简支构件计算支座竖向反力。
(4)跨数超过五跨的连续梁、板,当各跨荷载相同,且跨度相差不超过 10 %时,可按等跨连续梁、板计算。
一、平面结构布置柱网及梁格布置应根据建筑物使用要求确定,因本厂房在使用上无特殊要求,故结构布置应满足实 1、梁格及柱网布置应力求简单、规整,以减少构件类型,便于设计和施工。
柱网布置可为正方形或长方形。
2、板跨一般为1.7~2.7m ,次梁跨度一般是4.0~6.0m ,主梁跨度则为5.0~8.0m ,同时宜为板跨的3倍(二道次梁),这样主梁的受力均匀,弯矩变化较为平缓,有利于主梁的受力。
3、对于板、次梁和主梁,实际上不宜得到完全相同的计算跨度,故可将中间各跨布置成等跨,而两边跨可布置得稍小些,但跨差不得超过10%。
4、为了提高建筑物的侧向刚度,主梁宜沿建筑物的横向布置。
5、在混合结构中,梁的支承点尽量避开门窗洞口。
二、板的设计(按塑性内力重分布计算):板的分类 ― 单向板与双向板楼盖结构中每一区格的板一般在四边都有梁或墙支承,形成四边支承板。
为了设计上方便, 《 混凝土结构设计规范 》 ( GB 50010 一 2010)规定: ( 1)当长边与短边长度之比小于或等于 2 . 0 时,应按双向板计算。
( 2)当长边与短边长度之比大于 2 . 0 ,但小于 3 . 0 时,宜按双向板计算;当按沿短边受力的单向板计算时,应沿长边方向布置足够数量的构造钢筋。
《单向板肋梁楼盖课程设计》书任务一.设计题目:
设计一多层工业厂房中间层楼面:采用现浇钢筋混凝土单向板肋梁楼面。
二、设计内容:
1.结构布置:确定柱网尺寸,主梁、次梁布置,构件截面尺寸,绘制楼盖平面结构布置图。
2.板的设计:按考虑塑性内力重分布的方法计算板的内力,计算板的正截面承载力,绘制板的配筋图。
3.次梁设计:按考虑塑性内力重分布的方法计算次梁的内力,计算次梁的正截面、斜截面承载能力,绘制次梁的配筋图。
4.主梁设计:按弹性方法计算主梁的内力,绘制主梁的弯矩、剪力包络图,根据包络图计算主梁正截面、斜截面的承载力,并绘制主梁的抵抗弯矩图及配筋图。
三、设计资料:
1、建筑平面尺寸:(如图)
主梁下附墙垛尺寸为370×490mm,下设柔垫200mm厚,中间混凝土柱尺寸为500×350mm。
序号:;学号;
⑴、使用荷载:;
⑵、楼面面层:;
⑶、钢筋混凝土楼盖自重γ=25KN/m3
⑷、吊顶及梁粉刷:15mm厚M5混合砂浆粉刷γ=17 KN/m3,包括白
石膏、喷白二度。
3、材料:
⑴、混凝土:。
⑵、钢筋:主、次梁的主筋采用II级钢筋,其它部位采用I级钢筋。
4.有关支承情况
四、结构布置:
墙、柱、梁位置要求按建筑物使用要求来决定。
本设计在使用上无特殊要求,故结构布置要按照实用经济的原则进行,并符合下列要求:
1、柱网可布置成长方形或正方形;
2、板的跨度:一般在1.7---2.7m,由于实际上不易得到完全相同的计算
跨度,故一般将边跨布置的小些,但跨差不宜超过10%;
3、次梁的跨度:一般在4.0---6.0m,较为合理是五跨,中间各跨可布置
成等跨,若边跨不能与中间各跨相等,可布置略小些,但跨差不宜超过10%;
4、主梁的跨度:一般在5.0---8.0m,同时宜为板跨的2-3倍,各跨度
值的设计与次梁相同。
五、设计完成后提交的文件和图纸
1.计算书部分
计算书包括:封面、目录、正文、参考文献等。
设计中结构计算理论、方法、步骤、数据、表格要正确、完整。
2.图纸部分
(1)楼盖结构平面布置及板的配筋图(标注墙,柱的定位轴线编号,定位尺寸线及构件编号、楼板结构标高);
(2)次梁配筋图(标注次梁的截面尺寸,梁底标高,钢筋直径、级别、根数,钢筋编号等);
(3)主梁配筋图(绘制主梁的弯矩包络图,主梁的截面尺寸及梁底标高,钢筋直径、级别、根数,钢筋编号等)。
六、其他
1.计算书格式及书写步骤参阅钢筋混凝土结构(中册)教材单向板肋梁楼盖设计例题。
2.计算书要求字迹端正、清晰,要有必要的计算图形。
3.施工图要求图面匀称美观、线条清楚、字体端正。
尺寸详细,符合施工图要求。
七、设计内容及步骤:
(一)、板的设计(按塑性内力重分布计算)
1、板、次梁、主梁截面的假定:
板厚:t≥60mm,一般取70-80mm
,b=(1/2-1/3)h 次梁截面尺寸:h=(1/12-1/18)L
次梁
主梁截面尺寸:h=(1/8-1/14)L
,b=(1/2-1/3)h
主梁
主、次梁的截面高度和宽度以50mm为模数。
2、板的计算简图:
板为多跨连续板,凡大于五跨的连续板,可按五跨连续板考虑,除边跨及第二支座处,其余按中间跨及中间支座考虑。
板自重:板厚×钢筋混凝土容重×1m板带
板底粉刷:粉刷厚×混合砂浆容重×1m板带
恒载标准值:g k=Σ
恒载设计值:g=分项系数×g k
(2)可变荷载:
标准值:q k=可变荷载×1m板带设计值:q=分项系数×q k
跨截面(M
2、M
3
)和中间支座M
C
计算弯矩可减少20%。
ξ有效数字取3位,力的单位为KN,M的单位为KN-m。
为便于施工,同一板中钢筋直径的种类不宜超过两种,同一板带
(二)、次梁设计(考虑塑性内力重分布的方法计算)
1、确定计算跨度及计算简图:
当(L
边-L
中
)/L
中
<10%时,可按等跨连续梁计算。
2、荷载计算:
(1)恒载:g
由板传来:板荷载×次梁间距
次梁自重:次梁宽×(次梁高-板厚)×容重
次梁粉刷:厚度×净高×2×单位重
恒载标准值:g k=Σ
恒载设计值:g=分项系数×g k
(2)可变荷载:
定方法见相关叙述,支座按矩形截面计算。
(2)、内力及钢筋截面计算表格可参考下表:
(6)绘出次梁钢筋布置图。
中跨:L
计=L
C
边跨:L
计=L
+b/2+ a/2且≤1.05L
2、荷载计算:为简化计算,主梁自重可按集中荷载考虑。
(1)恒载G:
次梁传来恒载:次梁恒载×主梁间距。
主梁自重:主梁宽×(主梁高-板厚)×次梁间距×钢筋砼容重主梁粉刷:
合计:标准值G k=Σ
设计值:G=分项系数×G k
(2)活载:
标准值P k=次梁活载×主梁间距
设计值:P=分项系数×P k
总荷载:G+P=
3、弯矩及剪力计算:
(1)弯矩公式:M=K
1G+K
2
G
式中:K
1
――恒载作用下弯矩系数
K
2
――活载作用下弯矩系数
K 1、K
2
可由钢筋砼附表中相应栏中查得,计算表格可参见相应
参考书。
(2)剪力公式:V=K
3G+K
4
G
式中:K
3
――恒载作用下剪力系数
K
4
――活载作用下剪力系数
K 3、K
4
可由钢筋砼附表中相应栏中查得,计算表格可参见相应
参考书。
4、绘制主梁的弯矩和剪力的包络图。
应按一定比例在各种最不利荷载作用下所得的弯矩图(剪力图)迭合在一起的外围包线就是弯矩(或剪力)迭合图。
从而得到每一截面最大最小的弯矩(剪力)计算值。
(1)弯矩包络图:
对于第一跨一般考虑三种情况:
a、最大跨中弯矩图形;
b、最小跨中弯矩图形
c、第二支座最大负弯矩时相应的跨中弯矩图。
对于中间跨一般考虑四种情况:
a、最大跨中弯矩图形;
b、最小跨中弯矩图形;
c、左支座最大负弯矩时相应跨中弯矩图形;
d、右支座最大负弯矩时相应跨中弯矩图形;
包络图绘制步骤:
a、分别求出各种不利荷载作用下相应的支座弯矩并以国一比例分别绘在支座上;
b、将两支座弯矩连以直线作为基线,然后按相应于支座弯矩的荷载作用下绘上相当于简支梁的弯矩图。
c、将各种弯矩图迭合在一起即得外包线,就是弯矩包络图。
(2)剪力包络图(包括每跨左、右的最大、最小剪力图)
a、求出各种不利荷载作用下的支座处最大剪力相应荷载作用下的跨中剪力图。
b、将各具跨度的两个剪力图(左支座最大、右支座最小)迭合在一起,即得剪力包络图。
5.主梁正截面及斜截面配筋计算:
附加箍筋和吊筋计算
需要按下式计算承受次梁集中荷载所需的附加横向钢筋。
sv yv sb y A mf A f F +≤αsin 2
6、抵抗弯矩图形:
抵抗弯矩图形表示梁截面承载能力变化的图形,它与弯矩迭合图配合应用,可以合理地决定钢筋的弯起点和切断点。
注意:
1、弯起钢筋应在被充分利用的截面以外距离>h/2的截面处弯起;
2、切断钢筋应在理论断点以外20倍直径和充分利用的截面以外1.2倍锚固长度以外切断。
六、其他
1.计算书格式及书写步骤参阅钢筋混凝土结构教材单向板肋梁楼盖设计例题。
2.计算书要求字迹端正、清晰,要有必要的计算图形。
3.施工图要求图面匀称美观、线条清楚、字体端正。
尺寸详细,符合施工图要求。