单向板肋梁楼盖课程设计任务书
- 格式:doc
- 大小:481.51 KB
- 文档页数:10
钢筋混凝⼟单向板肋梁楼盖课程设计任务书钢筋混凝⼟单向板肋梁楼盖设计计算书1、楼盖梁格布置及截⾯尺⼨确定确定主梁的跨度为6.0m ,次梁的跨度为6.6m ,主梁每跨内布置两根次梁,板的跨度为2.0m 。
楼盖结构的平⾯布置图如图所⽰。
1.基本设计资料(1)材料C25混凝⼟:2c /9.11f mm N =,2t /27.1fmm N =,2tk /78.1f mm N = 钢筋:HPB235(2y/210f mm N =),HRB335(2y /300f mm N =,55.0b =ξ)(2)荷载标准值仓库活荷载标准值:2k mm /0.6q 、KN⽔磨⽯地⾯:2m /65.0 KN ,钢筋混凝⼟:3m /25 KN ,混合砂浆:3m /17 KN2.板的设计(按塑性理论⽅法)按⾼跨⽐条件要求板的厚度h ≥l/40=2000/40=50㎜,对⼯业建筑的楼板,要求h ≥80㎜,所以板厚取h=80㎜。
次梁截⾯⾼度应满⾜(1/18 ~ 1/12)l=(1/18 ~ 1/12)×6600=330 ~550mm ,取h=500mm ,截⾯宽b=(1/3 ~ 1/2)h=(1/3 ~ 1/2) ×500=167 ~250mm ,取b=200mm 。
主梁截⾯⾼度应满⾜h=(1/14 ~ 1/8 )l=(1/14 ~ 1/8) ×6000=429~750mm,取h=650mm ,截⾯宽度b=(1/3 ~ 1/2)h=(1/3 ~ 1/2) ×650=217 ~ 325mm,取b=300mm 。
(1)、荷载计算恒荷载标准值楼⾯⾯层: 0.65 kN/㎡板⾃重:0.08×25=2.0 kN/㎡板底抹灰:0.015×17=0.255 kN/㎡恒荷载:1.2×2.095=3.49 kN/㎡活荷载:1.3×6=7.8 kN/㎡g+q=3.49+7.8=11.29 kN/㎡q/g=7.8/3.49=2.23<3(2)、计算简图取1m 板宽作为计算单元,板的实际结构如图所⽰,由图可知:次梁截⾯宽为b=200mm ,现浇板在墙上的⽀承长度为a=mm 120,则按塑性内⼒重分布设计,板的计算跨度为:边跨按以下⼆项较⼩值确定:l 01=ln+h/2=(2000-120-200/2)+80/2=1820mml 011=ln+a/2=(2000-120-200/2)+120/2=1840mm故边跨板的计算跨度取lo1=1820mm中间跨: l 02=ln=2000-200=1800mm板的计算简图如图所⽰。
单向(dān xiànɡ)板肋梁楼盖设计计算(jì suàn)书一、设计(shèjì)资料某三层工业(gōngyè)厂房(层高3.6m),拟采用整体式单向板肋梁楼盖,建筑平面如图1所示(楼梯在此平面以外。
楼面可变荷载标准值为6KN/㎡(荷载分项系数1.3)。
楼面面层为20㎜厚混合砂浆抹底,底面用20㎜厚水泥砂浆抹平。
混凝土采用C25(柱可采用C30),梁、柱内受力纵筋为HRB335级,其他均为HPB235级。
车间内无侵蚀性介质。
建筑物安全等级为二级。
进行楼盖设计。
二、结构布置选用单向板肋梁楼盖结构,梁、板的布置及构件尺寸如图所示。
三、板的计算确定板厚h=100mm。
按塑性内力重分布方法计算内力,取1m宽板带为计算单元,结构尺寸和计算简图如图所示。
1.荷载(hèzài)20mm 水泥砂浆面层(miàn cénɡ) 25KN/m³×0.02m×2=1 KN/m²100mm钢筋(gāngjīn)混凝土板 25 KN/m³×0.1m=2.5 KN/m²20mm混合(hùnhé)砂浆摸底 25 KN/m³×0.02m=0.5 KN/m²永久荷载标准值 g k=4 .0KN/m²可变荷载标准值 q k=6.0 KN/m²荷载设计值 1.2×4.0 KN/m²+1.3×6.0 KN/m²=12.6 KN/m²1m板宽设计值 p=12.6 KN/m²2.内力计算跨度板厚 h=100mm 次梁截面b×h=250㎜×450㎜边跨l01=(2500-120-125+100/2)㎜=2305㎜ l n1=(2500-120-250/2)=2255㎜距端第二跨l02=2500㎜-250㎜=2250㎜ l n2=2250㎜跨距差(2305-2250)/2250=2.4%<10% ,可按等跨连续梁查表计算。
建筑结构课程设计班级学号:_________________ 姓名:________________单向板肋梁楼盖设计任务书一、设计资料1、某钢筋混凝土整浇楼盖平面如图所示。
2、楼面作法:20mm厚水泥砂浆面层;80mm厚钢筋混凝土现浇板;15mm厚板底抹灰。
3、①混凝土强度等级C30;梁内受力纵筋为HRB400,其它采用HRB335。
(开间4.5米,进深4.2米)——学号后两位为21~39的选择②混凝土强度等级C25;梁内受力纵筋为HRB335,其它采用HPB235。
(开间3.9米,进深3.6米)——学号后两位为11~20的选择③混凝土强度等级C20;梁内受力纵筋为HRB335,其它采用HPB235。
(开间6.6米,进深6米)——学号后两位为01~10的选择42。
学号取后两位。
(楼面活荷载保留一位小数)5、沿纵向布置次梁,沿横行布置主梁。
板伸入墙内120mm,梁伸入墙内240mm。
二、设计内容与要求1设计内容:①板、次梁、主梁的尺寸确定;②板(按塑性内力重分布方法)的设计:荷载计算、内力计算、配筋计算;③次梁(按塑性内力重分布方法)的设计:荷载计算、内力计算、配筋计算;2、提交要求:①按上述要求提交纸质版计算说明书一份(包括必要的计算简图),必须为手写(一律用黑色签字笔书写,字迹工整)②绘制板的配筋图。
绘制施工图前须进行图面布置,选择适当的比例。
因连续梁、板对称,可只绘出一半。
③学生必须按要求认真设计,如发现互相抄袭或内容不全,按不合格处理。
关于单向板、次梁的几点设计说明:一、单向板设计 l 、荷载计算对单向板取lm 单位宽板带进行设计,计算每米宽板带沿板跨度的均布活荷载设计值和恒载设计值(板自重、面层及板底粉刷重)。
2、计算简图单向板的跨数如果多于5跨,且各跨跨度相等(或相差≯10%),可简化为5跨等跨连续板进行计算。
其计算跨度的取值为:边 跨:L 0l =L nl +h /2(其中L 0l 为边跨计算跨度,L nl 为边跨净跨,h 为板厚) 中间跨:L 0=L n (其中L 0为中跨计算跨度,L n 为中间跨净跨) 3、内力计算⑴、 用均布荷载作用下的5跨等跨连续梁的设计弯矩计算公式20)(L q g M m +=α计算各跨跨中截面和支座截面的最大弯矩。
钢筋混凝土单向板肋梁楼盖课程设计任务书
一、班级: 土木工程双学位班
二、设计题目
设计某多层工业建筑(某生产车间)的中间楼面(采用现浇钢筋混凝土单向板肋梁楼盖)
三、设计内容
1.结构平面布置图: 柱网、主梁、次梁及板的布置
2.板的强度计算(按塑性内力重分布计算)
3.次梁强度计算(按塑性内力重分布计算)
4.主梁强度计算(按弹性理论计算)
5.绘制结构施工图
(1)、结构平面布置图(1: 200)
(2)、板的配筋图(1: 50)
(3)、次梁的配筋图(1: 50;1: 25)
(4)、主梁的配筋图(1: 40;1: 20)及弯矩M、剪力V的包络图(5)、钢筋明细表及图纸说明
四、设计资料
1.题号:
第n题(见表一, 表中有30道题目, 学生按学号选择不同的题目, 表中长度单位为米)
2、生产车间的四周外墙均为240mm承重砖墙, 内设钢筋混凝土柱, 其截面尺寸为350mm×350mm。
(1)、楼面活荷载, 单位为(见表一)(2)、楼面面层: 水磨石地面
(3)、楼盖自重: 钢筋混凝土容重(4)、平顶粉刷:
4、材料
(1)、混凝土: C20或C25。
单向板肋梁楼盖课程设计目录一、设计任务书…………………………………………………….………………….…………………… (2)(一)设计题目……………………………………………..……………….…………………… (2)(二)设计资料…………………………………………………..………….…………………… (2)(三)设计内容………………………………………………………..…….…………………… (2)二、楼盖的结构平面布置 (2)三、内力计算 (3)(一)板的设计 (3)(1)荷载 (3)(2)计算简图 (4)(3)内力计算 (4)(4)正截面受弯承载力计算 (4)(5)斜截面受弯承载力计算 (5)(6)裂缝宽度验算 (5)(二)次梁的设计 (5)(1)荷载........................................................................................,. (5)(2)计算简图 (5)(3)内力计算 (6)(4)正截面受弯承载力计算 (6)(5)斜截面受弯承载力计算 (7)(6)裂缝宽度验算 (7)(三)主梁的设计 (8)(1)荷载 (8)(2)计算简图………………….…………………………………………………….……..…………………… (8)(3)内力计算及包络图 (8)(4)正截面受弯承载力计算 (9)(5)斜截面受弯承载力计算 (11)(6)裂缝宽度验算 (12)四、绘制施工图 (12)参考文献 (14)一、设计任务书说明:该课设所属此次课程设计统一编号55号。
(一)设计题目单向板肋梁楼盖课程设计(二)设计资料某4层框架房屋,采用现浇钢筋混凝土楼盖。
现浇钢筋混凝土柱承重,柱截面尺寸400×400。
结构柱网平面布置如附图所示。
柱网轴线尺寸l1=6.6m,l2=7.8m。
其中2、3、4层楼面建筑标高分别为4.200m、8.400m、12.600m。
现浇钢筋混凝土单向板肋梁楼盖设计任务书第一篇:现浇钢筋混凝土单向板肋梁楼盖设计任务书钢筋混泥凝土单向板肋梁楼盖课程设计任务书一、设计目的通过本课程的设计试件,使学生了解并熟悉有关钢筋混凝土现浇楼盖的设计方法和设计步骤,培养其独立完成设计和解决问题的能力,提高绘图能力。
二、设计资料1、工程概况:某内框架结构工业仓库,二层建筑平面图如下图所示(楼面标高4.00m),墙厚370mm,混凝土柱400⨯400mm。
板伸入墙内120mm,次梁伸入墙240mm,主梁伸入墙内370mm。
房屋的安全等级为二级,拟采用钢筋混凝土现浇单向板肋形楼盖。
图1 梁板结构平面布置2、楼面构造层做法:20mm厚石灰砂浆粉刷,30mm厚水磨石楼面(标准值0.65kN/m2)。
3、活荷载:标准值为7.5 kN/m2。
4、恒载分项系数为1.2;活荷载分项系数为1.3。
5、材料选用:混凝土采用C25(fc=11.9N/mm2,ft=1.27N/mm2)钢筋梁中受力主筋采用HRB400级(fy=360N/mm2)其余采用HPB235级(fy=210N/mm2)三、设计内容1、确定结构平面布置图:柱网、主梁、次梁及板的布置2、板的设计(按塑性理论)3、次梁设计(按塑性理论)4、主梁设计(按弹性理论)5、绘制结构施工图,包括:(1)、结构平面布置图(2)、板、次梁、主梁的配筋图(3)、主梁弯矩包络图及抵抗弯矩图(4)、设计说明(5)、次梁钢筋材料表四、成果要求1、课程设计在1周内完成。
2、计算书必须统一格式,并用钢笔抄写清楚(或打印)。
计算书(施工图)装订顺序:封面、评语页、目录、任务书、设计说明、计算书正文和施工图。
3、施工图统一为A3图纸。
要求图面布局均匀、比例适当、线条流畅、整洁美观,严格按照建筑制图标准作图。
4、在完成上述设计任务后方可参加设计答辩及成绩评定。
五、参考资料1、《混凝土结构设计》,梁兴文主编,中国建筑工业出版社2、GB50010-2002,《混凝土结构设计规范》3、GB50009-2001,《建筑荷载设计规范》第二篇:整体式单向板肋梁楼盖设计任务书整体式单向板肋梁楼盖设计任务书设计某三层轻工厂房车间的楼盖,拟采用整体式钢筋混凝土单向板肋梁楼盖,要求进行第二层楼面梁格布置,确定梁、板、柱截面尺寸,计算梁板配筋,并绘制施工图。
土木工程本科课程设计任务书姓名:学号:指导教师:发任务书日期2014年3月6日交作业时间2014年4月6日一、设计题目某设计使用年限为50年的多层工业建筑的楼盖,拟采用整体式钢筋混凝土单向板肋梁楼盖,要求进行第二层楼面梁格布置,确定梁、板、柱截面尺寸,计算梁板配筋,并绘制施工图。
层高为4.5m,其建筑轴线及柱网平面如图所示。
建筑内无侵蚀性介质,其楼面活荷载标准值和柱网尺寸见附录1,每位学生按学号顺序根据附录1选取一组数据进行设计。
学生学号见附录2二、设计资料1、仓库四周外墙均为承重砖墙,内设钢筋混凝土柱,其截面尺寸为400mm×400mm。
2、荷载1) 楼面活荷载标准值见附录1;2) 楼面构造法:20mm厚水泥砂浆( 20 kN/m2 )找平后做10mm厚水磨石面层( 0.65 kN/m2)楼板层:钢筋混凝土( 25 kN/m2)天棚抹灰:20mm厚混合砂浆( 17 kN/m2 )3、材料:混凝土强度等级采用C25,主梁及次梁受力筋用HRB335级钢筋,板内及梁内的其它钢筋可以采用HPB300级钢筋。
三、设计内容1、结构平面布置图:柱网、主梁、次梁及板的布置2、板的强度计算(按塑性内力重分布计算)3、次梁强度计算(按塑性内力重分布计算)4、主梁强度计算(按弹性理论计算)5、绘制结构施工图(1)、结构平面布置图(1:200)(2)、板的配筋图(1:50)(3)、次梁的配筋图(1:50;1:25)(4)、主梁的配筋图(1:40;1:20)及弯矩M、剪力V的包络图(5)、钢筋明细表及施工图图纸中说明和附注(尺寸单位,混凝土强度,钢筋级别,保护层的厚度以及其它施工图中应注意的事项等)。
四、格式要求1、计算书成果要用A4打印纸纵向、双面打印并装订成册,图纸折成A4以附件形式装订在计算书之后,按顺序装订。
2、正文部分奇数页设置页眉为“混凝土结构楼盖设计”,偶数页设置页眉为“宁夏大学新华学院”,页码统一设置在页脚的居中。
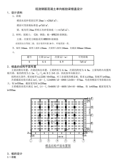
现浇钢筋混凝土单向板肋梁楼盖设计1.设计资料1、荷载楼面水泥砂浆面层厚20mm(γ=20kN/m 2);楼面可变荷载标准值q=7kN/m 2、梁、板均用20mm 厚纸石灰砂浆抹底(γ=17kN/m 3)。
2、材料:混凝土: C20;钢筋:板—HPB235级钢筋;主梁、次梁受力钢筋采用HRB335级钢筋房屋的安全等级二级,设计使用年限50年,环境类别一类。
3、墙厚240mm ,板伸入墙体120mm ,次梁伸入墙体240mm ,柱截面300mm×300mm 。
4、2主梁沿横向布置,次梁沿纵向布置。
主梁跨度为6.6m ,次梁的跨度为6.9m ,主梁每跨内布置两根次梁,板的跨度为2.2m ,2o l /1o l =6.9/2.2=3.13,因此按单向板设计。
按跨高比条件,要求板厚h ≥2200/40=55mm ,对工业建筑的楼盖板,要求h ≥80mm ,取板厚h=80mm 。
次梁截面高度应满足h=o l /18~o l /12=6900/18~6900/12=384~575mm 。
考虑到楼面可变荷载比较大,取h=550mm 。
截面宽度取b=200mm主梁截面高度应满足h=o l /14~o l /8=6600/15~6600/10=440~660mm 。
取h=650mm 截面宽度为b=300mm楼盖结构平面布置图3.板的设计3.1荷载板的永久荷载标准值80mm现浇钢筋混凝土板 0.08×25=2kN/2m20mm厚楼面水泥砂浆面层 0.02×20=0.4kN/2m20mm板底混合砂浆抹灰 0.02×17=0.34kN/2mm小计 2.74kN/2板的可变标准荷载值 7kN/2mm,所以可变荷载分项系数应取永久荷载分项系数取1.2,因楼面可变荷载标准值大于4.0kN/21.3。
于是板的永久荷载设计值 g=2.74×1.2=3.288kN/2m可变荷载设计值 q=7×1.3=9.1kN/2m荷载总设计值 g+q=12.388kN/2m3.2计算简图次梁截面为200mm×550mm,现浇板在墙上的支承长度不小于100mm,取板在墙上的支承长度为120mm。
现浇单向板肋梁楼盖课程设计任务书1.设计资料某多层厂房采用钢筋混凝土现浇单向板肋梁楼盖,其中三层平面图如图1-1所示,楼面荷载、材料及构造等设计资料如下:(1)楼面活荷载标准值q k=6kN/m2或(q k=10kN/m2);(2)楼面面层用20mm厚水泥砂浆抹面(=20kN/m3),板底及梁用15mm厚石灰砂浆抹底(=17kN/m3);(3)混凝土强度等级采用 C20、 C25或C30,钢筋采用HPB235、HRB335或HRB400;(4)板伸入墙内120mm,次梁伸入墙内240mm,主梁伸入墙内370mm;柱的截面尺寸b ×h=350 mm×350mm (或 400 mm×400 mm或自定)。
2.设计内容和要求(1)板和次梁按考虑塑性内力重分布方法计算内力;主梁按弹性理论计算内力,并绘出弯矩包络图。
(2)绘制楼盖结构施工图1.楼面结构平面布置图(标注墙、柱定位轴线编号和梁、柱定位尺寸及构件编号).(比例1:100~1:200);2.板模板图及配筋平面图(标注板厚、板中钢筋的直径、间距、编号及其定位尺寸)(比例1:100~1:200);3.次梁模板及配筋图(标注次梁截面尺寸及几何尺寸、钢筋的直径、根数、编号及其定位尺寸)(比例1:50,剖面图比例1:15~1:30);4、梁材料图、模板图及配筋图(按同一比例绘出主梁的弯矩包罗图、抵抗弯矩图、模板图及配筋图),(标注主梁截面尺寸及几何尺寸、钢筋的直径、根数、编号及其定位尺寸);(比例1:50,剖面图比例1:15~1:30);5.在图中标明有关设计说明,如混凝上强度等级、钢筋的种类、混凝土保护层厚度等。
(3)计算书要求计算准确,步骤完整,内容清晰。
3.课程设计目的(1)了解单向板肋梁楼盖的荷载传递关系及其计算简图的确定;(2)通过板及次梁的计算,熟练掌握考虑塑性内力重分布的计算方法;(3)通过主梁的计算,熟练掌握按弹性理论分析内力的方法,并熟悉内力包罗图和材料图的绘制方法;(4)了解并熟悉现浇梁板的有关构造要求;(5)掌握钢筋混凝土结构施工图的表达方式和制图规定,进一步提高制图的基本技能;4.设计参考进度第一天(3月5号):布置设计任务,阅读设计任务书、指导书及设计例题,复习有关课程内容。
钢筋混凝土单向板肋梁楼盖课程设计任务书一、设计题目及目的题目:设计某三层轻工厂房车间的整体式钢筋混凝土单向板肋梁楼盖。
目的:1、了解单向板肋梁盖的荷载传递关系及其计算简图的确定。
2、通过板及次梁的计算,掌握考虑塑性内力重分布的计算方法。
3、通过主梁的计算,掌握按弹性理论分析内力的方法,并熟悉内力包络图和材料图的绘制方法。
4、了解并熟悉现浇梁板的有关构造要求。
5、掌握钢筋混凝土结构施工图的表达方式,制图规定,进一步提高制图的基本技能。
6、学会编制钢筋材料表。
二、设计内容1、结构平面布置图:柱网、主梁、次梁及板的布置2、板的强度计算(按塑性内力重分布计算)3、次梁强度计算(按塑性内力重分布计算)4、主梁强度计算(按弹性理论计算)5、绘制结构施工图(1)、结构平面布置图(1:200)(2)、板的配筋图(1:50)(3)、次梁的配筋图(1:50;1:25)(4)、主梁的配筋图(1:40;1:20)及弯矩M、剪力V的包络图(5)、钢筋明细表及图纸说明三、设计资料1、车间类别为三类金工车间,车间内无侵蚀性介质,结构平面及柱网布置如图。
经查规范资料:板跨≥1.2m时,楼面的活荷载标准值为16.0KN/㎡;板跨≥2.0m时,楼面的活荷载标准值为10.0KN/㎡;次梁(肋梁)间距≥1.2m时,楼面的活荷载标准值为10.0KN/㎡;次梁(肋梁)间距≥2.0m时,楼面的活荷载标准值为8.0KN/㎡。
数据:Lx=6000, Ly=6300。
LLL2 楼面构造。
采用20mm厚水泥砂浆抹面,15mm厚混合砂浆天棚抹灰。
3 屋面构造(计算柱内力用)。
三毡四油防水层,20厚水泥砂浆找平层、150厚(平均)炉渣找坡层、120厚水泥珍珠岩制品保温层、一毡二油隔气层、60厚钢筋混凝土屋面板、15厚混合砂浆天棚抹灰。
4 梁、柱用15厚混合砂浆抹灰。
5 混凝土采用C25;主梁、次梁受力筋采用HRB335级钢筋,其他均采用HPB235级钢筋。
单向板肋梁楼盖课程设计任务书题目:现浇单向板肋梁楼盖设计题号:班级:姓名:教师:时间:一、课程设计目的(1)了解单向板肋梁楼盖的荷载传递关系及其计算简图的确定;(2)通过板及次梁的计算,熟练掌握考虑塑性内力重分布的计算方法;(3)通过主梁的计算,熟练掌握按弹性理论分析内力的方法,并熟悉内力包罗图和材料图的绘制方法;(4)了解并熟悉现浇梁板的有关构造要求;(5)掌握钢筋混凝土结构施工图的表达方式和制图规定,进一步提高制图的基本技能;二、楼盖建筑平面布置图某仪表厂装配车间的建筑平面如附图所示(L1和L2具体尺寸见任务分配表),所处的环境类别为一类.楼盖拟采用现浇钢筋混凝土单向板肋梁楼盖。
板伸入墙内120mm,次梁伸入墙内240mm,主梁伸入墙内370mm;柱的截面尺寸400mm×400mm。
三、设计资料(1)楼面均布活荷载标准值为q k kN/m2(具体见任务分配表);(2)楼面做法:水磨石面层(该面层重0.65 KN/m2);钢筋混凝土现浇楼板;石灰砂浆粉底厚度20mm,容重为17 KN/m3;钢筋混凝土的容重为25 KN/m3。
永久荷载系数取1.2;可变荷载系数取1.3。
四.设计材料混凝土采用C30;梁的纵向受力钢筋为HRB400级钢筋,梁的箍筋和板的受力钢筋为HRB400级钢筋,板的构造筋的为HPB300级钢筋。
五.设计内容(1)确定主、次梁和板的布置,估计构件的截面尺寸,并绘制楼盖平面布置图(包括梁,板编号);(2)用塑性内力重分布的方法计算板的内力,进行板的配筋计算并绘制板的配筋图(标注板厚、板中钢筋的直径、间距、编号及其定位尺寸),(比例1:100~1:200);(3)用塑性内力重分布的方法计算次梁的内力,进行次梁的配筋计算并绘制次梁的配筋图(标注次梁截面尺寸及几何尺寸、钢筋的直径、根数、编号及其定位尺寸),(比例1:50,剖面图比例1:20~1:30);(4)用弹性理论方法计算主梁的内力,进行主梁的配筋计算并绘制主梁的配筋图(按同一比例绘出主梁的弯矩包罗图、抵抗弯矩图、模板图及配筋图),(标注主梁截面尺寸及几何尺寸、钢筋的直径、根数、编号及其定位尺寸);(比例1:50,剖面图比例1:20~1:30)。
精品文档整体式单向板肋梁楼盖设计任务书1.设计课题:某工业建筑钢筋混凝土楼盖。
2. 设计目的:通过课程设计,掌握梁板结构的设计方法,其中包括结构布置;板、次梁按塑性理论的计算方法;主梁按照弹性理论的计算方法;熟悉建筑施工图的绘制;并对混凝土原理构件的计算进行系统的应用。
3.设计资料根据初步设计成果,提出设计资料及数据如下:(1)楼层平面如任务书附图所示。
墙体厚度 370 mm结构横向长L i=18 m,结构纵向长L2=30 m。
楼梯位于该层平面的外部,本设计不予考虑。
楼盖采用整体式单向板肋形结构。
( 2)该建筑位于非地震区。
( 3)建筑物安全级别为二级。
( 4)结构环境类别为一类。
( 5)建筑材料等级:混凝土强度等级:梁、板、C25级。
钢筋:板中钢筋、梁中箍筋、构造钢筋为HPB30级(f y=270N/mm,梁中受力筋为HRB400 级。
(f y=360N/mm2)( 6)荷载:钢筋混凝土重度为 25 kN/m3。
楼面面层为水磨石(底层20 mn厚水泥砂浆,10 mm面层),自重为0.65 kN / m2;梁板天花为混合砂浆抹灰15 mm (重度为17 kN /m3)。
楼面活荷载标准值5.0kN/*。
(7)结构平面布置及初估尺寸:板的支承长度为 120 mm次梁的支承长度为240 mm主梁的支承长度为370 mm主梁沿房屋的横(或纵)向布置。
板厚 h= 80 mm 。
次梁:高 h= 450 mm ,宽 b= 250 mm ,间距l1=2.0 m。
主梁:高 h= 650 mm ,宽 b= 300 mm ,间距l2 =6.0 m。
柱:b h=400 mm 400 mm 柱网尺寸为 6.0 m 6.0 m。
4. 设计方法精品文档板、次梁按塑性理论的计算方法;主梁按照弹性理论的计算方法5. 参考资料及阅读文献混凝土结构设计规范(GB 50010-2010);建筑结构荷载规范(GB 50009-2012); 混凝土结构设计教材6. 设计进度阅读任务书和参考资料3学时;布置设计1学时;板的计算4学时;次梁计算4学时;主梁计算6学时;绘制施工详图16学时;整理设计计算书3学时;准备及答辩3学时;合计40学时。
整体式单向板肋梁楼盖课程设计(任务书)班级:15级土木提交日期:2017年7月8日指导教师:土木建筑工程学院混凝土楼盖设计一、设计资料某多层工业厂房,采用整体式钢筋混凝土单向板肋梁楼盖,建筑平面如图所示。
墙厚370mm,中柱为钢筋混凝土柱,截面尺寸400mm×400mm。
(一)楼面做水泥砂浆面层(20mm厚水泥砂浆),自重为20kN/m3,梁板天花混合砂浆抹灰20mm,自重为17kN/m3。
(二)柱网尺寸和楼面活荷载标准值见附表;(三)材料选用。
1、砼:主梁采用C35(f c=16.7N/mm2,f t=1.57N/mm2);次梁和板采用C30(f c=14.3N/mm2,f t=1.43N/mm2)。
2、钢筋:梁中受力纵筋采用HRB400级钢筋(f y=360 N/mm2),箍筋采用HPB300级钢筋,板中受力钢筋为HPB300级钢筋(f y=270 N/mm2)。
楼盖建筑平面二、设计任务的内容和要求任务第一部分:完成楼盖设计计算书,具体内容包括:1、设计资料;2、楼盖结构布置(按比例画出楼盖结构平面布置示意图)。
3、荷载和内力计算(1)板、次梁内力按塑性内力重分布方法计算;(2)主梁按弹性理论计算,并绘出弯矩包络图及剪力包络图。
要求:(1)内容完整、正确、计算准确、文字简捷明了、书写整洁;(2)计算书应包括:封面、目录、计算简图;(3)计算书须整理成A4本。
任务第二部分:绘制楼盖设计施工图,具体内容包括:1、梁板结构布置图及板配筋图,次梁配筋图。
1张A2图;2、主梁配筋图:1张A2图。
图中需列出一种构件的钢筋材料表并附有关设计说明。
要求:(1)图面清晰整洁、内容正确、制图及标注符合建筑制图标准及钢筋混凝土结构规范;(2)图纸应有图纸目录;(3)所有图纸须手工绘图;(4)图纸应以图纸目录顺序折叠成A4本与计算书一起装订。
三、整体式单向板肋梁楼盖设计目的(一)了解单向板肋梁楼盖的荷载传递关系及其计算简图的确定;(二)通过板及次梁的计算,掌握考虑塑性内力重分布的计算方法;(三)通过主梁的计算,掌握按弹性理论分析内力的方法,并熟悉内力包络图和抵抗弯矩图的绘制方法;(四)了解并熟悉现浇梁板的有关构造要求;(五)掌握钢筋混凝土结构施工图的表达方式、制图方法、进一步提高制图的基本技能;(六)学会编制钢筋材料表。
钢筋混凝土单向板肋梁楼盖课程设计任务书一、设计题目设计某多层工业建筑(某生产车间)的中间楼面(采用现浇钢筋混凝土单向板肋梁楼盖)二、设计容1、结构平面布置图:柱网、主梁、次梁及板的布置2、板的强度计算(按塑性力重分布计算)3、次梁强度计算(按塑性力重分布计算)4、主梁强度计算(按弹性理论计算)5、绘制结构施工图(1)、结构平面布置图(1:200)(2)、板的配筋图(1:50)(3)、次梁的配筋图(1:50;1:25)(4)、主梁的配筋图(1:40;1:20)及弯矩M、剪力V的包络图(5)、钢筋明细表及图纸说明平面尺寸:31200mm*18900mm钢筋混凝土单向板肋梁楼盖课程设计一、设计资料1、某设计使用年限为50年工业厂房楼盖,采用整体式钢筋混凝土结构,楼盖梁布置如图所示。
325m /kN =γ2/7mkN 2、 生产车间的四周外墙均为承重砖墙,设5m 钢筋混凝土柱,其截面尺寸为300mm ×300mm 。
3、荷载(1)、楼面活荷载:(2)、楼面面层:20mm 厚水泥砂浆面层 (3)、楼盖自重:钢筋混凝土容重(4)、平顶粉刷:三夹板顶棚 重度为2/18.0m kN(5)、恒载分项系数为:1.2;活载分项系数为1.3(因工业厂房楼盖楼面活荷载标准值大于2/4m kN )。
4、材料选用:(1)、混凝土:采用C25( cf =11.9 N/2mm ,tf =1.27N/2mm )。
次梁受力筋用HRB335级(yf =300N/2mm ),板及梁的其它钢筋可以采(2)、钢筋:主梁及用HPB235(yf =210N/2mm )。
二、板的计算板按考虑塑性力重分布方法计算。
板的397.22100624012<≈=mmmml l ,宜按双向板设计,按沿短边方向受力的单向板计算时,应沿长边方向布置足够数量的构造钢筋。
本例按单向板计算。
板的厚度按构造要求曲mm mm l mm h 5.5240210040801=≈>=。
西南林业大学土木工程学院土木工程专业钢筋混凝土单向板肋梁楼盖课程设计任务书和指导书指导教师:王琼芬2013年9月钢筋混凝土单向板肋梁楼盖结构课程设计任务书设计题目:某多层工业厂房楼面尺寸如图1所示,采用现浇钢筋混凝土单向板肋梁楼盖,环境类别为一类,内框架承重结构体系,外墙厚240mm,主梁支承处设壁柱。
不考虑抗震设防。
一、设计内容(即成果形式)1、结构平面布置:柱网、主梁、次梁和板的布置。
2、板的强度计算:(板的内力按考虑塑性内力重分布的的计算方法计算)。
3、次梁的强度计算(板的内力按考虑塑性内力重分布的的计算方法计算)。
4、主梁的强度计算:(主梁内力按弹性理论计算)。
5、用传统方式绘制结构施工图。
(1)结构平面布置图(主、次梁及板相应的编号);(2)板、次梁配筋图;(3)主梁配筋图(钢筋分离图、主梁弯矩包络图及材料抵抗弯矩图);(4)钢筋表及必要的施工说明(所有钢筋应编号并在钢筋表中列出)。
6、用平面整体表示方法绘制梁、板的结构施工图二、设计资料1、题号:第 题(丛题号表中选取);2、建筑平面尺寸,见图1所示;(注:①主梁下设混凝土垫块200mm 厚;②主梁下墙垛尺寸为370×490;③中柱用钢筋混凝土柱,尺寸为400×400,位置由设计者根据柱网布置确定。
) 3、 荷载:(1)使用荷载(即活荷载,由学生所选题号根据题号表确定) (2)楼面面层:20mm 厚水泥砂浆面层,18=m γkN/m 3; (3)钢筋混凝土容重:25=c γkN/m 3;(4)梁侧面,板底粉刷层:15mm 厚混合砂浆,17=γkN/m 3。
题 号 表:钢筋混凝土单向板肋梁楼盖结构课程设计指导书一、 结构平面布置墙、梁、柱的位置要按建筑物的使用要求决定,因本设计无特殊要求,故结构布置要求符合使用、经济和施工方面的原则,楼梯在示意图外。
1、 柱网可布置成长方形和正方形;2、 板的跨度:(即次梁的间距)一般为1.7~2.7m 比较经济,尽可能等跨布置,由于实际上不易做到等跨布置,所以可把边跨布置的小一些,但跨差不宜大于10%;3、 次梁的跨度:(即主梁的间距)在4.0~6.0m 比较合理,尽可能等跨布置,若不能可把边跨布置的小些,但跨差也不宜大于10%;4、 主梁的跨度:(即柱距)一般为5.0~8.0m 比较经济,而且为板跨的2~3倍为宜,不等跨布置时,但跨差不宜大于10%。
二、 设计内容及步骤1、 选择材料2、 初步确定梁、板截面尺寸(1) 板:一般屋面板厚度60≥p h mm ,民用建筑楼板厚度60≥p h mm ,工业建筑楼板厚度70≥p h mm ,以10mm 为模数;(2) 多跨连续次梁:0181~121l h =,h b 21~31=,以50mm 为模数; (3) 多跨连续主梁: 081~121l h =,h b 21~31=,以50mm 为模数,800>h mm 时以100mm 为模数;(注:梁的宽度也必须符合模数,即b 宜为50mm 的倍数。
) 3、 保护层厚度一类环境时,板的保护层厚度:15=c mm ;梁的保护层厚度:25=c mm 。
4、 板的计算(板的内力按考虑塑性内力重分布的的计算方法计算) (1)板的计算简图(取1m 宽板带作为计算单元):①板简化为多跨连续板,当板的跨数大于五跨时,若跨度差<10%时,可按五跨考虑。
②板的计算跨度:中跨n l l =0(净跨);边跨2/2/0a l h l l n p n +≤+=(a 为板在砌体墙上的支承长度,为120mm )。
(2)荷载计算恒载g k : 20mm 厚1:2水泥砂浆面层(面层厚×水泥砂浆容重) : kN/m 2 板自重(板厚×混凝土容重): kN/m 215mm 厚板底混合砂浆粉刷层重(粉刷层厚度×粉刷层容重): kN/m 2恒载标准值g k =∑活荷载标准值q k :(q k 由自己的题号确定)总荷载设计值g+q : g+q=(r G g k +r Q q k ) ×1= kN/m(3)内力计算考虑塑性内力重分布,采用弯矩调幅法计算,按公式mp M α=(g+q )2l 计算各跨跨中及支座截面的弯矩,各跨跨中及支座截面的弯矩系数mp α见教材30页的表2.3.5所示。
(4)配筋计算:根据各跨跨中及支座截面的弯矩即可列表求出各截面所需的钢筋面积,见表1 。
=1α ;=c f ;=y f ;1000=b mm ; =0h表1:板正截面配筋计算表(5)绘制板的配筋图本设计采用分离式钢筋,具体构造要求参考有关教材、规范及资料。
5、 次梁的设计(次梁的内力按考虑塑性内力重分布的的计算方法计算)(1)次梁的计算简图:①次梁简化为多跨连续板,当跨数大于五跨时,若跨度差<10%时,可按五跨考虑。
②次梁的计算跨度:中跨n l l =0(净跨);边跨2/025.10a l l l n n +≤=(a 为次梁在砌体墙上的支承长度,为240mm )。
(2)荷载计算恒载标准值g k :由板传来的恒载(板面恒载×次梁间距) : kN/m 次梁自重=[b ×(p h h -)×c γ] = kN/m次梁两侧面的粉刷层重:kN/m恒载标准值 g k =∑ kN/m活荷载标准值q k (板活荷载×次梁间距):kN/m总荷载设计值g+q : g+q=(r G g k +r Q q k ) = kN/m (3)内力计算考虑塑性内力重分布,采用弯矩调幅法计算,按公式mb M α=(g+q )2l 计算各跨跨中及支座截面的弯矩,按公式Vb V α=(g+q )n l 计算各支座截面的剪力。
弯矩系数mp α和剪力系数分别见教材表2.3.1和2.3.4所示。
(4)配筋计算: 1)正截面强度计算①次梁跨中截面为T 形截面,支座截面为矩形截面(h b ⨯),T 形截面的翼缘宽度'f b 取3/0'l b f =和n f s b b +='两者中的较小值(0l 、n s 分别为次梁的计算跨度和净间距)。
②根据各跨跨中及支座截面的弯矩即可列表求出各截面所需的钢筋面积 ,见表2。
=1α ;=c f ;=y f ;=b ;'f b = ;350-=h h (一排布置)= 或500-=h h (二排布置)= 。
2)斜截面抗剪强度计算①验算各截面:若025.0bh f V c c β≤,截面尺寸满足要求,否则修改b 、h 重算;若07.0bh f V t ≤,按构造要求配置箍筋;②斜截面配筋计算:可按表3进行计算。
(5) 绘制次梁配筋图,构造要求参见有关教材、规范及资料。
表2:次梁正截面配筋计算表表3:次梁斜截面受剪承载力计算6、 主梁的设计(主梁内力按弹性理论计算)(1)主梁的计算简图: 根据实际跨数和次梁布置情况确定。
①主梁同样简化为多跨连续板,当跨数大于五跨时,若跨度差<10%时,可按五跨考虑;当跨数少于五垮时,按实际跨数计算。
②主梁的计算跨度:边跨(边支座为砌体墙)2/2/2/025.10b a l b l l n n ++≤+=,中跨c l l =0(a 为主梁在砌体墙上的支承长度,为370mm ;b 为主梁的支座宽度,即柱的截面宽度;c l 为主梁的支座轴线间的距离,即柱轴线间的距离)。
(2)荷载计算(为简化,主梁自重按集中荷载考虑)恒载标准值G k : 由次梁传来的恒载(次梁恒载×主梁间距) : kN 主梁自重 kN主梁两侧面的粉刷层重:kN恒载标准值 G k =∑ kN 活荷载标准值Q k : Q k =次梁传来的活荷载×主梁间距 kN 恒载设计值G kN 活荷载设计值Q kN 总荷载设计值(应考虑不同的荷载效应组合,取较大组合值计算) kN (3)内力计算①要求考虑活荷载不利组合,求出不同组合下的弯矩和剪力值并绘制弯矩和剪力包络图及材料的抵抗弯矩图。
②弯矩Ql K Gl K M 21+=,剪力Q K G K V 43+=(i K 为弯矩或剪力系数,可由教材附表查得)。
③弯矩和剪力计算表格及计算过程参见教材。
(4)配筋计算:1)正截面抗弯强度计算同次梁注:支座处负弯矩应取支座边缘截面的弯矩值进行计算;支座边缘截面负弯矩钢筋一排布置时60~50=s a mm ,二排布置时80~70=s a mm 。
纵向钢筋总面积的计算表格参见教材。
2)斜截面抗剪强度计算①验算各截面:若025.0bh f V c c β≤,截面尺寸满足要求,否则修改b 、h 重算;若07.0bh f V t ≤,按构造要求配置箍筋;②斜截面配筋计算:计算表格参见教材。
3)附加箍筋计算: 按有关资料的规定计算。
4)钢筋的切断和弯起:按教材和有关资料的规定确定。
(5)绘制主梁配筋图,构造要求参见有关教材、规范及资料。
课程设计制图标准一、图纸幅面规格:A1二、图标如下:三、比例1、结构平面布置图1:2002、板配筋图1:503、次梁、主梁纵剖面配筋图1:40或1:504、梁横剖面图1:20或1:25四、字体1、字体采用仿宋体,要求字迹清楚、端正、不得潦草;2、从左向右横向书写,要准确使用标点符号;3、字体高度一般不小于4mm。
五、图线及画法1、线型:(b=0.8~1.2mm)粗线宽b,中粗线宽b/2,细线宽b/4。
钢筋线、剖面符号用粗线;轮廓线用中粗线;尺寸线、指引线用细线。
2、定位轴线一般应编号:水平方向用阿拉伯数字1、2、3、4等由左向右注写;垂直方向用大写英文字母,由下而上编写。
轴线编号圆圈直径为8mm。
3、剖面的剖切线:剖面符号用阿拉伯数字,顺序编排。
构配件的剖面编号用阿拉伯数字,编号应按剖视方向写在剖切线一侧,一般向左剖视,编号写在左侧,向下剖视,编号写作下方。
六、结构图列及代号:1、相等中心距代号:@2、钢筋表示法:1)钢筋应编号,尺寸、直径、形状不同的应编不同的号。
编号顺序宜先纵向受力钢筋,然后架立钢筋,最后箍筋。
2)钢筋编号的圆圈直径为6mm。
3)结构平面图一般按正投影的俯视图绘制,如板的平面图(板配筋图中,分布钢筋可作示意图画出也可不画,不画时应在钢筋表中注明直径、间距、总长或另作说明。
4)箍筋尺寸为内皮尺寸,即为梁高、梁宽,两个弯钩不分直径,一律加长150mm。
5)弯起钢筋的弯起高度指外皮尺寸。
6)结构图例:①无弯钩钢筋端部,长短钢筋投影重叠时,见下图示意。
②端部有半圆弯钩的钢筋,在钢筋表中计算钢筋的长度时,每个弯钩的长度为6.25d,d为钢筋的直径。
计算书封面格式、内容:(严格按此设置封面)《混凝土结构设计》课程设计钢筋混凝土单向板肋梁楼盖设计题号:姓名:学号:班级:指导教师:日期:。