单向板肋梁楼盖设计(含梁板配筋图).
- 格式:doc
- 大小:1008.50 KB
- 文档页数:18
土木工程混凝土结构课程设计(双向板)学校名称: 无为电大学生姓名:***学生学号:*************班级:14秋土木工程(本)目录1.设计背景 (1)1.1设计资料 (1)1.2 设计要求 (2)2.设计方案 (3)2.1板布置图 (3)2.2选用材料,地面的做法: (4)3.方案实施 (4)3.1板的计算 (4)3.1.1板的荷载 (6)3.1.2板的内力及配筋 (6)3.2 梁的计算 (10)3.2.1梁的荷载 (10)3.2.2梁内力计算 (12)3.2.3梁配筋计算 (13)3.2.3.1正截面受配弯筋计算 (13)3.2.3.2斜截面受配弯筋计算 (15)目录1 设计资料 (1)2 板的设计 (1)2.1 荷载 (2)2.2 内力计算 (2)2.3 截面承载力计算 (3)3 次梁设计 (3)3.1 荷载 (4)3.2 内力计算 (4)3.3 截面承载力计算 (5)4 主梁计算 (6)4.1 荷载 (7)4.2 内力计算 (7)4.3 截面承载力计算 (11)4.4 主梁吊筋计算 (13)多层工业厂房单向板肋梁楼盖1 设计资料某多层工业厂房设计使用年限为50年,安全等级为二级,环境类别为一类。
结构形式采用框架结构,其中梁柱线刚度比均大于3。
楼盖采用钢筋混凝土现浇单向板肋梁楼盖,厂房底层结构布置图见图1。
楼面做法、边梁、墙、及柱的位置关系见图2。
图1 底层结构布置图楼面活荷载标准值8kN/m2,楼面面层为20mm水泥砂浆,梁板的天棚抹灰为20mm厚混合砂浆。
材料选用=14.3 N/mm2)钢筋:梁的受力纵混凝土:采用C30(fc=300 N/mm2),其余采用HRB300筋采用HRB335级钢筋(fy级钢筋(f=270 N/mm2)。
y2 板的设计板按塑性内力重分布方法设计。
按刚度条件板厚要求取h=L/30=2000/30≈67mm,工业厂房楼面最小厚度图2 节点详图为70mm,取板厚h=80mm。
现浇钢筋混凝土单向板肋梁楼盖设计某工厂仓库的楼盖建筑平面图,如图一所示,环境类别为一类。
楼面均布活荷载标准值为5.5kN / m2,楼盖结构形式为现浇钢筋混凝土单向板肋梁楼盖,竖向承重结构体系采用外砖墙和钢筋混凝土内柱承重方案:1.设计资料(1)楼面恒载:楼面面层用20 mm厚石灰砂浆粉刷。
(2)材料:混凝土强度等级C25 ;梁内受力纵筋为HRB335,其他为HPB235钢筋。
2.楼盖的结构平面布置墙厚240 mm,板伸入墙体120 mm,次梁伸入墙体240 mm,纵墙在主梁端部处有外伸扶壁120 mm×370 mm,主梁搁置长度370 mm。
柱截面350 mm×350 mm。
主梁沿横向布置,次梁沿纵向布置。
主梁的跨度为6.3 m、次梁的跨度为7.5 m,主梁每跨内布置两根次梁,板的跨度为2.1 m,L02/l 01 =7.5/2.1=3.57≥3,因此按单向板设计。
按跨高比条件,要求板厚h≥2200/40=55 mm,对工业建筑的楼盖板,要求h≥80 mm,取板厚h=80 mm。
次梁截面高度应满足h=L0/18~L/12=7500/18~7500/12=416.7~625 mm。
考虑到楼面活荷载比较大,取h=500mm。
截面宽度取为b=200 mm。
主梁的截面高度应满足h=L0/15~L/10=6300/15~6300/10=420~630 mm,取h=600 mm,b=300 mm。
楼盖结构平面图布置图见图二。
3.板的设计⑴荷载板的恒荷载标准值水泥砂浆面层: 0.65 kN / m280 mm钢筋混凝土板0.08×25=2 kN / m220 mm 石灰砂浆0.02×17=0.34 kN / m2小计 2.99 kN / m2板的活荷载标准值: 5.5kN / m2恒荷载分项系数取1.2;因楼面活荷载标准值大于4.0 kN / m2,所以活荷载分项系数应取1.3。
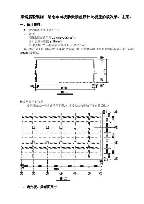
库钢筋砼现浇二层仓单向板肋梁楼盖设计此楼盖的板次梁、主梁。
一、设计资料:1、建筑楼盖平图(如图二)2、荷载:楼面水泥砂浆层厚20㎜(r=20KN/m2);楼面活载标准值q=4Kn/m2;梁.板均用20㎜厚混合砂浆抹灰(r=17kN/ m2)3、材料:砼C30;钢筋:板-HPB235级钢筋;梁-受力钢筋用HRB335级钢筋箍筋、架立筋用HPB235级钢筋.楼盖结构平面布置根据已知三曾仓库建筑平面图.对该楼盖结构作如下图布置(图二)二、确定板、梁截面尺寸次梁、板按考虑塑性内力重分析方法设计,采用不需要作现浇验算的最小截面高度。
1、板厚: h ≧L/40=此值=2300/40=57.5mm 。
此值小于工业厂房楼面最小厚度80㎜的构造规定.所以取板厚h =80㎜.则h o =80-20=60㎜2、次梁h=(1/18~1/12)L=6000/18~6000/12=333~500mm 。
取h=450mm ; b=(1/3~1/2)h=450/3~450/2=150~225mm 。
取b=200mm ; 3、主梁h=(141~81)π=146900~86900=493~863(㎜) 取 h=700㎜ b=(31~21)h=3700~2700=233~350㎜ 取 b=250㎜4、柱:截面为正方形,尺寸为300×300㎜ 三、梁板支承情况:四、内力计算及配筋计算。
(一)板的截面和配筋计算 1、荷截板自重:1.2×0.08×25=2.4KN/㎡ 地面面层:1.2×0.02×20=0.48 KN/㎡天花抹灰:1.2×0.02×17=0.31 KN/㎡=3.19 KN/㎡ 楼面活荷载:q=1.3×4.0=5.2 KN/㎡合计: q+g=8.39 KN/㎡ 2、内力计算取1m 宽板带作为计算单元,各跨的计算跨度为: 中间跨:L=2.3-0.20=2.1m边跨:L=2.3-0.12+208.0-220.0=2.12边跨与中间跨的计算跨度相差:1.21.212.2-=0.009<10%故可按等跨连续板计算内力. 各截面的弯矩计算见表1表1 板的弯矩计算3、截面强度计算取板的截面有效高度h O =60㎜,各截面的配筋计算详见表2。
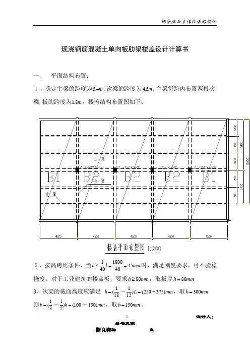
- 1 - 设计人:现浇钢筋混凝土单向板肋梁楼盖设计计算书一、 平面结构布置:1、确定主梁的跨度为5.4m ,次梁的跨度为4.5m ,主梁每跨内布置两根次梁,板的跨度为1.8m。
楼盖结构布置图如下:2、按高跨比条件,当11800454040h l mm ≥==时,满足刚度要求,可不验算挠度。
对于工业建筑的楼盖板,要求mm h 80≥,取板厚mm h 80= 3、次梁的截面高度应满足 1(18h =~1)(250~375)12L mm =,取300h mm = 则1(3b =~1)(1002h =~150)mm ,取150b mm =。
- 2 - 设计人:4、主梁的截面高度应该满足1(14h =~1)(3868L =~675)mm ,600h mm =,则1(3h =~1)(2002h =~mm )300,取mm b 250=。
二、 板的设计(按塑性内力重分布计算): 1、荷载计算: 板的恒荷载标准值: 取1m 宽板带计算:30mm 厚水磨石面层 m kN /65.0165.0=⨯ 80mm 厚钢筋混凝土板 0.08251 2.0/kN m ⨯⨯= 15mm 板底混合砂浆 0.0151710.255/kN m ⨯⨯= 恒载: m kN g k /905.2=活载: 2.51 2.5/k q kN m =⨯=恒荷载分项系数取 1.2;因为工业建筑楼盖且楼面活荷载标准值小于m kN /0.4,所以活荷载分项系数取1.4。
板的设计值总值:由可变荷载效应控制的组合: (1.2 2.905 1.4 2.5) 6.986/g q kN m +=⨯+⨯= 由永久荷载效应控制的组合:(1.35 2.905 1.40.7 2.5) 6.372/g q kN m +=⨯+⨯⨯= 所以由可变荷载效应控制的组合所得荷载设计值较大,板的内力计算取6.986/g q kN m +=2、板的计算简图:次梁截面为150300mm mm⨯,现浇板在墙上的支承长度不小于100mm,取板在墙上的支承长度为120mm。
单向板肋梁楼盖设计案例(本案例中涉及部分较为复杂的设计原理与相关知识,可以参考相关《钢筋混凝土结构》教材与设计手册)某多层工业建筑的楼盖平面如图所示,楼梯设置在旁边的附属房屋内。
楼盖拟采用现浇钢筋混凝土单向板肋梁楼盖。
A-B-C-D轴线间距6600mm ,1-2-3-4-5-6轴线间距4500mm ,柱尺度400×400,墙厚240mm ,搭梁处设有壁柱。
试进行楼盖设计,其中板、次梁按考虑塑性内力重分布设计,主梁按弹性理论设计。
设计资料(1)楼面做法:20mm 水泥砂浆面层,钢筋混凝土现浇板,20mm 石灰砂浆抹底。
(2)楼面荷载:均布活荷载标准值7kN/m 2。
(3)材料:混凝土强度等级C20;梁内受力纵筋为HRB335,其他为HRB235钢筋。
楼盖的结构平面布置确定主梁的跨度为6.6m ,次梁的跨度为4.5m ,主梁每跨内布置两根次梁,板的跨度为2.2m 。
楼盖结构平面布置图见图。
按高跨比条件,要求板厚h ≥2200/40 = 55mm ,对工业建筑的楼盖板,要求h ≥80mm ,取板厚h = 80mm 。
次梁截面高度应满足h = l/18~l/12 = 4500/18~4500/12 = (250~375)mm 。
考虑到楼面活荷载比较大,取h = 400mm ,截面宽度取为b = 200mm 。
主梁的截面高度应满足h = l/15~l/10 = 6600/15~6600/10 = (440~660)mm ,取h = 600mm 。
截面宽度取为b = 250mm 。
板的设计(1)荷载板的恒荷载标准值:20mm 水泥砂浆面层 0.02×20 = 0.4kN/m 2楼盖平面图楼盖结构平面布置图2345BCA D162345BCA D16B1B2B4B4B1B2B3B3B1B2B1B2B6楼盖平面图楼盖结构平面布置图2345BC AD 162345BCAD16B1B2B4B4B1B2B3B3B1B2B1B2B680mm 钢筋混凝土板 0.08×25 = 2.0kN/m 2 20mm 板底石灰砂浆 0.02×17 = 0.34kN/m 2 ---------------------------------------小计 2.74kN/m 2 板的活荷载标准值: 7kN/m 2恒荷载分项系数取 1.2;因为是工业建筑楼盖且楼面活荷载标准值大于4.kN/m 2,所以活荷载分项系数取1.3。
9.2 现浇单向板肋梁楼盖肋梁楼盖由板、次梁和主梁组成。
其中板被梁划分成许多区格,每一区格的板一般是四 边支承在梁或墙上。
当板的长边l 2与短边l 1之比l 2/l 1>2时,经力学分析可知,在荷载作用下板短跨方向的弯距远远大于板长跨方向的弯距。
可以认为板仅在短跨方向有弯距存在并产生挠度,这类板称为单向板。
板中的受力钢筋应沿短跨方向布置。
对于l 2/l 1≤2的板,在长边和短边上都受到梁的支承作用,与单向板相比,板的短、长跨方向上都有一定数值的弯矩存在,沿长边方向的弯距不能忽略。
这种板称为双向板。
双向板沿板的长﹑短边两个方向都需布置受力钢筋。
9.2.1结构平面布置在肋梁楼盖中,结构布置包括柱网、承重墙、梁格和板的布置。
柱网尽量布置成长方形或正方形。
主梁有沿横向和纵向两种布置方案。
前者抵抗水平荷载的侧向刚度较大,房屋整体刚度好。
此外,由于主梁与外墙面垂直,可开较大的窗口,对室内采光有利。
后者适用于横向柱距大于纵向柱距较多时,或房屋有集中通风要求的情况,因主梁沿纵向布置,可使房屋层高降低,但房屋横向刚度较差,而且常由于次梁支承在窗过梁上,而限制了窗洞的高度。
对于有中间走廊的房屋、常可利用中间纵墙承重,这时可仅布置次梁而不设主梁(图9.3)。
单向板肋梁楼盖中,次梁的间距决定了板的跨度,主梁的间距决定了次梁的跨度,柱距则决定了主梁的跨度。
进行结构平面布置时,应综合考虑建筑功能、造价及施工条件等,合理确定梁的平面布置。
根据工程实践,单向板、次梁和主梁的常用跨度为:板的跨度 1.7 ~2.7m ,荷载较大时取较小值,一般不宜超过3m ;次梁的跨度一般为4 ~6 m ;主梁的跨度一般为5 ~ 8 m 。
同时,由于板的混凝土用量占整个楼盖的50%~70%,因此,应使板厚尽可能接近构造要求的最小板厚:工业楼面为80mm ,民用楼面为70mm ,屋面为60mm 。
此外,按刚度要求,板厚还不小于其跨长约l /40。
单向板肋梁楼盖得计算一、 楼盖的结构平面布置主梁沿横向布置,次梁沿纵向布置。
主梁的跨度为6.6m ,次梁的跨度为6m ,主梁每跨内布置两根次梁,板的跨度为2m 。
0102/l l =6÷2.2=2.732<0102/l l <3的板,可按单向板设计,但应适当增加沿长跨方向的分布钢筋,以承担长跨方向的弯矩。
按跨高比条件,要求板厚h ≥2200/40=55mm (因为单向板的厚度应不小于跨度的1/40(连续板),板的配筋率一般为0.3%~0.8%)。
对于工业建筑的楼盖板,要求h ≥80㎜,取板厚h=80㎜。
次梁截面高度应满足h=0l /18~0l /12=6000/18~6000/12=334~500mm 。
考虑到楼面可变荷载比较大,取h=500mm 。
截面宽度取取b=500/3~500/2=167~250mm,取b=200mm 。
主梁的截面高度应满足h=0l /15~0l /10=6600/15~6600/10=440~660mm,取h=650mm 。
截面宽度取b=300mm (同次梁计算) 楼盖板结构平面布置图:二、 板的设计轴线①~②、⑤~⑥的板属于端区格单向板,轴线②~⑤的板属于中间区格单向板。
⑴荷载板的永久荷载标准值:20mm 厚水泥砂浆面层: 20*0.02=0.4KN /㎡80mm 厚钢筋混凝土板 25*0.08=2 KN /㎡ 20mm 厚石灰砂浆 17*0.02=0.34 KN /㎡小计 2.74 KN /㎡板的可变荷载标准值 6 KN /㎡永久荷载分项系数取1.2;应楼面可变荷载标注值大于4.0 KN /㎡,所以可变荷载分项系数应取1.3,于是板的永久荷载设计值: g=2.74*1.2=3.29 KN /㎡ 可变荷载设计值: q=6*1.3=7.8 KN /㎡荷载总设计值: g+q=3.29+7.8=11.09 KN /㎡≈11.1 KN /㎡ (2)计算简图次梁截面为200mm*500mm ,现浇板在墙上的支承长度不小于100mm ,取板在墙上的支承长度为120mm 。
现浇单向板肋梁楼盖设计实例【设计资料】 试设计图1所示某多层工业厂房现浇钢筋混凝土单向板肋形楼盖。
楼面为20mm 厚水泥砂浆面层,12mm 厚板底及梁侧抹灰。
可变荷载标准值7.0kN/m 2。
混凝土强度等级C20(c f =9.6N/mm 2,t f =1.10N/mm 2),梁中主筋采用HRB335级钢筋(y f =300N/mm 2),其余钢筋为HPB235级钢筋(y v y f f ==210N/mm 2)。
图1 某厂房楼盖平面结构布置示意图1. 确定板、梁的截面尺寸板 、次梁按塑性内力重分布法计算,主梁按弹性理论计算。
考虑刚度要求,板厚 h ≥(1/35~1/40)×2200=63~55mm ,考虑工业建筑楼盖最小板厚为80mm ,板厚确定为80mm 。
板的尺寸及支承情况如图8-2-24。
图8-2-24 板的实际结构图次梁截面高度h =(1/18~1/12)0l =(1/18~/12)×5000=278~417mm ,考虑本例楼面活荷载较大,取h b ⨯=200mm ×400mm 。
主梁截面高度h =(1/14~1/8)0l =(1/14~1/8)×6600=471~825m ,取h b ⨯=250mm ×600mm 。
2.板的设计 (1)荷载计算 恒载标准值20mm 厚水泥砂浆面层 0.02×20=0.40kN/m 280mm 厚钢筋混凝土板 0.08×25=2.00kN/m 212mm 厚板底抹灰 0.012×17=0.204kN/m 2k g =2.604kN/m 2恒载设计值 g =1.2×2.604=3.12kN/m 2活载设计值 =1.3×7.0=9.1kN/m 2合 计 q g +=12.22kN/m 2取1m 宽板带为计算单元,则每米板宽 q g +=12.22kN/m (2)内力计算 计算跨度:边跨m h l l 02.2208.0224.022.02.22n 1=+--=+=中间跨 m l l l 0.22.02.2n 32=-===跨度差 (2.02-2)/2 ×100% = 1.0% < 10%,可采用等跨连续梁的内力系数计算。
- 1 - 设计人:吕现浇钢筋混凝土单向板肋梁楼盖设计计算书一、 平面结构布置:1、确定主梁的跨度为5.4m ,次梁的跨度为4.5m ,主梁每跨内布置两根次梁,板的跨度为1.8m。
楼盖结构布置图如下:2、按高跨比条件,当11800454040h l mm ≥==时,满足刚度要求,可不验算挠度。
对于工业建筑的楼盖板,要求mm h 80≥,取板厚mm h 80= 3、次梁的截面高度应满足 1(18h =~1)(250~375)12L mm =,取300h mm = 则1(3b =~1)(1002h =~150)mm ,取150b mm =。
- 2 - 设计人:吕4、主梁的截面高度应该满足1(14h =~1)(3868L =~675)mm ,600h mm =,则1(3h =~1)(2002h =~mm )300,取mm b 250=。
二、 板的设计(按塑性内力重分布计算): 1、荷载计算: 板的恒荷载标准值: 取1m 宽板带计算:30mm 厚水磨石面层 m kN /65.0165.0=⨯ 80mm 厚钢筋混凝土板 0.08251 2.0/kN m ⨯⨯= 15mm 板底混合砂浆 0.0151710.255/kN m ⨯⨯= 恒载: m kN g k /905.2=活载: 2.51 2.5/k q kN m =⨯=恒荷载分项系数取 1.2;因为工业建筑楼盖且楼面活荷载标准值小于m kN /0.4,所以活荷载分项系数取1.4。
板的设计值总值:由可变荷载效应控制的组合: (1.2 2.905 1.4 2.5) 6.986/g q kN m +=⨯+⨯= 由永久荷载效应控制的组合:(1.35 2.905 1.40.7 2.5) 6.372/g q kN m +=⨯+⨯⨯= 所以由可变荷载效应控制的组合所得荷载设计值较大,板的内力计算取6.986/g q kN m +=2、板的计算简图:次梁截面为150300mm mm⨯,现浇板在墙上的支承长度不小于100mm,取板在墙上的支承长度为120mm。
按塑性内力重分布设计,板的计算边跨:0118018007512016451665 222n nal l h l mm =+=--+=≤+=,取011645l mm= (mma120=)中跨:02180******** nl l mm==-=板为多跨连续板,对于跨数超过五跨的等截面连续板,其各跨受荷相同,且跨差不超过10%时,均可按五跨等跨度连续板计算。
计算简图如下图:- 3 - 设计人:吕- 4 - 设计人:吕q+g=6.986kN/m 板的计算简图3、弯矩设计值计算: 用塑性内力重分布理论计算 ,1221011(g+q l = 6.986 1.645=1.721111M kN m =⨯⨯⋅) 222011() 6.986 1.65 1.731111B M g q l kN m =-+=-⨯⨯=-⋅22223011() 6.986 1.65 1.191616M M g q l kN m ==+=⨯⨯=⋅222011() 6.986 1.65 1.361414c M g q l kN m =-+=-⨯⨯=-⋅由题知:,20,1000mm a mm b s ==设则,mm a h h s 6020800=-=-=211.9/c f N mm =,2210/y f N mm =根据各跨跨中及支座弯矩可列表计算如下:- 5 - 设计人:吕位于次梁内跨上的板带,其内区格四周与梁整体连接,故其中间跨的跨中截面(2M 、3M )和中间支座(c M )计算弯矩可以减少20%,其他截面则不予以减少。
4、确定各种构造钢筋: ⑴分布筋选用A 8@200。
⑵嵌入墙内的板面附加钢筋选用A 8@200。
⑶垂直于主梁的板面附加钢筋选用A 8@200。
⑷板角构造钢筋:选用A 8@200,和A 8@300双向配置板四角的上部。
5、绘制板的配筋示意图: 采用弯起式筋,详见板的配筋图.三、次梁设计(按塑性内力重分布计算): 1、次梁的支承情况:- 6 - 设计人:吕2、荷载计算:由板传来: 2.905 1.8 5.229/kN m ⨯= 次梁肋自重: ()0.150.30.08250.825/kN m -⨯= 次梁粉刷重 ()0.0150.30.082170.112/kN m ⨯-⨯⨯= 恒载: 6.166/k g kN m = 活载: 2.5 1.8 4.5/k q kN m =⨯= 设计值总值:由可变荷载效应控制的组合:g+q 1.2 6.166 1.4 4.513.70/kN m =⨯+⨯= 由永久荷载效应控制的组合: 1.35 6.1660.7 1.4 4.512.73/g q kN m +=⨯+⨯⨯= 所以由可变荷载效应控制的组合所得荷载设计值较大,板的内力计算取13.70/g q kN m +=- 7 - 设计人:吕3、确定计算跨度及计算简图。
塑性内力重分布计算时,其计算跨度:边跨:012502401.025 1.0254225433145001204375222n n al l mm l mm ==⨯=<+=---= 取014331l mm = (mm a 240=) 中间跨: 0245002504250n l l mm ==-=因跨度相差小于10%,可按等跨连续梁计算,计算简图如下:次梁的计算简图q+g=13.70kN/m3、内力计算: 弯矩设计值:1221011()13.7 4.31123.361111M g q l kN m =+=⨯⨯=⋅ 123.36B M M kN m =-=-⋅22223011()13.7 4.2515.471616M M g q l kN m ==+=⨯⨯=⋅222011()13.7 4.2517.681414c M g q l kN m =-+=-⨯⨯=-⋅- 8 - 设计人:吕剪力设计值:n 0.45(q l 26.23A V g kN =+=) n 0.6()l 34.98Bl V g q kN =+= n 0.55()l 32.02r Br Cl C V V V g q kN ===+=4、截面承载力计算:⑴、次梁跨中按T 形截面计算,T 形截面的翼缘宽度'f b ,按'011425014171501650180033f n b l mm b s mm ≤=⨯=<+=+=,故取'1417f b mm =。
次梁高: 0300,30040260h mm h mm ==-= 翼缘厚: mm h f 80'= 判定T 形截面类型:61080() 1.011.9141780(260)296.81022f c f f h f b h h N mm α'''-=⨯⨯⨯-=⨯⋅ 23.36()296.815.47()kN m kN m kN m ⋅⎧=⋅>⎨⋅⎩边跨中中间跨中 故各跨中截面属于第一类T 形截面。
⑵、支座截面按矩形截面计算,离端第二支座B 按布置两排纵向钢筋考虑,取030060240h mm =-=,其他中间支座按布置一排纵向钢筋考虑, 取0260h mm =⑶、次梁正截面承载力计算见下表:(正截面采用二级钢22300/,11.9/y c f N mm f N mm ==)- 9 - 设计人:吕⑷、次梁斜截面承载力计算见下表:2220( 1.27/,210/,11.9/,150,2602400.240.145%)t yv c t sv yvf N mm f N mm f N mm b mm h mm ff ρ=====≥=或5、构造配筋要求:沿全长配置封闭式箍筋,第一根箍筋距支座边50mm 处开始布置,在简支端的支座范围内各布置一根箍筋。
四、主梁设计(按弹性理论计算):1、支承情况:柱截面350×350,由于钢筋混凝土主梁抗弯刚度较钢筋混凝土柱大的多,故可将主梁视作铰支于钢筋混凝土柱的连续梁进行计算。
主梁端部支承于砖壁柱上,其支承长度a=370。
2、荷载计算:为简化计算,主梁自重亦按集中荷载考虑。
- 10 - 设计人:- 11 - 设计人:次梁传来的荷载: 6.166 4.527.7kN ⨯=主梁自重: (0.60.08)0.25 1.825 5.85kN -⨯⨯= 主梁粉刷重: 2(0.60.08)0.015 1.8170.5kN -⨯⨯= 恒载:=k G 34kN 恒载设计值:==k G G 2.140.8kN 活载设计值:=Q 1.4 1.8 4.5 2.528.4kN ⨯⨯⨯= 3、确定计算跨度及计算简图 主梁计算跨度:边跨: 01111.025 1.0255105350540822n l l b mm =+=⨯+⨯=柱115105370/2350/2546522n l a b mm ≤++=++=柱,近似取015410l mm =因跨度相差不超过10%,可按等跨梁计算,计算简图如下:主梁的计算简图CAB3、内力计算:1)、040.8 5.41221Gl kN m =⨯=⋅ 028.4 5.41154Ql kN m =⨯=⋅- 12 - 设计人:弯矩设计值:1020M k Gl k Ql =+ 其中, 2 1k k 可由书中表查取,0l 为计算跨度, 2)、剪力设计值:Q k G k V 43+=,其中, 43k k 可由书中表查可知。
主梁弯矩计算由此可作出下列几种情况下的内力图:①+②; ①+③; ①+④- 13 - 设计人:绿线:蓝线:红线:①+④①+③①+②弯矩包络图-124.8783.2541.9441.9483.25-99.3191.8759.1849.0624.6724.6749.0659.1891.87将以上各图绘于同一坐标系上,取其外包线,则为弯矩包络图。
主梁剪力计算- 14 - 设计人:同样可绘出剪力包络:红线:46.1550.87①+②-23.05-18.33-87.53-92.25-23.05-18.3346.15剪力包络图92.25 46.1518.3323.0518.3323.0550.8746.15蓝线:绿线:①+④①+③87.5359.13-22.4722.4759.134、主梁正截面和斜截面承载力计算:⑴、主梁跨中按T 形截面计算,T 形截面的翼缘宽度'f b ,按'011540018002505105535533f n b l mm b s mm ≤=⨯=<+=+=,故取'1800f b mm =。
主梁高: 0600,60040560h h mm ==-= 翼缘厚: mm h f 80'= 判定T 形截面类型:61080() 1.011.9180080(560)891.071022f c f f h f b h h N mm α'''-=⨯⨯⨯-=⨯⋅ 891.0791.87kN m kN m =⋅>⋅故各跨中截面属于第一类T 形截面。