复合玻纤板风管的制作与安装
- 格式:docx
- 大小:190.48 KB
- 文档页数:12
玻璃纤维通风管制作安装施工工艺
简介
本文档旨在介绍玻璃纤维通风管制作安装施工的工艺流程及注意事项。
工艺流程
1. 材料准备:
- 确定所需的玻璃纤维管的规格和数量。
- 准备所需的连接件、密封材料等辅助材料。
2. 管道制作:
- 按照设计要求,将玻璃纤维管切割成适当长度。
- 使用连接件将玻璃纤维管连接起来,确保连接牢固。
- 在连接处使用适当的密封材料进行密封,确保无漏气现象。
- 对连接处进行检查,确保完整性和质量。
3. 管道安装:
- 根据设计要求和安装图纸,确定管道的布置位置。
- 使用合适的固定装置将管道固定在预定位置上。
- 检查管道的安装质量,确保符合要求。
4. 完工验收:
- 进行管道的试运行,检查其运行情况和效果。
- 检查管道的外观和连接处,确保无破损和松动。
- 完成验收记录和报告。
注意事项
- 在操作过程中,需佩戴合适的防护装备,确保工作安全。
- 确保工作环境通风良好,避免有害气体的积聚。
- 在切割和连接管道时,使用专业工具和方法,确保操作准确规范。
- 在连接处进行密封时,选择合适的密封材料,确保连接牢固且无泄露。
- 在进行试运行和验收时,注意观察管道运行情况和效果,及时发现并解决问题。
以上为玻璃纤维通风管制作安装施工工艺的简要介绍,希望对您有所帮助。
如需更详细信息,请参考相关技术标准和操作规程。
一、概述复合玻纤板风管是建筑材料行业新兴起的新一代建筑材料,它广泛应用于宾馆、饭店、商业大厦、游泳场馆、工矿企业等地。
它具有消音、保温、防火、防潮等特点,是一种新型的空调风管。
复合玻纤板风管适用于输送干燥气体或饱和气体,也可用输送具有加湿气体成份要求的场合,还可用于传送有腐蚀成份的气体,气体温度—30℃~+50℃之间,气体湿度可达95%。
二、主要性能参数及特点本公司生产的复合玻纤板风管分铝箔复合消音保温风管和多彩复合消音保温风管两种。
适用于输送干燥气体、饱和气体、具有腐蚀成份的气体或有加湿要求的场合,其在消音、防火、承压、漏风量等项目上均通过有关产品质量检测机构的检验。
多彩复合消音保温风管表面喷涂两层特殊配置的彩色胶质耐火涂料,不仅气密性好,防潮性能俱佳,而且风管表面的颜色可以根据各类建筑的要求配置,使色彩协调一致。
多彩风管的内层可以根据输送空气湿度的大小涂刷一道特殊的防水涂层,特别适用于装有喷淋段高湿度的空调系统。
(一)复合玻纤板风管的主要特点有:1、消音复合玻纤板风管是一个管式消音器,其消音量为3分贝/米,其输送气体风口噪音小于45分贝。
2、保温以主体材料为离心玻璃棉板复合制成的新型风管板材,其导热系数低、保温性能良好,在24℃时进行测试,其导热系数测定为0.029w/M.K,低于岩棉和矿棉。
3、防火新型风管的板材是选用各种不燃性材料用特制的防火胶在高温条件下粘合而成,具有良好的防火性能,经青岛市产品质量监督检验所实测结果,认定为不燃级材料。
4、防潮湿度在95%条件下,经测试新型风管板材的吸湿率不大于2%,憎水率>98%。
5、强度新型风管根据不同截面,内外部采用型钢加固骨架,T字型管接头或法兰两种连接方式,该风管在送风压力达到1700Pa时,风管完好无损,对于承压超过2000Pa时,风管选用非标准化加固方法,可保证风管壁料不泄压,风管变形在标准范围以内。
6、纤维含量为确保风管在运行时无纤维飞散,公司从制作工艺、连接形式到施工质量,都以行业规范为标准,采取相应的措施,保证了产品的质量。
复合风管制作安装方案复合风管是一种由不同材料层次复合而成的管道系统,常用于空调系统、通风系统等。
相比传统的金属风管,复合风管具有更好的隔音、防火、耐腐蚀等性能。
本文将详细介绍复合风管的制作和安装方案。
一、复合风管制作方案1. 材料准备首先,我们需要准备复合风管制作所需的材料。
复合风管通常由外层镀锌钢板、内层玻璃棉隔热层和铝箔保护层组成。
这些材料可以根据实际需要进行定制。
2. 制作工艺制作复合风管的工艺主要包括以下几个步骤:(1)测量尺寸:根据实际安装位置和需求,测量出所需的复合风管尺寸。
(2)切割材料:根据测量的尺寸,使用相应的工具对镀锌钢板、玻璃棉隔热层和铝箔保护层进行切割。
(3)组合材料:将切割好的材料按照顺序进行组合,注意保持良好的密封度和紧固度。
(4)焊接固定:使用专用焊接设备对复合风管的连接部分进行焊接,确保连接牢固可靠。
二、复合风管安装方案1. 安装准备在进行复合风管安装之前,需进行以下准备工作:(1)测量定位:根据设计要求和实际施工条件,确定复合风管的安装位置和尺寸。
(2)准备工具:准备好安装所需的工具,如电钻、扳手、螺丝刀等。
(3)安全措施:佩戴好安全帽、手套等防护用具,确保施工过程中的安全。
2. 安装步骤(1)固定支架:根据已测量位置,在墙壁或天花板上安装固定支架,确保支架牢固并与风管的尺寸相匹配。
(2)安装连接件:在复合风管的两端安装连接件,确保连接件与管道的密封性。
(3)悬挂风管:用绳子或链条将复合风管吊装到固定支架上,并调整好风管的水平位置。
(4)连接管道:根据需要,使用软管或金属软管将复合风管与风机、出风口等相关设备连接。
(5)密封处理:使用密封胶等材料对复合风管的连接处进行密封处理,确保风管系统的气密性。
三、总结通过本文的介绍,我们了解了复合风管的制作和安装方案。
在制作复合风管时,需准备好相应的材料并按照制作工艺进行操作。
在安装复合风管时,需事先进行测量和准备工作,并注意安全措施。
复合玻纤风管施工工法一、前言随着现代建筑业的发展,管道系统在建筑工程中扮演着极其重要的角色。
其中风管是建筑工程中比较常见的一种管道系统。
而在风管的施工中,复合玻纤风管施工工法已经逐渐被广泛应用。
二、工法特点与传统的风管施工工法相比,复合玻纤风管施工工法具有以下几个特点。
首先,材料完全不同。
采用玻璃纤维增强材料和PU发泡胶粘合,具备很高的物理强度和耐腐蚀性能;其次,施工效率较高,这得益于玻璃纤维增强材料的柔韧性;最后,施工过程中包括气压测试在内的复合检测手段能够对复合玻纤风管的密封性进行全方位、全过程的检验,能够确保施工质量。
三、适应范围复合玻纤风管施工工法适用于各类建筑工程中,有着非常广泛的适用范围,如商业、综合建筑、机场、医院、工业厂房等。
四、工艺原理1. 玻璃纤维增强材料的柔韧性和可塑性。
这种材料在使用前可以随意弯曲,同时可以根据不同建筑要求进行量身定制。
2. PU发泡胶的物理特性。
在敷设玻璃纤维增强材料之后,在其表面喷涂PU发泡胶,胶体在充分反应后,具有非常高的物理强度和耐腐蚀性能。
而这也是复合玻纤风管具有材料优势的原因。
3. 风管的密封性。
施工后立即对复合玻纤风管进行气压测试,可以全方位、全过程地检验复合玻纤风管的密封性,确保施工质量。
五、施工工艺1. 准备工作,包括测量、剪切、拼接。
2. 喷涂第一层PU发泡胶。
3. 敷设玻璃纤维增强材料。
4. 将玻璃纤维增强材料滚压、抛光。
5. 喷涂第二层PU发泡胶并进行表面处理,使风管的外表面更为均匀平整。
6. 进行气压测试,确保复合玻纤风管的质量。
六、劳动组织复合玻纤风管施工中需要由专业的施工队伍进行施工。
其中,一名班长带领数名技术工人进行施工操作。
七、机具设备复合玻纤风管施工需要使用以下机具设备:1. 玻璃纤维增强材料切割机。
2. 吹风枪。
3. PU发泡胶泵。
4. 滚压机。
5. 拉力机。
6. 喷漆枪。
7. 气动焊接机。
八、质量控制1. 施工过程的监测和调整。
一体化内衬无甲醛环保玻纤消音复合风管制作安装施工工法一、前言一体化内衬无甲醛环保玻纤消音复合风管制作安装施工工法是一种环保、高效、安全的风管制作和安装方法。
本文将介绍该工法的特点、适应范围、工艺原理、施工工艺、劳动组织、机具设备、质量控制、安全措施、经济技术分析以及工程实例。
二、工法特点一体化内衬无甲醛环保玻纤消音复合风管是采用环保材料制作的风管,具有无甲醛、阻燃、隔音、隔热等特点。
该风管具有优异的耐腐蚀性能和抗菌性能,能够提供清洁空气环境。
此外,该风管制作工艺简单,安装方便快捷,适用于各种建筑环境。
三、适应范围一体化内衬无甲醛环保玻纤消音复合风管适用于商业建筑、工业厂房、医院、学校、办公楼等各类建筑物的通风系统。
由于其优秀的阻燃性能,尤其适用于对阻燃性要求较高的场所,如化工、油气、电力等行业。
四、工艺原理该工法主要基于内衬无甲醛玻纤复合材料的环保特性和良好的隔音性能,通过优化风管的设计和制作工艺,提供高效、安全、环保的通风系统。
具体来说,该工法采用模具制作风管的内衬材料,然后将玻纤复合材料包覆在内衬材料上,形成一体化风管,最后进行安装和调试。
五、施工工艺1. 前期准备:确定施工方案、检查施工现场、准备所需材料和机具设备。
2. 制作风管内衬:根据设计要求,制作风管内衬,包括模具制作、材料搅拌、注入模具、固化等步骤。
3. 制作玻纤复合材料:根据设计要求,制作玻纤复合材料,包括高温固化、砂轮修整等步骤。
4. 风管组装与安装:根据设计要求,将内衬和玻纤复合材料组装在一起,并进行连接和安装。
5. 风管调试:对安装完成的风管进行调试和检查,确保其正常运行。
六、劳动组织施工工法需要具备一定的劳动组织,包括项目经理、技术负责人、施工人员等。
根据规模和复杂程度,合理分工,并保证施工人员具备相关技能和经验。
七、机具设备该工法所需的机具设备包括模具、搅拌设备、砂轮修整设备、安装工具等。
这些设备应符合相关标准和安全要求,确保施工过程的安全性和效率。
一、工程概况本工程采用复合风管作为通风管道,复合风管由两层玻纤增强氯氧镁水泥面板和难燃聚苯乙烯泡沫夹芯组成。
该材料适用于改扩建等旧有结构复杂、负荷要求比较小的工程,以及体育馆、图书馆等大空间、环保要求比较高的工程。
二、施工准备1. 材料准备:复合风管板材、专用胶粘剂、切割机、电动搅拌机、刮刀、手提切割机等。
2. 人员准备:风管加工人员、安装人员、监理人员等。
3. 施工现场准备:确保施工现场安全、整洁,具备施工条件。
三、施工工艺流程1. 风管预制(1)板材切割:直管采用平台切割,变径、三通、弯头等异径管件板材采用手提切割机。
切割线平直,板对角线长度误差小于5mm。
梯阶线、切割线与板面成90度。
风管左右板与上下板粘接处切割成台阶形,台阶线深度15mm。
(2)专用胶配制:专用胶由氯化镁、氧化镁粉剂与卤水液剂两部分组成,粉剂与液剂的重量比为53。
专用胶采用电动搅拌机拌和,不宜过稠,以流动为宜。
(3)直管制作:首先用刮刀将侧面板的梯阶形保温层刮去,保证梯阶平整。
2. 风管安装(1)施工准备:根据施工现场情况及设计图纸,画出风管加工草图。
(2)风管连接:将预制好的风管段通过胶粘联接成一体。
(3)加固:在风管连接处加固,确保风管整体强度。
(4)吊装:将风管分段吊装至指定位置。
(5)调整:对风管进行水平、垂直调整,确保安装精度。
四、施工要点1. 切割:切割线应平直,板对角线长度误差小于5mm。
2. 粘接:使用专用胶粘剂粘接,确保粘接质量。
3. 加固:在风管连接处加固,提高风管整体强度。
4. 吊装:分段吊装,确保安装精度。
5. 调整:对风管进行水平、垂直调整,确保安装精度。
五、质量保证措施1. 严格按设计图纸、施工规范进行施工。
2. 加强施工过程中的质量控制,确保施工质量。
3. 施工人员应具备相关资质,熟悉施工工艺。
4. 施工过程中发现问题,及时整改。
六、安全措施1. 施工现场应设置安全警示标志。
2. 施工人员应佩戴安全帽、手套等防护用品。
铝箔复合玻纤风管制安要求铝箔复合玻纤风管制安要求坚固、美观、快捷,技术要求如下:一、风管制作1.风管制作时板材保证校方,然后再开V型槽。
2.风管合口处,将其中一个V型槽预留100mm板材,去掉该处的玻纤棉和内面铝箔,只留下外面铝箔,并清理干净杂物。
3.涂胶:V型槽涂敷合管胶,其中预留的100mm外箔也涂胶,放置2~3分钟后进行合管。
最后将预留的100mm外箔粘接到合管后的风管外层,压紧,封铝箔粘性胶带。
做好的半成品风管必须立着放置,严禁水平放置,合管胶8小时后达到强度极限,方可搬运。
4.法兰和加强角、扣角、风管法兰粘接处等涂法兰胶后需放置5分钟,再与风管组装。
每个塑料扣角与法兰连接处均用自攻钉固定。
5.风管的每个对接角都必须均匀涂敷密封胶。
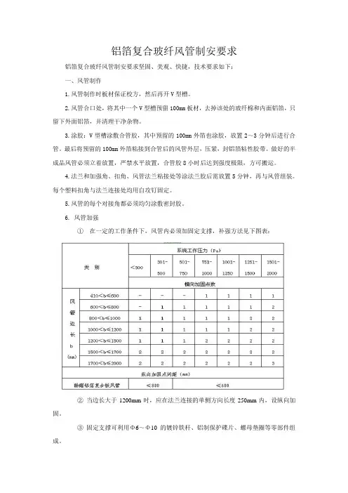
6. 风管加强①在一定的工作条件下,风管内必须加固定支撑,补强方法见下图表:②当边长大于1200mm时,应在法兰连接的单侧方向长度250mm内,设纵向加固。
③固定支撑可利用Φ6~Φ10的镀锌铁杆、铝制保护碟片、螺母垫圈等零部件组成。
7.风管做好后放置8小时,才可以安装。
8.风管所用弯头均采用斜切弯头,直边长度为150mm。
三通均采用三通法兰。
二、风管支架制作1.风管支架要求:风管高度小于600mm或宽度小于1600mm时,采用M8全丝和38×12轻钢龙骨;宽度超过1600mm或高度超过600mm时采用M8全丝和50×25轻钢龙骨;当宽度超过2200mm 或高度超过1200mm时采用M10全丝和L40×40×3角钢。
2.支架间距:风管支架间距为1.5~2M,压条在支架上间隔布置。
风管长度超过20m时,风管要求用L40×40×4角钢作固定支架。
三、风管连接1.风管与风阀采用F法兰连接,中间加双面胶;风阀设单独吊支架。
风管与风口连接开口处采用F法兰连接。
2.风管与风管连接若采用平口外法兰,法兰中间需加双面胶;若采用“工”字内插法兰,则不用加双面胶。
玻纤风管施工方案一、引言玻纤风管是一种新型的轻质、高强度的风管材料,由玻璃纤维和环氧树脂复合材料制成。
相比传统金属风管,玻纤风管具有重量轻、导热系数低、耐腐蚀、绝缘性能好等特点,逐渐得到了广泛应用。
本文将介绍玻纤风管的施工方案,在施工过程中需要注意的事项以及施工后的维护和保养。
二、施工前准备1. 材料准备在进行玻纤风管施工前,需要准备好以下材料和设备:•玻纤风管•风管连接件(法兰、弹性接头等)•密封胶•空气净化器•手持式切割工具•钢尺、铅笔等基本工具2. 标准和规范在施工前,施工方应仔细研读相关的标准和规范,了解玻纤风管的施工要求,确保施工过程符合相关法律法规。
3. 施工方案制定根据工程需要制定玻纤风管施工方案,明确施工的步骤、流程和注意事项,确保施工工作的顺利进行。
三、施工步骤1.测量与标注根据施工图纸,使用钢尺和铅笔对施工现场进行测量和标注,确定风管的安装位置和尺寸。
2.切割使用手持切割工具,根据测量结果对玻纤风管进行切割,确保风管尺寸符合要求。
3.连接将已经切割好的玻纤风管通过风管连接件进行连接。
使用密封胶在连接处进行密封,防止漏风。
4.安装固定将连接好的玻纤风管安装在预定位置上,并使用固定件进行固定,确保风管稳固不松动。
5.检查与测试施工完成后,对风管进行检查和测试。
使用空气净化器测试风管系统的通风性能和密度,确保施工质量符合要求。
四、施工注意事项1.安全•在施工过程中,工人应佩戴合适的防护设备,如手套和口罩,以防止皮肤接触玻璃纤维引起不适。
•施工现场应保持通风良好,避免空气中过量的玻璃纤维粒子。
•注意切割工具的安全使用,避免造成伤害。
2.环境•玻纤风管施工应在室内条件下进行,避免风管暴露在阳光、雨水和其他恶劣环境中。
•施工现场应保持清洁,避免杂物和灰尘进入风管系统。
3.施工质量•施工过程中应确保风管的连接紧密、无裂缝和漏风情况。
•定期使用空气净化器对风管系统进行检测,确保通风性能和密度符合要求。
3-4 复合型玻纤板风管制作与安装1 范围本章适用于一般工业与民用建筑,通风与空调工程中复合型玻纤板风管板材制作与安装。
复合玻纤板材即高密度离心玻璃棉板材经过高温、高压复合生产线复合成的铝箔复合板材,由三层组成。
内层为高密度的阻燃黑色防霉、防潮、防蛀的丙烯酸涂层或玻璃纤维,中间层为25mm或38mm玻璃纤维板,外层为复合型玻璃纤维铝箔,具有保温及吸声性能。
2施工准备2.1材料要求2.1.1 风管制作与安装所用的板材、型材及其他成品材料应符合设计及国家相关产品标准的规定,并具有出厂质量检验合格证明文件。
材料进场按现行相关标准进行验收。
2.1.2 铝箔复合保温板材的品种、规格、性能、厚度等技术参数应符合设计规定。
当设计无规定时,应符合以下规定。
1玻纤板应为不燃材料。
规格为厚25mm、密度64kg/m3、宽1000~1200mm,长度不限,特殊情况为38mm或由供需双方商定。
导热性能与尺寸、密度偏差应符合GB/T13350规定。
2玻璃纤维布复合铝箔规格为宽1000mm或1200mm、厚0.015mm或0.02mm。
氧指数不小于70。
3铝箔胶带规格为宽50mm或60mm、厚0.05mm。
氧指数不小于30。
剥离强度不小于12N/25mm。
4粘合剂粘度、PH值、含固量、粘结强度应符合表2.1.2-4规定。
氧指数不小于60。
表2.1.2-4 粘合剂粘度、PH值、含固量、粘结强度2.2主要施工机具2.2.1 机械:切割机、手动压弯机、台钻、电锤、手电钻、电焊机等。
2.2.2 工具:工作台、压尺、双刃刀(90°、45°)、单刃刀(90°、左右45°、左右22.5°)、壁纸刀、扳手、打胶枪等。
2.2.3 量具及其他角尺、钢板尺、钢卷尺、划规等。
2..3 作业条件2.3.1 设计图纸、技术文件齐备,对施工图进行审核、编制施工方案、进行施工技术交底。
风管制作应具有批准的图纸,经审查的大样图、系统图,并有施工员书面的技术、质量、安全交底材料。
复合风管制作安装方案随着现代建筑技术的不断发展,复合风管在建筑物的通风系统中扮演着重要角色。
复合风管具有轻质、高刚度、耐腐蚀等优点,因此被广泛应用于各种建筑中。
在本文中,我们将讨论复合风管的制作和安装方案,探讨其在建筑通风系统中的应用。
一、材料准备复合风管制作所需的材料主要包括复合板、密封胶水、连接件等。
复合板是复合风管的主要组成部分,其质量直接决定了风管的性能。
在选材时,应选择品质可靠的厂家供货,并在施工前进行质量检测,确保符合相关标准。
二、制作流程制作复合风管的流程大致可分为以下几个步骤:材料准备、尺寸确定、切割、拼接、安装等。
1. 尺寸确定:根据建筑物的通风系统要求,确定复合风管的尺寸和形状。
在确定尺寸时要考虑到通风量、风道路径和建筑结构等因素,确保风管的有效性和适用性。
2. 切割:将已经确定尺寸的复合板按要求进行切割。
切割过程应精确,确保风管的连接紧密,减少风阻。
3. 拼接:使用密封胶水将切割好的复合板拼接起来。
在拼接的过程中,应确保接缝处的胶水均匀涂布,避免漏风现象的发生。
拼接后应采用专用工具进行压接,确保接缝的牢固性。
4. 安装:按照建筑设计图纸和通风系统要求进行风管的安装。
风管的支架应稳固可靠,避免因振动或荷载过重导致风管破裂,影响通风效果。
三、安装注意事项在复合风管制作安装过程中,还需注意以下几点:1. 确保通风系统设计合理。
在制作风管之前,应根据建筑物的功能要求和通风量确定合理的通风系统设计方案,确保风管的尺寸和布局符合实际需要。
2. 保证制作质量。
在风管制作过程中,要采用合适的工艺和材料,确保风管的制作质量。
制作完成后,应进行质量检测,确保风管达到相关标准。
3. 合理布置风管路径。
在进行风管安装时,要根据建筑结构和通风要求合理布置风管路径,避免施工难度过大或风管接触其他建筑结构,影响通风效果。
4. 密封处理。
在风管安装完毕后,应对风管的接口进行密封处理,避免漏风现象的发生。
对于特殊要求的通风系统,可以使用密封胶水进行加固。
复合玻纤风管的制作施工工艺------------------------------------------作者xxxx------------------------------------------日期xxxx复合玻纤风管施工工艺一、复合玻纤风管主要施工工艺及技术措施1、准备工作风管系统安装前,应进一步核实风管等部件的标高是否与设计图纸相符,并检查土建预留的孔洞、预埋件的位置是否符合要求,并按图纸在现场绘制加工草图。
2、复合玻纤风管的制作复合玻纤风管的标准施工包含设计、安排、绘图、制作和安装。
就材料的性质属新材料,因而工艺参照行业标准,结合企业标准进行制作施工,方可帮助你达到灵活多样、简易轻便等多项益处。
1)板材开槽的种类及尺寸板材开槽的种类有三种:一块板开槽法、二块板开槽法、四块板开槽法。
具体尺寸如下:(1)一块板开槽法25mm厚板材展开长度=(W+D)×2+200(mm)(2)二块板开槽法25mm厚板材展开长度=(W+D)×2+230(mm)(3)四块板开槽法25mm厚板材展开长度=(W+D)×2+290(mm)注:W——风管内径宽度尺寸(mm)。
D——风管内径高度尺寸(mm)。
2)板材开槽的方法:手工开槽应使用专用的手工开槽刀具进行开槽,开槽尺寸应根据风管内径尺寸再加上展开的搭接长度尺寸;开槽完成后的板材将形成可搭接的折边及供密封时用的密封盖舌。
手工开槽刀具及开槽形状:1#开槽刀 2/4#开槽刀 3#开槽刀3)直接管道的制作(1)将已开好槽的板材槽口刷上专用粘接胶,然后折起以形成管道,注意应使管道两端的雌雄口端缘平齐。
(2)将管道倾斜约300,用装订针将密封盖舌固定,装订针应与接口平行或略带角度,装订针间距为50mm。
(3)用专用的密封胶带根据工艺规范进行密封。
5)900弯管的制作(1)在开好槽的板的雌口处划出放置导流片的位置尺寸线及支管分接口(A板)的尺寸线=(A板的尺寸=风管内径+35mm或55mm)(2)根据划线用导流片切割刀开孔,并将A板割下。
复合风管制作安装方案一、项目概述复合风管是一种具有良好防火、防腐蚀性能的风管制品,广泛应用于建筑物的通风、排烟系统中。
本方案将介绍复合风管制作安装的步骤和要求,以确保管道系统的有效运行和安全性。
二、制作和安装步骤1. 设计评审:在制作和安装复合风管之前,需要进行设计评审,以确保系统满足建筑物的要求并符合相关的规范标准。
2. 材料准备:根据设计评审确定的尺寸要求,准备合适的复合风管材料和配件。
材料应具备防火、防腐蚀性能,并符合国家相关标准。
3. 制作复合风管:按照设计要求,采用专业制作设备和工艺,对复合风管进行制作。
在制作过程中,要注意保持材料的完整性和连接的牢固性。
4. 安装支架:在安装复合风管之前,需先安装支架。
支架应按照设计要求进行布置,并确保其稳固可靠,能够承受风管的重量。
5. 安装复合风管:根据实际情况,将制作好的复合风管逐段安装在支架上。
连接部分应采用专业的连接件,并确保连接牢固,无漏风现象。
6. 密封处理:在复合风管的连接部分和风管与建筑物墙体之间进行密封处理,防止空气泄漏和能量损失。
7. 防火处理:根据要求对复合风管进行防火处理,使用专业的防火涂料或防火材料进行涂覆,以提高系统的防火能力。
8. 检测和调试:在完成复合风管的制作和安装后,进行系统的检测和调试。
检测包括风管系统的气密性检测和风速流量的测试,以确保系统正常运行。
三、质量控制要求1. 材料质量:所选用的复合风管材料应符合国家相关标准,具有良好的防火、防腐蚀性能,并能长期稳定运行。
2. 制作工艺:在复合风管的制作过程中,要严格按照规范操作,保证风管的尺寸准确、连接牢固,且表面平整,无明显缺陷。
3. 安装质量:安装过程中,要确保复合风管的位置和角度准确,连接件牢固可靠,避免出现漏风、松动等问题。
4. 防火效果:对复合风管进行防火处理时,要使用符合国家标准的防火涂料或防火材料,确保其具有良好的防火性能。
5. 检测记录:对制作和安装过程进行逐步检测,并做好详细的记录,以备后续工程验收和维护管理。
30适用于玻璃纤维复合风管的制作。
玻璃纤维复合风管仅适用于工作压力小于或等于1000 Pa 的空调系统。
玻璃纤维复合风管制作标准做法2.3采购要求1)表层铝箔材质应符合现行国家标准《工业用纯铝箔》GB3198的规定,厚度应不小于0.06mm。
2)玻璃纤维复合板内、外表面层与玻璃纤维绝热材料粘结应牢固,复合板表面应能防止纤维脱落。
3)风管内表面层的玻璃纤维布应是无碱或中碱性材料,并符合现行国家标准《无碱玻璃纤维、无捻粗纱布》JC/T281的规定。
内表面玻璃纤维布不得有断丝、断裂等缺陷。
4)热敏胶带和粘结剂的燃烧性能应符合难燃B1级,并在使用期限内。
粘结剂应与风管材质相匹配,且符合环保要求。
5)热敏胶带的宽度不应小于50 mm。
铝箔厚度不应小于0.045mm。
2.4工艺要求1)风管宜采用整板材料制作。
2)板材拼接时应在结合口处涂满胶液并紧密粘合;外表面拼缝处预留宽30mm的外护层涂胶密封后,用一层大于或等于50mm宽热敏(压敏)铝箔胶带粘贴密封。
接缝处单边粘贴宽度不应小于20mm。
内表面拼缝处可用一层大于或等于30mm宽铝箔复合玻璃纤维布粘贴密封或采用胶粘剂抹缝。
3)风管管板槽口形式可采用45°角形和90°梯形。
切割槽口应选用专用刀具,且不得破坏铝箔表层。
组合风管的封口处宜留有大于35mm的外表面搭接边量。
4)风管组合前,应清除管板表面的切割纤维、油渍、水渍。
槽口处应均匀涂满胶粘剂,不得有玻璃纤维外露。
风管组合时,槽口不得有间隙和错口。
风管内角接缝处应用胶粘剂勾缝。
风管外接缝应用预留外护层材料和热敏(压敏)铝箔胶带重叠粘贴密封。
复合风管制作工艺和流程首先是材料选择。
复合风管制作常用的材料有金属材料(如铝板、不锈钢板)、绝缘材料(如聚氨酯泡沫板、玻璃纤维棉)、防火材料等。
选择合适的材料是制作优质复合风管的基础。
接下来是材料处理。
根据实际需求,对所选材料进行切割、打孔、折弯等处理工艺。
这些处理可以根据风管尺寸、形状和设计要求进行。
然后是材料铺设。
将经过处理的材料进行有序铺设,可以根据设计要求进行交错铺设或交叉铺设。
铺设时要注意材料的平整度和紧密度,保证复合风管的质量。
接下来是压合。
将铺设好的材料进行压合,一般采用涂胶,然后用压力机进行压合,以使材料之间产生牢固的粘结力。
压合的压力和时间需要根据材料的特性和设计要求进行调整。
最后是成型。
通过将压合好的材料进行切割、折弯等工艺,使其成为所需形状的风管。
成型的过程需要精密的操作和仔细的检查,以确保风管的质量和准确度。
在整个复合风管制作的过程中,需要重视材料的质量检测和工艺参数的控制。
通过对材料的抽样检测和实验室测试,可以确保所选材料的合格性。
同时,控制好各道工艺参数的质量,如压力、时间、温度等,以确保最终产品达到设计和质量要求。
此外,复合风管制作还需要关注操作环境的洁净度和安全性。
由于复合风管制作需要使用一些粘接剂和胶水,对工作环境的要求比较高,避免杂质进入风管。
此外,操作人员需要戴好防护装备,确保工作过程的安全。
总之,复合风管制作是一项复杂的工艺,需要严格的材料选择、材料处理、材料铺设、压合和成型等流程。
只有在每个环节都严格把控和质量检测的前提下,才能制作出优质的复合风管。
复合风管制作安装方案复合风管作为一种新型的风管材料,因其具有较高的保温性能和防火性能,近年来逐渐被广泛应用于建筑工程的风管系统中。
那么,如何制作和安装复合风管呢?本文将从材料准备、制作及安装等方面进行详细讲解。
一、材料准备1. 复合风管:复合风管是由内层镀锌板、中层隔热材料和外层不燃材料组成的,其规格和尺寸需根据具体的工程要求进行选择。
2. 风管配件:风管配件包括弯头、法兰、固定夹等,其规格和尺寸应与复合风管配套使用。
3. 焊接设备:复合风管制作需要使用焊接设备,如自动焊接机、手动焊接机等。
4. 工具:制作和安装复合风管需要使用管子切割机、板材切割机、气动钻等工具。
5. 辅材:辅材包括铆钉、密封胶等,其选用也应根据具体的工程要求进行选择。
二、制作过程1. 切割:根据工程要求,将复合风管切割成相应的长度和尺寸,同时也要将所需的弯头等配件进行切割。
2. 焊接:使用焊接设备对复合风管进行连续焊接,焊接时需要注意电极头的角度和资料的调整,以保证焊接质量。
3. 安装配件:根据制定的风管系统方案,将弯头、法兰等风管配件安装到相应位置上。
4. 固定夹:固定夹的作用是固定风管,以避免其在使用过程中产生位移或摇晃。
在安装复合风管时,固定夹必须牢固安装在风管上。
5. 密封:将复合风管和配件连接处进行密封处理,以保证整个风管系统的密闭性和防漏性。
三、安装注意事项1. 应事先制定详细的安装方案,并明确每一个操作步骤,以确保安装的顺利进行。
2. 安装前应检查复合风管的质量是否符合要求,如有质量问题应及时处理。
3. 安装过程中应注意保护复合风管和风管配件,避免出现刮伤、碰撞等情况。
4. 安装后应进行全面的检查和测试,确保整个风管系统的安装质量和使用效果。
综上所述,复合风管的制作和安装需要经过多个环节的处理,包括选材、切割、焊接、安装配件、固定夹以及密封等过程。
在实施过程中,需要严格按照方案进行操作,同时也要注意材料的质量和安装细节,以确保风管系统的安全、高效使用。
・管道与通风空调安装技术・
复合玻纤板风管的制作与安装
王龙1,张万平2,赵灵军1
(1.陕西省设备安装工程公司,陕西西安710068;2.宝鸡市第一建筑工程公司,陕西宝鸡721000
摘
要:复合玻璃纤维板,简称玻纤板。
这种风管具有消声效果好、不燃烧、不腐蚀、绝热、保温好,且质量轻等优点。
被广泛地应用在无凝结水、输送气体的通风空调工程中。
关键词:通风管道;玻璃纤维;安装
中图分类号:T U834.43:T Q171.777文献标识码:B文章编号:1002- 3607(200401-0024-02
复合玻璃纤维板,简称玻纤板。
它是由玻璃纤
维板内涂防火胶粘贴玻璃纤维布形成玻璃钢内层,
并在外表面粘贴玻璃纤维并复合铝箔而成的一种新
型通风管道材料。
其风管的制作是对玻纤板经过切
割、粘接后固定在轻型金属框架内成型,风管具有消
声效果好、不燃烧、不腐蚀、绝热、保温好,且质量轻
等优点。
被广泛地应用在无凝结水、输送气体温度
不高于50℃和不低于-30℃的通风空调工程中。
1复合玻纤板风管的性能及有关参数
1.1玻纤板的几何尺寸
厚度:一般为25mm;
宽度:1200mm;
长度:2400mm或4000mm。
1.2粘合剂的有关参数如表1。
表1粘合剂有关参数
名称粘度Pas PH值含固量%粘结强度MPa 复合板用
粘合剂
10~136~756±3≥1.2
1.3玻纤板的有关参数
1.3.1吸声系数应满足表2要求
表2吸声系数
密度kg/m3板厚
mm
在以下倍频程中心频率(H z下
平均吸声系数
642525050010002000
≥0.50
1.3.2导热系数应满足表3要求
表3导热系数
密度
kg/m3
板厚
mm
平均温度为70±5℃时的导热系统
W/(m・k
6425≤0.012
1.3.3玻璃纤维布的要求:中碱性、无石蜡侵润、织构密度14×13,厚度0.12mm。
1.4复合玻纤板风管的有关参数要求
根据规范规定,其有关允差见表4。
表4风管相关参数
序号项目允许偏差
1管(内大边长(mm
≤3000~-2
>3000~-3 2长度(每1.2m±2
3法蓝或管端面平整度2
4矩形法蓝或管两对角线之差3
5矩形法蓝平整度2
6矩形法蓝边长
+2
2风管制作主要材料及施工机具
2.1主要材料
(1玻纤板:风管主要材料。
(2等边角铁:制作法蓝。
(3镀锌薄板角铁及扁铁:用于风管加固。
(4铝箔胶带:用于风管阳角密封。
(5玻璃丝布及专用粘胶剂:风管阴角密封。
2.2主要施工机具
(1电焊机、切割机、台钻、手枪钻等。
2004年2月总132期第1期
安装
I NST A LLATI ON
Feb.2004
T otal№.132№.1
(2专用机具:复合玻纤机切割刀具,见图1。
图1专用机具图
3复合玻纤板风管制作工序流程
3.1工序流程
法蓝制作→板材下料→板面开槽→刷粘胶剂→
粘合成型→内外阴阳角密封→内外加固→法蓝铆接→法蓝处玻纤板头密封3.2主要工序操作要点3.2.1板材下料尺寸计算:板材下料时要考虑板材
的规格和风管的尺寸,由于板材的规格一般为1200mm×2400mm (4000mm ,
风管的长度选择1200mm或2000mm
较合适。
这样有利于合理利用板材,下料时还应考虑板材的厚度(一般为25mm ,
在计算风管周长时应按以下公式计算:(长+宽×2+25×7+12.5。
3.2.2板材开槽切割:要注意不能将板材外边的铝
箔层割开,这样有利于总体密封。
图2板材开槽切割图
3.2.3板材切割处刷胶及风管成型:对已切割的板
材,在切割处涂刷专用粘胶剂,然后对开槽切割处弯折,注意弯折的4个角均应保证为90°。
3.2.4结缝处内外密封:具体见图3。
(1内密封:在结缝处涂刷专用粘胶剂,然后铺
贴100mm宽玻璃丝布,最后再刷一道专用粘胶剂。
(2外密封:在风管外结缝处粘贴60mm宽铝箔胶带。
3.2.5风管加固:按送风和回风选择不同的加固方
法。
送风选择风管外边加固,回风管主要在管内加
固,即在管内用镀锌圆钢做支撑,支撑间距≯500
mm
,这样能克服由于复合玻纤板强度低而出现塌陷现象,另外在管外再增加一层铁皮包箍使之进一步得到加固,两种加固方法见图4。
图3
密封方式
(a
外加固图
(b 内加固图
图4加固方式3.2.6
三通引出管的连接与加固
图5三通管的连接
当需在矩形风
管中引出圆形三通接管时,由于复合玻纤板无法加工成圆形风管,这时一般引出支管用镀锌钢板
加工,具体连接方法
如图5所示。
3.2.7风管外阳角加固
当风管截面积较大时,为了增强风管与支、吊架处的受力和安装强度,应在风管下边两阳角用角铁通长加固,详见图6。
图6风管外阳角加固方式
(下转第41页
5
2第1期王龙等:复合玻纤板风管的制作与安装
理体系手册、程序及相关的管理制度都要经过体系的持续运行实践来检验。
只有通过体系的日常运行,程序中组织结构的矛盾、职责的不协调、沟通的障碍、管理流程的漏洞、工作流程的繁杂、资源的缺乏以及由于种种原因造成的“不符合”均能显现出来。
只要各级管理者加强对体系运行过程的监控,按照程序规定对运作过程采取审批、监督和检查等方式,对体系运行过程和运行状态进行控制;对于运行过程中出现的偏离或问题,要养成收集、分析“不符合”现象的工作习惯,并根据问题的性质,及时采取适宜的“纠正和预防措施”,调整完善运作流程,确保过程的有效。
同时,通过作好管理体系的内部审核和管理评审,可以对一体化管理体系的组织
结构、运作流程以及整个管理体系的适宜性、充分性和有效性进行全面、系统的评价
,根据体系运行状况、企业内外环境的变化及公司战略发展需要采取相应的改进措施,调整组织结构、完善管理流程和运行机制,确保一体化管理体系的持续符合和适宜, 确保公司组织运作流程增值。
再者,虽然目前一体化管理体系关注的只是公司质量、环境、职业健康安全管理,但体系设计已经充分考虑到公司诸如成本、财务、人力资源管理等公司管理体系的其他部分,仅仅只是所关注的目标内容不同而已,然而这些目标与公司质量、安全、环境管理目标是相辅相成的,都是构成公司总体目标的组成部分。
因此,成本、财务、人力资源管理等作为公司管理体系的一部分,实际上存在着共同的管理要素和管理要求,他们在组织管理、资源配置、文件、记录控制及纠正、预防措施等方面遵循共同的管理流程和要求。
通过一体化管理体系的有效运行的氛围完全可以带动公司其他管理部分的变革,达到管理规范、流程清晰的状态;同样地,利用一体化管理体系的内审、管理评审等自我完善机制,在体系运行中逐步完善公司其他管理流程和方法,实现公司总体目标。
借助一体化管理体系建立完善的时机和认证审核的外部推动作用,踏踏实实作好体系运行工作,可以全面规范公司管理、完善公司组织流程、养成按程序按规矩办事的作风,有利于提高公司综合管理水平和执行能力;反过来,综合执行能力的提高, 又有利于企业宏观战略决策的实现。
收稿日期;2003-07-09
(上接第25页
4复合玻纤板风管制作验收
4.1验收执行的规范标准
4.1.1中华人民共和国建材行业标准《复合玻纤板风管》JC/T591-
1995中保证项目。
4.1.2中华人民共和国国家标准《通风与空调工程施工质量验收标准》G B50243- 2002。
5复合玻纤板风管安装
5.1安装需具备的条件
5.1.1风管须制作完毕,并经检查验收合格。
5.1.2风管安装场所土建和大量管道安装基本结束,由于复合玻纤板风管强度较低,任何碰撞、踏压均会受损,所以尽可能待其它工种作业基本结束后再安装,有利于产品保护。
5.1.3安装现场应干燥,特别是楼层上部不能有建筑排水从孔洞流下,因为复合玻纤板风管极易吸水而造成强度降低。
5.2支、吊安装架设置
水平安装的风管长边小于400mm时,支架间距不应大于4m,当长边大于或等于40 0mm时,支架间距不应大于3m。
垂直安装支架应设在风管法蓝处,这样可以增加固定点受力。
考虑到复合玻纤板风管强度低,可适当增加一些支、吊点,同时为了防止支架与风管受力处风管变形,可在风管阳角处垫入150~200mm长的镀锌钢板自制角铁(L5 0×50。
复合玻纤板风管与消声器、防火阀、调节阀等配件连接时,配件均需独立设置支架,不能用复合玻纤板风管来承担其质量。
复合玻纤板风管刚度较差,安装时应采用逐节安装方法,不能采用地面组装整件吊装,防止吊装时出现腰折断裂损坏风管。
复合玻纤板风管具体安装方法与普通风管安装基本相同,但安装后的产品保护十分重要,如果措施不力,势必造成大面积损坏。
收稿日期:2002-11-12
14
第1期熊柏林:作好一体化管理体系运行,提升企业执行力。