检验批划分计划最终版精编版
- 格式:doc
- 大小:171.50 KB
- 文档页数:13
检验批划分计划文稿归稿存档编号:[KKUY-KKIO69-OTM243-OLUI129-G00I-FDQS58-目录三、具体划分1、地下室部分2、一层部分3、二层部分4、三层部分5、屋面部分检验批划分计划一、工程概况环金鸡湖商圈的李公堤分期开发。
其中,于2006年12月开业以来一期风情水街汇聚了国内外着名商家及中华老字号餐饮品牌;二期水巷邻里则于2007年年底推出,与“南京1912”合作打造苏州第一个时尚休闲娱乐街区——李公堤1912酒吧街区;三期在2008年12月8日开工,建筑面积约12万平方米。
该项目以一条特色步行商业街将各主题岛串联,将StreetMall的概念首次引入苏州。
李公堤项目的定位和商业策划,充分挖掘了李公堤所拥有的景观、历史资源,将休闲旅游与商业购物等有机组合,使项目不但为区域提供了商业载体,而且使商业项目本身也成为了知名的旅游景点,实现了旅游项目和商业载体的完美结合。
本工程是李公堤四期影院和街区工程,位于金鸡湖大道北侧、星港街东侧、星湖街西侧。
本项目参与单位有:建设单位苏州圆融发展集团有限公司,设计单位苏州工业园区设计研究院有限公司,监理单位江苏建科建设监理有限公司,质量监督单位园区质监站,检测单位苏州工业园区建设工程质量检测咨询服务有限公司,施工单位通州建总集团有限公司。
本工程包括电影院和街区,电影院建筑面积24710.21平方米,建筑基底面积6201.77平方米,地上13444.3平方米,地下11265.91平方米;底下1层、地上3层,建筑总高度16.4米。
设计使用年限为50年,抗震强度为6级,抗震类别为丙类;地下汽车库停车数量为234辆,车型为小型及微型汽车。
影院部分确保姑苏杯,力争扬子杯;街区部分确保苏州市优质结构,力争扬子杯,确保苏州市文明工地。
本工程混凝土等级划分如下二、检验批划分根据以下各验收规范要求分化1、建筑地基基础工程施工质量验收规范2、混凝土结构工程施工质量验收规范3、地下防水工程质量验收规范4、建筑地面工程施工质量验收规范5、建筑装饰装修工程质量验收规范6、建筑给水排水及采暖工程施工质量验收规范7、建筑电气工程施工质量验收规范8、电梯工程施工质量验收规9、通风与空调工程施工质量验收规范范具体划分如下:1、地基与基础分部工程⑴无支护土方子分部::包含土方开挖,土方回填分项、按施工流水段,划分为若干个检验批⑵地下防水子分部:包含水泥砂浆防水层,按施工流水段,划分为若干个检验批。
检验批划分计划根据《建筑工程施工质量验收统一标准》、本工程图纸设计文件,结合现场实际情况,编制检验批划分计划,具体内容如下:一、地基与基础分部(1#地下车库2#~6#同1#地下车库)1、无支土方回填分项基础土方开挖,计一个检验批护土方土方开挖分项土方回填,计一个检验批子分部筏板基础、地下室墙柱、顶梁板模板安装,计二个检验批模板分项筏板基础、地下室墙柱、顶梁板模板拆除,计三个检验批筏板基础、地下室墙柱、顶梁板钢筋原材料,计三个检验批筏板基础、地下室墙柱、顶梁板钢筋加工,计三个检验批钢筋分项筏板基础、地下室墙柱、顶梁板钢筋连接,计三个检验批 2、砼基筏板基础、地下室墙柱、顶梁板钢筋安装,计三个检验批础子分基础垫层、筏板基础、地下室墙柱、顶梁板砼施工,计四个检验批部砼分项基础垫层、筏板基础、地下室墙柱、顶梁板现浇结构外观质量,计四个检验批基础垫层、筏板基础、地下室墙柱、顶梁板现浇结构尺寸偏差,计四个检验批地下防水地下室垫层上防水层、地下室外墙板防水层、地下室顶板防水层,计三个检验批砖砌体地下室墙体,计一个检验批二、建筑装饰装修基层地下室地面基层,计一个检验批 1、地面子分部水泥砼面层地下室水泥砼面层,计一个检验批 2、抹灰一般抹灰地下室内墙一般抹灰,计一个检验批金属门窗安装地下室门窗安装,计一个检验批 3、门窗特种门安装特种门安装,计一个检验批门窗玻璃安装地下室门窗玻璃安装,计一个检验批水性涂料涂饰地下室水性涂料涂饰,计一个检验批 4、涂饰护栏、扶手溶剂型涂料涂饰,计一个检验批溶剂型涂料涂饰护栏和扶手制作与5、细部护栏和扶手制作与安装,计一个检验批安装三、建筑屋面保温层屋面保温层,计一个检验批 1、卷材防水屋找平层屋面找平层,计一个检验批面卷材防水层屋面卷材防水层,计一个检验批细部构造屋面细部构造,计一个检验批四、建筑给排水及采暖给水管道及配给水管道及配件安装,计一个检验批 1、室内件安装给水系室内消火栓系统室内消火栓系统安装,计一个检验批统安装排水管道及配室内排水管道及配件安装,计一个检验批件安装 2、室内雨水管道及配雨水管道及配件安装,计一个检验批排水系件安装统排水管沟与井排水管沟与井池,计一个检验批池五、建筑电气成套配电柜、控制柜(屏、台)成套配电柜、控制柜(屏、台)和动力、照明配电箱(盘)安装,计一个检验批和动力、照明配1、电气电箱(盘)安装照明安电线、电缆导管装地下室电线、电缆导管和线槽敷设,计一个检验批和线槽敷设电线、电缆导管电线、电缆导管和线槽敷线,计一个检验批和线槽敷线普通灯具安装普通灯具安装,计一个检验批插座、开关、风插座、开关、风扇安装,计一个检验批扇安装建筑照明通电建筑照明通电试运行,计一个检验批试运行接地装置安装基础接地装置安装,计一个检验批避雷引下线和变配电室接地地下室避雷引下线和变配电室接地干线敷设,计一个检验批 2、防雷干线敷设及接地安装建筑等电位连地下室建筑等电位连接,计一个检验批接接闪器安装屋面接闪器安装,计一个检验批六、地基与基础(1#楼、2#~15#楼同1#楼) 1、无支土方回填分项基础土方开挖,计一个检验批护土方土方开挖分项土方回填,计一个检验批子分部2、砼基筏板基础、地下室墙柱、顶梁板模板安装,计二个检验批模板分项础子分筏板基础、地下室墙柱、顶梁板模板拆除,计三个检验批部筏板基础、地下室墙柱、顶梁板钢筋原材料,计三个检验批筏板基础、地下室墙柱、顶梁板钢筋加工,计三个检验批钢筋分项筏板基础、地下室墙柱、顶梁板钢筋连接,计三个检验批筏板基础、地下室墙柱、顶梁板钢筋安装,计三个检验批基础垫层、筏板基础、地下室墙柱、顶梁板砼施工,计四个检验批砼分项基础垫层、筏板基础、地下室墙柱、顶梁板现浇结构外观质量,计四个检验批基础垫层、筏板基础、地下室墙柱、顶梁板现浇结构尺寸偏差,计四个检验批地下防水地下室垫层上防水层、地下室外墙板防水层、地下室顶板防水层,计三个检验批砖砌体地下室墙体,计一个检验批七、主体结构一,阁楼层梁板柱模板安装,计五个检验批一,阁楼层柱模板拆除,计五个检验批模板分项一,阁楼层梁板模板拆除,计五个检验批一,阁楼层二次结构模板安装,计五个检验批一,阁楼层二次结构模板拆除,计五个检验批 1、砼结构子分一,阁楼层墙柱钢筋(原材料、加工、连接、安装),计二十个检验批部钢筋分项一,阁楼层顶梁板钢筋(原材料、加工、连接、安装),计二十个检验批一,阁楼二次结构(原材料、加工、连接、安装),计二十个检验批一,阁楼房层墙柱砼施工,计五个检验批砼分项一,阁楼房层顶梁板砼施工,计五个检验批一,阁楼层二次结构(原材料、配合比、施工),计十五个检验批一,阁楼房层墙柱现浇结构(外观质量、尺寸偏差),计十个检验批现浇结构分项一,阁楼房层顶梁板现浇结构(外观质量、尺寸偏差),计十个检验批一,阁楼层二次结构现浇结构(外观质量、尺寸偏差),计十个检验批 2、砌体填充墙砌体分结构子一,阁楼层,计五个检验批项分部七、建筑装饰装修基层地下室,一层地面基层,计二个检验批 1、地面子水泥砼面层地下室水泥砼面层,计一个检验批分部水泥砂浆面层一~阁楼层水泥砂浆面层,计五个检验批 2、抹灰一般抹灰地下室~阁楼层内墙一般抹灰,计六个检验批,东西南北立面外墙一般抹灰,计四个检验批金属门窗安装地下室~阁楼层门窗安装,计六个检验批 3、门窗特种门安装东西单元特种门安装,计二个检验批门窗玻璃安装地下室~阁楼层门窗玻璃安装,计六个检验批水性涂料涂饰地下室~阁楼水性涂料涂饰,计六个检验批 4、涂饰东、西单元护栏、扶手溶剂型涂料涂饰,计二个检验批溶剂型涂料涂饰护栏和扶手制作与5、细部东、西单元护栏和扶手制作与安装,计二个检验批安装八、建筑屋面保温层屋面保温层,计四个检验批(保温坡屋面、不上人不保温屋面、上人保温平屋面、不上人保温平屋面)找平层屋面找平层,计四个检验批(保温坡屋面、不上人不保温屋面、上人保温平屋面、不上人保温平屋面) 1、卷材屋面卷材防水层,计四个检验批(保温坡屋面、不上人不保温屋面、上人保温平屋面、不上人保温平屋防水屋卷材防水层面) 面细部构造屋面细部构造,计四个检验批(保温坡屋面、不上人不保温屋面、上人保温平屋面、不上人保温平屋面)九、建筑给排水及采暖给水管道及配地下室~阁楼层给水管道及配件安装,计六个检验批 1、室内件安装给水系室内消火栓系统地下室~阁楼层室内消火栓系统安装,计六个检验批统安装排水管道及配地下室~阁楼层室内排水管道及配件安装,计六个检验批 2、室内件安装排水系雨水管道及配统东、南、西、北立面雨水管道及配件安装,计四个检验批件安装十、建筑电气成套配电柜、控制柜(屏、台)地下室~阁楼层成套配电柜、控制柜(屏、台)和动力、照明配电箱(盘)安装,计六个检验批和动力、照明配1、电气电箱(盘)安装照明安电线、电缆导管装地下室~阁楼层电线、电缆导管和线槽敷设,计六个检验批和线槽敷设电线、电缆导管地下室~阁楼层电线、电缆导管和线槽敷线,计六个检验批和线槽敷线普通灯具安装地下室~阁楼层普通灯具安装,计六个检验批插座、开关、风地下室~阁楼层插座、开关、风扇安装,计六个检验批扇安装建筑照明通电建筑照明通电试运行,计一个检验批试运行接地装置安装基础接地装置安装,计一个检验批避雷引下线和变配电室接地地下室避雷引下线和变配电室接地干线敷设,计一个检验批 2、防雷干线敷设及接地安装建筑等电位连地下室建筑等电位连接,计一个检验批接接闪器安装屋面接闪器安装,计一个检验批。
检验批划分及送检计划
一、总体考虑
1. 根据本次产品生产周期和规模,将产品分成若干批次。
2. 考虑每批产品数量,生产难易程度,质量重要性等因素确定每批送检频率和检验项目。
二、批次划分
本次产品总量为1000台,采用3批生产方式:
1批:1-300台
2批:301-700台
3批:701-1000台
三、送检计划
1. 第一批:每50台产品抽取1台送质量检验,检验项目包括外观、尺寸等项目。
2. 第二批:每100台产品抽取1台送质量检验,检验项目增加功能测试。
3. 第三批:每200台产品抽取1台送全项质量检验,增加可靠性测试及一些关键参数测试。
四、后期监测
1. 产品使用期内,将根据投诉和返修情况进行抽查。
2. 年底进行年终总体质量分析,看是否需要优化下一年产品检验方案。
以上为本次产品生产检验批划分及送检计划初步方案,生产过程中如果发现问题,将及时调整补充本计划。
宁海世贸中心新建工程分部、分项、检验批划分方案
本工程检验批划分情况如下:
1、桩基按照每次验收根数划分一个检验批,每根桩一份隐蔽验收
记录。
2、地下室为一个单位工程,共分18个检验批,其中中天标段分为
8个检验批,中鑫标段分为10个检验批,均按后浇带位置进行划分。
(详见后附图)
3、商务公寓楼地下二层每层划分为三个检验批,按后浇带位置进
行划分。
共计6个检验批,地上部分按后浇带位置进行划分,每层二个检验批,共计28层,共计划56个检验批。
4、国际公寓楼按每层一个检验批划分。
A共计33个检验批。
B、
C同A楼。
5、商场主楼地上部分按每层一个检验批划分,共计25个检验批。
6、商场地上部分按后浇带划分每层为三个检验批,分别为②-①至
②-⑤轴为一个检验批,②-⑥至②-⑨轴为一个检验批,②-⑩-
②-⒂轴为一个检验批。
共计15个检验批。
7、水电安装部分依据系统划分,每层预埋按土建划分的检验批进
行划分。
8、分部、分项按规范要求划分。
浙江江南工程管理股份有限公司
宁海世贸项目监理部
2008 年9月2日。
临湖社区二期Z10#楼
检
验
批
划
分
计
划
安徽水安建设发展股份有限公司
二○○九年三月五日
施工方案审批栏
工程名临湖社区二Z10
合肥海恒项目管理有限公建设单合肥市工程建设监理公监理单
安徽水安建设发展股份有公施工单
工程负责编制
审核人意见
审批人意见
(签章
监理单
建设单
临湖社区二期Z10#楼
检验批划分计划
一、工程概况
工程名称:临湖社区二期Z10#楼
建设单位:合肥海恒项目管理有限公司
设计单位:合肥市建筑设计研究院
勘察单位:安徽建筑工程勘察院
施工单位:安徽水安建设发展股份有限公司
监理单位:合肥市工程建设监理公司
建设地点:合肥经济技术开发区临湖社区内
二、检验批划分原则
检验批的划分,实质是分项工程验收批数量的确定,一个分项工程可按工程的特点分为一个或若干个检验批进行验收,而在检验批划分和数量确定时,应视工程的特点(如施工段、结构缝、楼层、部位、工艺、系统等)情况进行确定,这样便于质量管理和工程质量控制,也便于质量验收。
三、本工程检验批划分计划
(一)地基与基础分部
(二)主体结构分部(三)、建筑装饰装修分部
(四)、建筑屋面分部
(五)、建筑节能分部
(六)、建筑给水、排水及采暖分部
(七)、建筑电气
安徽水安建设股份有限公司二日五月三年九○○。
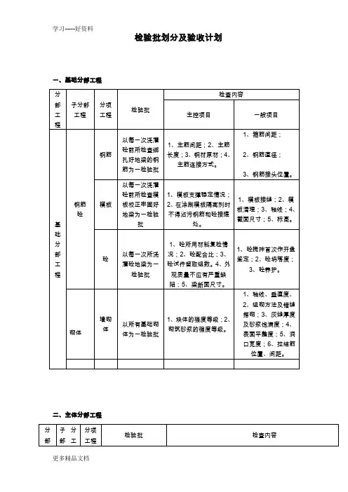
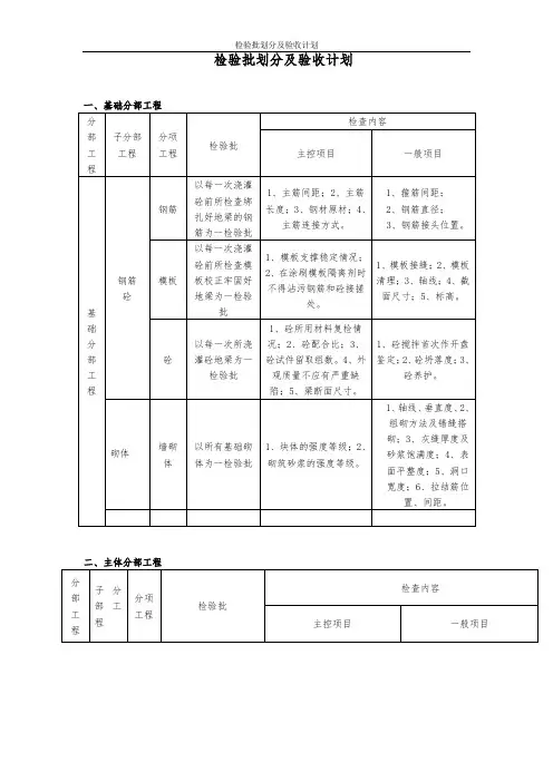
检验批划分及验收计划一、基础分部工程分部工程子分部工程分项工程检验批检查内容主控项目一般项目基础分部工程钢筋砼钢筋以每一次浇灌砼前所检查绑扎好地梁的钢筋为一检验批1、主筋间距;2、主筋长度;3、钢材原材;4、主筋连接方式。
1、箍筋间距;2、钢筋直径;3、钢筋接头位置。
模板以每一次浇灌砼前所检查模板校正牢固好地梁为一检验批1、模板支撑稳定情况;2、在涂刷模板隔离剂时不得沾污钢筋和砼接搓处。
1、模板接缝;2、模板清理;3、轴线;4、截面尺寸;5、标高。
砼以每一次所浇灌砼地梁为一检验批1、砼所用材料复检情况;2、砼配合比;3、砼试件留取组数。
4、外观质量不应有严重缺陷;5、梁断面尺寸。
1、砼搅拌首次作开盘鉴定;2、砼坍落度;3、砼养护。
砌体墙砌体以所有基础砌体为一检验批1、块体的强度等级;2、砌筑砂浆的强度等级。
1、轴线、垂直度、2、组砌方法及错缝搭砌;3、灰缝厚度及砂浆饱满度;4、表面平整度;5、洞口宽度;6、拉结筋位置、间距。
二、主体分部工程分部子分部工分项工程检验批检查内容工程程主控项目一般项目主体分部工程砼结构工程钢筋以每一楼层每现浇结构中的柱、梁板钢筋为一检验批1、钢材原材;2、受力钢筋的弯钩和弯折;3、箍筋弯钩形式;4、主筋连接方式;5、焊接接头的力学性能;6、受力钢筋的品种、规格、级别、数量。
1、箍筋间距;2、钢筋外观质量;3、钢筋接头位置及接头百分率;4、受力钢筋的间距、排距、保护层厚度。
模板以每一楼层每现浇结构中的柱、梁板钢筋为一检验批1、模板支撑稳定情况;2、在涂刷模板隔离剂时不得沾污钢筋和砼接搓处。
1、模板接缝;2、模板清理;3、轴线;4、截面尺寸;5、标高;6、垂直度砼以每一楼层每现浇结构中的柱、梁板钢筋为一检验批1、砼所用材料复检情况;2、砼配合比;3、砼试件留取组数。
4、外观质量不应有严重缺陷;5、梁断面尺寸;初凝时间的控制。
1、砼搅拌首次作开盘签定;2、砼坍落度;3、砼养护;4、施工缝的位置及处理。
主要试验记录1.同条件养护温度记录;2.砼试块制作取样及报告记录;3.砂浆试块制作取样及报告记录;4.回填土取样及报告记录;5.钢筋焊件、机械连接接头取样及报告记录;6.钢筋原材料取样及报告记录;7.水泥取样及报告记录;8.砂、石试验取样及报告记录;9.砌体试验取样及报告记录;10.防水材料取样及报告记录;11.测试砼塌落度记录。
检验和试验工作程序编制检验和试验计划执行:物质进场验收程序原材料、半成品取样(见证)送具有相关资质的实验室检测检测机构检测退货或返工不合格合格出具合格的检测报告报监理、经审核同意后方可使用资料存档检验批划分检验批划分原材、半成品取样检测现场自检专业质检监理验收合格合格签署相关质评资料混凝土工程1.砼坍落度:本工程采用商品砼,待砼运至指定卸料地点后,试验人员即可进行砼坍落度测试。
实测的砼坍落度与要求坍落度之间的允许偏差应符合下表要求:要求塌落度允许偏差(mm)(非泵送)80±20(泵送)180±30在砼浇筑过程中,试验人员在每一工作台班时间内测定砼坍落度至少两次。
2.砼的取样、试块的制作、养护(1)试块留置要求如下:①砼试件在砼浇筑地点随机抽取,每100盘(每盘1m3)且不超过100m3的同配合比的砼,取样不得少于一次;每工作班拌制的同配合比的砼不足100盘时,取样不得少于一次。
②对现浇砼结构,其试件留置尚应符合下列规定:每一现浇楼层同配合比的砼,其取样不得少于一次;同一单位工程每一验收项目中同配合比的砼,其取样不得少于一次。
③每次取样至少留置一组标准试件,同条件养护试件的留置组数可根据结构构件的拆模、吊装及施工期间临时负荷、大梁负荷时的砼强度实际需要确定。
④防水砼连续浇筑量为500m3以下时,留置两组抗渗试块,每增加500m3增留一组。
一组在标准情况下养护,另一组与现场相同情况下养护,试块养护期不得少于28天。
如使用的原材料、配合比或施工方法有变化时,现场应另行留置试块。
苏地2011-B-77地块项目工程检验批划分计划本工程检验批的划分原则:1、检验批的划分反映施工过程,体现不同工序、工种施工工艺特点,符合施工工艺安排。
2、检验批的划分反映工序和施工过程。
3、检验批的划分考虑不同专业工种的配合。
4、检验批的划分不能过大、过小或大小过于悬殊。
5、检验批的划分要取得完整技术数据,还要覆盖分项工程的每个部位和区段,要反映出工序、工种的质量特征,并能够取得完整的技术数据。
6、检验批划分要利于质量控制。
7、检验批划分要突出“三控制点”(质量控制点、检查点和止停点,包括隐蔽工程)。
8、检验批划分的编号要明确无误,指代准确,防止填错表格或造成已验收的假象而漏验。
有些分项工程在几个子分部中出现,如砖砌体分项在地基与基础和主体结构中都有:建筑电气的接地装置在室外、变配电室、防雷接地、不间断电源和备用等子分部工程中都有,划分时要明确这些区别。
9、施工单位专业质检员和班组长应加强检验批质量自行检查评定,不能忽视质量控制点、检查点和止停点(包括隐蔽工程)的设置,检验批质量验收要对“三点”进行复验,相关单位要以书面形式确认。
10、检验批的划分要根据施工,利于质量控制和便于专业验收;加强检验批划分的管理,通过检验批的划分来提高工程质量管理水平。
一、地基与基础分部工程一、地基与基础分部工程分部(子分部)分项工程验收划分计划一、地基与基础分部工程二、主体分部工程二、主体分部工程二、主体分部工程二、主体分部工程二、主体分部工程二、主体分部工程二、主体分部工程二、主体分部工程二、主体分部工程三、装饰分部工程分部(子分部)分项工程验收划分计划三、装饰分部工程分部(子分部)分项工程验收划分计划四、屋面分部、节能分部工程二、主体检验批的划分计划:1、苏地2011-B-77地块项目工程三栋单体按最高的3#楼来分项划分,1#、2#楼按3#楼划分方案划分。
3#楼1~10层主体分项工程划分为10个检验批。
2、其中电渣压力焊根据工程中接头的实际情况,以各种规格划分检验批,即每层、每个规格的钢筋各划一个检验批。
目录1工程概况 (1)1.1工程主要介绍 (1)1.2项目参建、关联单位 (1)1.3项目设计概况 (1)2编制依据 (2)3工程划分 (2)1工程概况1.1工程主要介绍1、地理位置:……………2、工程性质:………….3、项目名称:……………4、项目造价:……………5、功能用途:……………6、项目总工期:750个日历天7、建筑面积:151921.35m21.2项目参建、关联单位1、建设单位:………………………………..2、勘察/设计单位:……………………………..3、监理单位:……………………..4、质监单位:……………………….5、施工单位:…………………….1.3项目设计概况1#楼砖混结构,条形基础,共6F,总建筑面积2121.28平方米,建筑高度为21.84m。
2#楼,砖混结构,条形基础,共6F,总建筑面积2121.28平方米,建筑高度为21.64m。
3#楼,框剪结构共11F、12F/-4F,总建筑面积12707.77平方米,建筑高度为38.80m、35.80m。
4#楼,框剪结构共15F/-4F,总建筑面积16086.34平方米,建筑高度为47.895m。
5#楼,框剪结构共15F/-4F,总建筑面积17056.02平方米,建筑高度为48.20m。
6#楼,框剪结构共16F、18F,总建筑面积29498.56平方米,建筑高度为50.153m、56.153m。
7#楼,框剪结构共16F、18F,总建筑面积19318.30平方米,建筑高度为50.22m、56.22m。
综合用房框架结构,基础为人工挖孔桩,共3F,总建筑面积3754.84平方米,建筑高度为14.7m。
2编制依据1、施工合同2、施工图纸3、《建筑工程施工质量验收统一标准》(GB50300-2013)4、施工组织设计3工程划分根据本项目建筑分部特点,将工程划分为1#、2#、3#、4#、5#、6#、7#、综合楼、门岗、地下室等10个子单位工程。
完整版)检验批划分计划临湖社区二期Z10#楼的施工方案已经通过审核,由XXX 承担施工任务,XXX和XXX分别担任建设和监理单位。
本工程位于合肥经济技术开发区临湖社区内。
检验批的划分是为了方便工程质量控制和验收,应根据工程特点进行确定。
本工程的检验批划分计划分为地基与基础分部和主体结构分部两部分。
地基与基础分部包括土方开挖、无支护土方、土方回填、防水砼、地下防水、卷材防水层等子分部。
其中,筏板基础、基础梁、地下整体划分为1个检验批,混凝土按基础垫层、基础混凝土2个检验批,砌体基础和砖砌体各为1个检验批。
主体结构分部包括轴柱墙、轴梁板等子分部,每层1~19轴柱墙、轴梁板各1个检验批,每层20~38轴柱墙、轴梁板各1个检验批。
模板安装也是一个子分部,每层都有相应的检验批数量。
通过明确的检验批划分计划,可以更好地进行质量管理和工程质量控制,同时也方便了质量验收。
及采暖分部一、建筑结构分部1.模板拆除:共计72个,按层次进行拆除。
2.主体结构:每层建筑结构包括1个柱墙、1个梁板和1个轴梁板,其中1~19层为1个轴梁板,20~38层为1个轴梁板。
3.砼结构:共计72个钢筋和混凝土结构,外观和质量应符合要求。
4.砌体结构:包括填充墙和砌体,共计36个填充墙和18个砌体。
二、建筑装饰装修分部1.分部子分部分项:包括门窗、饰面砖、水性涂料涂饰、溶剂型涂料涂饰等。
2.工程名称:包括基层、地面水泥砂浆面层、砖面层、一般抹灰、木门窗制作与安装等。
3.检验批数量:1个检验批数量为6个。
4.安装:门窗和塑料门窗按三层划分为一个检验批,其他按整体划分为1个检验批。
5.饰面砖和涂饰:按三层划分为一个检验批。
6.护栏和扶手制作与安装:按三层划分为一个检验批。
三、建筑屋面分部1.分部子分部分项:包括保温层、卷材防水、找平层和细部构造等。
2.工程名称:建筑屋面分部共计4个工程名称。
3.检验批数量:每个工程名称整体划分为1个检验批。
划目录一、编制依据及说明 (2)二、工程概况 (2)三、检验批划分概述 (5)1、地基与基础分部工程 (5)2、主体结构分部工程 (7)3、建筑装饰装修工程分部 (8)4、建筑屋面工程分部 (9)5、建筑给水、排水和采暖工程分部 (9)6、建筑电气分部 (9)四、检验批具体划分 (9)xxxxxxxx检验批划分计划一、编制依据及说明1、xxxxxxx设计的施工图纸及设计变更;2、招标文件及答疑文件、投标文件3、工程建设强制性条文—房屋建筑部分3.1、建筑地基基础工程施工质量验收规范(GB50202-2002);3.2、混凝土结构工程施工质量验收规范(GB50204-2015);3.3、砌体工程施工质量验收规范(GB50203-2011);3.4、地下工程防水技术规范(G50208-2011);3.5、建筑地面工程施工质量验收规范(GB50209-2010);3.6、屋面工程质量验收规范(GB50207-2012);3.7、建筑工程施工质量验收统一标准(GB50300-2013);3.8、建筑装饰装修工程施工质量验收规范(GB50210-2001);3.9、工程测量规范(GB50026-2007);3.10、建筑给水排水及采暖工程施工质量验收规范(GB50242-2002);3.11、建筑电气工程施工质量验收规范(GB50303-2015);3.12、电梯工程施工质量验收规范(GB50310-2002);3.13、通风与空调工程施工质量验收规范(GB50243-2002);3.14、混凝土质量控制标准(GB50164-2011);3.15、钢筋焊接及验收规程(JGJ18-2012);3.16、建筑工程冬期施工规程(JGJ104-2011)。
3.17、《建筑节能工程施工质量验收规范》GB50411-20074、本检验批划分主要针对工程的钢筋砼结构、钢结构、机电安装部分,其中实体检测部位在实体检测前确定,装修部分待进场后另行协调。
二、工程概况1、工程建设概况项目名称工程地址建设单位勘察单位设计单位监理单位监督机构施工单位工程性质新建工期600天工程质量合格,力争“振风杯”2.2建筑设计简介序号项目内容1 建筑规模建筑面积主楼建筑层数1#/2#/3#/4#楼地下2层,地上33层结构形式:现浇剪力墙5#楼地下2层,地上25层结构形式:现浇剪力墙6#楼地下2层,地上23层结构形式:现浇剪力墙群楼建筑层数地下1层,地上3层结构形式:框架剪力墙主楼层高地上2.9m地下 3.15m基础形式筏板基础、桩基础裙楼层高地上3.8m地下 4.5m基础形式独立基础、筏板基础2 建筑高度建筑高度(m)室内地坪标高绝对标高3 建筑类别一类高层4 耐火等级一级抗震设防烈度6度5 墙体材料页岩空心砖装修做法6 保温外墙:40厚无机保温砂浆,屋面:现浇泡沫砼7 外墙装饰玻璃幕墙、石材幕墙8 内墙刮腻子、乳胶漆、面砖、吸音墙面9 楼地面地砖、防滑地砖、花岗石、水泥砂浆面层、耐磨砼面层、防静电活动架空板10 顶棚刮腻子、乳胶漆、防火纸面石膏板、吸声顶棚、铝合金板、铝板11 门窗铝合金中空玻璃防盗门、钢制防盗门、钢质甲级防火隔声门、钢制甲级防火门、钢制乙级防火门、钢制丙级防火门、乙级防火门、双帘双轨特级防火卷帘、铝合金窗12 防水地下室屋面楼地面2.0mm厚非固化橡胶沥青防水涂料+3mmSAM—980自粘聚合物改性沥青聚酯胎防水卷材3+3厚SBS改性沥青防水卷材聚氨酯涂膜2.3结构设计简介序号项目内容1 结构形式主楼:现浇剪力墙结构;裙楼:框架结构2 基础形式筏板基础、桩基、独立基础3 基础埋深-6.4m,-6.6m,-9.750m,-10.400m4 环境类别室内潮湿环境、与土直接接触的基础底板底面、外墙迎土面、地下室顶板顶面(室外部分)及地上外露构件为二类a,其他为一类环境5 砼强度等级基础基础垫层C15筏板独立基础1#、16#B(部分)人工挖孔桩墙、柱地下一、地下二层外墙1#-4#住宅楼C45C40F12-F22 C35F23-屋顶层C305#-6#住宅楼地下二层-F3C40 F4-屋顶层C35配套商业框架柱C40梁板地下车库C40地下室顶板无上部结构的部位C35 P6 1#-6#住宅楼C30配套商业C35其他楼梯、坡道同周围梁板砼圈梁,构造柱、过梁C20消防水池C30 P66 砼构件尺寸剪力墙200mm厚、250mm厚、300mm厚、350mm厚柱400*600、600*500、500*600、700*700、600*1100600*800、600*900框梁200*400、200*510、200*600、300*600、300*650、300*700、300*800、350*700、350*800、400*900、450*750、500*1000、500*1100、600*1100、600*1200、700*1200顶板厚度120mm、130mm、150mm、180mm、350mm7 抗震设防类别标准设防类8 结构安全等级二级9 耐火等级一级8 钢筋类别及形式类别HPB300 HRB400 HRB400E HRB500 连接形式直螺纹套筒连接三、检验批划分概述1、地基与基础分部工程(1)土方子分部::包含土方开挖、土方回填2个分项工程,按楼号划分为1#楼、2#楼、3#楼、4#楼、5#楼、6#楼、14#楼、15#楼、16#楼、地下车库土方开挖10个检验批与土方回填10个检验批;(2)基坑支护子分部::包含土钉墙1个分项工程,按施工流水段,东西南北面,划分为4个检验批;(3)地下防水子分部:包含卷材防水层、涂料防水层2个分项工程,按楼号划分为64个检验批;(1#、3#、4#、6#各4个检验批,2#、5#、14#、16#BC段各2个检验批,地下车库按后浇带划分为20个段共40个检验批。
)⑶笩形与箱型基础子分部:包含模板、钢筋、混凝土,现浇结构4个分项工程,按楼号划分检验批具体如下表。
笩形与箱型基础子分部工程检验批划分表1#楼筏形基础模板2#楼筏形基础模板钢筋钢筋混凝土混凝土现浇结构现浇结构3#楼筏形基础模板4#楼筏形基础模板钢筋钢筋混凝土混凝土现浇结构现浇结构5#楼筏形基础模板6#楼筏形基础模板钢筋钢筋混凝土混凝土现浇结构现浇结构模板15#楼独立基础模板钢筋钢筋混凝土混凝土现浇结构 4 现浇结构模板 3地下车库筏形基础模板钢筋12 钢筋混凝土12 混凝土现浇结构 4 现浇结构模板 1钢筋12混凝土12现浇结构 4说明:1#、3#、4#、6#为两个单元,2#、5#、14#、15#、16#为一个单元,地下车库按后浇带划分为20个流水施工段。
(4)桩基子分部:包含抗浮锚杆和人工挖孔桩2个分项工程,按楼号及施工段划分为若干个检验批。
2、主体结构分部工程⑴混凝土结构子分部:包含模板,钢筋、混凝土、现浇结构4个分项工程,按楼号,结构缝、楼层划分检验批如下表。
混凝土结构子分部检验比划分表1#楼混凝土结构模板2#楼混凝土结构模板钢筋钢筋混凝土混凝土现浇结构现浇结构3#楼混凝土结构模板4#楼混凝土结构模板钢筋钢筋混凝土混凝土现浇结构现浇结构5#楼混凝土结构模板6#楼混凝土结构模板钢筋钢筋混凝土混凝土现浇结构现浇结构14#楼混凝土结构模板15#楼混凝土结构模板钢筋钢筋混凝土混凝土现浇结构现浇结构16#楼A段混凝土结构模板地下车库混凝土结构模板钢筋钢筋混凝土混凝土现浇结构现浇结构16#楼B、C 段混凝土结构模板 3钢筋12 混凝土9 现浇结构 3说明:1#、3#、4#、6#为两个单元,2#、5#、14#、15#、16#为一个单元,地下车库按后浇带划分为20个流水施工段。
其中1#-4#楼地下2层,地上33层,5#楼地下2层,地上25层,6#楼地下2层,地上23层。
14#楼、16#楼地上3层,地下车库1层。
⑵砌体结构子分部:包含填充墙砌体1个分项工程,按楼号、楼层划分为若干个检验批。
具体分为1#楼~4#楼每层为2个检验批,各楼分别为70个检验批,5#楼每层1个检验批,共27个检验批,6#楼每层2个检验批,共50个检验批。
地下车库每段1个检验批,共20个检验批。
3、建筑装饰装修工程分部⑴建筑地面子分部:基层(各构造层)和各类面层的分项工程,检验批按楼层或每层施工段划分。
⑵抹灰子分部:相同材料、工艺和施工条件的抹灰工程(室外),按施工段、楼层及按每500~1000M2划分一个检验批,不足500 M2划分一个检验批。
相同材料、工艺、施工条件的抹灰工程(室内)、按施工段、楼层及按50个自然间划分一个检验批,不足50自然间划分为一个检验批。
⑶门窗子部分:同一品种、类型和规格的木门窗、金属门窗、塑料门窗及门窗玻璃,每100樘划分为一个检验批,不足100樘划分为一个检验批.同一品种、类型和规格的特殊种门每50樘为一个检验批,不足50樘划分为一个检验批。
⑷饰面板(砖)子部分:相同材料、工艺和施工条件的室内饰面板(砖)工程,每50间划分为一个检验批,、不足50间划分为一个检验批。
⑸涂饰子分部室外涂饰工程:每栋楼的同类型涂饰的墙面,每500~1000M2划分一个检验批,不足500 M2划分一个检验批。
室内涂饰工程,同类涂料涂刷的墙面,每50间划分为一个检验批,不足50间划分为一个检验批。
⑹细部子部分:楼梯扶手制作与安装按每部楼梯划分为一个检验批。
4、建筑屋面工程分部包含卷材防水屋面、涂膜防水屋面2个子分部,各子分部所含分项工程的检验批按不同楼层屋面(不同设计要求),划分为若干个检验批.5、建筑给水,排水及采暖工程分部⑴多层建筑,可按一个设计系统,每一楼层或每楼层施工工段(变形缝)划分为一个检验批.⑵高层建筑的标准层,每10层或每5层划分为一个检验批、地下室,屋面,裙房与非标准层应单独划分为一个检验批.⑶设备安装、按设备组分别划分检验批、每检验批不得超过10台.⑷室外工程按各分项分别划分检验批.6、建筑安装分部建筑电气子分部(1)混凝土内配管根据每一楼层,单元、施工段(变形缝)及系统划分检验批:(2)多层建筑可按每一楼层,单元、施工段(变形缝)及系统划分检验批:(3)高层建筑的标准层每三层或每五层划分为一个检验批:地下室,屋面,设备层,裙房与非标准层按每一楼层或设计系统,应单独划分为一个检验批;(4)防雷及接地安装工程,应每层划分检验批.不同楼层的屋面和地下室应单独划分检验批;设备安装按不同的子分部,设备组别划分检验批;管弄井按系统每层划分为一个检验批,建筑给水,排水及采暖子分部给水排水可按每层划分为一个检验批。
(5)检验批的划分首先要进行事先策划,同时结合施工工艺及现行有关规范标准要求进行划分,在操作中如需调整,应按施工组织设计修改要求在分项施工前进行调整审批。