保洁应急工作管理流程
- 格式:docx
- 大小:24.46 KB
- 文档页数:5
保洁人员应急管理制度一、制度概述为提高保洁人员在工作中应对突发事件的应急能力,保障服务质量和人员安全,制定本应急管理制度。
二、应急管理组织机构1. 应急指挥部:由公司主管领导担任指挥部长,成员包括公司管理人员、保洁人员代表等。
2. 应急小组:由公司管理人员、保洁人员组成,负责具体应急工作。
三、应急管理程序1. 突发事件通报:保洁人员发现突发事件后,应立即通知所在部门负责人和应急指挥部。
同时,启动应急预案。
2. 应急处置:应急指挥部根据突发事件的性质和严重程度,组织相关人员采取有效措施进行应急处置。
保洁人员需服从指挥部的安排,并配合做好相关工作。
3. 应急物资保障:公司应提前准备应急物资,包括急救箱、通讯设备、灭火器等,以备突发事件发生时使用。
4. 应急演练:定期组织保洁人员进行应急演练,提高应急响应能力和处置水平。
5. 应急评估:每次突发事件应急处置结束后,应急指挥部需对应急工作进行评估,总结经验,完善制度。
四、应急预案1. 火灾应急预案:保洁人员发现火灾时,需立即通知消防部门和应急指挥部,迅速疏散人员,灭火器材。
2. 水灾应急预案:保洁人员发现水灾时,需立即切断电源,通知应急指挥部,迅速疏散人员,封堵漏水口。
3. 交通事故应急预案:发生交通事故时,保洁人员需及时通知应急指挥部,协助交通警察疏导交通,维护现场秩序。
五、保洁人员应急培训公司需定期组织保洁人员进行应急培训,包括突发事件的认识和处理方法、应急预案的实操演练等,提高应急反应能力和处置水平。
六、应急管理制度的落实1. 公司领导要重视应急管理工作,配备足够的应急物资,确保应急处置的顺利进行。
2. 应急指挥部要随时待命,做好应急预案的宣传和培训工作,确保保洁人员知晓并能有效执行。
3. 保洁人员要时刻保持警惕,熟悉应急预案,做好日常工作的同时,随时做好应对突发事件的准备。
四、总结制定健全的保洁人员应急管理制度,对于提高服务质量、保障人员安全至关重要。
一、预案概述为确保保洁工作在突发情况下能够迅速、有序地进行,降低事故损失,提高保洁工作的安全性和效率,特制定本保洁应急预案。
本预案适用于我单位保洁工作中可能出现的各类突发事件,包括自然灾害、意外事故、设备故障等。
二、组织机构及职责1. 预案领导小组:负责制定、修订、发布和监督实施保洁应急预案,协调各部门共同应对突发事件。
2. 应急指挥部:负责指挥、协调、调度保洁工作中的应急行动,下设以下工作组:(1)现场指挥组:负责现场应急指挥、协调和调度。
(2)救援组:负责对事故现场进行救援、疏散和救护。
(3)物资保障组:负责应急物资的采购、储备和供应。
(4)信息宣传组:负责应急信息的收集、整理、发布和宣传。
三、应急预案流程1. 突发事件发生(1)保洁员发现突发事件后,立即向现场指挥组报告。
(2)现场指挥组接到报告后,立即向应急指挥部报告,启动应急预案。
2. 应急指挥部的响应(1)应急指挥部根据突发事件情况,决定启动相应级别的应急预案。
(2)现场指挥组根据应急指挥部指令,组织救援组、物资保障组、信息宣传组开展应急行动。
3. 救援组行动(1)救援组迅速赶到现场,对事故现场进行救援、疏散和救护。
(2)救援组根据现场情况,采取相应措施,确保人员安全。
4. 物资保障组行动(1)物资保障组根据应急指挥部指令,迅速采购、储备应急物资。
(2)物资保障组确保应急物资的供应,满足救援需求。
5. 信息宣传组行动(1)信息宣传组收集、整理应急信息,及时发布。
(2)信息宣传组通过多种渠道,向员工、客户和社会各界宣传应急信息。
6. 突发事件处理(1)救援组对事故现场进行清理,恢复正常工作秩序。
(2)应急指挥部根据现场情况,决定是否继续实施应急预案。
7. 应急预案结束(1)突发事件得到有效控制,现场恢复正常。
(2)应急指挥部宣布应急预案结束,各部门恢复正常工作。
四、应急演练1. 定期组织应急演练,提高保洁员应对突发事件的能力。
2. 演练内容包括:突发事件发生时的报警、应急指挥、救援、物资保障、信息宣传等。
一、背景为了确保保洁工作的顺利进行,预防和应对突发事件,提高保洁人员的应急处理能力,保障公司保洁工作的正常开展,特制定本保洁应急措施及应急预案。
二、应急原则1. 预防为主,防治结合;2. 及时响应,快速处置;3. 安全第一,确保保洁工作不受影响;4. 责任到人,协同作战。
三、应急组织机构1. 成立保洁应急指挥部,负责应急工作的组织、指挥和协调;2. 设立应急小组,负责具体应急工作的实施;3. 各部门、班组设立应急联络人,负责本部门、班组应急工作的落实。
四、应急措施1. 预防措施(1)加强保洁人员的培训,提高其应急处理能力;(2)定期检查保洁设备,确保设备正常运行;(3)制定保洁工作规范,明确工作流程和注意事项;(4)加强保洁区域巡查,及时发现并处理安全隐患。
2. 应急响应措施(1)发生突发事件时,保洁应急指挥部应立即启动应急预案,通知应急小组和相关部门;(2)应急小组迅速赶赴现场,对突发事件进行初步判断和处理;(3)根据突发事件性质,采取相应应急措施,如:疏散人员、隔离现场、清理污染物等;(4)确保保洁工作不受影响,恢复正常秩序。
3. 应急处理措施(1)针对突发事件,制定详细的处理方案,明确责任人、处理流程和时限;(2)对突发事件进行分类处理,如:轻微事件现场处理,重大事件向上级报告;(3)对突发事件处理过程中产生的废弃物进行妥善处理,确保环境安全;(4)对突发事件处理情况进行总结,为今后类似事件提供借鉴。
五、应急演练1. 定期组织保洁人员开展应急演练,提高其应对突发事件的能力;2. 演练内容包括:突发事件报警、现场处置、设备操作等;3. 演练结束后,对演练情况进行总结,找出不足,改进应急措施。
六、应急物资储备1. 保洁应急指挥部应储备必要的应急物资,如:防护用品、清洁用品、消毒用品等;2. 应急物资应定期检查,确保其质量和数量符合要求;3. 应急物资的使用应遵循节约、合理、高效的原则。
七、应急培训1. 定期对保洁人员进行应急知识培训,提高其应急处理能力;2. 培训内容包括:应急处理流程、设备操作、事故预防等;3. 培训结束后,对培训效果进行评估,确保培训质量。
一、概述为保障保洁工作的顺利进行,确保保洁服务质量,提高保洁员应对突发事件的能力,特制定本应急预案及突发事件处理流程。
二、应急预案1. 客户打碎物品后的应急处理(1)保洁员发现客户打碎物品后,立即摆放好指示牌,及时清理地面碎物、水迹。
(2)若物品过大、情况严重,立即报告保洁部主管,主管到现场指导,调配保安员协助指引客户和车辆改道通行,安排机动人员配合加快工作速度。
2. 客户呕吐后的应急处理(1)保洁员发现客户呕吐,立即在呕吐物旁摆放指示牌,清理呕吐遗留残物。
(2)洒上清毒粉对地面进行清毒,清除地面积水,用拖把拖抹。
(3)及时将客户扶送到休息区域,询问客户是否需要送院观察。
3. 污雨水井、管道、化粪池堵塞的应急处理(1)保洁员发现污水外溢,立即通知服务中心。
(2)服务中心接报后,通知维修部、助理等有关人员赶到现场,进行疏通。
(3)疏通完后,保洁员将捞起的污垢、杂物装上垃圾车,避免二次污染,并清扫地面被污染处。
4. 台风影响环境卫生的应急处理(1)台风来临前,项目经理召集各部门管理人员成立防台小组,对辖区易受台风侵袭的部位进行全面巡查。
(2)发现有可能被台风摧毁的设备和物品,及时进行处理,不能处理的立刻报工程部进行加固维修。
三、突发事件处理流程1. 保持冷静,迅速评估现场情况,确定应急措施。
2. 立即报告上级领导,启动应急预案。
3. 按照预案要求,组织人员、设备进行应急处理。
4. 确保人员安全,防止事故扩大。
5. 完成应急处理后,及时进行善后处理。
6. 填写突发事件处理报告单,并由相关人员签字确认。
四、培训与演练1. 定期对保洁员进行应急预案及突发事件处理流程培训。
2. 定期组织应急演练,提高保洁员应对突发事件的能力。
3. 培训和演练内容应包括应急预案的掌握、突发事件处理流程、安全防护措施等。
五、总结通过制定保洁应急预案及突发事件处理流程,旨在提高保洁员应对突发事件的能力,确保保洁工作的顺利进行。
各级管理人员应高度重视,加强培训和演练,确保应急预案的有效实施。
医院保洁项目应急方案一、突发紧急事件应急预案1、火灾应急预案1.1 保洁人员发现火情,应立即启动火灾报警系统,通知所有人员疏散。
1.2 使用灭火器或消防栓进行初步灭火。
1.3 协助消防人员进行灭火和救援工作。
1.4 事后对受损区域进行清理和消毒,确保环境安全。
2、水灾应急预案1.1 保洁人员发现漏水、水管破裂等情况,应立即关闭水源,防止水势扩大。
1.2 使用吸水机、拖把等工具进行初步排水。
1.3 协助专业人员进行后续处理,确保环境干燥。
3、用气应急预案1.1 保洁人员发现气体泄漏时,立即关闭气源。
1.2 通风换气,避免气体聚集。
1.3 报告专业人员进行检修和处理。
4、用电应急预案1.1 保洁人员发现电器故障或电线裸露时,立即切断电源。
1.2 使用绝缘工具进行处理,避免触电。
1.3 报告专业电工进行检修和修复。
5、防汛应急预案1.1 保洁人员提前准备防汛物资,如沙袋、水泵等。
1.2 关注天气预报,提前做好防范措施。
1.3 在洪水来临时,及时启动排水系统,防止积水。
6、消防应急预案1.1 我公司定期进行消防演练和培训,提高员工消防意识。
1.2 确保消防设施和器材的完好有效。
1.3 配合消防部门进行消防检查和整改工作。
7、地震应急预案1.1 我公司制定地震应急预案,明确疏散路线和避难场所。
1.2 定期进行地震演练和培训,提高员工应对能力。
1.3 在地震发生后,及时对受损区域进行评估和修复。
二、突发医疗事件应急预案1、医疗纠纷应急预案1.1 保洁人员发现医疗纠纷时,立即报告医院管理部门。
1.2 协助调查原因,积极沟通解决。
1.3 加强员工培训,提高服务质量。
2、重大疾病救治应急预案1.1 保洁人员发现重大疾病患者时,立即报告医生进行救治。
1.2 配合医生进行救治工作,提供必要的支持和协助。
1.3 做好患者家属的安抚和沟通工作。
3、重大事故的急救预案1.1 在发生重大事故时,立即启动急救预案。
1.2 保洁人员配合医院急救人员进行救治工作。
物业公司保洁各项应急处理流程
物业公司保洁的应急处理流程可以包括以下几个步骤:
1. 建立应急预案:物业公司应根据不同的场所和情况,制定相应的保洁应急预案,明确人员职责和应对措施。
2. 接到应急通知:当接到应急通知时,物业公司应立即派遣保洁人员前往现场。
3. 快速响应:保洁人员应迅速赶到现场,查看清洁情况,并与相关部门和人员进行沟通,了解具体的情况和需求。
4. 分析问题:保洁人员需要对现场情况进行分析和评估,确定需要采取的清洁措施和资源需求。
5. 制定行动计划:根据现场情况,保洁人员应制定相应的行动计划,明确清洁目标和工作流程。
6. 资源调配:保洁人员需要根据需要调配相应的清洁工具、物资和设备,确保能够高效完成清洁工作。
7. 开展清洁工作:保洁人员按照制定的行动计划,进行现场清洁工作,包括清理垃圾、擦拭表面、消毒等。
8. 完成工作报告:保洁人员在完成清洁工作后,应及时提交工作报告,包括清洁情况、使用的清洁工具和物资、工作时长等。
9. 监督检查:物业公司应对保洁工作进行监督和检查,确保保洁人员按照要求进行工作,并及时进行整改和改进。
10. 记录和总结:物业公司应将每次的应急处理情况进行记录和总结,为以后类似情况的处理提供参考和经验。
保洁操作应急预案【最新版】1. 前言本预案的编制是为了保障清洁人员在工作中的安全和健康,合理、高效地处置突发情况,保护公共卫生和环境卫生。
本应急预案规定了突发情况的分类及应对措施,以及预防措施和日常清洁管理工作要求。
本预案适用于所有的清洁工作。
2. 突发情况分类与应对措施突发情况主要包括人员伤亡事故、天然灾害、设备故障和公共卫生事件。
不同情况下应采取不同的应对措施。
- 人员伤亡事故:在发现伤亡事故时应立即报警并上报上级主管部门,然后紧急处理伤者,对现场进行安全隔离与撤离,同时配合相关部门进行调查和处理。
- 天然灾害:应听取气象部门的预报,做好相关防灾工作,如固定室外物品等,同时做好抢险应对工作。
- 设备故障:发现设备故障时,应及时报修,并做好其它相关的应对措施,如紧急疏散等。
- 公共卫生事件:在发现可疑传染病疫情时,应立即向疾控中心报告,并按疾控部门相关要求做好隔离、处置、消毒等工作。
3. 预防措施和日常清洁管理工作要求为了避免突发情况的发生,在日常清洁管理工作中需要注意以下几点:- 科学选用清洁剂和消毒剂,并遵循正确的使用方法。
- 制定合理的加班计划和节假日清洁计划,保证清洁人员的身心健康。
- 关注清洁设备使用情况,及时检修更换。
- 保证所使用的清洁设备、器具卫生干净,并加强对人员的健康教育和个人卫生。
4. 应急预案的组织和实施各级主管部门应当按照本预案要求,建立并完善应急预案,同时加强对清洁人员的应急知识和技能培训,提高应对突发情况的能力和水平。
在应急响应过程中,清洁人员需要按照预案要求采取措施,同时要及时汇报工作进展和成效。
5. 结语清洁工作是保障公共卫生和环境卫生的重要工作之一,本预案的制定和实施有利于提高清洁工作效率和工作质量,保证清洁工作人员的安全和健康,防范和处置突发情况,畅通公众意见和信息渠道,维护社会稳定。
一、目的为了提高保洁人员的应急处置能力,保障保洁人员的人身安全和公司财产不受损失,特制定本预案。
二、适用范围本预案适用于保洁人员在工作中遇到的各种突发事件,包括但不限于:火灾、自然灾害、意外伤害、交通事故等。
三、组织机构1. 成立保洁人员突发事件应急处置领导小组,负责全面协调、指挥和监督突发事件应急处置工作。
2. 设立应急指挥部,负责突发事件的具体处置工作。
3. 成立应急小组成员,包括:组长、副组长、联络员、现场指挥员、救援人员、医护人员等。
四、应急处置流程1. 紧急情况发现(1)保洁人员发现突发事件时,应立即向应急指挥部报告。
(2)应急指挥部接到报告后,立即启动应急预案,通知相关人员进行处置。
2. 现场处置(1)现场指挥员根据现场情况,制定应急处置方案。
(2)救援人员迅速到达现场,开展救援工作。
(3)医护人员对受伤人员进行救治。
(4)现场指挥员协调相关部门,做好现场交通、人员疏散等工作。
3. 应急物资保障(1)应急指挥部根据现场情况,调集应急物资。
(2)救援人员按照要求,分发应急物资。
4. 信息发布(1)应急指挥部及时向上级领导和相关部门报告事件情况。
(2)通过公司内部渠道,向保洁人员发布事件信息。
5. 事件善后处理(1)现场处置结束后,应急指挥部组织人员对现场进行清理。
(2)对受伤人员进行跟踪救治,确保其康复。
(3)对事件原因进行调查,总结经验教训,完善应急预案。
五、应急演练1. 定期组织保洁人员进行应急演练,提高其应急处置能力。
2. 演练内容包括:火灾、自然灾害、意外伤害等突发事件。
3. 演练结束后,对演练情况进行总结,发现问题及时整改。
六、预案修订1. 根据实际情况,对预案进行定期修订。
2. 如遇重大政策调整或突发事件,及时修订预案。
七、附则1. 本预案由保洁人员突发事件应急处置领导小组负责解释。
2. 本预案自发布之日起实施。
注:本预案可根据实际情况进行调整和补充。
环卫保洁服务应急管理与应急措施方案前言应急事务是环卫保洁服务项目中必不可少的一部分, 在日常保洁作业中台风、暴雨等灾害性天气、中暑等人员伤亡、交通事故、重大节假日产生大量的垃圾等突发情况已司空见惯, 作为一个有经验、有责任的环卫保洁先进单位, 我司将把应急事务的处理放在首位, 确保本次环卫保洁任务“零伤亡、低风险、高质量”的完成。
——设想: 预防为主, 及时控制——目标: 降低应急可能, 做好应急演练, 提高应急效率——承诺:24小时应急响应, 形成长效应急机制一、总体部署(一)应急部署1.目的应对本项目内的突发事件, 加强对紧急事件的处理能力, 将突发事件对我司服务的场所、设施、人员、财产和环境造成的损失降至最低, 最大限度地保障生命、财产安全。
为有效预防, 及时控制, 尽最大可能消除突发事件造成的损失, 并能够迅速、准确和有效地进行应急预防, 最大限度, 降低重大节假日等突发情况造成的环境卫生污染程度, 给工业园人员出行创造一个干净、整洁、舒适的环境, 结合工业园区现在的实际情况, 特制定本应急预案。
2.指导思想(二)做好应急工作是一项艰苦、细致、严肃的工作, 又是一项对从事环卫保洁工作者的严峻考验, 我公司本着以预防为主, 积极开展因突发事件诱发的应急防护工作, 遵循“安全第一, 预防为主, 综合治理”的方针, 坚持防御和及时处理相结合的原则。
(三)应急内容1.自然灾害主要包括暴风雨天气、台风天气、灾害性地震造成大量的垃圾、树叶吹撒在路面上。
2.临时性、突发性应急任务主要包括: 重大节假日人流剧增时的环卫任务;重大检查、重大接待等临时性、突发性任务;项目范围内举行接受各种参观检查的环卫任务;各类维护施工、交通事故、散杂货洒落等突发情况导致的路面污染等。
工业园区内道路发生内涝、排水不畅等情况造成的突发应急情况。
3.人员伤亡应急项目环卫保洁过程中产生的人员伤亡情况主要有: 中暑、交通事故、触电等。
保洁应急处理流程保洁应急处理流程是指在日常保洁过程中,突发情况发生时,保洁人员需要采取的应急措施和处理流程。
在保洁工作中,可能会面临各种突发状况,如物品损坏、泄漏、污染等,及时有效地处理这些问题,不仅能确保保洁工作的顺利进行,还能够保障员工和环境的安全。
下面是一个1200字以上的保洁应急处理流程。
1.掌握应急处理原则:在处理突发状况时,保洁人员首先要冷静下来,掌握应急处理原则,即安全第一,效率第二、无论何种情况发生,保洁人员都要始终将员工和环境的安全放在首位,合理安排时间和资源,不盲目追求效率而忽略安全。
2.发现问题及时报告:保洁人员在发现突发状况时,应立即向上级主管报告。
在向主管报告时,保洁人员应提供详细的情况说明,包括具体发生的问题、问题的范围和严重程度等,以便主管能够迅速做出决策和采取措施。
3.避免危险扩大:在报告问题之后,保洁人员需要立即采取措施避免危险的扩大。
这可能包括关闭电源、关闭水源、封锁危险区域等。
保洁人员需要根据具体情况判断应该采取何种措施,并且做好相应安全标识,以便提醒其他人员注意。
4.找出问题根源:在应急处理过程中,除了采取紧急措施外,保洁人员还需要找出问题的根源。
通过仔细观察和分析,保洁人员可以找到问题的起因,并且采取相应措施解决根本问题。
例如,在清洁过程中发现水漏,保洁人员需要检查水管连接是否紧固、水阀是否关闭等,找出问题所在并及时修复。
6.进行紧急清理:一旦突发问题得到有效控制,保洁人员需要进行紧急清理工作。
这可能包括清除损坏的物品、泄漏物的清理、污染地区的消毒等。
在进行紧急清理时,保洁人员需要使用合适的工具和设备,采取适当的措施,确保清理工作的安全和高效。
7.填写应急报告:在突发问题得到解决后,保洁人员需要填写应急报告。
应急报告应包含问题的具体情况、采取的应急措施、损失的评估等信息。
填写应急报告有助于总结经验教训,为今后类似问题的处理提供参考。
8.审查和反馈:应急处理结束后,主管部门需要对保洁人员的应急处理工作进行审查和反馈。
一、目的为确保医院保洁工作的正常进行,预防和应对突发事件,保障医院职工和患者的生命财产安全,特制定本预案。
二、适用范围本预案适用于医院保洁工作中可能出现的各类突发事件,包括但不限于以下情况:1. 保洁工具或用品损坏;2. 保洁区域发生污染;3. 保洁过程中发生意外伤害;4. 保洁区域发生安全事故;5. 保洁人员突发疾病;6. 其他影响保洁工作正常进行的突发事件。
三、组织机构及职责1. 应急领导小组:负责组织、协调、指挥应急处置工作。
2. 应急救援组:负责现场应急处置,包括人员救治、设备抢修、现场清理等。
3. 信息报告组:负责及时向上级领导报告突发事件情况,协调相关部门。
4. 后勤保障组:负责应急物资的调配、供应,确保应急处置工作的顺利进行。
四、应急处置流程1. 发现突发事件后,保洁人员应立即停止作业,向应急领导小组报告。
2. 应急领导小组接到报告后,立即启动应急预案,组织应急救援组进行处置。
3. 应急救援组到达现场后,迅速开展以下工作:(1)评估现场情况,确定事故原因和影响范围;(2)组织人员撤离危险区域,确保人员安全;(3)采取有效措施,控制事故扩散,降低损失;(4)进行现场清理,恢复保洁工作;(5)配合相关部门进行调查和处理。
4. 信息报告组及时向上级领导报告应急处置情况,并协调相关部门。
5. 应急处置结束后,应急领导小组组织评估应急处置效果,总结经验教训,完善应急预案。
五、应急物资及设备1. 应急物资:急救箱、消防器材、防护用品、应急通讯设备等。
2. 应急设备:清洁工具、消毒剂、防护服等。
六、培训和演练1. 定期对保洁人员进行应急知识培训,提高应急处置能力。
2. 定期组织应急演练,检验应急预案的有效性和可操作性。
3. 根据演练情况,不断完善应急预案。
七、附则1. 本预案由医院保洁部门负责解释。
2. 本预案自发布之日起实施。
保洁服务应急方案一、前期准备工作1.了解保洁服务范围和要求:在制定保洁服务应急方案之前,首先要了解保洁服务的范围和要求,包括清洁的区域、标准和频率等。
只有明确了这些信息,才能有针对性地制定应急方案。
2.做好清洁工具和设备准备:保洁服务应急方案中要考虑到各种应急情况的处理,因此需要事先准备好相关的清洁工具和设备,包括吸尘器、拖把、清洁剂、垃圾袋等。
同时,还要确保这些清洁工具和设备的有效性和可靠性。
二、常见应急情况处理1.墙面污染:墙面上出现污渍或污垢时,可以使用中性清洁剂和软布进行擦洗,也可以使用专门的除污剂进行处理。
2.地面污染:地面上出现污渍时,可以使用吸尘器先清理掉尘土,然后使用清洁剂和拖把进行擦洗,最后用干净的毛巾擦干。
3.清洗设备损坏:如果清洗设备出现故障或损坏,应立即停止使用,并及时通知维修人员进行维修或更换设备。
同时,要采取其他的清洁方法,确保清洁工作不受影响。
4.清洁液溢出:清洁液的溢出可能导致地面变得湿滑,并可能对人员的安全造成威胁。
一旦发生清洁液溢出的情况,应立即清理清洁液,并通风干燥地面,以防止滑倒事故的发生。
5.垃圾处理困难:如果垃圾过多或垃圾桶满了无法继续装垃圾,应及时清理并更换垃圾袋。
同时,要保持垃圾袋的完整和密封,以防止恶臭气味的扩散。
三、应急处理措施1.充分利用预留时间:在制定保洁服务计划时,应合理安排预留时间,以应对可能发生的应急情况。
预留时间可以用来处理紧急的清洁工作,或者进行设备维修和更换。
2.灵活调配人员:在应急情况发生时,要及时调配足够的人员进行应急处理。
可以通过调整工作时间、加派人员或者借用其他部门的人手,确保清洁工作的顺利进行。
3.协作配合其他部门:保洁服务通常是与其他部门相互协作进行的,因此在应急情况处理中也需要与其他部门进行紧密配合,共同解决应急问题。
例如,在清洁液溢出的情况下,可能需要与维修部门合作,共同清理和修复损坏。
4.定期演练和培训:为了提高应急处理能力,保洁服务人员应定期进行应急演练和培训。
保洁服务项目现场应急预案正常情况下,影响环境卫生的突发情况主要有暴风、大雪、水管暴裂、漏水、污水井、管道严重堵塞、火灾、户外施工和新入住装修等现象。
为了避免一些突发事件的发生和给保洁工作造成影响,做到防患于未然,针对突发事件,制定以下相应的处理程序,安排员工在岗前培训中认真学习,提高他们能应对各种突发事件的应急工作能力。
为此我方特制度保洁应急预案如下:一、跑水应急预案1、人员准备(1)接到跑水的抢险指令时迅速到达险情现场;(2)按现场主管安排的责任区域进行吸水处理,直至宣布结束;(3)任务完成后将各种工具收齐,清洗干净并送回现场库房。
2、物资准备(1)抢险工品种主要有:吸水机、水桶、墩布、线滚子、手电筒、告示牌等;(2)抢险物资的管理:抢险物资应集中存放在现场库房,要做到方便拿取,专项使用,不可因日常的使用影响跑水抢险预案启动和实施。
3、预案的启动和实施(1)跑水险情较轻微时,由第一发现人立即处理,用敏布、扫帚等将积水清理干净;(2)发现跑水险情较重时,立即通知就近的工程人员和直接上级组织处理;(3)现场主管接到其他场所跑水需要支援的指令后,按要求调动相关员工,领取工具,以最快的速度达到现场,并根据跑水的具体情况指挥吸水;(4)若需用吸水机等用电设备时,要注意用电安全;(5)清理结束时,要将所用工具、设备收集齐全,送回库房。
二、扫雪应急预案1、人员准备(1)现场主管为本预案启动的总指挥,其职责是:1)注天气变化,收听每天的天气预报,根据实际情况,决定预案是否启动;2)将预案启动的相关程序、要求,对现场全体保洁员进行培训,必要时进行演练,使全体员工在预案启动时能及时、有序到位;3)准备充足的物资、材料,保证预案启动时使用;4)建立员工联络网,记录每位员工的住址和有效电话号码;5)预案启动时,现场主管为负责预案实施的总指挥;6)预案实施后,组织对预案进行评审,提出改进意见;7)对全体员工进行下雪期,特殊天气的人员动态调动管理,现场主管随时在外围巡视,时刻注意雪情。
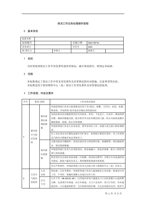
保洁应急工作管理流程
1.0目的
对影响住宅区环境卫生的意外情况制定应急处理措施,为业主提供始终如一的清洁服务。
2.0范围
适用于公司大厦/住宅区出现的突发性火灾,污、雨水井,管道,化粪池严重堵塞,台风暴雨,户外施工,新入住小区业主/住户装修期间的应急处理措施。
3.0职责
3.1清洁主管负责对突发事件的组织、指挥、安排及协调各部门对突发事
件处理。
3.2清洁领班负责协助主管对突发事件的组织、指挥、安排及协调各部门
对突发事件处理工作。
3.3清洁员负责依照本规范对突发事件后的清洁工作进行操作。
4.0方法与过程控制
4.1清洁工作应急执行标准 4.1.1发生火灾后的清洁工作应急处理措施:4.1.1.1救灾结束后,清洁班长组织全体清洁员参加清理现场的工作。
4.1.1.2用垃圾车清运火灾遗留惨留杂物一并清运,打扫。
4.1.2 污雨水井、管道、化粪池堵塞,污水外溢造成不良影响。
4.121 维修工迅速赶到现场,进行疏通,防止污水外溢造成不良影
响。
4.1.2.2 该责任区清洁员将垃圾车、扫把等工具拿到故障点,协助维修工
处理。
4.1.2.3 将从污雨水井、管、池中捞起的污垢等直接装上垃圾车,
避免造成第二次污染
4.1.2.4 疏通后,清洁员迅速打扫地面被污染处,并接水管或用桶提水清
洗地面,直到目视无污物。
4.1.3 风雨影响环境卫生的应急处理措施:
4.1.3.1 暴风雨后,清洁工及时清扫各个责任区内所有地面上垃圾袋、纸
屑、树叶等杂物。
4.1.3.2 发生塌陷或大量泥水沙溃至路面,绿地,清洁工协助服务中心检
修,及时清运、打扫。
4.1.3.3 清洁工查看各个责任区内污水排水是否畅通。
如发生外溢,及时
清运、打扫。
4.1.4 施工影响环境卫生的应急处理措施:
4.1.4.1 小区设施维修以及供水、供电、煤气管道、通讯设施等项目施工
中,清洁工配合做好场地周围的清洁工作。
4.1.4.2 及时清理业主搬家时遗弃的杂物,并清扫场地。
4.1.5 新入住装修期应急处理措施:
4.1.
5.1 各个责任区清洁员加强保洁,对装修垃圾清运后的场地及时清
扫,必要时协作业主或服务中心将装修垃圾及时上车清运。
安全注意事项: 清理火灾场地时,应在消防部门调查了解情况后,经过同意方可进行清理。
4.2 夏季雨天应急工作执行标准适用于夏季雨天,大理石、瓷砖地面和墙
面出现返潮现象,造成地面积水,墙皮剥落,电器感应开关自动导通的情况。
4.2.1 在大堂等人员出入频繁的地方放置指示牌,提醒客人“小心滑
倒”。
4.2.2 加快工作速度,班长要加强现场检查指导,合理调配人员,及时清
干地面、墙面水迹。
4.2.3 若发潮现象比较严重,应在大堂铺设一条防滑地毯,并用大块
的海绵吸干地面、墙面、电梯门上的积水。
4.2.4 仓库内配好干拖把、海棉、地毯、毛巾和指示牌。
安全注意事项:夏季雨天作业要穿胶鞋,不要穿塑料硬底以防滑倒。
4.3 暴风暴雨天气应急工作执行标准
4.3.1 清洁班班长勤巡查,督导各个岗位清洁的工作,加强与其他部门的协
调联系工作。
4.3.2 天台、裙楼平台的沟渠由班长专人检查,特别在风雨来临前要巡查,如
有堵塞及时疏通。
4.3.3 检查雨、污水井,增加清理次数,确保畅通无阻。
4.3.4 各个岗位清洁员配合安全管理员关好各个楼层的门窗,防止风雨刮进楼
内,淋湿墙面或打碎玻璃。
4.3.5 仓库内备好雨衣服,鞋、铁勾、竹片、手电筒,做到有备无患。
安全注
意事项:暴风暴雨天气注意高空坠物。
4.4 楼层内发生水管爆裂事故应急工作执行标准当楼层空调水管,给水管的接头
发生爆裂,造成楼层浸水时,应按如下步骤处理:
4.4.1 迅速关闭水管阀门并迅速通知安全管理员和维修人员前来救助。
4.4.2 迅速用扫把走流动电梯厅附近的水,控制不了时可将电梯开往上一楼
层,并通知维修人员关掉电梯。
4.4.3 电工关掉电源开关后,抢救房间、楼层内的物品,如资料、电脑等。
4.4.4 用垃圾斗将水盛到水桶内倒掉,再将余水扫进地漏,接好电源后再用
吸水器吸干地面水分。
4.4.5 打开门窗,用风扇吹干地面。
安全注意事项:处理水管爆裂事故时,应注意防止触电。
4.5突发公共卫生事件应急工作执行标准
4.5.1确保在发生突发公共卫生事件(传染疾病、事物、水或有害气体中毒,不
明原因疾病等)时能迅速果断地采取相应措施,最大程度地避免和减少
事件对社区业主的危害,并能在事件过后或趋于平衡时的最短时间内消
除影响,恢复社区各方面的正常秩序,使业主能安定、安心工作和生
活。
4.5.2 适用情况:社区内突发公共卫生事件;地区内发生的突发公
共卫生事件。
4.5.3 应急工作中应坚持的原则:
4.5.3.1 及时联络有关部门和机构,寻求多方协助。
4.532 密切注意事件发展,向业主不间断通告相关情况。
4.533 严格预防,避免恐慌。
4.5.3.4 高度注意管理公司员工的防护工作。
注意事项:在处理突发事时作好各项自我保措施,女口:防滑、烧伤、
中毒、高空抛物等。
5.0各级管理人员核查频次
6.0相关文件
7.0相关表格
THANKS !!!
致力为企业和个人提供合同协议,策划案计划书,
学习课件等等
打造全网一站式需求
欢迎您的下载,资料仅供参考。