体系文件编号规则
- 格式:pdf
- 大小:230.23 KB
- 文档页数:5
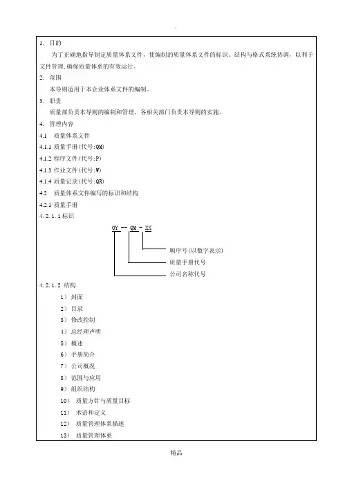
公司体系文件编号规则要求1.本规则适用于公司文件化信息编号管理,行政管理部负责公司文件和记录编号管理,审核确认、备案各部门编号。
各部门负责本部门职责业务文件和记录编号。
2.文件化信息编号规则2.1行政公文或通知编号格式2.1.1公司级行政公文或通知编号采用:,自 1 编起4 位码年代编号2.1.2部门业务事项通知编号,参照公司及行政公文编号规则2.2产品(公示)标准标码规则企业产品(公示)标准编号格式采用:4 位阿拉伯数字3 位阿拉伯数字示例:产品(公示)标准:灭草松原药 Q/371624SGC 031-2017解读为:2017 年沾化国昌发布的第 031 号“灭草松”原药产品标准。
2.3 管理体系文件化信息编号格2.3.1 编号格式流水后加“-”,文件或标准发布年代号,使用 4 位阿拉伯数字。
4)类别内文件化信息的流水(顺序)号,采用阿拉伯数字,每类文件流水号自 01 起始;管理手册,采用版本序号。
3)文件化信息类别代号:M 代表管理制度(可省略);P 代表控制程序,I 代表作业指导书(在管理制度、控制程序和作业文件未分层次的,可省略 M、P、I,采取下位文件再增加一层顺序代码进行标识),R 代表记录。
2)空 0.5 个字符:管理体系/或业务类别,采用英文或汉语名称拼音缩写。
MS 代表整合一体化管理手册,其他详见 B4.3.2、B4.3.3。
1)企业标识,代表沾化国昌精细化工有限公司示例:质量、环境和职业健康安全一体化/整合管理体系《管理体系手册》编号ZHGC MS01-2022。
《文件化信息/标准化管理制度》编号:ZHGC EM02-2022《员工薪酬管理制度》编号:ZHGC HR05-2021(没有区分制度和作业文件层次),《职称管理规定》ZHGCHR05-01-2021(属于《员工薪酬管理制度》下一个层的作业文件,在其顺序号后增加一级顺序编号)。
2.3.2 编号代码说明a)ZHGC——代表沾化国昌精细化工有限公司,在文件封面或眉头使用“艺术图案”格式、“专用字体”的,应符合公司“VIS 识别”规定;b)管理体系/或业务类别——通常采用导入的管理体系、管理业务领域英文或汉语名称拼音缩写。
体系文件编号规则SUP-GM-R01文件分发一览销售部SD 客服部CS市场部MK研究所R&D综合管理部GM证券投资部SI生产部PD采购部PU财务部FD审计部AD计划部PM技术部TD品质部QM√√√√√√√√√√√√√部门会签部门签名部门签名文件审批编制审核批准修改历史版本修改描述日期编制人A/00 首次发布2014.3.13 蔡媛媛1. 目的:对公司体系文件和记录的编号作出明确规定,规范统一体系文件的编号,便于文件及记录的识别和检 索。
2. 适用范围 :适用于公司与质量管理体系有关的所有文件及实施记录的编号。
3. 参考文件或标准 :无4. 术语和定义:无5. 责任部门及职责:综合管理部:负责制定统一的文件编号规则并监督执行。
其他相关部门:按照规则执行6. 流程图无7. 控制要求 :7.1 质量管理体系文件的编号7.1.1质量手册(一级文件)编号; SUP/QM7.1.2 程序文件(二级文件); SUP ×.×× - ××例如:SUP1.1-GM 《文件和记录控制程序》7.1.3 支持性文件(包括操作指导书、检验规范、操作规程、内部标准、规章制度等,三级文责任部门代码1-2位流水号分类号码:1. 质量管理体系 2. 管理职责部分 3. 资源管理部分4. 产品实现和运行控制部分 5. 检查、测量、分析和改进部分公司名称代号件);SUP - ××- ×-×××例如:SUP-GM-R01 表示综合管理部负责实施和控制的有关制度规定类文件。
7.2文件记录的编号和流水号 7.2.1 文件记录的编号 F ××/SUP ××××例如: 编号ESPBB1.1-QM 的文件产生的第一个记录为“F01/ ESPBB1.1-QM ”。
7.2.2文件记录的流水号一般文件记录的流水号,按年份加3位阿拉伯数字流水号的形式编制。
体系文件编号规则
一、公司代码:JDDSY
二、模块代码:
1、研究论证:YJ
2、规划设计:GH
3、营销企划:YQ
4、招商管控管理:ZS
5、工程管控管理:GC
6、营运管控管理:YY
7、客服管控管理:KF
8、安全管控管理:AQ
9、消防管控管理:XF
10、保洁管控管理:BJ
11、财务管控管理:CW
12、收银管控管理:SY
13、信息管控管理:XX
14、人力资源:RL
15、行政管控管理:XZ
16、审计管控管理:SJ
三、文件类型代码:
1、相关流程:LC
2、指引:ZY
3、制度规章/规范/办法:ZD
4、表单/附件:R
5、组织管控:GK
四、编号示例
1、相关流程:公司代码-相关流程模块代码-LC-顺序号
JDDSY-YJ-LC-01
2、指引:公司代码-相关流程模块代码–ZY-顺序号
JDDSY-YJ–ZY-01
3、制度规章:公司代码-相关流程模块代码-ZD-顺序号
JDDSY-YJ-ZD-01
4、表单/附件:JDDSY-R-模块名称-顺序号
某一模块中涉及到的表单:JDDSY-R-模块名称-顺序号
注:如果一个表单在多个相关流程/指引中出现,按照价值链的顺序,以在第一个相关流程中出现的表单编号为准,在其他相关流程中出现的该表单也用上一相关流程中出现的编号, 保证每个表单的编号唯一。
某一模块中涉及到的表单统一放在同一个文件夹中“相关记录”,加上“00模块名称表单记录目录”。
(如:00行政管控管理表单记录目录)
5、组织管控:公司代码-GK-顺序号
JDDSY-GK-01。
体系文件编号规则一、文件编号要素1.公司名称:陕西骏景索道运营管理有限公司公司代码:JJSD2.部门名称及代码3.日期代号格式: yyyymmddyyyy:用四位数字表示公元年份,如2016表示公元2016年。
mm:用两位数字表示月份,不足两位时,第一位用零补齐,如01表示1月。
dd:用两位数字表示日期,不足两位时,第一位用零补齐,如20表示第20号。
例如: 20160120 表示(2016年01月20日)4。
流水号统一采用两位阿拉伯数字编码,例如“01”代表第一份文件4。
版本编号起草版本的编号为A/0、A/1,其中A/0表示此文件为第一版新创建文件,A/1表示第一版第一次修订。
5.文件类型、要素代码,用大写中文字母简写表示二、编码规则1、管理类文件公司管理类文件的编号格式为:公司简称—部门代号-文件类型-文件版本号-流水号。
如;《骏景索道运营管理有限公司》档案管理制度是行政管理制度中第三项制度,可以编为:JJSD-ZH-ZD—A/0—032、技术类文件公司技术类文件的编号格式为:公司简称-部门代号—技术文件-文件类型-文件版本号-流水号如:JJSD-QKW—JS—SYSC-1。
0-01 含义:骏景索道运营管理公司乾坤湾项目公司技术文件,其文件类型是使用手册,该手册的版本号是1.0,流水号是01号。
3、合同协议合同协议的编号格式为:公司简称-部门代号-合同类型-签订合同年月日-流水号合同类型一般采用大写,如HZ-合作协议,CG-采购合同,LD—劳动合同,JK-借款协议。
如:JJSD—RL—LD-2018—01 含义:2018年公司人力资源与培训部签订的第1份劳动合同。
4、外来文件外来文件的编号格式:公司简称-外来—来文年月日-流水号。
如:JJSD—WL-20180723-01,表示公司2018年7月23日第1份外来文件.6、会议纪要格式:公司简称-部门代号—会议简写(HY)—年月—流水号.7、工作总结或工作计划格式:公司简称—部门代号—总结/计划简写-年月—流水号。
体系文件编号规则
体系文件的编号规则是为了对文件进行管理和归档,确保文件的检索
和使用的便利性。
一种常见的体系文件编号规则是采用基于数字的编号体系,如下:
1.文件类型标识:文件类型标识是体系文件的类别标识,通常使用字
母或数字表示,如“A”表示管理文件,“B”表示工作指南,“C”表示
规章制度等。
2.系统分类标识:系统分类标识是对体系文件按照业务系统进行分类,可以使用数字或字母进行表示,如“01”表示财务管理,“02”表示人力
资源管理等。
3.文件序号:文件序号是对每个文件在其所属系统分类中的序号,通
常使用数字进行表示,如“001”、“002”等。
4.文件版本标识:文件版本标识是对同一文件进行版本管理的标识,
通常使用字母或数字进行表示,如“A”表示第一版,“B”表示第二版等。
5.修订标识:修订标识是对文件进行修订时的标识,通常使用字母或
数字进行表示,如“R1”表示第一次修订,“R2”表示第二次修订等。
综合上述规则,一个体系文件的完整编号可以是:文件类型标识+系
统分类标识+文件序号+文件版本标识+修订标识。
例如,一份财务管理文
件的编号可以是“B01-001A-R1”。
此外,体系文件编号规则还可以根据组织内部的需求和实际情况进行
定制和调整,以上仅是一种常见的基本规则。
在实际应用中,还需要考虑
如文件年份、部门标识等其他因素,以便更好地满足组织的具体需求和管理要求。
质量管理体系文件编号规定和标识规则一、一级文件(质量手册)编号规定质量手册编号由三部分组成:第一部分:公司英文简写,即XX第二部分:文件级别.质量手册的文件级别用A表示。
第三部分:版本号。
版本号从0开始,第一次修改变为1,第二次修改变为2,依此类推。
举例:质量手册XX – A – 0英文简写版本号二、二级文件(程序文件)编号规定程序文件编号由四部分组成:第一部分:公司英文简写,即XX。
第二部分:文件级别。
程序文件的文件级别用B表示。
第三部分:流水号。
用1、2、3……依次排序。
第四部分:版本号。
版本号从0开始,第一次修改变为1,第二次修改变为2,依此类推。
举例:程序文件版本号XX – B – 1 — 0英文简写流水号三、三级文件编号规定三级文件编号由五部分组成:第一部分:公司英文简写,即XX。
第二部分:文件级别。
三级文件的文件级别用C表示。
第三部分:文件类别。
三级文件包括:工作依据、作业指导书、岗位职责。
a)工作依据类型:“法规"表示为“FG”“规章"表示为“GZ”“公司内部制度”表示为“ZD”(意为“制度”)“其他文件”表示为“QT"(意为“其他”)b)作业指导书作业指导书按用途分类,可分为:规范类、指南类、标准类、综合类。
“规范”用“GF”表示“指南”用“ZN"表示“标准”用“BZ”表示c)岗位职责用“ZZ”表示第四部分:流水号。
用1、2、3……依次排序.第五部分:版本号。
版本号从0开始,第一次修改变为1,第二次修改变为2,依此类推。
举例:三级文件流水号XX – C –(LB)– 1 – 0英文简写文件类别版本号四、四级文件编号规则四级文件编号由五部分组成(每部分中间以“-”连接):第一部分:公司英文简写,即XX第二部分:文件级别。
四级文件的文件级别用D表示。
第三部分:四级文件类型四级文件类型由三部分组成:用途+使用范围a)按用途分类,可分为:注册类、临床类、服务类、检查类、调查类、综合类、其他类。
公司体系文件编号规则明细1.文件结构1.1管理制度/控制程序文件结构,通常包括:封面、目录(次)、前言或文件履历1目的及适用范围2规范性引用文件/编制依据(适用时保留)3术语及定义(适用时保留)4职责与权限5管理/工作流程6管理/控制要求7改进与责任担当/监督、考核8相关文件/记录9适用的记录表单式样10附录(适用时保留)其中文件结构中:“目的及适用范围”、“职责和权限”、“管理/控制要求”、“相关记录”是必要内容,不能缺项。
其他结构内容,根据适用程度和必要性进行保留、删减。
1.2要求进行公示或备案登记的产品与服务标准,文件结构和编写格式等要求,应符合GB/T 1.1标准化工作导则标准的结构和编写、HG/T2467农药系列产品标准编写规范要求。
1.3技术文件、操作规程/作业指导书(SOP),根据过程或活动的特点和实际需要,根据GB/T1.1标准化工作导则标准的结构和编写、附录C C1.1管理制度/控制程序文件结构,组织编制或进行调整,保留、删减。
2.文件编制要求2.1文件内容的策划和编写,应考虑业务/活动的目的和对象,基于过程方法、风险思维,对业务/活动涉及的“人、机、料、法、环、测”制定规范要求。
文件内容策划结构:2.2文件正文编写在逻辑关系和内容,应考虑或引用:a)做什么:业务、事项、活动;为什么这么做,理由何在,造成这样的结果为什么;b)谁来做:明确责任主体;c)在哪里做:地点、岗位;d)什么时间做:什么时机需要做、最适宜,什么时间完成;e)怎么做:什么工具、作业规范,如何提高效率、如何实施、如何改善;f)工作场所/岗位环境因素和职业危害、危险因素及控制;g)做到什么程度:数量如何,质量水平如何,有没有成本控制、费用如何;h)如何测量:测量什么项目,测量的标准、测量的结果向谁报告有谁落实;i)适用时,还应考虑常见故障及排除和紧急情况处置等;j)保留什么记录。
3.文件编制格式3.1文件封面格式见示例。
体系文件编号规则体系文件编号规则SUP-GM-R01文件分发一览销售部SD 客服部CS市场部MK研究所R&D综合管理部GM证券投资部SI生产部PD采购部PU财务部FD审计部AD计划部PM技术部TD品质部QM√√√√√√√√√√√√√部门会签部门签名部门签名文件审批编制审核批准修改历史版本修改描述日期编制人A/00 首次发布2014.3.13 蔡媛媛1. 目的:对公司体系文件和记录的编号作出明确规定,规范统一体系文件的编号,便于文件及记录的识别和检 索。
2. 适用范围 :适用于公司与质量管理体系有关的所有文件及实施记录的编号。
3. 参考文件或标准 :无4. 术语和定义:无5. 责任部门及职责:综合管理部:负责制定统一的文件编号规则并监督执行。
其他相关部门:按照规则执行6. 流程图无7. 控制要求 :7.1 质量管理体系文件的编号7.1.1质量手册(一级文件)编号; SUP/QM7.1.2 程序文件(二级文件); SUP ×.×× - ××例如:SUP1.1-GM 《文件和记录控制程序》责任部门代1-2位流水号分类号码:1. 质量管理体系 2. 管理职责部分 3. 资源管理部分4. 产品实现和运行控制部分5. 检查、测量、分析和改进部分公司名称代号7.1.3 支持性文件(包括操作指导书、检验规范、操作规程、内部标准、规章制度等,三级文件);SUP - ××- ×-×××例如:SUP-GM-R01 表示综合管理部负责实施和控制的有关制度规定类文件。
7.2文件记录的编号和流水号 7.2.1 文件记录的编号 F ××/SUP ××××例如: 编号ESPBB1.1-QM 的文件产生的第一个记录为“F01/ ESPBB1.1-QM ”。
管理标准体系文件编号细则1 目的使公司管理标准体系文件编号规范、统一。
2 范围适用于公司及其分公司制定的管理标准体系文件编号。
3 职责管理标准体系归口管理部门(营运总部)负责根据公司标准体系文件编号规则,制定公司管理标准体系文件编号细则及指导编号。
4 内容和要求4.1 编号原则管理标准体系文件的编号应满足计算机管理的要求。
4.2 编号分类公司管理标准体系文件分为通用管理标准文件、三标一体管理体系文件、流程管理文件。
4.2.1通用管理标准、流程管理文件的编号由八部分组成,具体形式见下图:□/□□□□□□□□□-□□□□□版本号发布年份号流水号分篇代号分类代号类别代号公司代号公司标准代号①公司标准代号统一为Q。
②公司代号统一为TF。
③通用管理标准文件的类别代号为GL。
④分类代号为G、M、S、B、L,其中G指纲领性文件,M(Major)指主营业务类文件,S(Support)指支持类文件,B指部门级文件,L代表流程文件。
⑤分篇代号为两位数字,分篇代号见下表:⑥流水号为两位阿拉伯数字,一级文件的流水号为“01、02”,并依此往后递增;二、三级文件的流水号从“11、12”开始编号并依此往后递增;如文件数量超过编号限制,则整体升位(即流水号从两位升为三位)。
⑦发布年份号直接为体系文件发布的年份,如“2013”。
⑧版本号为体系文件版本,第一版的版本号为“A”,第一次修订的版本号为“B”,以此类推。
4.2.2 三标一体管理体系文件的编号由五部分组成,具体形式见下图:□/□□□□□□□□□-□□□□□版本号发布年份号流水号分类代号公司代号公司标准代号①公司标准代号统一为Q。
②公司代号统一为TF。
③分类代号为体系文件的类别代号,其中管理手册的文件代码为QESM,程序文件的代码为QESP,作业文件的代码为QESW。
③流水号为三位阿拉伯数字,从“001、002”开始编号并依此往后递增,管理手册作为三标一体体系纲领性文件,无需编制流水号。
16949体系文件编号规则
16949体系文件编号规则是为了管理和组织公司内部所有与质量管理体系相关的文件而制定的规则。
这一编号规则旨在确保文件的准确性、易于识别和检索,以便有效地支持公司的质量管理体系。
根据16949体系文件编号规则,每个文件必须有一个唯一的编号。
该编号一般由数字和字母组成,可以按照一定规则进行编制。
通常,文件编号会包含一些特定的信息,以便更好地识别文件的性质、类型和所属部门。
首先,文件编号中的数字部分通常反映了文件的类型。
例如,以1开头的编号可以表示质量手册或公司政策文件;以2开头的编号可能代表程序文件;以3开头的编号可能指的是工作指导文件等。
其次,文件编号也会包含一个表示文件所属部门的标识。
这一标识通常是字母或数字的组合,用于识别文件归属于哪个部门。
通过这种方式,公司可以更好地管理和跟踪不同部门之间的文件流转。
除了上述信息外,16949体系文件编号规则还可以包括其他元素,如日期或版本号。
这些元素的添加可以进一步提高文件的可识别性和可追溯性。
通过遵守16949体系文件编号规则,公司能够确保文件的整齐有序,有效地进行文件管理和更新。
正确的编号系统使得文档的查找和使用更加便捷,减少了出错和混淆的可能性,提高了质量管理体系的运作效率。
总之,16949体系文件编号规则是一项重要的文件管理规范,它是质量管理体系的重要组成部分。
通过遵循此规则,公司能够更好地组织和管理与质量相关的文件,提高工作效率并确保质量管理体系的顺利运行。
质量管理体系文件编号规定和标识规那么一、一级文件〔质量手册〕编号规定质量手册编号由三局部组成:第一局部:公司英文简写,即XX第二局部:文件级别。
质量手册的文件级别用A表示。
第三局部:版本号。
版本号从0开始,第一次修改变为1,第二次修改变为2,依此类推。
举例:质量手册XX – A – 0英文简写版本号二、二级文件〔程序文件〕编号规定程序文件编号由四局部组成:第一局部:公司英文简写,即XX。
第二局部:文件级别。
程序文件的文件级别用B表示。
第三局部:流水号。
用1、2、3……依次排序。
第四局部:版本号。
版本号从0开始,第一次修改变为1,第二次修改变为2,依此类推。
举例:程序文件版本号XX – B – 1 - 0英文简写流水号三、三级文件编号规定三级文件编号由五局部组成:第一局部:公司英文简写,即XX。
第二局部:文件级别。
三级文件的文件级别用C表示。
第三局部:文件类别。
三级文件包括:工作依据、作业指导书、岗位职责。
a〕工作依据类型:“法规〞表示为“FG〞“规章〞表示为“GZ〞“公司内部制度〞表示为“ZD〞〔意为“制度〞〕“其他文件〞表示为“QT〞〔意为“其他〞〕b〕作业指导书作业指导书按用途分类,可分为:标准类、指南类、标准类、综合类。
“标准〞用“GF〞表示“指南〞用“ZN〞表示“标准〞用“BZ〞表示c〕岗位职责用“ZZ〞表示第四局部:流水号。
用1、2、3……依次排序。
第五局部:版本号。
版本号从0开始,第一次修改变为1,第二次修改变为2,依此类推。
举例:三级文件流水号XX – C –〔LB〕– 1 – 0英文简写文件类别版本号四、四级文件编号规那么四级文件编号由五局部组成〔每局部中间以“-〞连接〕:第一局部:公司英文简写,即XX第二局部:文件级别。
四级文件的文件级别用D表示。
第三局部:四级文件类型四级文件类型由三局部组成:用途+使用范围a〕按用途分类,可分为:注册类、临床类、效劳类、检查类、调查类、综合类、其他类。
体系文件编号规则一、引言。
体系文件编号规则是组织内部管理体系文件的重要规定,它的制定和执行对于组织的运作和管理具有重要的意义。
本文将详细介绍体系文件编号规则的内容和执行要求,以便组织内部各部门和员工能够准确理解和执行。
二、编号规则的制定目的。
体系文件编号规则的制定目的在于规范组织内部各类文件的编号方式,以便于文件的管理和查阅。
通过统一的编号规则,可以提高文件的管理效率,减少混乱和错误,确保文件的准确性和可追溯性。
三、编号规则的内容。
1. 文件编号的组成。
文件编号由若干部分组成,包括组织机构代码、文件类别代码、年份代码、顺序号等。
其中,组织机构代码是指组织内部各部门的代码,文件类别代码是指文件所属的类别,年份代码是指文件发布的年份,顺序号是指同一类文件中的序号。
2. 文件编号的格式。
文件编号的格式应当统一规范,包括字母和数字的组合,长度不超过一定的限制,以便于文件的录入和查阅。
3. 文件编号的管理。
文件编号应当由专门的管理人员进行管理,确保编号的唯一性和连续性。
同时,应当建立文件编号的档案,以便于文件的追溯和核查。
4. 文件编号的变更。
若文件编号需要进行变更,应当按照一定的流程和程序进行,确保变更的合理性和准确性。
四、编号规则的执行要求。
1. 各部门应当严格执行文件编号规则,确保文件编号的准确性和规范性。
2. 文件管理人员应当严格按照规定进行文件编号,不得随意更改或篡改文件编号。
3. 文件的录入和查阅应当严格按照文件编号进行,不得混淆或错误。
4. 对于需要变更文件编号的情况,应当及时报备并按照规定进行变更。
五、结论。
体系文件编号规则是组织内部文件管理的重要规定,它的制定和执行对于组织的运作和管理具有重要的意义。
各部门和员工应当严格执行编号规则,确保文件的管理和查阅的准确性和规范性。
希望本文能够对体系文件编号规则有所帮助,促进组织内部文件管理的规范化和科学化。
体系文件编号规则SUP-GM-R01
版本修改描述日期编制人A/00首次发布2014.3.13蔡媛媛
1.目的:
对公司体系文件和记录的编号作出明确规定,规范统一体系文件的编号,便于文件及记录的识别和检索。
2.适用范围:
适用于公司与质量管理体系有关的所有文件及实施记录的编号。
3.参考文件或标准:
无
4.术语和定义:
无
5.责任部门及职责:
综合管理部:负责制定统一的文件编号规则并监督执行。
其他相关部门:按照规则执行
6.流程图
无
7.控制要求:
7.1质量管理体系文件的编号
7.1.1质量手册(一级文件)编号;
SUP/QM
7.1.2程序文件(二级文件);
SUP ×.××-××
例如:SUP1.1-GM 《文件和记录控制程序》
7.1.3支持性文件(包括操作指导书、检验规范、操作规程、内部标准、规章制度等,三级文
责任部门代码
1-2位流水号
分类号码:
1.质量管理体系2.管理职责部分3.资源管理部分
4.产品实现和运行控制部分5.检查、测量、分析和改进部分
公司名称代号
件);
SUP -××-×-×××
例如:SUP-GM-R01表示综合管理部负责实施和控制的有关制度规定类文件。
7.2文件记录的编号和流水号7.2.1文件记录的编号
F ××/SUP ××××
例如:编号ESPBB1.1-QM 的文件产生的第一个记录为“F01/ESPBB1.1-QM ”。
7.2.2文件记录的流水号
一般文件记录的流水号,按年份加3位阿拉伯数字流水号的形式编制。
如:No.2014001,表示2014年第一份记录。
如记录表格较多,各部门可按年、月、日及字母缩写等形式编制流水号。
7.3外来文件的编号
7.3.1外来文件(国际标准、国家标准、行业标准、法律法规、客户要求等)
外来文件一律使用原文件编号
备注:部门代号采用英文名称的缩写字母表示,具体如下:
综合管理部:GM 采购部:PU 销售部:SD 客服部:CS 市场部:MK 研究所:R&D
技术部:TD
生产部:PD
品质部:QM
计划部:PM
两位流水号
部门内部分类代码(数字)如:不同班组(可选)
文件分类号:
S :企业技术标准、规范等(评判的准则)
O :作业指导书、实施的细则、指引等
R :单项规定、制度等
责任部门代号
公司名称代号
产生该记录的文件的编号
两位流水号(01开始)
记录(表格英文Form 的第1个字母)
证券投资部:SI财务部:FD审计部:AD 8.记录:
无
9.附件:
无。