世茂集团住宅产品结构设计限额指标—混凝土
- 格式:pdf
- 大小:63.43 KB
- 文档页数:1
备注:
1、以上限额指标一览表指标按无转换考虑,若有转换,则转换构件的钢筋和混凝土量不
计入;
2、若后续通过各方专业之间的配合降低了建筑层高时,则以上限额指标不作调整。
3、地上部分指标计量说明:
(a)分子-钢筋混凝土用量:楼板、楼梯、空调板、梁、墙、柱、女儿墙等结构施工图所体现的结构构件的钢筋混凝土用量(不含搭接);不含二次结构中的
拉结筋、构造柱、过梁、屋顶构架、圈梁等构件的钢筋混凝土用量及措施
筋、施工损耗。
(b)分母-指标计量面积:建筑面积+(设备层、结构夹层)楼板面积
(c)地上指标是以备注中的平均层高为基准,若层高每再增减0.1m,含钢量增减
1.0kg/㎡,混凝土增减0.005 m3/㎡。
4、地下部分指标计量说明:
(a)分子-钢筋混凝土用量:基础底板(含承台)、梁、墙、柱、地库顶板、坡道及竖井等结构构件的钢筋混凝土用量(不含搭接);不含二次结构中的拉
结筋、构造柱、过梁、圈梁等构件的钢筋混凝土用量及措施筋、施工损耗,
不含基础垫层、地基处理及桩基础的钢筋混凝土用量(不包括上部建筑物在
±0.000以下且在地下室范围以外的部分)。
(b)分母-地库部分计量面积取地库平面范围内的面积;楼座投影下方部位计量面积取标准层楼座平面范围内面积。
(c)地下指标是以平均层高4.8米为基准,若层高每再增减0.1m,非人防含钢量增减1.0kg/㎡,混凝土增减0.005 m3/㎡;人防含钢量增减2.0kg/㎡,混
凝土增减0.005 m3/㎡。
(d)顶板覆土若每再增减0.1米,含钢量增减2kg/㎡,混凝土增减0.01 m3/㎡。
目录1. 总则 02. 术语 02.1 观感质量 02.2 交付标准 02.3 平整度 02.4 垂直度 02.5 水平度 02.6 阴阳角方正 02.7 住宅开间方正度 02.8 直线度 02.9 门 / 窗框大小头 (1)2.10 建筑用硅酮结构密封胶 (1)2.11 硅酮建筑密封胶 (1)2.12 文化石 (1)3. 基本规定 (1)4. 地面铺装工程 (1)4.1 水泥混凝土地面 (1)4.2 水泥砂浆地面 (2)5. 室内墙面铺装 (3)5.1 抹灰墙面 (3)5.2 涂料墙面 (4)6. 顶棚工程 (5)6.1 混凝土顶棚 (5)6.2 腻子顶棚 (6)6.3 涂料顶棚 (7)7. 门窗 (8)7.1 入户防火防盗门 (8)7.2 钢质防火门 (9)7.3 木质防火门 (10)7.4 铝合金门窗 (11)7.5 塑钢门窗 (12)8. 栏杆 (13)8.1 钢质栏杆 (13)8.2 铝合金栏杆 (14)8.3 无框玻璃栏杆 (15)9. 屋面 (16)9.1 细石混凝土保护层屋面 (16)9.2 水泥砂浆找平屋面 (17)9.3 饰面砖保护层屋面 (18)9.4 陶瓦坡屋面 (19)9.5 钢瓦坡屋面 (20)9.6 光屋面 (21)9.7 屋面附属构造 (22)10. 外墙涂饰工程 (23)10.1 涂料外墙 (23)10.2 饰面墙外砖 (24)10.3 湿贴石材外墙 (25)10.4 干挂石材幕墙 (26)10.5 文化石外墙 (27)10.6 外墙附属构造 (28)11. 管道安装工程 (29)11.1 室内给水管 (29)11.2 室内排水管 (30)11.3 外墙排水立管 (31)11.4 管道附属构造 (32)12. 电气安装工程 (33)12.1 底盒 (33)12.2 面板(开关、插座、接线盒) (34)12.3 配电箱 (35)12.4 室内灯具 (36)毛坯房住宅交付质量和观感标准1.总则1.1 为了聚焦客户质量,统一住宅毛坯房观感质量,规范交付标准和质量验收标准,特制定本标准。
烟台世茂T1综合塔楼结构设计提要:烟台世茂海湾1号工程T1综合塔楼是一栋超高、高位转换、体型复杂、高宽比较大的超限高层建筑结构。
针对主体结构的方案选型和抗风抗震设计及性能化设计进行了阐述和分析,并介绍了部分型钢混凝土梁柱节点的构造设计。
关键词: 超限高层混合结构筒中筒抗震性能化设计转换层节点构造Abstract: yantai shimao gulf 1 engineering T1 comprehensive is a very high tower, high conversion, complex, high wide body of the big overrun highrise structure. According to the main structure of the scheme selection and wind seismic design and the performance-based design is discussed in this paper and analysis, and introduce some of the steel reinforced concrete beam-column joints structure design.Keywords: overrun top mixed structure in the cylinder cylinder seismic performance-based design conversion layers joint structure1 工程概况烟台世茂工程是上海世茂集团在山东烟台投资的房地产项目,位于烟台市滨海景区,占地面积约35000 m2,建筑面积约353000 m2,包括一栋综合塔楼,三栋公寓及商业裙房。
是集商业、办公、酒店、商务公寓等多项功能于一体的综合建筑。
其中T1综合塔楼建筑面积约100000 m2,地上高度277.9 m(不包括屋顶以上高45 m的钢桅杆),层数为61层(其中有4层为突出屋顶的局部房间)。
住宅结构钢筋及混凝土含量限额设计标准一、住宅结构钢筋及混凝土含量限额设计标准概述住宅结构钢筋及混凝土含量限额设计标准是指在住宅结构工程中,针对钢筋和混凝土的设计和使用所制定的标准。
其目的是为了保障住宅结构的安全、稳定和耐久。
住宅结构钢筋及混凝土含量限额设计标准通常由国家规划和建设主管部门制定并颁布,以确保建筑工程的质量和安全。
在住宅建筑结构中,钢筋和混凝土都起着至关重要的作用。
钢筋负责承受结构的拉力和抗弯强度,而混凝土则负责承受结构的压力和抗压强度。
合理设计和使用钢筋及混凝土是确保建筑结构安全的重要环节。
二、住宅结构钢筋设计标准在住宅建筑结构中,钢筋的设计标准是指钢筋的型号、规格、数量等方面的要求。
一般来说,住宅结构中常用的钢筋有HRB335和HRB400两种。
其具体的使用标准需要根据建筑设计的要求和力学计算得出。
钢筋的使用量和布置也是根据建筑结构的不同而有所差异。
在楼板、柱、梁等构件中,钢筋的数量和布置方式都需要按照规范来设计和施工。
这些设计标准不仅包括钢筋的截面积、间距等基本要求,还包括钢筋的有效长度、连接方式等细节方面的规定。
住宅结构钢筋设计标准是建筑设计中不可或缺的一部分,它直接关系到住宅结构的安全性和稳定性。
三、住宅结构混凝土设计标准混凝土是住宅结构中使用最多的建筑材料之一,其配合比和强度等参数的设计是至关重要的。
住宅结构混凝土设计标准主要从配合比、强度等方面做出规定。
混凝土的配合比要符合设计要求,并经过相应的实验验证。
配合比不仅涉及水泥、砂、石子等原材料的配比,还包括掺和料的选用等方面。
其目的是为了保证混凝土在使用过程中的强度和耐久性。
混凝土的强度等级也是设计标准中的重要内容。
在住宅结构中,一般采用C25、C30等强度等级的混凝土,不同构件的设计要求和使用环境也会对混凝土的强度等级提出要求。
混凝土的浇筑和养护也是设计标准中需要考虑的内容。
浇筑工艺和养护措施直接关系到混凝土的实际使用效果,因此也需要有相应的规定。
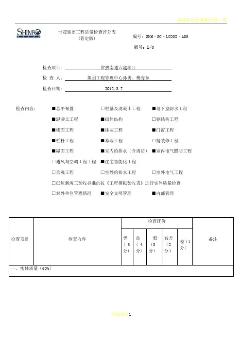
编号:SHM‐GC‐LC002‐A05版号:B/0检查项目:常熟南通六建项目检查人:集团工程管理中心孙勇、樊海东检查日期: 2012.3.7检查内容:■总平布置□桩基及混凝土工程■地下室防水工程■混凝土工程■砌体结构□钢结构工程■楼面工程■抹灰工程■门窗工程■栏杆工程■幕墙工程□精装修工程■屋面工程■室内给排水(含消防)■室内电气照明工程□通风与空调工程工程■住宅智能化工程□景观工程□室外给排水工程□室外电气工程□已达到竣工验收标准的按《工程模拟验收表》进行实体质量检查□对外单位管理情况■安全文明管理■内部管理检查项目检查内容检查评价备注优( 5分)良( 4分)一般(3分)较差(2分)差(1分)一、实体质量(60%)世茂集团工程质量检查评分表(暂定版)精装修工程1、天花罩面板表面平整、边缘整齐、色泽一致,与龙骨连接紧密,无污染、折裂、缺棱少角、锤伤等2、涂料墙面表面垂直、平整、无破损、空鼓,勾缝、接缝等3、面砖墙面饰面砖接缝及套割满足要求,饰面砖铺贴的平整度、垂直度及空鼓情况4、石材墙面石材铺贴后的排版、平整度、垂直度及空鼓情况5、墙纸、墙布粘贴牢固,无漏贴、补贴、脱层、空鼓和翘边6、地面饰面砖(石材)接缝、平整度、空鼓及防护措施情况7、木地板的接缝、固定、平整度、表面观感需达到要求8、地毯拼缝、拼花及铺贴质量9、隔墙表面平整光滑、色泽一致、洁净,接缝均匀、顺直10、橱柜配件齐全,抽屉和柜门开关灵活、回位正确11、木门及五金配件的安装偏差控制在允许范围内,且表面观感质量满足要求本项权重占D分项工程30%。
关于结构限额设计的五个参数介绍一、抗震设防类别划分:甲乙丙丁类类建筑目录介绍规范相关编辑本段介绍根据建筑遭遇地震破坏后,可能造成人员伤亡、直接和间接经济损失、社会影响的程度及其在抗震救灾中的作用等因素,对各类建筑所做的设防类别划分。
建筑应根据其使用功能的重要性分为甲类、乙类、丙类、丁类四个抗震设防类别。
甲类建筑应属于重大建筑工程和地震时可能发生严重次生灾害的建筑;乙类建筑应属于地震时使用功能不能中断或需尽快恢复的建筑;丙类建筑应属于除甲、乙、丁类以外的一般建筑;丁类建筑应属子抗震次要建筑。
编辑本段规范各抗震设防类别建筑的抗震设防标准,应符合下列要求:1 甲类建筑,地震作用应高于本地区抗震设防烈度的要求,其值应按批准的地震安全性评价结果确定;抗震措施,当抗震设防烈度为6~8度时,应符合本地区抗震设防烈度提高一度的要求,当为9度时,应符合比9度抗震设防更高的要求。
2 乙类建筑,地震作用应符合本地区抗震设防烈度的要求;抗震措施,一般情况下,当抗震设防烈度为6~8度时,应符合本地区抗震设防烈度提高一度的要求,当为9度时,应符合比9度抗震设防更高的要求;地基基础的抗震措施,应符合有关规定。
对较小的乙类建筑,当其结构改用抗震性能较好的结构类型时,应允许仍按本地区抗震设防烈度的要求采取抗震措施。
3 丙类建筑,地震作用和抗震措施均应符合本地区抗震设防烈度的要求。
4 丁类建筑,一般情况下,地震作用仍应符合本地区抗震设防烈度的要求;抗震措施应允许比本地区抗震设防烈度的要求适当降低,但抗震设防烈度为6度时不应降低。
编辑本段相关消防建筑类别是指生产的火灾危险性分类,具体分五类如下:一.甲类:1 闪点小于28℃的液体2 爆炸下限小于10%的气体3 常温下能自行分解或在空气中氧化能导致迅速自燃或爆炸的物质;4 常温下受到水或空气中水蒸汽的作用,能产生可燃气体并引起燃烧或爆炸的物质;5 遇酸、受热、撞击、摩擦、催化以及遇有机物或硫磺等易燃的无机物,极易引起燃烧或爆炸的强氧化剂;6 受撞击、摩擦或与氧化剂、有机物接触时能引起燃烧或爆炸的物质;7 在密闭设备内操作温度大于等于物质本身自燃点的生产二.乙类:1 闪点大于等于28℃,但小于60℃的液体2 爆炸下限大于等于10% 的气体3 不属于甲类的氧化剂4 不属于甲类的化学易燃危险固体5 助燃气体6 能与空气形成爆炸性混合物的浮游状态的粉尘、纤维、闪点大于等于60℃的液体雾滴三.丙类:1 闪点大于等于60℃的液体2 可燃固体四.丁类:1 对不燃烧物质进行加工,并在高温或熔化状态下经常产生强辐射热、火花或火焰的生产2 利用气体、液体、固体作为燃料或将气体、液体进行燃烧作其它用的各种生产3 常温下使用或加工难燃烧物质的生产五.戊类常温下使用或加工不燃烧物质的生产二、建筑结构安全等级:一级:重要的建筑物;二级:大量的一般建筑物;三级:次要的建筑物目录建筑结构安全等级概述建筑结构安全等级标准编辑本段建筑结构安全等级概述建筑结构安全等级(专业中简称为安全等级、结构安全等级),是为了区别在近似概率论极限状态设计方法中,针对重要性不同的建筑物,采用不同的结构可靠度而提出的。
说明:1、本限额指标作为各下属公司一般工程结构含钢量及砼含量的上限,设计任务书中的设计限额指标应根据工程特点在此基础上进行调整,且不得超过本指标。
2、结构钢材及混凝土包含剪力墙、柱、梁、楼板、空调板、窗台板、阳台栏板、外墙线脚、屋顶构件等混凝土结构的受力及构造钢筋;不含施工措施及损耗部分钢筋、预埋件钢筋、圈梁、过梁、构造柱、砌体拉结筋、混凝土墙梁与砌体间加挂的钢丝网等。
3、结构面积S的定义如下:S=S1+S2+S3+S4S1= 建筑面积(不含架空层面积)S2=对于有顶盖的外挑阳台、露台、结构连接板等按一半面积计入结构面积;小于2.2米层高的全部楼板面积计入结构面积;凹阳台应全部计入结构面积;层高较高而未计入建筑面积的入户花园、走廊等上有顶盖的楼板面积应计入结构面积;空调板、建筑线脚等凸出构件不计入结构面积。
S3=未计入建筑面积的凸窗面积S4=楼板开洞所预留的“赠送面积”,此部分面积的钢筋含量指标比对应限额指标低8㎏/㎡,混凝土含量指标比限额指标低0.11m³/㎡。
4、本限额指标对应的上部结构均指无结构转换层的正常上部结构,当在三层或以上层数以上设有结构转换层(转换率在30%以上)时,转换层以上的上部结构钢筋限额指标可以提高2 kg/m2。
5、所有地下室均按照地下水位在地表以下1.5m以内的情况考虑,当地下水位低于此情况时,应酌情降低限额。
6、所有全地下室均按照覆土厚度为约1.2M考虑,当覆土厚度低(高)于此情况0.3米时,可酌情降低(增加)钢筋限额指标约5 kg/m2。
7、人防地下室按照6级人防标准考虑,若实际人防标准高于6级,可酌情考虑提高地下室人防范围的限额指标。
8、对于地下室,本限额指标对应的普通桩基础或其它非筏板基础,当采用整体筏板基础或整体桩筏基础时,应酌情考虑提高整体地下室钢筋限额指标约20 kg/m2,混凝土指标约0.20 m3/m2。
9、当高层主楼的首层面积超过地下室单层面积的30%时,可酌情考虑提高地下室限额指标。
结构限额设计控制指标阅读引言:结构限额设计控制指标01一、结构设计限额控制指标使用说明1.结构材料用量指标计算规则为:计算范围内相应结构材料(包含梁、板、柱及女儿墙、拉板、凸窗板、空调板等(除构造柱、过梁、砌体拉筋、室外楼梯等二次构造)的钢筋(G)和混凝土(V))用量除以计算范围内的“建筑面积”(M),即钢筋用量指标=G/M (kg/m2),混凝土用量指标=V/M(m3/m2)。
2.统计结构材料用量指标所用的“建筑面积”为成本计算方式采用的《建筑工程建筑面积计算规范》GB/T50353-2013为准,其与建筑设计计算方式的规划面积主要差异处如下3.当项目存在留给装修加层的两层高房间面积(M7)时,钢材用量计算规则为:结构钢材用量=[G+(8~10kg/m2)*M7]/(M+M7)4.常规采用钢筋主要包括:直径6mm钢筋统一采用HPB300,直径5、7、9mm钢筋统一采用CRB550,直径8、10mm及以上钢筋统一采用HRB400;也可以全部采用HRB400钢筋。
5.结构体系包含钢筋混凝土普通框架、异型柱框架、短肢剪力墙结构及剪力墙结构。
当结构采用异形柱框架或短肢剪力墙结构体系时,混凝土用量应取下限甚至更低。
6.“上部结构”、“地下室或半地下室”及“基础”的定义如下:6.1当没有设置地下室或半地下室时,“上部结构”的范围指±0.000(不包括)以上的部分,其余部分如浅基础、筏板、基础梁、承台、桩和±0.000(包括)以下的墙、柱等计入“基础”范围。
6.2当设置地下室或半地下室时,“上部结构”范围指地下室或半地下室顶板以上部分(不含顶板);“地下室或半地下室”的范围指地下室或半地下室底板至顶板范围内的部分(含顶板、底板),其余部分如与底板相连的浅基础、筏板、承台、基础梁、桩等计入“基础”部分。
6.3基础部分按照单方造价来控制,用整栋建筑物的基础造价(Y)除以整栋建筑物的“建筑面积”(M),即基础造价指标=Y/M(元/m2);7.各公司在进行基础选型时应根据项目的实际情况出发,做好地质勘察和岩土试验工作,充分利用社会资源,进行多方案比较,选择安全、经济、合理的基础形式。
建筑工程结构含钢量混凝土含量限额设计指标建筑工程的结构设计是指建筑物主体结构的设计,其中包括了各种结构材料的使用量限额。
其中,钢材和混凝土是建筑工程中最常用的结构材料之一、下面我将介绍一些关于建筑工程结构含钢量和混凝土含量限额的设计指标。
首先,关于钢材的使用量限额。
钢材在建筑工程中的应用主要包括钢筋和钢结构。
钢筋是混凝土中常用的加强材料,其主要作用是增强混凝土的抗拉强度和抗剪强度。
在结构设计中,钢筋的使用量需要根据建筑物的结构类型、荷载情况和使用要求等进行合理确定。
根据相关规范,建筑工程中的结构含钢量应满足以下指标:1.钢筋的使用量应符合结构设计的要求,保证结构的强度和稳定性;2.钢筋的保护层厚度应满足规范要求,保护钢筋免受腐蚀和损坏;3.钢筋的连接方式和布置应符合规范要求,保证结构的连接可靠性和稳定性;4.钢结构的使用量应满足结构设计的要求,保证结构的强度和稳定性。
其次,关于混凝土的使用量限额。
混凝土是建筑工程中最常用的结构材料之一,其主要作用是提供结构的强度和稳定性。
在结构设计中,混凝土的使用量需要根据建筑物的结构类型、荷载情况和使用要求等进行合理确定。
根据相关规范,建筑工程中的混凝土含量应满足以下指标:1.混凝土的配合比应满足结构设计的要求,保证混凝土的强度和耐久性;2.混凝土的浇筑高度和质量应符合规范要求,保证混凝土的质量和施工质量;3.混凝土的抗裂性和抗渗性应符合规范要求,保证混凝土的使用寿命和结构的稳定性;4.混凝土的养护期应符合规范要求,保证混凝土的强度和耐久性。
总结起来,建筑工程中的结构含钢量和混凝土含量的设计指标主要包括了材料的使用量、保护和连接方式、强度和耐久性等要求。
这些指标的合理设计和实施可以保证建筑物的结构安全性和使用寿命。
因此,在建筑工程的结构设计过程中,需要根据相关规范和要求,合理确定结构含钢量和混凝土含量的限额,并加强质量控制和工程监管,确保建筑工程的结构安全和可靠。
钢筋含量混凝土含量钢筋含量混凝土含量钢筋含量混凝土含量低层(别墅类)地上1-4层地上480.32500.32550.34多层地上8层及以下地上410.33430.33460.35小高层地上24-80m 地上440.34480.34550.35高层地上80-100m 地上500.35520.36600.38地上100-120m 地上550.40600.42720.44地上120-140m地上580.41650.43760.46地下部分1超高层(地上100-140m)有上部建筑部分(楼座地下室)钢筋含量混凝土含量钢筋含量混凝土含量钢筋含量混凝土含量钢筋含量混凝土含量钢筋/混凝土含量非人防-135 1.1135 1.1140 1.2160 1.3人防六级--1551.51601.51801.6地下部分2无上部建筑部分(地下车库)非人防地下车库框架+桩基或非筏板基础-一层1200地表以下1.5米以内120 1.1人防地下车库框架+桩基或非筏板基础六级一层1200地表以下1.5米以内1601.3钢筋、混凝土含量设计参考指标(住宅部分)高层(地上80-100m)注明:有上部建筑部分为楼座下部地下室结构部位,该部分按照非人防、人防分别考虑。
地下水位钢筋含量低层(别墅类)(地上1-4层)多层(地上8层及以下)小高层(地上24-80m)超高层人防等级结构形式结构部位抗震烈度6度抗震烈度7度抗震烈度8度建筑类型以高层建筑地下含量指标为基准,地上每多一层(相比较33层),地下混凝土含量指标增加0.03-0.04m3/m2,钢筋含量指标增加3-4kg/m2.注明:无上部建筑部分为非楼座下部地下室结构部位,该部分按照非人防地下车库、人防地下车库考虑,并对结构形式、人防等级、地下室层数、顶板覆土、地下水位进行相关条件约定。
人防等级地下室层数顶板覆土混凝土含量。
世茂集团混凝土结构限额指标设置(试行版) 单位:m³/M2
2、“投影地下室”指塔楼水平投影地下室,面积为塔楼投影面积;
3、“车库”是纯独立地下室,面积为地下室外墙围合面积扣减塔楼水平投影面积;
4、限额不含二次结构等钢筋、混凝土含量
5、风压按照0.45KN/㎡,当风荷载起控制作用时,则基本风压每增加0.1KN/㎡,钢筋含量增加1KG/㎡,混凝土含量增加0.02m³/㎡。
6、地面粗糙度的影响:本指标适用于C类粗糙度。
当地面粗糙度为B类时,对于60m以上的地上单体,钢筋含量增加1kg/m2,混凝土含量增加0.02m3/m2;当地面粗糙度为D类时,对于60m以上的地上单体,钢筋含量减少1kg/m2,混凝土含量减少0.02m3/m2。
7、表中数据适用于II类场地土,当为Ⅲ、IV类场地土,60m以下的地上单体,指标增加15%;60m以上的地上单体,指标增加5%。
8、人防部分指标为6级人防指标,若人防指标为5级,则人防指标增加30kg/m2。
9、含钢量以层高2.9米为基准,层高每增加0.1m,含钢量限额可增加1 kg/m2,混凝土限额指标增加0.005m3/m2
10、表中数据按覆土1.2米确定,当覆土每增加0.1米,含钢量增加5kg/m2。