模具制作流程图
- 格式:doc
- 大小:60.00 KB
- 文档页数:6
分型的详细过程
·项目初始化
·设置模具坐标系(模具坐标系统的XC-YC平面必须定义在动模和定模接触面上,ZC轴正方向指向塑料熔体注入模具主流道的方向上)
·设置收缩率(由于塑料的热胀冷缩大于金属模具的热胀冷缩,所以冷却成型后的产品尺寸将会略小于模具型腔的相应尺寸,因此模具设计时模腔的尺寸要求略大于产品的相应尺寸以补
偿金属模具型腔与塑料熔体的热胀冷缩差异)
·定义模坯尺寸
·补破孔(当自动生成的曲面不适用时,人工创建自由曲面修补面)
·创建分型线
·编辑分型线(用过渡对象分割分型线
·创建分型面。
·创建型芯和行腔区域。
·创建型芯和行腔镶件。
图4-7说明了分型的详细流程。
图4-7 分型流程。
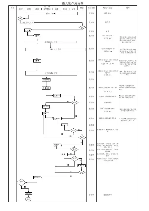
模具制造流程图
文件修订履历表
项 目 制订/修订日期 前版本/版次 最新版本/版次 修订
页次 内 容 摘 要 1 2017-11-10
A0 新制定
批 准
审 核
制 订
部 门
合约评审
图纸、样品及产品资料 市场部接单
模具制造流程图
铜公加工工 粗加工
手板制造
设计评审 产品模具设计
进料检验物料采购
下达生产指令 CNC 、线切割、EDM
精加工型腔、行位、斜顶
合 模 品质检验 品质检验 品质检验 氮 化
电 镀
蚀 纹
品质检验
模具组装 试模 品质检验
客户认可
交模试产
注塑制造流程图
市场部接单
合约评审
下达生产指令单
制作生产排程
领料、生产前准备
上模调机做首件
首件确认
量产
IPQC检验
加工包装。
模具制造技术和制造流程模具行业是一个融合多专业、多学科知识并为多种加工领域服务的工业行业。
使用模具生产产品,具有效率高、质量好、节约能源和原材料、成本低等一系列优点。
模具已成为现代工业生产的重要手段和加工工艺。
随着科学技术和社会经济的发展,产品的开发周期和产品的更新期逐渐缩短,模具的使用更加频繁并已渗入到各行各业,它在汽车、电器、通讯、电子及轻工等领域的应用尤为广泛。
作为一种产业,模具工业的发展与繁荣是现代工业技术发展的一个重要标志,多数工业产品的发展和技术水平的提高,在一定程度上取决于模具工业的发展水平,这一点在许多发达国家的工业史上已经得到了十分明确的体现。
20世纪80年代以来,科学技术的发展,特别是计算机应用技术的迅猛发展,对模具业的发展产生了重大影响。
随着计算机辅助设计、辅助制造以及辅助分析相继被普遍引入到模具制造领域,模具CAPP、CIMS工程也开始在一些企业获得成效,模具制造技术发生了根本性的变革。
现在,通过互联网传送模具信息,远距离控制模具生产已成为一些企业的重要经营手段。
模具生产周期缩短,质量提高,成本降低,使模具制造的整体水平和科技含量得到了质的飞跃。
近年来,激光立体制模(SLA)、分层实体制造(LOM)、选择性激光烧结(SLS)和熔化沉积制造(FDM)等快速成型制造技术发展很快,新的技术不断涌现,模具制造技术正处于一个非常活跃的发展阶段。
一、模具制造专业课程体系构建的指导思想根据人才市场需求,以模具制造技术应用专业领域人才需求调查结果为基本依据,以提高学生的职业能力和职业素养为宗旨,倡导以学生为本的职业教育理念和建立多样性、灵活性与选择性相统一的教学机制,通过综合和具体的职业技术实践活动,帮助学生积累实际工作经验,突出职业教育的特色,全面提高学生的职业道德、职业能力和综合素质。
本专业在工学一体化课程体系设计方面主要遵循以下原则:坚持以职业素质为核心推进全面素质教育,并贯穿于教育教学的全过程,打破传统的“两课”,注重工学一体化结合,着重培养职业素质;二、以模具专业职业工作过程分析为基础,确立以工作过程所需的知识和技能为标准的课程体系;三、课程体系设计以典型工作任务为主导,注重技能培养,按专业技能培养的规律建立层次分明的实践教学体系。
版本: 页4/4号:
4、6模具报废:
4、6、1无法维修的模具则由生产部提出《模具报废申请单》,若超出使用寿命的模具或
相关配件由模具仓库管理员提出《模具报废申请单》,经部门负责人审核,总经理批准后报废处理。
4、6、2模具报废后模具仓库管理员须立即注销该模具,更换配件也须及时更新模具资料,
以便跟踪模具状况。
4、6、3报废模具在没有处理前,仓库管理员必须表示报废字样,以便误用造成产品质量问
题。
5.相关记录:
5、1《模具制作申请单》
5、2《试模申请单》
5、3《模具验收报告》
5、4《模具报废申请单》
5、5《模具维修通知单》
5、6《工程变更通知单》。