工程变更申请单(ECN)
- 格式:doc
- 大小:50.50 KB
- 文档页数:1
关于ECR与ECNECN--工程变更通知Engineering change notificationECR--工程变更需求ECN. ECR, Engineering change request一般先进行ECR,试验有了结论后再进行ECN正式变更ECR :提出变更申请, 一般用于外部ECN: ECR 通过后,进行变更通知,一般用于内部通知!ECN工程變更通知單!(技術部門起草)ECR工程變更申請單,(需求部門起草)ECR 是工程變更申請單, 是報備給客戶, 徵求客戶的意見.ECN是工程變更通知單, 是通知內部做變更以下是需要发ECR的原因:1.發現已正式下發的圖面或技術資料顯著錯誤,必須變更修正;2.生產過程或檢測和實驗發現產品不良,工程對策涉及變更圖面/模具/技術資料;3.工程為降低成本而創新變更產品設計,制造工藝或增減治具/修模等4.應客戶或市場要求作產品的相應變更;5.因新的法律法規要求變更等理论上任何单位都可以依据“产品能力提升等”依附相关的佐证资料提出ECR,但ECR的提出通常需要技术部门的评估,而后再走ECN 的流程,最后实现BOM的架构而完成工程变更。
賜我以沉靜,去接受我不能改變的'賜我以勇氣,去改變我能改變的ECR有效客户反应简称为ECR(efficientconsumerresponse)。
它是1992年从美国的食品杂货业发展起来的一种供应链管理战略。
这是一种分销商与供应商为消除系统中不必要的成本和费用并给客户带来更大效益而进行密切合作的—种供应链管理战略。
ECR (Efficient Consumer Response)是一种观念,不是一种新技术。
它重新检讨上、中、下游企业间生产、物流、销售的流程,其主要目的在于消除整个供应链(Supply Chain)运作流程中没有为消费者加值的成本,将供给推动的“push”(推)式系统,转变成更有效率的需求拉动的“pull”(拉)式系统,并将这些效率化的成果回馈给消费者,期望能以更快、更好、更经济的方式把商品送到消费者的手中,满足消费者的需求。
ECR.ECNECR.ECNECR.ECNECR.ECN是什么意思是什么意思是什么意思是什么意思??ECR.ECN是什么意思?•ECR:更改请求用来详细描述解决产品问题或改善产品质量所需进行的更改及其影响,并进行更改授权。
更改请求表明正式的更改进程已经开始。
一个更改请求可以解决多个问题报告中描述的问题. ECN:在更改请求获得批准后,更改请求的提交者或其他设计师将接到“创建ECN”的任务,根据此任务,设计师可以创建ECN,进行更改。
工程变更(ENGINEERING CHANGE)是企业活动重要的管制项目之一,依照实施的时间、目的不同,其管制细分如下:ECN (ENGINEERING CHANGE NOTICE)工程变更通知:通常使用於新产品开发过程中之工程变更,工程部门确认变更后发出,通知相关单位。
ECO (ENGINEERING CHANGE ORDER)工程变更命令:通常使用於新产品开发完成后的工程变更,工程部门确认必要的变更后,发出文件交相关单位会签,以确保库存品、在制品被妥善处理,是立即变更、使用完毕后变更等,销售单位、制造单位、物料单位都要同意且采取必要行动,通常ECO 牵涉范围大,导入时程长,需要严谨之系统管理之。
ECR (ENGINEERING CHANGE REQUEST)工程变更申请:通常使用於新产品完成后,非工程单位就本身之需要发出工程变更申请,交工程单位研究,工程单位若同意则发出ECO ,交各单位会签,会签同意后导入。
ECA (ENGINEERING CHANGE AUTHORITY)工程变更授权:有些时候工程变更需要经过客户的授权,此时则需要发出ECA要求客户签回,作为ECO的依据•添加评论•ECR:更改请求用来详细描述解决产品问题或改善产品质量所需进行的更改及其影响,并进行更改授权。
更改请求表明正式的更改进程已经开始。
一个更改请求可以解决多个问题报告中描述的问题. ECN:在更改请求获得批准后,更改请求的提交者或其他设计师将接到“创建ECN”的任务,根据此任务,设计师可以创建ECN,进行更改。
工程变更(ECR/ECN)控制程序(ISO9001-2015)1.0目的为使工程变更能完全符合客户及生产单位之需求,且使各单位能在最短的时间内获得正确的变更信息,达到文件规范化管理,特拟定本程序。
2.0范围文件适用于公司有关生产变更、原材料变更、设计变更时的所有业务的控制管理。
3.0定义与术语a.ECR: Engineering Change Request工程变更申请(业务通知单、联络单、邮件等方式);b.ECN: Engineering Change Notification 工程变更通知单。
4.0职责a.相关单位﹕ECN的申请与确认, 并依研发部发布的ECN内容配合相关工作的实施与落实。
b.研发部﹕工程变更的审查、执行、验证、ECN核发及相关技术文件的修订。
c.管理部:对变更产品性能检验测试。
d.业务部:接收客户变更信息和向客户传递变更信息。
5.0作业流程5.1ECR提出a.集团业务或内销业务在接获客户质量改善要求时,或有必要降低成本时,由业务部门提出ECN。
b.采购单位遇零件交期、价格或其他因素须作工程变更时,由采购部门提出ECN。
c.品管在各项检验过程中发现质量有变异,并经制程能力分析确认后需工程变更时,或管控测量测试方式不便,确认可变更规格或方法的,由品管部门提出ECN。
d.生产单位于制造过程中,有作业性改善意见或统计分析确认后发现质量有变异时,得由生产部门提出ECN。
e.研发部在做各项实验验证、模拟分析、安全考虑、成本分析时,若判定需作工程变更时,由研发部提出ECN。
f.微小变更,如图面/BOM修正,标注更改,料号更改/修正,标签变更等,对产品性能,外观无影响,经研发部经理确认可以不需经ECN程序的,可由研发部直接下发ECN执行变更。
g.各部门作业时发现产品功能、制程条件、包装方式等不能满足需求时等,应先向所属单位经理反映此一状况;该部门经理应先判断、过滤后再书面向工程部门提出工程变更需求申请。
ECN No.产品名称产品型号申 请 人部 门日 期变更类型备注:变更主旨导入方式详细描述变更原因工程变更通知单(Engineering Change Notice)编制说明:此表用于产品NPI阶段以后的ECN记录。
变更范围BOM Change:Cost Change:硬件固件结构包装及附件APP 滤材Running Change/旧料用完后导入新料,成品不重工Next MO/下一工单导入,成品不重工Immediate Change/立即导入,成品、半成品需重工Immediate Change/立即导入,成品、半成品不重工其他:增加无变化减少增加无变化更换减少日期:年 月日日期:年 月日日期:年 月日日期:年 月日日期:年 月日日期:年 月日日期:年 月日日期:年 月日意 见:备 注:变更导入时间:(三个月内执行)工厂回签:PM代签是否已通知到相关人员:变更结论发起人:意 见:备 注:(包装及附件变更不需要此人员签核)测试工程师:意 见:备 注:品质负责人:意 见:备 注:项目总负责人:硬件/韧体工程师:意 见:备 注:(包装及附件变更不需要此人员签核)结构工程师:意 见:备 注:(包装及附件变更不需要此人员签核)软件产品经理:签核 ECN No.:意 见:备 注:(包装及附件变更不需要此人员签核)同意拒绝同意同意同意同意同意拒绝拒绝拒绝拒绝拒绝同意拒绝。
ECN变更作业流程一、引言ECN(Engineering Change Notice)变更作业流程是在工程项目中进行变更管理的重要流程之一。
该流程旨在确保工程变更的准确性、合规性和及时性。
本文将介绍ECN变更作业流程的几个关键步骤。
二、ECN申请1. 变更申请人填写ECN申请表格,并详细描述变更内容和相关原因。
2. 变更申请表格必须包含变更的标识符、描述、责任人和优先级等信息。
3. 变更申请表格需要经过相关项目经理或团队负责人的审查和批准。
三、ECN评估与批准1. 变更评估小组与申请人一起审查变更申请,并评估其对项目的影响。
2. 变更评估小组需要对变更进行技术、财务、供应链等多个方面的评估,并形成评估报告。
3. 评估报告需要提交给变更召集人进行审查,并作出是否批准变更的决策。
4. 如果变更被批准,变更召集人将颁发ECN编号,并指定变更负责人。
四、ECN执行1. 变更负责人根据批准的变更申请,制定详细的变更执行计划。
2. 变更执行计划需要明确变更的时间、负责人、相关资源和执行步骤等信息。
3. 变更负责人负责与相关团队成员协调,确保变更按计划执行,并及时报告执行进展。
五、ECN验证与审查1. 在变更执行完成后,变更负责人需要进行变更验证和审查。
2. 变更验证主要是检查变更是否实现了预期的效果,并解决可能存在的问题。
3. 变更审查需要评估变更的整体效果,以及对项目成本、进度和风险的影响。
六、ECN关闭1. 经过验证和审查后,变更负责人将填写ECN关闭表格,并提交给变更召集人进行审批。
2. ECN关闭表格需要包含变更的详细信息、执行结果和变更影响的评估。
3. 变更召集人对关闭表格进行审批后,ECN流程正式结束。
七、结论ECN变更作业流程是确保工程项目变更管理的重要流程之一。
通过按照流程进行申请、评估、执行、验证和审查等步骤,能够有效地管理和控制变更过程,确保项目顺利进行。
在实施ECN变更作业流程时,各个参与方需要密切合作,及时沟通和报告变更的进展,以确保变更的准确性和及时性。
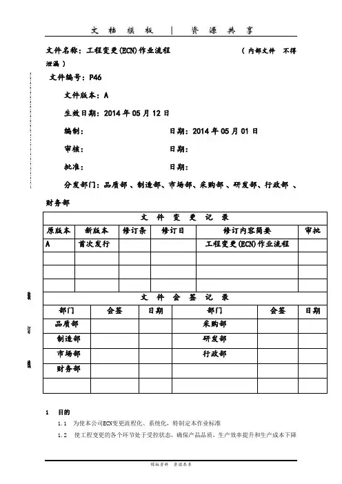
文件名称:工程变更(ECN)作业流程( 内部文件不得泄漏 )文件编号:P46文件版本:A生效日期:2014年05月12日编制:日期:2014年05月01日审核:日期:批准:日期:分发部门:品质部、制造部、市场部、采购部、研发部、行政部、财务部文件变更记录原版本新版本修订条修订日修订内容简要审批A 首次发行工程变更(ECN)作业流程文件会签记录部门会签日期部门会签日期品质部采购部制造部研发部市场部行政部财务部1目的1.1 为使本公司ECN变更流程化、系统化,特制定本作业标准1.2使工程变更的各个环节处于受控状态,确保产品品质,生产效率提升和生产成本下降2范围2.1 适用所有工程变更申请单、工程变更通知单。
包括(对旧产品工程、性能、结构、物料、工艺、制程条件等方面的变更管理、新产品设计变更3定义3.1 工程变更申请单通知( Engineering Change Request Notice)):是指通常使用于新产品完成后,非工程单位就本身之需要发出工程变更申请,交工程单位、项目组研究设变可行性,由申请者提出工程变更申请。
变更内容包括:设计更改、改进、供应商改变供应商制造过程改变、零件图纸更改、尺寸更改、客户端零件更改等4职责4.1 项目经理负责协调变更团队,评审变更的可行性4.2 工程变更申请者提出申请,并会签到各相关部门:品质部、制造部、市场部、采购部、研发部、行政部、财务部。
4.3 各相关部门负责人要对所会签的变更单负责4.4 物流部门负责协调零件的断点:供应商断点及客户端断点、新旧零件库存统计、设变后产品/零件的交付实施4.5 质量部门负责变更零件/产品的检验、特殊标识及记录的实施4.6 前期采购负责设变阶段的样件追踪,认可后转入量产的由物料计划追踪4.7 协调所有相关环节的进度:包括库存统计进度、零件设变后在更改进度(包括物流参数重新设置)新旧零件库存结转进度4.8 采购部负责设变后新件号采购日程维护、采购百分比维护4.9 研发部负责BOM修改、更新及图纸更新4.10 品质部负责BOM执行、更新4.11 研发部负责依照已发布的变更单更新BOM、状态释放,并邮件通知各部门BOM 更新结果4.12 财务部负责依照已发布设变后新件号成本卷积4.13 品质部依照已发布设变后新件号更改检规5作业流程参见流程图第2页/ 第3页YES 5.3 责任部门须从以下几个方面来考虑是否同意变更1) 能否达到预期的提升品质、降低成本提高生产效率等目的2) 各零部件间的兼容性3) 库存品处理的可行性4) 生产设备配套情况等等5.4 必要时,技术部可决定通过试产来5.5 如产品认证机构有要求时,变更前须经认证机构批准。
ECR NO.申请日期生效日期ECN单号申请部门批准审核产品类别□军工□通讯□汽车□UL认证□其它技术状态产品型号等级 □ 市场□ PMC/物控 □ 采购□ 品质体系 □ 制造处理意见:签名/日期:□ 将影响出货,须将PO号:____________生产完;签名/日期:处理意见:签名/日期:处理意见:签名/日期:处理意见:签名/日期:□ 可 工程变更实施日: 年 月 日□ 不可顾客(或顾客代表)确认:通知客户: □ 要 □ 不要签名/日期: 年 月 日适用客户备注: 1、各相关部门会签后,由技术部评估最终结果. 2、ECR 编号及ECN编号由文控中心提供,工 程 变 更 申 请 单(ECR)【变 更 后】技术部组织评审涉及评审部门有:市场申请人□C类 □S类 □D类□其它:______________________________________________________________【变 更 前】年 月 日理由:批准/日期: .技术部审批变更内容交期影响及意见:□有 □无采购变更原因仓库□ 在库材料 数量_________________________________________________________□重要 □次要品质各部门会签意见PMC/物控现生产状况及意见:□客户变更 □设计改进 □资料整理 □工艺改进 □贯彻标准□ 半成品 数量______________ □ 成品 数量 _____________ □ 车间周转数量____________发放部门(申请部门填写在□打√,即代表确认发放)□市场 □PMC/物控 □采购 □品质体系 □制造 □仓库 □赣州 □其它:___________________物料变更价格差异确认:□有 □无材料采购:□有 □无相关品质影响:□有 □无在库存产品状态:□在库存新旧品标识、区分 □无库存,无需标示□ 同意此变更,不影响出货,可立即变更。
1目的1.1 为使本公司ECN变更流程化、系统化,特制定本作业标准1.2使工程变更的各个环节处于受控状态,确保产品品质,生产效率提升和生产成本下降2范围2.1 适用所有工程变更申请单、工程变更通知单。
包括(对旧产品工程、性能、结构、物料、工艺、制程条件等方面的变更管理、新产品设计变更3定义3.1 工程变更申请单通知( Engineering Change Request Notice)):是指通常使用于新产品完成后,非工程单位就本身之需要发出工程变更申请,交工程单位、项目组研究设变可行性,由申请者提出工程变更申请。
变更内容包括:设计更改、改进、供应商改变供应商制造过程改变、零件图纸更改、尺寸更改、客户端零件更改等4职责4.1 项目经理负责协调变更团队,评审变更的可行性4.2 工程变更申请者提出申请,并会签到各相关部门:品质部、制造部、市场部、采购部、研发部、行政部、财务部。
4.3 各相关部门负责人要对所会签的变更单负责4.4 物流部门负责协调零件的断点:供应商断点及客户端断点、新旧零件库存统计、设变后产品/零件的交付实施4.5 质量部门负责变更零件/产品的检验、特殊标识及记录的实施4.6 前期采购负责设变阶段的样件追踪,认可后转入量产的由物料计划追踪4.7 协调所有相关环节的进度:包括库存统计进度、零件设变后在更改进度(包括物流参数重新设置)新旧零件库存结转进度4.8 采购部负责设变后新件号采购日程维护、采购百分比维护4.9 研发部负责BOM修改、更新及图纸更新4.10 品质部负责BOM执行、更新4.11 研发部负责依照已发布的变更单更新BOM、状态释放,并邮件通知各部门BOM 更新结果4.12 财务部负责依照已发布设变后新件号成本卷积4.13 品质部依照已发布设变后新件号更改检规5作业流程参见流程图第2页/ 第3页6 程序描述6.1 客户旧零件盘点通知及公司内部盘点6.2 财务部、生产部,在接到采购部和市场部物料制作旧零件盘点通知后,必须在2个工作日内配合完成旧零件盘点工作。
最新人教版九年级物理上册期末试卷及答案(1)(时间:60分钟分数:100分)班级:姓名:分数:一、选择题(每题2分,共30分)1、一刻度均匀但示数不准确的温度计,用它测标准气压下冰水混合物的温度时为5℃,测沸水的温度时为95℃,若用它来测得室内温度为32℃,则室内的实际温度约为()A.35℃B.30℃C.33℃D.37℃2、下列关于凸透镜应用的说法,正确的是()A.近视眼需要佩戴凸透镜来矫正B.放大镜成正立、放大的实像C.用手机扫描二维码时,应使二维码位于手机镜头一倍焦距之内D.要使投影仪成像变大,应使投影仪远离屏幕,同时使镜头靠近投片3、小强把台灯的插头插在如图所示的插座上,插座上有一个开关S1和一个指示灯L1(相当于电阻很大的灯泡),台灯开关和灯泡用S2、L2表示,当只闭合S2时,台灯不发光,当闭合S1时,指示灯发光,再闭合S2时,台灯发光;如果指示灯损坏,S1和S2时都闭合,台灯也能发光,如图中设计的电路符合要求的是()A.B.C.D.4、利用铅垂线和三角尺判断桌面是否水平,如图所示的做法正确的是()A.B.C. D.5、在如图所示电路,电源电压保持不变,电路出现了一处故障,故障可能发生在R1、R2处.开关闭合前后,三个电表示数都没有变化,则电路中的故障是()A.R1短路B.R1断路C.R2短路D.R2断路6、如图所示,在电磁铁正上方用弹簧挂着一条形磁铁,开关闭合后,当滑片P从a端向b端滑动过程中,会出现的现象是()A.电流表示数变小,弹簧长度变短 B.电流表示数变小,弹簧长度变长C.电流表示数变大,弹簧长度变长 D.电流表示数变大,弹簧长度变短7、下列实例中,为了增大压强的是()A.书包带做的较宽B.图钉帽做得面积较大C.大型平板车装有很多车轮D.石磨的磨盘做得很重8、如图所示,两个相同的验电器 A 和 B,A 带正电,B 不带电,用带有绝缘柄的金属棒把 A 和B 连接起来,下列说法不正确的是()A.验电器 B 金属箔张角变大,因为两金属箔都带上正电荷而互相排斥B.验电器 A 金属箔张角变小,说明它得到电子C.此过程中,自由电子从 B 向 A 定向移动,形成瞬间电流D.此过程中,瞬间产生的电流方向是从 B 向 A9、下列有关起重机提升货物时机械效率的说法,正确的是()A.有用功越多,机械效率越高B.同一起重机提起的货物越重,机械效率越高C.额外功越少,机械效率越高D.同一起重机提起同一货物越快,机械效率越高10、生活中人们常常利用物体的惯性.下列描述正确的是()A.标枪运动员通过助跑提高成绩,利用了运动员自身的惯性B.紧固锤头时撞击锤柄的下端,利用了锤柄的惯性C.拍打窗帘清除上面的浮灰,利用了窗帘的惯性D.将脸盆里的水泼出去,利用了水的惯性11、端午节赛龙舟时,划龙舟的队员在鼓声指引下,整齐地划动船桨,下列说法正确的是()A.鼓声不能通过水传播B.鼓声是由于鼓面振动产生的C.鼓手敲鼓的力越大,发出声音的音调就越高D.鼓手通过鼓声指挥队员划桨是利用声音传递能量12、下列光现象与其成因对应正确的是()A.雨后彩虹一光的色散B.鱼翔浅底一一光的直线传播C.小孔成像一光的反射D.镜花水月一光的折射13、学习质量和密度的知识后,小明同学想用天平、量筒和水完成下列实践课题,你认为能够完成的是()①测量牛奶的密度②鉴别金戒指的真伪③测定一捆铜导线的长度④鉴定铜球是空心的还是实心的⑤测定一大堆大头针的数目。