上海欧际 液压软管 样本
- 格式:pdf
- 大小:1.02 MB
- 文档页数:42
上海欧际金属软管总成THE CATALOGUEofSTAINLESS STEEL CORRUGATEDFLEXIBLE HOSE ASSEMBLY上海欧际冶金设备制造有限公司SHANGHAI OUJI METALLURGY MACHINE MANUFACTURE CO.,LTD公 司 简 介上海欧际冶金机械制造有限公司位于上海宝山区富联路1188号,占地12800m2 。
自2002年5月正式投产以来,欧际人以坚定的信念、雄伟的胆略、不懈的努力、执着的追求,现已发展成为拥有5680万元固定资产和一百五十多人高素质员工队伍的现代化冶金机械制造企业。
公司于2004年8月通过了ISO9001-2000质量体系认证,全体员工始终贯彻“科技先导、开拓创新、质量第一、诚信为本”的欧际精神,精诚合作,共创企业辉煌,共图发展大计。
公司拥有先进的数控车床、精模锻设备、中频电炉、喷丸机及检测设备258台(套),并实行计算机网络信息管理。
公司全系列生产符合ISO、DIN、JIS标准的管路附件。
符合GB、GB/T、JB/ZQ、JB、JB/T等国家或行业标准的系列管路附件,旋转接头、快换接头、不锈钢金属软管总成、液压胶管总成、铠装液压胶管总成、干稀油润滑设备。
设计生产各种非标的管路附件、液压系统等。
公司产品广泛运用于冶金、矿山、石化、工程机械、港口机械、交通运输等领域。
先后配套使用于宝钢2300宽厚板连铸、连轧工程、-炼钢工程,上钢一厂薄板工程,梅钢连铸改造工程;鞍山钢铁集团半连轧、冷轧改造工程;太原钢铁集团50万吨不锈钢热轧、冷轧改造工程;本溪钢铁集团热连轧1700改造项目,本钢二铁厂高炉烧结工程,本钢二铁钢板坯连铸工程;马鞍山钢铁集团热轧、冷轧薄板工程;首钢机电有限公司,首钢新钢有限公司,首钢东华机械厂;韶关钢铁股份有限公司;济南钢铁集团总公司;南京钢铁集团有限公司;天津钢铁有限公司;唐山钢铁股份有限公司;昆明钢铁集团有限公司;通化钢铁集团股份有限公司等大型钢铁企业的建设项目中。
Q/SGD 谷登工程机械装备有限公司试用文件Q/SGD 8001-2011(试用版) 液压过度接头和软管接头O形圈2011-05-24 制订2011-05-28实施江苏谷登工程机械装备有限公司研发部(制订)前言根据公司现有产品常用的过渡接头和软管接头配用O形圈,特制定此文件。
本文件作为过渡接头检验和软管接头配用O形圈的依据。
本文件2011年5月24日首次制定,于2011年5月28日实施。
1范围规定本公司过度接头的尺寸、标记及技术要求和软管接头配用O形圈。
2 引用文件GB/T 3733-2008 卡套式端直通管接头GB/T 3765-2008 卡套式管接头技术条件永华过度接头样本(2004.7)永华软管总成/软管接头样本(2004.7)GB/T 7939—2008《液压软管总成试验方法》3扣压式软管接头型号及其配用O形圈表1轻型接头及其配用O形圈表2重型接头及其配用O形圈注: 1.表中代号用于编织软管。
2.如用于缠绕软管代号为20412-XX-XX 。
表3法兰夹使用螺杆、O形圈一览表表4螺纹紧固扭矩表4 过度接头1.外形结构管接头形式于尺寸应符合相应标准要求。
标准中未规定的结构尺寸由制造商确定,但应尽量减少流体阻力。
2.尺寸标准中规定的尺寸是指包括镀层或表面处理厚度在内的成品尺寸,所有未标注尺寸公差应为±0.4mm,接头端24°内锥座对其内螺纹中径的圆跳动公差应为0.25mm,柱端螺纹中径对密封端面的垂直度公差应为0.10mm。
3.通道公差接头体通道从两头加工时,汇合点的不重合偏差不得大于0.4mm,交叉通道的交汇横截面积不得低于规定的最小通道截面积。
4.角度公差规格不大于10mm的弯通、三通、和四通的端口轴线的角度公差应符合±2.5°,规格大于10mm的弯通、三通、和四通的端口轴线的角度公差应符合±1.5°。
5.螺纹5.1普通螺纹应符合GB/T193的规定,外螺纹公差应符合GB/T197的6g级规定,内螺纹公差应符合GB/T197的6H规定,螺纹收尾、肩距、退刀槽应符合GB/T3的规定。
1. 软管接头Hose fitting例/ Example :DKOL29-12-6DK OL 2 9 - 12 - 6 > 接头型式Fitting styleDK OL 2 9 - 12 - 6 > 螺纹及密封形式Thread and sealingDK OL 2 9 - 12 - 6 > 接头系列,选用软管时注意“适配接头”系列Fitting series,DK OL 2 9 - 12 - 6 > 接头角度Fitting angleDK OL 2 9 - 12 - 6 > 接头外连接部分的规格Specification of fittingDK OL 2 9 - 12 - 6 > 接头内连接部分规格,同软管内径规格SAE size of fitting to hose end, same as hose SAE size 表1 软管接头编号说明Form 1 Specification of hose fitting part no.接头形式螺纹及密封形式接头系列角度外连接规格软管规格材料Fitting style Thread and sealing Fitting series Angle Fitting size Hose size MaterialDK: 旋转螺母Swivel nut L: 24°锥轻型24°cone light2: 1-2层钢丝软管1-2 steel hose1:直接头Straight接头外连接规格软管内径规格无: 碳钢None: SteelAG: 外螺纹Male L: 3000PSI法兰3000PSI flange4: 4层钢丝软管4 braid steel hose4:45°弯头45°ElbowOuterconnectionsizeSize ofhoseI.D.SS:不锈钢Stainless steelSF: SAE法兰SAE flange S: 24°锥重型24°cone heavy1: 纤维编织软管Textile braid hose9:90°弯头90°ElbowB:铜brassHH: 软管对接Hose to hose S: 6000PSI法兰6000PSI flange OL: 24°锥轻型,O型圈24°cone light, O ring OS: 24°锥重型, O型圈24°cone heavy, O ring J: JIC37°扩口JIC37°G: BSPP内螺纹BSPP inner threadR: BSPT外螺纹BSPT outer threadZ: NPT外螺纹NPT outer threadOF: ORFS平面O型圈ORFS flat O-ring seal2. 软管Hose例/ Example :FC687- 06FC687 - 06 > 软管型式Hose styleFC687 - 06 > 软管内径规格Hose inner diameter SAE size表2 软管内径规格表Form 2 Hose inner size formSAE划线规格-3 -4 -5 -6 -8 -10 -12 -16 -20 -24 -32 SAE sizeDIN公称通径05 06 08 10 12 16 20 25 32 40 50 DIN normal I.D.内径(英寸)3/16 1/4 5/16 3/8 1/2 5/8 3/4 1 1-1/4 1-1/2 2 Hose bore (inch)内径(毫米)4.8 6.3 8 9.5 12.7 15.9 19.1 25.4 31.5 38.1 51 Hose bore (mm)3. 软管总成Hose assembly例/ Example :FC687-04 DKOL29-8-4 DKJ29-4-4 1600 V180FC687-04 DKOL29-8-4 DKJ29-4-4 1600 V180 > 软管型式,内径规格Hose style, hose inner diameter SAE size FC687-04 DKOL29-8-4 DKJ29-4-4 1600 V180 > 左端接头规格Left fitting sizeFC687-04 DKOL29-8-4 DKJ29-4-4 1600 V180 > 右端接头规格.如左右接头相同,省略不写Right fitting size. Same to left, omit it. FC687-04 DKOL29-8-4 DKJ29-4-4 1600 V180 > 软管总成长度(mm)Hose assembly length (mm)FC687-04 DKOL29-8-4 DKJ29-4-4 1600 V180 > 两端都为弯接头时的夹角Angle of fittings, when both are elbow 4. 软管总成长度、角度和弯曲半径Hose assembly length and angle & bend radius4.1软管总成长度、角度表示如下图1。
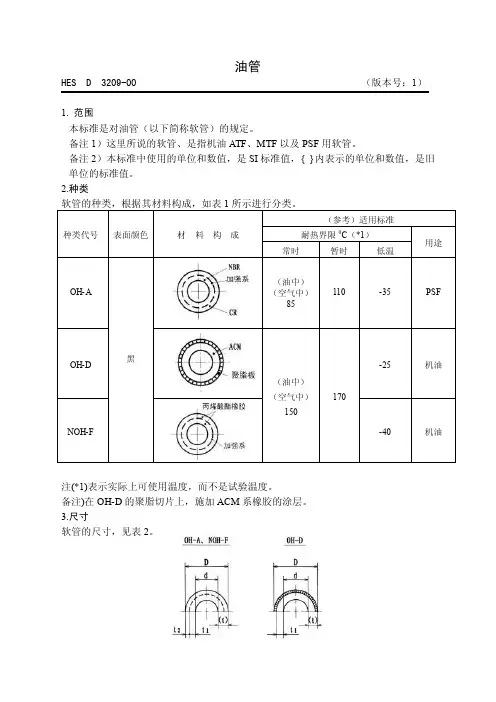
油管HES D 3209-00 (版本号:1) 1. 范围本标准是对油管(以下简称软管)的规定。
备注1)这里所说的软管、是指机油ATF 、MTF 以及PSF 用软管。
备注2)本标准中使用的单位和数值,是SI 标准值,{ }内表示的单位和数值,是旧单位的标准值。
2.种类注(*1)表示实际上可使用温度,而不是试验温度。
备注)在OH-D 的聚脂切片上,施加ACM 系橡胶的涂层。
3.尺寸软管的尺寸,见表2。
4.图面规定符合本标准的软管,种类代号、公称、标准号可按下例简略图表示。
例: 种类代号 公称 标准号备注)上述简略图以外的内容,也可记录在NOTE 栏内。
5.软管联接关于连接部的尺寸、相应的油管种类及使用条件,如有需要可在规格书上另行规定。
6.品质6.1产品品质 6.1.1性能产品的性能必须符合表3的规定。
关于软管连接组合的性能规定,按照使用条件和需要在规格书上另行规定。
6.1.2外观及其他 1)必须富有韧性。
2)必须内、外面都平整,特别是内面要平滑。
3)必须无伤痕,气泡以及其他使用上的有害缺陷。
4)必须无硫磺、其他橡胶药品的析出和渗润。
HES D 3209-00 (版本号:1)表 3-2注(*3)从产品上获得外面橡胶试片有困难时,经当事人之间商议后,可以橡胶材料试验代替。
注(*4)振动耐久性的试验条件,根据使用位置,以下例条件为准,在规格书上另行进行条件设定。
例)(NOH-F )● 振 幅(mm):±7 ● 振动数(cpm) :300● 循环液 :本田纯正ATF ● 液温(0C ) :145~150 ● 液压(MPa){kgf/cm 2} :0~0.2{0~2}● 试验时间(h) :1000(每100小时,检查泄漏及其他) ● 软管安装状态(软管尺寸、接合部、夹紧条件等):以实车安装状态为准。
6.2材料品质 6.2.1涂层材料软管的涂层材料,见表4。
6.2.2橡胶材料用于软管的橡胶材料的品质作为参考,如表5所示。
AEROQUIP软管特性说明
AEROQUIP液压软管具有防腐、耐高温、抗拉强度高,柔韧性好等诸多性能,而被广泛采用在各行业的液压工程中,软管有一层至多层钢丝编织增强层(6 层以上),有低、中、高、超高三种压力等级,有轻、重两系列,公称通径在3 ― 32mm 。
有普通型和特殊型两种软管以满足在普通环境及特殊环境下使用,先进的不剥胶软管极大减轻装配劳动强度,广泛应用在各行业液压系统管路中。
低压系列:
(1)合成橡胶内胶层,一层钢丝编织,黑、绿、蓝、红合成橡胶外胶层。
(2)温度:-40 °C ― +100 °C
(3)公称通经:4 ― 16mm 最大工作压力:24 bar
中压系列:
(1)合成纤维内胶层,二层钢丝编织层黑、绿、蓝、红合成橡胶外胶层。
(2)温度:-40 °C ― +125 °C
(3)公称通经3 ― 32mm 最大工作压力:207 bar
高压、超高压系列:
(1)合成橡胶内胶层二层高强钢丝编织,MSHA 认可橡胶外层,超高压三层以上钢丝编织增强层。
黑、绿、蓝、红合成橡胶外胶层。
(2)温度:-40 °C ― +125 °C
(3)公称通经:3 ― 32mm
(4)最大工作压力:425 bar 超高压:425 bar 以上
应用介质:矿物油、水、乳化液、空气、油脂、燃油、水乙二醇。
进口钢丝编织管
尺寸从1/8"--21/2",耐高压、高耐磨、耐油、耐气候、优秀的弯曲性能.有符合SAE、DIN、EN、JIS等多种工业标准管,使用脉冲寿命长,性能可靠。
文章来源,转载请注明!。
液压软管HYDRAULIC HOSE一层钢丝编织软管 One Wire Braid Hose(SAE 100 R1AT)软管图----后同内衬层 Inner Tube:耐油合成橡胶 Oil Resistant Synthetic Rubber增强层 Reinforcement:1层钢丝编织增强层A Single Wire Braid Reinforcement外覆层 Cover:耐油耐恶劣天气合成橡胶Oil And Weather Resistant Synthetic温度范围 Temperature Range:-40°C~+100°C可用接头芯 Insert:xxxx1-xx-xx系列 xxxx1-xx-xx Series一层钢丝编织软管One Wire Braid Hose(EN 853 1SN)内衬层 Inner Tube:耐油合成橡胶 Oil Resistant Synthetic Rubber增强层 Reinforcement:1层钢丝编织增强层A Single Wire Braid Reinforcement外覆层 Cover:耐油耐恶劣天气合成橡胶Oil And Weather Resistant Synthetic温度范围Temperature Range:-40°C~+100°C可用接头芯Insert:xxxx1-xx-xx系列 xxxx1-xx-xx Series二层钢丝编织软管Two Wire Braid Hose(SAE 100 R2AT)内衬层Inner Tube:耐油合成橡胶 Oil Resistant Synthetic Rubber增强层Reinforcement:2层钢丝编织增强层 Two Braids Of Wire Reinforcement外覆层Cover:耐油耐恶劣天气合成橡胶 Oil And Weather Resistant Synthetic温度范围Temperature Range:-40°C~+100°C可用接头芯Insert:xxxx1-xx-xx系列 xxxx1-xx-xx Series二层钢丝编织软管Two Wire Braid Hose(EN 853 2SN)内衬层Inner Tube:耐油合成橡胶Oil Resistant Synthetic Rubber增强层Reinforcement:2层钢丝编织增强层Two Braids Of Wire Reinforcement外覆层Cover:耐油耐恶劣天气合成橡胶Oil And Weather Resistant Synthetic温度范围Temperature Range:-40°C~+100°C可用接头芯Insert:xxxx1-xx-xx系列xxxx1-xx-xx Series钢丝缠绕软管 Wire Spiral Hose(GB/T 10544 R12-SAE 100 R12-EN 856 R12)内衬层 Inner Tube:耐油合成橡胶 Oil Resistant Synthetic Rubber增强层 Reinforcement:4层钢丝缠绕增强层 4 Wire Sprials Reinforcement外覆层 Cover:耐油耐恶劣天气合成橡胶 Oil And Weather Resistant Synthetic温度范围 Temperature Range:-40°C~+121°C可用接头芯 Insert:xxxx2-xx-xx系列 xxxx2-xx-xx Series钢丝缠绕软管 Wire Spiral Hose(GB/T 10544 4SP-EN 856 4SP)内衬层 Inner Tube:耐油合成橡胶 Oil Resistant Synthetic Rubber增强层 Reinforcement:4层钢丝缠绕增强层 4 Wire Sprials Reinforcement外覆层 Cover:耐油耐恶劣天气合成橡胶 Oil And Weather Resistant Synthetic温度范围 Temperature Range:-40°C~+100°C可用接头芯 Insert:xxxx2-xx-xx系列 xxxx2-xx-xx Series钢丝缠绕软管 Wire Spiral Hose(GB/T 10544 4SH-EN 856 4SH)内衬层 Inner Tube:耐油合成橡胶 Oil Resistant Synthetic Rubber增强层 Reinforcement:4层钢丝缠绕增强层 4 Wire Sprials Reinforcement外覆层 Cover:耐油耐恶劣天气合成橡胶 Oil And Weather Resistant Synthetic温度范围 Temperature Range:-40°C~+100°C可用接头芯 Insert:xxxx2-xx-xx系列 xxxx2-xx-xx Series钢丝缠绕软管 Wire Spiral Hose(GB/T 10544 R13-SAE 100 R13-EN 856 R13)内衬层 Inner Tube:耐油合成橡胶 Oil Resistant Synthetic Rubber增强层 Reinforcement:多层钢丝缠绕增强层 Multiple Steel Sprials Reinforcement外覆层 Cover:耐油耐恶劣天气合成橡胶 Oil And Weather Resistant Synthetic温度范围 Temperature Range:-40°C~+121°C可用接头芯 Insert:xxxx3-xx-xx系列 xxxx3-xx-xx Series钢丝缠绕软管Wire Spiral Hose(GB/T 10544 R15-SAE 100 R15)内衬层 Inner Tube:耐油合成橡胶 Oil Resistant Synthetic Rubber增强层 Reinforcement:多层钢丝缠绕增强层 Multiple Steel Sprials Reinforcement外覆层 Cover:耐油耐恶劣天气合成橡胶 Oil And Weather Resistant Synthetic温度范围 Temperature Range:-40°C~+121°C可用接头芯 Insert:xxxx3-xx-xx系列 xxxx3-xx-xx Series树脂软管 Two Polyster Braid Hose(SAE 100 R7-EN 855 r7)内衬层 Inner Tube:热塑性塑料聚酯 Thermoplastic Polyester增强层Reinforcement:两层高强度聚酯编织增强层Two High Tenacity Polyester Braids Reinforcement外覆层Cover:耐油耐恶劣天气耐摩擦耐臭氧聚氨酯Oil,Fuel,Weather,Ozone And Abrasion Resistant Thermoplastic Polyurethane温度范围 Temperature Range:-40°C~+93°C可用接头芯 Insert:xxxx1-xx-xx系列 xxxx1-xx-xx Series液压软管HYDRAULIC HOSE一层钢丝编织--织物编织软管 One Wire Braid-Textile Cover Hose(SAE 100 R5)内衬层 Inner Tube:耐油合成橡胶 Oil Resistant Synthetic Rubber增强层Reinforcement:1层织物编织层,1层高抗拉钢丝编织层One Textile Braid,One High Tensile Steel Braid外覆层 Cover:嵌入合成橡胶的1层织物编织层 One Textile Braid Embedded With Synthetic Rubber温度范围 Temperature Range:-40°C~+100°C可用接头芯 Insert:xxxx8-xx-xx系列 xxxx8-xx-xx SeriesA-25。
上海欧际液压软管样本
1.高品质材料:上海欧际液压软管采用优质的合成橡胶材料,具有良
好的耐磨、耐油、耐高温和耐压性能,能够在严苛的工作环境下保持较长
的使用寿命。
2.严格质量控制:上海欧际液压软管在每一个生产环节都进行严格的
质量控制,确保产品的质量稳定和可靠性。
3.多种规格选择:上海欧际液压软管提供多种规格和尺寸的软管,能
够满足不同客户的需求。
4.安全保护措施:上海欧际液压软管在软管内部加入了高强度的钢丝
编织层,能够有效地防止软管爆裂和泄漏,保障使用的安全性。
1.工程机械:上海欧际液压软管广泛应用于各类工程机械中,如挖掘机、装载机、起重机等,用于传递液压系统中的液体介质,如油、水等。
2.冶金设备:上海欧际液压软管可在冶金设备中使用,如钢铁厂的熔
炼设备、轧钢机等,能够承受高温和高压的工作环境。
3.石油开采:上海欧际液压软管适用于石油开采领域,能够在油井、
钻机等设备中传递石油和液压油。
4.机床设备:上海欧际液压软管也可以被应用于机床设备中,如数控
机床、加工中心等,用于传递液压系统中的液体介质。
5.农业机械:上海欧际液压软管可以被应用于农业机械中,如拖拉机、农用车等,用于传递液压系统中的液体介质,如液压油和水。
总结起来,上海欧际液压软管具有高品质、严格质量控制、多种规格
选择和安全保护措施等特点,适用于工程机械、冶金设备、石油开采、机
床设备和农业机械等领域的液压系统。
如果您有液压软管的需求,请选择上海欧际液压软管,我们将为您提供优质的产品和服务。
软管总成软管总成选型与布置高压软管聚四氟乙烯PTFE软管、1SN高压橡胶软管2SN、4SP、2SC高压橡胶软管4SH、R13、JBF/JBS高压橡胶软管高压软管接头DKOL/DKOS 24度外锥 软管接头CEL/CES 24度内锥 软管接头DKJ 74度内锥 软管接头DKR 60度外锥 软管接头FLAT 平面密封 软管接头AGRK、AGN、AGW 管螺纹连接软管接头 SFL/SFS SAE法兰连接软管接头聚四氟乙烯PTFE波纹管中低压不锈钢软管接头D1OSJ软管总成选型及布置指导软管总成长度表示法:软管总成装配角表示法:0° 180°同侧 反向270° 90°顺时针 顺时针两头均为弯头的软管总成放在同一条直线上,以远端一个接头的垂直方向为基准,按顺时针方向测量另一个接头与垂直方向接头之间的夹角,此夹角为装配角。
订货示例: 注:如需带防火套或耐磨护套请注明软管的布置:错误 尚可 正确软管接头材料装配角一端接头形式软管总成长度"L"软管型号另一端接头形式D2聚四氟乙烯PTFE 软管 工作温度范围:-60°~+250℃特点:耐腐蚀能力很强,温度适应范围广抗气体分子渗透能力强,可用于高压气体 应用:·用于磷酸脂油等有腐蚀性液体的液压系统 ·用于模具高压注射系统 ·用于压缩天然气·用于高压工业气体 ·用于高压输送密封胶·用于高温场合1SN 高压橡胶软管SAE 100R1AT内外胶层:耐矿物油和生物油合成橡胶连续作业温度:-40°C~+100°C 增强层:1层高抗拉钢丝编织建议使用介质:矿物油、水、水/油乳化液D32SN 高压橡胶软管SAE 100R2AT内外胶层:耐矿物油和生物油合成橡胶 连续作业温度:-40°C~+100°C增强层:2层高抗拉钢丝编织 建议使用介质:矿物油、水、水/油乳化液!! DN60和DN76的软管所配接头见第133页。
液压软管及接头样本
液压软管样本通过灵活的材料和特殊结构设计来承受高压和高温的作用,同时具有抗压、抗弯曲和抗磨损等优良性能。
液压软管样本可以分为低压软管和高压软管两大类。
低压软管样本通常由高强度的纤维编织层和内衬橡胶层组成。
这种软管样本适用于低压液压系统和一般工业设备。
高压软管样本则由多层高强度钢丝编织层和内衬橡胶层组成,具有较高的耐压能力和耐磨损性。
高压软管样本适用于高压液压系统、石油钻机和重型机械设备等领域。
液压接头样本是连接液压软管和液压装置的重要部件,其主要功能是传递液流和保持系统的密封性。
液压接头样本可以分为以下几种类型:
1.螺纹接头:螺纹接头样本采用螺纹结构连接软管和管路,常用于低压液压系统和一般工业设备。
2.法兰接头:法兰接头样本通常由两个法兰和中间的密封垫片组成,通过螺栓连接。
法兰接头适用于高压液压系统和重型机械设备。
3.快速接头:快速接头样本通过快速连接和断开的设计,方便快速更换液压软管。
快速接头适用于需要频繁更换软管的场合,如农业机械和工程机械。
4.卡套接头:卡套接头样本通过套接结构连接软管和管路,常用于高压液压系统和挖掘机等工程机械。
5.节流接头:节流接头样本通过控制液流速度和压力来实现液压系统的稳定工作。
节流接头适用于需要精确控制液压系统的场合,如航空航天和核工业。
软管总成软管总成选型与布置高压软管聚四氟乙烯PTFE软管、1SN高压橡胶软管2SN、4SP、2SC高压橡胶软管4SH、R13、JBF/JBS高压橡胶软管高压软管接头DKOL/DKOS 24度外锥 软管接头CEL/CES 24度内锥 软管接头DKJ 74度内锥 软管接头DKR 60度外锥 软管接头FLAT 平面密封 软管接头AGRK、AGN、AGW 管螺纹连接软管接头 SFL/SFS SAE法兰连接软管接头聚四氟乙烯PTFE波纹管中低压不锈钢软管接头D1OSJ软管总成选型及布置指导软管总成长度表示法:软管总成装配角表示法:0° 180°同侧 反向270° 90°顺时针 顺时针两头均为弯头的软管总成放在同一条直线上,以远端一个接头的垂直方向为基准,按顺时针方向测量另一个接头与垂直方向接头之间的夹角,此夹角为装配角。
订货示例: 注:如需带防火套或耐磨护套请注明软管的布置:错误 尚可 正确软管接头材料装配角一端接头形式软管总成长度"L"软管型号另一端接头形式D2聚四氟乙烯PTFE 软管 工作温度范围:-60°~+250℃特点:耐腐蚀能力很强,温度适应范围广抗气体分子渗透能力强,可用于高压气体 应用:·用于磷酸脂油等有腐蚀性液体的液压系统 ·用于模具高压注射系统 ·用于压缩天然气·用于高压工业气体 ·用于高压输送密封胶·用于高温场合1SN 高压橡胶软管SAE 100R1AT内外胶层:耐矿物油和生物油合成橡胶连续作业温度:-40°C~+100°C 增强层:1层高抗拉钢丝编织建议使用介质:矿物油、水、水/油乳化液D32SN 高压橡胶软管SAE 100R2AT内外胶层:耐矿物油和生物油合成橡胶 连续作业温度:-40°C~+100°C增强层:2层高抗拉钢丝编织 建议使用介质:矿物油、水、水/油乳化液!! DN60和DN76的软管所配接头见第133页。
液压软管总成介绍液压软管总成,也叫胶管总成,或是软管接头,就是将经钢丝编织或缠绕增强的胶管的两头和金属连接接头经过扣压装配而成的总成结构。
橡胶软管的钢丝增强层一般分为钢丝编织和钢丝缠绕两种,增强层数一般从1层到最多6层,其中,内胶层容纳流体介质,增强层是骨架,保证压力,外胶层保护增强层,结构示意图如下:金属接头的连接形式分为螺纹式和法兰式,螺纹式接头的常见密封型式有24°锥面O 型圈弹性密封、74°锥面金属硬密封、平面O型圈弹性密封,金属接头的套筒和胶管的扣压结构示意图如下:液压软管总成扣压装配好后的结构型式示意图如下:液压软管总成的使用注意事项如下:2、试验压力:2倍的工作压力下,保压60秒,无泄漏,无压力值下降。
3、爆破压力:一般指4倍的工作压力值。
4、温度范围:一般指-40℃至+100℃。
5、软管的基本型号规格以软管的内径,即圆整后的公称通径DN,来标识。
6、软管弯曲半径:指在最大压力下持续工作时所能选取的最小的弯曲半径,小于推荐的弯曲半径使用会严重影响软管的强度。
另外,软管和软管接头连接的过渡的最小直线长度(图示D)应大于软管外径的1.5倍。
7、软管总成的排布:应避免软管因拉伸、压缩、扭曲、或在锐角处摩擦而损坏,不应在扭转状态下使用。
8、软管总成的贮存:受温度、光照等因素的影响,其有效期难以确定。
DIN标准中规定,装配总成所用的软管必须是四年以内生产的,软管总成生产后,使用年限不得超过6年,其中在6年里,贮存的时间不得超过2年。
ISO标准中规定,软管和软管总成的有效期不得超过10年。
软管经贮存后,若目测表面有龟裂、锈蚀等,使用前应做压力测试。
其中,接头内O型圈的有效期不超过2年。
9、安全警告:10、常规检查:如发现软管的外胶层变脆或开裂,必须尽快更换。
11、软管总成的长度:12、软管总成的清洁度:为保证液压系统的清洁度,软管总成生产后,应使用专业清洗设备用含防锈剂的清洗液冲洗软管总成的内壁,使得清洗液的清洁度至少达到NAS 8级,然后用高压气体将清洗液吹出。