南京奥体苏宁广场基坑支护工程施工组织设计
- 格式:ppt
- 大小:9.02 MB
- 文档页数:55
一、概述⑪工程概况拟建的文体中心项目位于三茅镇港联村外环南路以南,迎江大道以东地带,由体育场、综合健身馆、游泳馆、体育馆、景观塔组成,该项目由上海中森建筑与工程设计顾问有限公司方案、施工图设计。
镇江市勘察工程总公司提供地质勘察报告。
江苏地质基桩工程公司提供基坑支护方案。
该项目工程±0.000相当于黄海高程 3.80m,自然地面标高为3.0m,相对标高为-0.8m。
体育馆桩顶标高为-7.15、-6.65m。
考虑到桩伸入承台5cm,且10cm垫层,故实际开挖深度为6.5m、6.0m。
本次支护AB、CDEFA段采用1:1放坡+土钉墙支护;BC段采用钻孔灌注桩支护+旋喷桩止水+锚杆支撑。
坑内采用轻型井点降水,坑外做好截排水系统。
根据类似工程经验,坑内、外布设26口减压降水管井,以防管涌的发生。
⑫工程地质特征⑴土层特征根据土体成因、时代、埋藏分布特征及其物理力学性质的差异,将勘察深度50.0米以浅的土体划分为6个工程地质(亚)层,①~⑥层皆为第四系全新统(Q4)沉积,各土层地质特征描述如下:①层素填土:现为农田耕作层,植物根密集,土质松软,孔隙发育。
场区普遍分布,层厚:0.5~0.9米。
②层粉质粘土:土黄色,软塑,饱和,水平微层理发育,切面尚光滑,稍有光泽,无摇震反应,中等干强度,中等韧性。
局部夹薄层粉土,稍密,场区普遍分布,层厚1.4~2.5米,层顶深度0.5~0.9米。
③层淤泥质粉质粘土夹粉砂:深灰色,流塑,饱和,钻进中有少量CH4气体逸出,含有机质成分,稍有光泽,干强度低,低韧性,局部为粉砂薄夹层或透镜体,单层厚度5~40cm不等,砂与土呈交错互层状分布,场区普遍分布。
层厚5.0~13.7米,层顶深度2.1~3.1米。
④-1层粉砂夹淤泥质粉质粘土:为④层夹层,浅灰色,稍密,砂质成份为长石、石英,局部夹淤泥质粉质粘土,流塑,场区局部分布,层厚0.8~4.7米,层顶深度9.0~13.8米。
④层粉砂:青灰色,中密,饱和,主要成份为石英、长石,场区普遍分布,工程地质性质较好,层厚3.7~13.3米,层顶深度7.6~16.8米。
基坑支护工程施工组织设计一、工程概况本工程为XXX项目,位于XXX市中心区域,主要包括一栋高度为XXX米的主楼、一栋高度为XXX米的副楼和一座地下室。
基坑支护工程是本项目的重要组成部分,涉及到土方开挖、支护结构施工、排水系统建设等多个方面。
二、施工目标1. 确保工程质量:严格按照设计文件和规范要求,保证基坑支护结构的稳定性和安全性,确保工程质量达到优良等级。
2. 保证施工安全:加强施工现场安全管理,预防事故的发生,确保施工人员的人身安全。
3. 控制工程进度:合理安排施工计划,确保基坑支护工程按时完成,不影响整体工程进度。
4. 降低工程成本:通过科学组织施工,优化资源配置,降低工程成本。
三、施工组织机构1. 项目经理部:负责整个基坑支护工程的施工组织和管理,对工程质量、安全、进度和成本负责。
2. 技术部门:负责编制施工方案、技术交底和安全措施,对施工过程中的技术问题进行指导和支持。
3. 施工队伍:负责基坑支护结构的施工,包括土方开挖、支护结构施工、排水系统建设等。
4. 安全监督部门:负责施工现场的安全监督,预防事故的发生,对施工现场的安全状况进行定期检查。
5. 质量监控部门:负责对施工过程中的质量问题进行监控,确保工程质量达到优良等级。
四、施工流程1. 施工准备:包括施工现场的平整、排水系统的建设、临时道路的铺设等。
2. 土方开挖:按照设计要求进行土方开挖,注意控制开挖深度和边坡稳定性。
3. 支护结构施工:根据设计文件进行支护结构的施工,包括锚杆、喷锚、支撑等。
4. 排水系统施工:施工过程中要注意排水系统的建设,防止水浸泡基坑。
5. 施工监测:对基坑支护结构的稳定性、周围环境的变化等进行监测,及时发现问题并采取措施。
6. 施工收尾:工程完成后进行验收,确保工程质量达到优良等级。
五、施工措施1. 质量措施:严格把控原材料的质量,对施工过程中的质量问题进行及时处理。
2. 安全措施:加强施工现场的安全培训,定期进行安全检查,配备齐全的安全设施。
第十二章垂直运输机械1、塔吊机械选择现场使用要求1.1.1 建筑物因素本工程在东、西看台处砼构造最大高度达42m,东、西两侧建筑最大跨度达70 m多。
1.1.2 起吊重量要求本工程框筒部位采用钢木大模,最大重量达,塔吊不管如何布置,楼层上部每块钢木大模必须都能起吊。
1.2 塔吊选用原那么与塔吊布置1.2.1 选用与布置原那么(1)塔吊爬高吊重,必须满足要求。
(2)塔吊性能必须良好,高利用率、低故障,必须选择技术成熟产品。
(3)针对实际塔吊布置必须避开支撑,又要尽量减短附墙间隔1.2.2 塔吊型号与布置经综合考虑本工程选用4台QT-125TM塔吊和4台QT-80TM塔吊,该系列吊车采用调压调速技术,从高速下降到慢速就位可连续变速,运行按加减速曲线进展,并可用操纵杆调控;提升机构装有排绳装置,完全排除乱绳的可能性。
张家港波坦公司125TM臂长L=63m,最小起吊量F min=1.5t,使用功率45KW。
地下根底及一、二层构造施工阶段配置汽车吊和翻斗车在现场内侧,以利材料转运和砼浇筑。
1.2.3 塔吊布置125TM塔吊设于体育中心外侧,塔吊中心与建筑物外墙间距为 3.0m,塔吊之间直线间距不大于126m。
1.2.4 塔吊根底设计与施工会同设计单位、支护单位、监理、业主等协商后,进展专题根底受力计算,并采用可靠受力保证措施后施行。
2、泵车的使用2.1 泵送才能的要求2 泵车压力要求本工程采用商品砼,砼供货厂家泵车装备必须满足现场泵送要求,每小时泵出量应大于30m3。
2. 泵管高压配置应齐全砼泵送应具备止回、气洗才能,故此商品砼厂家应配置逆止阀、气洗控制阀,从而确保砼正常施工。
3、机械使用与管理3.1 机械安装3 机械安装方案机械安装首先必须编制机械安装方案,并经严格的方案审批。
3 机械安装(1)必须持证上岗。
(2)必须履行详细的技术安装交底手续。
(3)配齐平安防护设施与器材。
3.2 严格检查验收未经严格检查、检测不得投入使用。
奥体体育场施工组织设计1引言奥体体育场是一座具有现代化设施和多功能性的综合性体育场馆。
在进行奥体体育场的施工工程时,一个合理的施工组织设计是非常关键的。
施工组织设计的目的是通过合理规划和安排施工流程,确保工程的顺利进行,同时最大程度地节省时间和资源。
本文将讨论奥体体育场施工组织设计的相关内容,并提出一些建议和方案。
工程概况奥体体育场的总建筑面积为XXX平方米,包括主体结构、围护结构、场地设施等。
工期预计为XX个月。
施工组织设计施工流程土方工程首先需要进行土方工程,即对场地进行开挖和填方。
为了保证施工进度,可以考虑分批进行开挖和填方工作,以提高效率。
地基处理地基处理是确保体育场稳定性的重要步骤。
根据地质勘测报告,确定地基处理方案,并按照设计要求进行地基处理工作。
主体结构施工主体结构施工是体育场建设的核心部分。
根据施工图纸和设计要求,合理划分施工区域,进行钢结构的安装和混凝土浇筑工作。
围护结构施工围护结构施工包括体育场外墙、屋顶和篮球场围栏等相关工程。
合理规划施工顺序,确保施工质量和进度。
堆场和设备安装在施工过程中,需要建立合理的堆场,用于存放施工材料和设备。
同时,还需要安装一些必要的设备,例如起重机等。
场地设施安装体育场设施包括看台、座椅、场地灯光等。
按照设计要求,合理安排安装顺序,确保施工质量和进度。
室内装饰和设备安装室内装饰和设备安装工作是提升体育场功能和美观性的重要环节。
按照设计要求,合理安排施工进度,并确保装饰材料和设备的质量。
人力资源组织为了保证施工工程的顺利进行,需要合理组织和调配人力资源。
在工程开始前,需要对各个施工岗位进行岗位职责和要求的说明,并确保施工人员的专业素质和技能。
此外,还需要合理安排工作班次和轮岗,以确保施工的连续性和高效性。
资源调配除了人力资源的调配外,还需要合理调配其他资源,例如施工材料、设备和机械等。
在工程开始前,需要做好材料清单和设备需求的计划,以确保材料和设备的供应能够满足工程的需要。
1.编制说明1.1编制说明:南京奥林匹克体育中心体育场西区装修工程施工组织设计按本工程施工进度计划安排,按施工现场的实际情况排列,开工日期依据业主发出的书面通知(或合同规定期)为准。
1.2编制依据:(1)工程合同一份。
(2)招标文件一份。
(3)施工图一套。
(4)现行国家建筑安装工程施工验收规范、技术规程及标准。
(5)施工现场的实际情况。
1.3施工中应严格遵循下列有关规范、规程、规定执行:(1)《建筑工程施工质量验收统一标准》(50300-2001)(2) 江苏省建工局颁发的《建筑安装工程技术操作规程》(3)《建筑安装工人安全技术操作规程》(33-2001)(4)《施工现场临时用电安全技术规范》(46-88)(5) 江苏省公安厅消防安全手册(6)《建筑装饰装修工程施工质量验收规范》(50210-2001)(7)《建筑地面工程施工及验收规范》(50209-2002)(8) 建筑玻璃应用技术规程(113-97)(9) 高级建筑装饰工程质量检验评定标准(01-27-96)(10)《民用建筑工程室内环境污染控制规范》(50212-2002)2. 工程概况建设单位:南京龙江体育中心建设经营管理有限公司工程名称:南京奥林匹克体育中心体育场西区装修工程工程性质用途:体育竞赛场地计划开竣工日期: 2004.10.10-2005.6.30监理单位:浙江江南工程建设监理有限公司设计单位:苏州金螳螂建筑装饰股份有限公司施工单位:苏州金螳螂建筑装饰股份有限公司㎡ 27000建筑面积:工程造价:1600.42 万元结构形式:框架结构地理位置:江苏省南京市3.质量目标本工程经施工完成后,竣工交付业主使用时,质量达到下列目标:(1)合同范围内所有工程的使用功能,均符合设计(或变更)的图纸要求. (2)本工程质量标准:合格(3)单位工程质量目标:“鲁班奖”(4)分项、分部单位工程质量达到评定标准,合格率为100%,达到国家质量验收标准。
第一章工程概况1、工程概况南京奥林匹克体育中心主体育场是2005年我省举办第十届全国运动会和国际单项最高级别运动会的硬件设施,是南京市规划中城市副中心的重要组成部分。
该工程是省政府“十五”计划的重点工程,也是“十五”期间开工建设的最大社会事业项目,是标志性建筑工程。
该工程位于建设中的南京奥林匹克体育中心的中心位置,南北长360m,东西宽为270m,呈椭圆形,建筑面积为127982m2,有6万多个座位席,主体育场设计为6层,局部八层,一层设有新闻媒体、赛事工作、运动员和设备用房,二、四、六层为看台和商业用房等,三、五层为贵宾包厢等。
该工程平面由A、B、C、D四大区域构成,并互相对称。
该工程地基为钢筋砼灌注桩(单桩承载力为1500-2000KN)、C30独立柱承台、MU10条形砖基础及C30砼基础梁组成,承台厚度为1500mm,基础梁断面为800mm×1200mm,±0.00地面砼结构厚度为250mm。
主体结构为现浇C40钢筋砼框架结构和剪力墙框筒结构联合体,看台及梁、楼板为预应力钢筋砼结构,柱网尺寸为7320×7320mm,柱为圆柱,390根,直径尺寸分别为800mm和1200mm,框架结构主梁尺寸为600mm×900mm和600mm×850mm等多种规格,看台大梁断面尺寸为600mm×1200mm和600mm×900mm,次梁尺寸为400mm×600mm,楼层板结构厚度为80mm至250mm等多个尺寸。
采用M5 KM1型多孔砖和加气砼砌块作为填充隔断墙,墙面采用1:1:6混合砂浆抹面。
屋面采用钢结构,由V形支撑斜拱及钢管支撑组成,屋架支撑于一对南北走向的大型钢拱架上,一对钢拱架分别作用于砼灌注柱、4个23m×30m×3m的大体积砼支座及连接支座的预应力砼地梁。
2、工程特点2.1 造型新颖,设计理念超前。
苏宁置业集团有限公司南京奥体苏宁广场结构施工图修改任务书编制:审核:审定:批准:日期:建筑设计管理中心§1.项目概况南京奥体苏宁广场位于南京河西,总用地面积3.3万m2,总建筑面积45.3万m2,塔楼建筑高度400米,主要用途为办公、酒店、酒店式公寓,裙房用途为商业。
原施工图由上海建筑设计研究院有限公司设计,现委托南京市建筑设计研究院有限公司负责施工图修改工作。
对于结构施工图修改我司有以下要求:§2.安全及经济性要求结构设计应严格遵循国家及地方的相关规范、规程、标准及规定,做到技术可靠,经济合理。
节点大样及构造详图原则上应表示在图纸上,尽量不引用通用图集,非引用不可应注明图集号、页码、索引编号,对图集中需设计者确认内容或注意事项应明确说明,避免因引用不当或理解错误造成损失。
§3.结构设计文件完整性及深度要求3.1结构设计文件完整性及深度应满足中华人民共和国建设部《建筑工程设计文件编制深度规定》最新版的要求;必须达到中华人民共和国的有关规范、制图标准及本项目设计合同规定的设计标准、设计深度、设计效果的要求。
需要特别注意的事项:1.钢连桥的计算和设计出图由主体设计院承担,需提交计算书、结构平面布置、用材、构件尺寸、板厚、连接节点等设计文件。
幕墙单位负责施工图深化及与幕墙玻璃相连接的次构件(如门头、雨篷等)的设计深化。
主体设计院应复核幕墙传递给主体结构的荷载准确性及相关连接构件的安全性(幕墙单位提供计算书)。
2.明确主体设计院和人防单位的设计界面。
人防单位负责人防区顶板和中间层楼板的梁板配筋,人防区因人防功能需求的混凝土墙配筋,人防口部配筋,人防区内核心筒墙配筋并复核主体院提供平时配筋取包络设计。
主体设计院负责主体设计工作,包括侧墙、底板、核心筒墙配筋等。
由主体院负责和人防单位协调非人防区和人防区交界面梁板配筋的钢筋直径大小和间距的统一。
3.2工作内容及设计进度应满足甲方提出的设计合同、设计任务书及中间交流书面文件(传真等)的要求。
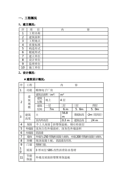
一、工程概况1、建立概况:2、设计概况:a建筑设计概况:b构造设计概况:3、施工概况:本工程2007年10月20日开工2008年5月5日开工。
本工程按工程法组织施工,工程经理选派承当过大型工程工程管理,并具备丰富施工管理经历的国家一级工程经理担任;工程工程师选派具有较高技术业务素质和技术管理程度、并有创河北省安济杯管理经历的工程技术人员担任。
工程部对本工程的人、财、物按照工程法施工管理的要务实行统一组织,统一布置,统一方案,统一协调,统一管理,通过我们科学、严谨的工作质量和工程管理经历,确保实现合同规定的工期和质量目的,现场管理创河北省级文明平安工地。
主要管理人员情况及工程部组织机构工程经理简历表以上各部在经理部指导班子的指导下,统一协调,各尽其责,及时施工过程中出现的各种问题,确保优质、高效的完成施工任务。
秦皇岛海三建立工程开展股份,始建于1977年。
通过产权制度改革,于2000年12月改制为股份制〔民营〕企业。
公司现为国家房屋建筑工程施工总承包资质一级企业,注册资金6000万元人民币。
公司下属三个施工分公司、房屋开发公司、建材经销公司、建材加工公司、建材检测公司等单位。
现有管理人员446人,从业人员年平均4000-10000人左右,各类专业技术人员361人,其中:高级职称15人,中级职称63人,初级职称283人。
公司有各类施工机械设备700多台〔件〕,其中:大中型设备300多台,能满足各类建筑工程施工的需要。
公司1997年通过ISO9001质量管理体系认证,并始终得到严肃执行。
公司先后承建的市邮政大厦、奥体中心体育场、体育馆、报业大厦、工行大厦、书大厦、海港区法院审讯大楼等标志性工程40多项,具有一定规模的工程200多项。
获省优〔安济杯〕工程58项,其中:秦新花园工程、奥体中心体育场工程荣获国家建筑工程最高奖-鲁班奖。
合同履约率100%,工程一次交验合格率100%,顾客满意度达97%以上。
公司坚持以“诚信天下〞为宗旨的经营理念,以高尚的人品,建造优质产品。
奥体施工组织设计1. 引言奥体施工组织设计是在奥体项目建设过程中的重要环节之一。
良好的组织设计可以确保施工工作按计划高效进行,提高工程质量和安全性。
本文将详细介绍奥体施工组织设计的目标、原则、内容和步骤。
2. 目标奥体施工组织设计的主要目标是优化施工流程,合理分配资源,确保项目按时、按质量要求完成。
具体目标包括:•保证安全:在施工组织设计中,安全是首要考虑的因素。
通过合理的施工组织设计,可以避免施工过程中发生事故和安全隐患。
•提高效率:通过精确的施工组织设计,合理分配人力、物力和财力资源,可以使施工过程更加高效,减少浪费,提高工程质量。
•保证质量:合理的施工组织设计可以确保按照设计要求进行施工,减少疏漏和误差,提高工程质量。
•控制成本:通过施工组织设计,可以有效控制施工成本,合理使用资源,减少不必要的浪费和花费,保证项目在预算范围内完成。
3. 原则在进行奥体施工组织设计时,应遵循以下原则:•合理性原则:施工组织设计应合理安排施工流程,减少工序之间的交叉和冲突,保证施工过程的连贯性和高效性。
•安全性原则:施工组织设计应注重安全,在设计中应考虑预防事故的措施,采取相应的安全措施和预警机制。
•环保原则:施工组织设计应注重环境保护,在施工过程中合理利用资源,减少对环境的污染。
•精确性原则:施工组织设计应准确清晰,避免模糊和歧义,以便施工人员能够清晰理解设计要求。
•经济性原则:施工组织设计应考虑成本控制,合理使用资源,减少浪费。
4. 内容奥体施工组织设计的内容包括施工方案、施工计划、施工方法和施工组织机构等。
•施工方案:施工方案是指对奥体项目施工进行全面规划和安排,包括总体布置方案、施工工艺和施工程序等。
•施工计划:施工计划是指按照施工方案,明确施工工期、施工任务和工作量,具体到每个工程阶段和工序。
•施工方法:施工方法是指具体的施工工序和技术要求,包括材料选择、设备使用、工序操作等。
•施工组织机构:施工组织机构是指奥体项目施工过程中的各个组织单位和人员的分工和协作关系,包括施工队伍的组织、领导管理和监督机制等。
奥体大街下沉式广场桩基和基坑支护工程概况、场地岩土条件、水文地质条件及周边环境特征拟建奥体大街过街隧道及下沉式广场工程位于南京市建邺区河西新城中央商务区(CBD)奥体大街,距离江东路与奥体大街交叉口约180米,距离庐山路与奥体大街交叉口约170米。
北侧下沉式广场开挖面积约4260平方米,基坑周长约262米,开挖深度约11.7米,(局部开挖深度14.3米);南侧下沉式广场开挖面积约4012平方米,基坑周长约254米,开挖深度为12.3米(局部开挖深度约14.9米)。
南、北侧下沉式广场均为地下2层结构,南北联络通道采用矩形顶管法施工,下沉式广场采用明挖顺做法施工。
本工程勘察详见勘察报告:1-1杂填土杂色松软表层主要为混凝土路面,下部主要以可塑状粉质黏土构成,含有大量碎砖瓦,局部含有少量腐植物。
1-2淤泥质素填土灰黑色流塑—软塑局部为淤泥质粘土,夹薄层粉土、粉砂和少量腐植物,属高压缩土、高灵敏性软土。
2淤泥质粉质黏土夹粉土、粉砂灰色流塑—软塑局部为淤泥质粘土,夹薄层粉土、粉砂和少量腐植物,属高压缩土、高灵敏性软土。
3-1粉土夹粉砂灰色稍密—中密很湿,切面无光泽,韧性及干强度低,摇震反应迅速。
3-2 粉砂灰色中密饱和,主要矿物成分为石英、长石,含大量云母片,透水性好,含水量丰富。
3-3 粉细砂青灰色密室饱和,主要矿物成分为石英、长石,含大量云母片,局部夹薄层粉质粘土或粉土,呈饱和、密实状态透水性好,含水量丰富。
基坑周边环境2.2工程特点对本项目的认识,通过认真阅读设计图纸和现场踏勘,我们认为桩基及基坑工程项目总体上具有以下特点:2.2.1桩基工程:1.本工程桩基础采用钢筋混凝土钻孔灌注桩,桩端持力层入3-3层粉细砂不小于1.5米。
2.本工程桩型主要分为:2.2.2基坑支护工程:1.本工程基坑坑中坑挖深为11.3m,局部坑中坑最深Hmax=14.9m的深大基坑,南北基坑面积近8272m2。
2.基坑主要分为大底板及局部电梯井坑中坑。
第一节主要施工方案与技术措施1、工程概况项目名称:项目编号:计划工期:建设地点:质量要求:招标范围:安全目标:文明工地目标:招标控制金额:2、施工准备①、熟悉、审查施工图纸和有关的设计资料熟悉、审查设计图纸的目的,是为了能够按照设计图纸的要求顺利地进行施工,生产出符合设计要求的工程项目。
能够在拟建工程开工之前,使从事施工技术和经营管理的工程技术人员充分地了解和掌握设计图纸的设计意图、结构与构造特点和技术要求。
②、熟悉、审查设计图纸的内容审查设计图纸是否完整、齐全,以及设计图纸和资料是否符合国家有关工程建设的设计,施工方面的方针和政策。
审查设计图纸与说明书在内容上是否一致,以及设计图纸与其各组成部分之间有无矛盾和错误。
审查设计图纸中的工程复杂、施工难度大小和管理水平能否满足工期和质量要求并采取可行的技术措施加以保证。
③、熟悉、审查设计图纸的程序熟悉、审查设计图纸的程序通常分为自审阶段、会审阶段和现场签证等三个阶段。
A.设计图纸自审阶段:施工单位收到拟建工程的设计图纸和有关技术文件后。
应尽快地组织有关的工程技术人员熟悉和自审图纸,写出自审图纸的记录。
自审图纸的记录应包括对设计图纸的疑问和对设计图纸的有关建议。
B.设计图纸的会审阶段:一般由建设单位主持,由设计单位和施工单位参加,三方进行设计图纸的会审。
图纸会审时,首先由设计单位和工程主要设计人向与会者说明拟建工程的设计依据、意图和功能要求,并对特殊结构、新材料、新工艺和新技术提出设计要求;然后施工单位根据自审记录以及对设计意图的了解,提出对设计图纸的疑问和建议;最后在统一认识的基础上,对所探讨的问题逐一地做好记录,形成“图纸会审纪要”,由建设单位正式行文,参加单位共同会签、盖章,作为与设计文件同时使用的技术文件和指导施工的依据,以及建设单位与施工单位进行工程结算的依据。
C.设计图纸的现场签证阶段:在拟建工程施工的过程中,如果发现施工的条件与设计图纸的条件不符,或者发现图纸中仍然有错误,或者因为材料的规格、质量不能满足设计,或者因为施工单位提出了合理化建议,需要对设计图纸进行及时修订时,应遵循技术核定和设计变更的签证制度,进行图纸的施工现场签证。
苏宁广场地下工程施工苏宁广场作为一项重要的城市综合体建设项目,其地下工程施工的质量和进度直接关系到整个项目的顺利完成和未来的经济效益。
本文将详细介绍苏宁广场地下工程施工的过程和关键环节。
一、工程概况苏宁广场位于我国某城市中心区域,占地面积约为2.5万平方米,总建筑面积约为15万平方米。
该项目包括地上商业裙楼、办公塔楼、酒店塔楼和地下室等部分。
地下室共三层,总面积约为5万平方米,主要用于停车、设备用房和商业用途。
二、施工准备在地下工程施工之前,首先要进行详细的施工准备工作。
包括:1. 施工现场的勘察和测量,了解地质条件和地下管线情况,为施工提供基础数据。
2. 制定施工组织设计,明确施工流程、施工方法、质量标准和安全措施等。
3. 采购施工材料和设备,确保施工顺利进行。
4. 对施工人员进行技术培训和安全教育,提高施工人员的技能和安全意识。
三、施工过程1. 土方开挖:根据设计要求,首先进行土方开挖,挖出地下室的空间。
在开挖过程中,要注意控制土方的稳定和安全,防止坍塌和滑坡等事故。
2. 支护结构施工:在土方开挖后,要及时进行支护结构的施工,包括锚杆、锚索、支撑梁等,以保证地下室的稳定和安全。
3. 降水施工:由于地下水位较高,需要进行降水施工,以保证地下工程施工的顺利进行。
4. 基础施工:在地下室底部进行基础施工,包括垫层、防水层、承台等。
5. 主体结构施工:按照设计要求,进行地下室主体结构的施工,包括墙体、梁、板等。
6. 设备安装:在地下室内部进行设备安装,包括给排水、供电、通风空调、通信等。
7. 装饰装修:对地下室进行装饰装修,包括墙面、地面、天花板的装修,以及照明、标识等设施的安装。
四、质量控制在地下工程施工过程中,要严格按照国家相关标准和规范进行施工,确保工程质量。
同时,要加强质量检查和验收工作,对施工过程中的每一个环节进行严格把控。
五、安全管理地下工程施工过程中,安全管理至关重要。
要建立健全安全管理制度,对施工人员进行安全教育,定期进行安全检查,及时发现和消除安全隐患,确保施工安全。
南京奥林匹克体育中心体育科技中心桩基工程施工组织设计目录一工程概况 (2)二施工部署 (2)三施工方法 (6)四质量措施 (9)五安全措施 (11)六文明施工 (13)七环境保护 (14)八冬雨季施工措施 (14)九地下管线及其它地上地下设施的加固措施 (15)十附图表 (16)南京奥林匹克体育中心体育科技中心桩基工程施工组织设计一、主要工程概况南京奥林匹克体育中心体育科技中心桩基工程,根据设计说明,桩基采用砼灌注桩,桩身砼标号C30,桩径分别为1000mm和800mm,桩长52~54m,共168根。
要求采用反循环施工工艺成孔进行施工。
为了保证砼灌注桩质量,砼采用商品砼,钢筋采用宝钢的产品。
本工程开工时间为2003年4月20日,完工时间为2003年5月29日,总工期为40天。
工程质量要求为“合格”,施工现场要求达到“南京市文明工地”标准。
二、总体施工部署1、施工组织机构设置为了对本工程实施有效管理,实现我单位对业主的承诺,工程中标后,我单位将在现场设置项目经理部,并选派具有丰富施工经验、具备一级项目经理证书的优秀项目经理担任本工程项目经理,并由单位法人委托,全权代表我单位行使对业主的承诺。
项目经理带领项目部全体管理人员,紧紧围绕本工程的各项管理目标,按照项目法组织施工与管理。
另选派具有丰富实践经验的高级工程师担任本工程的总工程师,并建立项目质量保证体系,进行监督和保证有效运行。
项目经理部下设6部2室(详见项目部组织机构框图),在项目经理的统一指挥领导下,全面负责本工程的施工管理工作。
同时,项目经理部将积极发挥我单位的桩基工程专业的技术优势,积极组织精干的施工队伍和高素质的工程管理人员,对本工程实施全过程、全方位的动态管理,全面履行本工程的合同条款,确保本工程达到优质、安全、文明施工,并提前完成工程任务。
项目部主要工作职责如下所述:1)项目经理部将利用现代化的管理手段和管理设备,投入到本工程的项目管理中去,充分利用计算机及网络、通讯技术的先进优势,应用于本工程的辅助管理。
(精编)奥体二中基坑支护施工组织设计奥体二中基坑支护工程施工组织设计2013年12月15日目录第一章工程概况第二章编制依据及技术标准第三章施工总体部署第四章主要分项工程的施工方法和施工措施第一节…………………施工测量第二节…………………钻孔灌注桩施工第三节…………双轴深搅桩施工………第四节…………………双排桩拉板梁施工第五节…………………坡面竹筋土钉墙、木桩及挂网喷浆施工第五章支护工程合理化建议及应急措施第六章安全文明施工管理措施第七章减少扰民和环境污染和噪音措施第八章季节性和夜间施工措施第九章保证工期和质量管理措施第十章附图表第一章工程概况一、本工程项目包括一栋五层教学楼、一栋五层实验楼、一栋五层行政楼和一栋二层风雨操场/学生食堂,教学楼南侧局部为一层报告厅。
实验楼和行政楼、风雨操场/学生食堂(局部)下各设有一座地下室。
结构为框架结构。
采用预制混凝土管桩基础。
,二、基坑规模:风雨操场/学生食堂基坑面积约556.15m2,周长约为94.4m;实验楼及行政楼基坑面积约3504.05m2,周长约为378.6m。
三、基坑开挖深度:风雨操场/学生食堂自然地面标高+6.20m,基坑底标高为3.55m,基坑开挖深度为2.65m。
实验楼及行政楼整平地面标高+6.00m、+6.20m、+6.70m,基坑底标高为1.75m,基坑开挖深度为4.25m、4.45m、4.95m。
四、工程地质概况:场地地貌搭设单元为长江漫滩。
场地岩土层自上而下为:1-1层杂填土,场区普遍分布,厚度:0.50-4.20m;1-2层素填土,场区局部分布,厚度:0.40-3.70m;2-2层淤泥质粉质粘土,场区普遍分布,厚度:3.90m-10.10m;2-3层粉质粘土夹薄层粉砂,场区普遍分布,厚度:2.30m-6.00m;2-4层粉砂夹粉土,场区普遍分布,厚度:3.10m-11.80m。
五、综合考虑地质、环境、挖深等诸方面因素,本着"安全可靠,经济合理,技术可行,方便施工"的原则,本基坑采用的支护方案为:1、ABCDA段采用一级放坡,坡比为1:1.2,坡面作挂网喷射砼处理,ABC段坡脚采用土袋加固,CDA段采用采单排木桩加固。
奥体中心施工组织设计施工组织设计溧阳市建筑安装工程总公司二零零五年七月三十日目录一、工程概况二、施工程序(含地下管线及其它地上地下设施的加固措施)三、施工预备(含材料、机械进场打算表)四、要紧施工方法1.定位、标高测量工程2.门窗工程3.钢筋工程4.模板工程5.现浇钢筋砼工程6.墙体工程7.楼地面工程8.屋面工程9.外墙面砖工程10.脚手架工程11.外墙氟碳涂料刷面12.外装饰工程防治质量通病措施五、季节性施工措施(雨季、夏季施工措施)六、安全生产保证措施七、保证工程质量技术措施八、保证进度组织措施九、环境污染防治技术措施十、文明施工措施(含减少扰民、降低噪音措施)十一、外来民工治理措施十二、附表、附图(含进度打算表、施工现场平面布置图及施工道路平面图)一、工程概况工程名称:南京邮政局奥体支局室外工程建设单位:南京邮政局投标单位:溧阳市建筑安装工程总公司建筑设计:南京邮政局奥体支局室外工程包括:道路1200平方米,砼厚度为200厚,本工程采纳的技术规范:1)《建筑工程施工质量验收统一标准》GB50300-2001 2)《钢筋砼结构工程施工及验收规范》GB50204-2002 3)《钢筋机械连接通用技术规程》JGJ107-964)《砌体工程施工质量验收规范》GB50203-20025)《屋面工程质量验收规范》GB50207-20026)《一般砼用砂质量标准及检验方法》JGJ52-927)《一般砼用碎石和卵石质量标准及验收规范检》JGJ53-92二、施工程序本工程地处南京扬子石化工有限责任公司医院内,由因此院病内,在施工期间应严格按甲方划定区域进行平面布置及安排,防止阻碍周围的医院正常工作、休息而发生矛盾。
在施工前,第一应向业主了解地下管线及地下地上的设施情形,针对具体情形,具体问题,会同设计院、监理部门、业主制定切实可行的加固措施和爱护方法。
对地面上的脚手架应全方位封闭,在公用通道上,设安全通道,其上用木板全封闭,同时对井架进行地面及墙面固定,在屋面顶部及中间位置和根部进行一定固定。
目录1.编制依据 (2)2.工程概况 (2)2.1 工程概况................................................ - 2 -3.应急预案 (3)3.1 重大环境因素及危险源分析............................... - 3 - 3.2应急求援领导小组成员及联系方式.......................... - 4 - 3.3整体预案策划............................................ - 4 - 3.4实施原则................................................ - 4 - 3.5基坑施工阶段常见工程事故应急处理措施.................... - 5 - 3.6 基坑施工阶段其他常见问题及其处理措施.................... - 7 - 3.7雨期施工................................................ - 8 - 3.8安全施工措施............................................ - 8 - 3.9应急处理材料、物品及人员准备............................ - 9 -1.编制依据1.1 宁广场工程项目基坑围护设计图纸;1.2 《宁广场工程岩土工程勘察报告》(2007-G-206);1.3 《混凝土结构工程施工验收规》(GB50204-2002);1.4 《供水管井设计施工及验收规》(CJJ 10-86);1.5 《建筑与市政降水工程技术规》(JGJ/T 111-98);1.6 《地基基础设计规》(DGJ 08-11-1999);1.7 《施工现场临时用电安全技术规》(JGJ 46-2005)。
1.8 《钻孔灌注桩施工规程》DBJ08-202-20071.9 《施工现场工程质量保证体系》DG/TJ08-1201-20051.10 《施工现场安全生产保证体系》DG/TJ08-903-20031.11 《地基处理技术规》DBJ08-40-942.工程概况2.1 工程概况2.1.1工程参建方一览表2.1.2 场地位置拟建工程位于市人民路与新生路交叉口南侧。