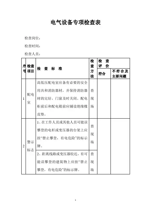
移动电气设备安全状态检查表
- 格式:doc
- 大小:29.00 KB
- 文档页数:1
电气安全检查表一、电气设备检查。
1. 检查电气设备的外观是否完好,有无损坏或者老化现象。
2. 检查电气设备的接地是否良好,有无漏电现象。
3. 检查电气设备的线路是否整齐,有无交叉或者缠绕现象。
4. 检查电气设备的插头和插座是否干净,有无锈蚀或者松动现象。
5. 检查电气设备的开关是否正常,有无卡滞或者失灵现象。
二、电气线路检查。
1. 检查电气线路的绝缘是否完好,有无破损或者老化现象。
2. 检查电气线路的负载是否合理,有无过载或者短路现象。
3. 检查电气线路的线缆是否整齐,有无裸露或者损伤现象。
4. 检查电气线路的配电箱是否密封,有无异物进入或者漏电现象。
5. 检查电气线路的保护装置是否齐全,有无缺失或者失效现象。
三、电气安全用具检查。
1. 检查绝缘手套和绝缘靴是否完好,有无破损或者老化现象。
2. 检查绝缘垫和绝缘棒是否干净,有无污染或者损伤现象。
3. 检查绝缘带和绝缘帽是否整齐,有无缺失或者变形现象。
4. 检查绝缘工具和绝缘设备是否齐全,有无损坏或者失灵现象。
5. 检查绝缘标识和绝缘警示牌是否清晰,有无模糊或者褪色现象。
四、电气安全操作检查。
1. 检查电气操作人员是否穿着符合要求的工作服和劳动防护用品。
2. 检查电气操作人员是否按照规定的程序和步骤进行操作。
3. 检查电气操作人员是否严格遵守安全操作规程和操作规范。
4. 检查电气操作人员是否及时报告和处理电气事故和隐患。
5. 检查电气操作人员是否具备应急处置能力和自救逃生技能。
五、电气安全管理检查。
1. 检查电气安全管理制度和安全管理规定是否健全和完善。
2. 检查电气安全管理人员和安全管理人员是否履行管理职责和监督职责。
3. 检查电气安全教育和安全培训是否及时和有效开展。
4. 检查电气安全检查和安全评估是否定期和全面进行。
5. 检查电气安全奖惩和安全改进是否及时和有效执行。
六、电气安全隐患排查。
1. 检查电气设备和电气线路是否存在安全隐患和安全风险。
电气设备安全检查表
背景
电气设备是我们日常生活和工作中必不可少的重要器具,但它也可能存在一些潜在危险,例如电击、火灾等。
为保障人们的生命财产安全,按照国家相关法律法规的规定,电气设备使用前、使用中、使用后均应及时进行安全检查。
本文档将为您提供一份电气设备安全检查表,供参考和实践。
电气设备安全检查表
基础检查
•是否已经定期检查过设备;
•设备与接地保持良好的接触状态;
•设备的电缆、开关、插头、插座等部件是否齐全、无缺损;
•设备是否已经正确接地,接地电阻是否小于4欧姆;
•使用电缆是否符合要求,电流是否符合额定值;
环境检查
•是否存在有灰尘、水汽、潮气等导致故障的环境;
•是否有易燃、易爆、有毒、有腐蚀性等危险物品的存在;
•是否有可能出现因施工、装修等原因电路短路或电器零件脱落飞出;
•是否存在非专业人员擅自接线、非法乱拉乱接电线等情况;
设备检查
•是否存在损坏或破损情况;
•是否存在过度使用导致的电器老化现象;
•是否接地线松动、腐蚀或过分弯曲;
•是否存在漏电现象、火花、异响和过热;
•是否存在电路短路、空转现象;
•是否存在供电稳压不足、负载过载等问题;
紧急应对
•是否准备好了灭火器、手电筒等紧急救援设备;
•是否有灭火应急措施和预案;
•是否具备应急避险意识,尽量远离危险现场,向安全区域撤离。
总结
上述电气设备安全检查表仅是一份基本的检查清单,用户需要结合具体使用情况和设备要求细化和完善检查内容。
针对潜在问题,及时采取相应的维修或更换措施,确保设备的运转和使用安全。
电气设备检查表一、背景介绍随着现代生活的发展,电气设备在各个领域中的应用越来越广泛。
为了确保电气设备的安全可靠运行,对电气设备进行定期的检查和维护是必不可少的。
本检查表旨在提供一个全面的电气设备检查指南,以便检查人员能够按照统一的标准进行检查,及时发现和排除电气设备存在的问题,保障电气系统的正常运行。
二、检查内容1. 电气设备外观检查:- 检查设备外壳是否完整,是否存在损坏、裂纹等情况;- 检查设备接线端子是否紧固可靠;- 检查设备上的标识是否清晰可见。
2. 电气设备内部检查:- 检查设备内部是否存在异味、灰尘等;- 检查设备内部连接线路是否松动;- 检查设备内部是否有水分、油污等。
3. 电气设备功能检查:- 检查设备的开关、按钮、指示灯是否正常工作;- 检查设备的保护装置是否正常工作;- 检查设备的电气参数是否符合规定要求。
4. 电气设备维护记录:- 记录设备的检查日期、检查结果和处理情况;- 如发现问题,及时进行维修和更换。
三、操作步骤1. 准备相关工具和设备,包括检查仪器、安全工具等。
2. 对电气设备进行外观检查,记录检查结果并处理异常情况。
3. 对电气设备进行内部检查,注意安全操作,记录检查结果并处理异常情况。
4. 对电气设备进行功能检查,记录检查结果并处理异常情况。
5. 根据检查结果,及时进行设备的维修和更换,并记录维护情况。
6. 定期对电气设备进行检查,建立健全的维护记录。
四、注意事项1. 在进行电气设备检查时,必须遵守相关的操作规程和安全规定。
2. 在检查过程中,应注意设备的电源是否已经切断,并采取相应的安全措施。
3. 如发现设备存在严重问题,应立即停止使用,并联系专业人员进行维修。
4. 检查人员应具备相关的电气知识和技能,避免操作失误和安全事故的发生。
五、总结电气设备检查是确保电气系统安全运行的关键步骤,通过按照检查表的要求进行定期检查,可以及时发现和排除设备存在的问题,提高设备的可靠性和稳定性。
电气设备维护作业安全检查表1.检查电气设备是否处于正常工作状态检查电气设备是否接地良好,不存在接地故障。
检查设备是否漏电或产生过热现象。
检查电气设备的开关、插座是否正常运转。
2.检查电气设备周围环境是否安全确保设备周围没有易燃易爆等危险物品。
检查设备周围的通道是否畅通,有无杂物堆积。
确保设备周围没有水源,避免发生触电事故。
3.检查电气设备的维护记录及保养情况检查设备的维护记录,确保维护工作及时完成。
确认设备的保养工作是否按照标准操作流程进行。
4.检查员工是否具备相关安全知识和技能确认员工是否经过电气设备维护作业的安全培训。
检查员工是否了解电气设备维护过程中的安全操作规程。
5.检查电气设备防护措施是否完善确认设备是否有防护罩或罩门,防止人员误碰触电。
检查设备周围是否有明显的安全警示标志。
6.检查紧急救援设备是否完备确认现场是否配备了灭火器等消防设备。
检查紧急停电按钮是否正常运作。
7.检查设备维修工具是否符合要求确认维修工具是否经过检验合格。
检查维修工具是否保持良好状态,无损坏或磨损。
8.检查工作人员是否穿戴合适的个人防护装备检查工作人员是否佩戴绝缘手套、绝缘鞋等个人防护装备。
检查个人防护装备是否符合规定的使用期限。
9.检查电气设备维护作业是否按照程序进行检查维护作业是否按照操作规程进行,是否有无关人员闯入。
确认维护作业是否遵循安全程序,是否有必要的协助人员。
以上为电气设备维护作业安全检查表,希望能够帮助您确保电气设备维护作业的安全进行。
请务必按照以上检查内容进行认真核查,及时发现问题并采取相应的安全措施及纠正措施,确保工作人员的安全和设备的正常运行。
电气设备安全检查表(DOC)检查目的本检查表旨在帮助使用者更好地完成对电气设备的安全检查,确保设备的正常运行并保障使用者的人身安全。
检查步骤1.检查电气设备的工作环境及清洁情况。
在进行检查之前,应首先检查设备的工作环境是否存在隐患,如潮湿的环境、高温环境、粉尘较多的环境等。
确认环境情况后,使用者应对设备进行清洁。
清洁前,应先关机并拔掉电源插头,使用干净的布或刷子清洁设备表面。
2.检查电气设备的电源插头及线缆。
检查电源插头及线缆是否破损、老化、插口松动等情况。
如果发现问题,使用者应及时更换或修复。
3.检查电气设备的保护措施是否完善。
检查设备是否配备了保护措施,如熔断器、电源开关、电流互感器等,并检查这些设备是否正常工作。
4.检查电气设备的接地情况。
检查电气设备的接地线是否牢固连接,以及和接地电极的接触是否良好。
确保设备接地可靠,从而避免漏电等安全隐患。
5.检查电气设备内部零部件的焊点、接线和连接器是否紧固牢靠、电气绝缘是否良好。
打开设备,直接检查内部零部件的连接器、接线及焊点是否紧固牢靠,以及电气绝缘是否良好。
如果发现电气绝缘不良,应及时处理,以免引起电气火灾等危险。
6.检查电气设备的操作控制面板。
检查面板是否完好无损、灵活可靠,所有控制功能是否正常,所有开关是否牢固。
7.检查电气设备的散热及温度情况。
开机后,检查设备内部的散热情况和温度情况是否正常,并检查设备是否存在过热等现象。
总结上述检查步骤不仅能够有效保障电气设备的正常运行,还能够确保使用者的人身安全。
因此,我们建议用户能够依据本检查表对电气设备进行定期的安全检查,预防安全隐患并保障设备运行。
移动电气设备安全状态检查表
年度:设备
编号
设备名称制造厂家
设备型号使用部门
摇表型号
电压等级
序号检查内容
安全状态
一季度二季度三季度四季度
1 绝缘电阻值不小于1兆欧
2 电源线采用三芯或四芯多股铜芯橡胶电缆(移动式风扇产品出厂本身不是三芯的除外),绿黄双色线在任何情况下只能用做PE线,电源线中间不允许有接头,绝缘层无破损和包扎,不跨越通道,长度不得超过6m,接地要可靠。
3 移动电器设备采用插头的,插头是否有裂纹,不得进行包扎。
4 PE 是否可靠
5 防护罩、遮拦、屏护、盖是否完好,有无松动。
6 开关是否可靠灵敏,各种旋扭完好无损,与负载相匹配。
7 能否继续使用
8 检查人(电工)
9 检查日期
保存期:5年
说明:
1、日常的使用的移动设备每季度应时间表中1—6项为日常检查项目,每次检查完后,需在7—9项中确认能否继续使用,签名确认和填写检查日期。
2、对检查项目不存在安全隐患的,打“√”,对存在安全隐患的项目,在对应的安全状态栏上写明。